Application of Tilt Integral Derivative for Efficient Speed Control and Operation of BLDC Motor Drive for Electric Vehicles
Abstract
1. Introduction
- Electric power steering: BLDC motors are commonly used in electric power steering systems in electric vehicles to provide precise and efficient steering control.
- Electric braking systems: BLDC motors are used in regenerative braking systems in electric vehicles to convert kinetic energy into electrical energy and recharge the vehicle’s battery.
- Electric cooling systems: BLDC motors are used in electric vehicle cooling systems to regulate the temperature of the vehicle’s battery, motor, and other components.
- Electric HVAC systems: BLDC motors are used in electric vehicle heating, ventilation, and air-conditioning systems to provide efficient and reliable climate control.
- Electric propulsion systems: BLDC motors are used in electric propulsion systems to drive the vehicle’s wheels or provide propulsion for other components such as pumps or fans.
- Electric actuators: BLDC motors are used in electric vehicle actuators for applications such as adjusting mirrors, seats, and other components.
2. Mathematical Modeling of a BLDC Motor
2.1. Dynamic Model
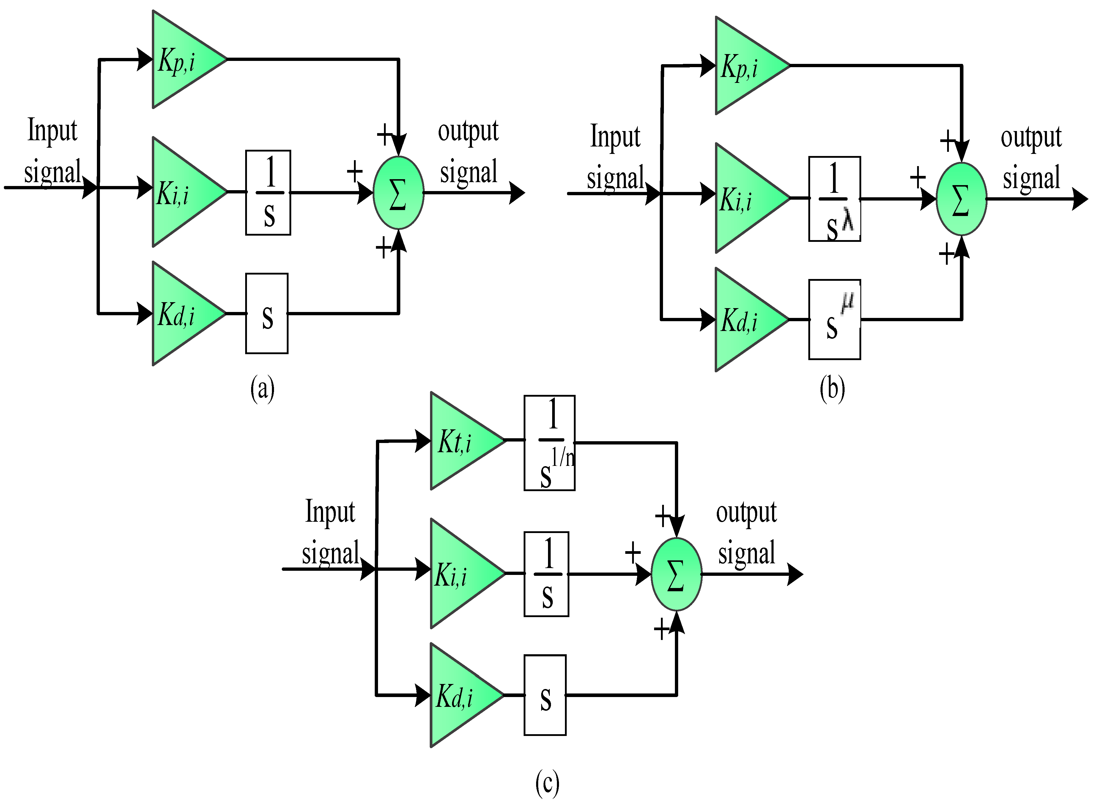
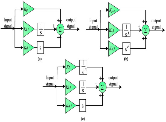
2.2. Design of Speed Control
3. Control Methodology and Problem Formulation
4. Simulation of Proposed System
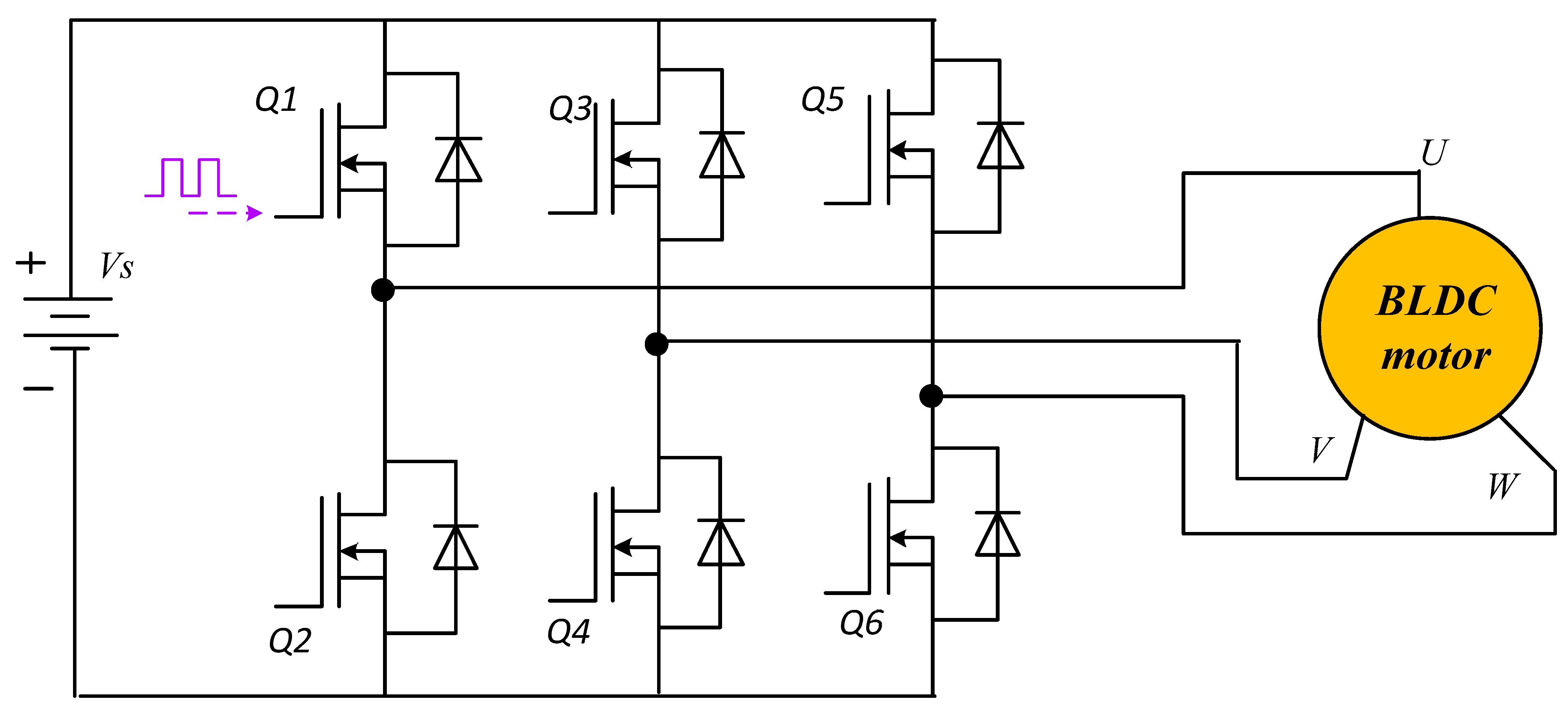
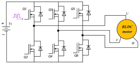
4.1. Modeling of BLDC Drive
4.2. Simulation Results
5. Experimental Setup
6. Stability Analysis
6.1. Bode Plot
6.2. Pole-Zero Map
7. Discussion
- Precise control: TID control allows for precise and accurate regulation of torque, speed, and position of the BLDC motor, resulting in smooth and efficient operation of the electric vehicle.
- Energy efficiency: By optimizing the performance of the motor, TID control helps in maximizing energy efficiency, which is crucial for extending the range of electric vehicles and reducing energy consumption.
- Enhanced performance: TID control ensures that the motor operates at its optimal performance levels, leading to improved acceleration, braking, and overall vehicle dynamics.
- Reduced wear and tear: By controlling the torque output and speed of the motor, TID control helps in minimizing wear and tear on the motor and other vehicle components, leading to increased longevity and reduced maintenance costs.
- Flexibility: TID control can be tailored to suit different driving conditions and requirements, allowing for flexibility in adapting to various applications and driving scenarios.
- Safety: Precise control over the motor’s torque, speed, and position can contribute to enhanced safety by ensuring stable and predictable vehicle behavior in different driving situations.
- Smooth operation: TID control helps in achieving smooth and seamless operation of the electric vehicle, providing a comfortable and enjoyable driving experience for the occupants.
8. Conclusions
Author Contributions
Funding
Data Availability Statement
Conflicts of Interest
References
- Chow, C.C.T.; Ainslie, M.D.; Chau, K.T. High temperature superconducting rotating electrical machines. An overview. Energy Rep. 2023, 9, 1124–1156. [Google Scholar] [CrossRef]
- Yang, D.; Huo, Y.; Zhang, Q.; Xie, J.; Yang, Z. Recent advances on air heating system of cabin for pure electric vehicles. A review. Heliyon 2022, 8, e11032. [Google Scholar] [CrossRef]
- Rajesh, P.; Shajin, F.H.; Rajani, B.; Sharma, D. An optimal hybrid control scheme to achieve power quality enhancement in microgrid connected system. Int. J. Number Model Electron. Netw. Dev. Fields 2022, 35, e3019. [Google Scholar] [CrossRef]
- Jayakumar, V.; Chokkalingam, B.; Munda, J.L. A Comprehensive Review on Space Vector Modulation Techniques for Neutral Point Clamped Multi-Level Inverters. IEEE Access 2021, 9, 112104–112144. [Google Scholar] [CrossRef]
- Aliasand, A.E.; Josh, F. Selection of motor for an electric vehicle. A review. Mater. Today Proc. 2020, 24, 1804–1815. [Google Scholar] [CrossRef]
- Manuel, N.L.; İnanç, N.; Lüy, M. Control and performance analyses of a DC motor using optimized PIDs and fuzzy logic controller. Results Control Optim. (RICO) 2023, 13, 100306x. [Google Scholar] [CrossRef]
- Chen, Q.; Liu, G.; Zhao, W.; Qu, L.; Xu, G. Asymmetrical SVPWM fault-tolerant control of five-phase PM brushless motors. IEEE Trans. Energy Convers. 2016, 3, 12–22. [Google Scholar]
- Sriram, J.; Sureshkumar, K. Speed control of BLDC motor using fuzzy logic controller based on sensorless technique. In Proceedings of the International Conference on Green Computing Communication and Electrical Engineering (ICGCCEE), Coimbatore, India, 6–8 March 2014; pp. 1–6. [Google Scholar]
- Goswami, R.; Joshi, D. Performance review of fuzzy logic based controllers employed in brushless DC motor. Procedia Comput. Sci. 2018, 132, 623–631. [Google Scholar] [CrossRef]
- Yong, Z.; Man, W.; Qi, L.; Chao, Z. The design of BLDCM controller for EMA based on fuzzy PID control. In Proceedings of the Chinese Control and Decision Conference (CCDC), Yinchuan, China, 28–30 May 2016; pp. 6428–6432. [Google Scholar]
- Devi, K.S.; Dhanasekaran, R.; Muthulakshmi, S. Improvement of speed control performance in BLDC motor using fuzzy PID controller. In Proceedings of the International Conference on Advanced Communication Control and Computing Technologies (ICACCCT), Ramanathapuram, India, 25–27 May 2016; pp. 380–384. [Google Scholar]
- Whittingham, M.S. History, evolution and future status of energy storage. Proc. IEEE 2012, 100, 1518–1534. [Google Scholar] [CrossRef]
- Zhang, W.; Xu, Y.; Tian, X.; Nguyen, N.K.; Semail, E. Dynamic equivalent magnetic network model and drive system of permanent magnet synchronous motor with double V-shaped magnet structure. Mechatronics 2023, 96, 103091. [Google Scholar] [CrossRef]
- Ahmed, N.M.; Ebeed, M.; Magdy, G.; Sayed, K.; Gamoura, S.C.; Metwally, A.S.M.; Mahmoud, A.A. A New Optimized FOPIDA-FOIDN Controller for the Frequency Regulation of Hybrid Multi-Area Interconnected Microgrids. Fractal Fract. 2023, 7, 666. [Google Scholar] [CrossRef]
- Sayed, K.; Almutairi, A.; Albagami, N.; Alrumayh, O.; Abo-Khalil, A.G.; Saleeb, H. A Review of DC-AC Converters for Electric Vehicle Applications. Energies 2022, 15, 1241. [Google Scholar] [CrossRef]
- Almutairi, A.; Sayed, K.; Albagami, N.; Abo-Khalil, A.G.; Saleeb, H. Multi-Port PWM DC-DC Power Converter for Renewable Energy Applications. Energies 2021, 14, 3490. [Google Scholar] [CrossRef]
- Chen, W.; Mao, Z.; Tian, W. Water cooling structure design and temperature field analysis of permanent magnet synchronous motor for underwater unmanned vehicle. Appl. Therm. Eng. 2023, 240, 122243. [Google Scholar] [CrossRef]
- Hemalatha, N.; Venkatesan, S.; Kannan, R.; Kannan, S.; Bhuvanesh, A.; Kamaraja, A. Sensorless speed and position control of permanent magnet BLDC motor using particle swarm optimization and ANFIS. Meas. Sens. 2023, 31, 100960. [Google Scholar] [CrossRef]
- Intidam, A.; El Fadil, H.; Housny, H.; El Idrissi, Z.; Lassioui, A.; Nady, S.; Jabal Laafou, A. Development and Experimental Implementation of Optimized PI-ANFIS Controller for Speed Control of a Brushless DC Motor in Fuel Cell Electric Vehicles. Energies 2023, 16, 4395. [Google Scholar] [CrossRef]
- Skvarenina, T.L. The Power Electronics Handbook; CRC Press: Boca Raton, FL, USA, 2018. [Google Scholar]
- Meng, B.; Zhou, Z.; Zhang, C.; Yang, F. A design method for booster motor of brake-by-wire system based on intelligent electric vehicle. Green Energy Intell. Transp. 2023, 2, 100110. [Google Scholar] [CrossRef]
- Chan, C.; Chau, K. Modern Electric Vehicle Technology; Oxford University Press: Oxford, UK, 2001; Volume 47. [Google Scholar]
- Chan, C. An overview of electric vehicle technology. Proc. IEEE 1993, 81, 1202–1213. [Google Scholar] [CrossRef]
- Rimpas, D.; Kaminaris, S.D.; Piromalis, D.D.; Vokas, G.; Arvanitis, K.G.; Karavas, C.S. Comparative Review of MotorTechnologies for Electric Vehicles Powered by a Hybrid Energy Storage System Based on Multi-Criteria Analysis. Energies 2023, 16, 2555. [Google Scholar] [CrossRef]
- Appelbaum, J.; Sarma, M. The operation of permanent magnet DC motors powered by a common source of solar cells. IEEE Trans. Energy Convers. 1989, 4, 635–642. [Google Scholar] [CrossRef]
- Dawson, C.; Bolton, H. Performance prediction of a wide-angle limited-motion rotary actuator. Proc. Inst. Electr. Eng. 1978, 125, 895–898. [Google Scholar] [CrossRef]
- Dawson, C.; Bolton, H. Design of a class of wide-angle limited-rotation rotary actuators. Proc. Inst. Electr. Eng. 1979, 126, 345–350. [Google Scholar] [CrossRef]
- Tokunaga, D.; Kesamaru, K. Development of novel PM motors for sport type electric motorcycles. In Proceedings of the 15th International Conference on Electrical Machines and Systems (ICEMS), Sapporo, Japan, 21–24 October 2012; pp. 1–4. [Google Scholar]
- Akhil, M.; Aishwarya, V.; Sheela, K.G. An Improved SEPIC- Based Single Switch Buck-Boost PFC Converter Fed Brushless DC Motor Drive. Mater. Today Proc. 2020, 24, 1855–1864. [Google Scholar] [CrossRef]
- Saleeb, H.; Kassem, R.; Sayed, K. Artificial neural networks applied on induction motor drive for an electric vehicle propulsion system. Electr. Eng. 2022, 104, 1769–1780. [Google Scholar] [CrossRef]
- Murai, Y.; Kawase, Y.; Ohashi, K. Torque ripple improvement for brushless DC miniature motors. IEEE Trans. Ind. Appl. 1989, 25, 441–450. [Google Scholar] [CrossRef]
- Park, S.I.; Kim, T.S.; Ahn, S.C.; Hyun, D.S. An improved current control method for torque improvement of high-speed BLDC motor. In Proceedings of the IEEE 18th Applied Power Electronic Conference and Exposition, Miami, FL, USA, 9–13 February 2003; pp. 294–299. [Google Scholar]
- Rodriguez, F.; Emadi, A. A novel digital control technique for brushless DC motor drives. IEEE Trans. Ind. Electron. 2007, 54, 365–2373. [Google Scholar] [CrossRef]
- Pindoriya, R.M.; Rajendran, S.; Chauhan, P.J. Field programmable gate array-based speed control of BLDC motor. In Proceedings of the IEEE Innovative Smart Grid Technologies—Asia (ISGT ASIA), Bangkok, Thailand, 3–6 November 2015; pp. 1–6. [Google Scholar]
- Tashakori, A.; Hassanudeen, M.; Ektesabi, M. FPGA based controller drive of BLDC motor using digital PWM technique. In Proceedings of the IEEE 11th International Conference on Power Electronics and Drive Systems, Sydney, NSW, Australia, 9–12 June 2015; pp. 658–662. [Google Scholar]
- Li, Z.B.; Lu, W.; Gao, L.F.; Zhang, J.S. Nonlinear state feedback control of chaos system of brushless DC motor. Procedia Comput. Sci. 2021, 183, 636–640. [Google Scholar] [CrossRef]
- Sayed, K.; Kassem, A.; Saleeb, H.; Alghamdi, A.S.; Abo-Khalil, A.G. Energy-Saving of Battery Electric Vehicle Powertrain and Efficiency Improvement during Different Standard Driving Cycles. Sustainability 2020, 12, 10466. [Google Scholar] [CrossRef]
- Elkholy, M.M.; El-Hay, E.A. Efficient dynamic performance of brushless DC motor using soft computing approaches. Neural Comput. Appl. 2020, 32, 6041–6054. [Google Scholar] [CrossRef]
- Premkumar, K.; Manikandan, B.V. Bat algorithm optimized fuzzy PD based speed controller for brushless direct current motor. Eng. Sci. Technol. 2016, 19, 818–840. [Google Scholar] [CrossRef]
- Wang, T.; Wang, H.; Wang, C.; Hu, H. A novel PID controller for BLDCM speed control using dual fuzzy logic systems with HSA optimization. Sci. Rep. 2022, 12, 11316. [Google Scholar] [CrossRef]
- Dat, N.T.; Cao, V.K.; Anh, H. Optimal FOC-PID parameters of BLDC motor system control using parallel PM-PSO optimization technique. Int. J. Comput. Int. Syst. 2021, 14, 1142–1154. [Google Scholar] [CrossRef]
- Xie, W.; Wang, J.S.; Wang, H.B. PI controller of speed regulation of brushless DC motor based on particle swarm optimization algorithm with improved inertia weights. Math. Probl. Eng. 2019, 2019, 2671792. [Google Scholar] [CrossRef]
- He, M.; Zhang, T.; Huang, J.; Luo, C. Speed control study of brushless DC motor based on fuzzy optimization PID. IOP Conf. Ser. Mater. Sci. Eng. 2020, 768, 042013. [Google Scholar] [CrossRef]
- Mu, S.; Shibata, S.; Yamamoto, T.; Nakashima, S.; Tanaka, K. Speed control of ultrasonic motor using a variable gain type PID control based on neural networks. In Proceedings of the 7th International Conference on Intelligent Systems and Image Processing, Taipei, Taiwan, 5–9 September 2019; pp. 103–108. [Google Scholar] [CrossRef][Green Version]
- Patil, M.D.; Vadirajacharya, K.; Khubalkar, S.W. Design and Tuning of Digital Fractional-Order PID Controller for Permanent Magnet DC Motor. IETE J. Res. 2021, 69, 4349–4359. [Google Scholar] [CrossRef]
- Jo, S.T.; Shin, H.S.; Lee, Y.G.; Lee, J.H.; Choi, J.Y. Optimal design of a BLDC motor considering three-dimensional structures using the response surface methodology. Energies 2022, 15, 461. [Google Scholar] [CrossRef]
- Lee, T.Y.; Seo, M.K.; Kim, Y.J.; Jung, S.Y. Motor design and characteristics comparison of outer-rotor-type BLDC motor and BLAC motor based on numerical analysis. IEEE Trans. Appl. Supercond. 2016, 26, 1–6. [Google Scholar] [CrossRef]
- Behera, R.K.; Kumar, R.; Bellala, S.M.; Raviteja, P. Analysis of electric vehicle stability effectiveness on wheel force with BLDC motor drive. In Proceedings of the 2018 IEEE International Conference on Industrial Electronics for Sustainable Energy Systems (IESES), Hamilton, New Zealand, 31 January–2 February 2018; pp. 195–200. [Google Scholar]
- Ahmed, M.; Magdy, G.; Khamies, M.; Kamel, S. Modified TID controller for load frequency control of a two-area interconnected diverse-unit power system. Int. J. Electr. Power Energy Syst. 2022, 135, 107528. [Google Scholar] [CrossRef]
- Elkasem, A.H.A.; Khamies, M.; Hassan, M.H.; Agwa, A.M.; Kamel, S. Optimal Design of TD-TI Controller for LFC Considering Renewables Penetration by an Improved Chaos Game Optimizer. Fractal Fract. 2022, 6, 220. [Google Scholar] [CrossRef]
- Attar, A.; Bouchnaif, J.; Grari, K. Control of Brushless DC motors using sensorless Back-EMF integration method. Mater. Today Proc. 2021, 45, 7438–7443. [Google Scholar]
- Bayardo, R.G.; Loukianov, A.G.; Fuentes-Aguilar, R.Q.; Utkin, V.I. Adaptive speed tracking controller for a brush-less DC motor using singular perturbation. IFAC Papers Online 2020, 53, 3880–3885. [Google Scholar] [CrossRef]






















| Features | BLDC Motor | SR Motor | Induction Motor | DC Motor |
|---|---|---|---|---|
| Commutation | Electronic | electronic | - | Brushes |
| Slip | - | - | Applicable | - |
| Efficiency | 5 | 3 | 3 | 2 |
| High-speed rating | 5 | 5 | 3 | 3 |
| Broader steady power speed range | 3 | 5 | 4 | 2 |
| Complexity of control | 2 | 2 | 3 | 5 |
| Torque/speed | 5 | 3 | 4 | 3 |
| A responsive dynamic | 5 | 2 | 3 | 4 |
| Power-to-size ratio | 4 | 4 | 3 | 3 |
| Lifetime | 5 | 5 | 3 | 2 |
| Maintenance requirements | 5 | 5 | 4 | 2 |
| Sensitivity to noise | 5 | 2 | 3 | 3 |
| Fault speed | 3 | 5 | 4 | 2 |
| Torque during a fault | 4 | 2 | 4 | 1 |
| Speed during mechanical shocks | 3 | 4 | 5 | 4 |
| Torque during mechanical shocks | 4 | 2 | 3 | 3 |
| Cost of production | 2 | 4 | 5 | 5 |
| Total | 60 | 53 | 54 | 44 |
| Description | Value |
|---|---|
| Number of phases | 3 |
| Number of poles | 8 |
| Rated voltage | 48 VDC |
| Rated speed | 3000 RPM |
| Rated torque | 0.7 N·m |
| Rated current | 6.3 A |
| Rated power | 220 W |
| Peak torque | 2.1 N·m |
| Peak current | 19 A |
| Back EMF | 13 V/krpm |
| Torque constant | 0.12 N·m/A |
| Rotor inertia | 800 g·cm2 |
| Body length | 84.5 mm |
Disclaimer/Publisher’s Note: The statements, opinions and data contained in all publications are solely those of the individual author(s) and contributor(s) and not of MDPI and/or the editor(s). MDPI and/or the editor(s) disclaim responsibility for any injury to people or property resulting from any ideas, methods, instructions or products referred to in the content. |
© 2024 by the authors. Licensee MDPI, Basel, Switzerland. This article is an open access article distributed under the terms and conditions of the Creative Commons Attribution (CC BY) license (https://creativecommons.org/licenses/by/4.0/).
Share and Cite
Sayed, K.; El-Zohri, H.H.; Ahmed, A.; Khamies, M. Application of Tilt Integral Derivative for Efficient Speed Control and Operation of BLDC Motor Drive for Electric Vehicles. Fractal Fract. 2024, 8, 61. https://doi.org/10.3390/fractalfract8010061
Sayed K, El-Zohri HH, Ahmed A, Khamies M. Application of Tilt Integral Derivative for Efficient Speed Control and Operation of BLDC Motor Drive for Electric Vehicles. Fractal and Fractional. 2024; 8(1):61. https://doi.org/10.3390/fractalfract8010061
Chicago/Turabian StyleSayed, Khairy, Hebatallah H. El-Zohri, Adel Ahmed, and Mohamed Khamies. 2024. "Application of Tilt Integral Derivative for Efficient Speed Control and Operation of BLDC Motor Drive for Electric Vehicles" Fractal and Fractional 8, no. 1: 61. https://doi.org/10.3390/fractalfract8010061
APA StyleSayed, K., El-Zohri, H. H., Ahmed, A., & Khamies, M. (2024). Application of Tilt Integral Derivative for Efficient Speed Control and Operation of BLDC Motor Drive for Electric Vehicles. Fractal and Fractional, 8(1), 61. https://doi.org/10.3390/fractalfract8010061

