Energy-Efficient Control of a Gas Turbine Power Generation System
Abstract
1. Introduction
1.1. Background and Motivation
1.2. Literature Review and Paper Contributions
- Starting controller, which sets the right amount of fuel for ignition.
- Run up controller takes over; this controller will begin during start-up and until the right speed is reached where the next controller takes over.
- Frequency and load controller, which takes control of the turbine speed before reaching the synchronous speed, also known as full load.
- Maximum load controller, as the name suggests, limits the maximum active power generated.
- Temperature controllers, controls the inlet and outlet turbine temperature by controlling the variable guide vane (VGV).
- Maximum Turbine Inlet Temperature Limiter: its main function is to limit the inlet temperature of the turbine in times of malfunction and in times of rapid load changes.
- Provides the necessary fuel for the combustion chamber;
- Controls the fuel requirements for the start-up process;
- Limits the maximum speed of the gas turbine; and
- Limits the maximum fuel flow.
- Stresses should be kept within certain limits.
- Temperatures should also be kept within a narrow range.
- Maximum overall cycle efficiency should be maintained.
- A simplified nonlinear model of a practically operating GT has been developed and the parameters are identified by WO. The model accurately captures the turbine dynamics from 120 MW to 220 MW. The issue of petameters’ calibration has been supported by the results over a wide range of settings. Moreover, the effect of relaxation of parameters on the model robustness has been investigated for the first time, which leads to high accuracy for a broader range of power changes.
- A MIMO PI/PD controller has been optimized and incorporated into the model of the existing GT as additional loops and the controller parameters have been tuned and calibrated by WO to improve the existing controller performance in terms of fuel consumption, and hence the energy efficiency. The likely operation of the adopted GT is the premix mode. Therefore, in light of this practically feasible assumption, the overall efficiency is found to be improved with significant reduction in gas consumption. This aspect has been validated through simulations of the lower natural gas consumption for the same power trends from data of existing GTs.
1.3. An Overview on Whale Optimization Algorithm
- Exploration; which is basically a general search, where the optimizer includes all information in the search area.
- Exploitation; which is basically an explicit search, where it investigates details in promising areas in the region of the local search.
- Encircling the prey. It is basically suggested as the first or closest value to the optima or “first guess”, where then the best search agent is defined, and other search agents will update their position towards the best search agent. One of the variables is a random vector which allows the search to go beyond and search all possible regions.
- Bubble-net attacking method, also known as exploitation. This stage consists of two approaches: either shrinking encircling mechanism or spiral updating position, each having equal probability of occurring at any interval.
- Search for the prey (exploration), this stage basically begins the search in other promising regions.
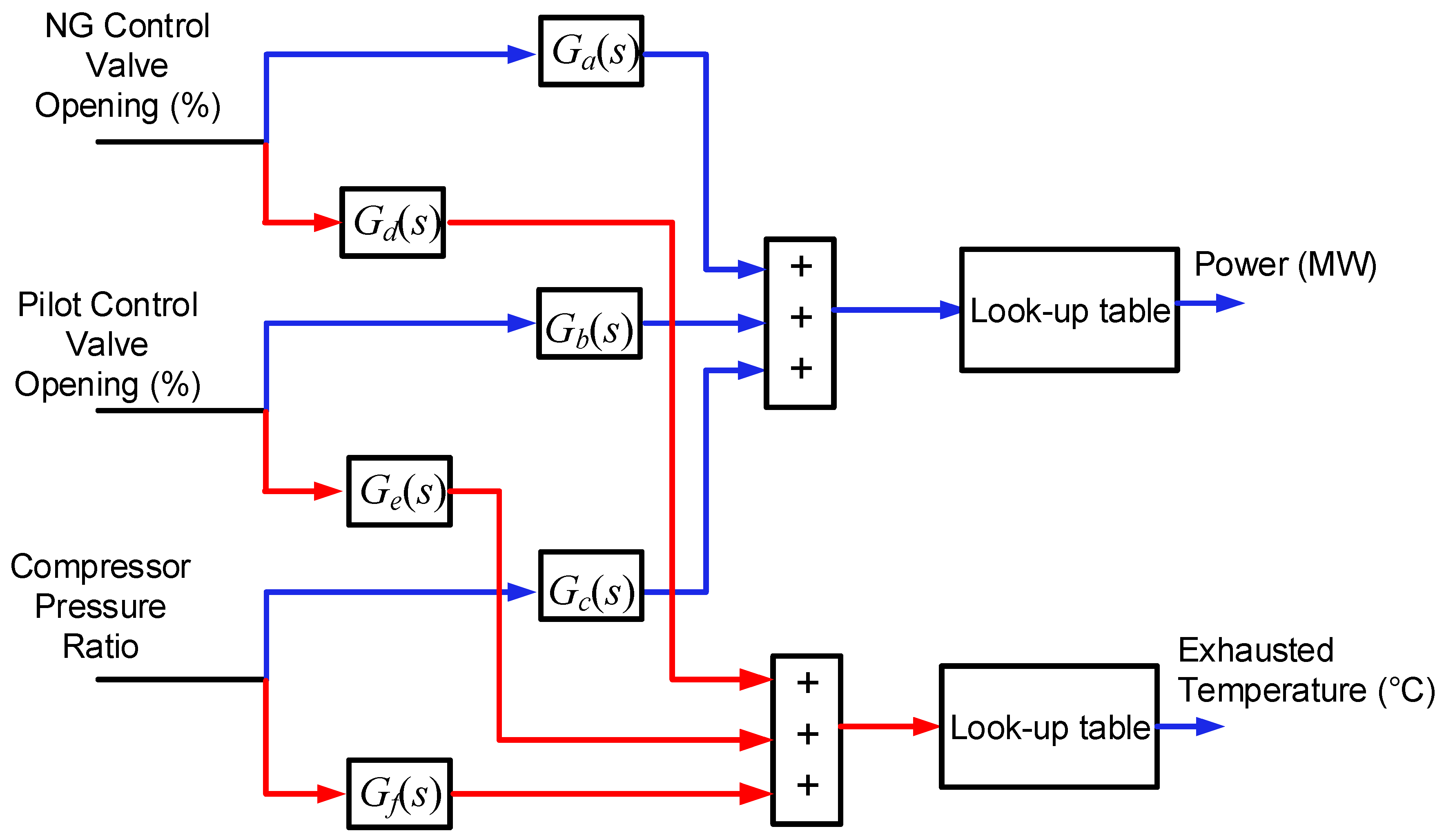
2. Modeling and Optimum Parameter Identification via WO
3. Control System Design and Testing via WO
4. Conclusions
Author Contributions
Funding
Data Availability Statement
Conflicts of Interest
References
- Mom, J.A. Introduction to gas turbines. In Modern Gas Turbine Systems; Jansohn, P., Ed.; Woodhead Publishing Series in Energy; Woodhead Publishing: Cambridge, UK, 2013; pp. 3–20. [Google Scholar]
- Prade, B. Gas turbine operation and combustion performance issues. In Modern Gas Turbine Systems; Jansohn, P., Ed.; Woodhead Publishing Series in Energy; Woodhead Publishing: Cambridge, UK, 2013; pp. 383–422, 423e. [Google Scholar]
- Mohamed, O.; Khalil, A. Progress in Modeling and Control of Gas Turbine Power Generation Systems: A Survey. Energies 2020, 13, 2358. [Google Scholar] [CrossRef]
- Alsarayreh, M.; Mohamed, O.; Matar, M. Modeling a Practical Dual-Fuel Gas Turbine Power Generation System Using Dynamic Neural Network and Deep Learning. Sustainability 2022, 14, 870. [Google Scholar] [CrossRef]
- Shahin, S.; Elkhashap, A.; Abdelgelil, M.; Hamad, M.S. Nonlinear Model Predictive Control for Power Generation Gas Turbines. In Proceedings of the 2021 International Telecommunications Conference (ITC-Egypt), Alexandria, Egypt, 13–15 July 2021; pp. 1–6. [Google Scholar]
- Mohamed, O.; Wang, J.; Khalil, A.; Limhabrash, M. Predictive control strategy of a gas turbine for improvement of combined cycle power plant dynamic performance and efficiency. SpringerPlus 2016, 5, 980. [Google Scholar] [CrossRef] [PubMed]
- Tayyah, A.; AlShami, M.; Daboubi, O. Design of a Discrete Time Model Predictive Control for a Fossil Fueled Power Plant. B.Sc. project document, Princess Sumaya University for Technology, Amman, Jordan, 2019.
- Kanashev, E.A.; Rozhko, E.V. Experimental Research of Gas Turbine Unit Control Systems Using Simulation Model. In Proceedings of the 2018 International Russian Automation Conference (RusAutoCon), Sochi, Russia, 9–16 September 2018; pp. 1–6. [Google Scholar]
- Shete, S.A.; Jape, V.S. Design of a Fuzzy Modified Reference Adaptive Controller for a Gas Turbine Rotor Speed Control using T-S Fuzzy Mechanism. In Proceedings of the 2017 International Conference on Technological Advancements in Power and Energy (TAP Energy), Kollam, India, 21–23 December 2017. [Google Scholar]
- Rowen, W.I. Simplified Mathematical Representations of Heavy-Duty Gas Turbines. ASME J. Eng. Gas Turbines Power 1983, 105, 865–869. [Google Scholar] [CrossRef]
- Camporeale, S.M.; Fortunato, B. Dynamic Analysis and Control of Turbo-Gas Power Plant. In Proceedings of the IECEC-97 Proceedings of the Thirty-Second Intersociety Energy Conversion Engineering Conference (Cat. No.97CH6203), Honolulu, HI, USA, 27 July–1 August 1997; Volume 3, pp. 1702–1707. [Google Scholar]
- Bulatov, Y.N.; Kryukov, A.V.; Van Huan, N. Simulation of Gas Turbine Power Plants with Voltage and Speed Prognostic Regulators. In Proceedings of the 2020 International Russian Automation Conference (RusAutoCon), Sochi, Russia, 6–12 September 2020; pp. 160–164. [Google Scholar]
- Patrascioiu, C.; Popescu, M. Control System for Natural Gas Compression of Sinca Plant. In Proceedings of the 2020 12th International Conference on Electronics, Computers and Artificial Intelligence (ECAI), Bucharest, Romania, 25–27 June 2020. [Google Scholar]
- Talah, D.; Bentarzi, H. Modeling and Analysis of Heavy-Duty Gas Turbine Based on Frequency Dependent Model. In Proceedings of the 2020 International Conference on Electrical Engineering (ICEE), Istanbul, Turkey, 25–27 September 2020; pp. 1–4. [Google Scholar]
- Ma, S.; Tan, J.; Ning, Y.; Gao, Z. Modeling and Simulation of Gas Turbine Starter and Fuel Control System. In Proceedings of the 2017 36th Chinese Control Conference (CCC), Dalian, China, 26–28 July 2017; pp. 2149–2154. [Google Scholar]
- Zhang, Q.; So, P.L. Dynamic Modelling of a Combined Cycle Plant for Power System Stability Studies. In Proceedings of the 2000 IEEE Power Engineering Society Winter Meeting. Conference Proceedings (Cat. No.00CH37077), Singapore, 23–27 January 2000; Volume 2, pp. 1538–1543. [Google Scholar]
- Al-Dalwi, K.K.; Vural, A.M. Modeling and Simulation of Bazyan Gas Power Plant. In Proceedings of the 2017 4th International Conference on Electrical and Electronic Engineering (ICEEE), Ankara, Turkey, 8–10 April 2017; pp. 163–169. [Google Scholar]
- Wang, Y.; Bhattacharyya, D.; Turton, R. Multiobjective Dynamic Optimization for Optimal Load-Following of Natural Gas Combined Cycle Power Plants under Stress Constraints. Ind. Eng. Chem. Res. 2021, 60, 14251–14270. [Google Scholar] [CrossRef]
- Haji Haji, V.; Fekih, A.; Monje, C.A.; Fakhri Asfestani, R. H2, H∞, H2/H∞, and μ-synthesis controllers for the speed and temperature control of a real gas turbine unit in a combined cycle power plant. Energy Sci. Eng. 2019, 7, 2205–2222. [Google Scholar] [CrossRef]
- Shi, G.; Wu, Z.; He, T.; Li, D.; Ding, Y.; Liu, S. Decentralized active disturbance rejection control design for the gas turbine. Meas. Control 2020, 53, 1589–1601. [Google Scholar] [CrossRef]
- Wu, Z.; Li, D.; Xue, Y.; Chen, Y. Gain scheduling design based on active disturbance rejection control for thermal power plant under full operating conditions. Energy 2019, 185, 744–762. [Google Scholar] [CrossRef]
- Qasem, M.; Mohamed, O.; Abu Elhaija, W. Parameter Identification and Sliding Pressure Control of a Supercritical Power Plant Using Whale Optimizer. Sustainability 2022, 14, 8039. [Google Scholar] [CrossRef]
- Mirjalili, S.; Lewis, A. The Whale Optimization Algorithm. Adv. Eng. Softw. 2016, 95, 51–67. [Google Scholar] [CrossRef]



















| Iterations | Root Mean Square Error | |
|---|---|---|
| Tightened to 0.005 | Relaxed to 0.1 | |
| Ten | 0.0878 | 0.0880 |
| Twenty | 0.0886 | 0.0947 |
| Thirty | 0.0891 | 0.0880 |
| Function | Parameters | ||||||
|---|---|---|---|---|---|---|---|
| a1–a5 | 2.8957 | 9.9945 | 0.1080 | 1.8984 | 2.6918 | - | |
| b1–b6 | 0.4933 | 3.0072 | 0.4927 | 0.1004 | 0.2988 | 0.2991 | |
| c1–c6 | 0.8924 | 0.7027 | 0.9986 | 0.1070 | 0.3047 | 0.4919 | |
| d1–d5 | 0.5063 | 0.6916 | 0.9079 | 0.5970 | 0.2011 | - | |
| e1–e5 | 0.9963 | 1.1993 | 0.3048 | 0.9044 | 0.1900 | - | |
| f1–f4 | 0.8568 | 0.8017 | 0.6997 | 0.0962 | - | - | |
| PI Controller Parameters for the Fuel Preparation System | PI Controller Parameters for the Compressor | Coupling PD Parameters | |
|---|---|---|---|
| KP | 3 | 0.35 | 2.65 |
| KI | 10.1 | 2 | - |
| KD | - | - | 0.2526 |
Disclaimer/Publisher’s Note: The statements, opinions and data contained in all publications are solely those of the individual author(s) and contributor(s) and not of MDPI and/or the editor(s). MDPI and/or the editor(s) disclaim responsibility for any injury to people or property resulting from any ideas, methods, instructions or products referred to in the content. |
© 2023 by the authors. Licensee MDPI, Basel, Switzerland. This article is an open access article distributed under the terms and conditions of the Creative Commons Attribution (CC BY) license (https://creativecommons.org/licenses/by/4.0/).
Share and Cite
Al-Shami, M.; Mohamed, O.; Abu Elhaija, W. Energy-Efficient Control of a Gas Turbine Power Generation System. Designs 2023, 7, 85. https://doi.org/10.3390/designs7040085
Al-Shami M, Mohamed O, Abu Elhaija W. Energy-Efficient Control of a Gas Turbine Power Generation System. Designs. 2023; 7(4):85. https://doi.org/10.3390/designs7040085
Chicago/Turabian StyleAl-Shami, Marwan, Omar Mohamed, and Wejdan Abu Elhaija. 2023. "Energy-Efficient Control of a Gas Turbine Power Generation System" Designs 7, no. 4: 85. https://doi.org/10.3390/designs7040085
APA StyleAl-Shami, M., Mohamed, O., & Abu Elhaija, W. (2023). Energy-Efficient Control of a Gas Turbine Power Generation System. Designs, 7(4), 85. https://doi.org/10.3390/designs7040085

