Simulation and Experimental Study of CO2 Transcritical Heat Pump System with Thermoelectric Subcooling
Abstract
1. Introduction
2. Experiment Test
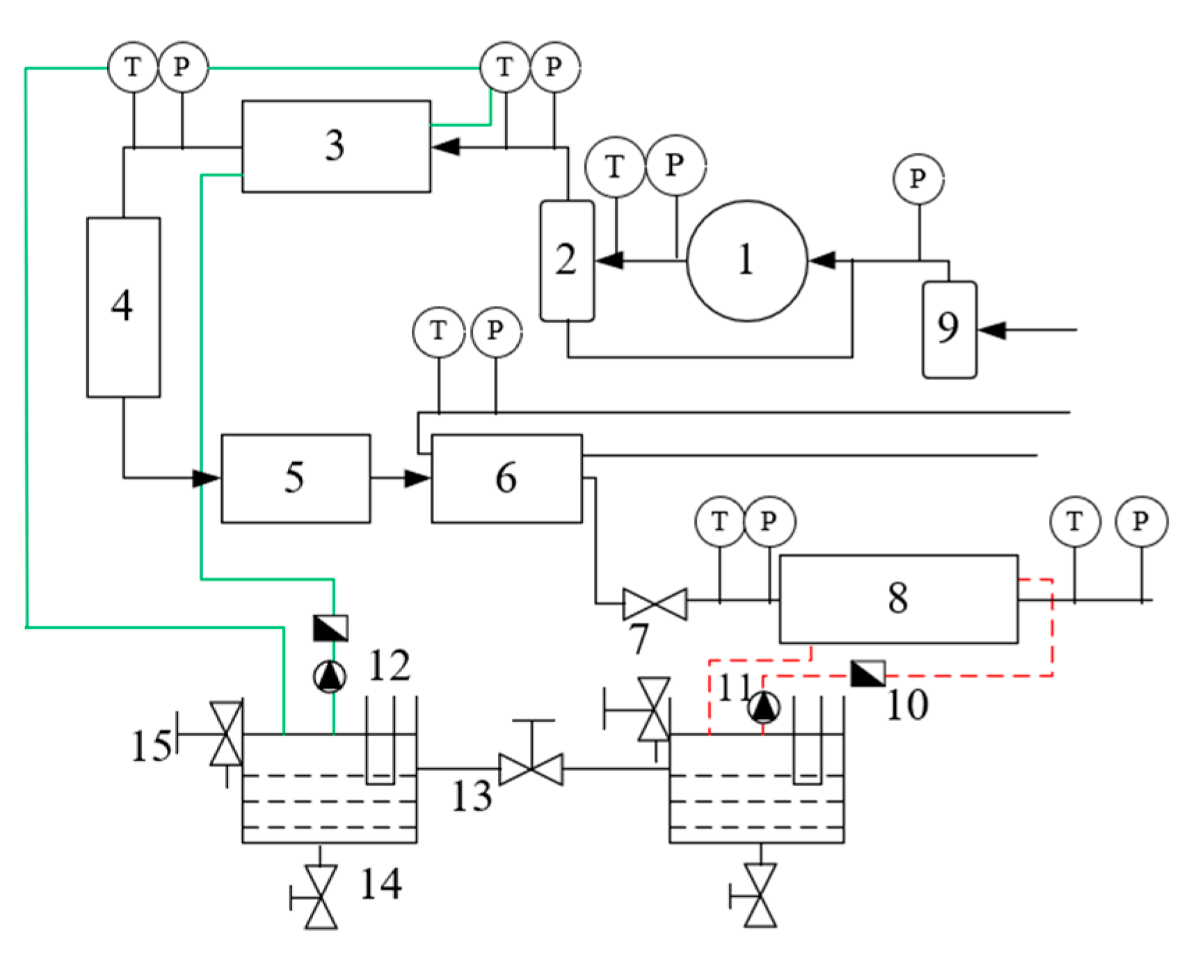
2.1. Refrigeration System
2.2. Thermoelectric Subcooler (TESC)
2.3. Experimental Condition
2.4. Experimental Data Processing
2.4.1. System Cooling Capacity
2.4.2. The Heat Dissipation of the Gas Cooler
2.4.3. Coefficient of Performance
2.5. Experimental Error Analysis
2.5.1. Data Acquisition System
2.5.2. Uncertainty of Chilled Water Flow
2.5.3. Uncertainty of Refrigerant Mass Flow Rate
2.5.4. The Uncertainty of Cooling Capacity and COP
3. Simulation Model Establishment
3.1. Compressor Model
3.2. Gas Cooler
- When the refrigerant and water are exchanged heat, it is a one-dimensional steady-state model, and the temperature and flow rate of the refrigerant and the water are evenly distributed in the corresponding cross section.
- All the heat losses of the gas cooler are ignored, and the outer pipe wall is considered to be adiabatic.
- The pressure drop of the water in the tube is ignored.
- The thermal conduction process only occurs in the horizontal direction of fluid flow.
- The system operation state is steady.
- The refrigerant flows along the tube and is evenly distributed.
- (1)
- Using the outer surface of the inner tube as a reference, the total heat transfer coefficient solution equation is established.
- (2)
- Logarithmic mean temperature difference:
- (3)
- Heat transfer area:
3.3. Thermoelectric Subcooler
- The CO2 side cooling capacity:
- 2.
- The cooling capacity of the thermoelectric subcooler [10]:
- 3.
- Equation for conservation of energy:
3.4. Throttle Valve
3.5. Evaporator
- The casing used is uniform and regularly round.
- The chilled water and refrigerant both flow in a certain dimensional direction.
- The chilled water and refrigerant are evenly distributed in the tube.
- The heat transfer loss of the evaporator is not considered.
- The interference caused by the lubricating oil and other similar factors on the heat exchange is ignored.
- Using the outer surface of the inner tube as a reference, the total heat transfer coefficient solution equation is established as shown in Equation (33):where and refer to the fouling coefficient on the CO2 side and the chilled water side, respectively, and refers to the average diameter of the tube.
- The heat transfer coefficient on the chilled water side is calculated using the Dittus–Boelter correlation [25]:where n = 0.4 when the fluid is heated, and n = 0.3 when the fluid is cooled.
3.6. Solving the System Model
4. Results and Discussion
4.1. Analysis of Experimental Results
4.1.1. The Variation of the Cooling Water Flow Rate
4.1.2. Variation of Cooling Water Temperature
4.1.3. Variation of Chilled Water Flow
4.1.4. Variation of Chilled Water Temperature
4.2. System Model Validation
4.3. Simulation Result Analysis
4.3.1. Influence of the Subcooling Degree
4.3.2. Influence of Cooling Water Flow Rate and Temperature
4.3.3. Influence of Chilled Water Flow Rate and Temperature
4.3.4. Influence of Compressor Discharge Pressure
5. Conclusions
- Through calculation, it was found that the uncertainty of the experiment was less than 1%, indicating that the accuracy of the experiment was high. When the cooling water flow increased, COPh continued to rise, regardless of whether the system was equipped with a thermoelectric subcooler. COP increased with increased chilled water flow and temperature.
- The simulation results of the system were compared with the experimental results, and the error was generally less than 10%, thus verifying the high accuracy of the established simulation model.
- Through simulation calculation, it was found that with the increase in chilled water flow and temperature, COP and COP showed a gradual upward trend.
- When the discharge pressure of the compressor changed, COP and COPh corresponded to an optimal high pressure of about 8 MPa.
Author Contributions
Funding
Data Availability Statement
Conflicts of Interest
Nomenclature
| A | current, A |
| Bo | boiling number |
| COP | coefficient of performance |
| COPh | heating coefficient of performance |
| cp | specific heat at constant pressure, kJ/(kg·K) |
| Outside diameter of the inner tube, mm | |
| inner diameter of the inner tube, mm | |
| Gr | refrigerant mass flow, kg/s |
| gw1 | volume flow of the chilled water, m3/h |
| gw2 | volume flow of the cooling water, m3/h |
| h | specific enthalpy, kJ/kg |
| K | thermocouple thermal conductivity, W/K |
| l | tube length, m |
| mw1 | cooling water mass flow rate, kg/s |
| mw2 | chilled water mass flow rate, kg/s |
| P | pressure, MPa |
| Q | refrigeration capacity of thermoelectric subcooler, kW |
| Q1 | refrigeration capacity, kW |
| Q2 | heating capacity, kW |
| R | resistance, Ω; |
| Rer | Reynolds number |
| r | fouling coefficient, m2·°C/W |
| t | temperature, °C |
| T | thermoelectric subcooler temperature, K |
| compressor refrigerant specific capacity | |
| W | power consumption, kW |
| x | dryness |
| Greek symbols | |
| α | Seebeck coefficient, V/K |
| mechanical efficiency | |
| isentropic efficiency | |
| volumetric efficiency | |
| density, kg/m3 | |
| Subscript | |
| c | cold end |
| com | compressor |
| h | hot end |
| n | N-type |
| p | P-type |
| TESC | thermoelectric subcooler |
| w1 | chilled water |
| w2 | cooling water |
| w, in | inlet water of the cooling water |
| w, out | outlet water of the cooling water |
| win | inlet of the chilled water |
| wout | outlet of the chilled water |
References
- Li, Y.-F. Do a good job of carbon peaking and carbon neutrality, and usher in a new ea of low-emission development. World Environ. 2021, 1, 16–19. [Google Scholar]
- Zhang, B.-T. How to fulfill the commitment to reduce emissions: The inspiration for China’s first carbon peak. Hydropower New Energy 2021, 3, 1–6. [Google Scholar]
- Jiang, H. Analysis of ozone and ozone layer destruction and its protection mechanism. Low-Carbon World 2017, 3, 27–28. [Google Scholar]
- Wang, G.; Xie, G.-Z.; Zhang, L.-R. Analysis of HCFCs working fluid substitution in the refrigeration and air conditioning industry. Refrig. Air Cond. 2012, 26, 18–23+43. [Google Scholar]
- Wang, X.-C. Interpretation, review and initiatives on the Montreal Protocol amendments to reduce hydrofluorocarbons (HFCs). HVAC 2017, 5, 72–76. [Google Scholar]
- Zhang, Z.-Y.; Fang, X.-K.; Bie, P.-J. Analysis of the contribution of China’s control of HFCs emissions to climate change mitigation. Environ. Prot. 2017, 45, 65–67. [Google Scholar]
- Liu, Y.-H.; Feng, L.-W.; Yang, Z.-F. Theoretical analysis and development of air source heat pump water heater based on CO2 refrigerant. Refrigeration 2022, 1, 36–40. [Google Scholar]
- Wang, G.-B.; Zhang, X.-R. Thermoeconomic Optimization and Comparison of the Simple Single-Stage Transcritical Carbon Dioxide Vapor Compression Cycle with Different Subcooling Methods for District Heating and Cooling. Energy Convers. Manag. 2019, 185, 740–757. [Google Scholar] [CrossRef]
- Ma, Y.-T.; Yuan, Q.-X.; Li, M.-X. Performance comparison of transcritical CO2 with expander and back-cycle with injector. Low Temp. Subconductivity 2011, 39, 36–41. [Google Scholar]
- Dai, B.-M.; Liu, S.-C.; Pan, H.-R.; Sun, Z.-L.; Yang, Q.-R.; Ma, Y.-T. Thermoelectric subcooler-expander coupled CO2 transcritical refrigeration cycle analysis. Fluid Mach. 2019, 47, 76–82+46. [Google Scholar]
- Rigola, J.; Ablanque, N.; Pérez-Segarra, C.D.; Oliva, A. Numerical Simulation and Experimental Validation of Internal Heat Exchanger Influence on CO2 Trans-Critical Cycle Performance. Int. J. Refrig. 2010, 33, 664–674. [Google Scholar] [CrossRef]
- Lin, X.; Mo, S.; Mo, B.; Jia, L.; Chen, Y.; Cheng, Z. Thermal Management of High-Power LED Based on Thermoelectric Cooler and Nanofluid-Cooled Microchannel Heat Sink. Appl. Therm. Eng. 2020, 172, 115165. [Google Scholar] [CrossRef]
- Astrain, D.; Aranguren, P.; Martínez, A.; Rodríguez, A.; Pérez, M.G. A Comparative Study of Different Heat Exchange Systems in a Thermoelectric Refrigerator and Their Influence on the Efficiency. Appl. Therm. Eng. 2016, 103, 1289–1298. [Google Scholar] [CrossRef]
- Gong, T.; Gao, L.; Wu, Y.; Zhang, L.; Yin, S.; Li, J.; Ming, T. Numerical Simulation on a Compact Thermoelectric Cooler for the Optimized Design. Appl. Therm. Eng. 2019, 146, 815–825. [Google Scholar] [CrossRef]
- Koeln, J.P.; Alleyne, A.G. Optimal Subcooling in Vapor Compression Systems via Extremum Seeking Control: Theory and Experiments. Int. J. Refrig. 2014, 43, 14–25. [Google Scholar] [CrossRef]
- Wang, Q.-Z.; Liu, S.-F. Test and practice of installing subcoolers in heat pumps. Jiangxi Coal Technol. 2005, 29–31. [Google Scholar] [CrossRef]
- Yang, B.; Ahuja, H.; Tran, T. Review Article: Thermoelectric Technology Assessment: Application to Air Conditioning and Refrigeration. HVACR Res. 2008, 14, 635–653. [Google Scholar] [CrossRef]
- Li, G.-L.; Lv, Z.-J.; Jin, T.-X. Experimental study on the optimization of the working voltage of thermoelectric subcooler. Low Temp. Supercond. 2018, 46, 86–90. [Google Scholar]
- Astrain, D.; Merino, A.; Catalán, L.; Aranguren, P.; Araiz, M.; Sánchez, D.; Cabello, R.; Llopis, R. Improvements in the Cooling Capacity and the COP of a Transcritical CO2 Refrigeration Plant Operating with a Thermoelectric Subcooling System. Appl. Therm. Eng. 2019, 155, 110–122. [Google Scholar] [CrossRef]
- Sánchez, D.; Aranguren, P.; Casi, A.; Llopis, R.; Cabello, R.; Astrain, D. Experimental Enhancement of a CO2 Transcritical Refrigerating Plant Including Thermoelectric Subcooling. Int. J. Refrig. 2020, 120, 178–187. [Google Scholar] [CrossRef]
- Aranguren, P.; Sánchez, D.; Casi, A.; Cabello, R.; Astrain, D. Experimental Assessment of a Thermoelectric Subcooler Included in a Transcritical CO2 Refrigeration Plant. Appl. Therm. Eng. 2021, 190, 116826. [Google Scholar] [CrossRef]
- Liu, Z.-Y. Numerical Simulation and Experimental Study of CO2 Transcritical Cycle Water-Water Heat Pump. Ph.D. Thesis, Tianjin University, Tianjin, China, 2011. [Google Scholar]
- Austin, B.T.; Sumathy, K. Parametric Study on the Performance of a Direct-Expansion Geothermal Heat Pump Using Carbon Dioxide. Appl. Therm. Eng. 2011, 31, 3774–3782. [Google Scholar] [CrossRef]
- Yoon, S.H.; Kim, J.H.; Hwang, Y.W.; Kim, M.S. Heat Transfer and Pressure Drop Characteristics during the In-Tube Cooling Process of Carbon Dioxide in the Subcritical Region. Int. J. Refrig. 2003, 26, 857–864. [Google Scholar] [CrossRef]
- Searle, M.; Black, J.; Straub, D.; Robey, E.; Yip, J.; Ramesh, S.; Roy, A.; Sabau, A.S.; Mollot, D. Heat Transfer Coefficients of Additively Manufactured Tubes with Internal Pin Fins for Supercritical Carbon Dioxide Cycle Recuperators. Appl. Therm. Eng. 2020, 181, 116030. [Google Scholar] [CrossRef]
- Chen, D.-S.; Shi, Y.-M.; Gao, Z.-Q. Some general flow boiling estimates the applicability of correlations to several elements. J. Refrig. 2013, 34, 8–14. [Google Scholar]
- Yang, J.-L.; Tang, J.-B.; Miao, Y.-F. Optimal design calculation of cased CO2 evaporator. Fluid Mech. 2016, 44, 83–86. [Google Scholar]
- Kew, P.A.; Cornwell, K. Correlations for the Prediction of Boiling Heat Transfer in Small-Diameter Channels. Appl. Therm. Eng. 1997, 17, 705–715. [Google Scholar] [CrossRef]



















| Equipment | Details |
|---|---|
| Compressor | The CO2 special compressor produced by Dorin (Torin) in Italy, model CD380H, speed 1450 rpm, rated input power 3.3 kW, oil injection capacity 1.3 kg, net weight 77 kg. |
| Gas cooler | Self-made casing heat exchanger, Φ22.2 seamless steel pipe as outer pipe, Φ12 nickel white copper threaded pipe as inner pipe, water pipe layer, CO2 shell layer, pipe length 16 m, total heat exchange area of 1.2 m2, countercurrent form adopted to enhance heat transfer, maximum pressure 14 MPa. |
| Evaporator | Self-made casing heat exchanger, Φ22.2 seamless steel pipe as outer pipe, Φ12 nickel white copper threaded pipe as inner pipe, water pipe layer, CO2 shell layer, pipe length 16 m, total heat exchange area of 1.2 m2, countercurrent form adopted to enhance heat transfer, maximum pressure 14 MPa. |
| Thermoelectric subcooler | Composed of thermoelectric refrigeration sheet, water cooler, and cold end fin of model TEC1-12710, with a size of 16 × 1 × 6 cm. |
| Regenerator | Self-made casing-type internal heat exchanger, stainless steel material, copper tube with inner tube Φ12, copper tube with outer tube Φ19, heat exchange area 0.3 m2, high temperature CO2 pipe from gas cooler, low temperature CO2 from evaporator flow outside the tube, countercurrent heat exchange. |
| CO2 expansion control valve | Inner diameter of the connecting pipe of 2.4 mm, cooling capacity of 8.6 kW, maximum pressure of 15 MPa, and working pressure difference of 0–10 MPa. |
| Gas–liquid separator | Self-made stainless steel gas–liquid separator, outer tube Φ50, inner tube Φ6, height of 0.5 m. |
| Oil separator | Homemade stainless steel oil separator, outer tube Φ100, height 0.5 m, interface size 1–1/8 (28 mm). |
| CO2 high-pressure reservoir | Outer tube Φ100, height 0.5 m. |
| Model | Maximum Operating Temperature/ °C | Maximum Cooling Capacity/ W | Maximum Temperature Difference/ °C | Input Voltage/ V | Maximum Current/ A |
|---|---|---|---|---|---|
| TEC1-12710 | 80 | 89 | 65 | 12 | 10 |
| Equipment | Measuring Range | Precision or Grade of Precision | Conditions of Use | Instructions | |
|---|---|---|---|---|---|
| Temperature | Platinum resistance temperature sensor | −50 to 400 °C | A grade 0.1% | — | Siemens 7MC1006-1DA16-Z T10 |
| Pressure | Pressure transducer | 1 kPa to 40 MPa | ±0.25% | — | Siemens 7MF1567-3DE00-3AA1 |
| Power | Electric power transmitter | 0–866 W | 0.2% | Operating temperature: 0–45 °C | Suzhou honow FPW-201 |
| Water flow | Turbine flow meter | 0.2–1.2 m3/h | Level 0.5 (water calibration) | Temperature of measured medium: −20 to 120 °C; pressure: ≤25 Mpa | Dayt and LWGAYA-15 The connection mode is threaded connection |
| CO2 mass flow rate | Coriolis mass flow meter | 0–250 kg/h | 0.5 grade | Standard temperature: −50 to 150 °C, fluid Pressure measurement tube: 23 MPa | Siemens 7ME4100-1CL10-1DA1 |
Publisher’s Note: MDPI stays neutral with regard to jurisdictional claims in published maps and institutional affiliations. |
© 2022 by the authors. Licensee MDPI, Basel, Switzerland. This article is an open access article distributed under the terms and conditions of the Creative Commons Attribution (CC BY) license (https://creativecommons.org/licenses/by/4.0/).
Share and Cite
Yang, J.; Wang, L.; Han, Y.; Zhang, X.; Du, Y. Simulation and Experimental Study of CO2 Transcritical Heat Pump System with Thermoelectric Subcooling. Designs 2022, 6, 115. https://doi.org/10.3390/designs6060115
Yang J, Wang L, Han Y, Zhang X, Du Y. Simulation and Experimental Study of CO2 Transcritical Heat Pump System with Thermoelectric Subcooling. Designs. 2022; 6(6):115. https://doi.org/10.3390/designs6060115
Chicago/Turabian StyleYang, Junlan, Linxiu Wang, Yifei Han, Xin Zhang, and Yufan Du. 2022. "Simulation and Experimental Study of CO2 Transcritical Heat Pump System with Thermoelectric Subcooling" Designs 6, no. 6: 115. https://doi.org/10.3390/designs6060115
APA StyleYang, J., Wang, L., Han, Y., Zhang, X., & Du, Y. (2022). Simulation and Experimental Study of CO2 Transcritical Heat Pump System with Thermoelectric Subcooling. Designs, 6(6), 115. https://doi.org/10.3390/designs6060115
