The Influence of the Characteristics of the Medium Voltage Network on the Single Line-to-Ground Fault Current in the Resistor Grounded Neutral Networks
Abstract
:1. Introduction
- S—power source, considered source of infinite power (110 kV system);
- T1—110/20 kV transformer (nominal apparent power 25 MVA, wye (Y0) connection on the 110 kV side and delta (∆) on the 20 kV side);
- NTP—the own utilities transformer, with a zig-zag connection with neutral for the primary and a wye with neutral for the secondary, transformer also used to create the artificial neutral point of the 20 kV electrical network (nominal apparent power 600 kVA);
- —faulted line phase–ground;
- ,…, —20 kV lines without fault (the number of fault-free lines supplied from medium voltage bus bars is 9);
- —the resistor used to connect the neutral of the medium voltage electrical network to ground and limited value of fault current for phase-to-ground fault;
- —fault resistance;
- K—the location of the phase-to-ground fault;
- —single-line-to-ground fault current.
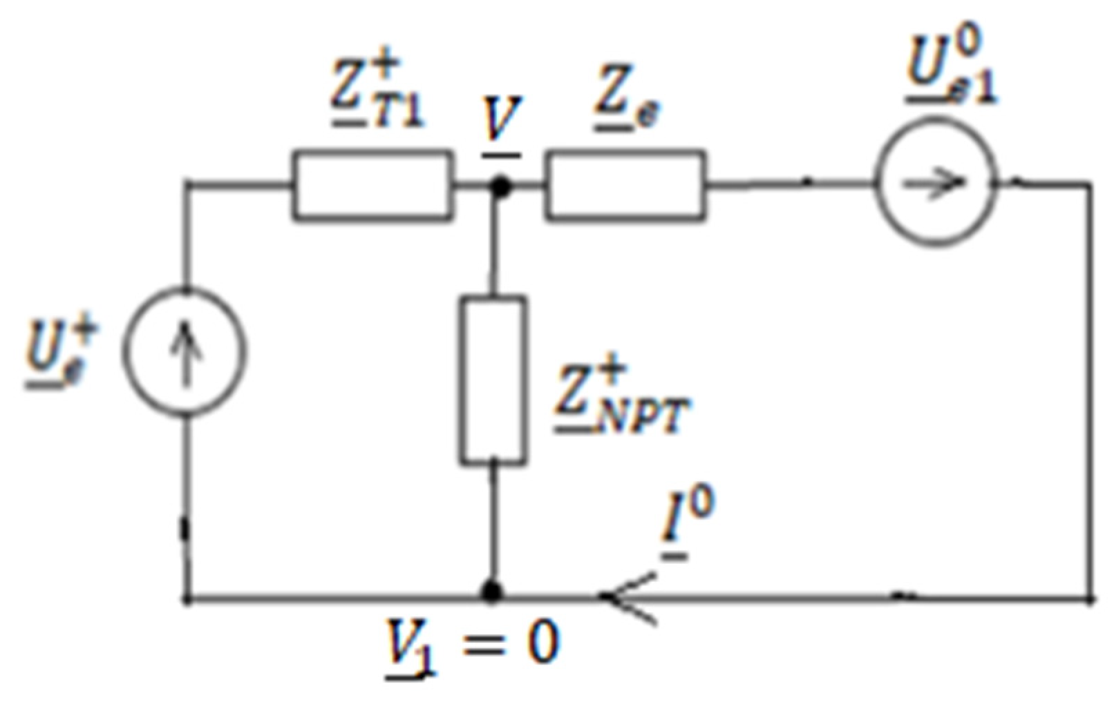
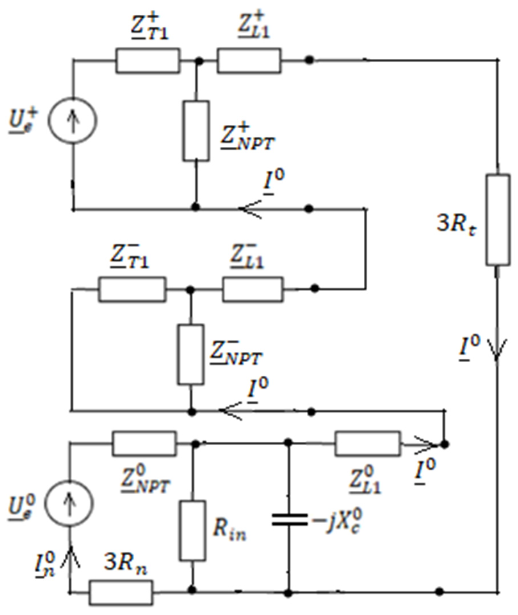
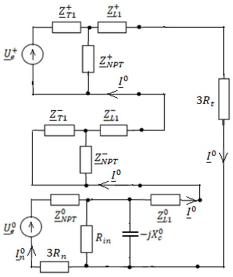
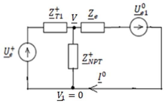
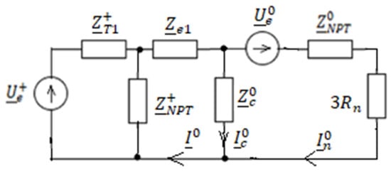
2. The Mathematical Model for the Analysis of a Single Phase-to-Ground Fault
- —the positive, respectively zero-sequence of electromotive forces of the equivalent voltage generator (Thevenin) corresponding to the 20 kV mains terminals, considered from the fault point;
- —positive-sequence impedance of transformer T1 in Figure 1;
- —negative-sequence impedance of the transformer T1 in Figure 1;
- —positive-sequence impedance from the substation bus bars to the fault location on the faulted line (L1 in Figure 1);
- —negative-sequence impedance from the substation bus bars to the fault location on the faulted line (L1 in Figure 1);
- —zero-sequence impedance from the substation bus bars to the fault location on the faulted line (L1 in Figure 1);
- —positive-sequence impedance of the utility transformer used to create the artificial neutral point of the 20 kV network;
- —negative-sequence impedance of the utility transformer used to create the artificial neutral point of the 20 kV network;
- —zero-sequence impedance of the utility transformer used to create the artificial neutral point of the 20 kV network;
- —zero-sequence capacitive reactance of electrical network with a nominal voltage 20 kV;
- —equivalent electrical resistance corresponding to active power losses in the insulation of the electrical network with a nominal voltage of 20 kV;
- —resistance at the fault location;
- —limiting resistor used to connect the 20 kV network neutral to ground.
3. Numerical Results
3.1. The Dependence of the Effective Value of the Currents as a Function of Fault Resistance
3.2. The Dependence of the Effective Value of the Currents as a Function of Zero-Sequence
4. Discussion
5. Conclusions
Author Contributions
Funding
Institutional Review Board Statement
Informed Consent Statement
Data Availability Statement
Conflicts of Interest
References
- Topolanek, D.; Lehtonen, M.; Adzman, M.R.; Toman, P. Earth fault location based on evaluation of voltage sag at secondary side of medium voltage/low voltage transformers. IET Gener. Transm. Distrib. 2015, 9, 2069–2077. [Google Scholar] [CrossRef] [Green Version]
- Guo, Z.; Yao, J.; Yang, S.; Zhang, H.; Mao, T.; Duong, T. A new method for non-unit protection of power transmission lines based on fault resistance and fault angle reduction. Int. J. Electr. Power Energy Syst. 2014, 55, 760–769. [Google Scholar] [CrossRef]
- Ukrainicev, A.; Nagy, V.; Nagy, I.; Sarry, S.; Chmihaloy, G. Analysis of the Functioning of the Earth Fault Protection with Active Influence on Electrical Grid. In Proceedings of the 9th International Scientific Symposium on Electrical Power Engineering, Stará Lesná, Słowacja, 12–14 September 2017; pp. 418–421. [Google Scholar]
- Adzman, M.R.; Lehtonen, M. Estimation of Single Line to Ground Fault Location in Unearthed Medium Voltage Distribution Network. In Proceedings of the 13th International Scientific Conference Electric Power Engineering (EPE) 2012, Brno, Czech Republic, 23–25 May 2012. [Google Scholar]
- Wang, X.; Zhang, H.; Shi, F.; Wu, Q.; Terzija, V.; Xie, W.; Fang, C. Location of single phase to ground fault in distribution networks based on synchronous transients energy analysis. IEEE Trans. Smart Grid 2020, 11, 774–785. [Google Scholar] [CrossRef] [Green Version]
- Tang, T.; Huang, C.; Li, Z.X.; Yuan, X.G. Identifying faulty feeder for single-phase high impedance fault in resonant grounding distribution System. Energies 2019, 12, 598. [Google Scholar] [CrossRef] [Green Version]
- Li, J.; Wang, G.; Zeng, D.; Li, H. High-impedance ground faulted line-section location method for a resonant grounding system based on the zero-sequence current’s declining periodic component. Int. J. Electr. Power Energy Syst. 2020, 119. [Google Scholar] [CrossRef]
- Tang, T.; Huang, C.; Hua, L.; Zhu, J.R.; Zhang, Z.D. Single-phase high-impedance fault protection for low-resistance grounded distribution network. IET Gener. Transm. Distrib. 2018, 12, 2462–2470. [Google Scholar] [CrossRef]
- Zeng, X.; Li, K.K.; Chan, W.L.; Su, S.; Wang, Y. Ground-fault feeder detection with fault-current and fault resistence measurement in mine power systems. IEEE Trans. Ind. Appl. 2008, 44, 424–429. [Google Scholar] [CrossRef]
- Kapoor, Wavelet transform based detection and classification of multi-location three phase to ground faults in twelve phase transmission line. Majiesi J. Mechatron. Syst. 2018, 6, 47–60.
- Toader, D.; Blaj, C.; Ruset, P.; Hategan, I.D.; Pinte, N.; Arvinti, B. Device for automatic control of the Petersen coil. In Soft Computing Applications; Springer: Berlin/Heidelberg, Germany, 2016; pp. 1121–1137. [Google Scholar]
- Toader, D.; Haragus, S.; Blaj, C. Numeric Simulation of Faults in Electrical Networks. In Proceedings of the 10th WSEAS International Conference on Fuzzy Systems, Praque, Czech Republic, 23–25 March 2009; pp. 128–135. [Google Scholar]
- Mangione, S. A simple method for evaluating ground-fault current at the transition station of a combined overhead-cable line. IEEE Trans. Power Deliv. 2008, 23, 1413–1418. [Google Scholar] [CrossRef]
- Fan, B.; Yao, G.; Wang, W.; Yang, X.; Ma, H.; Yu, K.; Zhuo, C.; Zeng, X. Faulty phase recognition method based on phase-to-ground voltages variation for neutral ungrounded distribution networks. Electr. Power Syst. Res. 2021, 190, 106848. [Google Scholar] [CrossRef]
- Li, Z.; Ye, Y.; Ma, X.; Lin, X.; Xu, F.; Wang, C.; Ni, X.; Ding, C. Single-phase-to-ground fault section location in fexible resonant grounding distribution networks using soft open points. Int. J. Electr. Power Energy Syst. 2020, 122, 106198. [Google Scholar] [CrossRef]
- Toader, D.; Ruset, P.; Hategan, I.D.; Haragus, S.; Pinte, N.; Blaj, C.; Cata, I. Selective Detection of Simple Grounding Faults in Medium Voltage Power Networks with Resonant Earthed Neutral System. In Proceedings of the 12th International Conference on Optimization of Electrical and Electronic Equipment, Brasov, Romania, 20–21 May 2010; pp. 1285–1291. [Google Scholar]
- Pang, Z.; Du, J.; Jiang, F.; He, L.; Li, Y.L.; Qin, L.; Li, Y. A fault section location method based on energy remainder of generalized S- transform for single-phase ground fault of distribution networks. In Proceedings of the 2018 IEEE 3rd Advanced Information Technology, Electronic and Automation Control Conference (IAEAC 2018), Chongqing, China, 12–14 October 2018; pp. 1511–1515. [Google Scholar]
- Meng, J.; Wang, W.; Tang, X.; Xu, X.Y. Zero-sequence voltage trajectory analysis for unbalanced distribution networks on single-line-to-ground fault condition. Electr. Power Syst. Res. 2018, 161, 17–25. [Google Scholar] [CrossRef]
- Liu, Z.; Deng, C. Single-phase ground fault line selection method in active distribution networks based on high-voltage inverter injected signals. DYNA 2019, 94(5). [Google Scholar] [CrossRef] [Green Version]
- Abdel-Akher, M.; Nor, K.M. Fault analysis of multiphase distribution systems using symmetrical components. IEEE Trans. Power Deliv. 2010, 25, 2931–2939. [Google Scholar] [CrossRef]
- El-Hawary, M.E. Chapter VIII Fault on Electric Energy Systems. In Electrical Power Systems: Design and Analysis; IEEE Press Power Systems Engineering Series; John Wiley & Sons Inc.: New York, NY, USA, 1995; pp. 474–507. [Google Scholar]
- Buta, A. Neutral grounding of electrical networks. In Electric Power Systems. Electric Networks; Eremia, M., Ed.; Romania Academy: Bucharest, Romania, 2006; pp. 327–334. [Google Scholar]
- Dashti, R.; Sadeh, J. Fault section estimation in power distribution network using impedance-based fault distance calculation and frequency spectrum analysis. IET Gener. Transm. Distrib. 2014, 8, 1406–1417. [Google Scholar] [CrossRef]
- Ma, J.; Yan, X.; Fan, B.; Liu, C.; Thorp, J.S. A novel line protection scheme for a single phase-to-ground fault based on voltage phase comparison. IEEE Trans. Power Deliv. 2016, 31, 2018–2027. [Google Scholar] [CrossRef]
- Toader, D.; Greconici, M.; Vesa, D.; Vintan, M.; Solea, C. Analysis of the Influence of the Insulation Parameters of Medium Voltage Electrical Networks and of the Petersen Coil on the Single-Phase-to-Ground Fault Current. Energies 2021, 14, 1330. [Google Scholar] [CrossRef]
- Gomez-Exposito, A.; Conejo, A.; Canizaris, C. Symmetrical Components Electric Energy Systems. In Analysis and Operation, 2nd ed.; CRC Press Taylor & Francisc Grup: Boca Raton, FL, USA; London, UK; New York, NY, USA, 2018; pp. 421–471. [Google Scholar]
- Mamikonyan, B.; Nikoghosyan, D. Measurement of Dielectric Loss by Phase Method. Am. Sci. Res. J. Eng. Technol. Sci. 2017, 29, 124–137. [Google Scholar]

















| The transformer T1 | 0.1 + j2.1 | 0,1 + j2,1 | |
| The own utilities transformer NTP | 8.2 + j28.5 | ||
| Impedance line L1 from the substation bus bars to the fault location | 5.3 + j3.8 | 5.3 + j3.8 | 5.35 + j5.1 |
| The resistor that connects the network neutral to ground | 37.5 | 37.5 | 112.5 |
| tanδ | |
|---|---|
| 0.105 | 35.31 − j336.11 |
| 0.087 | 29.44 − j336.68 |
| 0.07 | 23.58 − j337.14 |
| 0.052 | 17.67 − j337.49 |
| 0.035 | 11.8 − j337.75 |
| 5.9 − j337.93 | |
| 0 (perfect insulation) | − j338 |
| ε% | |||
|---|---|---|---|
| 0 | 178.2 | 173.8 | 2.47 |
| 100 | 58.92 | 56.55 | 4.03 |
| 500 | 17.53 | 16.44 | 6.24 |
| 1000 | 4.83 | 3.74 | 22.43 |
| 2000 | 3.1 | 1.9 | 38.71 |
| 3000 | 2.6 | 1.3 | 50 |
| 4000 | 2.3 | 0.95 | 58.7 |
| 5000 | 2.2 | 0.79 | 64.1 |
| 6000 | 2.1 | 0.65 | 69.05 |
| 7000 | 2.05 | 0.5 | 75.61 |
| 8000 | 2.0 | 0.45 | 77.5 |
| 9000 | 1.95 | 0.42 | 78.46 |
| 10,000 | 1.9 | 0.4 | 78.95 |
| ε% | |||
|---|---|---|---|
| 0 | 178.1 | 173.9 | 2.35 |
| 100 | 57.28 | 55,12 | 3.77 |
| 500 | 18.32 | 17.23 | 5.95 |
| 1000 | 4.73 | 3.68 | 22.03 |
| 2000 | 3 | 1.75 | 41.67 |
| 3000 | 2.5 | 1.25 | 50 |
| 4000 | 2.25 | 0.92 | 59.11 |
| 5000 | 2.15 | 0.78 | 63.72 |
| 6000 | 2.05 | 0.6 | 70.73 |
| 7000 | 1.95 | 0.52 | 73.33 |
| 8000 | 1.9 | 0.45 | 76.32 |
| 9000 | 1.85 | 0.4 | 78.38 |
| 10,000 | 1.8 | 0.38 | 78.89 |
| ε% | |||
|---|---|---|---|
| 0 | 178.2 | 178.1 | 0.56 |
| 100 | 58.92 | 58.11 | 1.37 |
| 500 | 17.53 | 17.23 | 1.71 |
| 1000 | 4.80 | 4.70 | 2.08 |
| 2000 | 3.10 | 3.02 | 2.58 |
| 3000 | 2.55 | 2.48 | 2.75 |
| 4000 | 2.30 | 2.23 | 3.04 |
| 5000 | 2.18 | 2.10 | 3.67 |
| 6000 | 2.10 | 2.00 | 4.76 |
| 7000 | 2.02 | 1.91 | 5.45 |
| 8000 | 2.01 | 1.85 | 7.96 |
| 9000 | 2.00 | 1.83 | 8.50 |
| 10,000 | 1.95 | 1.78 | 8.72 |
Publisher’s Note: MDPI stays neutral with regard to jurisdictional claims in published maps and institutional affiliations. |
© 2021 by the authors. Licensee MDPI, Basel, Switzerland. This article is an open access article distributed under the terms and conditions of the Creative Commons Attribution (CC BY) license (https://creativecommons.org/licenses/by/4.0/).
Share and Cite
Toader, D.; Greconici, M.; Vesa, D.; Vintan, M.; Solea, C.; Maghet, A.; Tatai, I. The Influence of the Characteristics of the Medium Voltage Network on the Single Line-to-Ground Fault Current in the Resistor Grounded Neutral Networks. Designs 2021, 5, 53. https://doi.org/10.3390/designs5030053
Toader D, Greconici M, Vesa D, Vintan M, Solea C, Maghet A, Tatai I. The Influence of the Characteristics of the Medium Voltage Network on the Single Line-to-Ground Fault Current in the Resistor Grounded Neutral Networks. Designs. 2021; 5(3):53. https://doi.org/10.3390/designs5030053
Chicago/Turabian StyleToader, Dumitru, Marian Greconici, Daniela Vesa, Maria Vintan, Claudiu Solea, Adrian Maghet, and Ildiko Tatai. 2021. "The Influence of the Characteristics of the Medium Voltage Network on the Single Line-to-Ground Fault Current in the Resistor Grounded Neutral Networks" Designs 5, no. 3: 53. https://doi.org/10.3390/designs5030053
APA StyleToader, D., Greconici, M., Vesa, D., Vintan, M., Solea, C., Maghet, A., & Tatai, I. (2021). The Influence of the Characteristics of the Medium Voltage Network on the Single Line-to-Ground Fault Current in the Resistor Grounded Neutral Networks. Designs, 5(3), 53. https://doi.org/10.3390/designs5030053

