Waste Plastic Direct Extrusion Hangprinter
Abstract
:1. Introduction
2. Method
2.1. Hybrid Printer Design
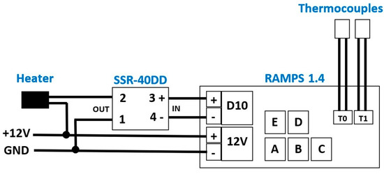
2.2. Firmware and Calibration
- Ay = −475 mm;
- Bx = 395 mm;
- By = 163 mm;
- Cx = −460 mm;
- Cy = 300 mm;
- Dz = 1900 mm (distance from the printing surface to the line rollers on the ceiling unit).
2.3. Operation and Pre-Printing Tests
- Filament diameter: 2.5 mm;
- Extrusion multiplier: 1;
- Temperature: 170 °C;
- Nozzle diameter: 1.5 mm;
- Layer height: 0.7 mm;
- Perimeters: 1;
- Top solid layers: 1;
- Bottom solid layers 1;
- Quality settings:
- ○
- Extra perimeters if needed;
- ○
- Avoid crossing perimeters;
- ○
- Detect thin walls;
- ○
- Detect bridging perimeters.
- Seam position: aligned;
- Infill density: 100%;
- Infill overlap: 0%;
- Infill pattern: rectilinear;
- Print speed: 20 mm/s;
- Travel speed: 40 mm/s;
- First layer speed: 20 mm/s.
3. Experimental Results
4. Discussion and Future Work
5. Conclusions
Author Contributions
Funding
Acknowledgments
Conflicts of Interest
References
- Kosior, E.; Crescenzi, I. Solutions to the plastic waste problem on land and in the oceans. In Plastic Waste and Recycling; Academic Press: Cambridge, MA, USA, 2020; pp. 415–446. [Google Scholar]
- Faludi, J.; Cline-Thomas, N.; Agrawala, S. 3D printing and its environmental implications. In The Next Production Revolution: Implications for Governments and Business; OECD Publishing: Paris, France, 2017; pp. 171–213. [Google Scholar] [CrossRef]
- Bowyer, A. 3D printing and humanity’s first imperfect replicator. 3d Print. Addit. Manuf. 2014, 1, 4–5. [Google Scholar] [CrossRef]
- Barrett, A. Is PLA Recyclable? 2020. Available online: https://bioplasticsnews.com/2020/04/05/is-pla-recyclable (accessed on 8 March 2022).
- Globe Newswire. The Market for Additive Manufacturing in the Oil and Gas Sector 2018–2029. 2019. Available online: https://www.globenewswire.com/news-release/2019/06/04/1864243/0/en/NewSmarTech-Analysis-Report-on-Additive-Manufacturing-in-the-Oil-and-Gas-IndustryFinds-1B-Opportunity-for-AM-Hardware-Manufacturers.html (accessed on 8 March 2022).
- Zhong, S.; Pearce, J.M. Tightening the loop on the circular economy: Coupled distributed recycling and manufacturing with recyclebot and RepRap 3-D printing. Resour. Conserv. Recycl. 2018, 128, 48–58. [Google Scholar] [CrossRef]
- Santander, P.; Cruz Sanchez, F.A.; Boudaoud, H.; Camargo, M. Closed loop supply chain network for local and distributed plastic recycling for 3D printing: A MILP-based optimization approach. Resour. Conserv. Recycl. 2020, 154, 104531. [Google Scholar] [CrossRef]
- Sanchez, F.A.C.; Boudaoud, H.; Camargo, M.; Pearce, J.M. Plastic recycling in additive manufacturing: A systematic literature review and opportunities for the circular economy. J. Clean. Prod. 2020, 264, 121602. [Google Scholar] [CrossRef]
- Pavlo, S.; Fabio, C.; Hakim, B.; Mauricio, C. 3D-Printing Based Distributed Plastic Recycling: A Conceptual Model for Closed-Loop Supply Chain Design. In Proceedings of the 2018 IEEE International Conference on Engineering, Technology and Innovation (ICE/ITMC), Stuttgart, Germany, 17–20 June 2018; pp. 1–8. [Google Scholar]
- Dertinger, S.C.; Gallup, N.; Tanikella, N.G.; Grasso, M.; Vahid, S.; Foot, P.J.S.; Pearce, J.M. Technical pathways for distributed recycling of polymer composites for distributed manufacturing: Windshield wiper blades. Resour. Conserv. Recycl. 2020, 157, 104810. [Google Scholar] [CrossRef]
- Kreiger, M.A.; Mulder, M.L.; Glover, A.G.; Pearce, J.M. Life cycle analysis of distributed recycling of post-consumer high density polyethylene for 3-D printing filament. J. Clean. Prod. 2014, 70, 90–96. [Google Scholar] [CrossRef]
- Kreiger, M.; Pearce, J.M. Environmental life cycle analysis of distributed three-dimensional printing and conventional manufacturing of polymer products. ACS Sustain. Chem. Eng. 2013, 1, 1511–1519. [Google Scholar] [CrossRef]
- Gwamuri, J.; Wittbrodt, B.T.; Anzalone, N.C.; Pearce, J. Reversing the trend of large scale and centralization in manufacturing: The case of distributed manufacturing of customizable 3-D-printable self-adjustable glasses. Chall. Sustain. 2014, 2, 30–40. [Google Scholar] [CrossRef]
- Petersen, E.E.; Pearce, J. Emergence of home manufacturing in the developed world: Return on investment for open-source 3-D printers. Technologies 2017, 5, 7. [Google Scholar] [CrossRef]
- Mohammed, M.; Wilson, D.; Gomez-Kervin, E.; Petsiuk, A.; Dick, R.; Pearce, J.M. Sustainability and feasibility assessment of distributed E-waste recycling using additive manufacturing in a Bi-continental context. Addit. Manuf. 2022, 50, 102548. [Google Scholar] [CrossRef]
- Kantaros, A.; Laskaris, N.; Piromalis, D.; Ganetsos, T. Manufacturing Zero-Waste COVID-19 Personal Protection Equipment: A Case Study of Utilizing 3D Printing While Employing Waste Material Recycling. Circ. Econ. Sust. 2021, 1, 851–869. [Google Scholar] [CrossRef] [PubMed]
- Laplume, A.O.; Petersen, B.; Pearce, J.M. Global value chains from a 3D printing perspective. J. Int. Bus. Stud. 2016, 47, 595–609. [Google Scholar] [CrossRef]
- Zhong, S.; Rakhe, P.; Pearce, J.M. Energy payback time of a solar photovoltaic powered waste plastic recyclebot system. Recycling 2017, 2, 10. [Google Scholar] [CrossRef]
- Woern, A.L.; McCaslin, J.R.; Pringle, A.M.; Pearce, J.M. RepRapable Recyclebot: Open source 3-D printable extruder for converting plastic to 3-D printing filament. HardwareX 2018, 4, e00026. [Google Scholar] [CrossRef]
- Antreas, K.; Piromalis, D. Employing a Low-Cost Desktop 3D Printer: Challenges, and How to Overcome Them by Tuning Key Process Parameters. Int. J. Mech. Appl. 2021, 10, 11–19. [Google Scholar] [CrossRef]
- Woern, A.L.; Byard, D.J.; Oakley, R.B.; Fiedler, M.J.; Snabes, S.L.; Pearce, J.M. Fused particle fabrication 3-D printing: Recycled materials’ optimization and mechanical properties. Materials 2018, 11, 1413. [Google Scholar] [CrossRef]
- Little, H.A.; Tanikella, N.G.; Reich, M.J.; Fiedler, M.J.; Snabes, S.L.; Pearce, J.M. Towards distributed recycling with additive manufacturing of PET flake feedstocks. Materials 2020, 13, 4273. [Google Scholar] [CrossRef]
- Reich, M.J.; Woern, A.L.; Tanikella, N.G.; Pearce, J.M. Mechanical properties and applications of recycled polycarbonate particle material extrusion-based additive manufacturing. Materials 2019, 12, 1642. [Google Scholar] [CrossRef]
- Volpato, N.; Kretschek, D.; Foggiatto, J.A.; Cruz, C.M.G.D.S. Experimental analysis of an extrusion system for additive manufacturing based on polymer pellets. Int. J. Adv. Manuf. Technol. 2015, 81, 1519–1531. [Google Scholar] [CrossRef]
- Whyman, S.; Arif, K.M.; Potgieter, J. Design and development of an extrusion system for 3D printing biopolymer pellets. Int. J. Adv. Manuf. Technol. 2018, 96, 3417–3428. [Google Scholar] [CrossRef]
- Alexandre, A.; Sanchez, F.A.C.; Boudaoud, H.; Camargo, M.; Pearce, J.M. Mechanical properties of direct waste printing of polylactic acid with universal pellets extruder: Comparison to fused filament fabrication on open-source desktop three-dimensional printers. 3d Print. Addit. Manuf. 2020, 7, 237–247. [Google Scholar] [CrossRef]
- Byard, D.J.; Woern, A.L.; Oakley, R.B.; Fiedler, M.J.; Snabes, S.L.; Pearce, J.M. Green fab lab applications of large-area waste polymer-based additive manufacturing. Addit. Manuf. 2019, 27, 515–525. [Google Scholar] [CrossRef]
- Gigabot XLT (re3d). Available online: https://re3d.org/portfolio/gigabot-xlt (accessed on 8 March 2022).
- Exabot (re3d). Available online: https://re3d.org/portfolio/exabot (accessed on 8 March 2022).
- Terabot (re3d). Available online: https://re3d.org/portfolio/terabot (accessed on 8 March 2022).
- THE BOX Large (BLB Industries). Available online: https://www.aniwaa.com/product/3d-printers/blb-industries-the-box-large (accessed on 8 March 2022).
- T3500 (Tractus3D). Available online: https://www.aniwaa.com/product/3d-printers/tractus3d-t3500-rtp (accessed on 8 March 2022).
- 400 Series WORKBENCH XTREME (3D Platform). Available online: https://www.aniwaa.com/product/3d-printers/3d-platform-400-series-workbench-xtreme (accessed on 8 March 2022).
- BIG-Meter (Modix). Available online: https://www.aniwaa.com/product/3d-printers/modix-big-meter (accessed on 8 March 2022).
- BigRep ONE v4 (BigRep). Available online: https://www.aniwaa.com/product/3d-printers/bigrep-one (accessed on 8 March 2022).
- F1000 (CreatBot). Available online: https://www.aniwaa.com/product/3d-printers/creatbot-f1000 (accessed on 8 March 2022).
- Ludvigsen, T.; Kracht, P. Clerck, a RepRap 3D Printer Hanging from the Ceiling. Appropedia 2006. Available online: https://www.appropedia.org/Clerck,_a_RepRap_3D_printer_hanging_from_the_ceiling (accessed on 8 March 2022).
- Bruckmann, T.; Mikelsons, L.; Brandt, T.; Hiller, M.; Schramm, D. Wire robots part I—kinematics, analysis and design. In Parallel Manipulators—New Developments; I-Tech: Vienna, Austria, 2008. [Google Scholar]
- Saber, O. A Spatial Translational Cable Robot. ASME. J. Mech. Robot. 2015, 7, 031006. [Google Scholar] [CrossRef]
- Zhong, Y.; Qian, S. A Cable-Driven Parallel Robot for 3D Printing. In Proceedings of the 2018 IEEE International Conference on Mechatronics, Robotics and Automation (ICMRA), Changchun, China, 5–8 August 2018; pp. 199–203. [Google Scholar] [CrossRef]
- Zi, B.; Wang, N.; Qian, S.; Bao, K. Design, stiffness analysis and experimental study of a cable-driven parallel 3D printer. Mech. Mach. Theory 2019, 132, 207–222. [Google Scholar] [CrossRef]
- Vu, D.-S.; Barnett, E.; Gosselin, C. Experimental validation of a three-degree-of-freedom cable-suspended parallel robot for spatial translation with constant orientation. J. Mech. Robot. 2019, 11, 024502. [Google Scholar] [CrossRef]
- Chesser, P.C.; Wang, P.L.; Vaughan, J.E.; Lind, R.F.; Post, B.K. Kinematics of a Cable-Driven Robotic Platform for Large-Scale Additive Manufacturing. J. Mech. Robot. 2022, 14, 021010. [Google Scholar] [CrossRef]
- Daren, S. Arcus-3D-C1—Cable 3D Printer. 2017. Available online: https://hackaday.io/project/26938-arcus-3d-c1-cable-3d-printer (accessed on 14 December 2021).
- Sensorica: SpiderRig. 2012. Available online: https://www.sensorica.co/ventures/robotics-and-fabrication/spiderrig (accessed on 8 March 2022).
- Trikarus Project. 2021. Available online: https://stadtfabrikanten.org/pages/viewpage.action?pageId=72122510 (accessed on 8 March 2022).
- Ludvigsen, T. Hangprinter v3 Manual. Available online: https://hangprinter.org/doc/v3/ (accessed on 8 March 2022).
- Ludvigsen, T. Hangprinter v3 Firmware. 2018. Available online: https://github.com/tobbelobb/hangprinter/tree/Openscad_version_3/firmware (accessed on 8 March 2022).
- Petsiuk, A.; Lavu, B.; Dick, R.; Pearce, J.M. Waste Plastic Direct Extrusion Hangprinter. OSF. 2021. Available online: Osf.io/jgb8z (accessed on 8 March 2022).
- RAMPS 1.4. Available online: https://reprap.org/wiki/RAMPS_1.4.2021 (accessed on 8 March 2022).
- Printrun: 3D Printing Host Suite. Available online: https://www.pronterface.com/ (accessed on 8 March 2022).
- Slic3r: Open Source 3D Printing Toolbox. Available online: https://slic3r.org/ (accessed on 8 March 2022).
- Hubs. 2015. Available online: https://www.hubs.com/talk/t/printing-results-for-homemade-recycled-pla-filament/2231 (accessed on 12 August 2022).
- 3D Evo, Polymer Blends: Mixing Different Plastics. Available online: https://support.3devo.com/polymer-blends-mixing-different-plastics (accessed on 12 August 2022).
- Petsiuk, A.; Pearce, J.M. Open Source Filament Diameter Sensor for Recycling, Winding, and Additive Manufacturing Machines. ASME J. Manuf. Sci. Eng. 2021, 143, 105001. [Google Scholar] [CrossRef]
- Cruz Sanchez, F.A.; Boudaoud, H.; Hoppe, S.; Camargo, M. Polymer recycling in an opensource additive manufacturing context: Mechanical issues. Addit. Manuf. 2017, 17, 87–105. [Google Scholar] [CrossRef]
- 3D Evo, Roadmap to Extrusion Success. Available online: https://support.3devo.com/roadmap-to-extrusion-success-5-1652104158182 (accessed on 12 August 2022).
- Laureto, J.J.; Pearce, J.M. Anisotropic mechanical property variance between ASTM D638-14 type i and type iv fused filament fabricated specimens. Polym. Test. 2018, 68, 294–301. [Google Scholar] [CrossRef]
- Hanon, M.M.; Marczis, R.; Zsidai, L. Influence of the 3D Printing Process Settings on Tensile Strength of PLA and HT-PLA. Period. Polytech. Mech. Eng. 2021, 65, 38–46. [Google Scholar] [CrossRef]
- Brischetto, S.; Torre, R. Tensile and Compressive Behavior in the Experimental Tests for PLA Specimens Produced via Fused Deposition Modelling Technique. J. Compos. Sci. 2020, 4, 140. [Google Scholar] [CrossRef]
- Pinto, V.; Ramos, T.; Alves, S.; Xavier, J.; Tavares, P.; Moreira, P.; Guedes, R.M. Comparative Failure Analysis of PLA, PLA/GNP and PLA/CNT-COOH Biodegradable Nanocomposites thin Films. Procedia Eng. 2015, 114, 635–642. [Google Scholar] [CrossRef]
- Raj, S.A.; Muthukumaran, E.; Jayakrishna, K. A Case Study of 3D Printed PLA and Its Mechanical Properties. Mater. Today Proc. 2018, 5, 11219–11226. [Google Scholar] [CrossRef]
- Algarni, M. The Influence of Raster Angle and Moisture Content on the Mechanical Properties of PLA Parts Produced by Fused Deposition Modeling. Polymers 2021, 13, 237. [Google Scholar] [CrossRef]
- Grasso, M.; Azzouz, L.; Ruiz-Hincapie, P.; Zarrelli, M.; Ren, G. Effect of temperature on the mechanical properties of 3D-printed PLA tensile specimens. Rapid Prototyp. J. 2018, 24, 1337–1346. [Google Scholar] [CrossRef]
- Zhao, Y.; Chen, Y.; Zhou, Y. Novel mechanical models of tensile strength and elastic property of FDM AM PLA materials: Experimental and theoretical analyses. Mater. Des. 2019, 181, 108089. [Google Scholar] [CrossRef]
- Anderson, I. Mechanical properties of specimens 3D printed with virgin and recycled polylactic acid. 3d Print. Addit. Manuf. 2017, 4, 110–115. [Google Scholar] [CrossRef]
- Sanchez, F.A.C.; Lanza, S.; Boudaoud, H.; Hoppe, S.; Camargo, M. Polymer Recycling and Additive Manufacturing in an Open Source context: Optimization of processes and methods. In Annual International Solid Freeform Fabrication Symposium; ISSF: Austin, TX, USA, 2015; pp. 1591–1600. [Google Scholar]
- DIY Modular Greenhouse. Available online: https://www.prusaprinters.org/prints/62627-diy-greenhouse-by-kms (accessed on 8 March 2022).
- Pearce, J.M. Parametric Open Source Cold-Frame Agrivoltaic Systems. Inventions 2021, 6, 71. [Google Scholar] [CrossRef]
- Reddit, r/3D Printing and Hangprinter Communities. Available online: https://www.reddit.com/r/3Dprinting/search/?q=hangprinter&restrict_sr=1&sr_nsfw= (accessed on 12 August 2022).
- Watkin, H. 8 March 2017. The Open Source Hangprinter Prints Without A Frame. Available online: https://all3dp.com/open-source-hangprinter-prints-without-frame (accessed on 12 August 2022).
- Franz, J.; Pearce, J.M. Open-source grinding machine for compression screw manufacturing. Inventions 2020, 5, 26. [Google Scholar] [CrossRef]
- Petsiuk, A.; Pearce, J.M. Towards Smart Monitored AM: Open Source in-Situ Layer-wise 3D Printing Image Anomaly Detection Using Histograms of Oriented Gradients and a Physics-Based Rendering Engine. Addit. Manuf. 2022, 52, 102690. [Google Scholar] [CrossRef]








| Name | Price, USD | Printing Volume |
|---|---|---|
| Gigabot XLT (re3d) [28] | 16,995 | 590 × 760 × 900 mm |
| Exabot (re3d) [29] | 85,000 | 762 × 762 × 1829 mm |
| Terabot (re3d) [30] | 34,400 | 915 × 915 × 1000 mm |
| THE BOX Large (BLB Industries) [31] | 298,000 | 2000 × 2000 × 1500 mm |
| T3500 (Tractus3D) [32] | 59,000 | ⌀1000 × 2100 mm |
| 400 Series Workbench Extreme (3D Platform) [33] | 50,000 | 1000 × 1500 × 700 mm |
| BIG-Meter (Modix) [34] | 11,500 | 1010 × 1010 × 1010 mm |
| BigRep ONE v4 (BigRep) [35] | 30,000 | 1005 × 1005 × 1005 mm |
| F1000 (CreatBot) [36] | 30,000 | 1000 × 1000 × 1000 mm |
| Hybrid Hangprinter (open source) [37] | <1200 | Expandable over a wide dimensional range |
Publisher’s Note: MDPI stays neutral with regard to jurisdictional claims in published maps and institutional affiliations. |
© 2022 by the authors. Licensee MDPI, Basel, Switzerland. This article is an open access article distributed under the terms and conditions of the Creative Commons Attribution (CC BY) license (https://creativecommons.org/licenses/by/4.0/).
Share and Cite
Petsiuk, A.; Lavu, B.; Dick, R.; Pearce, J.M. Waste Plastic Direct Extrusion Hangprinter. Inventions 2022, 7, 70. https://doi.org/10.3390/inventions7030070
Petsiuk A, Lavu B, Dick R, Pearce JM. Waste Plastic Direct Extrusion Hangprinter. Inventions. 2022; 7(3):70. https://doi.org/10.3390/inventions7030070
Chicago/Turabian StylePetsiuk, Aliaksei, Bharath Lavu, Rachel Dick, and Joshua M. Pearce. 2022. "Waste Plastic Direct Extrusion Hangprinter" Inventions 7, no. 3: 70. https://doi.org/10.3390/inventions7030070
APA StylePetsiuk, A., Lavu, B., Dick, R., & Pearce, J. M. (2022). Waste Plastic Direct Extrusion Hangprinter. Inventions, 7(3), 70. https://doi.org/10.3390/inventions7030070

