Modeling and Stability Analysis of Hybrid PV/Diesel/ESS in Ship Power System
Abstract
:1. Introduction
- high energy density and long working lifecycle;
- fast response to smooth the frequency fluctuations;
- high efficiency with a lower loss;
- flexible for an application as a decentralized power supply unit;
- wide operating temperature range, and so on.
2. Hybrid Ship Power System Configuration and Components
2.1. Hybrid Ship Power System Structure
2.2. Models of System Components
2.2.1. PV Generation System
(1) Solar Irradiation Simulation
(2) PV Model
2.2.2. Diesel Generator
2.2.3. Flywheel Energy Storage System
2.2.4. Converter
2.2.5. Loads
3. Control Strategy for the Hybrid Ship Power System
3.1. Maximum Power Point Tracking Algorithm
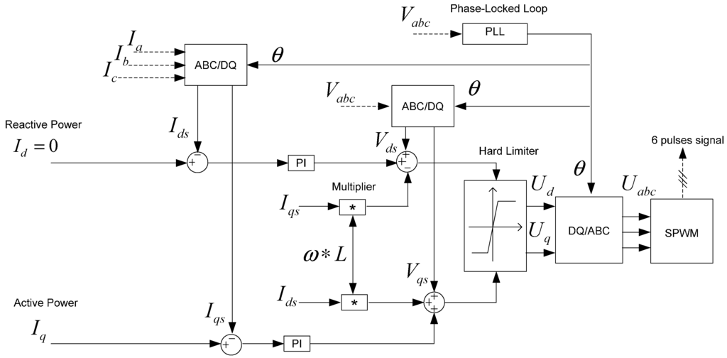
3.2. P-Q Decoupled Control Strategy
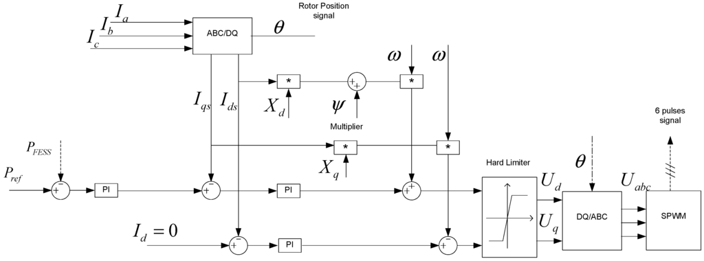
3.3. Constant Torque Angle Control Method
4. Simulation Analysis
- First Case: Stability analysis considering PV connection and ship load fluctuations;
- Second Case: Stability analysis considering ship rolling;
- Third Case: Stability analysis considering the sudden changes of solar irradiation.
5. Conclusions
Acknowledgments
Author Contributions
Conflicts of Interest
Symbols and Abbreviations
| PV | Photovoltaic | 
| ESS | energy storage system | 
| FESS | Flywheel energy storage system | 
| SPWM | Sinusoidal pulse width modulation | 
| MARPOL | Marine Agreement Regarding Oil Pollution of Liability | 
| PMSM | Permanent Magnet Synchronous Motor | 
| SOC | State of charge | 
| MPPT | Maximum power point tracking | 
| DQ | Direct-axis and Quadrature-axis | 
| PQ | Active power and reactive power | 
| PWM | pulse width modulation | 
| DC | direct current | 
| Ipv, Vpv | PV array output current and voltage | 
| T | Duty cycle | 
| Vref | excitation voltage reference per-unit value | 
| If, Ef | excitation current and voltage | 
| W | diesel generator speed per-unit value | 
| Wref | diesel generator speed reference | 
| FL | the engine fuel intake | 
| Tm | the engine output shaft torque per-unit value | 
| J | the moment of inertia of flywheel rotor | 
| ω | the angular speed of flywheel or system angular frequency | 
| usd, usq | direct-axis and quadrature-axis voltage of stator winding | 
| isd, isq | direct-axis and quadrature-axis current of stator winding | 
| ψsd, ψsq | direct-axis and quadrature-axis flux linkage of stator winding | 
| Ld, Lq | direct-axis and quadrature-axis inductance of stator winding | 
| ωr | angular speed of rotor | 
| Rs | resistance of stator | 
| ψf | flux linkage of rotor | 
| np | pairs of pole | 
| Te | the electromagnetic torque of rotor | 
| Ia, Ib, Ic | phase current | 
| Vabc | phase to ground voltage | 
| Vmppt | the maximum power point tracking voltage | 
| θ | system voltage phase angle or rotor position of PMSM | 
| L | inductance of grid-connected inverter | 
| Xd, Xq | direct-axis and quadrature-axis reactance of PMSM | 
| ψ | Magnetic strength of PMSM | 
References and Notes
- The International Convention for the Prevention of Pollution from Ships. Available online: http://www.imo.org/en/About/Conventions/ListOfConventions/Pages/International-Convention-for-the-Prevention-of-Pollution-from-Ships-%28MARPOL%29.aspx (accessed on 18 January 2016).
- Mitra, P.; Venayagamoorthy, G.K. An adaptive control strategy for DSTATCOM applications in an electric ship power system. IEEE Trans. Power Electron. 2010, 25, 95–104. [Google Scholar] [CrossRef]
- Hong, Y.; Pham, S.N.; Yoo, T.; Chae, K.; Baek, K.; Kim, Y.S. Efficient maximum power point tracking for a distributed PV system under rapidly changing environmental conditions. IEEE Trans. Power Electron. 2015, 30, 4209–4218. [Google Scholar] [CrossRef]
- Sundareswaran, K.; Sankar, P.; Nayak, P.S.R.; Simon, S.P.; Palani, S. Enhanced energy output from a PV system under partial shaded conditions through artificial bee colony. IEEE Trans. Sustain. Energy 2015, 6, 198–209. [Google Scholar] [CrossRef]
- Hajighorbani, S.; Radzi, M.A.M.; Kadir, M.Z.A.A.; Shafie, S. Dual search maximum power point (DSMPP) algorithm based on mathematical analysis under shaded conditions. Energies 2015, 8, 12116–12146. [Google Scholar] [CrossRef]
- Haroun, R.; El Aroudi, A.; Cid-Pastor, A.; Garcia, G.; Olalla, C.; Martinez-Salamero, L. Impedance matching in photovoltaic systems using cascaded boost converters and sliding-mode control. IEEE Trans. Power Electron. 2015, 30, 3185–3199. [Google Scholar] [CrossRef]
- Hill, C.A.; Such, M.C.; Chen, D.; Gonzalez, J.; Grady, W.M. Battery energy storage for enabling integration of distributed solar power generation. IEEE Trans. Smart Grid 2012, 3, 850–857. [Google Scholar] [CrossRef]
- Zhang, T.; Yue, D.; O’Grady, M.J.; O’Hare, G.M.P. Transient oscillations analysis and modified control strategy for seamless mode transfer in micro-grids: A wind-PV-ES hybrid system case study. Energies 2015, 8, 13758–13777. [Google Scholar] [CrossRef]
- Xu, Y.; Zhang, W.; Hug, G.; Kar, S.; Li, Z. Cooperative control of distributed energy storage systems in a micro grid. IEEE Trans. Smart Grid 2015, 6, 238–248. [Google Scholar] [CrossRef]
- Wu, D.; Tang, F.; Dragicevic, T.; Vasquez, J.C.; Guerrero, J.M. A control architecture to coordinate renewable energy sources and energy storage systems in islanded microgrids. IEEE Trans. Smart Grid 2015, 6, 1156–1166. [Google Scholar] [CrossRef]
- Akinyele, D.O.; Rayudu, R.K. Review of energy storage technologies for sustainable power networks. Sustain. Energy Technol. Assess. 2014, 8, 74–91. [Google Scholar] [CrossRef]
- Ramli, M.M.M.; Hiendro, A.; Twaha, S. Economic analysis of PV/diesel hybrid system with flywheel energy storage. Renew. Energy 2015, 78, 398–405. [Google Scholar] [CrossRef]
- Howlader, A.M.; Urasaki, N.; Yona, A.; Senjyu, T.; Saber, A.Y. A review of output power smoothing methods for wind energy conversion systems. Renew. Sustain. Energy Rev. 2013, 26, 135–146. [Google Scholar] [CrossRef]
- Sebastián, R.; Peña Alzola, R. Flywheel energy storage systems: Review and simulation for an isolated wind power system. Renew. Sustain. Energy Rev. 2012, 16, 6803–6813. [Google Scholar] [CrossRef]
- Boukettaya, G.; Krichen, L. A dynamic power management strategy of a grid connected hybrid generation system using wind, photovoltaic and Flywheel Energy Storage System in residential applications. Energy 2014, 71, 148–159. [Google Scholar] [CrossRef]
- Abdel-Khalik, A.S.; Elserougi, A.A.; Massoud, A.M.; Ahmed, S. Fault current contribution of medium voltage inverter and doubly-fed induction-machine-based flywheel energy storage system. IEEE Trans. Sustain. Energy 2012, 4, 58–67. [Google Scholar] [CrossRef]
- Hedlund, M.; Lundin, J.; de Santiago, J.; Abrahamsson, J.; Bernhoff, H. Flywheel energy storage for automotive applications. Energies 2015, 8, 10636–10663. [Google Scholar] [CrossRef]
- Ren, G.; Ma, G.; Cong, N. Review of electrical energy storage system for vehicular applications. Renew. Sustain. Energy Rev. 2015, 41, 225–236. [Google Scholar] [CrossRef]
- Lan, H.; Wen, S.; Hong, Y.-Y.; Yu, D.C.; Zhang, L. Optimal sizing of hybrid PV/diesel/battery in ship power system. Appl. Energy 2015, 158, 26–34. [Google Scholar] [CrossRef]
- Shih, N.C.; Weng, B.J.; Lee, J.Y.; Hsiao, Y.C. Development of a 20 kW generic hybrid fuel cell power system for small ships and underwater vehicles. Int. J. Hydrogen Energy 2014, 39, 13894–13901. [Google Scholar] [CrossRef]
- Lee, K.J.; Shin, D.S.; Lee, J.P.; Yoo, D.W.; Choi, H.K.; Kim, H.J. Hybrid photovoltaic/diesel green ship operating in standalone and grid-connected mode in South Korea—Experimental investigation. In Proceedings of 2012 IEEE Vehicle Power and Propulsion Conference (VPPC), Seoul Olympic Parktel, Seoul, Korea, 9–12 October 2012.
- Study on the Application of Photovoltaic Technology in the Oil Tanker Ship, Grant No. GK110900004, Execution period: January 2013–December 2015.
- Yan, R.; Saha, T.K.; Modi, N.; Masood, N.-A.; Mosadeghy, M. The combined effects of high penetration of wind and PV on power system frequency response. Appl. Energy 2015, 145, 320–330. [Google Scholar] [CrossRef]
- Tankari, M.A.; Camara, M.B.; Dakyo, B.; and Lefebvre, G. Use of ultracapacitors and batteries for efficient energy management in wind-diesel hybrid system. IEEE Trans. Sustain. Energy 2013, 4, 414–424. [Google Scholar] [CrossRef]
- Mukoyama, S.; Matsuoka, T.; Hatakeyama, H.; Kasahara, H.; Furukawa, M.; Nagashima, K.; Ogata, M.; Yamashita, T.; Hasegawa, H.; Yoshizawa, K.; et al. Test of REBCO HTS magnet of magnetic bearing for flywheel storage system in solar power system. IEEE Trans. Appl. Supercond. 2015, 25, 7–10. [Google Scholar] [CrossRef]
- Valencia, P.A.O.; Ramos-Paja, C.A. Sliding-mode controller for maximum power point tracking in grid-connected photovoltaic systems. Energies 2015, 8, 12363–12387. [Google Scholar] [CrossRef]
- Singaravel, M.M.R.; Daniel, S.A. MPPT with Single DC–DC converter and inverter for grid-connected hybrid wind-driven PMSG–PV system. IEEE Trans. Ind. Electron. 2015, 62, 4849–4857. [Google Scholar] [CrossRef]
- Solar and PV data. Available online: http://solargis.info/doc/solar-and-pv-data (accessed on 28 May 2015).




















| MPPT Control | PI | SPWM | |||
|---|---|---|---|---|---|
| Open-circuit voltage | Short-circuit current | Sampling interval | P | I | Frequency | 
| 450 V | 847 A | 0.001 s | 3 | 0.01 | 10 kHz | 
| LC Filter | Current Control | Voltage Control | SPWM | |||
|---|---|---|---|---|---|---|
| Inductance | Capacitance | P | I | P | I | Frequency | 
| 0.5 mH | 500 uF | 50 | 0.001 | 120 | 0.001 | 12 kHz | 
| PMSM | Current Control | Active Power Control | ||||
|---|---|---|---|---|---|---|
| Rated Voltage | Rated Frequency | Moment of Inertia J | P | I | P | I | 
| 200 V | 250 Hz | 58.824 kg*m2 | 1500 | 0.0001 | 100 | 0.001 | 
© 2016 by the authors; licensee MDPI, Basel, Switzerland. This article is an open access article distributed under the terms and conditions of the Creative Commons by Attribution (CC-BY) license (http://creativecommons.org/licenses/by/4.0/).
Share and Cite
Lan, H.; Bai, Y.; Wen, S.; Yu, D.C.; Hong, Y.-Y.; Dai, J.; Cheng, P. Modeling and Stability Analysis of Hybrid PV/Diesel/ESS in Ship Power System. Inventions 2016, 1, 5. https://doi.org/10.3390/inventions1010005
Lan H, Bai Y, Wen S, Yu DC, Hong Y-Y, Dai J, Cheng P. Modeling and Stability Analysis of Hybrid PV/Diesel/ESS in Ship Power System. Inventions. 2016; 1(1):5. https://doi.org/10.3390/inventions1010005
Chicago/Turabian StyleLan, Hai, Yifei Bai, Shuli Wen, David C. Yu, Ying-Yi Hong, Jinfeng Dai, and Peng Cheng. 2016. "Modeling and Stability Analysis of Hybrid PV/Diesel/ESS in Ship Power System" Inventions 1, no. 1: 5. https://doi.org/10.3390/inventions1010005
APA StyleLan, H., Bai, Y., Wen, S., Yu, D. C., Hong, Y.-Y., Dai, J., & Cheng, P. (2016). Modeling and Stability Analysis of Hybrid PV/Diesel/ESS in Ship Power System. Inventions, 1(1), 5. https://doi.org/10.3390/inventions1010005
 
         
                                                

 
       