Abstract
Boron carbide is known as a hard material; it possesses a unique complex of physical-mechanical properties and has diverse applications in industries. An expansion of its field of uses stems from the creation of boron carbide matrix nanocomposite materials. In view of this perspective, an effective liquid-charge synthesizing method for their components in nanopowder form has been proposed. This paper provides a focused review on advanced boron carbide matrix ceramic and metal-ceramic nanocomposites recently obtained by the authors using this method. Particular attention is paid to the characterization of boron carbide nanocomposites, including some ceramic borides, metallic alloys and also other metal-ceramic composites.
1. Introduction
Boron carbide, with the approximate chemical formula B4C, is one of the ceramic materials most successfully and frequently used in industry. This wide range of uses is related boron carbide’s unique combination of physical-mechanical properties: high elasticity modulus, high ballistic resistance, high hardness, heightened wear resistance in extreme conditions, low density, etc. It is worth mentioning that among the hard materials used in practice, boron carbide possesses the highest hardness-to-density ratio.
However, products and goods made from pure boron carbide cannot be used as parts in some engines that require materials combining high hardness and wear resistance with heightened impact strength, good thermal conductivity, and related dimensional steadiness against the thermal shock. This is due to the brittleness and relatively low fracture toughness characteristic of boron carbide. To satisfy the requirements of modern technologies, the performance parameters of boron carbide, including sintering ability, bending strength, electrical conductivity, etc., must be improved.
In the last decade, studies have proved that the majority of these disadvantages can be overcome by introducing ceramic or/and metallic nanoadditives (borides, carbides, oxides, metallic alloys, etc.) into the nanostructured boron carbide matrix. To this end, ceramics for boron carbide matrixes are commonly obtained from commercially available precursor/component powders; they are mechanically activated by milling and high temperature reactive pressing.
Recently, instead of these energy- and time-consuming processes, authors have proposed a method of synthesizing the matrix, components and composite nanopowders at moderate temperatures from corresponding liquid-charges for nano boron carbide based compositions with some ceramics (titanium (TiB2) and zirconium diborides (ZrB2)), metals (binary alloys copper–manganese (Cu–Mn) and copper–titanium (Cu–Ti), and ternary alloy cobalt–nickel–titanium (Co–Ni–Ti)), and both ceramics and metal-ceramics (titanium (TiB2) and zirconium diborides (ZrB2), tungsten carbide–cobalt (WC–Co), and some related compositions) as additive phases. It has been suggested to compact them using the SPS (Spark Plasma Sintering) method, which, unlike the hot pressing, allows the ceramics/metal-ceramics to be obtained in a relatively short time period; this method also avoids sharp growth in the grains’ initial size. The SPS method provides the almost simultaneous chemical reaction of components, obtaining preceramic precursors for intermediate compounds and formation of target material.
Detailed results of boron carbide matrix nanocomposites obtained using the liquid-charge technology are published in research papers [1,2,3,4,5,6,7,8,9,10,11,12], conference reports [13,14], and reviews [15,16,17,18,19,20,21,22]. This approach reveals a potential for both patenting [23] and commercialization.
This paper aims to provide a focused review of advanced boron carbide matrix ceramic and nanocomposites obtained using the liquid-charge synthesis method. In addition, it reveals the prospects of further development in field of boron carbide matrix nanocomposites with improved key physical-mechanical characteristics, in particular microhardness and fracture toughness. In view of their significant reliance on the load applied when these parameters are measured, here we determine it to be 10 g for 15 s for all the microhardness and fracture toughness values (values are provided below). They are obtained as average of ~10 measurements with a relative error (estimated as the average absolute deviation from the measurements average value) of ~5%.
For comparison purposes, we begin this paper with a short overview (not including citations already given in our previous reviews [15,16,17,18,19,20,21,22]) of other methods of synthesizing boron carbide matrix composite materials.
2. Synthesis of Boron Carbide Matrix Composites—Overview
2.1. Synthesis of Boron Carbide Matrix
2.1.1. Synthesis from Elements
Based on experiments on stoichiometric boron carbide B4C synthesis from constituting elements (amorphous B (96.0%, 11 μm) and petroleum coke C (99.4%, 14 μm)), a mixture with a B:C ratio of around 4:1 and a treatment temperature of 1850 °C was found to be optimum [24]. Increasing boron content in the charge could result in the boron rich phase (B8C, in addition to B4C) formation. The experiments revealed that this mixture is not effective in reducing the free carbon inclusions in the final product. Hot pressing of this material at optimum operating parameters allows pellets with a density of ≥95% relative to B4C theoretical density to be obtained.
Elements B and C could form carbon-rich compound BC5 as well. Recently, a boron-substituted amorphous graphite network (BC5) was generated theoretically using a first principles MD (Molecular Dynamics) simulation [25]. This material is a solid solution with small number of homopolar (B–B) bonds; it is structurally different from the BC5 crystals/monolayers proposed earlier.
Optimal values of some technological parameters for synthesizing boron carbide from its elements were determined by varying the process conditions, including pressure (2–5 GPa), temperature (1400–2000 °C), and the relative concentrations of the reactants [26]. The formation temperature of a stoichiometric amorphous mixture of boron and carbon was compared to that of beta-rhombohedral boron mixtures with amorphous carbon/graphite; this comparison detected the temperature’s dependence on the reactants chosen and pressure applied. In boron carbide synthesized directly from elemental B and C, carbon concentration is affected by pressure. Temperature cycling reduces the boron carbide formation temperature. The alpha-rhombohedral boron, serving as an intermediate phase, was detected before the formation of the final product.
2.1.2. Carbothermic Reduction
Frequently, preparation of boron carbide from its oxide is conducted via the reduction of boron in the presence of carbon. A method of carbothermic reduction developed in [27] used commercially available boric acid as per the following reaction: 4H3BO3 + 7C → B4C + 6H2O + 6CO; this reaction required a starting temperature of >1500 °C for the formation of boron carbide. Generally, these processes are conducted at temperatures between 1900 and 2500 °C. The lumps of B4C, with sizes between 80 and 100 mm, obtained from this process were milled to a fine powder; the powder required further purification to remove the only partially-reacted charge and other contaminants related to the particles’ size reduction processes. Boron carbide powder processing in aqueous media was conducted using hydrochloric acid; this acid is able to dissolve the impurities. The hot pressing method was chosen to compact the material into pellets. Their density was a function of temperature, pressure, particles size, and pellet length-to-diameter ratio.
Study [28] presented process to produce boron carbide enriched in boron 10B isotope for use as control rods in PFBR (Prototype Fast Breeder Reactor).
A more sophisticated carbothermal reduction method [29] is comprised of 4 steps: (I) A liquid precursor formed using a carbon source; (II) A powder precursor formed using a previously formed liquid precursor; (III) Pyrolysis of the already formed powder precursor; and (IV) Carbothermal reduction of the pyrolyzed powder. The boron source introduced during the reduction process yields boron carbide in powder form.
In general, for boride powders synthesis, the carbothermal reduction of boron oxide (B2O3) is one of the most important processes. In light of this, a boron carbide powder low-temperature synthesis method was developed [30]; this method focused on preparation by carbothermal reduction from boric acid (H3BO3) and organic compounds containing hydroxyl groups: glycerol, mannitol, and PVA (PolyVinyl Alcohol), among others. Dehydration condensation of boric acid with a polyol formed a borate ester bond. Thermal decomposition of this mid-product was performed in air to check the stoichiometric ratio (C:B2O3) required. A nm-scale B2O3–carbon structure was detected. The formation of boron carbide at a lower temperature (about 1200 °C) in argon flow can be accelerated by improved dispersibility and microstructure homogeneity.
From activated hazelnut shell carbon and boric acid, boron carbide was prepared [31] using two versions of a carbothermic reduction at 1400 °C; these versions were produced using untreated hazelnut shells and sulfuric acid treated hazelnut shells, respectively. Grain sizes were 7 and 30 nm, respectively. It was concluded that hazelnut shells can serve as a source of C when synthesizing boron carbide fine-dispersive powders.
2.1.3. Combustion Synthesis
According to the study [32], which examined the effect of combustion synthesis process conditions on the boron carbide μm-powder product quality, for the reaction 2B2O3 + C + 6Mg = B4C + 6MgO, the adiabatic temperature should be 2475 °C and the self-propagating reactions can occur spontaneously. In addition to B4C, the product largely contains MgO and Mg3B2O6. However, the hydrochloric acid leaching process effectively removes these impurity phases. The improvement of B2O3 caused the increase of Mg3B2O6 content in the product; however, it had no significant effect on particle size. The improvement of Mg content caused the increase of MgO content. When Mg exceeds 5–15%, the product size has a minimum value.
2.1.4. Synthesis from Polymeric Precursors
Boron carbide was synthesized from boric acid (as a boron source), different polymers (glucose and PVA), and corn starch for carbon source [33] by modifying the carbothermal process, using a flow of reduced hydrogen. Boric acid aqueous solution in the presence of the polymer forms a stable gel with a pyrolysis temperature of 350 °C. The pyrolysis product is calcined at 600–900 °C for 2 h. When magnesium sulfate was added into the initial mixture, it promoted the reaction and increased the amount of boron carbide powder with sub-μm sizes in final product.
The drop-wise introduction of boric acid into the PVA solution under hot (~80 °C) stirring was proposed in [34]. Extracting the gel-like PVBO (PolyVinyl BOrate) precursor, which was formed on the reaction mixture surface, controlled the reactive condensation process. By combining the gel solution, viscosity and concentration decreased and the reactants’ interface increased, resulting in nm-scale dispersion of the obtained C–B system. After drying the PVBO precursor by pyrolysis in air for 2 h at temperature of 650 °C, the C:B2O3 molar ratio was controlled at 2.9–3.1; this is less than the stoichiometric ratio of 3.5. After additional high-temperature treatment (at 1400 °C for 4 h) in argon, boron carbide nanopowders were synthesized. The nanocrystals revealed high chemical purity and structure with semi-equiaxed grains and fiber shape.
The use of a polymeric precursor, particularly PVBO, in the synthesis of boron carbide should be considered as an alternative to the carbothermal reduction method, as it promises the lowering of energy consumption and production costs. For synthesizing boron carbide at relatively low temperatures (<1800 °C), the sol–gel technology seems to be preferable in the production of polymeric precursors. An industrial grade, partially hydrolyzed PVA, together with a technical grade boric acid, was used [35] to produce PVBO. Mixtures with a ratio of PVA:H3BO3 ≈ 1:1 were found to have the optimum values of parameters, including pH and viscosity. To produce a reactant consisting of boron oxide B2O3 and C-matrix, in which B2O3 is distributed on the nm-scale level, the calcination process was performed for 1–3 h at temperatures of 500–700 °C. After additional heat treatment (5 h at 1400 °C), boron carbide crystalline particles with both polyhedral and irregular shapes were formed.
To synthesize B4C by reaction between boric acid (serving as a boron source) and a polymer from the saccharide family (serving as a carbon source), glucose, sucrose, and cellulose were examined for mono-, di-, and polysaccharides, respectively [36]. The material was prepared by the pyrolysis of corresponding mixtures and synthesis at 700 and 1500 °C. Glucose was found to be the best carbon source: the sample prepared from glucose and boric acid contained more B4C and fewer hydrocarbons.
2.1.5. Solid State Reactions
High-purity nano-plated boron carbide powders can be synthesized in air using solid state reactions between boric acid and PVA at temperatures between 200 and 250 °C [37]. The obtained PVBO, as a mid-product, was either pyrolyzed in air for 2 h at 700–800 °C or ground and heat treated for 2 h at 250 °C and then pyrolyzed in the same way. Both kinds of pyrolyzed samples were treated at high temperatures (1375–1475 °C) in argon flow for 2 to 3 h. The higher purity B4C was obtained using the second method. When compared to standard commercial methods, this approach is more cost effective.
A SRPP (Solid-state Reaction-Pyrolysis Process) of PVA and boric acid for the synthesis of boron carbide was developed in study [38]. PVA and boric acid, in a molar ratio of 4:1, were dry-mixed, solid-state reacted by heating at 200–250 °C in air, and then pyrolyzed at 700–800 °C in air to obtain preceramic precursors. Varying the holding time at 250 °C between 2.5 to 3.5 h affects the product purity. When the preceramic precursors were ground and heat-treated in argon flow for 2 h at 1475 °C, the highest purity nanosized boron carbide powder was synthesized.
2.1.6. Synthesis via Aerosol Method
Sub-μm size boron carbide particles were synthesized [39] using the aerosol (or spray) pyrolysis method with a precursor solution containing boric acid and sucrose in a reactor with an argon atmosphere at a temperature of 1550 °C. The collecting location was found to affect the morphology and crystal structure of the particles.
Aiming for the development of 1D nanostructures with unique properties for electronic and photonic applications, paper [40] reported the green (at low temperatures) synthesis of boron carbide nanowires (with length and diameter of 750 and 14 nm, respectively) by using castor oil for carbon precursor. The synthesized nanowires exhibited the morphology of a beaded chain.
2.1.7. Synthesis via Calcinating
Obtaining a high yield of boron carbide in powder form with uniform particle size can be conducted by means of precursor processing and the control of handling conditions. In [41], a precursor gel was prepared by dissolving boric acid and sucrose in water. Then, the boron carbide product was formed by drying, pre-treatment at 550 and calcination at 1400 °C. Optimized conditions for synthesis were determined. With exposure to a humid environment, boric acid dehydration leads to water adsorption and causes morphological changes. In much the same way, rehydration causes a loss of contact surfaces between reacting components containing B and C, thereby decreasing the boron carbide yield but increasing the residual carbon content. Reactant dispersion is also shown to influence boron carbide morphology. It was concluded that the difference between boron oxide and boric acid components in powder precursors is essential in order to control the boron carbide synthesis. In the precursor powders post-pre-treatment, it is desirable to retain the amorphous boron oxide phase. By minimizing the conversion of B2O3 to H3BO3 through inert handling of precursor powders, a yield increase of 15% of boron carbide powder with uniform particles size was achieved.
2.1.8. Synthesis in Plasma
A method of synthesizing B4C coatings using a RF (Radio Frequency) plasma source [42] is based on sputtering the cathode material using high energy Ar ions. When forming plasma in magnetic field, electrons drift in oscillating motions; this allows plasma formation at pressures of 10−2 to 10 Pa. Tribological tests of μm-thick boron carbide coatings on steel substrates revealed the optimal parameters for the deposited coating of boron carbide on high carbon steel (3.0 µm) in order to provide improved tribological properties, increase in working surface wear resistance, and reducing the mating part wear. As for the physical-mechanical characteristics, nanohardness was of 14.0–16.6 GPa, and B4C coatings had 1.73–3.89-times higher hardness in comparison to steels.
2.2. Synthesis of Component Phases
2.2.1. Titanium and Zirconium Diborides
According to the critical evaluation [43] of boron compounds, in particular the synthesizing methods for transition metal diborides, a viable production route is the carbothermal reduction of the oxides of corresponding metals. This method may become the primary method for the industrial synthesis of diboride powders.
Chemical reactions-based synthesis processes are considered to be powerful tools due to their ability to provide tailored particle sizes and chemical purity for diboride powders. The choice of synthesis method should be based on a balance between several key factors, including, on the one hand, particle size, chemical purity, and production costs, and, on the other hand, expected performance characteristics for applications.
For example, nanocrystalline HfB2 powders were obtained [44] at a temperature of 1100 °C using the so-called molten salt method in the KCl–NaCl salts system with boron and hafnium dioxide serving as precursors. The synthesized powder materials exhibited morphology with irregular polyhedra and a single-crystalline structure (with particles size of 155 nm). At 500–800 °C in air, hafnium diboride powders synthesized in this way oxidized and, consequently, increased in weight. The kinetic process followed the O-diffusion in the surface layer of the particles.
In [45], a chemical approach was presented that yielded titanium diboride nanostructures in one pot. Under ambient conditions, those TiB2 crystals are found to be able to undergo complete dissolution in an H2O2 mild aqueous solution. In the process of recrystallization, nanostructures of Ti–O and B–O functional groups with a sheet-morphology were formed. After filtration in a vacuum, these aqueous dispersion nanosheets were converted into hierarchical paper-macrostructures.
A two-stage SHS (Self-propagated High-temperature Synthesis) method was used [46] to synthesize B4C–TiB2 composite nanopowders. First, the component powders were synthesized separately using magnesium powder as reductant agent. A molar ratio of TiO2:B2O3:Mg:C = 1:3:12:1.6 was found to be optimal to produce a composite. A hydrochloric acid leaching process was conducted with the addition of carbonic acid to effectively remove titanium dioxide traces. The highest chemical purity of B4C–TiB2 nanocomposite could be obtained near the 1:1 stoichiometry.
Using powder borothermally synthesized from high purity boron and zirconium dioxide, zirconium diboride was hot pressed at 2000 °C [47] to a relative density of 95% with a grain size of 8.8 µm. Flexural strength and fracture toughness measured at room temperature were 447 MPa and 2.3 MPa·m1/2, respectively. Flaws controlled the high-temperature (>1800 °C) strength.
The mechanical response of dense laminates consisting of zirconium diboride (~145 µm) and graphite (~20 µm) layers was studied in [48]. Layers were obtained by pressing starting powders and thermoplastic polymers mixtures into sheets. At room temperature, these laminates exhibited flexure strength of 260 MPa and inelastic work of fracture of 0.6 kJ/m2. Fracture cracks were detected in the interface between the strong zirconium dioxide layers and the relatively weak C–ZrB2 layers. These can increase the fracture inelastic work by more than an order of magnitude when compared with conventional zirconium diboride based ceramics.
B4C–TiB2 and B4C–ZrB2 composite particles were synthesized in situ [49] from precursor solutions based on boric acid and sucrose with the addition of Ti ethoxide or Zr oxynitrate, respectively. These reactions were conducted at a temperature of 1650 °C for 1.5 h under argon and hydrogen flows, respectively. The synthesized TiB2 component particles were hexagonal platelets; the corresponding B4C particles possessed polyhedral shapes. Meanwhile, the composite powders synthesized from the Zr-based precursor were comprised of ZrB2 and B4C polyhedral particles, with equiaxed and slightly elongated shapes, respectively. Increasing the metal (Ti and Zr) content in the precursor decreased the boron carbide crystalline lattice constants and unit cell volume. These results revealed the relatively low solubility of C in TiB2 and ZrB2 solid phases.
2.2.2. Tungsten Borides and Carbides
Hardness in relation to stability for borides with high tungsten content was explored in [50] for separated borophene layer structures built by W-atoms. Under the parameter of small values of x, compounds of composition WB3+x revealed Vickers hardnesses up to 40 GPa. Extra B atoms introduced into WB3 form boron (quasi)planar structures that are less tightly bounded with the neighboring layers of tungsten; this is to the detriment of its hardness. At high boron contents (x ≈ 1), unstable (softer) structure WB4 grow; these are seemingly built of boron (quasi)planar sheets separated by the layers of graphitic tungsten. Formation of tungsten vacancies yields a different type of structure; for example, W0.75B3+x has a Vickers hardness that is comparable in value to the load independent structure (>20 GPa). It is also less sensitive to the boron content variations.
The possibilities of binderless ultrafast electric current- or pressure-assisted sintering of tungsten carbide were studied in [51]. In combination with uniaxial pressure, a limited voltage in the AC (Alternating Current) regime was used the compact WC powder. A die made of a thermal insulating ceramic makes it possible to conduct an ultrafast heating (104 °C/min) process; this rapidly transforms the powder compact from a negative resistivity-temperature dependence to a positive one. It induces a thermal runaway effect related to an ultra-rapid increase in temperature and massive dissipation of the electric power, thus leading to fast sintering. At an optimal pressure of 4 MPa, pure tungsten carbide of composition WC can be sintered up to 95% in less than 10 s. A longer sintering time, despite a significant consumption of electric power, can only slightly improve this density. At higher pressures, the final product density starts to decrease.
Composite tungsten boride–tungsten carbide powders synthesized in situ using a MCP (MechanoChemical Processing) method were tested [52] on the quaternary powder system WO3–B2O3–Mg–C. Its raw blends were processed for 8 to 24 h in a high energy ball mill. The products of the mechanochemical reaction needed to be purified using a hydrochloric acid solution in order to eliminate the magnesium oxide by-product. Across all the stoichiometries of reactant materials and reaction times, both boride and carbide phases were detected as the main products. For the 8 h processed stoichiometric powders, total amounts of the boride and carbide phases were estimated at 79.8 and 20.2wt.%, respectively. The total amount of tungsten boride decreased as the MCP treatment time increased. Some of additional phases (W2B, W2C and B4C) were detected when the processing period increased to more than 12 h. The addition of B2O3 to 200wt.% increased the B:W ratio and the total share of tungsten boride phases in the synthesized powders. In addition, the introduction of 200wt.%C increased the boron carbide content and formed the W2C phase.
2.2.3. Cobalt-Containing Components
The colloidal particles of an amorphous alloy of boron with mesoporous cobalt were synthesized for the first time in [53]; this process used an assembly method of the directed soft template. In order to precisely control the cobalt–boron nanospheres chemical reduction, dual reducing agents were used.
Hard WC–Co composites usually possess a low toughness. To solve this problem, a strategy to develop the nanocomposites technologically using an amorphous compound powder for the row material was suggested [54]; this consisted of competing sintering-densification, carbonization, and crystallization processes. Nanocrystalline WC–Co obtained in this manner had a significantly higher ratio of grain- and phase-boundaries interfacial coherency when compared with the ratio in the conventional composites. Corresponding formation mechanisms of coherent grain boundaries in WC, twinning boundaries in Co, and semi-coherent step-like phase boundaries in WC–Co system were demonstrated to be of atomic scale.
A hard metal alloy of tungsten carbide containing 6wt.%Co was investigated [55] before and after irradiation with 132Xe ions with energy of 167 MeV. The initial surface of the non-irradiated pristine material is graphite-matrix, in which highly oxidized W-atoms are spread. Irradiation breaks the W–O bonds for highest fluencies (5.00 × 1013 and 3.83 × 1014 ion/cm2); this leads to the total deoxidation of the surface. Irradiation makes the surface carbon phase amorphous; increasing its dose leads to the so-called up-and-down trend in carbon cluster sizes. For the basic phase, the obtained material serves as the δ-WC. The transformation process of irradiation-induced point defects into linear ones in the form of dislocation intensifies at higher irradiation doses. However, no phase transitions were detected at applied doses.
2.3. Consolidation of Composite Powders
2.3.1. Low-Temperature Sintering
It is both desirable and quite challenging to sinter ceramic materials at relatively low temperatures. This is particularly true of carbides. Study [56] attempted this process for boron carbide (B4C) at 1000–1400 °C. This approach produces B4C nanoparticles from some organic precursors in a liquid state (e.g., glycerol or boric acid) in order to sinter them using an in situ carbothermal reduction. Enhanced diffusion and densification are expected as a result of this method. The formation of B4C nanoparticles was confirmed. However, losing the material during the chemical reactions and a lack of pressurization allowed limited densification. The relative densities obtained are too low (57.7–62.8%) but are comparable with those densities obtained by pressureless sintering, a process that requires significantly higher temperatures (>2000 °C).
2.3.2. Pressureless Sintering
To understand the effect of transition metal oxides on boron carbide-based ceramics, boron carbide/metal diboride B4C–MeB2 (with Me = Ti, Zr, Nb, and Ta) multiphase samples were prepared [57] using in situ pressureless sintering of the B4C–MeOx powder mixture at 2250 °C. The ceramic matrix was influenced in different ways by different metals. Tungsten carbide doped during the ball milling contained the inclusions of (Me,W)B2 and W2B5 phases produced in this process. This doping does not only modify the morphology of the material, but also changes material’s performance. The sample with Ta2O5 added exhibited the best performance characteristics. Its elastic modulus, flexural strength, Vickers hardness, and fracture toughness were 312, 16.3, 0.313 GPa, and 6.08 MPa·m1/2, respectively. In general, mechanical properties were better than for those with an added 5wt.% of second phase.
Highly compacted B4C–SiC–TiB2 composites were manufactured [58] from B4C and TiSi2 raw materials using pressureless in situ reactive sintering. At <1400 °C, reactions between TiSi2 and C and B4C and C form TiB2 and SiC, respectively. Impurities present in a sintered mixture can enhance the densification by forming liquid multicomponent eutectics. For composites with a 30wt.%TiSi2 phase sintered at 2200 °C, relative density, hardness, and fracture toughness were 97.2%, 27.9 GPa and 3.8 MPa∙m1/2, respectively. In composites with differently sized TiB2 phases, fracture mode refers to the coexistence of inter- and transgranular fractures in the crack propagation direction. The presence of high toughness SiC phases causes the composites to toughen and causes stepped fractures in the TiB2 phase.
Zirconium diboride-based nanopowder ceramics (with and without boron carbide and/or pure carbon additives) were obtained [59] by ball milling in a ZrB2 medium followed by pressureless sintering. The ZrB2 powders were combined with up to 1wt.%nano-B4C and 0.5wt.%C. Sintering was conducted for 1.5 to 7 h at 1800 to 2300 °C in a hydrogen and argon atmosphere. After 1.5 h of sintering the material with 0–1.0%nano-B4C additive at 2200 °C, the obtained densities were 88.3–90.7%. After 1.5 h of sintering the material at 2100 °C with 0.5wt.%C and nano-B4C from 0 to 1.0wt.%, the obtained densities were 90.9–91.9%. In the first case, the additive increased the grain size from 16.6 to 21.7 μm; in the second case, the grain size decreased from 25.4 to 18.5 μm.
2.3.3. Hot Pressing
Using a hot pressing method at a temperature of 2000 °C and pressure under 35 MPa, dense B4C–30vol.%TiB2 composites were prepared [60] from B4C powders with a particle size of 0.5–35.8 µm. During sintering, the grains of both components grew; each type had a pinning effect on the other’s grain growth. When the B4C powders were sufficiently coarse, the TiB2 grains tended to grow parallel to the direction of applied pressure. Among the obtained composites, the finest and most homogenous structures were synthesized from B4C powder with a particle size of 7.09 µm. The corresponding (optimized) mechanical properties were Vickers hardness and flexural strength of 30.0 and 0.754 GPa, respectively, and a fracture toughness of 5.23 MPa∙m1/2.
The ways in which particle size of TiC powder influences the microscopic structure, phase composition, and physical-mechanical characteristics of B4C–TiB2 composites were analyzed after they were sintered using reactive hot pressing of TiC–B mixtures [61]. Single grade amorphous boron powder (0.9 μm) and different (50, 800 and 3000 nm) TiC powders were used as starting materials. Samples obtained from 50 and 3000 nm powders had higher hardness of ~30 GPa despite having finer microscopic structures. The composite prepared from the tungsten carbide 800 nm powder revealed the coarsest structure; despite this, it had the best strength value (659 MPa). This is mainly due to the homogenous distribution of phases without carbon impurities.
Various boron carbide–titanium diboride compositions can be obtained by the reactive sintering of boron–titanium carbide powder mixtures. However, because of the possibility of spontaneous oxidation of TiC–B raw powders, powder mixtures with molar ratio of B:TiC ≈ 6:1 were introduced during the sintering process as the intermediate phase deteriorates the composite’s hardness. The microstructure, phase composition, and final mechanical properties of B4C–TiB2 composites, which were obtained during the process of reactive hot pressing of TiC–B powder mixtures, can be affected by the excess of boron [62]. In boron-rich boron carbide and its composites (BxC–TiB2 with x > 4), lattice expansion occurred. The increase in boron content improved the materials’ hardness and fracture toughness, but decreased their flexural strength values. When the molar ratio of B:TiC increased from 6.6:1 to 7.8:1, the Vickers hardness and composite fracture toughness of 26.7 GPa and 4.53 MPa∙m1/2 were enhanced to 30.4 GPa and 5.78 MPa∙m1/2, respectively. Greater hardness can be attributed to the improvement in microstructure, while the toughening mechanism related to crack deflection, bridging and branching.
Composites of TiB2–B4C were prepared by hot pressing (35 MPa) at 1900 °C [63] using TiB2 and B4C as raw materials. The content of boron carbide in a TiB2–B4C composite powder charge and the resulting particle size affects the final product. Phase composition, relative density, microstructure, and mechanical properties were investigated for 0, 10, 20, 30vol.% and 0.50, 3.12, 7.09 µm, respectively. When 0.50 µm B4C powder was used, more B2O3 was produced. As a result, it coarsened the composites and induced the growth of TiB2 grains. With sizes of boron carbide raw powders at 3.12 and 7.09 µm, composites with a 20–30vol.%B4C were obtained. They could be fully dense. The TiB2–30vol.%B4C composition prepared from 3.12 µm of boron carbide powder had optimal mechanical properties. Bending strength, Vickers hardness, and fracture toughness were equal to 671 MPa, 27.9 GPa, and 3.91 MPa·m1/2, respectively. The excellent performance of the material should be attributed to its homogenous and fine microstructure.
A hot pressing (at 1950 °C) method was applied [64] to fabricate dense B4C–WB2 composites using B4C and WB2 as raw materials. The 68.7vol.%B4C–WB2 composites obtained in this manner demonstrated a good set of physical-mechanical properties, including superior hardness (34.8 GPa), high flexural strength (696 MPa), and acceptable fracture toughness (3.3 MPa∙m1/2). The flexural strength value primarily resulted from the pinning of preferentially oriented strip shape WB2 grains and clean grain interfaces between the B4C and WB2 phases. The toughening mechanism was related to interfacial residual stress; this is induced by the TEC (Thermal Expansion Coefficient) mismatch between components. In addition, the B4C–WB2 composites demonstrated low density (5.6 g/cm3) and good electrical conductivity (3.3 × 105 S/m).
2.3.4. Spark Plasma Sintering
A chapter of book [65] is devoted to SPS materials, classified into boride, boride–boride, carbide, boride–carbide, and entropy stabilized boride UHTMs (Ultra-High-Temperature Materials); it discusses the effect of each on their SPS. Another chapter [66] aims to describe synthesis the titanium-based materials, which are of special interest.
Dense B4C, with a theoretical density level of 95.0–98.6%, obtained using SPS in an argon/nitrogen atmosphere was tested [67] at both room temperature and 1600 °C in order to estimate flexural strength. Differently consolidated samples showed an almost similar grains size (<4 μm) and bending strength (300–600 MPa) at room temperature. These differences are due to some secondary phases formed during the SPS process. They can modify the mechanical properties of the material within certain trends and are generally independent of the applied technologies and small amounts of introduced additive materials. Room temperature Vickers hardness increases, while room temperature bending strength and ratio of high and room temperature bending strengths decrease at higher fracture toughness. Two regions with low and high fracture toughness, respectively, were detected; they were delimited by the value of 4.1 MPa∙m1/2.
To sinter pure boron carbide, even with an SPS-type technology, one requires an extremely high-temperature (>1800 °C) treatment. In [68], an SPS process using boron carbide was conducted at relatively low temperatures; this was due to the use of a sintering additive in the form of a boron–titanium reactive mixture. Powders of boron and titanium with an atomic ratio of 2:1 after milling for 8 h were added to boron carbide powders in three different proportions: 5, 10 and 20wt.%. Further milling for 4 h improved powder dispersion. The dense compacts of boron carbide composites were prepared at 1400 °C using the SPS method. Their microstructure had no pores and contained boron carbide grains surrounded by fine grains of (Ti0.9W0.1)B2 and W2B5 phases; these were related to tungsten carbide contamination. When the boron–tungsten additive increased from 5 to 20wt.%, the SPS activation energy decreased from 234 to 155 kJ/mol. The maximum Vickers hardness (3225 HV) was obtained at 5wt.% boron–tungsten additive in a boron carbide-based composite.
In [69], boron carbide and its different compositions with titanium boride were compacted using SPS. Pure B4C, B4C–13vol.%TiB2, and B4C–23vol.%TiB2 were consolidated up to ≥99% of the theoretical density without any additives for sintering. No residual phases (e.g., free carbon in form of graphite) or an excessive growth in grain sizes related to the long sintering time was detected. The composition B4C–23vol.%TiB2 can be considered as optimized if a low density of ~3.0 g/cm3 is targeted. This material showed an increased hardness, bend strength, and fracture toughness of 30–35%. Stated improvements in the material physical-mechanical properties could be associated with following factors: (a) no residual free carbon (graphite) were present; (b) micro-cracks that arose at interfaces toughened the material (differences between component’ TECs place the boron carbide matrix in compression, while the titanium diboride phase is in tension); and (c) titanium diboride aids in crack deflection and, therefore, enhances the inter-granular fracture. It can be concluded that titanium diboride introduced into the boron carbide matrix plays a role in the strengthening/toughening phase.
As a result of reactive SPS of boron carbide together with titanium dioxide and carbon black powders mixed in a vacuum at 70 MPa and 1800 °C, a boron carbide-based composite material containing 10vol.% of titanium diboride was synthesized [70]. The central part of a sample is significantly overheated due to the combined influence of in situ chemical reactions and electric current flow; meanwhile, there is no overheating when non-reactive SPS occurs. Titanium diboride possesses the lowest electrical resistivity. This is why the titanium diboride phase produces a significant Joule heat, thereby increasing the temperature of the boron carbide phase during the SPS process. This heating induces the partial decomposition of the boron carbide, which subsequently forms separated boron in a gaseous state and free carbon in the form of graphene platelets. A homogenous and dense graphene free material was obtained when an insulating aluminum oxide paper was introduced into the reactive SPS. The primary advantage of such an isolated SPS in comparison with standard SPS process is that it achieves a uniform distribution of the titanium diboride fine grains.
The possibility of obtaining titanium diboride–boron ceramics by SPS using available raw powders was reported in [71]. A boron carbide phase developed in process of consolidation at 1900 °C; this was driven by chemical reactions. The boron carbide grains formed in this manner were located at both the titanium diboride grain junctions and their triple point. Finally, both a titanium diboride covalent and a stiff skeleton were formed. When such a boron-based ceramic composite contained 10wt.%TiB2, its room temperature flexural strength reached 910 MPa; at 1600 °C, it reached 1105 MPa. The latter seems to be the highest value previously reported at 1600 °C for non-oxide ceramics. At 1800 °C, this parameter rapidly decreases to 480–620 MPa. This was confirmed by the increased number of grains cavitated after testing the flexural strength.
In B4C–TiB2 hierarchical composites, eutectic particles were reinforced with Ti as a result of SPS [72]. Ceramic specimens with a bi-continuous macrostructure contained 20, 30, and 40wt.% titanium formed by regions rich with titanium and particles of eutectic composition. The material obtained using this method was brittle. Its maximum bending strength (300 MPa), achieved at 30wt.%Ti, exceeded that of a reference material prepared using SPS of the directionally solidified eutectic powder. Increasing the titanium content yielded the highest bending test displacement; this seems to be related to the higher fracture toughness. The composite was toughened and strengthened simultaneously. Locally, at titanium-rich regions, eutectic B4C–TiB2 particles interfaces (pull-out inter-granular mechanism of fracturing) were detected. This primarily involved one-dimensional grains from the Ti–B system. Such a local—microscopic mechanism in combination with similar macro-mechanism for titanium-rich component eutectic grains was considered to be important for the anchoring/bridging behavior that caused the toughening/strengthening processes.
The SPS process of the TiB2–TiC–SiC composite can be affected by iron alloys containing nickel [73]. To reduce the temperature of sintering, casts of such compositions were prepared with iron–nickel alloy additives. Specimens were sintered directly from components or by combining their synthesis with sintering during the SPS process. Fe–Ni additives make it possible to sinter these composites at lower temperatures. In addition, they reduce the material porosity, as the size of alloy grains between that of the composite and the Fe–Ni alloy grains can fill the gaps between matrix crystallites. A matrix without gaps was obtained by SPS at 1550 °C. The introduction of the Fe–Ni alloy lowered the sintering temperature to 1200 °C.
In situ synthesis/consolidation of B4C–TaB2 eutectic composites by SPS was reported in [74]. The properties’ dependence on the B4C–TaB2 eutectic microstructure composition was determined as function of the TaB2 phase content and inter-lamellar spacing between different components. The fracture toughness maximum (~4.5 MPa∙m1/2) was clearly detected among samples of eutectic composites when the inter-lamellar spacing is 0.9–1.1 μm. At hyper-eutectic composition, e.g., 40mol.%TaB2, composites exhibited lower hardness (~25 GPa by the Vickers scale) but higher values of the (indentation) fracture toughness (up to 4.9 MPa∙m1/2); this is in comparison with eutectic composites containing 30–35mol.% of TaB2. In study [75], a simple and quite effective method was suggested to obtain diborides Zr1/3Hf1/3Ta1/3B2 in a ternary medium entropy solid solution. A single phase medium entropy ceramic was prepared from a commercial powder of diborides with an equimolar ratio using SPS consolidation conducted over 1 h at a temperature of 1927 °C. Room temperature fracture toughness and flexural strength were found to be 2.9 MPa∙m1/2 and 318 MPa, respectively.
The effect of cobalt addition on the microstructure and physical-mechanical properties of SPS WC–B4C–SiC composites was studied in [76]. WC–B4C–SiC batches containing different amounts of cobalt (10, 15, and 20vol.%) were processed by SPS at 1400 °C. W2B5 and W3CoB3 phases were indicated, as well as free carbon traces and an unreacted silicon carbide phase. When the cobalt content increased, the W2B5 phase reduced and the W3CoB3 and C contents increase. Densities above 97% were detected for all tested compositions. However, density decreased to some extent as the cobalt content in the material increased. The maximal hardness (20.6 GPa), fracture toughness (10.3 MPa∙m1/2), and flexural strength (510 MPa) were obtained for the sample containing a lower amount of cobalt (10vol.%). Some structural effects, e.g., W3CoB3 and W2B5 particles’ pulling out and transgranular fracture in the SiC phase, were observed. Crack deflection in combination with microcracks in the SiC grains and W3CoB3 grains was suggested to be the dominant mechanism of the material toughening.
In the case of boron carbide-based ceramic composites, the standard SPS process is accompanied by long duration thermal treatment and the negative effects of the presence of a boron oxide B2O3 phase. To reduce these effects, reactive SPS technology was used [77] to prepare the nearly fully dense B4C–VB2 composites at 2000 °C, using B and V8C7 powders as raw materials. The degassing time was beneficial for venting B2O3 during the process of sintering; this promoted densification and the refining of grain size, resulting in the improvement if the ceramic composites’ mechanical characteristics. However, the redundant time of degassing increased the time required to hold the materials at high temperatures and the related abnormal grain growth; this resulted in deterioration of mechanical performance. The optimized degassing time was estimated to be 6 min. The product showed comprehensive performance together with a density of 99.2%, a Vickers hardness of 31.2 GPa, a bending strength of 654 MPa, and a fracture toughness of 5.7 MPa∙m1/2. The primary strengthening/toughening mechanisms were related to bridging structure and residual thermal stresses; these can be caused by the uniform distribution of fine dispersive boron carbide and vanadium diboride grains.
Boron carbide and BNNTs (Boron Nitride NanoTubes) composite ceramic series were synthesized [78] by SPS using boron carbide powders and BNNTs as the matrix and toughening phases, respectively. The mechanical properties of the final material could be significantly improved by increasing the sintering temperature, adding BNNTs, and changing the particles mean size. When 5wt.%BNNTs were added and the SPS temperature was 1750 °C, the obtained ceramic composites obtained their best mechanical characteristics (relative density of 99.41%, microhardness of 32.68 GPa, and fracture toughness of MPa·m1/2). For the B4C–BNNTs composite ceramic, the fracture toughness was 54.59% higher than that of pure (without BNNTs) boron carbide.
2.3.5. Electrical-Spark Deposition
A Ti6Al4V plate-like substrate surface was coated [79] with TiC–TiB2 composite electrodes ESD (Electrical-Spark Deposition) at different current frequencies and voltage drops. ESD can be considered as a micro-arc welding-type method that allows preparation of both metallic (i.e., conductive) alloys deposition and ceramic compounds on metallic surfaces using plasma that facilitates better melting of the metallic substrate and electrode. It also provides good adhesion.
2.3.6. Field Assisted Sintering
Toughening boron carbide samples without degrading of their hardness was achieved [80] in hierarchical structures produced from boron carbide micrograins, titanium diboride grains, and graphitic phases along boron carbide grain boundaries. These structures were built by co-sintering boron carbide micropowder with its carbon-rich nanopowder, titanium diboride formation, and by utilizing the short sintering time characteristic of so-called FAST (Field-Assisted Sintering Technology). Mechanisms of toughening observed after micro-indentation included crack deflection, graphite platelets delamination, microcrack related toughening, and crack deflection/bridging by titanium diboride grains. Toughening was achieved while nearly maintaining hardness. A hardness of 31.9 GPa and a fracture toughness of 4.65 MPa∙m1/2 were measured for a micro/nano B4C–TiB2composite (15vol.%B4C and 15vol.%TiB2 nano-powders) versus 32.5 GPa and 2.98 MPa∙m1/2 for a microcrystalline boron carbide sample serving for reference, respectively.
2.3.7. Plasma Spraying
Vanadium/iron borides/carbides (constituting ferrovanadium–boron carbide) coatings with a microhardness of 16.9 to 18.9 GPa were formed [81] during a plasma spraying process including the exothermic interactions between corresponding components.
2.4. Structure and Properties of Boron Carbides and Related Matrix Composites
2.4.1. Boron Carbide Matrix
The invincibility of imperfections in boron carbide can result in its bonding and structure [82]. Usually, boron carbide’s chemical formula is expressed as B4C. However, this material can accommodate a wide variation in carbon content, up to composition B10C, without changes in its basic structure. A systematic study of the bonding change mechanism in dependence of carbon content in the boron carbide structure revealed that when the concentration of C is reduced, B12-icosahedra exo-polyhedral B–C equatorial bonds become more engaged in multiple bonding; there is also reduced repulsion between these units surrounding the C-atom. Within ≡C–B–C≡ atomic chains, the shortening of bond lengths could be related to substantial π-bonding, while deficiency in the carbon concentration significantly weakens the σ-bonding. The ideal framework of boron carbide must expel electrons to maximize the bonding. Such partial oxidation inevitably leads to disorder in the boron carbide structure. Throughout the composition range, boron carbide is a semiconductor because the disorder yields the localization of states.
At C-content <13.3at.%, boron carbide is known as BvrBC (Boron-very-rich Boron Carbide).The atomic structures are not reported for the bonding complexity. For stoichiometry, B14C containing 6.7at.%C possible crystal structures are predicted in [83]. In the B14C unit cell, there is one icosahedral cluster B12 and one atomic chain C–B–B. That type of chain is either linear or bent, leading to two symmetrical space groups for the composition (B12)CBB. According to the bonding analyses, both of these structures satisfy the electron counting rule. The C–B–B bent chain structure has lower symmetry when compared to the C–B–B linear chain structure. Nevertheless, it leads to a more stable molar energy (0.315 eV/mol). The explanation for this is related to the difference in numbers of 3-center–2-electron or 3c–2e bonds; to be realized, C–B–B and C–B–B chains require only one bond or three bonds of this type, respectively. Under pure or biaxial shearing, the C–B–B linear chain is first converted into the C–B–B bent chain, and then the interactions between the C–B–B chains and the icosahedra deconstruct icosahedra. Consequently, only the C–B–B bent structure should be responsible for the failure of the B14C crystals.
The DFT (Density Functional Theory) study revealed [84] two different types of chain-like defects in boron carbide with an icosahedral structure: (1) vacancy V of the boron chain at its center; this is described by the formula (B11Cpolar)C–V–C, which is metastable at lower pressures, but at higher pressures, it leads to the discontinuous changes in volume converted into the state (B11Cpolar)C–C; and (2) the C–C bond formed in the defective chain (B11Cpolar)C–C is metastable at any pressure. However, in the presence of an interstitial B-atom, the energy barrier for the C–C bond formation was found to be high.
Amorphization of a superhard material induced by stress is usually caused by its failure. In single-crystalline boron carbide, the onset of amorphization related to shearing was experimentally detected [85] using nanoindentation and TEM (Transmission Electron Microscopy). In these nanoindentation load displacement curves, the loading discontinuity was dependent on rate or pop-in results from the nanosized amorphous bands formed via shear amorphization. Stochastic analysis reveals very small activation volumes of the pop-in events, slow nucleation, and shear amorphization low activation energy. These characteristics suggest that the structural transition taking place at high pressure is first activated and then initiated by nucleation of dislocations. Consideration of such dislocation-mediated amorphization is important for understanding the failure mechanisms in superhard materials at stresses far below theoretical strengths.
According to the flexural strength temperature dependence studied [86] for sintered boron carbide, this material shows an ultrahigh value exceeding 1 GPa; this is accompanied by the change of the brittle fracture deformation mechanism to plastic above 2000 °C. At strain rate of 3 × 10−3 s−1 and a temperature of >2000 °C, the amorphization observed in boron carbide plasticity is of microstructural origin and occurs inside of the severely deformed grains. Below 2000 °C, flexural tests revealed the formation of ordinary defects (dislocations or stacking faults). It seems that the tensile stresses imposed on the particular grains and the total strains transferred to the boron carbide sample during the deformation are dominant in the crystalline–amorphous transformation.
Within the pressure range of 30 to 40 GPa, changes to the boron carbide from opacity to its transparency mark the reversible high-pressure phase transition [87]. This phase transition is based on structural changes; specifically, carbon atoms exchange between icosahedral polar sites. These structural modifications are minor; as such they evade detection by X-ray and/or neutron diffraction methods. However, they are detectible in boron carbide phonon spectra. Peculiarities connected with the phase transition at ~33 GPa were seen both in Raman and IR (InfraRed) active phonon spectra. Their interpretation could be based on the close similarity of structures and, consequently, the phonon spectra of α-rhombohedral boron and boron carbide, as well as the isotopic shifts of B4.3C reference phonon peaks in different samples.
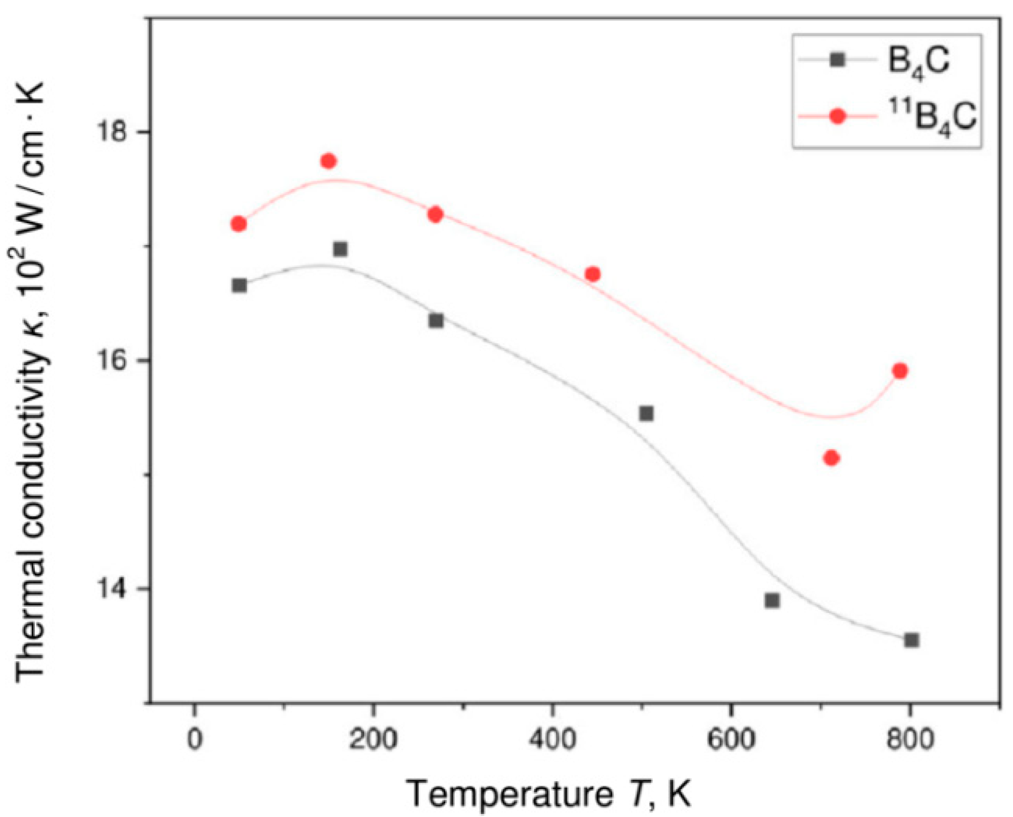
Polycrystalline boron carbides of compositions Bl–xCx with 0.1 < x < 0.2, i.e., C-concentrations spanning the single phase field, were presented in [88]. Measurements of thermal conductivity and specific heat in temperature ranges of 30–300 and 80–300 K were determined, respectively. As x decreases, the thermal conductivity decreases continuously as it evolves from crystalline behavior (for carbon-rich specimens) to a glass-like thermal conductivity (characteristic of amorphous solids). In regards to the boron carbide’s specific heat, it is almost insensitive to the C-concentration for temperatures >60 K.
At low temperatures, boron carbide specific heat exhibits [89] some typical deviations from the Debye model. These deviations are proportional to the concentration of B(3) voids in the structure and the content of B11C icosahedra.
Raman spectroscopy for solid materials must pay special attention to the depth of exciting laser radiation penetration. In the particular case of semiconducting boron carbide, significant fundamental absorption above its band gap and reflectivity ≈1 beyond the plasma edge prevent the bulk phonons excitation. Thus, spectra are preferably measured from surface scattering. This is why boron carbide Raman spectra were controversially discussed for decades. Now, common features of icosahedral phonons detected in FT (Fourier Transform) Raman spectra of B4.3C evidences its bulk character [90].
Particles of the brittle ceramic B4C, as with other hard ceramic carbide composites, are angulated; control of its particle size below the μm-scale is difficult. Spherically shaped SMPs (SubMicrometer Particles), even those of these hard carbides, can be prepared by heating raw particles dispersed in a liquid using an instantaneous pulsed laser. In [91], the porous-free SMPs were compressed on SiC hard substrates using an SEM (Scanning Electron Microscope) diamond tip. The mechanical behavior of boron carbide SMPs was examined from the load–displacement curves. Fracture strength was estimated to be in the 5 to 12 GPa range, i.e., larger than their bulk bending strength, but of only 10 to 40% of their ideal strength was estimated by the DFT calculations.
Two gradient heterogeneous (multilayer) compositions (CuAl–B4C) with heightened wear resistant property were fabricated [92] by a combination of wire feed deposition with an additive electron beam powder bed. The boron carbide powder bed was admixed with aluminum powder to improve the wetting ability of the CuAl alloy. For composites containing 25 and 50vol.% of boron carbide particles, their gradient distribution in the aluminum bronze matrix was achieved. The sample with 50vol.%B4C revealed a higher hardness but a lower wear resistance and coefficient of friction when reciprocally rubbed against a steel ball than the sample with 25vol.%B4C.
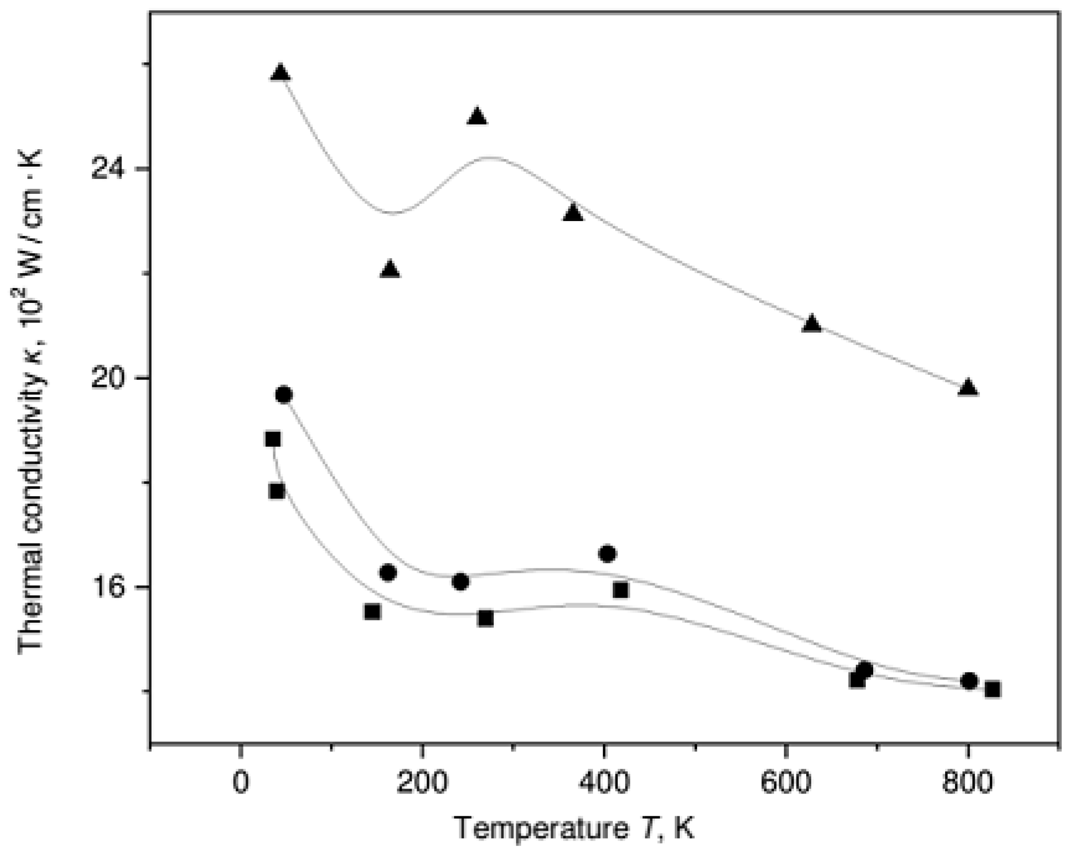
The investigation in [93] was conducted to elucidate the effects of neutron irradiation on the dimensions and thermal conductivity of isotopically tailored boron carbide 11B4C. The specimens used were 10B4C (99% 10B-enriched), 11B4C (91% 11B-enriched), and a silicon carbide (SiC) reference sample. The 10B4C samples were prepared from used (irradiated) control rod neutron absorber materials. The 11B4C and SiC specimens were irradiated with neutrons of energy >0.1 MeV to fluences of 1.94 × 1026 n/m2 at 530 °C and 3.12 × 1026 n/m2 for 10B4C, with a 10B burnup of 4.73 × 1027 cap/m3. Dimensional changes and modifications in thermal conductivity of irradiated 11B4C were substantially smaller than those for10B4C and SiC. Postirradiation annealing measurements for 11B4C showed the almost complete recovery of thermal conductivity after annealing at 1400 °C. The 11B4C thermal conductivity recovery onset coincided well with temperature of irradiation; however, the same was not true for the recovery of length.
Understanding the electronic structure and related properties of boron carbide homogeneity range’s C-rich limit, i.e., B4.3C, at an advanced level is easier than for B-rich boron carbides. An important contribution to closing this gap was performed in [94] as a result of the investigation of the electrical conductivity of boron carbide at temperatures from ~5 to ~2100 K across the whole homogeneity range. The samples tested were obtained from different manufacturers and were prepared using different technologies. This investigation allows one to separate intrinsic and impurities-related effects, and also to determine the influence of differences in sample density and the method of their preparation. At sufficiently low temperatures, the electrical conductivity temperature dependence of boron carbide fits Mott’s law for charge carriers’ variable-range hopping mechanism; at higher temperatures, conductivity seems to be thermally activated. The measured activation energies provide the position of the gap state’s of energy levels above the valence band related to the boron carbide intrinsic structural defects; these are dependent on the sample’s actual chemical composition.
2.4.2. Component Phases
Single crystals of two important transition metal (titanium Ti and zirconium Zr) diborides (TiB2 and ZrB2) with an aluminum diboride AlB2-type structure at the plastic deformation revealing a special room-temperature behavior were investigated in [95] to determine the orientation of crystalline specimens and sizes by micropillar compression tests. Plastic flow was detected by some slip operations in TiB2 and ZrB2. Critical resolve shear stresses were too high (>1 GPa) for all observed systems (1.72 and 5.17 GPa in TiB2 and 3.01 GPa in ZrB2).
2.4.3. Boron Carbide Matrix Composites with Titanium and Zirconium Diborides
Composites based on boron carbide containing 20 and 30wt.% titanium diboride (TiB2) and titanium carbide (TiC) in addition to this matrix were obtained [96] at 2130 °C using pressureless sintering. The TiB2 content served as a key variable when studying the composites obtained by adding certain amounts of TiB2 and TiC particles to B4C. Introducing 30wt.%TiB2 of sub-μm particles yielded a composite with a bending strength of 278 MPa and a fracture toughness of 5.38 MPa·m1/2. In the composites B4C–TiB2, the leading mechanisms of toughening were identified to be micro-crack and crack deflection owing to residual stresses that arose from the mismatch of B4C and TiB2 TEC.
Study [97] explored the microstructure of B4C–TiB2 composites and its evolution during processing using initial and intermediate powders and sintering. Nanoindentation showed that the local mechanical properties of the product correlated with the structure of grains at a small scale and determined their trends. As a result of the development of core–shell structures, grains of metal borides ceramics similar to (Ti,W)B2 solid solutions were found in which the amount and assemblage of the guest cation (tungsten W) changes based on the synthesis method.
Reinforced B4C–TiB2 composites with TiB2 particles of sizes 50, 500, and 7000 nm were obtained [98] at 2100 °C using pressureless sintering in an argon atmosphere for 1 h. In process of sintering, the TiB2 phase between the neighboring B4C grain boundaries inhibits the growth in grain size; in this way, it improves the mass transport mechanism and force driving the sintering. When cooling to room temperature after sintering, residual tensile stress fields are formed at the TiB2 interfaces; this is due to the mismatched thermal-elastic properties, which might contribute to increasing the sample’s resistance to crack propagation. In the composite containing 10wt.%nano-TiB2 with 20wt.% of sub-mμ particles, relative density (98.6%), Vickers hardness (30.2 GPa), and fracture toughness (5.47 MPa·m1/2) were significantly improved.
At elevated temperatures, the thermal properties of ZrB2 samples containing up to 15vol.%B4C additions were investigated [99] by combining experimental and modeling approaches. The addition of 15vol.%B4C decreased the ZrB2 grain size from 22 to 5.4 µm. Corresponding changes in other measured characteristics were observed: room temperature and 2000 °C thermal conductivities changed from 93 to 80 and from 67 to 55 W/m⋅K, respectively. It is possible to develop a model of the composite system to describe the effects of the second phase addition grain size on thermal conductivity.
2.4.4. Boron Carbide Matrix Composites with Tungsten Borides and Carbides
B4C–TiB2–W2B5 compositions obtained by reactive hot pressing were studied [100] to detect the effect of WC and TiC additions to B4C–B–Si mixtures on sintering behavior as well as the structure and mechanical properties of the final products. As the pressing temperature decreases, the material strength increases when an attritor equipped with WC–TiC–Co balls is used to mill the mixtures of B4C, B, and Si powders. During the reactions between the starting components stimulated by heating, B4C, TiB2, and W2B5 phases are formed. When the material was obtained from a mixture of powders milled for 2 h and then hot pressed for 3 min at 1800 °C, the maximal measured bend strength was 830 MPa. Small grain sizes of both metal borides and boron carbide component-phases in combination with lowered porosity caused the heightened strength of the tested samples.
Boron carbide-based ceramic composites reinforced with strip-shaped tungsten boride W2B5 particles were synthesized [101] through an in situ powder metallurgy reaction between boron (B), graphite (Gr), and tungsten carbide (WC). Powder mixtures of the same chemical composition of B–Gr–WC, but with different amounts of Gr powder, were blended and then SPS compacted in order to reveal the influence of graphite content on the properties of as-fabricated ceramic composites. A pressure of 30 MPa and three-step temperatures of 1100, 1550, and 1700 °C served as sintering parameters over a duration of 5, 5, and 6 min, respectively. Tungsten boride (W2B5) particles in strip-shapes formed in situ were then homogeneously dispersed into a boron carbide matrix. This remarkably improved some mechanical properties, including the fracture toughness. At 5vol.% of residual Gr, the composite achieved an optimal balance between hardness and fracture toughness values. When the sintering temperature was fixed at ~1700 °C, the material’s Vickers hardness, fracture toughness, and relative density were 30.2 GPa, 11.9 MPa∙m1/2, and 99.8%, respectively.
A high (97%) density composite material was obtained from ball milled powders of tungsten boride (W2B5), zirconium diboride (ZrB2), silicon carbide (SiC), and boron carbide (B4C) as a result of hot pressing in Ar for 15 min at 1850 °C and a pressure of 30 MPa [102]. A Vickers hardness of 19.3 GPa, bending strength of 695 MPa, and crack resistance coefficient of 5.7 MPa·m1/2 were measured.
2.4.5. Boron Carbide Matrix Composites Containing Cobalt
In paper [103], the fracture toughness of some nanostructured carbides cemented with WC–Co binder alloy and sintered in hydrogen atmosphere was investigated based on Vickers indentation measurements. The Co content in the binder mixtures was 4, 6, and 9wt.%. It was found that carbides with near nano structure consolidated in this way and containing 6 or 9wt.%Co do not exhibit median cracking: the cracks induced by indenter remained radial in nature. As for the nanostructured cemented carbides containing 4wt.%Co, they revealed both median and radial cracks. This means that the binder phase critical amount of the near-nano or nanostructured WC–Co binder at which the crack geometry changes is about of 4wt.%Co. It was determined that fracture toughness values are not consistently able to be explained in terms of available models and instead depend on the technology used.
2.5. Modeling of Boron Carbide Matrix Composites Properties
It is commonly believed that a material’s theoretical strength could be defined as the minimum stress required fracturing a perfect (with no defects) single crystal. This should be considered as an upper limit for a real attainable crystal. Based on quantum-mechanical simulations, boron carbide achieved a contradictory result: by imposing nanoscale twins, the theoretical shear strength value can be exceeded by 11% [104], and the indentation strength of a boron carbide nano-twinned crystal could be 12% higher than that of the perfect crystal. These predicted effects were experimentally validated: it was shown that nano-twinned boron carbide specimens are 2.3% harder than their twin-free counterparts. This strengthening mechanism originates from the twin boundary slip suppression in the nano-twins due to the presence of directional covalent bonds at their boundary.
Currently, boron carbide applications are limited by the material’s intrinsic brittleness; this is related to its strong covalent bonding. In [105], several toughening mechanisms (crack deflection/bridging, micro-cracking, etc.) were provided based on hierarchical designs of the microstructure. The boron carbide-based composites with features of hierarchical microstructure (graphite platelets, μm and sub-μm titanium diboride reinforcements, etc.) were prepared using the sintering method. The macro-scale fracture toughness of these composites was tested using the standard (4-point bending) method in order to answer questions about whether the micro-scale fracture toughness enhancement could be translated to macro-scale mechanical characteristics. Modeling of the micromechanics was performed in the frames of the crack band model; this is to say that the models studied the influence of residual stress and weak interphases on the fracture of boron carbide matrix composites reinforced with titanium diboride powders. For samples mixed with graphite platelets (nano- or micro-boron carbide), titanium diboride (micro-boron carbide–titanium diboride), and both in combination (nano- or micro-boron carbide–titanium diboride), the fracture toughness values were enhanced to 2.85, 3.32, and 3.65 MPa∙m1/2, respectively (the fracture toughness of reference sample without listed additives was equal to 2.38 MPa∙m1/2). The modeling also indicated that residual thermal stress and interphases can cause enhancements in both micro-cracking behavior and fracture toughness.
Novel composite materials with pre-planned physical-mechanical properties compacted by the SHS should be considered as one of the key problems of modern metallurgy. The scientific basis for solving this problem can be developed by imaginative modeling of the materials, including their structural and phase states. Among the available methods of producing tiles, the innovative SHS electrical rolling process stands out due to its ease of process management, cheapness, ecological cleanliness, high-quality products, etc. It maintains the rolling equilibrium velocities and combustion fronts, ensures hot deformation of the viscous plastic mass, and heat loss compensation. The fluidity of the synthesized Ti–B system mass was modeled [106] during its hot compaction.
To identify how residual thermal stresses, the presence of interphases, particle size, and volume fraction of titanium diboride affects the mechanical responses and fracture behaviors of composites B4C–TiB2, a micromechanical modeling was performed [107]. Weak interphases at the boundaries of these two components, together with residual thermal stresses induced in process of cooling due to a significant mismatch between boron carbide and titanium diboride TECs were found to be the factors promoting micro-cracking; this micro-cracking can cause enhanced progressive failure. In particular, as the volume fraction of titanium diboride increases the interphases fraction, the material affected by residual thermal stress micro-cracking enhances. Note that this type of micro-cracking behavior exhibited a limited dependence on the mean size of the titanium diboride particles. The modeling described above successfully captured the fracture behavior and its trend when the micro-structure of the composites changed.
Vacuum isothermal sintering at pressures of 12 to 60 MPa at temperature of 2110 to 2300 °C and nonisothermal pressure sintering at a temperature constantly increasing by 20 and 40 °C/min were used with zirconium diboride powder [108]. The time dependence of densification was studied experimentally and the obtained kinetics were analyzed within the bulk viscous flow continuum theory; in this theory, the influence of particle shape on the porous material’s rheology is considered. The kinetics of densification was described by set of equations for the creep of the porous body matrix in a nonlinear steady-state. The creep is controlled by the dislocation climb mechanism. Its activation energy was estimated at 626 kJ/mol; this agrees with the activation energy of the self-diffusion of metal atoms in the boride component’s sublattice. The Laplace pressure was estimated to be comparable with the average applied pressure. The induced mean shear stress decreased with increase in density and approached zero value near the material’s theoretical density. The mean strain rate decreased during the process of isothermal sintering but increased when it reached the non-isothermal curve maximum. For non-isothermal sintering, two different activation energies were detected in different temperature ranges. The higher activation energy for non-isothermal pressure sintering is significantly greater than that for the corresponding isothermal sintering, indicating the endothermic character of the process. For zirconium diboride, the critical temperature at which cold brittleness property transforms to a plastic condition was estimated to be 1345 °C.
Study [109] investigated how the addition of small proportions of nickel (<0.6wt.%) influenced the properties of boron carbide. First, the changes in the free energy of chemical reactions and their viability were determined based on thermodynamic simulations; it was determined that the presence of nickel leads to the liquid phase formation (due to lower melting point of nickel than that of boron carbide matrix) in process of sintering. For this reason, the samples sinterability should be enhanced significantly. The tested specimens were obtained by pressureless sintering in argon at a pressure of ~1 bar and a temperature of 2150 °C. The best characteristics (hardness of 21.8 GPa, elastic modulus of 374 GPa, fracture toughness of 3.11 MPa∙m1/2, and density of 91%) were obtained for the sample containing 4wt.% nickel. Thus, the optimum composition was determined to be 4wt.%Ni in B4C. The quality of these experimental results was checked using the techniques of machine learning in combination with an artificial neural network.
Study [110] aimed to optimize powder metallurgy fabrication process parameters for the Al–Zn–Cu–Mg matrix composite reinforced with boron carbide. Pressure sintering was adopted for these composites since standard casting led to dispersion problems. Variance analysis was used to study the effect of the process parameters on the material’s characteristics. Compressive strength and hardness values were predicted by applying regression and artificial neural network analysis. The optimum conditions for attaining maximum compressive strength (552 MPa) and hardness (186 HV) were estimated using a genetic algorithm; these conditions were a boron carbide fraction of 45wt.%, a sintering temperature and time 475 °C and 75 min, respectively, and a compaction pressure of 428 MPa. This set of optimal parameters was experimentally validated using compression fractographic studies performed on a 45wt.% boron carbide reinforced sample; cracking in boron carbide particles and debonding in B4C–Al alloy interfaces was observed.
2.6. Reviews on Boron Carbide Matrix Composites
The first literature review providing background information on metal boride-containing materials was reported as early as 1962 [111]. The materials reviewed included solid diborides of Ti, Zr, Hf, V, Nb, Ta, and Cr, as well as Th tetraboride. The review presented information on methods for obtaining selected boron compounds, their physical properties, and uses.
Boron carbide has applications in the nuclear industry, as well as safety armors, grinding tools, bearings, wire-drawing dies material, rocket propellant, and other. Commercially, boron carbide is produced from boric acid by its carbothermic reduction or magnesiothermy in the presence of carbon. Since many of special applications listed above require the dense material, densification of boron carbide-based materials is an important stage in production technologies. Isostatic hot-pressing processes are primarily employed for densification. Various attempts were made to improve these processes and to invent new methods for boron carbide synthesis and consolidation. They are discussed and critically reviewed in [112].
In general, materials containing boron and, in particular, boron carbide-based ceramics have found wide applications as high-temperature superhard materials. Due to the complexity of their morphological, chemical, and technological properties, the methods of their synthesis are divisive. The traditional high-temperature synthesis methods lead to inconsistency in product composition due to the evaporation of boron, the degradation of furnace materials and other related product contaminations, high energy losses, etc. The advantages of nontraditional methods in the production of dense boron carbide matrix materials containing titanium (TiB2) and zirconium diborides (ZrB2), such as SHS or direct chemical-mechanical synthesis, were shown in [113].
Pressureless sintering is the most valued industrialized application method for producing B4C ceramics. However, sintering such a pure boron carbide-based ceramic material to a high density requires the introduction of some special additives. These sintering additives, which can promote boron carbide densification, have been described in review [114]. This class of additives includes carbon, metals, oxides (in particular, rare-earth oxides), some non-oxide materials, and combinations of these materials as well.
Review [115] covers room-temperature consolidation processes and related reports encompassing chemistry, physics, biology, and geoscience. Interest in ULES (Ultra Low Energy Sintering), which could reinvent the concept of sintering, is growing. ULES is believed to have the potential to obtain new materials that cannot be fabricated using standard methods. The fundamentals and possible applications of ceramics wettability by liquid metals was discussed in the Grenoble group review [116]. The role of interfacial reactions, such as dissolution of a solid in a liquid phase and compound layer formation, was analyzed. The wettability influence on processing of materials, including, infiltration, dissimilar materials joining, brazing, liquid metals, and semiconductors crystallizing, etc., was illustrated. Some issues of the development of advanced ceramics using nanotechnology were discussed in [117]. The versatile structures and properties of metal borides were characterized in detail in the handbook [118] chapter.
Study [119] provided a review of variations in the structure and chemical composition of boron carbides structure and their effect on mechanical, ballistic, thermal, and electronic properties. Boron carbides high-stress structural instability is associated with loading and results in phase disordering. In paper [120] on the research progress of B4C–TiB2 composite ceramics, the powder synthesis, densification, microstructure, electrical properties, and machinability of B4C–TiB2 ceramic composites were reviewed and the prospects of these materials were discussed.
During service, UHTMs are usually subjected to complex thermal environments. This is why their high-temperature mechanical properties have attracted increasing attention. The experimentally-obtained mechanical properties of materials (in particular, ZrB2) and their constitutive models at elevated temperatures were reviewed in [121]. Advances in the theoretical (quantitative) models for characterization of fracture strength of new ceramics and their composites in dependence on temperature were also presented.
The (thermo)structural ceramic materials can be classified as oxides, carbides, nitrides, borides, and silicides, in which the microstructure is related to mechanical properties. This means that the microstructure plays a critical role in the technological parameters of the starting powder and the method of its densification. In this regard, it should be noted that the characteristics of a powder can be tailored by the method of its synthesis. Study [122] reviewed methods of synthesis and consolidation of (thermo)structural ceramic materials, their microstructure, and their mechanical, thermal, and other physical properties and applications.
The main challenges in studying polycrystalline composites containing interfaces between component phases and grain boundaries are related to the extreme complexity of their experimental observation and theoretical description. It was demonstrated [123] how the grain boundaries affect the physical properties of polycrystalline minerals. Grain boundary phase-like states were predicted by the specific configuration of space exploration. The relation of grain boundaries to the excess volume of the structures was analyzed; this analysis revealed the stages of successive failure under the tensile stresses normally applied to the boundary plane.
In order to be engineered, high-tech ceramics typically require the control of both point or 0D defects and 2D interfaces concentrations; in addition, 1D defects, primarily, dislocations, impact several of their functional properties. The relative ease by which they can be created using certain methods (e.g., rapid densification) has drawn attention. The construction of a conceptual framework for dislocation mechanics in ceramics can be separated [124] into the following logical aspects: mobility, its obstacles, nucleation-related limitations, complexity of motion, and avoidance of competing mechanisms.
Paper [125] summarizes key research directions for ceramic/ceramic matrix composites for extreme environments, including high-pressure environments.
In paper [126], the latest progress in advanced TBCs (Thermal Barrier Coatings) is reviewed. To understand the lifetime dependence on various factors (growth in oxidation scale, sintering of ceramics, their erosion and corrosion, etc.), a comprehensive mechanism for ceramic top coat spalling is summarized. Finally, structural design methods of high-performance TBCs are discussed, considering the presence of nanostructural, lamellar, and/or columnar inclusions. The latest developments in this field are presented in terms of material selection, structural design, and failure mechanisms. Guidance is provided for the development of novel TBCs with increased temperature-resistance, thermal insulation, service time, and other advanced properties
CMCs (Ceramic Matrix Composites) can be manufactured using relevant additives. These additives enable the production of customized functional parts with complex geometric forms and significantly improved properties. They make it possible to form the damage-tolerant phase-reinforced compositions inspired by natural materials. Other additive techniques also were used. Paper [127] is a comprehensive review of additive manufacturing of CMCs’ based on a systematic evaluation of the limitations and capabilities of the various techniques.
The main findings of studying boron carbide matrix nanocomposites obtained using liquid-charge technology are summarized in report [128].
3. Boron Carbide Matrix
In some cases, it is preferable to obtain nanopowder boron carbide matrixes separately. Below, an example of the technological process [6] for synthesizing a boron carbide nanopowder precursor is provided:
- Preparing of water solution of sucrose (serving as a carbon source);
- Heating the solution to 90–100 °C and adding boric acid (serving as a boron source) under stirring until its complete dissolution;
- Removing water from the formed mixture of various compounds (e.g., esters) by solution heating at ~90 °C under stirring to obtain a viscous mass;
- Further thermal treatment at 145–150 °C for around 2 h until the formation of a solid porous mass;
- Product grinding to obtain a powder with particles size of <1 mm.
The following processes occur with sucrose during precursor pyrolysis under an inert atmosphere and heating up to temperatures of 550–600 °C for around 2 h: melting, destruction, and intensive mass losing. Then, the resulting boron oxide melts and becomes homogenously distributed in the formed amorphous carbon matrix. The pyrolisis product is a weak sintered large-pored black preceramic mass; Figure 1 shows its typical SEM image.
Figure 1.
SEM image of pyrolyzed organic precursor of boron carbide. Reprinted with permission from [6], published by Collegium Basilea—NtP, 2019.
Figure 2 shows a spectrum characteristic for such precursor transmittance in the IR region. The bands were detected at wavelengths of 406, 409, 412, 417, 421, 424, 436, 447, 470, 496, 542, 633, 707, 883, 1633, 1651, 1682, 1698, 1715, 1732, 1770, 2035, 2049, 2114, 2149, 2164, 2256, 2356, 2502, 3188, 3583, 3625, 3672, 3728, 3747, 3798, 3817, 3849, and 3998 cm−1.
Figure 2.
IR transmittance spectrum of pyrolyzed organic precursor of boron carbide [128].
Alternatively, the preceramic intermediate product can be obtained from a liquid-charge containing amorphous boron (a-B) and PVA as boron and carbon sources, respectively. The preceramic mass obtained in this manner can be easily ground in powder and then pressed into tablets at 40–50 MPa to be carbidized in an inert atmosphere at 800 to 1600 °C for 1 to 5 h. Final product XRD (X-Ray Diffraction) spectrum (Figure 3) clearly confirms that single-phase boron carbide is formed.
Figure 3.
XRD spectrum of boron carbide obtained from a liquid-charge. Reprinted with permission from [6], published by Collegium Basilea—NtP, 2019.
In [4], some B- and C-containing compounds that were soluble in water were tested for liquid-charge components (boric anhydride and glycerin). Step-wise thermal treatment and carbonization processes were also conducted at 800, 1000, 1350, and 1500 °C in an inert atmosphere for around 2 h.
As with boric acid, boron anhydride does not allow boron carbide to be obtained with satisfactory properties when its synthesis is conducted at ~1250 °C if it is used in order to obtain boron-containing components. This temperature is not sufficient to complete the process. According to XRD analysis of the product, this process dissolves some amounts of reduced free carbon and unreacted boron anhydride. SEM shows the presence of the agglomerated nanocrystallites. Increasing the processing temperature does cause an increase in the boron carbide (target product) amount; however, the synthesized crystals grow the same time, reaching μm sizes.
The combination of amorphous boron with glycerin allows the best results to be obtained. When thermal treatment and carbonization processes are conducted for 2.0 to 2.5 h, with a step-wise temperature up to 1250 °C in inert atmosphere, the synthesized boron carbide grain size is estimated by Scherer’s formula from the XRD maxima broadenings, to be 70–80 nm. SEM studies have confirmed that, for the most part, grain size does not exceed 80 nm. For boron carbide powder obtained from a-B and PVA, nanosized grains have a deformed hexagon shape. Their microstructure differs from that of the product obtained from the same a-B process combined with glycerin.
Microhardness and fracture toughness are the key mechanical characteristics of ceramics. For boron carbide matrix ceramic composites obtained from liquid-charge, these characteristics were determined using the indentation method in accordance with the requirements of ISO-14577 and JIS-R-1607 standards, using DUH-211S and TP-7R-1 devices. The diagonals of tens of imprints on a sample polished surface were measured using an IM-7100 optical microscope and the results averaged.
In subsequent sections, one will see that a binary B4C–TiB2 composite possesses the highest microhardness (~46 GPa) among boron carbide matrix ceramics obtained from a liquid-charge to date; the highest fracture toughness (~6 MPa∙m1/2) has been detected for a ternary B4C–TiB2–(WC–Co) composite including WC–Co alloy component. It is of interest to compare these microhardness and fracture toughness values with catalytically sintered carbon matrix (fullerite derivatives) nanocomposites with boron carbide as a component phase [129]; essentially the same microhardness (~45 GPa) but a higher fracture toughness (15 MPa∙m1/2) were measured.
4. Binary Ceramic Compositions with Diborides
4.1. B4C–TiB2
The synthesis of a boron carbide and titanium diboride nanocomposite (B4C–TiB2) derived from a liquid-charge is reported in several works [1,4,5,6,7,14,23]. The initial suspension consists of amorphous boron or a boron compound, titanium dioxide (TiO2), and a liquid organic precursor (carbohydrates, polyols, PVA, or others). Homogeneous distribution of the boron source and TiO2 powders in the mixture is achieved as a result of their long mixing in an attritor. The water solution of the organic precursor is added to this powder mixture and dehydration of the suspension prepared in this way is conducted in thermostat mixer at 110 to 120 °C.
Thermal treatment of the viscous mass obtained in this manner is conducted in two or more stages in an inert atmosphere at 230 to 1250 °C (Figure 4).
Figure 4.
XRD patterns of the reaction mixture for B4C–TiB2 composite (boric acid, sucrose, and titanium oxide) at 800, 1000, 1200, and 1425 °C, respectively. Reproduced with permission from [7], published by Elsevier, 2020.
XRD spectral analysis shows that the product is a two-phase system consisting of B4C and TiB2 (Figure 5). According to the SEM studies (Figure 6), the mean size of the grains is less than 100 nm.
Figure 5.
XRD spectrum of B4C–TiB2 powder ceramic synthesized at 1250 °C (●—TiB2 and ○—B4C) [5].
Figure 6.
SEM image of B4C–TiB2 ceramic powder sample synthesized at 1250 °C [5].
Different methods for direct liquid-charge synthesis of finely dispersed B4C–TiB2 composite powders was proposed in [6]. These include the addition of 2–3% PVA in solution and use of the spray-drying method.
Figure 7 shows the two-phase XRD spectra of powder composite B4C–20wt.%TiB2 obtained in this manner. The X-ray phase analysis of the B4C–TiB2 powder prepared at 1250 °C from boron compounds and titanium oxide mixed into glycerin dissolved in water showed that both boron and titanium oxide phases and free carbon are noticeable. This indicates that composite formation was not fully completed. Increasing the temperature to 1500 °C reduces the amount of the undesirable phases but increases the size of the crystallites to 0.2–1.5 μm. To overcome this disadvantage, is expedient to replace boron compounds in the charge with amorphous boron a-B [4]. When the final annealing is conducted at 1250 °C, a biphasic powder consisting of almost only B4C and TiB2 is obtained; all the other phases are invisible in the XRD spectra. According to the SEM studies, the primary size of the crystallites <100 nm.
Figure 7.
XRD spectrum of B4C–TiB2 ceramic synthesized from a liquid-charge. Reprinted with permission from [6], published by Collegium Basilea—NtP, 2019.
Starting from the mechanism of reactions taking place during the synthesis of B4C and TiB2 composites in a nanopowder form, a first-order ordinary differential equations system modeling the heat treatment kinetics in a liquid-charge approach has been proposed [9]. As is mentioned above, precursors have to contain B-, C-, and Ti-sources; these include (amorphous) elemental boron or boric acid (H3BO3), boron oxide (B2O3) powders, some liquid organic compounds (such as CxHyOz), and titanium dioxide (TiO2) powder, respectively. Usually, there are prepared precursors in a water suspension, which are subjected to a step-wise thermal treatment in order to synthesize the reagents. Boron-containing reagent is always obtained as powder a-B.
As a result of the pyrolysis process, C partially reduces, as carbon black, into a turbostratic graphite structure (t-C), while the remaining part forms the emitted carbon dioxide (CO2). At high temperatures, these two components interact to form carbon monoxide CO:
CO2 + C → 2CO.
As the synthesis of carbide-based target material requires the free C excess rather than CO2, the reagents containing C should be free C and CO, rather than CO and CO2. The TiO2 reagent, which contains titanium, undergoes almost no changes during the process of heat treatment. Thus, elemental boron (B), elemental carbon (C), titanium dioxide (TiO2), and carbon oxide (CO) must be considered as reagents; the expected products are boron carbide, titanium diboride, and carbon dioxide:
C + TiO2 → TiO + CO↑,
3CO + TiO → TiC + 2CO2↑,
2B + TiC → TiB2 + C,
4B + C → B4C.
Detailed analysis of the mechanisms of these reactions yields their effective orders; this allows the description of the process of producing the B4C–TiB2 composites by combining the following simple reactions:
C3 + (TiO2)3 → 3TiO + (CO)3,
(CO)3 + TiO → TiC + 2CO2,
B12 + (TiC)6 → 6TiB2 + 2C3,
B12 + C3 → 3B4C.
Each is a second-order reaction with reagents formally represented by interaction of pairs of clusters. By the standard physical-chemical method, mathematical modeling of a technological process can be performed based on its description by a set of homogeneous, irreversible, and isothermal (at least formally simple) reactions in a closed system.
The set of corresponding equations was resolved numerically (only one equation allows its analytical solution) at reaction constants with a typical ratio and stoichiometric ratios of 0 < x < 1 in the target composite (B4C)1−x–(TiB2)x. Concentrations N of reagents and products are determined in the form of τ time-functions (Figure 8; N0 and τ0 are reagent/product maximal concentration and reaction time constant, respectively). Such mathematical modeling aims for the optimization of production technology parameters for B4C–TiB2, and other boron carbide matrix hard nanocomposites.
Figure 8.
Calculated time-dependence of reagents and products concentration during synthesis of (B4C)0.7–(TiB2)0.3 composite. Reproduced with permission from [9], published by MDPI, 2021.
For comparison, the B4C–TiB2 quasibinary systems were also obtained [4] by mechanical dispersion activating the reactions between the powder mixture components. At dispersion duration of 6 h, the mean size of the particles and the specific surface area of the powder are about 600 nm and 3.8 m2/g, respectively.
With the B4C–TiB2 powder microstructure, particles retain their faceted shapes after dispersion. When stainless milling balls are used, the product is contaminated with up to 3 to 8% iron. In order to remove iron and other metals, the B4C–TiB2 powder is treated in a mixture of sulphuric and hydrochloric acids then washed in distilled water and subsequently dried.
Dispersions of B4C–TiB2 powders obtained using liquid-charge synthesis and in an attritor are estimated as <0.1 and <1 μm, respectively. These powders were compacted in a B4C–30wt.%TiB2 biphasic composition by hot pressing or SPS (Figure 9).
Figure 9.
Microstructure of mechanically polished surfaces of B4C–30wt.%TiB2 composite samples compacted by hot pressing (a,b) and SPS (c,d) from powders with a dispersity of <0.1 (a,c) and <1 μm (b,d). Reprinted with permission from [4], published by Taylor & Francis Ltd., 2019.
Table 1 shows the results of microhardness and bending strength measurements for B4C–30wt.%TiB2 composites compacted using both hot pressing and SPS. Among the tested samples, the best characteristics inherent to the nanocrystalline composition came from the sample compacted using SPS.
Table 1.
Physical-mechanical characteristics of B4C–30wt.%TiB2 composites.
It should be noted that when the preceramic precursor heat treatment temperature is too high (exceeding ~1300 °C), B4C–TiB2 composites do not retain their nanostructure.
Using SEM images (Figure 10) of powders obtained [7] in inert atmosphere at 1425 and 1450 °C, we state that B4C particle sizes are between 1 and 3 μm and that they are surrounded by TiB2 particles. For a B4C–20wt.%TiB2 composite, the theoretically expected B:C:Ti ratio, derived from the charge mixture, differs from that obtained experimentally from the averaged EDX (Energy Dispersive X-ray) spectra. The deviation seems to be related to free C presented as an ultrafine powder of the graphitic t-C phase, which is not identifiable using the XRD.
Figure 10.
SEM images of B4C–TiB2 powder composites synthesized at 1425 (a) and 1450 °C (b), respectively. Reproduced with permission from [7], published by Elsevier, 2020.
4.2. B4C–ZrB2
Several original methods for liquid-charge synthesis of finely dispersed B4C–ZiB2 composite powders have been developed [6]. As polymers are frequently used to synthesize powders made up of inorganic materials, they can also serve as a precursor compose, e.g., a-B–PVA–ZrO2–H2O system including 5–6% PVA aqueous solution as a carbon source together with ultra-dispersed zirconium dioxide powder prehomogenized in 80 °C water as a Zr-source.
Figure 11 shows XRD spectra of the B4C–20wt.%ZrB2 composite synthesized using this charge by the spray-drying method.
Figure 11.
XRD spectra of B4C–20wt.%ZrB2 composite synthesized from liquid-charge. Reprinted with permission from [6], published by Collegium Basilea—NtP, 2019.
A typical SEM image of same composite obtained at 1300 °C from a different set of precursors (a-B–zirconium dioxide–sucrose) is presented in Figure 12.
Figure 12.
SEM image of B4C–20wt.%ZrB2 composite obtained at 1300 °C [128].
The key conclusion made on the basis of a summary of recent methods for obtaining B4C and ZrB2 fine powders from liquid-charges is that the corresponding processes are quite similar and that the joint thermal treatment of their precursors should directly lead to the syntheses of fine dispersed B4C–ZrB2 composite powders that are useful for further consolidation in order to form hard nanomaterials (Figure 13).
Figure 13.
SPS compact of B4C–20wt.%ZrB2 composite with simple geometry [128].
For comparison purposes, B4C–ZrB2 nanocomposites were obtained [2,3,6,8,10] by milling followed by hot pressing of the powder. Regarding this composite material, it should be noted that like the boron isotope 11B, the zirconium Zr nucleus has a low cross section for absorption of thermal neutrons. As such, it would be expedient to use Zr-containing materials for dopants of boron carbide because boron carbide is known as an effective material for nuclear reactors. In particular, the development of 11B4C–Zr11B2 composites could be the basis for radiation-resistant structural materials for the core of nuclear reactors, including those operating on fast neutrons; this is possible by using special thermobaric technology.
Simultaneous or alternating exposure to temperature and pressure makes it possible to obtain a material with the required structure, isotropy, and density. The main stages of this technology are [2]:
- Production of high-quality dispersed powders of boron carbide 11B4C and zirconium diboride Zr11B2 by milling (e.g., with >99.4at.% enrichment in the 11B isotope);
- Mixing them (e.g., in a ratio of 96.276 and 3.724wt.%, respectively);
- Hot vacuum pressing of the obtained powder mixture.
Boron carbide powder composite prepared using thermobaric technology is of high purity (the free carbon fraction is only 0.5–1.5wt.%) and of almost precise stoichiometric composition. The mean particle size in final product is around 800 nm. The particles are almost spherical in shape; this contributes to the manufacture of high-quality products from this material. Fine-grained materials are, to a greater or lesser extent, susceptible to amorphization embrittlement (when compared to conventional coarse-crystalline ones) and, consequently, prone to swelling and the formation of surface peeling damage. Their behavior in a radiation field seems to be related to the presence of numerous grain boundaries (interfaces acting as radiation defects sinks). Thus, the transition to parts compacted from fine-grained 11B4C–Zr11B2 ceramic composites does not only increase operational characteristics, but also the safety and efficiency of the nuclear reactor.
In [3], both components were prepared in a high-temperature vacuum furnace. Prior to milling, they were subjected to additional thermal treatment in order to remove stresses and homogenize the material. First, boron carbide and zirconium diboride micropowders were mixed in their dry form using a turbulent mixer and then combined with ethylic alcohol. The obtained suspension was dried for 16 h at 90–110 °C. A special method of final compacting was developed; this method included hot pressing (34–40 MPa and 2050–2140 °C) and additional heat treatment (34 Pa and 1800 °C). Examination of the effect of ZrB2 content on some specimens of dispersion-strengthened composites reveals that a relatively perfect microstructure (Figure 14) is characteristic for the B4C–3.711wt.%ZrB2 composite the relative (to theoretical) density of this composite is ~100%. When compared to pure B4C, it demonstrated a reduced average grain size of 10% and a decreased reduced linear TEC (Thermal Expansion Coefficient).
Figure 14.
Optical microphotography of the surface of B4C–ZrB2 composites containing 3.711 (a) and 6.185wt.%ZrB2 (b). Reproduced with permission from [3], published by Licensee David Publishing Company, 2015.
The preparation of precursor powders with partially or completely nanosized particles is the key feature of the reactive sintering method [8]; this method ensures the minimal growth of grain sizes during subsequent heat treatment. As the hardness of B4C exceeds that of ZrO2, grinding B4C in the planetary mill with ZrO2 balls results in their attrition (Figure 15) and zirconium dioxide nanopowder is formed. The favorable effect of Zr on the densification of the product was clearly observed. Starting from these boron carbide/zirconium dioxide macrohomogeneous ultrafine composite powders, the high density B4C–ZrB2 nanocomposites was produced as a result of their sintering at 2000 °C and a pressure of 40 MPa.
Figure 15.
Surfaces of balls made from zirconium dioxide before (left) and after (right) grinding of boron carbide. Reprinted with permission from [8], published by Taylor & Francis Ltd., 2020.
Thermal conductivity is one of the most important physical characteristics for dispersion-strengthened composites such as B4C–ZrB2. According to [3], B4C–3.711wt.%ZrB2 and B4C–6.185wt.%ZrB2 compositions designed as BCZ3 and BCZ5, respectively (they correspond Zr contents of 3 and 5wt.%), demonstrate an almost doubled high-temperature thermal conductivity when compared to pure B4C (Figure 16). We have also measured the thermal conductivity temperature dependence for three B4C–ZrB2 composites enriched in boron 11B isotope to determine the applications of this material for nuclear reactors (see Figure 17). For comparison and separation of the isotopic enrichment contribution, the curves of a chemically pure boron carbide B4C sample of natural isotopic composition and enriched in boron 11B isotope one, which were compacted from ultra-dispersive powders obtained using the same liquid-charge technology, is shown in Figure 18.
Figure 16.
Temperature-dependence of thermal conductivity of B4C and B4C–3.711wt.%ZrB2 and B4C–6.185wt.%ZrB2 compositions. Reproduced with permission from [3], published by Licensee David Publishing Company, 2015.
Figure 17.
Thermal conductivity temperature-dependence of 11B4C–Zr11B2 composites containing ●—1.72, ▲—1.84, and ■—2.00wt.%Zr [128].
Figure 18.
Thermal conductivity temperature-dependence of natB4C (■) and 11B4C (●) samples [128].
Table 2 and Table 3 summarize some of the key physical-mechanical characteristics (microhardness, fracture toughness and bending strength) of B4C–ZrB2 composites compacted from nano- and submicron powders obtained using the liquid-charge method.
Table 2.
Physical-mechanical properties of B4C–ZrB2 composites compacted from submicron powders.
Table 3.
Physical-mechanical properties of B4C–ZrB2 composites compacted from nanopowders.
According to the criterion that the material must possess heightened bending strength at almost retained hardness-related characteristics, the composite B4C–20wt.%ZrB2 was shown to be the optimal version.
A set of physical-mechanical properties has been examined for B4C–ZrB2 obtained from milled powders. Figure 19 shows fracture toughness, dynamic hardness, and Vickers hardness related to Zr content in these composites. The composition containing 1.84wt.%Zr is distinguished by its fracture toughness. There is evident correlation between the concentration dependencies of thermal conductivity, shown above, and fracture toughness. It seems that stopping microcracks by residual stresses leads to the improved physical-mechanical properties of the material. The same microcracks should be responsible for reducing the phonon thermal conductivity.
Figure 19.
Fracture toughness (■), dynamic hardness (●), and Vickers hardness (▲) in relation to Zr content in B4C–ZrB2 composites [128].
As one can see in Figure 20, the room temperature Young’s modulus of boron carbide (B4C) matrix, measured using the standard indentation method, slightly increases with the introduction of the ZrB2 phase. Noting that the zirconium diboride Young’s modulus exceeds that of boron carbide (they equal 377.0 and 358.5 GPa, respectively), such a behavior seems to be related to zirconium solubility in boron carbide. Why do measurements conducted by the acoustic spectroscopy method lead to different results? Indentation reveals a property in the local surface region of the studied sample, while acoustic spectroscopy characterizes the material’s bulk property.
Figure 20.
Room temperature Young’s modulus of B4C–ZrB2 composites in relation to ZrB2 phase content measured by indentation (▲) and acoustic spectroscopy (●) [128].
For other composites, Young’s modulus and internal friction temperature-spectra has also been studied (see Figure 21).
Figure 21.
Internal friction (□) and Young’s modulus (■) temperature-dependencies for B4C–ZrB2 compositions with ZrB2 phase content of: 0 (a), 3 (b) and 5wt.% (c) [128].
Low- and high-temperature (at around 250 and 500 K, respectively, for the frequency of 1 kHz) internal friction peaks similarly react after “doping” with Zr. As such, one can assume that the relaxation processes are stimulated by the same defects. More likely, they are twins; the complex defects are characteristic of a boron carbide crystalline structure. These defects should also cause the decrease in bending strength. Note that room temperature Young’s and shear moduli of the boron carbide matrix are 420 and 180 GPa, respectively.
The effect of the introduction of the ZrB2 phase on some properties of the obtained dispersion-strengthened composites was discussed in [3]. Among the tested samples, optimal mechanical characteristics were found for the B4C–3.711wt.%ZrB2 composite. Compared to pure B4C, it demonstrated higher fracture toughness and bending strength, as well as an increased Young’s modulus, hardness, and compressive strength. When the ZrB2 alloying phase content increases to 6.2wt.%, the mean grain size grows to 8 μm; meanwhile the material fracture toughness, microhardness, and bending strength decrease.
Decreased bending strength can be explained by the grain growth and the related formation of twins. Recrystallized grains cause a decrease or increase in inter- and transcrystalline fracture shares, respectively. As for the heightened compressive strength, it seems to be caused by proximity of the triple eutectics temperature. Young’s modulus (as well as hardness) grows impressively when the ZrB2 content in boron carbide is at its solubility limit. However, if the alloy addition exceeds that solubility limit, hardness tends to decrease. At high temperatures, the thermal conductivity of B4C–ZrB2 composites is higher when compared with that of B4C; this is likely due to alloy-related nonlocalized electrons, which strengthen covalent bonds and, as a result, enhance the phonon contribution in thermal conductivity. An increase in fracture toughness should be caused by doping with a high crack resistant phase (ZrB2) and a decrease in the mean size of the matrix (B4C) grains. As the alloying of ZrB2 negatively affects the homogeneity of B4C grain sizes, this doped phase should be in used relatively small amounts, up to 5vol.%, in order to improve the material cracking resistivity.
The tribological characteristics of B4C–ZrB2 composites were investigated [10] using tubular samples enriched in boron 11B isotope prepared by hot pressing powders obtained by milling. A high density boron carbide (11B4C) matrix and several 11B4C–Zr11B2 composites with different contents of the zirconium diboride phase were studied. All tested compositions showed low friction coefficients under similar test conditions (1000–1500 rpm at load of 0.1 MPa). However, the sample containing 5wt.%ZrB2 showed a relatively high wear resistance and low friction coefficient (0.13) under longer-term test conditions (2500 rpm at a total distance of 30 km). This same composite is distinguished for having a higher load (0.15 MPa) wear resistivity and showing the best friction coefficient (0.11 at 1500 rpm).
It can be concluded that the relatively low friction coefficient of B4C–ZrB2 composites is caused by a triboreaction forming a thin tribolayer of boric acid (or “solid oil”, so-called third body); meanwhile, their stability is due to the refinement of the boron carbide matrix microstructure and an increase in its elasticity. According to these results, 11B4C, B4C enriched with boron 11B isotope, and its composites with Zr11B2 are competitive ceramic materials for use in the dry friction nodes of nuclear reactors, e.g., as slip bearings. Some tribological characteristics, such as steady temperature (at distance of 1 mm from the frictional pair static surface), friction coefficient (for 18 min), and wear intensity (for 90 min), of B4C–ZrB2 composites measured at 500 rpm for two different loads (0.10 and 0.15 MPa) are presented in Table 4.
Table 4.
Tribological characteristics of B4C–ZrB2 composites.
5. Binary Metal-Ceramic Compositions with Metallic Alloys
5.1. B4C–(Cu–Mn) and B4C–(Cu–Ti)
Two boron carbide-based nanocomposites with two binary metallic alloys for use as binders have been studied [1,5,13]: B4C–(Cu–Mn) and B4C–(Cu–Ti).
The key step in the production of nanocrystalline metal-ceramics based on boron carbide is the binding (metallic) phase selection. Boron carbide is a chemically active material, especially in regard to (transition) metals and thermodynamically unstable compounds at high temperatures. For binding phases, one must to select metals with a low melting point and characterized with low chemical activity toward B and C in order to avoid the formation of undesirable phase inclusions in the bulk crystallites and at interfaces or the complete dilution of B and C. In addition, they must provide good wettability and high adhesion properties with boron carbide, as well as acceptable impact strength. Of course, the binding phase must not degrade the boron carbide structure and affect its mechanical properties. Considering these listed requirements, copper-(Cu)-based binary metallic alloys copper–manganese (Cu–Mn; Cu: 67 and Mn: 33wt.%) and copper–titanium (Cu–Ti; Cu: 78 and Ti: 22wt.%) alloys were selected as effective binders of boron carbide-based metal-ceramics.
These nanopowders were compacted using the SPS method; this method was chosen because it makes possible to suppress the growth of nanograins due to rapid heating and the related short duration (2.5–3.5 min) of the sintering cycle. The compaction of the B4C–(Cu–Mn) and B4C–(Cu–Ti) compositions was performed as a two-stage procedure. The first stage is conducted at DC (Direct Current) with starting pressure of <2 MPa; this provides the powder with its initial heating and its particles activation. The second stage is conducted at AC with an increased amperage and pressure (up to 4 MPa).
In this way, the stable compositions are produced with a good adhesion between the hard ceramic matrix (B4C) and the metallic binder. In general, adhesion is defined by the surface energy of the molten metallic alloy and the wetting angle between boron carbide and the binding metallic alloy, which has to be defined experimentally. The solid boron carbide surface wetting angle of the molten binary alloys was measured in a vacuum using the lying drop method (Figure 22). The plotting of the wetting angle temperature dependence (Figure 23) determines the compaction temperature (the main parameter of the SPS process). The complete wetting between the components takes place at 1150–1250 °C; this should be considered as the optimal temperature range for the SPS compaction of boron carbide matrix metal-ceramics.
Figure 22.
Illustration of adhesive and wetting processes in the B4C–(Cu–Mn) system [5].
Figure 23.
Temperature-dependence of wetting angle between solid boron carbide and molten alloys Cu–Mn (●) and Cu–Ti (▲). Reproduced with permission from [1], published by Elsevier, 2012.
The XRD pattern (Figure 24) reveals the presence of Cu–Mn in the Cu-based fcc lattice in the B4C–(Cu–Mn). This indicates the complete formation of the solid solution. However, the reflexes corresponding the B4C phase are invisible. Supposedly, due to their higher electronic density, the Cu–Mn reflexes veil those of B4C. To confirm the presence of boron carbide in the synthesized composite, the composite was dissolved in a mixture of nitric and chloric acids. Solution sediment shows an XRD pattern (Figure 25) similar to that of the boron carbide prepared by carbothermal synthesis. The low intensity and substantial broadening of the B4C maximum point to its high dispersity. Indeed, the mean size of the boron carbide grains was defined as ~100 nm.
Figure 24.
XRD pattern of Cu–Mn metal binder component in B4C–(Cu–Mn) metal-ceramic (Cu—67 and Mn—33wt.%) [5].
Figure 25.
XRD pattern of boron carbide B4C matrix in B4C–(Cu–Mn) metal-ceramic (Cu—67 and Mn—33wt.%) [5].
The surface microstructure (Figure 26) studied using optical microscopy showed that both the matrix ceramic (B4C) and the binding metallic alloy (Cu–Mn) are homogeneously distributed in the B4C–(Cu–Mn) metal-ceramic. Fractographic investigation of the samples with high binder high content (B4C: 67 and Cu–Mn: 33wt.%) reveals ductile-type fractures with wavy surfaces. Fractures primarily occur at the interface of the matrix/binder or matrix/neighboring grains. However, when the binding material content is relatively low (B4C: 85 and Cu–Mn: 15wt.%), i.e., when the composite contains the plastic component in smaller amounts, the fractures are brittle. The high viscosity of the plastic component stabilizing the fracturing process serves as a barrier to the catastrophic destruction of this composite material.
Figure 26.
Microstructure of B4C–(Cu–Mn) metal-ceramic (Cu—67 and Mn—33wt.%) mechanically polished surface [5].
For products made from B4C–(Cu–Mn), it is important to determine the steadiness of their geometric dimensions at working temperatures. This property for the B4C–(Cu–Mn) metal-ceramic was estimated by measuring the temperature-dependence of its TEC (Figure 27). The increase in the TEC value within the temperature range of 600 to 800 °C is insignificant. This means that geometry and sizes of high-loaded machine parts made from such s would be almost steady under working conditions.
Figure 27.
Temperature-dependence of TEC of B4C–(Cu–Mn) metal-ceramic (Cu—67 and Mn—33wt.%) [5].
It was found that increasing the SPS compaction time of the B4C–(Cu–Mn) and B4C–(Cu–Ti) metal-ceramics from 2 to 8 min decreased their bending strengths (Figure 28). From the corresponding curves, the optimal duration of the SPS compaction process for boron carbide matrix metal-ceramics is around 2–3 min.
Figure 28.
Dependence of bending strength of B4C–(Cu–Mn) (●) and B4C–(Cu–Ti) (▲) metal-ceramics on SPS compaction time [5].
For the B4C–(Cu–Mn) metal-ceramics, bending strength was studied in relation to the binding phase content (Figure 29), aiming to find its optimal composition. Initially, bending strength increases as the binder content approaches maximum (~35wt.%). Subsequent increase of the binder content decreases the material’s bending strength value. These peculiarities can be explained by destructions occurring in the composite and possibly in the transformation between plastic and brittle conditions.
Figure 29.
Dependence of bending strength on Cu–Mn binder phase content in B4C–(Cu–Mn) metal-ceramic (Cu—67 and Mn—33wt.%) [5].
When the matrix material (B4C) approaches ~60wt.%, the composite strength is determined by the strength of its particles and the interfaces between them. Fracturing occurs in metal-ceramics when the load exceeds the matrix strength; however, this value remains lower than the corresponding bending strength.
5.2. B4C–(Co–Ni–Ti)
The boron carbide matrix metal-ceramic nanocomposite with ternary metallic alloy Co–Ni–Ti as a binder for B4C–(Co–Ni–Ti) was studied in [4].
Boron carbide is known to be a chemically active substance, especially with metals at high temperature. It exhibits moderate reactivity in relation to subgroups IV and VI metals. Previously, relatively low-melting metallic alloys that are relatively low-reactive with boron carbide (Cu–Ni, Cu–Ti, Cu–Mn and Cu–Mn–Ti) were used to bind composites based on a boron carbide matrix. With these facts in mind, a cobalt–nickel–titanium ternary metallic alloy (Co–Ni–Ti) was chosen as a binder during development of a boron carbide matrix. The Ni–Ti alloy, in which the Ni content is about 27wt.%, is eutectic with melting point at 924 °C. As a binder basis, it was combined with Co (5wt.%). As cobalt is next to nickel in the Periodic Table, it mostly replaces nickel in the solid solution sublattice.
Figure 30 shows the temperature and exposure time dependences of the wetting angle between solid boron carbide and the molten Co–Ni–Ti metallic alloy, obtained by the lying drop method. These results should be considered when determining which B4C–(Co–Ni–Ti) metal-ceramic powder SPS processing parameters to choose for compaction temperature and duration so that undesirable metal boride phases are only formed in negligible amounts.
Figure 30.
Temperature (a) and exposure time dependences (b) of wetting angle of boron carbide with Co–Ni–Ti ternary metallic alloy. Reprinted with permission from [4], published by Taylor & Francis Ltd., 2019.
B4C–(Co–Ni–Ti) powder obtained by mechanical dispersion of the components was compacted using two-step SPS (compacting temperature, pressure, and time were 1000–1150 °C, 4.1–4.4 MPa, and 2–3 min, respectively). During the first step, the applied current and pressure was gradually increased until the metal binder was melted. The second step consisted of removing the pressure and keeping the sample at fixed temperature. From the B4C–(Co–Ni–Ti) metal-ceramic TEC temperature-dependence (Figure 31), measured up to 600 °C, we see that the TECs of two evaluated compositions are almost independent of the temperature in the range of 250–600 °C and that the material is characterized by stable dimensional factors.
Figure 31.
Temperature-dependence of TEC of B4C–(Co–Ni–Ti) metal-ceramic at metallic binder content of 25 (●) and 35wt.% (■). Reprinted with permission from [4], published by Taylor & Francis Ltd., 2019.
At the highest mechanical properties (room temperature microhardness of 730 and bending strength of 1000 MPa) the optimal content of the metallic binder was estimated to be 25wt.%. In this case, the wt.% of the Ni–Ti component is close to that in the eutectic, while the binder contains 5wt.%Co.
6. Complex Metal-Ceramic Compositions with Diborides and Tungsten Carbide–Cobalt
6.1. WC–Co
Frequently, powders of cobalt (Co) in its free metallic state or in composition with tungsten carbide (WC–Co) are introduced into a boron matrix ceramic powder. Cobalt improves the latter’s sinterability by reducing the sintering temperature and increasing the density of the obtained material by reducing its porosity. In addition, the Co, WC, and WC–Co phases reduce grain size in the formed boron carbide phase. As a result, the addition of tungsten carbide–cobalt metal-ceramic can significantly improve the product’s performance characteristics.
Heating (by hot pressing or SPS) of the powder mixture containing boron carbide and tungsten carbide (in form of WC–Co) is attended by reactions; boron carbide is a boronizing agent forming tungsten borides, predominantly W2B5. In such cases, both diborides such as TiB2 and ZrB2 and tungsten boride (W2B5) are used to increase the sinterability of the boron carbide matrix composite and to improve the physical-mechanical properties of the B4C matrix.
In order to obtain a WC–Co metal-ceramic using the liquid-charge method, tungsten chloride (WCl6·6H2O) and cobalt (cementing metal) chloride (CoCl2·6H2O) were used [5]. During the first stage, suspension solutions of these components are sprayed onto a substrate in an oxidizing atmosphere at 400 °C. The second stage involves a process of carbidization at 850 °C. The organic solvent used is considered as both a carbide forming component and also as a homogenizer of all the components; it is critical for obtaining the product in nanostructured state. Figure 32 and Figure 33 show the XRD pattern and SEM image of a WC–10wt.%Co powder prepared in this way, respectively.
Figure 32.
XRD pattern of WC–10wt.%Co metal-ceramic powder [5].
Figure 33.
SEM image of WC–10wt.%Co metal-ceramic powder [5].
Compaction of the powder was carried out using the SPS method (compaction temperature, pressure, and time were 1200 °C, 20 MPa, and 5 min, respectively). The grain size, density, tensile strength, and hardness of the obtained WC–10wt.%Co metal-ceramic were 40 nm, 14.6 g/cm3, 240 kgf/mm2, and 93.8 HR, respectively.
Alternatively, the Co(CH3COO)2∙4H2O–(NH4)10(H2W11O41)∙4H2O–(C12H22O11) mixture annealed [12] in an inert or reducing atmosphere at 600–750 °C reduces cobalt and tungsten oxides to their corresponding metals; subsequent heating at 750–1000 °C forms the WC–Co phase (Figure 34).
Figure 34.
XRD pattern of WC–20wt.%Co obtained at 1000 °C. Reprinted with permission from [12], published by Elsevier, 2022.
This metal-ceramic is used to produce hardmetal cutting tools (Figure 35). Alternatively, powdered WC–Co metal-ceramic can be used as an effective inhibitor of particle growth for B4C–(Ti,Zr)B2 composites.
Figure 35.
Cutting tool made from WC–10wt.%Co metal-ceramic [15].
6.2. B4C–TiB2–(WC–Co)
Improvement of the physical-mechanical properties of the B4C–TiB2 ceramic nanocomposite is possible by introducing metallic cobalt Co as a binder. It reduces particle size and makes the material almost monodispersive. The SEM image of B4C–25wt.%TiB2–10wt.%Co composite synthesized [7] from a liquid-charge is shown in Figure 36. During heating of the B4C–TiB2 precursor not containing Co, low-temperature synthesis of titanium carbide (TiC) was revealed. As for the metal-ceramic powder containing Co as well, XRD study of its powder product clearly reveals the presence of B4C, TiB2, and Co phases, but not TiC. The EDX spectrum of powder composite B4C–25wt.%TiB2–10wt.%Co confirms that, in addition to B4C and TiB2, free Co is present. The difference between the ratios of B:C:Ti:Co experimentally obtained from EDX spectrum and theoretically expected from liquid-charge composition seems to be related to both the presence of free C and to partial evaporation of cobalt. Comparing various composites, one can conclude that the addition of about 10wt.%Co into the B4C–25wt.%TiB2 composite can significantly change particle size and morphology. In addition, the material becomes almost monodispersive, but is bounded by the inclusion of boron oxide. This result indicates the need to make the content optimal. These results identify the role of metallic cobalt in the formation of boron carbide and titanium diboride composites.
Figure 36.
SEM image of B4C–TiB2–Co composite powder obtained at 1500 °C. Reproduced with permission from [7], published by Elsevier, 2020.
Introducing the Co binder component together with the WC additional ceramic component in the right proportion makes the composite more dispersive and significantly improves the material’s physical-mechanical properties. Synthesis of fine-grained complex composite material B4C–TiB2–(WC–Co) in a single process is conducted in a manner similar to that for B4C–TiB2–Co composite, but with an added tungsten source (such as tungsten oxide; WO3 [7]) in the reaction mixture. The morphology of the powder with the well-adjusted B4C–25wt.%TiB2–10wt.%(WC–10wt.%Co) composite (Figure 37) clearly shows a reduction in the size of B4C particles from 500 to 5000 to 200 to 600 nm.
Figure 37.
SEM images of B4C–25wt.%TiB2–10wt.%(WC–10wt.%Co) powders obtained at 1500 °C: general (a) and some special perspectives (b). Reproduced with permission from [7], published by Elsevier, 2020.
It can be concluded that the formed phases of Co, WC, and WC–Co alloy inhibit the growth of boron carbide and titanium diboride grains. XRD pattern of this composite powder proves the presence of B4C, TiB2, WC, and Co phases. The low intensity of the WC peak is explained by both its low content and by the transformations that occurred in the WO3 precursor. In addition, the material may contain free carbon in the form of graphite ultrafine grains and various tungsten boride “amorphous” mixtures. Deviations between ratios B:C:Ti:Co:W experimentally obtained (from EDX spectrum) and theoretically expected (from charge composition) show that the reduction of carbon and evaporation of cobalt are added with the formation of tungsten borides; these are known to exist in a number of different compositions and structures.
The sintering temperature of B4C–TiB2–(WC–Co) composite powders should not exceed 1600 °C because the tungsten interaction with boron carbide at higher temperatures leads to the formation of tungsten borides; after this, the material will not retain its composition. To examine these possibilities, a test process was conducted at 1800 °C using commercially available power mixtures of B4C, TiB2, and WC–Co.
The XRD pattern (Figure 38) of the product shows that boron carbide (B4C), titanium diboride (TiB2), and tungsten boride (W2B5) are present in crystalline states, alongside graphite traces. This means that at lower temperatures additional phases primarily consisting of tungsten borides and carbon should be expected. If free carbon is in the form of turbostratic graphite, it would be invisible in the XRD pattern; the same is true for the tungsten boride ultrafine powder mixture.
Figure 38.
XRD pattern of B4C–TiB2–W2B5 powder composite obtained at 1800 °C. Reproduced with permission from [7], published by Elsevier, 2020.
Figure 39 shows some of the SPS compacts made using B4C–TiB2–(WC–Co) powders obtained from liquid-charge. Table 5 summarizes some of the physical-mechanical characteristics of B4C–TiB2 alloys modified with a few wt.% of WC–Co. One can see that particle and grain size in initial powders and final compacts are different for samples from groups 1-2-3 and 4-5-6, respectively. Lower (submicron-scale) particle/grain sizes from samples of group 4-5-6 leads to a better set of mechanical properties when compared to (μm-scale) samples from group 1-2-3 with same content of the WC–Co modifier phase. Within both groups, increasing the WC–Co content only slightly affects microhardness, but more palpably improves bending strength and fracture toughness.
Figure 39.
SPS compacts of (B4C–20wt.%TiB2)–33wt.%(WC–8wt.%Co) (a), (B4C–20wt.%TiB2)–70wt.%(WC–8wt.%Co) (b), (B4C–20wt.%TiB2)–60wt.%(WC–8wt.%Co) (c), (B4C–20wt.%TiB2)–20wt.%(WC–8wt.%Co) (d) and (B4C–20wt.%TiB2)–3wt.%(WC–8wt.%Co) (e) compositions of simple geometry [128].
Table 5.
Physical-mechanical characteristics of B4C–20wt.%TiB2 alloys modified with WC–8wt.%Co.
Based on the key physical-mechanical characteristics of the components (Table 6) and the general relationships between them [130], we have evaluated the bending strength σ of B4C–TiB2–(WC–Co) composites with heightened amounts of the WC–Co modifier phase from their measured microhardness H (Table 7). They are proportional (H = kσ) with a proportionality coefficient k strongly dependent on the composition. In particular, it achieves high values for ceramics (k >> 1). For single-phase materials σ = H/k, but for composite materials σ = HΣici/ki, where index i numbers the component phases, ci is their surface shares (as microhardness is measured by the surface indentation), while ki is the H/σ ratio for the component phases. The tested samples contained four phases: B4C, TiB2, WC, and Co. From their densities and weight shares, we recalculated their volume and then surface shares. These estimates, based on microhardness measurements, lead to quite credible values in the range of 518 to 2194 MPa, correlating with cobalt content in tested samples. For them, particle and grain sizes in initial powders and final compacts is almost similar to that of presented in Table 5 (samples of group 1-2-3, i.e., of μm-scale). However, the content of the WC–Co modifier phase is significantly higher (20–70 instead of 8wt.%). Typically, increasing the μm-scale high-strength modifier content reduces the microhardness of a ceramic composite but increases its bending strength. One can see that data provided by Table 5 and Table 7 fit these general trends.
Table 6.
Key physical-mechanical characteristics of components of B4C–TiB2–(WC–Co) composites [130].
Table 7.
Measured hardness and calculated bending strength of B4C–TiB2–(WC–Co) compositions.
6.3. B4C–ZrB2–(WC–Co)
Further improvement in the physical-mechanical properties of boron carbide–zirconium diboride composites, similar to that in the titanium diboride case, can be achieved by formation of its complex composite with tungsten carbide–cobalt: B4C–ZrB2–(WC–Co). In particular, to produce complex metal-ceramic powder composite B4C–16wt.%ZrB2–20wt.%(WC–20wt.%Co), we have used powders of commercially available B4C and ZrB2 and WC–20wt.%Co obtained using the proposed liquid-charge method.
These compositions are characterized by high homogeneity and contain an additional WC–Co phase in the nanocrystalline state (Figure 40). Compacting of ultra-dispersive and nanostructured B4C–ZrB2–(WC–Co) metal-ceramics conducted by SPS allows the minimization of the duration of the high-temperature treatment; this inhibits grain growth, allowing a highly dense material to be obtained (Figure 41).
Figure 40.
SEM image of B4C–16wt.%ZrB2–20wt.%(WC–20wt.%Co) nanocrystalline metal-ceramic system [128].
Figure 41.
SEM image of B4C–16wt.%ZrB2–20wt.%(WC–20wt.%Co) compact fault surface [128].
Table 8 shows measured densities of B4C–ZrB2–10wt.%(WC–Co) composites obtained using different versions of the liquid-charge method, but with identical SPS parameters (temperature of 1700 °C, pressure of 60 MPa, and expose time of 7 min). The liquid charge-synthesis Route 1 providing the density closest to the theoretical value means the two composite-components, B4C–ZrB2 and WC–Co, are obtained separately; then, they are milled and mixed in an attritor before compacting.
Table 8.
Density of B4C–ZrB2–10wt.%(WC–Co) composites.
Among the tested compositions, the best physical-mechanical characteristics are detected for (B4C–20wt.%ZrB2)–25wt.%(WC–Co) (see Table 9).
Table 9.
Physical-mechanical properties of B4C–ZrB2–(WC–Co) composites.
As the precursors both contain boron and tungsten, their heat treatment can form tungsten borides, primarily W2B5. Instead of B4C–ZrB2–WC or B4C–ZrB2–(WC–Co) composites, one obtains B4C–ZrB2–W2B5 or B4C–ZrB2–W2B5–Co composites depending on whether the charge is cobalt-free or not.
We have found that thermal treatment of dried powders at 800 and 1000 °C for 2 h yields intermediate products in the form of preceramic precursors. Their typical XRD spectra are shown in Figure 42.
Figure 42.
Typical XRD spectra of preceramic precursors of B4C–ZrB2–(WC–Co) composites obtained from liquid-charge [128].
Further processing of powders carried out [12] at higher temperatures (for example, at 1500 °C for 4 h in an inert atmosphere) practically eliminates the differences between charge phase compositions and always promotes the formation of powders primarily consisting of B4C, ZrB2, and W2B5 (Figure 43).
Figure 43.
XRD pattern of product obtained from preceramic powder at 1500 °C. Reprinted with permission from [12], published by Elsevier, 2022.
The presence of free cobalt in such preceramic precursors is not observable by the XRD spectra, but is evidenced by EDX analysis. It can be concluded that when a liquid-charge method makes the moderate temperature synthesis of the preceramic precursor powders containing formed tungsten boride phase W2B5 possible, their heat treatment with hot pressing or SPS methods at heightened temperatures must result in obtaining complex ceramic composites of ZrB2–B4C–W2B5–Co-type.
A relatively low-temperature method of synthesis recently proposed [11] for ultra-fine powders of boron carbide matrix composites containing tungsten boride includes annealing (first at 200 and then at 600 °C in an air and inert atmosphere, respectively) of a viscous paste mixture prepared from amorphous boron, sucrose, zirconium oxide, ammonium paratungstate, and cobalt acetate tetrahydrate, followed by further grinding with finally annealing at 800–1500 °C.
SPS compacting of these complex powder composites is conducted at 1000–1700 °C. The amorphous carbon a-C, WO3−x, Co3O4, and CoO phases are formed at 600 °C. Formation of the B4C, ZrB2, WC–Co, and W2B5 phases at relatively low temperatures (800–1000 °C) was confirmed by the XRD data. Tungsten carbide then completely converts into tungsten boride (Figure 44). EDX analysis shows that the product may contain only a small amount (0.8–2.0wt.%) of metallic Co (invisible in XRD pattern). During sintering, press-forms are permeable to molten cobalt; if the amount of cobalt exceeds about 10vol.%, it leaks out. Despite its partial release and evaporation, some cobalt remains in the composite. As liquid cobalt acts as a plasticizer, increasing the grains’ mobility, it promotes the powder sinterability in the same way. This makes the density of cobalt-containing composites (B4C–ZrB2–W2B5–Co) higher when compared to that of cobalt-free ones (B4C–ZrB2–W2B5).
Figure 44.
XRD patterns of complex composites obtained at 1500 (a) and 1700 °C (b) by SPS method from powder preceramic precursors [128].
To detect the impact of the precursor powder preparation method on the material’s properties, the powder mixtures of commercially available boron carbide, zirconium diboride, and tungsten pentaboride with and without a 4% cobalt additive were prepared and sintered under almost identical conditions. With the cobalt-free precursor mixture, the product was very poorly sintered and, consequently, its sample density is low; the influence of cobalt on the SPS process is evident. As for the density of samples obtained from cobalt-containing precursors, at a Co content of 2wt.%, it reaches 85.0–86.7% of the theoretical density.
7. Conclusions
This review summarizes the results of studies on advanced boron carbide matrix nanocomposite materials obtained by a recently developed liquid-charge method. In particular, available structural and physical-mechanical characteristics are provided for:
- Ceramic boron carbide–metal diborides: B4C–TiB2 and B4C–ZrB2;
- Metal-ceramic boron carbide–metallic alloys: B4C–(Cu–Mn), B4C–(Cu–Ti) and B4C–(Co–Ni–Ti);
- Complex metal-ceramic boron carbide–metal diborides–(tungsten boride–cobalt): B4C–TiB2–(WC–Co), B4C–ZrB2–(WC–Co) and of some related compositions.
If boron carbide matrix composites are prepared in the nanostructured form, they must possess additional improved characteristics (heightened strength, fracture toughness, thermal conductivity, etc.) while retaining high hardness and a combination of the other useful physical-mechanical properties of pure boron carbide; boron carbide is widely used in techniques and industries that require a hard material with the highest hardness-to-density ratio.
Boron carbide matrix nanocomposites can serve as structural materials for parts required for use in extreme temperature and pressure conditions; this includes bearings, cutting tools, abrasives, ballistic armor plates, planetary mill media, and nuclear engines, among others.
Author Contributions
Conceptualization, L.C. and A.M.; methodology, L.C., A.M., O.T., V.T. and R.C.; software, O.T., Z.M. and N.B.; validation, L.C., O.T., L.N. and R.C.; formal analysis, L.C., O.T., V.T., N.B. and R.C.; investigation, L.C., A.M., O.T., V.K., V.T., Z.M., D.D., N.B., L.N., K.S., I.J., M.B. and R.C.; resources, O.T., V.T. and N.B.; data curation, O.T., V.T., Z.M., D.D., L.N., K.S., I.J. and M.B.; writing—original draft preparation, L.C., V.K., N.B. and R.C.; writing—review and editing, L.C.; visualization, O.T., V.T., Z.M., D.D., L.N., K.S., I.J. and M.B.; supervision, L.C. and O.T.; project administration, L.C. and O.T.; funding acquisition, L.C. and O.T. All authors have read and agreed to the published version of the manuscript.
Funding
This research was funded by Shota Rustaveli National Science Foundation of Georgia (SRNSFG), Grant # AR-18-1045, 2018–2021. The APC was funded by authors.
Data Availability Statement
Not applicable.
Conflicts of Interest
The authors declare no conflict of interest. The funders had no role in the design of the study; in the collection, analyses, or interpretation of data; in the writing of the manuscript, or in the decision to publish the results.
References
- Antadze, M.; Chedia, R.; Tsagareishvili, O.; Mikeladze, A.; Gacheciladze, A.; Margiev, B.; Gabunia, D.; Tsuladze, T.; Khantadze, J. Metal-ceramics based on nanostructured boron carbide. Solid State Sci. 2012, 14, 1725–1728. [Google Scholar] [CrossRef]
- Bairamashvili, I.A.; Galustashvili, M.V.; Jobava, J.S.; Kvatchadze, V.G.; Mestvirishvili, Z.Z. Composite ceramics based on boron carbide enriched in isotope 11B as a promising radiation-resistant structural material. Nano Stud. 2013, 8, 305–310. (In Russian) [Google Scholar]
- Mestvirishvili, Z.; Bairamashvili, I.; Kvatchadze, V.; Rekhviashvili, N. Thermal and mechanical properties of B4C–ZrB2 ceramic composite. J. Mater. Sci. Eng. B 2015, 5, 385–393. [Google Scholar] [CrossRef]
- Mikeladze, A.; Tsagareishvili, O.; Chkhartishvili, L.; Chedia, R.; Darchiashvili, M. Production of titanium-containing metal-ceramic composites based on boron carbide in the nanocrystalline state. Adv. Appl. Ceram. 2019, 118, 196–208. [Google Scholar] [CrossRef]
- Mikeladze, A.; Tsagareishvili, O.; Chkhartishvili, L.; Chedia, R. Obtaining of some boron-containing and related nanocrystalline systems from solutions and suspensions. In Proceedings Book of the International Symposium on Boron; Boren: Nevsehir, Turkey, 2019; pp. 181–191. [Google Scholar]
- Barbakadze, N.; Sarajishvili, K.; Chedia, R.; Chkhartishvili, L.; Tsagareishvili, O.; Mikeladze, A.; Darchiashvili, M.; Ugrekhelidze, V. Obtaining of ultrafine powders of some boron carbide based nanocomposites using liquid precursors. Nanotechnol. Percept. 2019, 15, 243–256. [Google Scholar] [CrossRef]
- Chkhartishvili, L.; Mikeladze, A.; Chedia, R.; Tsagareishvili, O.; Barbakadze, N.; Sarajishvili, K.; Darchiashvili, M.; Ugrekhelidze, V.; Korkia, T. Synthesizing fine-grained powders of complex compositions B4C–TiB2–WC–Co. Solid State Sci. 2020, 108, 106439-1–106439-8. [Google Scholar] [CrossRef]
- Mestvirishvili, Z.; Kvatchadze, V.; Bairamashvili, I.; Jalabadze, N.; Mestvirishvili, T. Development of the method of production of the ultrafine macrohomogeneous composite powder. Mater. Sci. Technol. 2020, 36, 327–333. [Google Scholar] [CrossRef]
- Chkhartishvili, L.; Antashvili, L.; Dalakishvili, L.; Chedia, R.; Tsagareishvili, O.; Mikeladze, A. On modeling of synthesis process of boron carbide based nanocomposites. Condensed Matter 2021, 6, 3. [Google Scholar] [CrossRef]
- Mestvirishvili, Z.; Gventsadze, D.; Kvatchadze, V.; Mikeladze, A.; Bairamashvili, I.; Kovziridze, Z. 11B4C and 11B4C–Zr11B2 self-lubricating ceramics for dry friction knots of nuclear reactor. Ceram. Adv. Technol. 2021, 23, 42–53. (In Georgian) [Google Scholar]
- Chkhartishvili, L.; Mikeladze, A.; Jalabadze, N.; Nadaraia, L.; Korkia, T.; Chedia, R. New low-temperature method of synthesis of boron carbide matrix ceramics ultra-dispersive powders and their spark plasma sintering. Solid State Phenom. 2022, 331, 173–184. [Google Scholar] [CrossRef]
- Barbakadze, N.; Chkhartishvili, L.; Mikeladze, A.; Tsagareishvili, O.; Sarajishvili, K.; Korkia, T.; Darchiashvili, M.; Rurua, L.; Jalabadze, N.; Chedia, R. Method of obtaining multicomponent fine-grained powders for boron carbide matrix ceramics production. Mater. Today Proc. 2022, 51, 1863–1871. [Google Scholar] [CrossRef]
- Gabunia, D.; Gachechiladze, A.; Mikeladze, A.; Tsagareishvili, O.; Chkhartishvili, L. Obtaining opportunities of boron carbide powders based hetero-modulus ceramics. In Micro et Nano: Sciantiæ Mare Magnum; Fiore, S., Belviso, C., Giannossi, M.L., Eds.; Associazione Italiana per lo Studio delle Argille: Bari, Italy, 2009; Volume 1, p. 86. [Google Scholar]
- Barbakadze, N.; Sarajishvili, K.; Chedia, R.; Chkhartishvili, L.; Tsagareishvili, O.; Mikeladze, A.; Darchiashvili, M.; Ugrekhelidze, V. Obtaining of ultrafine powder composites of tungsten, molybdenum, titanium and boron carbides using liquid precursors. In Book of Abstracts of the 11th Japanese–Mediterranean Workshop on Applied Electromagnetic Engineering for Magnetic, Superconducting, Multifunctional and Nanomaterials; Batumi State University: Batumi, Georgia, 2019; pp. 114–115. [Google Scholar]
- Tavadze, G.F.; Chkhartishvili, L.S. Development of nanotechnologies of production of composite materials in the Ferdinand Tavadze Institute of Metallurgy and Materials Science—Achievements and prospects. Nano Stud. 2016, 13, 59–78. (In Russian) [Google Scholar]
- Chkhartishvili, L.; Mikeladze, A.; Tsagareishvili, O.; Gachechiladze, A.; Oakley, A.; Margiev, B. Boron-containing nanocrystalline ceramic and metal-ceramic materials. In Handbook of Nanomaterials for Industrial Applications; Hussain, C.M., Ed.; Elsevier: Amsterdam, The Netherlands, 2018; Chapter 2; pp. 13–35. [Google Scholar]
- Chkhartishvili, L. On obtaining boron carbide based nanocomposites. In Proceedings of the International Conference on Materials Science, Mechanical and Automotive Engineering and Technology in Cappadocia; Kurt, B., Carboga, C., Bayer Ozturk, Z., Kuckdeveci, N., Eds.; Bektas Veli University: Nevsehir, Turkey, 2019; pp. 17–21. [Google Scholar]
- Chkhartishvili, L.; Tsagareishvili, O.; Mikeladze, A.; Chedia, R.; Kvatchadze, V.; Ugrekhelidze, V. Highly stable boron carbide based nanocomposites. In Handbook of Nanomaterials and Nanocomposites for Energy and Environmental Applications; Kharissova, O.V., Martinez, L.M.T., Kharisov, B.I., Eds.; Springer Nature: Cham, Switzerland, 2021; Volume 1, Chapter 15; pp. 327–351. [Google Scholar]
- Chkhartishvili, L.; Dekanosidze, S. Obtaining of boron carbide based titanium-containing nanocomposites (Mini-review). Nano Stud. 2020, 20, 7–18. [Google Scholar] [CrossRef]
- Chkhartishvili, L.; Gventsadze, D.; Tavadze, G.; Mikeladze, A.; Tsagareishvili, O.; Kovziridze, Z. Greener route of obtaining boron-containing nanocomposites. In Handbook of Greener Synthesis of Nanomaterials and Compounds; Kharisov, B.I., Kharissova, O.V., Eds.; Elsevier: Amsterdam, The Netherlands, 2021; Volume 2, Chapter 15; pp. 329–353. [Google Scholar]
- Chkhartishvili, L.; Mikeladze, A.; Chedia, R.; Tsagareishvili, O.; Jalabadze, N.; Barbakadze, N.; Kvatchadze, V.; Darchiashvili, M.; Sarajishvili, K.; Rurua, L.; et al. Boron carbide based nanocomposites with advanced mechanical properties. In Proceedings of the 8th International Conference and Exhibition on Advanced and Nano Materials; International Academy of Energy, Minerals and Materials: Ottawa, ON, Canada, 2021; pp. 1–16. [Google Scholar]
- Chkhartishvili, L.; Mikeladze, A.; Chedia, R.; Tsagareishvili, O.; Bugdayci, M.; Karagoz, I.; Maras, T.; Jalabadze, N.; Kvatchadze, V. Combustion synthesis of boron carbide matrix for superhard nanocomposites production. In Advances in Combustion Synthesis and Technology; Bugdayci, M., Oncel, L., Eds.; Bentham Science Publishers: Singapore, 2022; Chapter 4; pp. 66–95. [Google Scholar]
- Tsagareishvili, O.; Mikeladze, A.; Chedia, R.; Chkhartishvili, L. Method of Obtaining Boron Carbide Based Hard Nanocomposite Materials. National Centre for Intellectual Property of Georgia “Geo Patent”. Patent # GE P 2018 6709 B, 11 October 2018. pp. 1–7 (In Georgian). [Google Scholar]
- Sonber, J.K.; Murthy, T.S.R.C.; Subramanian, C.; Fotedar, R.K.; Hubli, R.C.; Suri, A.K. Synthesis, densification and characterization of boron carbide. Trans. Ind. Ceram. Soc. 2013, 72, 100–107. [Google Scholar] [CrossRef]
- Durandurdu, M. Amorphous BC5 from first principles calculations. J. Non-Cryst. Solids 2022, 592, 121743-1–121743-5. [Google Scholar] [CrossRef]
- Chakraborti, A.; Guignot, N.; Vast, N.; Le Godec, Y. Synthesis of boron carbide from its elements up to 13 GPa. J. Phys. Chem. Solids 2021, 159, 110253-1–110253-10. [Google Scholar] [CrossRef]
- Subramanian, C.; Suri, A.K.; Murthy, T.S.R.C. Development of boron-based materials for nuclear applications. BARC News Lett. 2010, 313, 14–22. [Google Scholar]
- Sonber, J.K.; Murthy, T.S.R.C.; Sairam, K.; Bedse, R.D.; Hubli, R.C.; Chakravartty, J.K. Development and production of 10B enriched boron carbide (B4C) pellets for control rod application in PFBR. BARC News Lett. 2015, 2015, 259–264. [Google Scholar]
- Chang, I.T.H.; Falticeanu, C.L. Production of Boron Carbide Powder. Patent Appl. Publ. US 2015/0299421 A1, 22 October 2015. p. 1. [Google Scholar]
- Kakiage, M. Low-temperature synthesis of boride powders by controlling microstructure in precursor using organic compounds. J. Ceram. Soc. Jpn. 2018, 126, 602–608. [Google Scholar] [CrossRef]
- Budak, E.; Hizarci, S.; Yilmaz, E. Recycling of hazelnut shell: Synthesis of boron carbide by carbothermic reaction. Proc. Int. Conf. Radiat. Appl. 2019, 4, 162–166. [Google Scholar]
- Qian, S.; Zhang, B. Research of preparation boron carbide micro powder by combustion synthesis method. Metall. Eng. 2020, 7, 83–91. (In Chinese) [Google Scholar]
- Al-Taie, M.H.; Chyad, F.A.; Alaa Jaber, H. An experimental investigation of B4C preparation from boric acid–polymeric gel precursors at low temperature. Iraqi J. Mech. Mater. Eng. 2014, 14, 408–422. [Google Scholar]
- Shawgi, N.; Li, S.X.; Wang, S.; Wang, Z.; Nie, Y.N. Synthesis of nano particles and fiber-like shape boron carbide powder from ploy (vinyl alcohol) and boric acid. J. Sol–Gel. Sci. Technol. 2017, 82, 450–457. [Google Scholar] [CrossRef]
- Karaahmet, O.; Cicek, B. Use of partially hydrolyzed PVA for boron carbide synthesis from polymeric precursor. Ceramics–Silikaty 2020, 64, 434–446. [Google Scholar] [CrossRef]
- Faridaddin Feiz, S.; Nikzad, L.; Majidian, H.; Salahi, E. Performance of glucose, sucrose and cellulose as carbonaceous precursors for the synthesis of B4C powders. Synth. Sinter. 2022, 2, 26–30. [Google Scholar] [CrossRef]
- Shawgi, N.; Li, S.X.; Wang, S. A novel method of synthesis of high purity nano plated boron carbide powder by a solid-state reaction of poly (vinyl alcohol) and boric acid. Ceram. Int. 2017, 43, 10554–10558. [Google Scholar] [CrossRef]
- Shawgi, N.; Li, S.X.; Wang, S.; Li, Y.; Ramzi, R. Towards a large-scale production of boron carbide nano particles from poly (vinyl alcohol) and boric acid by a solid-state reaction-pyrolysis process (SRPP). Ceram. Int. 2018, 44, 774–778. [Google Scholar] [CrossRef]
- Ozcelik, B.K.; Ergun, C. Boronated carbon and boron carbide synthesize via aerosol method. Mater. Sci. Technol. 2014, 14, 1–6. [Google Scholar]
- Saritha Devi, H.V.; Swapna, M.S.; Sankararaman, S. Boron carbide nanowires from castor oil for optronic applications: A low-temperature greener approach. Res. Square 2020, 1–11. [Google Scholar] [CrossRef]
- Watts, J.L.; Talbot, P.C.; Alarco, J.A.; Mackinnon, I.D.R. Morphology control in high yield boron carbide. Ceram. Int. 2017, 43, 2650–2657. [Google Scholar] [CrossRef]
- Taran, A.V.; Garkusha, I.E.; Taran, V.S.; Muratov, R.M.; Skoblo, T.S.; Sidashenko, O.I.; Romaniuk, S.P.; Maltsev, T.V.; Baturin, A.A. Structure and properties of B4C coatings obtained by RF sputtering with external magnetic field. In Nanomaterials and Nanocomposites, Nanostructure Surfaces, and Their Applications; Fesenko, O., Yatsenko, L., Eds.; Springer Nature: Cham, Switzerland, 2021; pp. 51–57. [Google Scholar]
- Fahrenholtz, W.G.; Binner, J.; Zou, J. Synthesis of ultra-refractory transition metal diboride compounds. J. Mater. Res. 2016, 31, 2757–2772. [Google Scholar] [CrossRef]
- Liu, D.; Fu, Q.; Chu, Y. Molten salt synthesis, formation mechanism, and oxidation behavior of nanocrystalline HfB2 powders. J. Adv. Ceram. 2020, 9, 35–44. [Google Scholar] [CrossRef]
- James, A.L.; Lenka, M.; Pandey, N.; Ojha, A.; Kumar, A.; Saraswat, R.; Thareja, P.; Krishnan, V.; Jasuja, K. Process able dispersions of photocatalytically active nanosheets derived from titanium diboride: Self assembly into hydrogels and paper-like macrostructures. Nanoscale 2020, 12, 17121–17131. [Google Scholar] [CrossRef] [PubMed]
- Coban, O.; Bugdayci, M.; Ercan Acma, M. Production of B4C–TiB2 composite powder by self-propagating high-temperature synthesis. J. Aust. Ceram. Soc. 2022, 58, 777–791. [Google Scholar] [CrossRef]
- Murchie, A.C.; Watts, J.L.; Fahrenholtz, W.G.; Hilmas, G.E. Mechanical properties of borothermally synthesized zirconium diboride at elevated temperatures. Int. J. Appl. Ceram. Technol. 2021, 18, 1235–1243. [Google Scholar] [CrossRef]
- Neuman, E.W.; Wittmaier, C.C.; Fahrenholtz, W.G.; Hilmas, G.E. Zirconium diboride laminates for improved damage tolerance at elevated temperatures. Int. J. Appl. Ceram. Technol. 2021, 18, 1845–1852. [Google Scholar] [CrossRef]
- Selim Parlakyigit, A.; Ergun, C. A facile synthesis method for in situ composites of TiB2/B4C and ZrB2/B4C. J. Aust. Ceram. Soc. 2022, 58, 411–420. [Google Scholar] [CrossRef]
- Gonzalez Szwacki, N. The structure and hardness of the highest boride of tungsten, a borophene-based compound. Sci. Rep. 2017, 7, 4082-1–4082-6. [Google Scholar] [CrossRef]
- Mazo, I.; Molinari, A.; Sglavo, V.M. Electrical resistance flash sintering of tungsten carbide. Mater. Des. 2022, 213, 110330-1–110330-13. [Google Scholar] [CrossRef]
- Senyurt, B.; Akcamli, N.; Agaogullari, D. In-situ synthesis of tungsten boride-carbide composite powders from WO3–B2O3–Mg–C quaternary system via a mechanochemical route. Ceram. Int. 2021, 47, 1640–1650. [Google Scholar] [CrossRef]
- Jiang, B.; Song, H.; Kang, Y.; Wang, S.; Wang, Q.; Zhou, X.; Kani, K.; Guo, Y.; Ye, J.; Li, H.; et al. A mesoporous non-precious metal boride system: Synthesis of mesoporous cobalt boride by strictly controlled chemical reduction. Chem. Sci. 2019, 11, 791–796. [Google Scholar] [CrossRef] [PubMed]
- Peng, Y.; Wang, H.; Zhao, C.; Hu, H.; Liu, X.; Song, X. Nanocrystalline WC–Co composite with ultrahigh hardness and toughness. Composites B 2020, 197, 108161-1–108161-11. [Google Scholar] [CrossRef]
- Demir, E.; Popov, E.; Mirzayev, M.; Slavov, L.; Neov, D.; Donkov, A.; Siemek, K.; Vershinina, T.; Genov, I.; Beskrovnyi, A.; et al. Effects of swift heavy ions at different fluencies on WC–6Co hard metal alloy. Int. J. Ref. Met. Hard Mater. 2022, 106, 105865-1–105865-10. [Google Scholar] [CrossRef]
- Dai, J.; Lee, W.; Gomez, E.D.; Yamamoto, N. Demonstrating low-temperature sintering of boron carbide powders. Int. J. Ceram. Eng. Sci. 2019, 1, 178–184. [Google Scholar] [CrossRef]
- Liu, G.; Chen, S.; Zhao, Y.; Fu, Y.; Wang, Y. The effects of transition metal oxides (Me = Ti, Zr, Nb, and Ta) on the mechanical properties and interfaces of B4C ceramics fabricated via pressureless sintering. Coatings 2020, 10, 1253. [Google Scholar] [CrossRef]
- Wang, S.; Li, L.; Yan, S.; Deng, Y.; Gao, S.; Xing, P. Preparing B4C–SiC–TiB2 composites via reactive pressureless sintering with B4C and TiSi2 as raw materials. J. Mater. Res. Technol. 2020, 9, 8685–8696. [Google Scholar] [CrossRef]
- Neuman, E.W.; Hilmas, G.E.; Fahrenholtz, W.G. Pressureless sintering of zirconium diboride with carbon and boron carbide nanopowder. Ceram. Int. 2022, 48, 13071–13079. [Google Scholar] [CrossRef]
- Liu, Z.; Deng, X.; Li, J.; Sun, Y.; Ran, S. Effects of B4C particle size on the microstructures and mechanical properties of hot-pressed B4C–TiB2 composites. Ceram. Int. 2018, 44, 21415–21420. [Google Scholar] [CrossRef]
- Ding, X.; Pan, K.; Liu, Z.; Zhu, J.; Deng, X.; Li, J.; Ran, S. Effects of TiC particle size on microstructures and mechanical properties of B4C–TiB2 composites prepared by reactive hot-press sintering of TiC–B mixtures. Ceram. Int. 2020, 46, 10425–10430. [Google Scholar] [CrossRef]
- Zhao, J.; Tang, C.; Li, Q.; Liu, Z.; Ran, S. B4C–TiB2 composites fabricated by hot pressing TiC–B mixtures: The effect of B excess. Ceram. Int. 2022, 48, 11981–11987. [Google Scholar] [CrossRef]
- Zhao, J.; Li, Q.; Cao, W.; Liu, Z.; Deng, X.; Ding, X.; Ran, S. Influences of B4C content and particle size on the mechanical properties of hot pressed TiB2–B4C composites. J. Asian Ceram. Soc. 2021, 9, 1239–1247. [Google Scholar] [CrossRef]
- Ma, K.; Shi, X.; Cao, X.; Yang, Z.; Zuo, J.; Xu, J.; Li, M. Mechanical, electrical properties and microstructures of hot-pressed B4C–WB2 composites. Ceram. Int. 2022, 48, 20211–20219. [Google Scholar] [CrossRef]
- Maity, T.N.; Gopinath, N.K.; Biswas, K.; Basu, B. Spark plasma sintering of ultrahigh temperature ceramics. In Spark Plasma Sintering of Materials. Advances in Processing and Applications; Cavaliere, P., Ed.; Springer Nature: Cham, Switzerland, 2019; pp. 369–440. [Google Scholar]
- Ayodele, O.O.; Shongwe, M.B.; Obadele, B.A.; Olubambi, P.A. Spark plasma sintering of titanium-based materials. In Spark Plasma Sintering of Materials. Advances in Processing and Applications; Cavaliere, P., Ed.; Springer Nature: Cham, Switzerland, 2019; pp. 673–701. [Google Scholar]
- Vasylkiv, O.; Demirskyi, D.; Badica, P.; Nishimura, T.; Tok, A.I.Y.; Sakka, Y.; Borodianska, H. Room and high temperature flexural failure of spark plasma sintered boron carbide. Ceram. Int. 2016, 42, 7001–7013. [Google Scholar] [CrossRef]
- Gorle, R.; Vasanthakumar, K.; Bakshi, S.R. Reactive spark plasma sintering of B4C composite at low temperature using mechanically milled B4C–Ti–B mixtures. Ceram. Int. 2021, 47, 26134–26143. [Google Scholar] [CrossRef]
- Rubink, W.S.; Ageh, V.; Lide, H.; Ley, N.A.; Young, M.L.; Casem, D.T.; Faierson, E.J.; Scharf, T.W. Spark plasma sintering of B4C and B4C–TiB2 composites: Deformation and failure mechanisms under quasistatic and dynamic loading. J. Eur. Ceram. Soc. 2021, 41, 3321–3332. [Google Scholar] [CrossRef]
- Unsal, H.; Grasso, S.; Kovalcikova, A.; Hanzel, O.; Tatarkova, M.; Dlouhy, I.; Tatarko, P. In-situ graphene platelets formation and its suppression during reactive spark plasma sintering of boron carbide/titanium diboride composites. J. Eur. Ceram. Soc. 2021, 41, 6281–6289. [Google Scholar] [CrossRef]
- Demirskyi, D.; Borodianska, H.; Sakka, Y.; Vasylkiv, O. Ultra-high elevated temperature strength of TiB2-based ceramics consolidated by spark plasma sintering. J. Eur. Ceram. Soc. 2017, 37, 393–397. [Google Scholar] [CrossRef]
- Solodkyi, I.; Bogomol, I.; Bolbut, V.; Loboda, P.; Kuncser, A.; Vasylkiv, O.; Badica, P. Hierarchical composites of B4C–TiB2 eutectic particles reinforced with Ti. Ceram. Int. 2020, 46, 28132–28144. [Google Scholar] [CrossRef]
- Rurua, L.; Nadaraia, L.; Khundadze, L. Sintering of TiB2–TiC–SiC composite materials by combined SPS/SHS method. Mater. Sci. Forum 2022, 1067, 91–97. [Google Scholar] [CrossRef]
- Demirskyi, D.; Sakka, Y.; Vasylkiv, O. Consolidation of B4C–TaB2 eutectic composites by spark plasma sintering. J. Asian Ceram. Soc. 2015, 3, 369–372. [Google Scholar] [CrossRef]
- Demirskyi, D.; Suzuki, T.S.; Yoshimi, K.; Vasylkiv, O. Synthesis of medium-entropy (Zr1/3Hf1/3Ta1/3)B2 using the spark plasma consolidation of diboride powders. J. Ceram. Soc. Jpn. 2020, 128, 977–980. [Google Scholar] [CrossRef]
- Hosseini, N.; Fazili, A.; Reza Derakhshandeh, M.; Nikzad, L.; Bahamirian, M.; Razavi, M. Effect of Co addition on microstructural and mechanical properties of WC–B4C–SiC composites. Ceram. Int. 2021, 47, 15771–15782. [Google Scholar] [CrossRef]
- Jin, X.; Tang, C.; Li, Q.; Wang, D.; Ding, X.; Ran, S. Densification and strengthening mechanism in spark plasma sintering of B4C–VB2 ceramics via carbide boronizing. Ceram. Int. 2022, 48, 26452–26459. [Google Scholar] [CrossRef]
- Liu, B.; Gu, Y.; Ji, Y.; Zheng, G.; Ma, F.; Wang, J.; Wu, Y.; Long, F.; Zhou, B. Fabrication and mechanical properties of boron nitride nanotube reinforced boron carbide ceramics. Res. Square 2021, 1–15. [Google Scholar] [CrossRef]
- Gokce, M.; Kayali, Y.; Talas, S. The ceramic composite coating (TiC+TiB2) by ESD on Ti6Al4V alloy and its characterization. Ceram. Sci. Eng. 2020, 3, 1–5. [Google Scholar]
- Dai, J.; Singh, J.; Yamamoto, N. Fabrication and characterization of FAST sintered micro/nano boron carbide composites with enhanced fracture toughness. J. Eur. Ceram Soc. 2020, 40, 5272–5285. [Google Scholar] [CrossRef]
- Murashov, A.P.; Borisov, Y.S.; Adeeva, L.I.; Bobrik, Y.J.; Rupchev, V.L. Plasma-arc spraying of wear-resistant coatings from composite powders FeV–B4C. Paton Welding J. 2003, 9, 42–44. [Google Scholar]
- Balakrishnarajan, M.M.; Pancharatna, P.D.; Hoffmann, R. Structure and bonding in boron carbide: The invincibility of imperfections. New J. Chem. 2007, 31, 473–485. [Google Scholar] [CrossRef]
- Yang, X.; Goddard, W.A.; An, Q. The structure and properties of boron-very-rich boron carbides: B12 icosahedra linked through bent CBB chains. J. Phys. Chem. C 2018, 122, 2448–2453. [Google Scholar] [CrossRef]
- Betranhandy, E.; Vast, N.; Sjakste, J. Ab initio study of defective chains in icosahedral boron carbide B4C. Solid State Sci. 2012, 14, 1683–1687. [Google Scholar] [CrossRef]
- Madhav Reddy, K.; Guo, D.; Song, S.; Cheng, C.; Han, J.; Wang, X.; An, Q.; Chen, M. Dislocation-mediated shear amorphization in boron carbide. Sci. Adv. 2021, 7, eabc6714-1–eabc6714-7. [Google Scholar]
- Demirskyi, D.; Sepehri–Amin, H.; Suzuki, T.S.; Yoshimi, K.; Vasylkiv, O. Ultra-high temperature flexure and strain driven amorphization in polycrystalline boron carbide bulks. Scr. Mater. 2022, 210, 114487-1–114487-5. [Google Scholar] [CrossRef]
- Werheit, H.; Manghnani, M.H.; Hushur, A. Phonon peculiarities at the high-pressure phase transition of B4.3C boron carbide. Solid State Sci. 2019, 97, 105978-1–105978-9. [Google Scholar] [CrossRef]
- Medwick, P.A.; Fischer, H.E.; Pohl, R.O. Thermal conductivity and specific heat of boron carbides. J. Alloys Comp. 1994, 203, 67–75. [Google Scholar] [CrossRef]
- Prista, G.; Werheit, H.; Gabani, S.; Shalamberidze, S.; Flachbart, K. Low temperature specific heat anomaly with boson peak in isotope-enriched boron carbides B4.3C–B10C. Solid State Sci. 2020, 101, 106140-1–106140-5. [Google Scholar]
- Werheit, H. Systematic error in conventionally measured Raman spectra of boron carbide—A general issue in solid state Raman spectroscopy. Rev. Sci. Instrum. 2019, 90, 043114-1–043114-5. [Google Scholar] [CrossRef]
- Nakamura, D.; Koshizaki, N.; Shishido, N.; Kamiya, S.; Ishikawa, Y. Fracture and embedment behavior of brittle submicrometer spherical particles fabricated by pulsed laser melting in liquid using a scanning electron microscope nanoindenter. Nanomaterials 2021, 11, 2201. [Google Scholar] [CrossRef]
- Filippov, A.V.; Khoroshko, E.S.; Shamarin, N.N.; Savchenko, N.L.; Moskvichev, E.N.; Utyaganova, V.R.; Kolubaev, E.A.; Smolin, A.Y.; Tarasov, S.Y. Characterization of gradient CuAl–B4C composites additively manufactured using a combination of wire-feed and powder-bed electron beam deposition methods. J. Alloys Comp. 2021, 859, 157824-1–157824-20. [Google Scholar] [CrossRef]
- Morohashi, Y.; Maruyama, T.; Donomae, T.; Tachi, Y.; Onose, S. Neutron irradiation effect on isotopically tailored 11B4C. J. Nucl. Sci. Technol. 2008, 45, 867–872. [Google Scholar] [CrossRef]
- Werheit, H.; Herstell, B.; Winkelbauer, W.; Pristas, G.; Gabani, S.; Flachbart, K.; Shalamberidze, S. Electrical conductivity of boron carbide from ∼5 to ∼2100 K in the whole homogeneity range. Solid State Sci. 2022, 132, 106987-1–106987-10. [Google Scholar] [CrossRef]
- Chen, Z.; Paul, B.; Majumdar, S.; Okamoto, N.L.; Kishida, K.; Inui, H.; Otani, S. Room-temperature deformation of single crystals of ZrB2 and TiB2 with the hexagonal AlB2 structure investigated by micropillar compression. Sci. Rep. 2021, 11, 14265-1–14265-11. [Google Scholar] [CrossRef]
- Li, Z.; Wang, Y.; Cheng, H.; Zhu, Y.; An, R.; Fang, H.; Feiya, A.; Han, B. Effects of directly added or reaction formed TiB2 on the microstructure and mechanical properties of pressureless-sintered B4C–TiB2 composites. Res. Square 2020, 1–21. [Google Scholar] [CrossRef]
- Silvestroni, L.; Failla, S.; Gilli, N.; Melandri, C.; Savaci, U.; Turan, S.; Sciti, D. Disclosing small scale length properties in core–shell structured B4C–TiB2 composites. Mater. Des. 2021, 197, 109204-1–109204-14. [Google Scholar] [CrossRef]
- Niu, H.; Zhu, Y.; You, N.; Wang, Y.; Cheng, H.; Luo, D.; Tang, M.; Zhang, J. Effects of TiB2 particles on the microstructure evolution and mechanical properties of B4C/TiB2 ceramic composite. Materials 2021, 14, 5227. [Google Scholar] [CrossRef]
- Neuman, E.W.; Thompson, M.; Fahrenholtz, W.G.; Hilmas, G.E. Elevated temperature thermal properties of ZrB2–B4C ceramics. J. Eur. Ceram. Soc. 2022, 42, 4024–4029. [Google Scholar] [CrossRef]
- Hofmann, H.; Petzow, G. Structure and properties of reaction hot-pressed B4C–TiB2–W2B5 materials. J. Less-Comm. Met. 1986, 117, 121–127. [Google Scholar] [CrossRef]
- Pan, D.; Li, S.; Zhang, X.; Pan, B.; Zhou, S.; Fu, Y.; Kondoh, K. Effect of graphite content on properties of B4C–W2B5 ceramic composites by in situ reaction of B–Gr–WC. J. Am. Ceram. Soc. 2018, 101, 3617–3626. [Google Scholar] [CrossRef]
- Nesmelov, D.D.; Ordan’yan, S.S.; Udalov, Y.P. Structure and mechanical properties of hot-pressed composite ceramics W2B5–ZrB2–SiC–B4C. Ref. Ind. Ceram. 2021, 62, 202–207. [Google Scholar] [CrossRef]
- Aleksandrov Fabijanic, T.; Snajdar Musa, M.; Coric, D.; Sakoman, M. Vickers indentation fracture toughness of near-nano and nanostructured WC–Co cemented carbides. Metals 2017, 7, 143. [Google Scholar] [CrossRef]
- An, Q.; Goddard III, W.A.; Xie, K.Y.; Sim, G.-D.; Hemker, K.J.; Munhollon, T.; Fatih Toksoy, M.; Haber, R.A. Superstrength through nanotwinning. Nano Lett. 2016, 16, 7573–7579. [Google Scholar] [CrossRef]
- Dai, J.; Pineda, E.J.; Bednarcyk, B.A.; Singh, J.; Yamamoto, N. Macro-scale testing and micromechanics modeling of fracture behaviors for boron carbide composites with hierarchical microstructures. Am. Inst. Aeronaut. Astronaut. Sci. Tech. Forum 2021, 1–13. [Google Scholar] [CrossRef]
- Melashvili, Z.; Namicheishvili, T.; Tutberidze, A.; Aslamazashvili, Z.; Chikhradze, M.; Zakharov, G. Modelling of fluidity during hot compaction of Ti–B system synthesized mass. IoP Conf. Ser. Earth Environ. Sci. 2021, 906, 012009-1–012009-8. [Google Scholar] [CrossRef]
- Dai, J.; Pined, E.; Bednarcyk, B.; Singh, J.; Yamamoto, N. Micromechanics-based simulation of B4C–TiB2 composite fracture under tensile load. J. Eur. Ceram. Soc. 2022, 42, 6364–6378. [Google Scholar] [CrossRef]
- Kovalchenko, M.S.; Vinokurov, V.B.; Litvin, R.V.; Klimenko, L.I. The densification kinetics of porous zirconium diboride in vacuum pressure sintering. Powd. Metall. Met. Ceram. 2021, 60, 278–290. [Google Scholar] [CrossRef]
- Khajehzadeh, M.; Reza Baharvandi, H.; Ehsani, N.; Verma, S.; Bahaaddini, M.; Batra, N.K. Experimental investigation and validation on the effect of nickel addition on properties of the pressureless sintered boron carbide composites using machine learning models. Ceram. Int. 2022, 48, 13205–13215. [Google Scholar] [CrossRef]
- Sharma, A.; Tirumuruhan, B.; Sudhan Muthuvel, G.; Kumar Gupta, A.; Sujith, R. Optimization of process parameters of boron carbide-reinforced Al–Zn–Mg–Cu matrix composite produced by pressure-assisted sintering. J. Mater. Eng. Perform. 2021, 31, 328–340. [Google Scholar] [CrossRef]
- Emrich, B.R. Literature Survey on Synthesis, Properties, and Applications of Selected Boride Compounds. In Technical Documentary Report No. ASD-TDR-62-873; Armed Services Technical Information Agency: Arlington, TX, USA, 1962; pp. 1–123. [Google Scholar]
- Suri, A.K.; Subramanian, C.; Sonber, J.K.; Murthy, T.S.R.C. Synthesis and consolidation of boron carbide: A review. Int. Mater. Rev. 2010, 55, 4–40. [Google Scholar] [CrossRef]
- Agyei–Tuffour, B.; Annan, E.; Rwenyagila, E.R.; Ampaw, E.; Arthur, E.; Mustapha, K.; Kolawole, S.; Soboyejo, W.O.; Radev, D.D. Untraditional synthesis of boron-containing superhard and refractory materials—A Review. Glob. J. Eng. Des. Technol. 2013, 2, 21–26. [Google Scholar]
- Zhang, W.; Yamashita, S.; Kita, H. Progress in pressureless sintering of boron carbide ceramics—A review. Adv. Appl. Ceram. 2019, 118, 222–239. [Google Scholar] [CrossRef]
- Grasso, S.; Biesuz, M.; Zoli, L.; Taveri, G.; Duff, A.I.; Ke, D.; Jiang, A.; Reece, M.J. A review of cold sintering processes. Adv. Appl. Ceram. 2020, 119, 115–143. [Google Scholar] [CrossRef]
- Eustathopoulos, N. Wetting by liquid metals—Application in materials processing: The contribution of the Grenoble group. Metals 2015, 5, 350–370. [Google Scholar] [CrossRef]
- Parmar, N.; Bayer, I.; Biswas, A. Advanced ceramics development by using nanotechnology. Vac. Technol. Coat. 2018, 19, 17–23. [Google Scholar]
- Albert, B.; Hofmann, K. Metal borides: Versatile structures and properties. In Handbook of Solid State Chemistry; Dronskowski, R., Kikkawa, S., Stein, A., Eds.; Wiley–VCH: Weinheim, Germany, 2017; Chapter 10; pp. 435–453. [Google Scholar]
- Domnich, V.; Reynaud, S.; Haber, R.A.; Chhowalla, M. Boron carbide: Structure, properties, and stability under stress. J. Am. Ceram. Soc. 2011, 94, 3605–3628. [Google Scholar] [CrossRef]
- Ran, S.-L.; Wang, D.-W.; Sun, H.-F.; Fan, C.-G. Research progress of B4C–TiB2 composite ceramics. J. Synth. Cryst. 2019, 42, 2150–2155. (In Chinese) [Google Scholar]
- Fang, D.; Li, W.; Cheng, T.; Qu, Z.; Chen, Y.; Wang, R.; Ai, S. Review on mechanics of ultra-high-temperature materials. Acta Mech. Sin. 2021, 37, 1347–1370. [Google Scholar] [CrossRef]
- Binner, J.; Murthy, T.S.R.C. Structural and thermostructural ceramics. Encycl. Mater. Tech. Ceram. Glasses 2021, 2, 3–24. [Google Scholar]
- Mazitov, A.B.; Oganov, A.R. Grain boundaries in minerals: Atomic structure, phase transitions, and effect on strength of polycrystals. Proc. Russ. Mineral. Soc. 2021, 150, 92–102. [Google Scholar] [CrossRef]
- Porz, L. 60 years of dislocations in ceramics: A conceptual framework for dislocation mechanics in ceramics. Int. J. Ceram. Eng. Sci. 2022, 4, 214–239. [Google Scholar] [CrossRef]
- Annerino, A.; Lawson, M.; Gouma, P.-I. Future insights on high temperature ceramics and composites for extreme environments. Int. J. Ceram. Eng. Sci. 2022, 4, 296–301. [Google Scholar] [CrossRef]
- Wei, Z.-Y.; Meng, G.-H.; Chen, L.; Li, G.-R.; Liu, M.-J.; Zhang, W.-X.; Zhao, L.-N.; Zhang, Q.; Zhang, X.-D.; Wan, C.-L.; et al. Progress in ceramic materials and structure design toward advanced thermal barrier coatings. J. Adv. Ceram. 2022, 11, 985–1068. [Google Scholar] [CrossRef]
- Sun, J.; Ye, D.; Zou, J.; Chen, X.; Wang, Y.; Yuan, J.; Liang, H.; Qu, H.; Binner, J.; Bai, J. A review on additive manufacturing of ceramic matrix composites. J. Mater. Sci. Technol. 2023, 138, 1–16. [Google Scholar] [CrossRef]
- Chkhartishvili, L. Obtaining of Boron Carbide-Based Nanostructured Heterophase Ceramic Materials and Products with Improved Performance Characteristics; Program Report of SRNSFG Research Grant Project # AR-18-1045; SRNSFG: Tbilisi, Georgia, 2022; pp. 1–79. (In Georgian) [Google Scholar]
- Ovsyannikov, D.A.; Popov, M.Y.; Perfilov, S.A.; Prokhorov, V.M.; Kulnitskiy, B.A.; Perezhogin, I.A.; Blank, V.D. High-hardness ceramics based on boron carbide fullerite derivatives. Phys. Solid State 2017, 59, 327–330. [Google Scholar] [CrossRef]
- Zhang, P.; Li, S.X.; Zhang, Z.F. General relationship between strength and hardness. Mater. Sci. Eng. A 2011, 529, 62–73. [Google Scholar] [CrossRef]
Disclaimer/Publisher’s Note: The statements, opinions and data contained in all publications are solely those of the individual author(s) and contributor(s) and not of MDPI and/or the editor(s). MDPI and/or the editor(s) disclaim responsibility for any injury to people or property resulting from any ideas, methods, instructions or products referred to in the content. |
© 2023 by the authors. Licensee MDPI, Basel, Switzerland. This article is an open access article distributed under the terms and conditions of the Creative Commons Attribution (CC BY) license (https://creativecommons.org/licenses/by/4.0/).











































