Unification of Internal Resistance Estimation Methods for Li-Ion Batteries Using Hysteresis-Free Equivalent Circuit Models
Abstract
1. Introduction
- The tests for ECM and EIS are conducted on two different types of Li-Ion batteries.
- Parameter extraction algorithm is proposed and validated theoretically and experimentally.
- The identified parameters from two methods are compared.
- Difference is found for internal resistance obtained from two methods.
- To unify the values of internal resistance, a hysteresis-free ECM based parameter estimation method is proposed.
- The values from EIS tests matched with the results obtained from the tests for ECM using the proposed hysteresis-free method.
2. ECM Based Parameter Estimation
2.1. Equivalent Circuit Model
2.2. Response of a Battery in a Charging–Discharging Test
2.3. Theory of Conventional Parameter Estimation
2.4. Proposed Hysteresis-Free Estimation
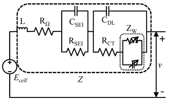
3. Electrochemical Impedance Spectroscopy
3.1. Adaptive Randles Equivalent Circuit Model
3.1.1. Output Voltage Model
3.1.2. Impedance Model
Inductance
Ohmic Resistance
Solid Electrolyte Interface impedance
Faradaic impedance
Warburg Impedance
3.2. Response of a Battery in EIS Test
3.3. Computation Technique in EIS
4. Proposed Parameter Extraction Algorithm
5. Results and Analysis
5.1. Parameter Estimation Based on ECM
5.2. Parameter Extraction from EIS Tests
5.3. Unification of Methods for Resistance Identification
6. Conclusions
- A parameter extraction algorithm to interpret the properties of impedance spectrum.
- A hysteresis-free ECM based parameter estimation method.
- Internal resistance obtained from EIS test is approximately equal to hysteresis-free resistance from ECM based parameter estimation
Author Contributions
Funding
Acknowledgments
Conflicts of Interest
References
- Islam, S.M.R.; Park, S.Y.; Balasingam, B. Circuit parameters extraction algorithm for a lithium-ion battery charging system incorporated with electrochemical impedance spectroscopy. In Proceedings of the IEEE Applied Power Electronics Conference and Exposition (APEC), San Antonio, TX, USA, 4–8 March 2018; pp. 3353–3358. [Google Scholar] [CrossRef]
- Pattipati, B.; Balasingam, B.; Avvari, G.; Pattipati, K.; Bar-Shalom, Y. Open circuit voltage characterization of lithium-ion batteries. J. Power Sources 2014, 269, 317–333. [Google Scholar] [CrossRef]
- Jossen, A. Fundamentals of battery dynamics. J. Power Sources 2006, 154, 530–538. [Google Scholar] [CrossRef]
- Brand, M.; Gläser, S.; Geder, J.; Menacher, S.; Obpacher, S.; Jossen, A.; Quinger, D. Electrical safety of commercial Li-ion cells based on NMC and NCA technology compared to LFP technology. In Proceedings of the World Electric Vehicle Symposium and Exhibition (EVS27), Barcelona, Spain, 17–20 November 2013; pp. 1–9. [Google Scholar] [CrossRef]
- Ecker, M.; Nieto, N.; Käbitz, S.; Schmalstieg, J.; Blanke, H.; Warnecke, A.; Sauer, D.U. Calendar and cycle life study of Li(NiMnCo)O2-based 18650 lithium-ion batteries. J. Power Sources 2014, 248, 839–851. [Google Scholar] [CrossRef]
- Balasingam, B.; Avvari, G.; Pattipati, B.; Pattipati, K.; Bar-Shalom, Y. A robust approach to battery fuel gauging, part I: Real time model identification. J. Power Sources 2014, 272, 1142–1153. [Google Scholar] [CrossRef]
- Pastor-Fernández, C.; Widanage, W.D.; Chouchelamane, G.H.; Marco, J. A SoH diagnosis and prognosis method to identify and quantify degradation modes in Li-ion batteries using the IC/DV technique. In Proceedings of the 6th Hybrid and Electric Vehicles Conference (HEVC 2016), London, UK, 2–3 November 2016; pp. 1–6. [Google Scholar] [CrossRef]
- Zhang, D.; Dey, S.; Perez, H.E.; Moura, S.J. Remaining useful life estimation of Lithium-ion batteries based on thermal dynamics. In Proceedings of the American Control Conference (ACC), Seattle, WA, USA, 24–26 May 2017; pp. 4042–4047. [Google Scholar] [CrossRef]
- Andre, D.; Appel, C.; Soczka-Guth, T.; Sauer, D.U. Advanced mathematical methods of SOC and SOH estimation for lithium-ion batteries. J. Power Sources 2013, 224, 20–27. [Google Scholar] [CrossRef]
- Tröltzsch, U.; Kanoun, O.; Tränkler, H.R. Characterizing aging effects of lithium ion batteries by impedance spectroscopy. Electrochim. Acta 2006, 51, 1664–1672. [Google Scholar] [CrossRef]
- Lee, Y.D.; Park, S.Y. Electrochemical State-Based Sinusoidal Ripple Current Charging Control. IEEE Trans. Power Electron. 2015, 30, 4232–4243. [Google Scholar] [CrossRef]
- Pastor-Fernández, C.; Widanage, W.D.; Marco, J.; Gama-Valdez, M.Á.; Chouchelamane, G.H. Identification and quantification of ageing mechanisms in Lithium-ion batteries using the EIS technique. In Proceedings of the IEEE Transportation Electrification Conference and Expo (ITEC), Dearborn, MI, USA, 27–29 June 2016; pp. 1–6. [Google Scholar] [CrossRef]
- Cuadras, A.; Kanoun, O. SoC Li-ion battery monitoring with impedance spectroscopy. In Proceedings of the 6th International Multi-Conference on Systems, Signals and Devices, Djerba, Tunisia, 23–26 March 2009; pp. 1–5. [Google Scholar] [CrossRef]
- Lotfi, N.; Landers, R.G.; Li, J.; Park, J. Reduced-Order Electrochemical Model-Based SOC Observer with Output Model Uncertainty Estimation. IEEE Trans. Control Syst. Technol. 2017, 25, 1217–1230. [Google Scholar] [CrossRef]
- Schweiger, H.G.; Obeidi, O.; Komesker, O.; Raschke, A.; Schiemann, M.; Zehner, C.; Gehnen, M.; Keller, M.; Birke, P. Comparison of Several Methods for Determining the Internal Resistance of Lithium Ion Cells. Sensors 2010, 10, 5604–5625. [Google Scholar] [CrossRef]
- Nagaoka, N.; Ametani, A. An estimation method of Li-ion battery impedance using z-transform. In Proceedings of the IEEE 13th Workshop on Control and Modeling for Power Electronics (COMPEL), Kyoto, Japan, 10–13 June 2012; pp. 1–6. [Google Scholar] [CrossRef]
- Wang, Q.; He, Y.; Shen, J.; Hu, X.; Ma, Z. State of Charge-Dependent Polynomial Equivalent Circuit Modeling for Electrochemical Impedance Spectroscopy of Lithium-Ion Batteries. IEEE Trans. Power Electron. 2018, 33, 8449–8460. [Google Scholar] [CrossRef]
- Lai, X.; Gao, W.; Zheng, Y.; Ouyang, M.; Li, J.; Han, X.; Zhou, L. A comparative study of global optimization methods for parameter identification of different equivalent circuit models for Li-ion batteries. Electrochim. Acta 2019, 295, 1057–1066. [Google Scholar] [CrossRef]
- Chu, Z.; Jobman, R.; Rodríguez, A.; Plett, G.L.; Trimboli, M.S.; Feng, X.; Ouyang, M. A control-oriented electrochemical model for lithium-ion battery. Part II: Parameter identification based on reference electrode. J. Energy Storage 2020, 27, 101101. [Google Scholar] [CrossRef]
- Gould, C.R.; Bingham, C.M.; Stone, D.A.; Bentley, P. New Battery Model and State-of-Health Determination Through Subspace Parameter Estimation and State-Observer Techniques. IEEE TTrans. Veh. Technol. 2009, 58, 3905–3916. [Google Scholar] [CrossRef]
- Zhang, J.; Lee, J. A review on prognostics and health monitoring of Li-ion battery. J. Power Sources 2011, 196, 6007–6014. [Google Scholar] [CrossRef]
- Somakettarin, N.; Funaki, T. Study on Factors for Accurate Open Circuit Voltage Characterizations in Mn-Type Li-Ion Batteries. Batteries 2017, 3, 8. [Google Scholar] [CrossRef]
- Roscher, M.A.; Bohlen, O.; Vetter, J. OCV hysteresis in Li-ion batteries including two-phase transition materials. Int. J. Electrochem. 2011, 2011, 984320. [Google Scholar] [CrossRef]
- Baronti, F.; Femia, N.; Saletti, R.; Zamboni, W. Comparing open-circuit voltage hysteresis models for lithium-iron-phosphate batteries. In Proceedings of the IECON 2014—40th Annual Conference of the IEEE Industrial Electronics Society, Dallas, TX, USA, 29 October–1 November 2014; pp. 5635–5640. [Google Scholar] [CrossRef]
- Plett, G.L. Battery Management Systems, Volume I: Battery Modeling, Chapter 2; Artech House: Norwood, MA, USA, 2015; Chapter 2; pp. 29–63. [Google Scholar]
- Rahimi Eichi, H.; Chow, M. Modeling and analysis of battery hysteresis effects. In Proceedings of the IEEE Energy Conversion Congress and Exposition (ECCE), Raleigh, NC, USA, 15–20 September 2012; pp. 4479–4486. [Google Scholar] [CrossRef]
- Marongiu, A.; Nußbaum, F.G.W.; Waag, W.; Garmendia, M.; Sauer, D.U. Comprehensive study of the influence of aging on the hysteresis behavior of a lithium iron phosphate cathode-based lithium ion battery—An experimental investigation of the hysteresis. Appl. Energy 2016, 171, 629–645. [Google Scholar] [CrossRef]
- Legrand, N.; Raël, S.; Knosp, B.; Hinaje, M.; Desprez, P.; Lapicque, F. Including double-layer capacitance in lithium-ion battery mathematical models. J. Power Sources 2014, 251, 370–378. [Google Scholar] [CrossRef]
- Erol, S. Electrochemical Impedance Spectroscopy Analysis and Modeling of Lithium Cobalt Oxide/Carbon Batteries. Ph.D. Thesis, University of Florida, Gainesville, FL, USA, 2015. [Google Scholar]
- Müller, S.; Massarani, P. Transfer-function measurement with sweeps. J. Audio Eng. Soc. 2001, 49, 443–471. [Google Scholar]
- Instruments, G. Introduction to Electrochemical Impedance Spectroscopy; Application Note: Warminster, PA, USA, 2015. [Google Scholar]
- Orazem, M.E.; Tribollet, B. Electrochemical Impedance Spectroscopy; John Wiley & Sons: Pennington, NJ, USA, 2011; Volume 48. [Google Scholar]
- Liu, C.; Neale, Z.G.; Cao, G. Understanding electrochemical potentials of cathode materials in rechargeable batteries. Mater. Today 2016, 19, 109–123. [Google Scholar] [CrossRef]
- Lin, S.H.; Zhao, H.; Burke, A. A First-Order Transient Response Model for Lithium-ion Batteries of Various Chemistries: Test Data and Model Validation; Technical Report; Institute of Transportation Studies, University of California: Davis, CA, USA, 2012. [Google Scholar]
- Fuller, T.F.; Doyle, M.; Newman, J. Relaxation Phenomena in Lithium-Ion-Insertion Cells. J. Electrochem. Soc. 1994, 141, 982–990. [Google Scholar] [CrossRef]
- Zhang, H.; Chow, M. On-line PHEV battery hysteresis effect dynamics modeling. In Proceedings of the IECON 2010—36th Annual Conference on IEEE Industrial Electronics Society, Glendale, AZ, USA, 7–10 November 2010; pp. 1844–1849. [Google Scholar] [CrossRef]
- Zhao, X.; de Callafon, R.A. Modeling of battery dynamics and hysteresis for power delivery prediction and SOC estimation. Appl. Energy 2016, 180, 823–833. [Google Scholar] [CrossRef]
- Windarko, N.A.; Choi, J. Hysteresis modeling for estimation of State-of-Charge in NiMH battery based on improved Takacs model. In Proceedings of the INTELEC 2009—31st International Telecommunications Energy Conference, Incheon, Korea, 18–22 October 2009; pp. 1–6. [Google Scholar] [CrossRef]
- Hussein, A.A.; Kutkut, N.; Batarseh, I. A hysteresis model for a Lithium battery cell with improved transient response. In Proceedings of the Twenty-Sixth Annual IEEE Applied Power Electronics Conference and Exposition (APEC), Fort Worth, TX, USA, 6–11 March 2011; pp. 1790–1794. [Google Scholar] [CrossRef]
- Sasaki, T.; Ukyo, Y.; Novák, P. Memory effect in a lithium-ion battery. Nat. Mater. 2013, 12, 569. [Google Scholar] [CrossRef] [PubMed]
- Taylor, S.; Gileadi, E. Physical interpretation of the Warburg impedance. Corrosion 1995, 51, 664–671. [Google Scholar] [CrossRef]
- Qahouq, J.A.A.; Xia, Z. Single-Perturbation-Cycle Online Battery Impedance Spectrum Measurement Method with Closed-Loop Control of Power Converter. IEEE Trans. Ind. Electron. 2017, 64, 7019–7029. [Google Scholar] [CrossRef]
- Varnosfaderani, M.A.; Strickland, D. A Comparison of Online Electrochemical Spectroscopy Impedance Estimation of Batteries. IEEE Access 2018, 6, 23668–23677. [Google Scholar] [CrossRef]
- Din, E.; Schaef, C.; Moffat, K.; Stauth, J.T. A Scalable Active Battery Management System with Embedded Real-Time Electrochemical Impedance Spectroscopy. IEEE Trans. Power Electron. 2017, 32, 5688–5698. [Google Scholar] [CrossRef]













| Conventional | Proposed | ||||
|---|---|---|---|---|---|
| Methods | Method | ||||
| Combined | Combined+3 | Combined | |||
| Model (10) | Model (11) | Model (10) | |||
| Conventional | Proposed | ||||
|---|---|---|---|---|---|
| Methods | Method | ||||
| Combined | Combined+3 | Combined | |||
| Model (10) | Model (11) | Model (10) | |||
| 0 | |||||
| L | |||||
|---|---|---|---|---|---|
| (a) Samsung-B600BC | |||||
| 100 | 0.329 | 205 | 22.2 | 1.8 | 3.98 |
| 94 | 0.327 | 207 | 20.5 | 1.55 | 11.3 |
| 88 | 0.327 | 209 | 19.1 | 1.32 | 11.49 |
| 82 | 0.326 | 213 | 18.6 | 1.36 | 12.58 |
| 75 | 0.325 | 218 | 18.1 | 1.39 | 12.95 |
| 65 | 0.325 | 221 | 18.4 | 1.37 | 11.98 |
| 55 | 0.323 | 230 | 18.7 | 1.35 | 8.17 |
| 45 | 0.323 | 237 | 19.8 | 1.61 | 8.13 |
| 40 | 0.322 | 229 | 22.5 | 1.78 | 8.01 |
| 34 | 0.325 | 226 | 24.8 | 2.03 | 9.44 |
| 26 | 0.325 | 228 | 26.5 | 2.39 | 9.62 |
| 20 | 0.324 | 227 | 29.6 | 2.7 | 9.8 |
| 13 | 0.323 | 228 | 37.4 | 2.69 | 17.8 |
| 6 | 0.322 | 228 | 38.3 | 2.62 | 75.26 |
| (b) Samsung-18650 | |||||
| 100 | 0.140 | 13.00 | 5.36 | 0.23 | 2.09 |
| 90 | 0.141 | 12.88 | 5.00 | 0.15 | 1.82 |
| 80 | 0.142 | 12.91 | 5.04 | 0.25 | 1.53 |
| 70 | 0.145 | 12.93 | 4.59 | 0.21 | 1.04 |
| 60 | 0.145 | 12.95 | 4.57 | 0.17 | 0.59 |
| 50 | 0.143 | 12.94 | 4.61 | 0.21 | 0.37 |
| 40 | 0.129 | 13.04 | 5.18 | 0.19 | 1.30 |
| 30 | 0.130 | 13.05 | 4.92 | 0.16 | 0.86 |
| 20 | 0.134 | 13.04 | 5.13 | 0.24 | 0.47 |
| 10 | 0.131 | 13.04 | 4.85 | 0.16 | 0.54 |
| 5 | 0.131 | 13.13 | 5.31 | 0.23 | 0.79 |
| 1 | 0.133 | 13.16 | 5.48 | 0.23 | 0.94 |
© 2020 by the authors. Licensee MDPI, Basel, Switzerland. This article is an open access article distributed under the terms and conditions of the Creative Commons Attribution (CC BY) license (http://creativecommons.org/licenses/by/4.0/).
Share and Cite
Islam, S.M.R.; Park, S.-Y.; Balasingam, B. Unification of Internal Resistance Estimation Methods for Li-Ion Batteries Using Hysteresis-Free Equivalent Circuit Models. Batteries 2020, 6, 32. https://doi.org/10.3390/batteries6020032
Islam SMR, Park S-Y, Balasingam B. Unification of Internal Resistance Estimation Methods for Li-Ion Batteries Using Hysteresis-Free Equivalent Circuit Models. Batteries. 2020; 6(2):32. https://doi.org/10.3390/batteries6020032
Chicago/Turabian StyleIslam, S M Rakiul, Sung-Yeul Park, and Balakumar Balasingam. 2020. "Unification of Internal Resistance Estimation Methods for Li-Ion Batteries Using Hysteresis-Free Equivalent Circuit Models" Batteries 6, no. 2: 32. https://doi.org/10.3390/batteries6020032
APA StyleIslam, S. M. R., Park, S.-Y., & Balasingam, B. (2020). Unification of Internal Resistance Estimation Methods for Li-Ion Batteries Using Hysteresis-Free Equivalent Circuit Models. Batteries, 6(2), 32. https://doi.org/10.3390/batteries6020032

