Coordinated Control Strategy-Based Energy Management of a Hybrid AC-DC Microgrid Using a Battery–Supercapacitor
Abstract
1. Introduction
1.1. Motivation
1.2. Related Work
1.3. Contributions and Organization
2. General Representation of the MG
2.1. Representation of Different Categories of MGs
- MGs connected to the grid use it as a principal source. Renewable energy sources can be used as secondary sources. These MGs are installed for applications with a medium power requirement for an interval between 500 KW and 10 MW.
- MGs with multi-energy sources are used in larger installations that require higher energy. The energy implemented is more than 10 MW.
2.2. Representation of Different Bus Topologies
2.2.1. AC MG Architecture
2.2.2. DC MG Architecture
3. Global System Modeling
- PV panels with a boost converter;
- Batteries with a buck–boost bidirectional converter;
- SCs with a buck–boot converter;
- DC load directly;
- AC load with a DC/AC inverter.
3.1. Modeling of PV Panel
3.2. Modeling of Supercapacitor
4. DC Bus Control Management of the MG
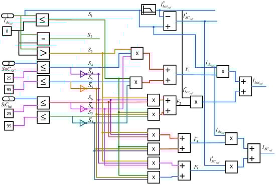
4.1. Presentation of the DC Bus Control
- Different SoCs (batteries and SCs) (, , , ).
- Different values of reference current of the DC bus:
- -
- when PV panels provide more power than the demanded power by the load (excess of energy).
- -
- when PV panels produce the exact power demanded by the load.
- -
- when PV panels cannot provide the power demanded by the load (need of energy).
4.2. Logic Analysis of the Energy Management
- when the batteries and SCs are fully discharged; there is a need for energy when and batteries are fully discharged and the SCs are charged; there is no need for energy when the batteries are fully discharged and the SCs are charged; and there is no need for energy when the batteries and SCs are fully charged. The output F1 is equal to
- when the batteries and SCs are fully discharged; there is a need for energy when the SCs are completely discharged and the batteries are charged; there is no need for energy when the SCs are completely discharged and the batteries are charged; and there is no need for energy when the batteries and SCs are fully charged. The output F2 is equal to
- when there is a need for energy, the SCs are fully discharged, and the batteries are charged; there is no need for energy when the SCs are fully discharged and the batteries are charged. It corresponds to F3 and is given by the following equation.
- when there is a need for energy, the batteries are fully discharged, and the SCs are charged; there is no need for energy when the batteries are fully discharged and the SCs are charged. It corresponds to F4 and is given by the following equation.
- when the batteries and SCs have normal charge. It corresponds to F5 and is given by the following equation.
- when the batteries and SCs have normal charge. It corresponds to F6 and is given by the following equation.
5. Simulation Results and Validation
- For the PV source: a variation in solar irradiation;
- For the AC load: a variation in the AC motor speed;
- For the DC load: a variation in the DC load current.
6. Comparative Analysis
7. Conclusions
Author Contributions
Funding
Data Availability Statement
Conflicts of Interest
References
- Xu, Z.; Yang, P.; Zheng, C.; Zhang, Y.; Peng, J.; Zeng, Z. Analysis on the organization and Development of multi-microgrids. Renew. Sustain. Energy Rev. 2018, 81, 2204–2216. [Google Scholar] [CrossRef]
- Yin, C.; Wu, H.; Locment, F.; Sechilariu, M. Energy management of DC microgrid based on photovoltaic combined with diesel generator and supercapacitor. Energy Convers. Manag. 2017, 132, 14–27. [Google Scholar] [CrossRef]
- Das, K.; Nitsas, A.; Altin, M.; Hansen, A.D.; Sørensen, P.E. Improved load-shedding scheme considering distributed generation. IEEE Trans. Power Del. 2017, 32, 515–524. [Google Scholar] [CrossRef]
- Liao, H.; Milanović, J.V. Methodology for the analysis of voltage unbalance in networks with single-phase distributed generation. IET Gener. Transm. Distrib. 2017, 11, 550–559. [Google Scholar] [CrossRef]
- Zhou, X.; Zhou, L.; Chen, Y.; Guerrero, J.M.; Luo, A.; Wu, W.; Yang, L. A microgrid cluster structure and its autonomous coordination control strategy. Electr. Power Energy Syst. 2018, 100, 69–80. [Google Scholar] [CrossRef]
- Pereira, B.; Costa, G.R.M.; Contreras, J.; Mantovani, J.R.S. Optimal distributed generation and reactive power allocation in electrical distribution systems. IEEE Trans. Sustain. Energy 2016, 7, 975–984. [Google Scholar] [CrossRef]
- Merabet, A.; Ahmed, K.T.; Ibrahim, H.; Beguenane, R.; Ghias, A.M. Energy management and control system for laboratory scale microgrid based wind-pv-battery. IEEE Trans. Sustain. Energy 2017, 8, 145–154. [Google Scholar] [CrossRef]
- Lee, C.T.; Chu, C.C.; Cheng, P.T. A new droop control method for the autonomous operation of distributed energy resource interface converters. IEEE Trans. Power Electron. 2013, 28, 1980–1993. [Google Scholar] [CrossRef]
- Lidula, N.W.A.; Rajapakse, A.D. Microgrids research: A review of experimental microgrids and test systems. Renew. Sustain. Energy Rev. 2011, 15, 186–202. [Google Scholar] [CrossRef]
- Niknejad, P.; Venneti, S.; Vasefi, M.; Jeffryes, C.; Barzegaran, M.R. An electrochemically assisted AC/DC microgrid configuration with waste water treatment capability. Electr. Power Syst. Res. 2018, 162, 207–219. [Google Scholar] [CrossRef]
- Chen, W.; Zeng, Y.; Xu, C. Energy storage subsidy estimation for microgrid: A real option game-theoretic approach. Appl. Energy 2019, 239, 373–382. [Google Scholar] [CrossRef]
- Hu, J.; Shan, Y.; Xu, Y.; Guerrero, J.M. A coordinated control of hybrid ac/dc microgrids with PV-wind-battery under variable generation and load conditions. Electr. Power Energy Syst. 2019, 104, 583–592. [Google Scholar] [CrossRef]
- Baharizadeh, M.; Karshenas, H.R.; Guerrero, J.M. An improved power control strategy for hybrid ac-dc microgrids. Int. J. Electr. Power Energy Syst. 2018, 95, 364–373. [Google Scholar] [CrossRef]
- Khan, M.R.; Haider, Z.M.; Malik, F.H.; Almasoudi, F.M.; Alatawi, K.S.S.; Bhutta, M.S. A Comprehensive Review of Microgrid Energy Management Strategies Considering Electric Vehicles, Energy Storage Systems, and AI Techniques. Processes 2024, 12, 270. [Google Scholar] [CrossRef]
- Sugmar, B.K.; Anglani, N. A Novel Decision-Support Framework for Supporting Renewable Energy Technology Siting in the Early Design Stage of Microgrids: Considering Geographical Conditions and Focusing on Resilience and SDGs. Energies 2025, 18, 544. [Google Scholar] [CrossRef]
- Albasheri, M.A.; Bouchhida, O.; Soufi, Y.; Cherifi, A. Enhanced supervisor energy management technique of DC microgrid-based PV/wind/battery/SC. Electr. Eng. 2025, 107, 2285–2296. [Google Scholar] [CrossRef]
- Zemirline, N.; Kabeche, N.; Moulahoum, S. Artificial neural network controller for grid current quality improvement in solid-state transformers. J. Power Electron. 2024, 24, 799–809. [Google Scholar] [CrossRef]
- Mujammal, M.A.H.; Moualdia, A.; Wira, P.; Albasheri, M.A.; Cherif, A. Novel Direct Power Control Based on Grid Voltage Modulated Strategy Using Artifcial Intelligence. Smart Grids Sustain. Energy 2024, 9, 37. [Google Scholar] [CrossRef]
- Hartani, M.A.; Hamouda, M.; Abdelkhalek, O.; Mekhilef, S. Sustainable energy assessment of multi-type energy storage system in direct-current-microgrids adopting Mamdani with Sugeno fuzzy logic-based energy management strategy. J. Energy Storage 2022, 56, 106037. [Google Scholar] [CrossRef]
- Albasheri, M.A.; Bouchhida, O.; Soufi, Y.; Cherifi, A. Enhanced Vector Control of Induction Motor by Fuzzy Logic Controller. In Proceedings of the 2024 2nd International Conference on Electrical Enggineering and Automatic Control (ICEEAC), Setif, Algeria, 12–14 May 2024; pp. 1–5. [Google Scholar]
- Dhundhara, S.; Verma, Y.P.; Williams, A. Techno-economic analysis of the lithium-ion and lead-acid battery in microgrid systems. Energy Convers. Manag. 2018, 177, 122–142. [Google Scholar] [CrossRef]
- Mendis, N.; Muttaqi, K.M.; Perera, S. Management of low- and high-frequency power components in demand-generation fluctuations of a DFIG-based wind-dominated RAPS system using hybrid energy storage. IEEE Trans. Ind. Appl. 2014, 50, 2258–2268. [Google Scholar] [CrossRef]
- Dougal, R.A.; Liu, S.; White, R.E. Power and life extension of battery-ultracapacitor hybrids. IEEE Trans. Compon. Packag. Technol. 2002, 25, 120–131. [Google Scholar] [CrossRef]
- Li, W.; Joos, G. A power electronic interface for a battery supercapacitor hybrid energy storage system for wind applications. In Proceedings of the IEEE Power Electronics Specialists Conference, Rhodes, Greece, 15–19 June 2008; pp. 1762–1768. [Google Scholar]
- Cao, J.; Emadi, A. A new battery/ultracapacitor hybrid energy storage system for electric, hybrid, and plug-in hybrid electric vehicles. IEEE Trans. Power Electron. 2012, 27, 122–132. [Google Scholar]
- Krishna, C.M. Managing Battery and Supercapacitor Resources for RealTime Sporadic Workloads. IEEE Embed. Syst. Lett. 2011, 3, 32–36. [Google Scholar] [CrossRef]
- Cabrane, Z.; Ouassaid, M.; Maaroufi, M. Performance analysis of supercapacitor integration in photovoltaic energy storage system. In Proceedings of the 2015 3rd International Renewable and Sustainable Energy Conference (IRSEC), Marrakech, Morocco, 10–13 December 2015; pp. 1–6. [Google Scholar]
- Cabrane, Z.; Kim, J.; Yoo, K.; Lee, S.H. Comparative analysis of photovoltaic/rechargeable batteries sizing-dependent configurations for optimal energy management strategies in microgrids. J. Power Electron. 2022, 22, 841–849. [Google Scholar] [CrossRef]
- Feng, N.; Yan, L.; Liu, J.; Shi, M.; Zhou, J.; Chen, X. Fuzzy logic-based virtual capacitor adaptive control for multiple HESSs in a DC microgrid system. Electr. Power Energy Syst. 2019, 107, 78–88. [Google Scholar]
- Zhou, H.; Bhattacharya, T.; Duong, T.; Siew, T.S.T.; Khambadkone, A.M. Composite energy storage system involving battery and ultracapacitor with dynamic energy management in microgrid applications. IEEE Trans. Power Electron. 2011, 26, 923–930. [Google Scholar] [CrossRef]
- Rekioua, D.; Bensmail, S.; Bettar, N. Development of hybrid photovoltaic-fuel cell system for stand-alone application. Int. J. Hydrogen Energy 2014, 39, 1604–1611. [Google Scholar] [CrossRef]
- Poshtkouhi, S.; Palaniappan, V.; Fard, M.; Trescases, O. A general approach for quantifying the benefit of distributed power electronics for fine grained MPPT in photovoltaic applications using 3-D modeling. IEEE Trans. Power Electron. 2012, 27, 4656–4666. [Google Scholar] [CrossRef]
- Cabrane, Z.; Ouassaid, M.; Maaroufi, M. Management and control of the integration of supercapacitor in photovoltaic energy storage. In Proceedings of the IEEE International Conference on Green Energy Conversion Systems (GECS), Hammamet, Tunisia, 23–25 March 2017; pp. 1–6. [Google Scholar]
- Cabrane, Z.; Ouassaid, M.; Maaroufi, M. Performance enhancement of Solar Vehicle by integration of supercapacitors in the energy storage system. In Proceedings of the IEEE International Renewable and Sustainable Energy Conference (IRSEC), Marrakech, Morocco, 14–17 November 2016; pp. 62–67. [Google Scholar]
- Arévalo, P.; Ochoa-Correa, D.; Villa-Ávila, E.; Iñiguez-Morán, V.; Astudillo-Salinas, P. Systematic Review of Hierarchical and Multi-Agent Optimization Strategies for P2P Energy Management and Electric Machines in Microgrids. Appl. Sci. 2025, 15, 4817. [Google Scholar] [CrossRef]
- Wang, Y.; Cao, Y.; Qian, Z.; Xia, J.; Kang, X.; Zhu, Y.; Yang, Y.; Zhang, W.; Chen, S.; Wu, G. Research on Grid-Connected Speed Control of Hydraulic Wind Turbine Based on Enhanced Chaotic Particle Swarm Optimization Fuzzy PID. Algorithms 2025, 18, 187. [Google Scholar] [CrossRef]













| F1 | F2 | Output | |
|---|---|---|---|
| 0 | 0 | 0 | 0 |
| 0 | 1 | 1 | |
| 1 | 0 | 1 | |
| 1 | 1 | 1 | Impossible |
| F4 | F5 | Output | |
|---|---|---|---|
| 0 | 0 | 0 | 0 |
| 0 | 1 | 1 | |
| 1 | 1 | 1 | |
| 1 | 1 | 1 | Impossible |
| Switching Frequency | f = 5000 kHz | |
|---|---|---|
| Maximum load power | Pch-max = 48 kW | |
| DC bus | Vdc = 400 V | Cdc = 5.4 mF |
| PI corrector | = 0.36 | = 0.0025 |
| Photovoltaic panels | Vpv = 200 V | |
| Associated converter | Lpv = 10 mH | |
| Supercapacitors | Vsc = 300 V | |
| Associated converter | Lsc = 15 mH | |
| PI corrector | = 8.3 | = 0.037 |
| Batteries | Vbat = 300 V | |
| Associated converter | Lbat = 15 mH | |
| PI corrector | = 8.3 | = 0.037 |
Disclaimer/Publisher’s Note: The statements, opinions and data contained in all publications are solely those of the individual author(s) and contributor(s) and not of MDPI and/or the editor(s). MDPI and/or the editor(s) disclaim responsibility for any injury to people or property resulting from any ideas, methods, instructions or products referred to in the content. |
© 2025 by the authors. Licensee MDPI, Basel, Switzerland. This article is an open access article distributed under the terms and conditions of the Creative Commons Attribution (CC BY) license (https://creativecommons.org/licenses/by/4.0/).
Share and Cite
Cabrane, Z.; Choi, D.; Lee, S.H. Coordinated Control Strategy-Based Energy Management of a Hybrid AC-DC Microgrid Using a Battery–Supercapacitor. Batteries 2025, 11, 245. https://doi.org/10.3390/batteries11070245
Cabrane Z, Choi D, Lee SH. Coordinated Control Strategy-Based Energy Management of a Hybrid AC-DC Microgrid Using a Battery–Supercapacitor. Batteries. 2025; 11(7):245. https://doi.org/10.3390/batteries11070245
Chicago/Turabian StyleCabrane, Zineb, Donghee Choi, and Soo Hyoung Lee. 2025. "Coordinated Control Strategy-Based Energy Management of a Hybrid AC-DC Microgrid Using a Battery–Supercapacitor" Batteries 11, no. 7: 245. https://doi.org/10.3390/batteries11070245
APA StyleCabrane, Z., Choi, D., & Lee, S. H. (2025). Coordinated Control Strategy-Based Energy Management of a Hybrid AC-DC Microgrid Using a Battery–Supercapacitor. Batteries, 11(7), 245. https://doi.org/10.3390/batteries11070245

