Next Article in Journal
Carbon-Based Thermal Management Solutions and Innovations for Improved Battery Safety: A Review
Previous Article in Journal
Synthesis of Cathode Material Li2FeTiO4 for Lithium-Ion Batteries by Sol–Gel Method
 
 
Font Type:
Arial Georgia Verdana
Font Size:
Aa Aa Aa
Line Spacing:
Column Width:
Background:
Article

Design of a High-Voltage Insulation Resistance Detection System for Commercial Vehicles

1
School of Information and Electrical Engineering, Hangzhou City University, Hangzhou 310015, China
2
Hunan New Energy Heavy Truck Power Systems Engineering Technology Research Center, Changsha 410000, China
3
Hunan Xingbida Wanglian Technology Co., Ltd., Changsha 410000, China
*
Author to whom correspondence should be addressed.
Batteries 2025, 11(4), 143; https://doi.org/10.3390/batteries11040143
Submission received: 24 February 2025 / Revised: 25 March 2025 / Accepted: 29 March 2025 / Published: 7 April 2025
(This article belongs to the Topic Advanced Electric Vehicle Technology, 2nd Volume)

Abstract

Based on the safety monitoring requirements of power batteries for new energy commercial vehicles, this study proposes a battery insulation detection method utilizing the bridge method in combination with existing insulation detection techniques. Through optimization and improvement of this methodology, an insulation detection system for new energy commercial vehicle power batteries was developed, along with a dynamic online calculation method for insulation resistance. Comprehensive experimental testing under multiple operational conditions demonstrates that the proposed system achieves a measurement accuracy with errors below 5% for insulation resistance. Furthermore, the system exhibits significant advantages in dynamic real-time monitoring capabilities and operational reliability.

1. Introduction

With the requirement of the dual-carbon strategy, the development of electric vehicles is necessary for sustainable transportation and upgrading the global automotive industry. China’s traditional automotive enterprises have overtaken passenger cars in terms of electrified technology. However, commercial vehicles are still following suit to start the electrification era. Most electric vehicles (EVs) utilize high-voltage lithium-ion batteries as their power source [1,2,3]. Given that high-voltage lithium-ion batteries are part of a high-voltage direct current (HVDC) system, the high-voltage insulation performance of the vehicle is of great significance to the safe operation of electric vehicles [4,5,6]. But electric commercial vehicles also use lithium batteries as their energy source, and the voltage platform is much higher (more than 800 V). This high-voltage level can be very dangerous to personal safety. The operating conditions and environments of electric vehicles, including high-temperature, high-humidity, and high-salinity fog environments, are highly complex [7,8,9,10,11]. Under these conditions, high-voltage electrical components may exhibit changes in high-voltage insulation performance, and in some cases, even insulation failure. Real-time monitoring of the changes in high-voltage insulation performance and responding to variations in insulation resistance are crucial for ensuring the safe operation of electric vehicles.
Traditional insulation detection methods can be categorized into two types: online and offline [12]. The voltmeter readings are only accessible in an offline manner [13,14]. The disadvantages of this technique include a limited voltage range, complex operation, and unstable voltage output.
Online insulation detection includes the use of balanced bridge methods, unbalanced bridge methods, and signal injection methods [15,16]. The balanced bridge system is a constant measurement system, which is not suitable for scenarios where insulation resistance (IR) decreases simultaneously on both sides. The unbalanced bridge method can overcome the shortcomings of the balanced bridge method but significantly increases the cost of the measurement circuit [17,18]. The disadvantages of the bridge methods mainly include low robustness, low detection accuracy, poor sensitivity, complex circuitry, and high cost. Shen et al. [19] improved upon the traditional bridge method by employing a high-precision instrumentation amplifier and optimizing the algorithm. Although this approach enhanced the detection accuracy and reliability, it lacks versatility and is not suitable for high-voltage platforms.
The signal injection method is a technique that involves injecting a low-frequency signal into the battery pack and calculating insulation based on the feedback signal [12]. This method is easy to implement and can achieve real online detection, gradually becoming the mainstream testing method for insulation resistance in high-voltage systems of electric vehicles. However, this method requires simultaneous computation of the Kalman filter algorithm and the Recursive Least Squares (RLS) algorithm, which increases computational complexity and limits its application in electric vehicles. Song et al. proposed an equivalent circuit model for insulation resistance measurement in high-voltage direct current (HVDC) transmission systems based on low-voltage and low-frequency signal injection. They employed the Extended Kalman Filter (EKF) algorithm to estimate the insulation resistance of HVDC systems, which can accurately estimate the insulation resistance [20]. However, the EKF algorithm is prone to significant round-off errors in nonlinear processes [21]. Tian et al. [12] proposed a detection method based on the Kalman filter, considering that insulation detectors are susceptible to noise interference. They employed the Recursive Least-Squares (RLS) method to address the issue of varying detection results with battery pack voltage. Zhen [22] introduced a low-frequency signal injection method and designed a least-squares algorithm with a variable forgetting factor to rapidly and accurately estimate insulation resistance and Y-capacitance values. This method features fast response (average response time of 3 s), high robustness, high estimation accuracy (Root Mean Square Error, RMSE, less than 0.012), and strong interference resistance, making it suitable for the promotion in electric vehicles. Bukya et al. [23] proposed a VFF-RLS algorithm based on Field-Programmable Gate Array (FPGA) technology. The VFF-RLS-based FPGA technique effectively reduces errors when dealing with changes in battery terminal voltage and resistance conditions and can quickly monitor variations in Insulation Resistance (IR). It is evident that real-time online monitoring and alerting of the insulation status of the power battery system in electric commercial vehicles are essential for ensuring the overall vehicle safety. To achieve this, it is crucial to perform dynamic, real-time, and effective detection of the insulation resistance value of the power battery system. An alarm should be triggered when the insulation resistance value falls outside the safety range, and the controller should take timely safety measures to protect personal safety.
This article provides a battery insulation detection algorithm based on the bridge-balancing methodology, with further optimizations to develop an insulation monitoring system and enhanced algorithm tailored for commercial new energy vehicle (NEV) traction battery systems. The proposed system demonstrates robust applicability in high-voltage commercial vehicle environments, characterized by exceptional universality and measurement accuracy exceeding industry benchmarks.

2. Design of Insulation Inspection System for Commercial Vehicles

Due to the complex system and high-voltage platform of electric commercial vehicles, the signal injection method suffers from significant dynamic detection errors and long response times. An article detection system and dynamic insulation detection algorithm for the battery system of electric commercial vehicles are proposed. These are based on the bridge method, incorporating the principles of the latest national standards and the improvement methods suggested by Shen Yongpeng et al. [19]. The insulation detection circuit is integrated into the Battery Management System (BMS) [24,25,26,27].

3. Battery Insulation Detection Method Based on Bridge Method

The battery insulation detection method based on the bridge method is shown in Figure 1. The detection steps are as follows:
(1) Two voltmeters with the same internal resistance are simultaneously in parallel across the two terminals of the REESS and between the electrical platform; the higher voltage is read s U1, and the lower is read as U1′, as shown in Figure 1b.
(2) After connecting a known unbalanced resistor R0 to the end with a larger voltage, the voltages at this moment are then read as U2 and U2′, as shown in Figure 1c.
Figure 1. Battery Insulation Resistance Detection Principle Based on the Bridge Method. Notes: ① REESS (rechargeable electrical energy storage system) means a rechargeable energy storage system that can provide electrical energy; UE means the electric potential of REESS, and I, I1, and I2 mean the current flowing through the corresponding circuit. ② Ri1 and Ri2 denote the insulation resistance between the REESS and the electrical platform, and Ri2 is the smaller of the resistance values, from which it is determined as the REESS insulation resistance Ri. ③ V1 and V1′ indicate the voltages across Ri1 and Ri2 in an ideal state. ④ U1, U1’, U2, and U2’ indicate the corresponding circuit voltmeter measurements. ⑤ r denotes the internal resistance of the corresponding voltmeter. ⑥ R0 indicates unbalanced resistance.
Figure 1. Battery Insulation Resistance Detection Principle Based on the Bridge Method. Notes: ① REESS (rechargeable electrical energy storage system) means a rechargeable energy storage system that can provide electrical energy; UE means the electric potential of REESS, and I, I1, and I2 mean the current flowing through the corresponding circuit. ② Ri1 and Ri2 denote the insulation resistance between the REESS and the electrical platform, and Ri2 is the smaller of the resistance values, from which it is determined as the REESS insulation resistance Ri. ③ V1 and V1′ indicate the voltages across Ri1 and Ri2 in an ideal state. ④ U1, U1’, U2, and U2’ indicate the corresponding circuit voltmeter measurements. ⑤ r denotes the internal resistance of the corresponding voltmeter. ⑥ R0 indicates unbalanced resistance.
Batteries 11 00143 g001
According to Ohm’s law and (b), the following can be obtained (“//” is the parallel symbol):
U 1 U 1 = R i 2 / / r I 1 R i 1 / / r I 1
Metamorphosis must be:
R i 1 / / r = ( R i 2 / / r ) U 1 U 1
According to Ohm’s law and (c),
U 2 U 2 = R i 2 / / r I 2 R i 1 / / r / / R 0 I 2
Substituting Equation (2) into Equation (3) yields:
R i 2 r R i 2 + r = R 0 ( U 2 U 2 U 1 U 1 )
Rearranging the equation yields:
R i 2 = 1 1 R 0 ( U 2 U 2 U 1 U 1 ) 1 r
The values of U1, U1′, U2, and U2′ can be obtained through voltage measurement equipment. The values of R0 and r are known. The value of Ri2 can be calculated using Equation (5), which represents the insulation resistance value Ri of the entire vehicle.
But there are two problems with the method:
1. Detection accuracy is determined by the detection accuracy of U1, U1′, U2, and U2′. Due to the influence of the distribution capacitance, the higher the total battery voltage is, the longer the stability of U2 and U2′ after incorporating the imbalanced resistor R0, and the greater the error that exists in the detection, which results in the greater the error in the calculated insulation resistance value.
2. When simultaneous insulation faults occur between the REESS ends and the electrical platform, only the smaller of the insulation resistances can be calculated, and it is not possible to calculate Ri1 and Ri2 at the same time.

Verification Standard for Insulation Monitoring Function of Electric Vehicles

Rx is defined as the target value for the insulation fault alarm, UREESS is the current total voltage of the battery pack, and Ri is the current insulation resistance value of the whole vehicle. If the minimum insulation resistance value is required to be 100 Ω/V, Rx is defined in Equation (6) in the range for audible and visual alarms.
1 1 95 U R E E S S 1 R i R x < 1 1 100 U R E E S S 1 R i
If the minimum required insulation resistance value is 500 Ω/V, then, if the value of Rx falls within the range specified by Equation (7), an audio-visual alarm will be triggered.
1 1 475 U R E E S S 1 R i R x < 1 1 500 U R E E S S 1 R i
In this paper, the voltage platform of the commercial vehicle power battery system is 800 V, i.e., UREESS = 800 V. Under normal circumstances, Ri is 10 MΩ or more, allowing 1/Ri to be ignored; the actual design scheme will generally design a multi-level warning mechanism, as detailed in Table 1.

4. Power Battery Insulation Detection Circuit Design and Estimation Algorithm for Commercial Vehicles

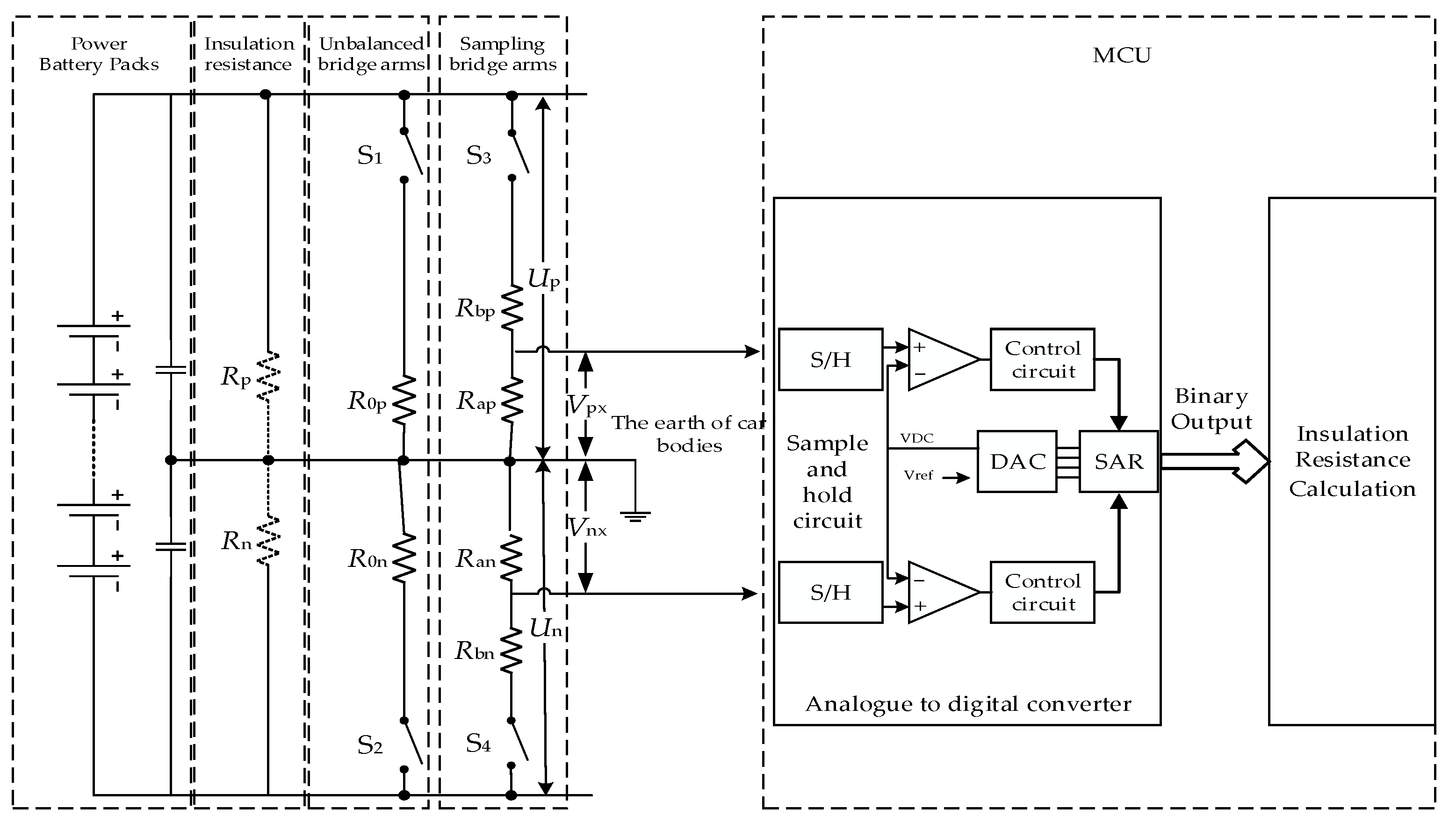
Aiming at the problems existing in the battery insulation detection method based on the bridge method, according to the special characteristics of commercial vehicles’ working conditions, voltage platforms, and vehicle systems, we reviewed the existing mainstream insulation detection methods, and based on this method, we proposed an insulation resistance detection circuit for power batteries in commercial vehicles, as shown in Figure 2.
The circuit uses the vehicle ground as a reference and consists of five modules: power battery pack (including the Y capacitance of the whole vehicle), insulation resistance, unbalanced bridge arm, sampling bridge arm, and MCU. Among these, the unbalanced bridge arm, sampling bridge arm, and MCU modules constitute the hardware circuit components for the insulation resistance detection of the commercial vehicle’s power battery. The unbalanced bridge arm, sampling bridge arm module consists of four optical MOS (MOSFET) switches, a pair made up of an imbalanced bridge arm and a resistance divider sampling arm, where R0 = R0p = R0n, Ra = Rap = Ran, and Rb = Rbp = Rbn. When all four switches are open, the insulation detection circuit can be disconnected from the positive and negative busbars, thereby preventing the insulation detection circuit from affecting other circuits. The opening and closing of switches S3 and S4 are controlled through software settings, thereby controlling the termination and initiation of insulation detection. The opening and closing states of switches S1 and S2 are set to control the busbar end connected to the unbalanced resistor R0. The sampling bridge arm acquires Vp and Vn in different states by the resistor voltage divider. The MCU (Microcontroller Unit) acquires the AD value of the voltage signals, then performs signal processing, conversion, and calculates the insulation resistance value, and then makes corresponding alarm actions according to the fault mechanism. The method requires only three steps to calculate the insulation resistance value.
1. Positive unbalanced voltage acquisition
Close S1, S3, and S4; disconnect S2 to obtain Up1, Un1, Vp1, and Vn1; the equivalent circuit is shown in Figure 3a, where Rc = Rap + Rbp = Ran + Rbn, Rp′ = Rp//Rc, Rn′ = Rn//Rc, and according to Ohm’s law, the following can be obtained:
U n 1 U p 1 = V n 1 ( R a n + R b n ) R a n I 1 V P 1 ( R a p + R b p ) R a p I 1
U n 1 U p 1 = R n ( 1 R 0 + 1 R p )
2. According to Equations (9) and (10), the following can be obtained:
R n = V n 1 V p 1 ( R 0 R p R 0 + R p )
3. Negative unbalanced voltage acquisition
Close S2, S3, and S4; disconnect S1 to obtain Up2, Un2, Vp2, and Vn2; the equivalent circuit is shown in Figure 3b, and the following can be obtained:
Figure 3. Equivalent circuit diagram of power battery insulation detection circuit for commercial vehicles.
Figure 3. Equivalent circuit diagram of power battery insulation detection circuit for commercial vehicles.
Batteries 11 00143 g003
V p 2 V n 2 = R p ( 1 R 0 + 1 R n )
Rearranging the equation yields:
R p = V p 2 V n 2 ( R 0 R n R 0 + R n )
4. Estimation of insulation resistance
Substituting Equation (10) into Equation (11) yields:
R p = R 0 ( V p 2 V n 1 V p 1 V n 2 ) V n 2 ( V n 1 + V p 1 )
By replacing Formula Equation (12) and substituting Formula Equation (9), we obtain:
R n = R 0 ( V p 2 V n 1 V p 1 V n 2 ) V p 1 ( V n 2 + V p 2 )
Based on Rc = Rap + Rbp = Ran + Rbn, Rp ′ = Rp//Rc, Rn ′ = Rn//Rc, we obtain:
R p = 1 ( V n 1 + V p 1 ) V n 2 R 0 ( V p 2 V n 1 V p 1 V n 2 ) 1 R a p + R b p
R n = 1 ( V n 2 + V p 2 ) V p 1 R 0 ( V p 2 V n 1 V p 1 V n 2 ) 1 R a n + R b n

5. Software Workflow of Insulation Detection Algorithm

5.1. Software Flow of Battery Insulation Detection Algorithm Based on Bridge Method

The circuit corresponding to the battery insulation detection method based on the bridge method is shown in Figure 2, and the detailed software flowchart is shown in Figure 4; after the insulation detection starts, the process starts by closing switches S3 and S4 to calculate U1 and U1′. Next, close the switch corresponding to the larger value U1 end (S1 or S2), then calculate U2 and U2′, and finally, calculate the insulation resistance value Ri according to Formula (5), where r = Rap + Rbp = Ran + Rbn.

5.2. Dynamic Insulation Detection Algorithm Software Flow for Commercial Vehicles

The dynamic insulation detection algorithm for commercial vehicles designed in this paper can simultaneously collect the insulation resistance values between the two ends of REESS and the electric platform. It improves sampling accuracy under the dynamic working conditions (with Y capacitance) of the whole vehicle by cyclically collecting the AD values on Rap and Ran, and calculating the corresponding Up and Un. The algorithm also assesses the three consecutive voltage deviation values of Up and Un. The workflow diagram of dynamic insulation detection is shown in Figure 5.
The detection process includes the following steps:
1. Initialization;
2. Close the positive unbalanced switch S1 and the positive-negative sampling bridge arm S3 and S4;
3. Sample the AD values corresponding to Vp1 and Vn1 within 15 s and calculate Vp1, Vn1, Up1, and Un1;
4. When the deviation of Up1 and Un1 is ≤1 V three times consecutively, take the last Vp1 and Vn1 corresponding to Up1 and Un1 as the final value;
5. If Up1 and Un1 do not satisfy the three consecutive deviations of ≤1 V in 15 s, then the maximal insulation value and the insulation fault will be reported;
6. Close the negative unbalanced switch S2 and the positive-negative sampling bridge arm S3 and S4; cyclically sample the AD values corresponding to Vp2 and Vn2 within 15 s and calculate Vp2, Vn2, Up2, and Un2; when the deviation of Up2 and Un2 is ≤1 V three times consecutively, take the last Vp2 and Vn2 corresponding to Up2 and Un2 as the final value; if Up2 and Un2 do not satisfy the three consecutive deviations of ≤1 V in 15 s, then the maximal insulation value and the insulation fault will be reported;
7. The final value of Vp1, Vn1, Vp2, Vn2, Rap, Rbp, Ran, and Rbn is substituted into Equations (15) and (16) to calculate the insulation resistance of the positive and negative bus to the chassis. The detailed flow chart is shown in Figure 6.
As can be seen in Figure 6, there are two differences between the adaptive dynamic insulation inspection process for commercial vehicles and the battery insulation inspection process based on the bridge method: ① Closing the positive end unbalanced arm and the negative end unbalanced arm, respectively, which is done in order to calculate the insulation resistances of the busbar on the chassis at both the positive and negative ends, instead of only calculating the insulation resistance of the busbar on the chassis at both the positive and negative ends of the chassis at the smaller one. ② A sampling stability determination mechanism was implemented, requiring the system to meet predefined stability criteria within 15 s before proceeding to subsequent processes. Failure to satisfy these conditions triggers an insulation sampling fault alarm, aiming to enhance measurement accuracy by ensuring signal integrity.

6. Validation of Dynamic Insulation Test Methods for Commercial Vehicles

To verify the accuracy of the dynamic insulation detection method for new energy commercial vehicles and compare it with the battery insulation detection method based on the bridge method, a test bench (as shown in Figure 7) was established for validation. Under the same experimental conditions and hardware circuitry, tests were conducted using both the battery insulation detection method based on the bridge method and the dynamic insulation detection method for new energy commercial vehicles. The experiment uses a high-voltage power supply to simulate the battery pack voltage, which was set to 800 V. The developed circuit was integrated into the main controller of the battery management, and the programmable power supply was used to supply power to the main control board system; the power supply voltage was set to 24 V. In the experiment, the adjustable resistor box was used to connect resistors with different resistance values in parallel between the battery terminals and the vehicle ground (the vehicle body), thereby simulating different insulation resistance scenarios. Meanwhile, research revealed that the actual Y capacitance of the electric commercial vehicle has two kinds: 470 nf and 690 nf (formed by the parallel 470 nf and 220 nf). The experiment simulates the vehicle’s Y capacitance by incorporating 470 nf and 690 nf safety capacitors into the test circuit in parallel, respectively.
The test is carried out in four stages, corresponding to four different test states. State 1 is to access the simulated adjustable insulation resistance between the vehicle ground and the positive battery terminal or the vehicle ground and the negative battery terminal; state 2 is to access the simulated insulation resistance between the vehicle ground and the positive battery terminal, the vehicle ground and the negative battery terminal at one end, and a fixed insulation resistance at the other end; state 3 is to access 470 nf Y capacitance between state 3 is based on state 1, and at the same time, between the vehicle ground and the battery positive end, the vehicle ground and the battery negative end each has access to the 470 nf Y capacitor; state 4 is based on state 1, and at the same time, between the vehicle ground and the battery positive end, the vehicle ground and the battery negative end each has access to the 690 nf Y capacitor; the specific operation steps are shown below:
State 1: At first, variable resistor R was connected between the positive terminal of the battery and the vehicle ground; the negative terminal of the battery was left disconnected; measurements were run. Then, variable resistor R was connected between the negative terminal of the battery and the vehicle ground; the positive terminal of the battery was left disconnected; again, measurements were run. The insulation resistance value and the error data of the test are shown in Table 2.
State 2: Firstly, variable resistor R was connected between the positive terminal of the battery and the vehicle ground, and a fixed resistor between the negative end of the battery and the vehicle ground, with a resistance value of 1.352 MΩ. Then, variable resistor R was connected between the negative terminal of the battery and the vehicle ground, and a fixed resistor between the positive end of the battery and the vehicle ground, with a resistance value of 1.352 MΩ. The insulating resistance values and the error data of the test are shown in Table 3.
State 3: A 470 nf safety capacitor was connected in parallel between the positive end of the battery and the vehicle ground, as well as between the negative end of the battery and the vehicle ground, to simulate the Y capacitance of the whole vehicle. A variable resistor was sequentially connected between the positive end of the battery and the vehicle ground, the negative end of the battery and the vehicle ground, with the other end suspended in the air. The tested insulation resistance value and error data are shown in Table 4.
State 4: To simulate the vehicle Y capacitor, a 690 nf safety capacitor was connected in parallel between the positive terminal of the battery and the vehicle ground, and between the negative terminal of the battery and the vehicle ground. A variable resistor was sequentially connected between the positive terminal of the battery and the vehicle ground, and between the negative terminal of the battery and the vehicle ground, while no resistor was connected at the other end. The measured insulation resistance values and error data are shown in Table 5.
The results from the four sets of data demonstrate that, under identical hardware circuit and test environment conditions, the dynamic insulation detection method for new energy commercial vehicles is capable of not only calculating the insulation resistance between the positive or negative terminal of the battery and the vehicle ground, but also, in the event of simultaneous insulation abnormalities between the positive terminal of the battery, the negative terminal of the battery, and the vehicle ground, it can accurately calculate the insulation resistance among these components. Furthermore, an additional advantage of this dynamic insulation detection method is its optimization of the sampling method and algorithm in accordance with the characteristics of the commercial vehicle’s high-voltage platform and large Y capacitance, thereby enhancing the estimation accuracy. Verification has confirmed that the detection error of this method remains within 5% across various operating conditions. The application of this detection method significantly improves the insulation detection accuracy of commercial vehicles under the four defined operational scenarios, reduces the likelihood of false alarms for insulation faults, and thereby better ensures the personal safety of passengers.
In summary, the dynamic insulation testing method for electric commercial vehicles has better testing accuracy than the battery insulation detection method based on the bridge method, and compared with other existing insulation testing methods for electric passenger vehicles, this testing method can better meet the insulation testing needs of commercial vehicles.

7. Conclusions

The paper introduces two insulation detection methods and proposes a new dynamic insulation detection method applicable to commercial electric vehicles with high-voltage platforms, which can dynamically calculate the equivalent insulation resistance value of the positive and negative terminals of the high-voltage battery to the ground of the vehicle body in real time. The testing proves that the detection accuracy is within 5% under various working conditions, and at the same time, based on different insulation threshold values, insulation fault early warning can be achieved, which enables both single-end insulation fault alarms and dual-end insulation fault alarms. This method has been effectively implemented in the 800 V power battery system.
At the same time, the battery management system controller applying this testing method has already completed batch mounting on the new energy commercial vehicles of famous brands in China, which can carry out real-time and accurate testing of the insulation resistance value of the whole vehicle under various working conditions and provide fault alarms when there is an insulation risk in the vehicle to ensure the personal safety of the vehicle occupants. For traction battery systems operating within 800–1000 V platforms, the dynamic insulation monitoring methodology achieves accurate detection and early warning when insulation resistance resides in the range of 0–600 kΩ (equivalent to 600 Ω/V under the rated voltage).

Author Contributions

Methodology, D.S. and X.Z.; Software, X.Z.; Investigation, Y.H.; Data curation, F.G. and Y.H.; Writing—original draft, D.S.; Writing—review & editing, F.G. and X.Z. All authors have read and agreed to the published version of the manuscript.

Funding

This work has been supported by the Zhejiang Provincial Emergency Department Project (Grant No. 2024YJ023) and the Key R&D Program of the Ministry of Science and Technology (Grant No. 2023YFB3209805), China.

Data Availability Statement

The original contributions presented in this study are included in the article. Further inquiries can be directed to the corresponding author.

Acknowledgments

The authors are also thankful for the help of the Hunan New Energy Heavy Truck Power Systems Engineering Technology Research Center.

Conflicts of Interest

Authors Feng Guo and Danping She were employed by the company Hunan Xingbida Wanglian Technology Co., Ltd. The remaining authors declare that the research was conducted in the absence of any commercial or financial relationships that could be construed as a potential conflict of interest.

References

  1. Wang, X.; Hao, H.; Liu, J.; Huang, T.; Yu, A. A novel method for preparation of macroposous lithium nickel manganese oxygen as cathode material for lithium ion batteries. Electrochim. Acta 2011, 56, 4065–4069. [Google Scholar]
  2. Xie, Z.; Ellis, S.; Xu, W.; Dye, D.; Zhao, J.; Wang, Y. A novel preparation of core–shell electrode materials via evaporation-induced self assembly of nanoparticles for advanced Li-ion batteries. Chem. Commun. 2015, 51, 15000–15003. [Google Scholar] [CrossRef] [PubMed]
  3. Zeng, Y.K.; Zhao, T.S.; Zhou, X.L.; Zeng, L.; Wei, L. The effects of design parameters on the charge-discharge performance of iron-chromium redox flow batteries. Appl. Energy 2016, 182, 204–209. [Google Scholar] [CrossRef]
  4. Jiang, J.; Ji, H. Study of insulation monitoring device for DC system based on multi-switch combination. In Proceedings of the 2nd International Symposium on Computational Intelligence and Design, Changsha, China, 12–14 December 2009; pp. 429–433. [Google Scholar]
  5. Li, C.; Luo, S.; Cole, C.; Spiryagin, M. An overview: Modern techniques for railway vehicle on-board health monitoring systems. Veh. Syst. Dyn. 2017, 55, 1045–1070. [Google Scholar] [CrossRef]
  6. Chiang, Y.-H.; Sean, W.-Y.; Huang, C.-Y.; Chiang Hsieh, L.-H. Adaptive control for estimating insulation resistance of high-voltage battery system in electric vehicles. Environ. Prog. Sustain. Energy 2017, 36, 1882–1887. [Google Scholar] [CrossRef]
  7. Li, H.; Li, Z.; Lin, F.; Chen, Y.; Liu, D.; Wang, B. Measurement and analysis of insulation resistance of metallized polypropylene film capacitor under high electric field. In Proceedings of the IEEE International Power Modulator and High Voltage Conference (IPMHVC), San Diego, CA, USA, 3–7 June 2012; pp. 617–619. [Google Scholar]
  8. Torkaman, H.; Karimi, F. Measurement variations of insulation resistance/polarization index during utilizing time in HV electrical machines—A survey. Measurement 2015, 59, 21–29. [Google Scholar] [CrossRef]
  9. David, E.; Soltani, R.; Lamarre, L. PDC measurements to assess machine insulation. IEEE Trans. Dielectr. Electr. Insul. 2010, 17, 1461–1469. [Google Scholar] [CrossRef]
  10. Rui, R.; Cotton, I. Impact of low pressure aerospace environment on machine winding insulation. In Proceedings of the IEEE International Symposium on Electrical Insulation, San Diego, CA, USA, 6–9 June 2010; pp. 1–5. [Google Scholar]
  11. Du, B.X.; Yamano, Y. Effects of atmospheric pressure on DC resistance to tracking of polymer insulating materials. IEEE Trans. Dielectr. Electr. Insul. 2005, 12, 1162–1171. [Google Scholar] [CrossRef]
  12. Tian, J.; Wang, Y.; Yang, D.; Zhang, X.; Chen, Z. A real-time insulation detection method for battery packs used in electric vehicles. J. Power Sources 2018, 385, 1–9. [Google Scholar] [CrossRef]
  13. Dai, Q.; Zhu, Z.; Huang, D.; Du, M.; Wei, K. Insulation Detection of Electric Vehicle Batteries. AIP Conf. Proc. 2018, 1971, 040021. [Google Scholar]
  14. Wang, Y.; Tian, J.; Chen, Z.; Liu, X. Model based insulation fault diagnosis for lithium-ion battery pack in electric vehicles. Measurement 2019, 131, 443–451. [Google Scholar]
  15. Chiang, Y.-H.; Sean, W.-Y. Adaptive Control for Estimating Insulation Resistance of High-Voltage Battery System in Electric Vehicles. In New Trends in Electrical Vehicle Powertrains; IntechOpen: London, UK, 2019. [Google Scholar]
  16. Pei, X.; Hu, X.; Liu, W.; Chen, Z.; Yang, B. State Estimation of Vehicle’s Dynamic Stability Based on the Nonlinear Kalman Filter. Automot. Innov. 2018, 1, 281–289. [Google Scholar]
  17. Wen, F.; Pei, W.; Li, Q.; Chu, Z.; Zhao, W.; Wu, S.; Zhang, X.; Han, C. Insulation Monitoring of Dynamic Wireless Charging Network Based on BP Neural Network. World Electr. Veh. J. 2021, 12, 129. [Google Scholar] [CrossRef]
  18. Pande, A.S.; Soni, B.P.; Bhadane, K.V. Electrical Models for EV’s Batteries: An Overview and Mathematical Design of RC Network. Inst. Eng. India Ser. B 2023, 104, 533–547. [Google Scholar]
  19. Shen, Y.P.; Liu, A.K.; Cui, G.Z. Design of an online insulation resistance detection system for electric vehicles using an unbalanced bridge. J. Light Ind. 2018, 33, 10. [Google Scholar]
  20. Zhang, X.; Wang, Y.; Liu, C.; Chen, Z. A novel approach of remaining discharge energy prediction for large format lithium-ion battery pack. J. Power Sources 2017, 343, 216–225. [Google Scholar]
  21. Song, C.; Shao, Y.; Song, S.; Peng, S.; Zhou, F.; Chang, C.; Wang, D. Insulation resistance monitoring algorithm for battery pack in electric vehicle based on extended Kalman filtering. Energies 2017, 10, 714. [Google Scholar] [CrossRef]
  22. Chen, Z.; Cui, W.; Cui, X.; Qiao, H.; Lu, H.; Qiu, N. A new method of insulation detection on electric vehicles based on a variable forgetting factor recursive least squares algorithm. IEEE Access 2021, 9, 73590–73607. [Google Scholar]
  23. Bukya, M.; Padma, B.; Kumar, R.; Mathur, A.; Prasad, N. FPGA-Based VFF-RLS Algorithm for Battery Insulation Detection in Electric Vehicles. World Electr. Veh. J. 2024, 15, 129. [Google Scholar] [CrossRef]
  24. Yang, S. An insulation resistance detection method in battery management system. Automot. Util. Technol. 2023, 48, 6–11. [Google Scholar]
  25. Lv, Z. Design of insulation detection method for electric vehicles based on unbalanced bridge method. Electron. Technol. Softw. Eng. 2019, 3, 245–249. [Google Scholar]
  26. Qin, Z.; Zhao, L.; Wang, X.; Yang, G. Discussion on the improvement of insulation resistance performance requirements and test methods for the whole vehicle in the new version of GB 18384. Automot. Electr. Appl. 2022, 9, 75–76, 80. [Google Scholar]
  27. Gao, G.; Li, L.; Yu, Q.; Li, R. Research on the formula for calculating insulation resistance and alternative methods for GB 18384-2020. China Stand. 2023, 4, 49–51, 56. [Google Scholar]
Figure 2. Dynamic Insulation Resistance Detection Circuit for Commercial Vehicle Power Battery. Notes: ① Rp indicates the insulation resistance between the positive bus of the power battery and the vehicle ground, and Rn indicates the insulation resistance between the negative bus of the power cell and the vehicle ground. ② S1, S2, S3, and S4 are optical MOS to control the access and disconnection of the bridge arm. ③ R0 is the unbalanced resistance, R0p indicates the unbalanced resistance between the positive bus and vehicle ground, and R0n indicates the unbalanced resistance between the negative bus and vehicle ground. ④ Ra is the voltage sampling resistor, Rb is the voltage divider resistor, Rap and Rbp denote the voltage sampling resistor and voltage divider resistor between the positive busbar and the vehicle ground, and Ran and Rbn denote the voltage sampling resistor and voltage divider resistor between the negative busbar and the vehicle ground. ⑤ Up indicates the voltage between the positive bus and vehicle ground, and Un indicates the voltage between the negative bus and vehicle ground. ⑥ Vpx indicates the voltage between Rap and the vehicle ground, and Vnx indicates the voltage between Ran and the vehicle ground.
Figure 2. Dynamic Insulation Resistance Detection Circuit for Commercial Vehicle Power Battery. Notes: ① Rp indicates the insulation resistance between the positive bus of the power battery and the vehicle ground, and Rn indicates the insulation resistance between the negative bus of the power cell and the vehicle ground. ② S1, S2, S3, and S4 are optical MOS to control the access and disconnection of the bridge arm. ③ R0 is the unbalanced resistance, R0p indicates the unbalanced resistance between the positive bus and vehicle ground, and R0n indicates the unbalanced resistance between the negative bus and vehicle ground. ④ Ra is the voltage sampling resistor, Rb is the voltage divider resistor, Rap and Rbp denote the voltage sampling resistor and voltage divider resistor between the positive busbar and the vehicle ground, and Ran and Rbn denote the voltage sampling resistor and voltage divider resistor between the negative busbar and the vehicle ground. ⑤ Up indicates the voltage between the positive bus and vehicle ground, and Un indicates the voltage between the negative bus and vehicle ground. ⑥ Vpx indicates the voltage between Rap and the vehicle ground, and Vnx indicates the voltage between Ran and the vehicle ground.
Batteries 11 00143 g002
Figure 4. Flow chart of insulation testing and calculation.
Figure 4. Flow chart of insulation testing and calculation.
Batteries 11 00143 g004
Figure 5. Schematic diagram of the workflow of self-dynamic insulation testing for commercial vehicles.
Figure 5. Schematic diagram of the workflow of self-dynamic insulation testing for commercial vehicles.
Batteries 11 00143 g005
Figure 6. Detailed flowchart of adaptive dynamic insulation detection for commercial vehicles.
Figure 6. Detailed flowchart of adaptive dynamic insulation detection for commercial vehicles.
Batteries 11 00143 g006
Figure 7. Insulation test stand.
Figure 7. Insulation test stand.
Batteries 11 00143 g007
Table 1. Insulation warning mechanisms.
Table 1. Insulation warning mechanisms.
Fault LevelResistance RangeAlarm Action
Class II76 kΩ ≤ Rx < 80 kΩaudible and visual alarm
Class I380 kΩ ≤ Rx < 400 kΩinsulation warning
/Rx ≥ 400 kΩnormal conditions, no alarm
Table 2. State 1 test data.
Table 2. State 1 test data.
Detection MethodsR Setting Value (kΩ)Rp Measured Value (kΩ)Rp ErrorRn Measured Value (kΩ)Rn Error
Dynamic Insulation Test Method with unbalanced bridge5049−2.00%46−8.00%
10099−1.00%91−9.00%
300294−2.00%287−4.33%
500484−3.20%472−5.60%
760727−4.34%714−6.05%
Dynamic Insulation Test Method for Electric Commercial Vehicles50500.00%500.00%
1001000.00%1000.00%
3003010.33%297−1.00%
5005000.00%491−1.80%
7607610.13%749−1.45%
Table 3. State 2 test data.
Table 3. State 2 test data.
Sensing MethodologiesRp and Rn Setting Value (kΩ)Rp Measured Value (kΩ)Rn Measured Value (kΩ)Rp ErrorRn Error
Dynamic Insulation Test Method with unbalanced bridge50, 135249/−2.00%/
100, 1352100/0.00%/
300, 1352293/−2.33%/
500, 1352478/−4.40%/
760, 1352717/−5.66%/
1352, 50/50/0.00%
1352, 100/97/−3.00%
1352, 300/287/−4.33%
1352, 500/473/−5.40%
1352, 760/713/−6.18%
Dynamic Insulation Test Method for Electric Commercial Vehicles50, 1352491353−2.00%0.07%
100, 135210013570.00%0.37%
300, 135230013530.00%0.07%
500, 13524941345−1.20%−0.52%
760, 13527551335−0.66%−1.26%
1352, 50135148−0.07%−4.00%
1352, 100132298−2.22%−2.00%
1352, 3001343295−0.67%−1.67%
1352, 5001344488−0.59%−2.40%
1352, 7601347746−0.37%−1.84%
Note: The bridge-based battery insulation detection methodology exhibits a critical limitation: it exclusively quantifies the insulation resistance at the terminal with lower resistivity, while failing to accurately measure the counterpart at the higher-resistance terminal due to inherent systemic constraints, according to the columns with “/”.
Table 4. State 3 test data.
Table 4. State 3 test data.
Detection MethodsR Setting Value (kΩ)Rp Measured Value (kΩ)Rp ErrorRn Measured Value (kΩ)Rn Error
Dynamic Insulation Test Method with unbalanced bridge5048−4.00%42−16.00%
10099−1.00%91−9.00%
300284−5.33%245−18.33%
500440−12.00%350−30.00%
760597−21.45%495−34.87%
Dynamic Insulation Test Method for Electric Commercial Vehicles50500.00%49−2.00%
10099−1.00%98−2.00%
300297−1.00%294−2.00%
500493−1.40%481−3.80%
760743−2.24%733−3.55%
Table 5. State 4 test data.
Table 5. State 4 test data.
Detection MethodsR setting Value (kΩ)Rp Measured Value (kΩ)Rp ErrorRn Measured Value (kΩ)Rn Error
Dynamic Insulation Test Method with unbalanced bridge5049−2.00%41−18.00%
10098−2.00%79−21.00%
300262−12.67%191−36.33%
500366−26.80%266−46.80%
760454−40.26%310−59.21%
Dynamic Insulation Test Method for Electric Commercial Vehicles5049−2.00%49−2.00%
10095−5.00%97−3.00%
300296−1.33%293−2.33%
500484−3.20%476−4.80%
760732−3.68%723−4.87%
Disclaimer/Publisher’s Note: The statements, opinions and data contained in all publications are solely those of the individual author(s) and contributor(s) and not of MDPI and/or the editor(s). MDPI and/or the editor(s) disclaim responsibility for any injury to people or property resulting from any ideas, methods, instructions or products referred to in the content.

Share and Cite

MDPI and ACS Style

Guo, F.; She, D.; Zhang, X.; Han, Y. Design of a High-Voltage Insulation Resistance Detection System for Commercial Vehicles. Batteries 2025, 11, 143. https://doi.org/10.3390/batteries11040143

AMA Style

Guo F, She D, Zhang X, Han Y. Design of a High-Voltage Insulation Resistance Detection System for Commercial Vehicles. Batteries. 2025; 11(4):143. https://doi.org/10.3390/batteries11040143

Chicago/Turabian Style

Guo, Feng, Danping She, Xinfeng Zhang, and Yue Han. 2025. "Design of a High-Voltage Insulation Resistance Detection System for Commercial Vehicles" Batteries 11, no. 4: 143. https://doi.org/10.3390/batteries11040143

APA Style

Guo, F., She, D., Zhang, X., & Han, Y. (2025). Design of a High-Voltage Insulation Resistance Detection System for Commercial Vehicles. Batteries, 11(4), 143. https://doi.org/10.3390/batteries11040143

Note that from the first issue of 2016, this journal uses article numbers instead of page numbers. See further details here.

Article Metrics

Back to TopTop