State of Charge Estimation of Lithium Battery Utilizing Strong Tracking H-Infinity Filtering Algorithm
Abstract
1. Introduction
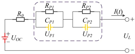
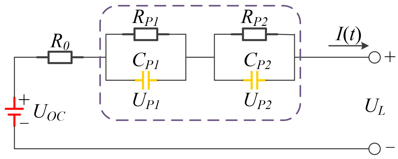
2. Equivalent Circuit Model of a Lithium-Ion Battery
3. Online Identification of Model Parameters
3.1. OCV-SOC Characteristic Curve
3.2. Mathematical Derivation of Model Least Squares Method
3.3. Forgetting Factor Recursive Least Squares Method
3.4. Dynamic Forgetting Factor Recursive Least Squares Method
4. Research on SOC Estimation Based on Strong Tracking H-Infinity Filtering Algorithm
4.1. H-Infinity Filtering Algorithm
4.2. Strong Tracking H-Infinity Filtering Algorithm
5. Experimental Results and Analysis
5.1. Analysis of Online Identification Results
5.2. Adaptability Analysis of Algorithms under Different Working Conditions
6. Conclusions
Author Contributions
Funding
Data Availability Statement
Conflicts of Interest
References
- Tang, Y. Review on the Application Status and Development of Lithium-ion Batteries in Electric Vehicles. Environ. Technol. 2023, 4, 94–100. [Google Scholar]
- Ren, B.Y.; Sun, J.; Sun, X.D.; Xu, W.N. A simplified second-order model for improving the speed of on-line state of charge estimation of series lithium-ion batteries. Power Syst. Prot. Control 2022, 50, 110–118. [Google Scholar] [CrossRef]
- Liu, S.Z.; Yuan, L.H.; Zhang, C.; Jin, L.; Yang, Q.X. State of Charge Estimation of LiFeO4 Batteries Based on Time Domain Features of Ultrasonic Waves and Random Forest. Trans. China Electrotech. Soc. 2022, 37, 5872–5885. [Google Scholar] [CrossRef]
- Zhang, Z.Y.; Wang, G.S.; Nie, S.X.; Xing, P.X. State of Charge Estimation of LiFePO4 Battery under the Condition of High-Rate Pulsed Discharge. Trans. China Electrotech. Soc. 2019, 34, 1769–1779. [Google Scholar] [CrossRef]
- Wang, H.D.; Xu, Y.H.; Zhang, H.G.; Yang, F.F. Review of SOC Estimation Technology for Lithium-ion Power Batteries. Auto Time 2023, 22, 120–122. [Google Scholar]
- Chu, Y.; Li, J.; Gu, J.; Qiang, Y. Parameter identification and SOC estimation of lithium-ion batteries based on AG-COA-ASRCKF. J. Power Electron. 2023, 23, 308–319. [Google Scholar] [CrossRef]
- Fan, X.M.; Feng, H.; Zhang, X. Optimization of Least Squares Method and Its Application in Parameter Identification of Lithium-Ion Battery Model. Trans. China Electrotech. Soc. 2024, 39, 1577–1588. [Google Scholar] [CrossRef]
- Zhu, Q.; Li, L.; Hu, X.; Xiong, N.; Hu, G.D. H∞-Based Nonlinear Observer Design for State of Charge Estimation of Lithium-Ion Battery with Polynomial Parameters. IEEE Trans. Veh. Technol. 2017, 66, 10853–10865. [Google Scholar] [CrossRef]
- Dey, S.; Ayalew, B.; Pius, P. Nonlinear Robust Observers for State-of-Charge Estimation of Lithium-ion Cells Based on a Reduced Electrochemical Model. IEEE Trans. Control Syst. Technol. 2015, 23, 1935–1942. [Google Scholar] [CrossRef]
- Fu, L.; Du, M.X.; Liu, B.; Wei, K.X. Estimation of lithium-ion battery SOC based on combination of open circuit voltage and Kalman filter. J. Tianjin Univ. Technol. 2015, 31, 9–13. [Google Scholar]
- Xiong, R.; He, H.W.; Sun, F.C.; Zhao, K. Evaluation on State of Charge Estimation of Batteries with Adaptive Extended Kalman Filter by Experiment Approach. IEEE Trans. Veh. Technol. 2013, 62, 108–117. [Google Scholar] [CrossRef]
- Wang, Z.F. State of charge estimation and hardware-in-loop verification of Lithium-ion battery based on BCRLS-AEKF. Trans. Beijing Inst. Technol. 2020, 40, 275–281. [Google Scholar] [CrossRef]
- Du, B.H.; Zhang, Y.; Wu, T.Z.; He, Y.L.; Li, Z.L. An online identification method for equivalent model parameters of aging lithium-ion bat-tries. Energy Storage Sci. Technol. 2021, 10, 342–348. [Google Scholar] [CrossRef]
- Pedro, F.; Paul, P.; Pedro, B. On-line parameter estimation of a lithium-ion battery/supercapacitor storage system using filtering sliding mode differentiators. J. Energy Storage 2020, 32, 101889. [Google Scholar] [CrossRef]
- Feng, F.; Lu, R.; Wei, G.; Zhu, C. Identification and analysis of model parameters used for LiFePO4 cells series battery pack at various ambient temperature. IET Electr. Syst. Transp. 2016, 6, 50–55. [Google Scholar] [CrossRef]
- Pavkovic, D.; Krznar, M.; Komljenovic, A.; Hrgetic, M.; Zorc, D. Dual EKF based state and parameter estimator for a LiFePO4 battery cell. J. Power Electron. 2017, 17, 398–410. [Google Scholar] [CrossRef]
- Chen, Y.; He, Y.G.; Li, Z. Battery variable temperature model parameter identification by likelihood estimation and SOC estimation. J. Electron. Meas. Instrum. 2019, 33, 1–9. [Google Scholar]
- Ding, Z.T.; Deng, T.; Li, Z.F.; Yin, Y.L. SOC Estimation of Lithium-ion Battery Based on Ampere Hour Integral and Unscented Kalman Filter. China Mech. Eng. 2020, 31, 1823–1830. [Google Scholar]
- Jin, B.W.; Qiao, H.M.; Pan, T.H.; Chen, S. Lithium Battery SOC Estimation Based on Internal Resistance Power Consumption. Automot. Eng. 2020, 42, 1008–1015+1059. [Google Scholar] [CrossRef]
- Zhang, Y.H. Research on SOC Estimation of Lithium Battery Based on Modified Strong Tracking Filter. Master’s Thesis, Tian Jin University, Zhenjiang, China, 2014. [Google Scholar]
- Shu, X.; Chen, Z.; Shen, J.; Guo, F.; Zhang, Y.; Liu, Y. State of Charge Estimation for Lithium-ion Battery Based on Hybrid Compensation Modeling and Adaptive H-Infinity Filter. IEEE Trans. Transp. Electrif. 2022, 9, 945–957. [Google Scholar] [CrossRef]
- Zhao, L.H.; Liu, Z.Y.; Ji, G.H. Lithium-ion battery state of charge estimation with model parameters adaptation using H∞ extended Kalman filter. Control Eng. Pract. 2018, 81, 114. [Google Scholar] [CrossRef]
- Chen, Z.; Zhao, H.; Shu, X.; Zhang, Y.; Shen, J.; Liu, Y. Synthetic state of charge estimation for lithium-ion batteries based on long short-term memory network modeling and adaptive H-Infinity filter. Energy 2021, 228, 120630. [Google Scholar] [CrossRef]
- Liu, F.; Yu, D.; Su, W.; Bu, F. Multi-state joint estimation of series battery pack based on multi-model fusion. Electrochem. Acta 2023, 443, 141964. [Google Scholar] [CrossRef]
- Dong, G.Z.; Xu, Y.; Wei, Z.B. A Hierarchical Approach for Finite-Time H∞ State-of-Charge Observer and Probabilistic Lifetime Prediction of Lithium-Ion Batteries. IEEE Trans. Energy Convers. 2021, 37, 718. [Google Scholar] [CrossRef]
- Chen, C.; Xiong, R.; Shen, W. A Lithium-Ion Battery-in-the-Loop Approach to Test and Validate Multiscale Dual H Infinity Filters for State-of-Charge and Capacity Estimation. IEEE Trans. Power Electron. 2018, 33, 332–342. [Google Scholar] [CrossRef]
- Liu, Y.; Wang, S.; Xie, Y.; Fernandez, C.; Qiu, J.; Zhang, Y. A novel adaptive H-infinity filtering method f-or the accurate SOC estimation of lithium-ion batteries based on optimal forgetting factor selection. Int. J. Circuit Theory Appl. 2022, 50, 3372–3386. [Google Scholar] [CrossRef]
- Li, M.; Zhang, Y.; Hu, Z.; Zhang, Y.; Zhang, J. A Battery SOC Estimation Method Based on AFFRLS-EKF. Sensors 2021, 21, 12. [Google Scholar] [CrossRef]
- Yue, Y.S.; Sun, D.; Xu, S.; Shen, Y.P. Research progress in equivalent circuit model for Li-ion battery. Battery Bimon. 2023, 53, 682–686. [Google Scholar] [CrossRef]
- Sun, J.L.; Tang, C.Y.; Li, L.; Zhu, J.D.; Zhu, C.B. An Estimation Method of Rechargeable Electric Quantity for Aging Battery Based on Joint Estimation of State and Model Parameters. Trans. China Electrotech. Soc. 2022, 37, 5886–5898. [Google Scholar] [CrossRef]
- He, J.; Ma, R.F.; Cai, Q.L.; Fan, X.L.; Zhao, W.F.; Deng, Y.L. Life Cycle Identification of Internal Short Circuits of Lithium-ion Battery Based on Recursive Least Square Method. J. Mech. Eng. 2022, 58, 96–104. [Google Scholar] [CrossRef]
- Hang, R. State of Charge Estimation of Ternary Lithium Battery Based on Variable Forgetting Factor Recursive Least Square Method. Master’s Thesis, Chong Qing University, Zhenjiang, China, 2014. [Google Scholar]
- Chen, Z.; Francis, A.; Li, S.; Liao, B.; Xiao, D.; Ha, T.T.; Li, J.; Ding, L.; Cao, X. Egret swarm optimization algorithm: An evolutionary computation approach for model free optimization. Biomimetics 2022, 7, 144. [Google Scholar] [CrossRef] [PubMed]
- Wang, D.; Cao, Y.L.; Du, J.L. Parameter identification of Li-ion battery model by MAFFRLS algorithm. Battery Bimon. 2024, 54, 189–193. [Google Scholar] [CrossRef]
- Calce Battery Research Group [EB/OL]. Available online: https://web.calce.umd.edu/batteries/data.htm (accessed on 1 April 2020).
- Sun, J.L.; Zou, X.; Gu, T.H.; Cui, K.; Zhu, J.D. State of Charge Estimation for Lithium-ion Battery Based on FFRLS-EKF Joint Algorithm. Automot. Eng. 2022, 44, 505–513. [Google Scholar] [CrossRef]
- Xiong, W.; Mei, H.P.; Xu, G.; Li, Y.H.; Li, Y.M. Lithium-ion battery SOC estimation based on improved H-infinity filter. Chin. J. Power Sources 2020, 44, 1488–1491+1528. [Google Scholar]










| SOC (%) | OCV(V) | SOC (%) | OCV(V) |
|---|---|---|---|
| 0 | 3.385 | 60 | 3.753 |
| 10 | 3.467 | 70 | 3.893 |
| 20 | 3.555 | 80 | 3.940 |
| 30 | 3.599 | 90 | 4.050 |
| 40 | 3.625 | 100 | 4.166 |
| 50 | 3.664 |
| Order | Fourth | Fifth | Sixth | Seventh |
|---|---|---|---|---|
| R2 | 0.997 | 0.997 | 0.999 | 0.999 |
| Operating Mode | Algorithm | MaxAE% | MAE% | RMSE% |
|---|---|---|---|---|
| DST | STF-HIF | 0.69% | 0.27% | 0.33% |
| HIF | 2.03% | 0.99% | 1.17% | |
| FUDS | STF-HIF | 0.72% | 0.25% | 0.30% |
| HIF | 2.28% | 1.02% | 1.21% | |
| BJDST | STF-HIF | 1.22% | 0.38% | 0.46% |
| HIF | 2.51% | 1.19% | 1.43% |
Disclaimer/Publisher’s Note: The statements, opinions and data contained in all publications are solely those of the individual author(s) and contributor(s) and not of MDPI and/or the editor(s). MDPI and/or the editor(s) disclaim responsibility for any injury to people or property resulting from any ideas, methods, instructions or products referred to in the content. |
© 2024 by the authors. Licensee MDPI, Basel, Switzerland. This article is an open access article distributed under the terms and conditions of the Creative Commons Attribution (CC BY) license (https://creativecommons.org/licenses/by/4.0/).
Share and Cite
Yuan, T.; Liu, Y.; Bai, J.; Sun, H. State of Charge Estimation of Lithium Battery Utilizing Strong Tracking H-Infinity Filtering Algorithm. Batteries 2024, 10, 388. https://doi.org/10.3390/batteries10110388
Yuan T, Liu Y, Bai J, Sun H. State of Charge Estimation of Lithium Battery Utilizing Strong Tracking H-Infinity Filtering Algorithm. Batteries. 2024; 10(11):388. https://doi.org/10.3390/batteries10110388
Chicago/Turabian StyleYuan, Tianqing, Yang Liu, Jing Bai, and Hao Sun. 2024. "State of Charge Estimation of Lithium Battery Utilizing Strong Tracking H-Infinity Filtering Algorithm" Batteries 10, no. 11: 388. https://doi.org/10.3390/batteries10110388
APA StyleYuan, T., Liu, Y., Bai, J., & Sun, H. (2024). State of Charge Estimation of Lithium Battery Utilizing Strong Tracking H-Infinity Filtering Algorithm. Batteries, 10(11), 388. https://doi.org/10.3390/batteries10110388
