Subcritical Water as a Pre-Treatment of Mixed Microbial Biomass for the Extraction of Polyhydroxyalkanoates
Abstract
1. Introduction
2. Materials and Methods
2.1. Biomass Production
2.2. Polymer Extraction with Chloroform
2.3. NPCM Digestion with Sodium Hypochlorite
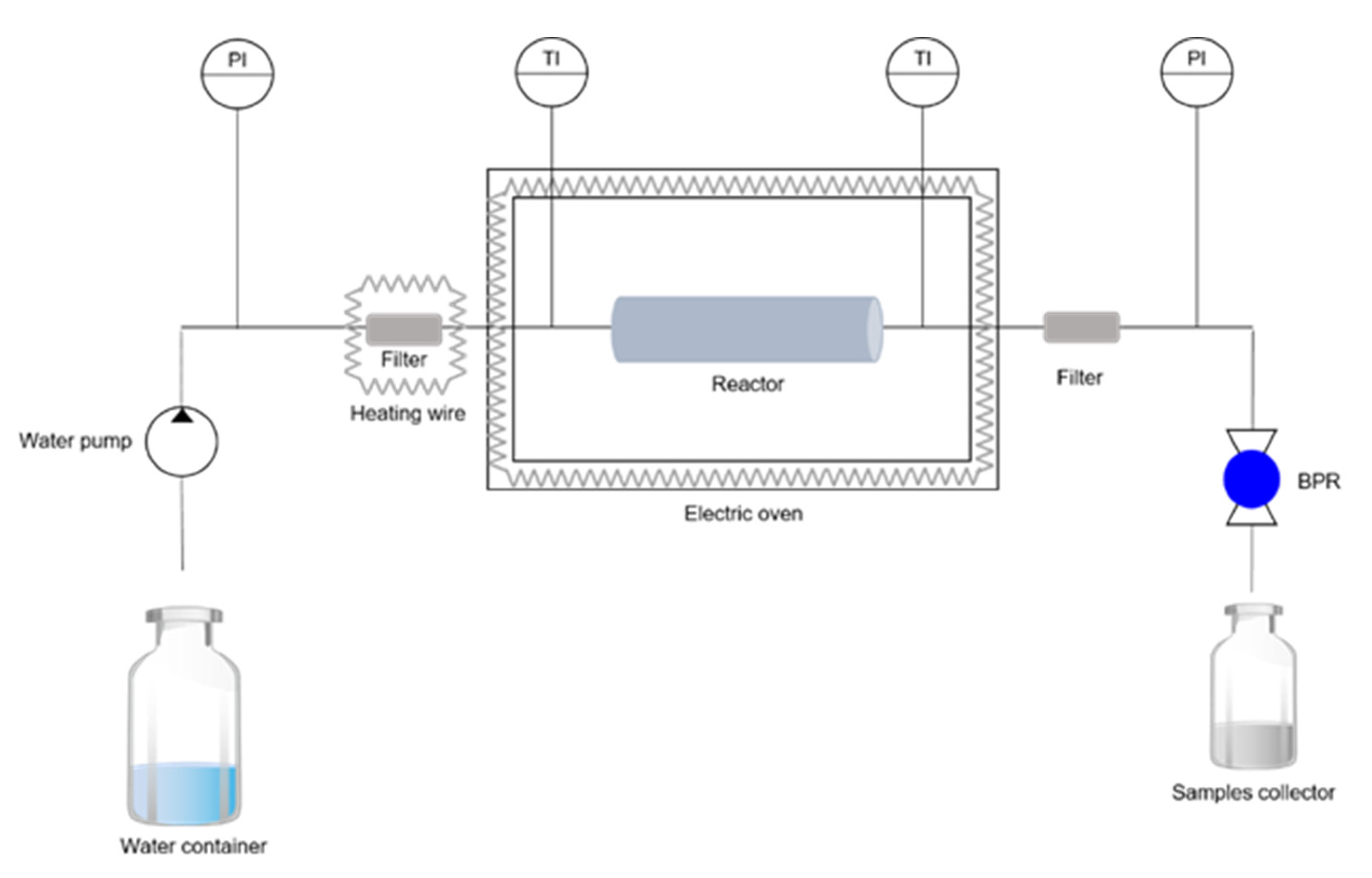
2.4. Subcritical Water-Assisted Extraction
2.5. Hypochlorite Digestion of the SBW Treated Biomass
2.6. Calculations
2.7. Polymer Characterization
2.7.1. Composition
2.7.2. Molecular Mass Distribution
2.7.3. Thermal Properties
3. Results and Discussion
3.1. Solvent Extraction with Chloroform and Hypochlorite Digestion
3.2. SBW-Assisted Extraction
3.2.1. SBW Treatment
3.2.2. Extraction of PHA from the SBW-Treated Biomass with Hypochlorite
3.3. Overall Assessment of the SBW-Hypochlorite Procedure
4. Conclusions
Supplementary Materials
Author Contributions
Funding
Institutional Review Board Statement
Informed Consent Statement
Data Availability Statement
Conflicts of Interest
References
- Kourmentza, C.; Plácido, J.; Venetsaneas, N.; Burniol-Figols, A.; Varrone, C.; Gavala, H.N.; Reis, M.A.M. Recent Advances and Challenges towards Sustainable Polyhydroxyalkanoate (PHA) Production. Bioengineering 2017, 4, 55. [Google Scholar] [CrossRef]
- Mannina, G.; Presti, D.; Montiel-Jarillo, G.; Suárez-Ojeda, M.E. Bioplastic Recovery from Wastewater: A New Protocol for Polyhydroxyalkanoates (PHA) Extraction from Mixed Microbial Cultures. Bioresour. Technol. 2019, 282, 361–369. [Google Scholar] [CrossRef] [PubMed]
- Samorì, C.; Abbondanzi, F.; Galletti, P.; Giorgini, L.; Mazzocchetti, L.; Torri, C.; Tagliavini, E. Extraction of Polyhydroxyalkanoates from Mixed Microbial Cultures: Impact on Polymer Quality and Recovery. Bioresour. Technol. 2015, 189, 195–202. [Google Scholar] [CrossRef] [PubMed]
- Koller, M.; Niebelschütz, H.; Braunegg, G. Strategies for Recovery and Purification of Poly [(R)-3-Hydroxyalkanoates] (PHA) Biopolyesters from Surrounding Biomass. Eng. Life Sci. 2013, 13, 549–562. [Google Scholar] [CrossRef]
- Pagliano, G.; Galletti, P.; Samorì, C.; Zaghini, A.; Torri, C. Recovery of Polyhydroxyalkanoates from Single and Mixed Microbial Cultures: A Review. Front. Bioeng. Biotechnol. 2021, 9, 624021. [Google Scholar] [CrossRef]
- Pérez-Rivero, C.; López-Gómez, J.P.; Roy, I. A Sustainable Approach for the Downstream Processing of Bacterial Polyhydroxyalkanoates: State-of-the-Art and Latest Developments. Biochem. Eng. J. 2019, 150, 107283. [Google Scholar] [CrossRef]
- Berger, E.; Ramsay, B.A.; Ramsay, J.A.; Chavarie, C. PHA Recovery by Hypochlorite Digestion of Non-PHB Biomass. Biotechnol. Tech. 1989, 3, 227–232. [Google Scholar] [CrossRef]
- López-Abelairas, M.; García-Torreiro, M.; Lú-Chau, T.; Lema, J.M.; Steinbüchel, A. Comparison of Several Methods for the Separation of Poly(3-Hydroxybutyrate) from Cupriavidus necator H16 Cultures. Biochem. Eng. J. 2015, 93, 250–259. [Google Scholar] [CrossRef]
- Villano, M.; Valentino, F.; Barbetta, A.; Martino, L.; Scandola, M.; Majone, M. Polyhydroxyalkanoates Production with Mixed Microbial Cultures: From Culture Selection to Polymer Recovery in a High-Rate Continuous Process. New Biotechnol. 2014, 31, 289–296. [Google Scholar] [CrossRef]
- Heinrich, D.; Madkour, M.H.; Al-Ghamdi, M.A.; Shabbaj, I.I.; Steinbüchel, A. Large Scale Extraction of Poly (3-Hydroxybutyrate) from Ralstonia eutropha H16 Using Sodium Hypochlorite. AMB Express 2012, 2, 1–6. [Google Scholar] [CrossRef]
- Lorini, L.; Martinelli, A.; Pavan, P.; Majone, M.; Valentino, F. Downstream Processing and Characterization of Polyhydroxyalkanoates (PHAs) Produced by Mixed Microbial Culture (MMC) and Organic Urban Waste as Substrate. Biomass Convers. Biorefinery 2021, 11, 693–703. [Google Scholar] [CrossRef]
- Kunasundari, B.; Sudesh, K. Isolation and Recovery of Microbial Polyhydroxyalkanoates. Express Polym. Lett. 2011, 5, 620–634. [Google Scholar] [CrossRef]
- Guzik, M.; Witko, T.; Steinbüchel, A.; Wojnarowska, M.; Sołtysik, M.; Wawak, S. What Has Been Trending in the Research of Polyhydroxyalkanoates? A Systematic Review. Front. Bioeng. Biotechnol. 2020, 87, 137–146. [Google Scholar] [CrossRef]
- Serafim, L.S.; Queirós, D.; Rossetti, S.; Lemos, P.C. Biopolymer Production by Mixed Microbial Cultures: Integrating Remediation with Valorization. In Recent Advances in Biotechnology Microbial Biopolyester, Vol. 1: Production, Performance and Processing Microbiology, Feedstocks, and Metabolism; Koller, M., Ed.; Bentham Science: Sharjah, United Arab Emirates, 2016; Volume 1, p. 226. [Google Scholar] [CrossRef][Green Version]
- Kobayashi, D.; Fujita, K.; Nakamura, N.; Ohno, H. A Simple Recovery Process for Biodegradable Plastics Accumulated in Cyanobacteria Treated with Ionic Liquids. Appl. Microbiol. Biotechnol. 2015, 99, 1647–1653. [Google Scholar] [CrossRef] [PubMed]
- Hejazi, P.; Vasheghani-farahani, E.; Yamini, Y. Supercritical Fluid Disruption of Ralstonia eutropha for Poly (-Hydroxybutyrate) Recovery. Biotechnol. Prog. 2003, 19, 15191523. [Google Scholar] [CrossRef]
- Kruse, A.; Dinjus, E. Hot Compressed Water as Reaction Medium and Reactant. Properties and Synthesis Reactions. J. Supercrit. Fluids 2007, 39, 361–379. [Google Scholar] [CrossRef]
- Brunner, G. Near Critical and Supercritical Water. Part I. Hydrolytic and Hydrothermal Processes. J. Supercrit. Fluids 2009, 47, 373–381. [Google Scholar] [CrossRef]
- Pedras, B.; Salema-Oom, M.; Sá-Nogueira, I.; Simões, P.; Paiva, A.; Barreiros, S. Valorization of White Wine Grape Pomace through Application of Subcritical Water: Analysis of Extraction, Hydrolysis, and Biological Activity of the Extracts Obtained. J. Supercrit. Fluids 2017, 128, 138–144. [Google Scholar] [CrossRef]
- Pedras, B.M.; Regalin, G.; Sá-Nogueira, I.; Simões, P.; Paiva, A.; Barreiros, S. Fractionation of Red Wine Grape Pomace by Subcritical Water Extraction/Hydrolysis. J. Supercrit. Fluids 2020, 160, 104793. [Google Scholar] [CrossRef]
- Cunha, M.; Lourenço, A.; Barreiros, S.; Paiva, A.; Simões, P. Valorization of Cork Using Subcritical Water. Molecules 2020, 25, 4695. [Google Scholar] [CrossRef]
- Zhang, R.Y.; Liu, H.M.; Hou, J.; Yao, Y.G.; Ma, Y.X.; Wang, X. De Cellulose Fibers Extracted from Sesame Hull Using Subcritical Water as a Pretreatment. Arab. J. Chem. 2021, 14, 103178. [Google Scholar] [CrossRef]
- Melgosa, R.; Marques, M.; Paiva, A.; Bernardo, A.; Fernández, N.; Sá-Nogueira, I.; Simões, P. Subcritical Water Extraction and Hydrolysis of Cod (Gadus Mmorhua) Frames to Produce Bioactive Protein Extracts. Foods 2021, 10, 1222. [Google Scholar] [CrossRef] [PubMed]
- Tran Nguyen, P.L.; Go, A.W.; Huynh, L.H.; Ju, Y.H. A Study on the Mechanism of Subcritical Water Treatment to Maximize Extractable Cellular Lipids. Biomass Bioenergy 2013, 59, 532–539. [Google Scholar] [CrossRef]
- Matos, M.; Cruz, R.A.P.; Cardoso, P.; Silva, F.; Freitas, E.B.; Carvalho, G.; Reis, M.A.M. Combined Strategies to Boost Polyhydroxyalkanoate Production from Fruit Waste in a Three-Stage Pilot Plant. ACS Sustain. Chem. Eng. 2021, 9, 8270–8279. [Google Scholar] [CrossRef]
- Cruz, M.V.; Araújo, D.; Alves, V.D.; Freitas, F.; Reis, M.A.M. Characterization of Medium Chain Length Polyhydroxyalkanoate Produced from Olive Oil Deodorizer Distillate. Int. J. Biol. Macromol. 2016, 82, 243–248. [Google Scholar] [CrossRef]
- Morais, C.; Freitas, F.; Cruz, M.V.; Paiva, A.; Dionísio, M.; Reis, M.A.M. Conversion of Fat-Containing Waste from the Margarine Manufacturing Process into Bacterial Polyhydroxyalkanoates. Int. J. Biol. Macromol. 2014, 71, 68–73. [Google Scholar] [CrossRef]
- Albuquerque, M.G.E.; Martino, V.; Pollet, E.; Avérous, L.; Reis, M.A.M. Mixed Culture Polyhydroxyalkanoate (PHA) Production from Volatile Fatty Acid (VFA)-Rich Streams: Effect of Substrate Composition and Feeding Regime on PHA Productivity, Composition and Properties. J. Biotechnol. 2011, 151, 66–76. [Google Scholar] [CrossRef]
- Duque, A.F.; Oliveira, C.S.S.; Carmo, I.T.D.; Gouveia, A.R.; Pardelha, F.; Ramos, A.M.; Reis, M.A.M. Response of a Three-Stage Process for PHA Production by Mixed Microbial Cultures to Feedstock Shift: Impact on Polymer Composition. New Biotechnol. 2014, 31, 276–288. [Google Scholar] [CrossRef]
- Matos, M.; Cruz, R.A.P.; Cardoso, P.; Silva, F.; Freitas, E.B.; Carvalho, G.; Reis, M.A.M. Sludge Retention Time Impacts on Polyhydroxyalkanoate Productivity in Uncoupled Storage/Growth Processes. Sci. Total Environ. 2021, 799, 149363. [Google Scholar] [CrossRef]
- Sankhla, I.S.; Bhati, R.; Singh, A.K.; Mallick, N. Poly(3-Hydroxybutyrate-Co-3-Hydroxyvalerate) Co-Polymer Production from a Local Isolate, Brevibacillus invocatus MTCC 9039. Bioresour. Technol. 2010, 101, 1947–1953. [Google Scholar] [CrossRef]
- Bossu, J.; Angellier-Coussy, H.; Totee, C.; Matos, M.; Reis, M.; Guillard, V. Effect of the Molecular Structure of Poly (3-Hydroxybutyrate-Co-3-Hydroxyvalerate) (P (3HB-3HV)) Produced from Mixed Bacterial Cultures on Its Crystallization and Mechanical Properties. Biomacromolecules 2020, 21, 4709–4723. [Google Scholar] [CrossRef] [PubMed]
- Esmail, A.; Pereira, J.R.; Sevrin, C.; Grandfils, C.; Menda, U.D.; Fortunato, E.; Oliva, A.; Freitas, F. Preparation and Characterization of Porous Scaffolds Based on Poly (3-Hydroxybutyrate) and Poly (3-Hydroxybutyrate-Co-3-Hydroxyvalerate). Life 2021, 11, 935. [Google Scholar] [CrossRef] [PubMed]
- Martínez-Abad, A.; Cabedo, L.; Oliveira, C.S.S.; Hilliou, L.; Reis, M.A.M.; Lagarón, J.M. Characterization of Polyhydroxyalkanoate Blends Incorporating Unpurified Biosustainably Produced Poly (3-Hydroxybutyrate-Co-3- Hydroxyvalerate). J. Appl. Polym. Sci. 2016, 133, 42633. [Google Scholar] [CrossRef]
- Pradhan, S.; Dikshit, P.K.; Moholkar, V.S. Production, Characterization, and Applications of Biodegradable Polymer: Polyhydroxyalkanoates. In Advances in Sustainable Polymers. Materials Horizons: From Nature to Nanomaterials; Katiyar, V., Kumar, A., Mulchandani, N., Eds.; Springer: Singapore, 2020. [Google Scholar] [CrossRef]
- Naser, A.Z.; Deia, I.; Darras, B.M. Poly (lactic acid) (PLA) and polyhydroxyalkanoates (PHAs), green alternatives to petroleum-based plastics: A review. RSC Adv. 2021, 11, 17151. [Google Scholar] [CrossRef] [PubMed]
- Lorini, L.; Martinelli, A.; Capuani, G.; Frison, N.; Reis, M.; Ferreira, B.S.; Villano, M.; Majone, M.; Valentino, F. Characterization of Polyhydroxyalkanoates Produced at Pilot Scale from Different Organic Wastes. Front. Bioeng. Biotechnol. 2021, 9, 628719. [Google Scholar] [CrossRef] [PubMed]
- Wang, S.; Chen, W.; Xiang, H.; Yang, J.; Zhou, Z.; Zhu, M. Modification and Potential Application of Short-Chain-Length Polyhydroxyalkanoate (SCL-PHA). Polymers 2016, 8, 273. [Google Scholar] [CrossRef]
- Xiang, H.; Wen, X.; Miu, X.; Li, Y.; Zhou, Z.; Zhu, M. Thermal Depolymerization Mechanisms of Poly(3-Hydroxybutyrate-Co-3-Hydroxyvalerate). Prog. Nat. Sci. Mater. Int. 2016, 26, 58–64. [Google Scholar] [CrossRef]
- Palmieri, S.; Tittarelli, F.; Sabbatini, S.; Cespi, M.; Bonacucina, G.; Eusebi, A.L.; Fatone, F.; Stipa, P. Effects of Different Pre-Treatments on the Properties of Polyhydroxyalkanoates Extracted from Sidestreams of a Municipal Wastewater Treatment Plant. Sci. Total Environ. 2021, 801, 149633. [Google Scholar] [CrossRef]
- Stanley, A.; Murthy, P.S.K.; Vijayendra, S.V.N. Characterization of Polyhydroxyalkanoate Produced by Halomonas venusta KT832796. J. Polym. Environ. 2020, 28, 973–983. [Google Scholar] [CrossRef]
- Cha, S.H.; Son, J.H.; Jamal, Y.; Zafar, M.; Park, H.S. Characterization of Polyhydroxyalkanoates Extracted from Wastewater Sludge under Different Environmental Conditions. Biochem. Eng. J. 2016, 112, 1–12. [Google Scholar] [CrossRef]
- Martínez-Herrera, R.E.; Alemán-Huerta, M.E.; Almaguer-Cantú, V.; Rosas-Flores, W.; Martínez-Gómez, V.J.; Quintero-Zapata, I.; Rivera, G.; Rutiaga-Quiñones, O.M. Efficient Recovery of Thermostable Polyhydroxybutyrate (PHB) by a Rapid and Solvent-Free Extraction Protocol Assisted by Ultrasound. Int. J. Biol. Macromol. 2020, 164, 771–782. [Google Scholar] [CrossRef] [PubMed]
- Hong, S.G.; Hsu, H.W.; Ye, M.T. Thermal Properties and Applications of Low Molecular Weight Polyhydroxybutyrate. J. Therm. Anal. Calorim. 2013, 111, 1243–1250. [Google Scholar] [CrossRef]
- Yu, G.-E. Process of Producing Low Molecular Weight Poly (Hydroxyalkanoate)s from High Molecular Weight Poly (Hydroxyalkanoate)s. U.S. 7361725B2, 22 April 2008. [Google Scholar]
- Chaber, P.; Kwiecień, M.; Zięba, M.; Sobota, M.; Adamus, G. The heterogeneous selective reduction of PHB as a useful method for preparation of oligodiols and surface modification. RSC Adv. 2017, 7, 35096–35104. [Google Scholar] [CrossRef]
- Kanmani, P.; Kumaresan, K.; Aravind, J.; Karthikeyan, S.; Balan, R. Enzymatic degradation of polyhydroxyalkanoate using lipase from Bacillus subtilis. Int. J. Environ. Sci. Technol. 2016, 13, 1541–1552. [Google Scholar] [CrossRef]
- Don, T.-M.; Liao, K.-H. Studies on the alcoholysis of poly(3-hydroxybutyrate) and the synthesis of PHB-b-PLA block copolymer for the preparation of PLA/PHB-b-PLA blends. J. Polym. Res. 2018, 25, 38. [Google Scholar] [CrossRef]



| Extraction Method | Recovery Yield (%) | Polymer Purity (%) | 3-HV Content (wt.%) | Mw (g/mol) | PDI | Tm (°C) | Tdeg (°C) | Xc (%) |
|---|---|---|---|---|---|---|---|---|
| Chloroform (Soxhlet, 80 °C, 24 h) | 66 ± 0.92 | 91 ± 0.82 | 18 ± 1.1 | 3.0 × 105 | 1.3 | 153 | 283 | 34 |
| Hypochlorite (5.0%, RT, 3 h) | 75 ± 1.1 | 77 ± 0.91 | 17 ± 0.10 | 3.2 × 105 | 1.3 | 140 | 277 | 21 |
| SBW-assisted extraction | ||||||||
| SBW treatment | ||||||||
| 130 °C | 94 ± 1.3 | 67 ± 0.67 | 18 ± 1.1 | 1.2 × 105 | 5.1 | 150 | 278 | 35 |
| 150 °C | 88 ± 1.4 | 77 ± 0.77 | 17 ± 0.10 | 5.0 × 104 | 6.0 | 147 | 295 | 40 |
| 165 °C | 77 ± 1.4 | 75 ± 0.79 | 16 ± 0.91 | 2.3 × 104 | 7.4 | 141 | 294 | 48 |
| 180 °C | 58 ± 1.0 | 66 ± 1.06 | 15 ± 1.3 | 7.0 × 103 | 3.9 | 127 | 291 | 51 |
| 200 °C | 2 | (*) | (*) | (*) | (*) | (*) | (*) | (*) |
| SBW treatment (150 °C) + Hypochlorite | ||||||||
| 0.1% | 85 ± 1.4 | 80 ± 0.80 | 17 ± 1.1 | 3.0 × 104 | 7.5 | 136 | 290 | 62 |
| 0.5% | 83 ± 1.3 | 81 ± 0.59 | 17 ± 1.1 | 3.0 × 104 | 4.8 | 139 | 287 | 48 |
| 3.0% | 83 ± 1.2 | 82 ± 0.67 | 17 ± 1.2 | 3.0 × 104 | 3.1 | 140 | 282 | 49 |
| 5.0% | 81 ± 1.3 | 84 ± 0.69 | 17 ± 1.1 | 2.8 × 104 | 3.9 | 141 | 276 | 59 |
Publisher’s Note: MDPI stays neutral with regard to jurisdictional claims in published maps and institutional affiliations. |
© 2022 by the authors. Licensee MDPI, Basel, Switzerland. This article is an open access article distributed under the terms and conditions of the Creative Commons Attribution (CC BY) license (https://creativecommons.org/licenses/by/4.0/).
Share and Cite
Meneses, L.; Esmail, A.; Matos, M.; Sevrin, C.; Grandfils, C.; Barreiros, S.; Reis, M.A.M.; Freitas, F.; Paiva, A. Subcritical Water as a Pre-Treatment of Mixed Microbial Biomass for the Extraction of Polyhydroxyalkanoates. Bioengineering 2022, 9, 302. https://doi.org/10.3390/bioengineering9070302
Meneses L, Esmail A, Matos M, Sevrin C, Grandfils C, Barreiros S, Reis MAM, Freitas F, Paiva A. Subcritical Water as a Pre-Treatment of Mixed Microbial Biomass for the Extraction of Polyhydroxyalkanoates. Bioengineering. 2022; 9(7):302. https://doi.org/10.3390/bioengineering9070302
Chicago/Turabian StyleMeneses, Liane, Asiyah Esmail, Mariana Matos, Chantal Sevrin, Christian Grandfils, Susana Barreiros, Maria A. M. Reis, Filomena Freitas, and Alexandre Paiva. 2022. "Subcritical Water as a Pre-Treatment of Mixed Microbial Biomass for the Extraction of Polyhydroxyalkanoates" Bioengineering 9, no. 7: 302. https://doi.org/10.3390/bioengineering9070302
APA StyleMeneses, L., Esmail, A., Matos, M., Sevrin, C., Grandfils, C., Barreiros, S., Reis, M. A. M., Freitas, F., & Paiva, A. (2022). Subcritical Water as a Pre-Treatment of Mixed Microbial Biomass for the Extraction of Polyhydroxyalkanoates. Bioengineering, 9(7), 302. https://doi.org/10.3390/bioengineering9070302

