Influence of Enzyme Additives on the Rheological Properties of Digester Slurry and on Biomethane Yield
Abstract
1. Introduction
2. Materials and Methods
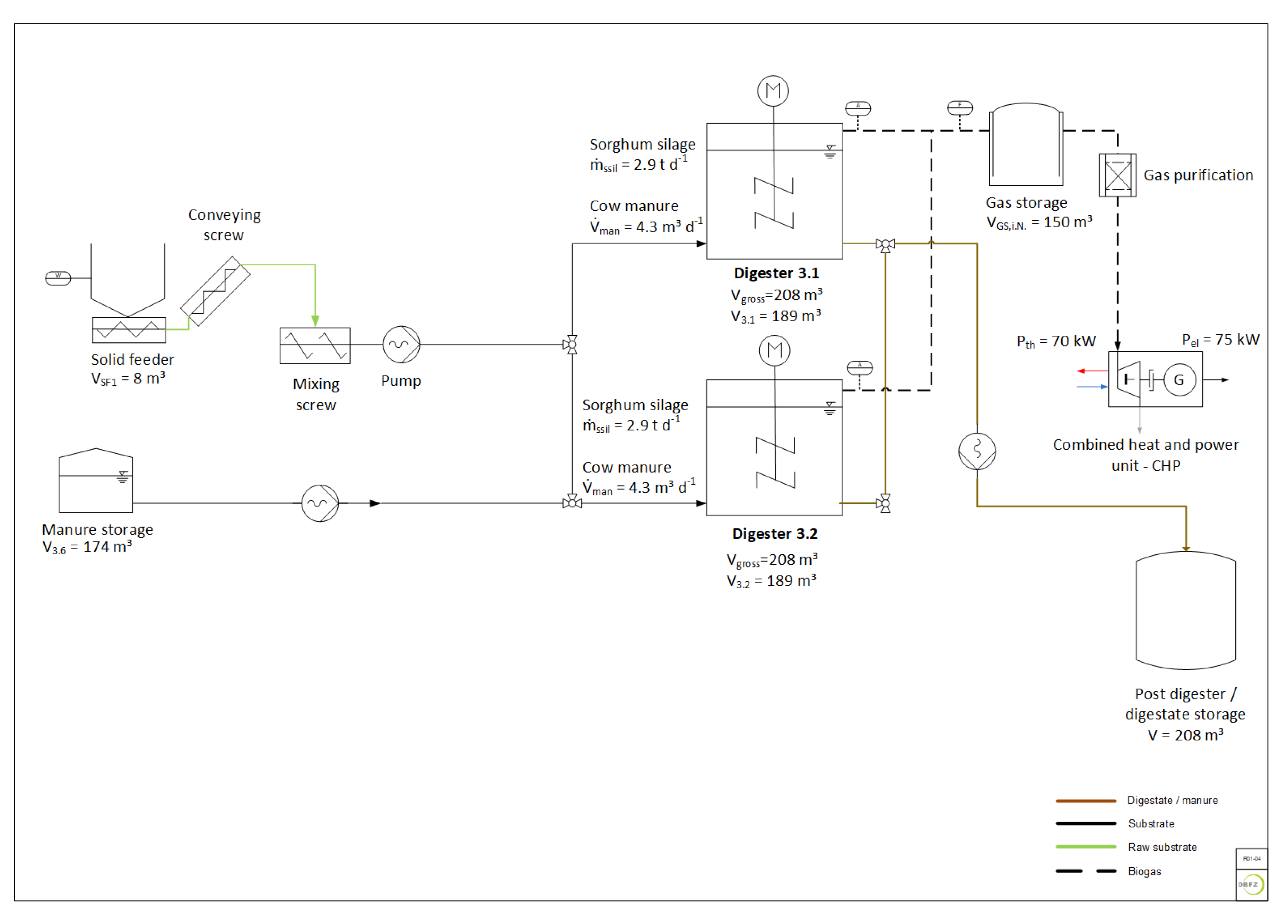
2.1. Anaerobic Digestion Tests
2.2. Enzyme Product
2.3. Analytic Methods
2.4. Pipe Viscometer
- η
- apparent viscosity in Pas;
- Δp
- pressure drop over L in Pa;
- D
- diameter of metering section in m;
- Qv
- volume rate in m³·s−1;
- L
- distance between pressure sensors in m.
- Re
- Reynolds number;
- η
- apparent viscosity in Pas;
- ρ
- density in kg·m−3;
- D
- diameter of metering section in m;
- u
- flow velocity in m·s−1.
- η
- apparent viscosity in Pa·s;
- shear rate in s−1;
- K
- consistency factor in Pa·sn;
- n
- flow index.
2.5. Substrate Degradation Efficiency
3. Results and Discussion
3.1. Specific Biogas Yield and Substrate Degradation Efficiency
3.2. Calibration of Pipe Viscometer
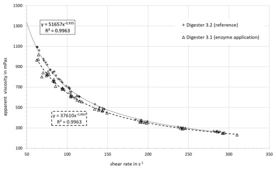
3.3. Rheological Characteristics of Digester Slurry
4. Conclusions
Author Contributions
Funding
Acknowledgments
Conflicts of Interest
References
- Daniel-Gromke, J.; Rensberg, N.; Denysenko, V.; Trommler, M.; Reinholz, T.; Völler, K.; Beil, M.; Beyrich, W. DBFZ Report Nr. 30. Anlagenbestand Biogas und Biomethan- Biogaserzeugung und -nutzung in Deutschland; Deutsches Biomasseforschungszentrum (DBFZ): Leipzig, Germany, 2017; ISBN 978-3-946629-24-5. [Google Scholar]
- EBA- European Biogas Association. EBA Statistical Report. Available online: https://www.europeanbiogas.eu/eba-annual-report-2019/ (accessed on 7 April 2020).
- Biogas in der Landwirtschaft: Stand und Perspektiven FNR / KTBL Fachkongress vom 26. bis 27; Kuratorium für Technik und Bau in der Landwirtschaft KTBL: Bayreuth, Germany, 2017.
- Stafford, D.A. The effects of mixing and volatile fatty acid concentrations on anaerobic digester performance. Biomass 1982, 2, 43–55. [Google Scholar] [CrossRef]
- Dachs, G.; Rehm, W. Der Eigenstromverbrauch von Biogasanlagen und Potenziale zu dessen Reduzierung. 2006. Available online: https://www.sev-bayern.de/wp-content/uploads/2019/01/SeV_BASE-Studie_Biogas-Eigenverbrauch_.pdf (accessed on 3 January 2020).
- Tian, L.; Shen, F.; Yuan, H.; Zou, D.; Liu, Y.; Zhu, B.; Li, X. Reducing agitation energy-consumption by improving rheological properties of corn stover substrate in anaerobic digestion. Bioresour. Technol. 2014, 168, 86–91. [Google Scholar] [CrossRef]
- Singh, B.; Szamosi, Z.; Siménfalvi, Z. State of the art on mixing in an anaerobic digester: A review. Renew. Energy 2019, 141, 922–936. [Google Scholar] [CrossRef]
- The rheological characterisation of sludges. Water Sc. Technol. 1997, 36, 9–18. [CrossRef]
- Barnes, H.A.; Hutton, J.F.; Walters, K. An Introduction to Rheology, 3. Impression; Elsevier: Amsterdam, The Netherlands, 1993; ISBN 0444871403. [Google Scholar]
- El-Mashad, H.M.; Van Loon, W.K.P.; Zeeman, G.; Bot, G.P.A. Rheological properties of dairy cattle manure. Bioresour. Technol. 2005, 96, 531–535. [Google Scholar] [CrossRef]
- Baudez, J.C.; Markis, F.; Eshtiaghi, N.; Slatter, P. The rheological behaviour of anaerobic digested sludge. Water Res. 2011, 45, 5675–5680. [Google Scholar] [CrossRef]
- Baudez, J.-C.; Ayol, A.; Coussot, P. Practical determination of the rheological behavior of pasty biosolids. J. Environ. Manag. 2004, 72, 181–188. [Google Scholar] [CrossRef]
- Šafarič, L.; Yekta, S.S.; Ejlertsson, J.; Safari, M.; Najafabadi, H.N.; Karlsson, A.; Ometto, F.; Svensson, B.H.; Björn, A. A comparative study of biogas reactor fluid rheology-implications for mixing profile and power demand. Processes 2019, 7, 700. [Google Scholar] [CrossRef]
- Senge, B.; Blochwitz, R. Bentlin Simone. Rheologische Stoffkennwerte richtig bestimmen. Dtsch. Milchwirtsch. 2004, 7, 256–260. [Google Scholar]
- Gienau, T.; Kraume, M.; Rosenberger, S. Rheological Characterization of Anaerobic Sludge from Agricultural and Bio-Waste Biogas Plants. Chem. Ing. Tech. 2018, 90, 988–997. [Google Scholar] [CrossRef]
- Baudez, J.-C. About peak and loop in sludge rheograms. J. Environ. Manag. 2006, 78, 232–239. [Google Scholar] [CrossRef]
- Wang, Y.; McAllister, T.A. Rumen Microbes, Enzymes and Feed Digestion—A Review; Agriculture and Agri-Food Canada Research Cenre: Lethbridge, AB, Canada, 2002.
- Binner, R.; Menath, V.; Huber, H.; Thomm, M.; Bischof, F.; Schmack, D.; Reuter, M. Comparative study of stability and half-life of enzymes and enzyme aggregates implemented in anaerobic biogas processes. Biomass Conv. Bioref. 2011, 1, 1–8. [Google Scholar] [CrossRef]
- Romano, R.T.; Zhang, R.; Teter, S.; McGarvey, J.A. The effect of enzyme addition on anaerobic digestion of JoseTall Wheat Grass. Bioresour. Technol. 2009, 100, 4564–4571. [Google Scholar] [CrossRef]
- Quiñones, T.S.; Plöchl, M.; Budde, J.; Heiermann, M. Enhanced Methane Formation through Application of Enzymes: Results from Continuous Digestion Tests. Energy Fuels 2011, 25, 5378–5386. [Google Scholar] [CrossRef]
- Brulé, M.; Vogtherr, J.; Lemmer, A.; Oechsner, H.; Jungbluth, T. Effect of enzyme addition on the methane yields of efluents from a full-scale biogas plant. Landtechnik 2011, 66, 50–52. [Google Scholar]
- Schimpf, U.; Hanreich, A.; Mähnert, P.; Unmack, T.; Junne, S.; Renpenning, J.; Lopez-Ulibarri, R. Improving the Efficiency of Large-Scale Biogas Processes: Pectinolytic Enzymes Accelerate the Lignocellulose Degradation. J. Sustain. Energy Environ. 2013, 4, 53–60. [Google Scholar]
- DEMETEEU-Project. DEMETER-Demonstrating more efficient enzyme production to increase biogas yields. Available online: www.demeter-eu-project.eu/ (accessed on 6 February 2020).
- Liebetrau, J.; Pfeiffer, D.; Thrän, D. (Eds.) Collection of Measurement Methods for Biogas. Methods to Determine Parameters for Analysis Purposes and Parameters that Describe Processes in the Biogas Sector; Deutsches Biomasseforschungszentrum (DBFZ): Leipzig, Germany, 2016. [Google Scholar]
- Holliger, C.; Alves, M.; Andrade, D.; Angelidaki, I.; Astals, S.; Baier, U.; Bougrier, C.; Buffière, P.; Carballa, M.; De Wilde, V.; et al. Towards a standardization of biomethane potential tests. Water Sci. Technol. 2016, 74, 2515–2522. [Google Scholar] [CrossRef]
- Zhong, L.; Oostrom, M.; Truex, M.J.; Vermeul, V.R.; Szecsody, J.E. Rheological behavior of xanthan gum solution related to shear thinning fluid delivery for subsurface remediation. J. Hazard. Mater. 2013, 244–245, 160–170. [Google Scholar] [CrossRef]
- Ariunbaatar, J.; Panico, A.; Esposito, G.; Pirozzi, F.; Lens, P.N.L. Pretreatment methods to enhance anaerobic digestion of organic solid waste. Appl. Energy 2014, 123, 143–156. [Google Scholar] [CrossRef]
- Weißbach, F. Ausnutzungsgrad von Nawaros bei der Biogasgewinnung. Landtechnik 2009, 64, 18–21. [Google Scholar]
- Yuri, A.W. Statistics for Chemical and Process Engineers. A modern approach; Springer: Cham, Switzerland; Heidelberg, Germany; New York, NY, USA; Dordrecht, The Netherlands; London, UK, 2015; ISBN 978-3-319-21508-2. [Google Scholar]
- Naegele, H.; Lemmer, A.; Oechsner, H.; Jungbluth, T. Electric energy consumption of the full scale research biogas plant “unterer lindenhof”: Results of longterm and full detail measurements. Energies 2012, 5, 5198–5214. [Google Scholar] [CrossRef]







| Substrate | TS | VS | Crude Fat | Crude Protein | Crude Fibre | CH4- Potential |
|---|---|---|---|---|---|---|
| % | %TS | g·kg−1 TS | g·kg−1 TS | g·kg−1 TS | L·kg−1 TS | |
| Sorghum silage I (n = 4) | 28 ± 3 | 95 ± 1 | 20 ± 3 | 71 ± 7 | 436 ± 24 | 378 ± 8 (n = 3) |
| Sorghum silage II (n = 5) | 1 ± 2 | 92 ± 1 | 27 ± 4 | 104 ± 10 | 412 ± 26 | 350 ± 7 (n = 3) |
| Cattle manure (n = 10) | 9 ± 1 | 76 ± 1 | 37 ± 8 | 160 ± 18 | 259 ± 20 | 241 ± 9 (n = 3) |
| Digester | pH | VFA g·L−1 | NH4-N mg·L−1 | TS % | VS % TS | Specific CH4-Yield m³·t−1 |
|---|---|---|---|---|---|---|
| Digester 3.2 (reference) (during pre-phase) | 7.6 ± 0.1 (n = 12) | 2.0 ± 0.1 (n = 13) | 2.0 ± 0.1 (n = 7) | 10.4 ± 0.3 (n = 8) | 79.5 ± 0.9 (n = 8) | 226 ± 13 (n = 44) |
| Digester 3.2 (reference) (during enzyme addition in digester 3.1) | 7.6 ± 0.1 (n = 18) | 1.7 ± 0.1 (n = 19) | 1.7 ± 0.1 (n = 14) | 8.6 ± 0.4 (n = 12) | 77.2 ± 1.1 (n = 12) | 317 ± 24 (n = 68) |
| Digester 3.2 (reference) (during post phase) | 7.6 ± 0.2 (n = 7) | 1.7 ± 0.0 (n = 7) | 1.7 ± 0.1 (n = 4) | 8.7 ± 0.1 (n = 4) | 75.7 ± 4 (n = 4) | 337 ±17 (n = 20) |
| Digester 3.1 (pre-phase) | 7.6 ± 0.1 (n = 13) | 2.0 ± 0.1 (n = 13) | 2.0 ± 0.1 (n = 7) | 10.2 ± 0.3 (n = 8) | 79.5 ± 0.7 (n = 8) | 224 ± 15 (n = 44) |
| Digester 3.1 (during enzyme addition) | 7.7 ± 0.1 (n = 19) | 1.7 ± 0.1 (n = 19) | 1.6 ± 0.1 (n = 14) | 8.5 ± 0.4 (n = 12) | 76.6 ± 1.2 (n = 11) | 312 ± 33 (n = 68) |
| Digester 3.1 (post-phase) | 7.6 ± 0.1 (n = 7) | 1.7 ± 0.1 (n = 7) | 1.7 ± 0.1 (n = 4) | 8.5 ± 0.1 (n = 4) | 76.4 ± 0.6 (n = 4) | 318 ± 16 (n = 20 |
| Digester | Specific CH4-Yield of Mix (Sorghum Silage + Cow Manure) m³·t−1 VS | SDE (Equation (4)) % |
|---|---|---|
| Digester 3.2 (reference) (during pre-phase) | 226 | 67 |
| Digester 3.2 (reference) (during enzyme addition in digester 3.1) | 322 | 94 |
| Digester 3.2 (reference) (during post phase) | 331 | 96 |
| Digester 3.1 (pre-phase) | 231 | 68 |
| Digester 3.1 (during enzyme addition) | 323 | 94 |
| Digester 3.1 (post-phase) | 317 | 93 |
| Pipe Viscometer D = 100 mm | Capillary Viscometer | |||
|---|---|---|---|---|
| Xanthan Concentration | Consistency Factor K | Flow Index n | Consistency Factor K | Flow Index n |
| 2% | 20 ± 0,2 | 0.19 ± 0,003 | 16 | 0.17 |
| 2.5% | 30 ± 0,3 | 0.16 ± 0,003 | 22 | 0.17 |
| 2.87% | 33 ± 0,2 | 0.17 ± 0,002 | 32 | 0.16 |
| Time | Digester 3.1/with Enzyme Application | Digester 3.2/Reference | ||
|---|---|---|---|---|
| from Starting Enzyme Application | Consistency Factor K | Flow Index n | Consistency Factor K | Flow Index n |
| 86 d | 38 | 0.12 | 52 | 0.06 |
| 90 d | 38 | 0.12 | 51 | 0.07 |
| 93 d | 36 | 0.12 | 53 | 0.07 |
| from termination of enzyme application | ||||
| 25 d | 37 | 0.12 | ||
© 2020 by the authors. Licensee MDPI, Basel, Switzerland. This article is an open access article distributed under the terms and conditions of the Creative Commons Attribution (CC BY) license (http://creativecommons.org/licenses/by/4.0/).
Share and Cite
Müller, L.; Engler, N.; Rostalsky, K.; Müller, U.; Krebs, C.; Hinz, S. Influence of Enzyme Additives on the Rheological Properties of Digester Slurry and on Biomethane Yield. Bioengineering 2020, 7, 51. https://doi.org/10.3390/bioengineering7020051
Müller L, Engler N, Rostalsky K, Müller U, Krebs C, Hinz S. Influence of Enzyme Additives on the Rheological Properties of Digester Slurry and on Biomethane Yield. Bioengineering. 2020; 7(2):51. https://doi.org/10.3390/bioengineering7020051
Chicago/Turabian StyleMüller, Liane, Nils Engler, Kay Rostalsky, Ulf Müller, Christian Krebs, and Sandra Hinz. 2020. "Influence of Enzyme Additives on the Rheological Properties of Digester Slurry and on Biomethane Yield" Bioengineering 7, no. 2: 51. https://doi.org/10.3390/bioengineering7020051
APA StyleMüller, L., Engler, N., Rostalsky, K., Müller, U., Krebs, C., & Hinz, S. (2020). Influence of Enzyme Additives on the Rheological Properties of Digester Slurry and on Biomethane Yield. Bioengineering, 7(2), 51. https://doi.org/10.3390/bioengineering7020051
