Kinetic and Thermodynamic Study of Cationic Dye Removal Using Activated Biochar Synthesized from Prosopis juliflora Waste
Abstract
1. Introduction
2. Materials and Methods
2.1. Synthesis and Characterization of Chemically Active Biochar
2.2. Study of Adsorption Process Parameters
2.3. Kinetic and Thermodynamic Study of the Adsorption Process
3. Results and Discussion
3.1. Spectroscopic Characterization
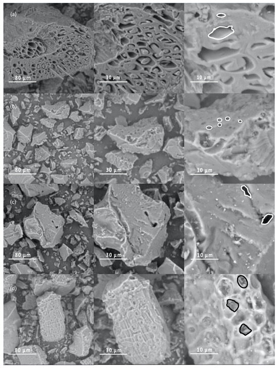
3.2. Morphological Characterization
3.3. Study Experimental Factors Effect on MB Removal
3.4. Kinetic Study
3.5. Isothermal and Thermodynamic Study
4. Conclusions
Supplementary Materials
Author Contributions
Funding
Data Availability Statement
Acknowledgments
Conflicts of Interest
References
- Somma, R.; Kumar, V.; Barco, J. Surface water, groundwater, and soil pollution: Sustainable water and soils resources management and human health risk assessment and ecology. Chemosphere 2023, 337, 139295. [Google Scholar] [CrossRef]
- Weng, C.H. Water environment and recent advances in pollution control technologies. Environ. Sci. Pollut. Res. 2022, 29, 12462–12464. [Google Scholar] [CrossRef] [PubMed]
- Ismail, M.; Akhtar, K.; Khan, M.I.; Kamal, T.; Khan, M.A.; Asiri, A.M.; Seo, J.; Khan, S.B. Pollution, Toxicity and Carcinogenicity of Organic Dyes and their Catalytic Bio-Remediation. Curr. Pharm. Des. 2019, 25, 3645–3663. [Google Scholar] [CrossRef]
- Sudarshan, S.; Harikrishnan, S.; RathiBhuvaneswari, G.; Alamelu, V.; Aanand, S.; Rajasekar, A.; Govarthanan, M. Impact of textile dyes on human health and bioremediation of textile industry effluent using microorganisms: Current status and future prospects. J. Appl. Microbiol. 2023, 134, 1–23. [Google Scholar] [CrossRef] [PubMed]
- Khan, I.; Saeed, K.; Zekker, I.; Zhang, B.; Hendi, A.H.; Ahmad, A.; Ahmad, S.; Zada, N.; Ahmad, H.; Shah, L.A.; et al. Review on Methylene Blue: Its Properties, Uses, Toxicity and Photodegradation. Water 2022, 14, 242. [Google Scholar] [CrossRef]
- Cwalinski, T.; Polom, W.; Marano, L.; Roviello, G.; D’angelo, A.; Cwalina, N.; Matuszewski, M.; Roviello, F.; Jaskiewicz, J.; Polom, K. Methylene Blue—Current Knowledge, Fluorescent Properties, and Its Future Use. J. Clin. Med. 2020, 9, 3538. [Google Scholar] [CrossRef]
- Oladoye, P.O.; Ajiboye, T.O.; Omotola, E.O.; Oyewola, O.J. Methylene blue dye: Toxicity and potential elimination technology from wastewater. Results Eng. 2022, 16, 100678. [Google Scholar] [CrossRef]
- da Costa, S.R.; da Costa Monteiro, M.; da Silva Júnior, F.M.R.; Sandrini, J.Z. Methylene blue toxicity in zebrafish cell line is dependent on light exposure. Cell Biol. Int. 2016, 40, 895–905. [Google Scholar] [CrossRef]
- Krishna Moorthy, A.; Govindarajan Rathi, B.; Shukla, S.P.; Kumar, K.; Shree Bharti, V. Acute toxicity of textile dye Methylene blue on growth and metabolism of selected freshwater microalgae. Environ. Toxicol. Pharmacol. 2021, 82, 103552. [Google Scholar] [CrossRef]
- Xiao, J.; Shen, Y.; Yang, X.; Wei, M.; Meng, W.; Wang, Z. Methylene blue can increase the number of lymph nodes harvested in colorectal cancer: A meta-analysis. Int. J. Colorectal Dis. 2023, 38, 50. [Google Scholar] [CrossRef]
- Malik, S.; Andleeb, F.; Ullah, H. Multimodal imaging of skin lesions by using methylene blue as cancer biomarker. Microsc. Res. Tech. 2020, 83, 1594–1603. [Google Scholar] [CrossRef] [PubMed]
- Diaz-Uribe, C.; Florez, J.; Vallejo, W.; Duran, F.; Puello, E.; Roa, V.; Schott, E.; Zarate, X. Removal and photocatalytic degradation of methylene blue on ZrO2 thin films modified with Anderson-Polioxometalates (Cr3+, Co3+, Cu2+): An experimental and theoretical study. J. Photochem. Photobiol. A Chem. 2024, 454, 115689. [Google Scholar] [CrossRef]
- Ali Dheyab, M.; Abdul Aziz, A.; Jameel, M.S.; Moradi Khaniabadi, P.; Mehrdel, B. Sonochemical-assisted synthesis of highly stable gold nanoparticles catalyst for decoloration of methylene blue dye. Inorg. Chem. Commun. 2021, 127, 108551. [Google Scholar] [CrossRef]
- Chen, W.; Ma, H.; Xing, B. Electrospinning of multifunctional cellulose acetate membrane and its adsorption properties for ionic dyes. Int. J. Biol. Macromol. 2020, 158, 1342–1351. [Google Scholar] [CrossRef] [PubMed]
- Quiñones, C.; Posada, M.; Hormiga, A.; Peña, J.; Diaz-Uribe, C.; Vallejo, W.; Muñoz-Acevedo, A.; Roa, V.; Schott, E.; Zarate, X. Antimicrobial Activity against Fusarium oxysporum f. sp. dianthi of TiO2/ZnO Thin Films under UV Irradiation: Experimental and Theoretical Study. ACS Omega 2024, 9, 31546–31555. [Google Scholar] [CrossRef]
- Duran, F.; Díaz-Uribe, C.; Vallejo, W.; Vargas, X.; Romero Bohorquez, A.R.; Schott, E.; Zarate, X. Thermodynamic Study of Mehtylene Blue Adsorption and Photocatalytic Degradation on The N-Doped TiO2 Thin Films: A DFT and Experimental Study. ChemistrySelect 2024, 9, e202401559. [Google Scholar] [CrossRef]
- Shi, G.; Zeng, S.; Liu, Y.; Xiang, J.; Deng, D.; Wu, C.; Teng, Q.; Yang, H. Efficient heterogeneous Fenton-like degradation of methylene blue using green synthesized yeast supported iron nanoparticles. Ecotoxicol. Environ. Saf. 2023, 263, 115240. [Google Scholar] [CrossRef]
- Mustapha, O.R.; Osobamiro, T.M.; Sanyaolu, N.O.; Alabi, O.M. Adsorption study of Methylene blue dye: An effluents from local textile industry using Pennisteum pupureum (elephant grass). Int. J. Phytoremediation 2023, 25, 1348–1358. [Google Scholar] [CrossRef]
- Mussa, Z.H.; Al-Ameer, L.R.; Al-Qaim, F.F.; Deyab, I.F.; Kamyab, H.; Chelliapan, S. A comprehensive review on adsorption of methylene blue dye using leaf waste as a bio-sorbent: Isotherm adsorption, kinetics, and thermodynamics studies. Environ. Monit. Assess. 2023, 195, 940. [Google Scholar] [CrossRef]
- Hou, M.; He, Y.; Yang, X.; Yang, Y.; Lin, X.; Feng, Y.; Kan, H.; Hu, H.; He, X.; Liu, C. Preparation of Biomass Biochar with Components of Similar Proportions and Its Methylene Blue Adsorption. Molecules 2023, 28, 6261. [Google Scholar] [CrossRef]
- Fito, J.; Abewaa, M.; Mengistu, A.; Angassa, K.; Ambaye, A.D.; Moyo, W.; Nkambule, T. Adsorption of methylene blue from textile industrial wastewater using activated carbon developed from Rumex abyssinicus plant. Sci. Rep. 2023, 13, 5427. [Google Scholar] [CrossRef] [PubMed]
- Zhang, Y.; Li, Y.; Wang, M.; Chen, B.; Sun, Y.; Chen, K.; Du, Q.; Pi, X.; Wang, Y. Adsorption of Methylene Blue from Aqueous Solution Using Gelatin-Based Carboxylic Acid-Functionalized Carbon Nanotubes@Metal–Organic Framework Composite Beads. Nanomaterials 2022, 12, 2533. [Google Scholar] [CrossRef] [PubMed]
- Sellak, S.; Bensalah, J.; Ouaddari, H.; Safi, Z.; Berisha, A.; Draoui, K.; Barrak, I.; Guedira, T.; Bourhia, M.; Ibenmoussa, S.; et al. Adsorption of Methylene Blue Dye and Analysis of Two Clays: A Study of Kinetics, Thermodynamics, and Modeling with DFT, MD, and MC Simulations. ACS Omega 2024, 9, 15175–15190. [Google Scholar] [CrossRef]
- Dai, Y.; Zhang, N.; Xing, C.; Cui, Q.; Sun, Q. The adsorption, regeneration and engineering applications of biochar for removal organic pollutants: A review. Chemosphere 2019, 223, 12–27. [Google Scholar] [CrossRef] [PubMed]
- Miroshnichenko, D.; Zhylina, M.; Shmeltser, K. Modern Use of Biochar in Various Technologies and Industries: A Review. Chem. Chem. Technol. 2024, 18, 232–243. [Google Scholar] [CrossRef]
- Kocsis, T.; Ringer, M.; Biró, B. Characteristics and Applications of Biochar in Soil–Plant Systems: A Short Review of Benefits and Potential Drawbacks. Appl. Sci. 2022, 12, 4051. [Google Scholar] [CrossRef]
- Jagadeesh, N.; Sundaram, B. Adsorption of Pollutants from Wastewater by Biochar: A Review. J. Hazard. Mater. Adv. 2023, 9, 100226. [Google Scholar] [CrossRef]
- Gale, M.; Nguyen, T.; Moreno, M.; Gilliard-Abdulaziz, K.L. Physiochemical Properties of Biochar and Activated Carbon from Biomass Residue: Influence of Process Conditions to Adsorbent Properties. ACS Omega 2021, 6, 10224–10233. [Google Scholar] [CrossRef]
- Sajjadi, B.; Zubatiuk, T.; Leszczynska, D.; Leszczynski, J.; Chen, W.Y. Chemical activation of biochar for energy and environmental applications: A comprehensive review. Rev. Chem. Eng. 2019, 35, 777–815. [Google Scholar] [CrossRef]
- Angin, D.; Altintig, E.; Köse, T.E. Influence of process parameters on the surface and chemical properties of activated carbon obtained from biochar by chemical activation. Bioresour. Technol. 2013, 148, 542–549. [Google Scholar] [CrossRef]
- Lonappan, L.; Liu, Y.; Rouissi, T.; Brar, S.K.; Surampalli, R.Y. Development of biochar-based green functional materials using organic acids for environmental applications. J. Clean. Prod. 2020, 244, 118841. [Google Scholar] [CrossRef]
- Mihoub, A.; Amin, A.E.-E.A.Z.; Motaghian, H.R.; Saeed, M.F.; Naeem, A. Citric Acid (CA)–Modified Biochar Improved Available Phosphorus Concentration and Its Half-Life in a P-Fertilized Calcareous Sandy Soil. J. Soil Sci. Plant Nutr. 2022, 22, 465–474. [Google Scholar] [CrossRef]
- Xu, Y.; Liu, Y.; Liu, S.; Tan, X.; Zeng, G.; Zeng, W.; Ding, Y.; Cao, W.; Zheng, B. Enhanced adsorption of methylene blue by citric acid modification of biochar derived from water hyacinth (Eichornia crassipes). Environ. Sci. Pollut. Res. 2016, 23, 23606–23618. [Google Scholar] [CrossRef] [PubMed]
- Nazari, S.; Rahimi, G.; Khademi Jolgeh Nezhad, A. Effectiveness of native and citric acid-enriched biochar of Chickpea straw in Cd and Pb sorption in an acidic soil. J. Environ. Chem. Eng. 2019, 7, 103064. [Google Scholar] [CrossRef]
- Foong, S.Y.; Liew, R.K.; Yang, Y.; Cheng, Y.W.; Yek, P.N.Y.; Wan Mahari, W.A.; Lee, X.Y.; Han, C.S.; Vo, D.V.N.; Van Le, Q.; et al. Valorization of biomass waste to engineered activated biochar by microwave pyrolysis: Progress, challenges, and future directions. Chem. Eng. J. 2020, 389, 124401. [Google Scholar] [CrossRef]
- Vasiraja, N.; Saravana, R.; Joshua, A.; Kennedy, S.; Jeen, J. Sustainable Methylene Blue dye removal with activated carbon from Prosopis juliflora stem. Int. J. Phytoremediation 2024, 4, 472–480. [Google Scholar]
- Vasiraja, N.; Saravana Sathiya Prabhahar, R.; Joshua, A. Preparation and Physio–Chemical characterisation of activated carbon derived from prosopis juliflora stem for the removal of methylene blue dye and heavy metal containing textile industry effluent. J. Clean. Prod. 2023, 397, 136579. [Google Scholar] [CrossRef]
- Diaz-Uribe, C.; Walteros, L.; Duran, F.; Vallejo, W.; Romero Bohórquez, A.R. Prosopis juliflora Seed Waste as Biochar for the Removal of Blue Methylene: A Thermodynamic and Kinetic Study. ACS Omega 2022, 7, 42916–42925. [Google Scholar] [CrossRef]
- Cardenas-Peña, A.M.; Ibanez, J.G.; Vasquez-Medrano, R. Determination of the Point of Zero Charge for Electrocoagulation Precipitates from an Iron Anode. Int. J. Electrochem. Sci. 2012, 7, 6142–6153. [Google Scholar] [CrossRef]
- Diaz-Uribe, C.; Ortiz, J.; Duran, F.; Vallejo, W.; Fals, J. Methyl Orange Adsorption on Biochar Obtained from Prosopis juliflora Waste: Thermodynamic and Kinetic Study. ChemEngineering 2023, 7, 114. [Google Scholar] [CrossRef]
- Sajjadi, B.; Chen, W.Y.; Egiebor, N.O. A comprehensive review on physical activation of biochar for energy and environmental applications. Rev. Chem. Eng. 2019, 35, 735–776. [Google Scholar] [CrossRef]
- Guo, C.; Zou, J.; Yang, J.; Wang, K.; Song, S. Surface characterization of maize-straw-derived biochar and their sorption mechanism for Pb2+ and methylene blue. PLoS ONE 2020, 15, e0238105. [Google Scholar]
- Singh, B.; Fang, Y.; Johnston, C.T. A Fourier-Transform Infrared Study of Biochar Aging in Soils. Soil Sci. Soc. Am. J. 2016, 80, 613–622. [Google Scholar] [CrossRef] [PubMed]
- Janu, R.; Mrlik, V.; Ribitsch, D.; Hofman, J.; Sedláček, P.; Bielská, L.; Soja, G. Biochar surface functional groups as affected by biomass feedstock, biochar composition and pyrolysis temperature. Carbon Resour. Convers. 2021, 4, 36–46. [Google Scholar] [CrossRef]
- Heidarinejad, Z.; Dehghani, M.H.; Heidari, M.; Javedan, G.; Ali, I.; Sillanpää, M. Methods for preparation and activation of activated carbon: A review. Environ. Chem. Lett. 2020, 18, 393–415. [Google Scholar] [CrossRef]
- Sarkar, D.; Panicker, T.F.; Kumar Mishra, R.; Srinivas Kini, M. A comprehensive review of production and characterization of biochar for removal of organic pollutants from water and wastewater. Water-Energy Nexus 2024, 7, 243–265. [Google Scholar] [CrossRef]
- Yu, O.Y.; Raichle, B.; Sink, S. Impact of biochar on the water holding capacity of loamy sand soil. Int. J. Energy Environ. Eng. 2013, 4, 44. [Google Scholar] [CrossRef]
- Dwivedi, S.; Dey, S. Review on biochar as an adsorbent material for removal of dyes from waterbodies. Int. J. Environ. Sci. Technol. 2023, 20, 9335–9350. [Google Scholar] [CrossRef]
- Newcombe, G.; Drikas, M. Adsorption of NOM onto activated carbon: Electrostatic and non-electrostatic effects. Carbon 1997, 35, 1239–1250. [Google Scholar] [CrossRef]
- Collins, K.D.; Neilson, G.W.; Enderby, J.E. Ions in water: Characterizing the forces that control chemical processes and biological structure. Biophys. Chem. 2007, 128, 95–104. [Google Scholar] [CrossRef]
- Wang, J.; Guo, X. Rethinking of the intraparticle diffusion adsorption kinetics model: Interpretation, solving methods and applications. Chemosphere 2022, 309, 136732. [Google Scholar] [CrossRef]
- Behera, A.K.; Shadangi, K.P.; Sarangi, P.K. Efficient removal of Rhodamine B dye using biochar as an adsorbent: Study the performance, kinetics, thermodynamics, adsorption isotherms and its reusability. Chemosphere 2024, 354, 141702. [Google Scholar] [CrossRef]
- Doǧan, M.; Abak, H.; Alkan, M. Adsorption of methylene blue onto hazelnut shell: Kinetics, mechanism and activation parameters. J. Hazard. Mater. 2009, 164, 172–181. [Google Scholar] [CrossRef] [PubMed]
- Deng, H.; Mao, Z.; Xu, H.; Zhang, L.; Zhong, Y.; Sui, X. Synthesis of fibrous LaFeO3 perovskite oxide for adsorption of Rhodamine B. Ecotoxicol. Environ. Saf. 2019, 168, 35–44. [Google Scholar] [CrossRef]
- Nizam, N.U.M.; Hanafiah, M.M.; Mahmoudi, E.; Halim, A.A.; Mohammad, A.W. The removal of anionic and cationic dyes from an aqueous solution using biomass-based activated carbon. Sci. Rep. 2021, 11, 8623. [Google Scholar] [CrossRef] [PubMed]
- Ying, Z.; Chen, X.; Li, H.; Liu, X.; Zhang, C.; Zhang, J.; Yi, G. Efficient Adsorption of Methylene Blue by Porous Biochar Derived from Soybean Dreg Using a One-Pot Synthesis Method. Molecules 2021, 26, 661. [Google Scholar] [CrossRef]
- Baloo, L.; Isa, M.H.; Sapari, N.B.; Jagaba, A.H.; Wei, L.J.; Yavari, S.; Razali, R.; Vasu, R. Adsorptive removal of methylene blue and acid orange 10 dyes from aqueous solutions using oil palm wastes-derived activated carbons. Alexandria Eng. J. 2021, 60, 5611–5629. [Google Scholar] [CrossRef]
- Chaukura, N.; Murimba, E.C.; Gwenzi, W. Synthesis, characterisation and methyl orange adsorption capacity of ferric oxide–biochar nano-composites derived from pulp and paper sludge. Appl. Water Sci. 2017, 7, 2175–2186. [Google Scholar] [CrossRef]
- Oliveira, L.C.A.; Pereira, E.; Guimaraes, I.R.; Vallone, A.; Pereira, M.; Mesquita, J.P.; Sapag, K. Preparation of activated carbons from coffee husks utilizing FeCl3 and ZnCl2 as activating agents. J. Hazard. Mater. 2009, 165, 87–94. [Google Scholar] [CrossRef]
- Rashid, U.S.; Bezbaruah, A.N. Citric acid modified granular activated carbon for enhanced defluoridation. Chemosphere 2020, 252, 126639. [Google Scholar] [CrossRef]
- Sakhiya, A.K.; Anand, A.; Kaushal, P. Production, activation, and applications of biochar in recent times. Biochar 2020, 2, 253–285. [Google Scholar] [CrossRef]
- Al-Ghouti, M.A.; Da’ana, D.A. Guidelines for the use and interpretation of adsorption isotherm models: A review. J. Hazard. Mater. 2020, 393, 122383. [Google Scholar] [CrossRef] [PubMed]
- Wang, J.; Guo, X. Adsorption isotherm models: Classification, physical meaning, application and solving method. Chemosphere 2020, 258, 127279. [Google Scholar] [CrossRef] [PubMed]
- Húmpola, P.D.; Odetti, H.S.; Fertitta, A.E.; Vicente, J.L. Thermodynamic analysis of adsorption models of phenol in liquid phase on different activated carbons. J. Chil. Chem. Soc. 2013, 58, 1541–1544. [Google Scholar] [CrossRef]
- Wang, Y.; Wang, C.; Huang, X.; Zhang, Q.; Wang, T.; Guo, X. Guideline for modeling solid-liquid adsorption: Kinetics, isotherm, fixed bed, and thermodynamics. Chemosphere 2024, 349, 140736. [Google Scholar] [CrossRef]
- Gratuito, M.K.B.; Panyathanmaporn, T.; Chumnanklang, R.A.; Sirinuntawittaya, N.; Dutta, A. Production of activated carbon from coconut shell: Optimization using response surface methodology. Bioresour. Technol. 2008, 99, 4887–4895. [Google Scholar] [CrossRef]
- Sahu, S.; Pahi, S.; Tripathy, S.; Singh, S.K.; Behera, A.; Sahu, U.K.; Patel, R.K. Adsorption of methylene blue on chemically modified lychee seed biochar: Dynamic, equilibrium, and thermodynamic study. J. Mol. Liq. 2020, 315, 113743. [Google Scholar] [CrossRef]
- Zhu, W.; Chen, F.; Ye, L.; Yang, X.; Song, Y.; Wang, H. Methylene blue and acid red adsorption on biochar made from modified sugarcane bagasse: A dynamic, equilibrium, and thermodynamic investigation. Adsorpt. Sci. Technol. 2024, 42, 1–22. [Google Scholar] [CrossRef]
- Plentz Gomes Vasconcelos, L.; Almeida Albuquerque, A.; Roberta Cabral Ribeiro, K.; Beatriz Oliveira Palmeira, M.; Thalis Vaz da Costa Capistrano, R.; Inácio Soletti, J.; Helena Vieira Carvalho, S.; Daltro Bispo, M. Comparison of adsorption potential of methylene blue and 17β-stradiol on biochar, activated biochar and catalytic biochar from lignocellulosic waste. J. Ind. Eng. Chem. 2024, 144, 585–595. [Google Scholar] [CrossRef]






| Ratio CA/Biochar | Temperature (K) | ||
|---|---|---|---|
| 383 | 393 | 403 | |
| 0.5:1.0 | B1 | B2 | B3 |
| 1.0:1.0 | B4 | B5 | B6 |
| 1.5:1.0 | B7 | B8 | B9 |
| Parameter | Value | Removal Efficacy (%) |
|---|---|---|
| pH | 3.0 | 84 |
| 9.0 | 95 | |
| Biochar dosage (g L−1) | 1.0 | 82 |
| 3.0 | 96 | |
| MB concentration (mg L−1) | 10 | 96 |
| 40 | 82 |
| Model | Parameter * | |||
|---|---|---|---|---|
| SFO | qe (mg g−1) | k1 (min−1) | R2 | ARE (%) |
| 33.1 ± 1.5 | 0.0488 | 0.981 | 5.4 | |
| SSO | qe (mg g−1) | k2 (g mg−1 min−1) | ||
| 37.6 ± 1.9 | 0.0022 | 0.997 | 3.4 | |
| Intraparticle | C (mg g−1) | kid (g mg−1 min−1) | ||
| 10.0 ± 0.5 | 2.78 | 0.933 | 8.7 | |
| Model | Parameter * | |||
|---|---|---|---|---|
| Langmuir | qmax (mg g−1) | kL (L min−1) | R2 | ARE (%) |
| 156.3 ± 5.3 | 0.350 | 0.961 | 21 | |
| Freundlich | KF (mg g−1)(L g−1)1/nF | 1/nF | ||
| 37.78 ± 2.8 | 0.498 | 0.988 | 7.6 | |
| Temkin | AT (L g−1) | BT (J mol−1) | ||
| 13.9 ± 1.1 | 21.56 | 0.862 | 65 | |
| Adsorbent Materials/Dye | Isotherm | Temperature (K) | Thermodynamic Parameters | ||
|---|---|---|---|---|---|
| ΔG (kJ mol−1) | ΔH ((kJ mol−1) | ΔS (J mol−1 K−1) | |||
| Biochar-AC/MB (This work) | Freundlich | 303 | −9.14 | 17.87 | 89.20 |
| 313 | −10.07 | ||||
| 323 | −10.94 | ||||
| 333 | −11.38 | ||||
| PF-Biochar */MB [38] | Freundlich | 308 | −0.95 | 23.54 | 79.5 |
| 313 | −1.34 | ||||
| 323 | −1.74 | ||||
| 333 | −2.14 | ||||
| Lychee seed biochar/MB [67] | Langmuir | 303 | −9.65 | 18.89 | 94.5 |
| 313 | −10.59 | ||||
| 323 | −11.54 | ||||
| 333 | −12.48 | ||||
| SB-Biochar */MB [68] | Freundlich | 288 | −11.55 | 14.14 | 88.8 |
| 298 | −12.06 | ||||
| 308 | −13.32 | ||||
| LC-Biochar */MB [69] | Freundlich | 303 | −11.67 | 17.59 | 100 |
| 313 | −13.19 | ||||
| 323 | −13.62 | ||||
Disclaimer/Publisher’s Note: The statements, opinions and data contained in all publications are solely those of the individual author(s) and contributor(s) and not of MDPI and/or the editor(s). MDPI and/or the editor(s) disclaim responsibility for any injury to people or property resulting from any ideas, methods, instructions or products referred to in the content. |
© 2025 by the authors. Licensee MDPI, Basel, Switzerland. This article is an open access article distributed under the terms and conditions of the Creative Commons Attribution (CC BY) license (https://creativecommons.org/licenses/by/4.0/).
Share and Cite
Abuabara, A.; Diaz-Uribe, C.; Vallejo, W.; Duran, F.; Mosquera-Vargas, E. Kinetic and Thermodynamic Study of Cationic Dye Removal Using Activated Biochar Synthesized from Prosopis juliflora Waste. ChemEngineering 2025, 9, 64. https://doi.org/10.3390/chemengineering9030064
Abuabara A, Diaz-Uribe C, Vallejo W, Duran F, Mosquera-Vargas E. Kinetic and Thermodynamic Study of Cationic Dye Removal Using Activated Biochar Synthesized from Prosopis juliflora Waste. ChemEngineering. 2025; 9(3):64. https://doi.org/10.3390/chemengineering9030064
Chicago/Turabian StyleAbuabara, Andrés, Carlos Diaz-Uribe, William Vallejo, Freider Duran, and Edgar Mosquera-Vargas. 2025. "Kinetic and Thermodynamic Study of Cationic Dye Removal Using Activated Biochar Synthesized from Prosopis juliflora Waste" ChemEngineering 9, no. 3: 64. https://doi.org/10.3390/chemengineering9030064
APA StyleAbuabara, A., Diaz-Uribe, C., Vallejo, W., Duran, F., & Mosquera-Vargas, E. (2025). Kinetic and Thermodynamic Study of Cationic Dye Removal Using Activated Biochar Synthesized from Prosopis juliflora Waste. ChemEngineering, 9(3), 64. https://doi.org/10.3390/chemengineering9030064

