Sequential Treatment by Ozonation and Biodegradation of Pulp and Paper Industry Wastewater to Eliminate Organic Contaminants
Abstract
1. Introduction
2. Materials and Methods
2.1. Wastewater Samples Preparation
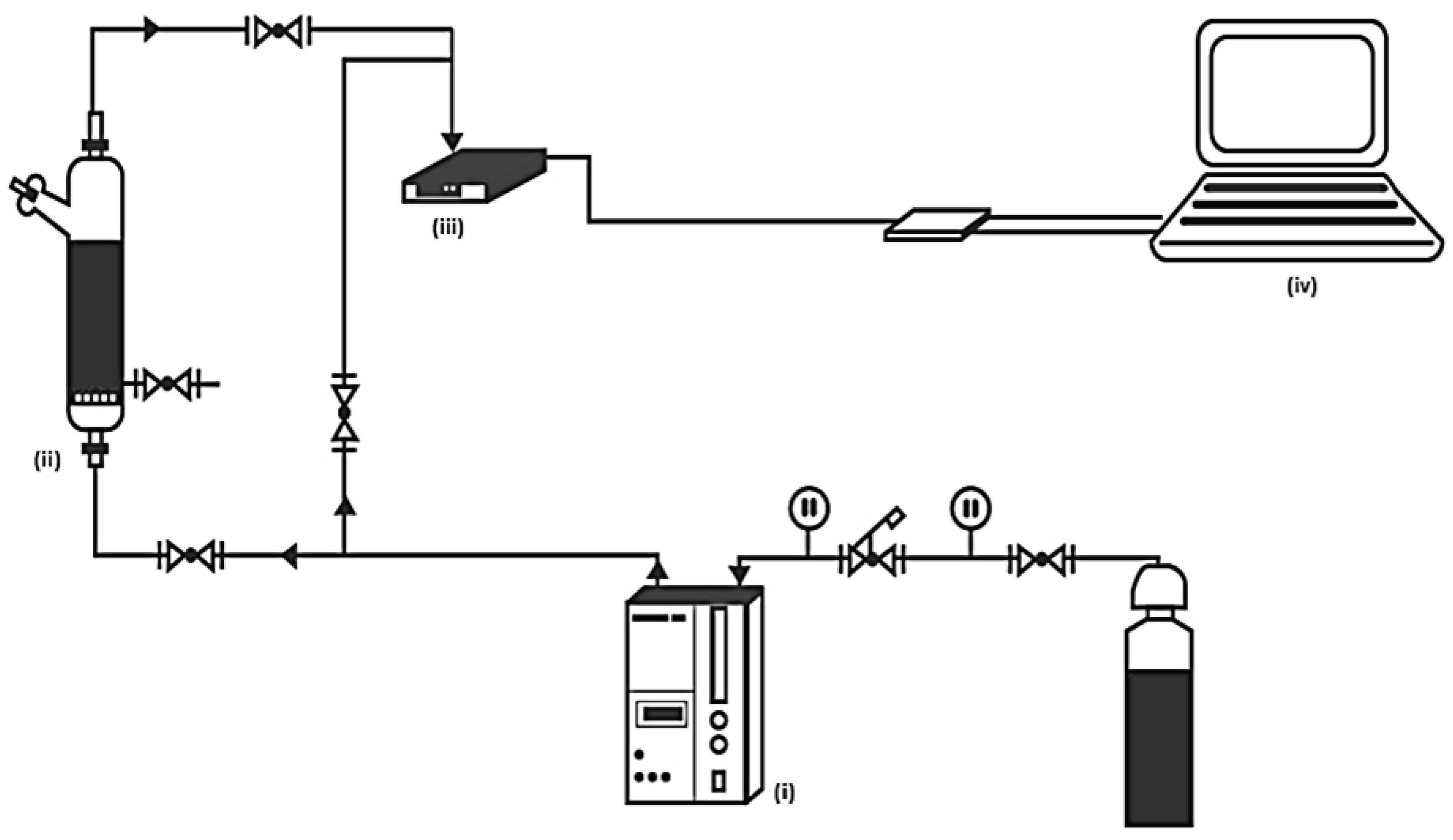
2.2. Ozonation Procedure
2.3. Biodegradation Procedure
- Inoculum of the pre-acclimated consortium (with Ph and A, 1:1—Ph:A) to the sample without previous ozonation.
- Inoculum of the pre-acclimated consortium (with oxalic and formic acids—OFA) to the ozonated samples.
2.4. Analytical Methods
3. Results and Discussion
3.1. Ozonation
3.2. Inoculum Acclimation Prior to Biodegradation
3.3. Biological Treatment without Ozonation
3.4. Combined Treatment: Ozonation before Biodegradation
4. Conclusions
Author Contributions
Funding
Data Availability Statement
Conflicts of Interest
References
- Rowell, R. Handbook of Wood Chemistry and Wood Composites, 2nd ed.; CRC Press Taylor & Francis Group, EEUU: Boca Raton, FL, USA, 2012. [Google Scholar]
- Pokhrel, D.; Viraraghavan, T. Treatment of pulp and paper mill wastewater—A review. Sci. Total Environ. 2004, 333, 37–58. [Google Scholar] [CrossRef]
- Freire, R.S.; Kunz, A.; Durán, N. Remediation and toxicity removal from Kraft E1 paper mill effluent treatment with ozone. Environ. Technol. 2000, 21, 717–721. [Google Scholar] [CrossRef]
- Peng, G.; Roberts, J.C. Solubility and toxicity of resin acids. Water Res. 2000, 34, 2779–2785. [Google Scholar] [CrossRef]
- Catalkaya, E.C.; Kargi, F. Color, TOC and AOX removals from pulp mill effluent by advanced oxidation processes: A comparative study. J. Hazard. Mater. 2007, 139, 244–253. [Google Scholar] [CrossRef]
- Kansal, S.; Singh, M.; Sud, D. Effluent quality at kraft/soda agro-based paper mills and its treatment using a heterogeneous photocatalytic system. Desalination 2008, 228, 183–190. [Google Scholar] [CrossRef]
- Johnsen, K.; Tana, J.; Lehtinen, K.-J.; Stuthridge, T.; Mattsson, K.; Hemming, J.; Carlberg, G.E. Experimental Field Exposure of Brown Trout to River Water Receiving Effluent from an Integrated Newsprint Mill. Ecotoxicol. Environ. Saf. 1998, 40, 184–193. [Google Scholar] [CrossRef] [PubMed]
- Tsang, Y.; Hua, F.; Chua, H.; Sin, S.; Wang, Y. Optimization of biological treatment of paper mill effluent in a sequencing batch reactor. Biochem. Eng. J. 2007, 34, 193–199. [Google Scholar] [CrossRef]
- Karrasch, B.; Parra, O.; Cid, H.; Mehrens, M.; Pacheco, P.; Urrutia, R.; Valdovinos, C.; Zaror, C. Effects of pulp and paper mill effluents on the microplanktonans microbial self-purification capabilities of the Bibio River. Chile Sci. Total Environ. 2006, 359, 194–208. [Google Scholar] [CrossRef] [PubMed]
- US EPA. Available online: http://www.epa.gov/waterscience/methods/pollutants.htm (accessed on 17 September 2023).
- Trapido, M.; Hirvonen, A.; Veressinina, Y.; Hentunen, J. Ozonation, Ozone/UV and UV/H2O2 Degradation of Chlorophenols. Ozone Sci. Eng. 1996, 18, 75–95. [Google Scholar]
- Poznyak, T.; Vivero, J. Degradation of Aqueous Phenol and Chlorinated Phenols by Ozone. Ozone Sci. Eng. 2005, 27, 447–458. [Google Scholar] [CrossRef]
- Beltrán, F.J.; Rivas, J.; Alvarez, P.M.; Alonso, M.A.; Acedo, B.A. Kinetic Model for Advanced Oxidation Processes of Aromatic Hydrocarbons in Water: Application to Phenanthrene and Nitrobenzene. Ind. Eng. Chem. Res. 1999, 38, 4189–4199. [Google Scholar] [CrossRef]
- Yordanov, R.; Melvin, M.; Law, S.; John, L.J.; Lamb, A. Effect of ozone pre-treatment of colored Upland water on some biological parameters of sand filters. Ozone Sci. Eng. 1999, 21, 615–626. [Google Scholar] [CrossRef]
- Griffini, O.; Bao, M.L.; Barbieri, K.; Burrini, D.; Santianni, D.; Pantani, F. Formation and Removal of Biodegradable Ozonation By-Products during Ozonation-Biofiltration Treatment: Pilot-Scale Evaluation. Ozone Sci. Eng. 1999, 21, 79–98. [Google Scholar] [CrossRef]
- Kitis, M.; Adams, C.D.; Kuzhikannil, J.; Daigger, G.T. Effects of Ozone/Hydrogen Peroxide Pretreatment on Aerobic Biodegradability of Nonionic Surfactants and Polypropylene Glycol. Environ. Sci. Technol. 2000, 34, 2305–2310. [Google Scholar] [CrossRef]
- Adams, C.D.; Cozzens, R.A.; Kim, B.J. Effects of ozonation on the biodegradability of substituted phenols. Water Res. 1997, 31, 2655–2663. [Google Scholar] [CrossRef]
- Beltrán, F.J.; García-Araya, J.F.; Álvarez, P.M. Wine Distillery Wastewater Degradation. 1. Oxidative Treatment Using Ozone and Its Effect on the Wastewater Biodegradability. J. Agric. Food Chem. 1999, 47, 3911–3918. [Google Scholar] [CrossRef] [PubMed]
- Rodríguez Fernández, A.; Letón García, P.; Rosal García, R.; Dorado Valiño, M.; Villar Fernández, S.; Sanz García, J. Tratamientos Avanzados de Aguas Residuales Industriales. In Informe de Vigilancia Tecnológica; Madrid, Spain, 2006; Available online: https://www.madrimasd.org/ (accessed on 17 September 2023).
- De los Santos Ramos, W.; Poznyak, T.; Chairez, I. Remediation of lignin and its derivatives from pulp and paper industry wastewater by the combination of chemical precipitation and ozonation. J. Hazard. Mater. 2009, 169, 428–434. [Google Scholar] [CrossRef]
- Amat, A.; Arques, A.; Miranda, M.; López, F. Use of ozone and/or UV in the treatment of effluents from board paper industry. Chemosphere 2005, 60, 1111–1117. [Google Scholar] [CrossRef]
- Herath, N.K.; Ohtani, Y.; Ichiura, H. Color and phenolic compound reduction of Kraft Pulp Mill effluent by ozonation with some pretreatments. Am. J. Sci. Ind. Res. 2011, 2, 798–806. [Google Scholar] [CrossRef]
- Tünay, O.; Erdeml, E.; Kabdaşli, I.; Ölmez, T. Advanced treatment by chemical oxidation of pulp and paper effluent from a plant manufacturing hardboard from waste paper. Environ. Technol. 2008, 29, 1045–1051. [Google Scholar] [CrossRef]
- Belém, A.; Panteleitchouk, A.V.; Duarte, A.C.; Rocha-Santos, T.A.P.; Freitas, A.C. Treatment of the effluent from a kraft bleach plant with white rot fungi: Pleurotussajorcaju and Pleurotusostreatus. Glob. NEST J. 2008, 10, 426–431. [Google Scholar]
- Ruiz-Dueñas, F.J.; Martínez, Á.T. Microbial degradation of lignin: How a bulky recalcitrant polymer is efficiently recycled in nature and how we can take advantage of this. Microb. Biotechnol. 2009, 2, 164–177. [Google Scholar] [CrossRef]
- Qayyum, H. Peroxidase mediated decolorization and remediation of wastewater containing industrial dyes: A review. Rev. Environ. Sci. Biotechnol. 2010, 9, 117–140. [Google Scholar]
- Stoilova, I.; Krastanov, A.; Stanchev, V.; Daniel, D.; Gerginova, M.; Alexieva, Z. Biodegradation of high amounts of phenol, catechol, 2,4-dichlorophenol and 2,6-dimethoxyphenol by Aspergillusawamori cells. Enzym. Microb. Technol. 2006, 39, 1036–1041. [Google Scholar] [CrossRef]
- Sridhar, R.; Sivakumar, V.; Immanuel, V.P.; Maran, J.P. Treatment of pulp and paper industry bleaching effluent by electrocoagulant process. J. Hazard. Mater. 2011, 186, 1495–1502. [Google Scholar] [CrossRef]
- Ratledge, C. Biochemistry of Microbial Degradation; Kluwer Academic Publishers: Kingston upon Hull, UK, 1994; pp. 233–277. [Google Scholar]
- Ali, M.; Sreekrishnan, T.R. Aquatic toxicity from pulp and paper mill effluents: A review. Adv. Environ. Res. 2001, 5, 175–196. [Google Scholar] [CrossRef]
- Assalin, M.R.; Almeida, E.d.S.; Durán, N. Combined System of Activated Sludge and Ozonation for the Treatment of Kraft E1 Effluent. Int. J. Environ. Res. Public Health 2009, 6, 1145–1154. [Google Scholar] [CrossRef]
- Laari, A.; Korhonen, S.; Kallas, J.; Tuhkanen, T. Selective Removal of Lipophilic Wood Extractives from Paper Mill Water Circulations by Ozonation. Ozone Sci. Eng. 2000, 22, 585–605. [Google Scholar] [CrossRef]
- Guerra, P.; Amacosta, J.; Poznyak, T.; Siles, S.; García, A.; Chairez, I. Aerobic biodegradation coupled to preliminary ozonation for the treatment of model and real residual wáter. In Biodegradation, Chapter 14; Intech, Inc.: Seoul, Republic of Korea, 2013; pp. 365–387. ISBN 978-953-51-1153-5. [Google Scholar]
- NMX-AA-045-SCFI-2001; Análisis de Agua—Determinación de Color Platino Cobalto en Aguas Naturales, Residuales y Residuales Tratadas. Norma Nacional Mexicana: México City, México, 2001.
- García-Peña, E.I.; Zarate-Segura, P.; Guerra-Blanco, P.; Poznyak, T.; Chairez, I. Enhanced Phenol and Chlorinated Phenols Removal by Combining Ozonation and Biodegradation. Water Air Soil Pollut. 2012, 223, 4047–4064. [Google Scholar] [CrossRef]
- Vazquezrodriguez, G.; Youssef, C.; Waissmanvilanova, J. Two-step modeling of the biodegradation of phenol by an acclimated activated sludge. Chem. Eng. J. 2006, 117, 245–252. [Google Scholar] [CrossRef]
- Manickam, N.; Misra, R.; Mayilraj, S. A novel pathway for the biodegradation of γ-hexachlorocyclohexane by a Xanthomonas sp. strain ICH12. J. Appl. Microbiol. 2007, 102, 1468–1478. [Google Scholar] [CrossRef] [PubMed]
- van den Wijngaard, A.J.; Prins, J.; Smal, A.J.; Janssen, D.B. Degradation of 2-chloroethylvinylether by Ancylobacter aquaticus AD25 and AD27. Appl. Environ. Microbiol. 1993, 59, 2777–2783. [Google Scholar] [CrossRef] [PubMed]
- Kamal, V.S.; Wyndham, R.C. Anaerobic phototrophic metabolism of 3-chlorobenzoate by Rhodopseudomonaspalus-trisWS17. Appl. Environ. Microbiol. 1990, 56, 3871–3873. [Google Scholar] [CrossRef] [PubMed]
- Poznyak, T.I.; Manzo, A.; Mayorga, J.L. Elimination of Chlorinated Unsaturated Hydrocarbons from Water by Ozonation. Simulation and Experimental Data Comparison. J. Mex. Chem. Soc. 2003, 47, 58–65. [Google Scholar]
- Poznyak, T.; Chairez, I.; Poznyak, A. Application of a neural observer to phenols ozonation in water: Simulation and kinetic parameters identification. Water Res. 2005, 39, 2611–2620. [Google Scholar] [CrossRef]
- Hoigné, J.; Bader, H. Rate constants of reactions of ozone with organic and inorganic compounds in water-II. Water Res. 1983, 17, 185–194. [Google Scholar] [CrossRef]
- Munter, R.; Preis, S.; Kamenev, S.; Siirde, E. Metholology of Ozone Introduction into water and wastewater treatment. Ozone Sci. Eng. 1993, 15, 149–165. [Google Scholar] [CrossRef]
- Xiangbin, L.; Ortega, R.; Hongye, S.; Jian, C. Identification of Nonlinearly Parameterized Nonlinear Models: Application to Mass Balance Systems. In Proceedings of the Joint 48th IEEE Conference on Decision and Control and 28th Chinese Control Conference, Shanghai, China, 16–18 December 2009. [Google Scholar]
- Wu, S.; Yang, Z.; Zhou, Z.; Li, X.; Lin, Y.; Cheng, J.J.; Yang, C. Catalytic activity and reaction mechanisms of single-atom metals anchored on nitrogen-doped carbons for peroxymonosulfate activation. J. Hazard. Mater. 2023, 459, 132133. [Google Scholar] [CrossRef] [PubMed]
- Wu, S.; Shen, L.; Lin, Y.; Yin, K.; Yang, C. Sulfite-based advanced oxidation and reduction processes for water treatment. Chem. Eng. J. 2021, 414, 128872. [Google Scholar] [CrossRef]






| Ozonation | ||||||
| I | II | III | IV | |||
| Column | Nova Pack C-18, 250 × 4.6 mm: 10 μm | Prevail Organic Acid, 150 × 4.6 mm | ||||
| Mobile phase | CH3OH-H2O (50:50) | C2H3N-H2O (30:70) | C2H3N-H2O (70:30) | H2O-KH2PO4 25 mmole, pH = 2.5 | ||
| Flow rate, cm3/min | 1.0 | 1.0 | 1.0 | 1.0 | ||
| Injection volume, μL | 30 | 30 | 30 | 30 | ||
| λ, nm | 210 | 260 | 210 | 260 | 210 | 210 |
| Biodegradation | ||||||
| V | ||||||
| Column | Prevail Organic Acid, 150 × 4.6 mm | |||||
| Mobile phase | H2O-KH2PO4, 25 mmole, pH = 2.5 | |||||
| Flow rate, cm3/min | 1.0 | |||||
| Injection volume, µL | 30 | |||||
| λ, nm | 210 | |||||
| Column | Elite 5 MS; 30 m × 0.32 mm × 0.25 mm |
|---|---|
| Mobile phase | Helium |
| Sample volume, μL | 0.5 |
| Split | 20% |
| Flow rate, cm3/min | 0.8 |
| Injector temperature | 230 °C |
| Temperature program | 60 °C after 8 min; 60–240 °C, 30 °C/min; 240 °C after 10 min |
| Source temperature | 230 °C |
| Transfer temperature | 230 °C |
| Ionization energy, eV | 70 |
| Mass, m/z | 25 to 400 |
| Wastewater | Extract by CH3Cl | Acid Hydrolysis H+ | Carrez Classification II | ||||||||
|---|---|---|---|---|---|---|---|---|---|---|---|
| Retention Time | Formula/MW | Retention Time | Formula/MW | Retention Time | Formula/MW | Retention Time | Formula/MW | ||||
| 1.620 | CH3OH | 32 | 1.620 | CH3OH | 32 | 1.62 | CH3OH | 32 | 1.61 | CH3OH | 32 |
| 3.33 | C2Cl4 | 164 | 1.72 | C5H12 | 72 | 3.29 | C2Cl4 | 164 | 4.817 | C5H8O4 | 132 |
| 4.633 | C5H8O | 84 | 2.25, 2.37, 2.48 | C5H12O | 88 | 1.83 | C6H12 | 84 | 1.782 | C5H10O2 | 102 |
| 4.450 | C5H10O3 | 118 | 5.12 | C6H8O | 96 | 2.28 | C7H16 | 100 | 2.08 | C6H12 | 84 |
| 1.700 | C5H12 | 72 | 2.8, 2.92, 3.19, 3.68 | C6H10O | 98 | 6.82 | C12H16 | 160 | 5.08 | C6H10O3 | 130 |
| 5.620 | C6H4Cl2 | 146 | 4.95 | C6H12 | 84 | 9.49 | C12H24 | 168 | 3.066 | C6H12O | 100 |
| 2.100 | C6H6 | 78 | 1.77, 1.8, 1.88, 1.99 | C6H14 | 86 | 13.95 | C14H12O4 | 244 | 6.418 | C6H12O2 | 116 |
| 2.075 | C6H10 | 82 | 2.48 | C7H16 | 100 | 10.64 | C16H22O4 | 278 | 4.917 | C6H14O2 | 118 |
| 1.98, 2.12 | C6H12 | 84 | 3.13, 5.27 | C7H14O | 114 | 11.77 | C18H38 | 254 | 1.82, 1.85, 1.87, 1.95 | C6H14 | 86 |
| 2.42, 3.15 | C6H10O | 98 | 2.53 | C7H16O | 116 | 2.28 | C6H8 | 80 | |||
| 4.650 | C6H12O3 | 132 | 8.75, 8.84 | C8H12O3 | 156 | 4.82, 4.92 5.08 | C7H16 | 100 | |||
| 1.75, 1.78, 1.8, 1.87, 1.97 | C6H14 | 86 | 3.62 | C8H18O | 130 | 4.583 | C7H14O | 114 | |||
| 2.849 | C7H8 | 92 | 6.32 | C11H24 | 156 | 7.085 | C7H14O2 | 130 | |||
| 3.62, 4.25 | C7H14 | 98 | 7.001 | C12H26 | 170 | 1.948 | C7H16O | 116 | |||
| 5.2 | C7H14O3 | 146 | 9.85 | C13H28 | 184 | 7.651 | C8H16O2 | 144 | |||
| 2.15, 2.22, 2.43, 3.45, 4.24, 4.97 | C7H16 | 100 | 6.77 | C15H32 | 212 | 2.933 | C9H20 | 128 | |||
| 11.27 | C8H14O4 | 174 | 9.39 | C15H28O2 | 240 | 12.57 | C11H24 | 156 | |||
| 3.660 | C8H16 | 112 | 13.28, 14.02 | C20H42 | 282 | 15.27 | C18H38 | 254 | |||
| 2.50, 2.58, 2.75, 2.8, 2.88, 3.2 | C8H18 | 114 | 18.67 | C26H54 | 366 | 13.64 | C20H42 | 282 | |||
| 4.68, 5, 5.08, 5.17, 5.25, 5.42, 5.67 | C9H12 | 120 | |||||||||
| 4.967 | C9H16O | 140 | |||||||||
| 4.57, 4.77, | C9H18O | 142 | |||||||||
| 4.38, 6.751, 6.98 | C9H20 | 128 | |||||||||
| 6.98, 8.22 | C10H8 | 128 | |||||||||
| 5.317 | C10H20 | 140 | |||||||||
| 4.833, 6.30, 8.068 | C10H22 | 142 | |||||||||
| 5.37, 6.15, 6.20, 6.45, 6.70, | C10H24 | 144 | |||||||||
| 7.65, 7.35, 7.75 | C11H10 | 142 | |||||||||
| 7.070 | C11H16 | 148 | |||||||||
| 8.068 | C12H10 | 154 | |||||||||
| 5.7, 5.8, 6.02, 6.07, 7.07 | C11H24 | 156 | |||||||||
| 8.22, 8.29, 8.3, 8.4, 8.47 | C12H12 | 156 | |||||||||
| 8.59, 8.64 | C13H12 | 168 | |||||||||
| 7.55, 11.29 | C12H26 | 170 | |||||||||
| 8.69, 8.80–8.97 | C13H14 | 170 | |||||||||
| 9.60 | C14H12 | 180 | |||||||||
| 9.09, 9.23 | C14H14 | 182 | |||||||||
| 9.42 | C14H16 | 184 | |||||||||
| 10.62 | C14H18O4 | 250 | |||||||||
| 16.94 | C16H22O4 | 278 | |||||||||
| 10.42 | C17H34O2 | 270 | |||||||||
| 9.84 | C18H38 | 254 | |||||||||
| 11.47 | C19H36O2 | 296 | |||||||||
| 14.52, 16.24 | C26H54 | 366 | |||||||||
| 16.51 | C28H34O | 286 | |||||||||
| No | Compounds | MW | M30O | M60O | ||
|---|---|---|---|---|---|---|
| RT before Biodegradation | RT after Biodegradation | RT before Biodegradation | RT after Biodegradation | |||
| 1 | CH4O | 32 | 1.30 | 1.32 | 1.30 | 1.27 |
| 2 | C5H10O3 | 118 | 4.47 | 5.68 | 4.47 | |
| 3 | C6H6 | 78 | 2.09 | |||
| 4 | C6H10O | 98 | 3.19 | |||
| 5 | C6H12O | 100 | 2.58 | 2.58 | ||
| 6 | C6H12 | 84 | 1.98 | |||
| 2.13 | ||||||
| 7 | C6H14 | 86 | 1.87 | |||
| 8 | C6H12O2 | 116 | 3.37 | |||
| 9 | C6H12O3 | 132 | 3.98 | 4.67 | 3.98 | |
| 10 | C7H8 | 91 | 2.82 | |||
| 11 | C7H14 | 98 | 2.03 | |||
| 2.25 | ||||||
| 12 | C7H12O4 | 160 | 4.78 | 5.23 | ||
| 13 | C7H14O2 | 130 | 2.13 | |||
| 14 | C7H14O3 | 146 | 5.28 | |||
| 15 | C7H16 | 100 | 2.12 | 2.87 | ||
| 2.28 | ||||||
| 2.50 | ||||||
| 16 | C8H10 | 106 | 3.97 | 3.97 | ||
| 4.07 | ||||||
| 4.33 | ||||||
| 17 | C8H18 | 114 | 2.22 | 4.33 | ||
| 2.43 | 2.43 | |||||
| 2.52 | ||||||
| 2.90 | ||||||
| 3.32 | 3.37 | |||||
| 6.42 | ||||||
| 19 | C8H14O | 126 | 2.52 | |||
| 20 | C9H12 | 120 | 5.01 | 4.68 | 4.40 | 4.68 |
| 5.08 | 5.00 | |||||
| 5.27 | 5.08 | |||||
| 5.45 | 5.42 | |||||
| 5.45 | ||||||
| 21 | C9H18O | 142 | 4.78 | |||
| 22 | C9H20 | 4.40 | 2.89 | |||
| 23 | 134 | 5.68 | 5.40 | 5.70 | 5.40 | |
| 6.48 | 5.98 | |||||
| 6.48 | ||||||
| 24 | C10H18O | 154 | 4.88 | |||
| 25 | C10H22 | 142 | 5.46 | |||
| 26 | C11H10 | 142 | 7.27 | 7.65 | ||
| 27 | C11H16 | 148 | 6.68 | 6.63 | ||
| 28 | C11H24 | 156 | 6.30 | 6.30 | ||
| 29 | C12H10 | 154 | 8.07 | 8.07 | ||
| 30 | C12H12 | 168 | 8.38 | 8.40 | ||
| 31 | C13H14 | 170 | 8.97 | 8.95 | ||
| 32 | C13H28 | 184 | 7.55 | 11.27 | ||
| 33 | C14H10 | 178 | 10.09 | |||
| 34 | C14H30 | 198 | 6.98 | 6.98 | ||
| 35 | C14H18O4 | 250 | 10.64 | |||
| 36 | C17H34O2 | 270 | 5.80 | 10.42 | ||
| 37 | C27H56 | 380 | 9.11 | 9.13 | ||
| 9.22 | 10.40 | |||||
| 10.42 | 14.44 | |||||
| 11.27 | ||||||
| 38 | C28H58 | 394 | 15.01 | 15.72 | ||
| 16.29 | 16.41 | |||||
| 18.58 | 18.59 | |||||
| Total number of compounds | 38 | 15 | 30 | 15 | ||
| Compound | Original Wastewater | After Ozonation M30O | After Biodegradation | After Ozonation M60O | After Biodegradation |
|---|---|---|---|---|---|
| Chlorinated Hydrocarbons | 4.4 | - | - | - | - |
| Alkanes | 17,7 (C5–C12, C18, C26) | 47.4 (C7–C14, C28) | 53.3 (C28) | 13.3 (C27, C28) | 53.3 (C27, C28) |
| Unsaturated Hydrocarbons | 33.3 | 50.0 (C10–C14) | - | 53.4 (C11–C14) | 20.0 |
| Polar Hydrocarbons | 31.1 (C5–C28) | - | 46.7 (C5–C6) | 33.3 (C5–C17) | 26.7 |
| Aromatic Hydrocarbons | 13.5 | 2.6 | - | - | - |
| Total | 100 | 100 | 100 | 100 | 100 |
Disclaimer/Publisher’s Note: The statements, opinions and data contained in all publications are solely those of the individual author(s) and contributor(s) and not of MDPI and/or the editor(s). MDPI and/or the editor(s) disclaim responsibility for any injury to people or property resulting from any ideas, methods, instructions or products referred to in the content. |
© 2024 by the authors. Licensee MDPI, Basel, Switzerland. This article is an open access article distributed under the terms and conditions of the Creative Commons Attribution (CC BY) license (https://creativecommons.org/licenses/by/4.0/).
Share and Cite
Amacosta, J.; Poznyak, T.; Siles, S.; Chairez, I. Sequential Treatment by Ozonation and Biodegradation of Pulp and Paper Industry Wastewater to Eliminate Organic Contaminants. Toxics 2024, 12, 138. https://doi.org/10.3390/toxics12020138
Amacosta J, Poznyak T, Siles S, Chairez I. Sequential Treatment by Ozonation and Biodegradation of Pulp and Paper Industry Wastewater to Eliminate Organic Contaminants. Toxics. 2024; 12(2):138. https://doi.org/10.3390/toxics12020138
Chicago/Turabian StyleAmacosta, Jessica, Tatyana Poznyak, Sergio Siles, and Isaac Chairez. 2024. "Sequential Treatment by Ozonation and Biodegradation of Pulp and Paper Industry Wastewater to Eliminate Organic Contaminants" Toxics 12, no. 2: 138. https://doi.org/10.3390/toxics12020138
APA StyleAmacosta, J., Poznyak, T., Siles, S., & Chairez, I. (2024). Sequential Treatment by Ozonation and Biodegradation of Pulp and Paper Industry Wastewater to Eliminate Organic Contaminants. Toxics, 12(2), 138. https://doi.org/10.3390/toxics12020138

