Induced Emission on Transitions from Vibrational Excited Levels of the KrF Molecule
Abstract
1. Introduction
2. Materials and Methods
2.1. Boltzmann Kinetic Equation
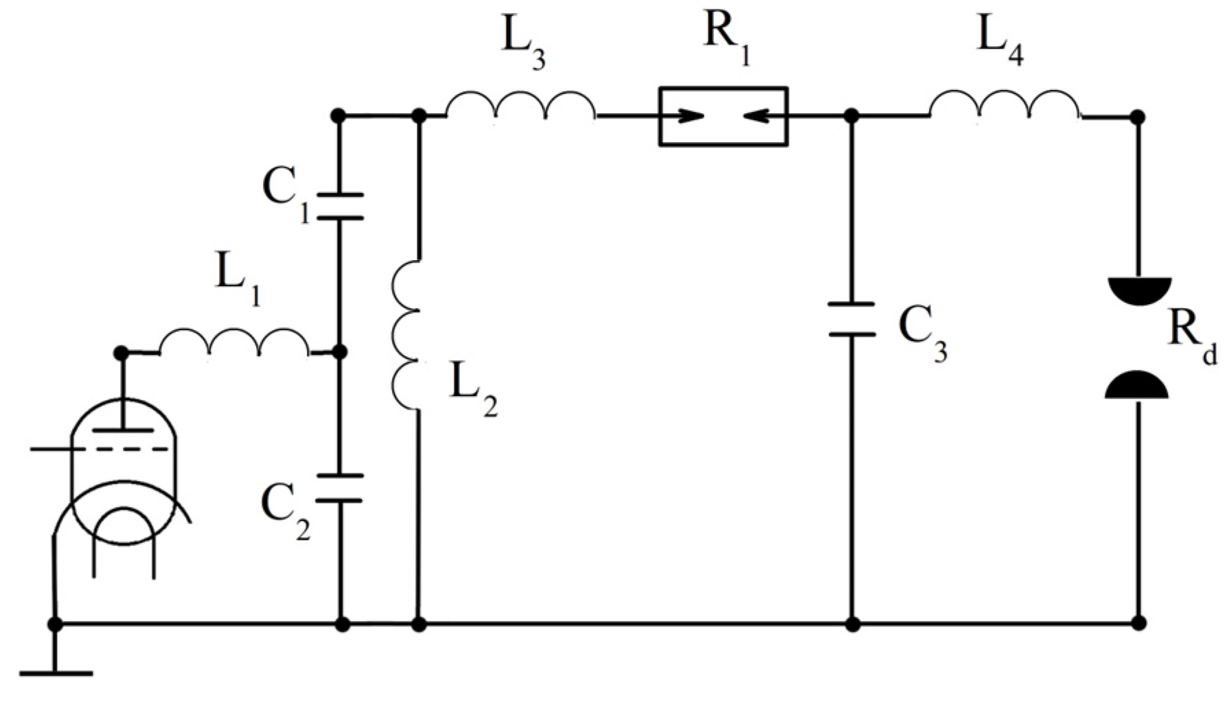
2.2. Model of Plasma–Chemical Processes in the Active Medium
| k, 1/cm3 | Ref. | |
|---|---|---|
| KrF(B, i) + (He,Ne,Kr) → KrF(C) + (He,Ne,Kr) | 5.0 (−10) | [8] |
| KrF(C) + (He,Ne,Kr) → KrF(B, i) + (He,Ne,Kr) | 3.5 (−10) | [8] |
| KrF(B, i) + Kr → KrF(B, i − 1) + Kr | 8.0 (−11) | [8] |
| KrF(B, i) + (He,Ne) → KrF(B, i − 1) + (He,Ne) | 1.0 (−11) (i ≤ 10) 5.0 (−11) (i > 10) | [10] [10] |
2.3. Induced Emission Cross Section and Einstein Coefficient for Bound-Free B–X Transitions from Vibrational Levels of the KrF Molecule
3. Results
3.1. Simulation of Laser Emission from the Ground State B
3.2. Amplification of the 246.8 nm Wavelength Radiation
4. Discussion
5. Conclusions
Supplementary Materials
Author Contributions
Funding
Institutional Review Board Statement
Informed Consent Statement
Data Availability Statement
Conflicts of Interest
References
- Bobrovnikov, S.M.; Gorlov, E.V.; Zharkov, V.I. Dynamics of the laser fragmentation/laser-induced fluorescence process in nitrobenzene vapors. Appl. Opt. 2018, 57, 9381–9387. [Google Scholar] [CrossRef] [PubMed]
- Loree, T.R.; Butterfield, K.B.; Barker, D.L. Spectral tuning of ArF and KrF discharge lasers. Appl. Phys. Lett. 1978, 32, 171–173. [Google Scholar] [CrossRef]
- Kudryavtsev, Y.A.; Kuzmina, N.P. Excimer Gas-Discharge Tunable ArF Laser. Appl. Phys. 1977, 13, 107–108. [Google Scholar] [CrossRef]
- Yampolskaya, S.A.; Yastremskii, A.G.; Panchenko, Y.N.; Puchikin, A.V. Amplification of laser radiation at the edge of the KrF (B–X) spectral line. Quantum Electron. 2022, 52, 437–442. [Google Scholar] [CrossRef]
- Pummer, H.; Hohla, K.; Rebentrost, F. Influence of collisional coupling on the energy extraction from the B, C, and D state in KrF. Appl. Phys. 1979, 20, 129–134. [Google Scholar] [CrossRef]
- Jacob, J.H.; Trainor, D.W.; Rokni, M.; Hsia, J.C. Accessibility of the KrF*(B) state to laser photons. Appl. Phys. Lett. 1980, 37, 522–524. [Google Scholar] [CrossRef]
- Dreiling, T.D.; Setser, D.W. State-to-state relaxation processes for XeCl(B, C). J. Chem. Phys. 1981, 75, 4360–4378. [Google Scholar] [CrossRef]
- Kannari, F.; Obara, M.; Fujioka, T.J. An advanced kinetic model of electron-beam-excited KrF lasers including the vibrational relaxation in KrF*(B) and collisional mixing of KrF*(B, C). Appl. Phys. 1985, 57, 4309–4322. [Google Scholar] [CrossRef]
- Kannari, F.; Suda, A.; Obara, M.; Fujioka, T. Theoretical simulation of electron-beam-excited xenon-chloride (XeCI) Lasers. IEEE J. Quantum Electron. QE 1983, 19, 1587–1600. [Google Scholar] [CrossRef]
- Kvaran, A.; Shaw, M.J.; Simons, J.P. Vibrational relaxation of KrF* and XeCl* by rare gases. Appl. Phys. B 1988, 46, 95–102. [Google Scholar] [CrossRef]
- Morgan, W.L.; Winter, N.W.; Kulander, K.C. Vibrational relaxation and laser extraction in rare gas halide excimers. J. Appl. Phys. 1983, 54, 4275–4279. [Google Scholar] [CrossRef]
- Datsyuk, V.V. Peculiarities of KrF excimer vibrational relaxation in low-pressure Kr/F2 mixtures excited by a short pulse. Appl. Phys. B 1992, 55, 60–64. [Google Scholar] [CrossRef]
- Tamagake, K.; Setser, D.W. Simulation of the bound-free KrF* emission spectra from reactive quenching of Kr(5s[3/2]2) and Kr(5s[3/2]1) atoms. J. Chem. Phys. 1977, 67, 4370–4383. [Google Scholar] [CrossRef]
- Chua, L.; Lin, P.-M. Computer Aided Analysis of Electronic Circuits, Algorithms and Computational Techniques; Prentice-Hall: Englewood Cliffs, NJ, USA, 1975. [Google Scholar]
- Rockwood, S. Elastic and Inelastic Cross Sections for Electron-Hg Scattering from Hg Transport Data. Phys. Rev. A 1973, 8, 2348–2358. [Google Scholar] [CrossRef]
- Yampolskaya, S.A.; Yastremskii, A.G.; Panchenko, Y.N.; Puchikin, A.V.; Bobrovnikov, S.M. Numerical study of the discharge spatial characteristics influence on the KrF laser generation. IEEE J. Quantum Electron. 2021, 56, 1–9. [Google Scholar] [CrossRef]
- Register, D.; Trajmar, S.; Steffensen, G. Electron-impact-excitation cross sections for electronic levels in neon for incident energies between 25 and 100 eV. Phys. Rev. A 1984, 29, 1793–1811. [Google Scholar] [CrossRef]
- Krishnakumar, E.; Srivastava, S. Ionization cross sections of rare-gas atoms by electron impact. J. Phys. B At. Mol. Opt. Phys. 1988, 21, 1055–1062. [Google Scholar] [CrossRef]
- Boffard, J.; Keeler, M.; Piech, G.; Anderson, L.W.; Lin, C.C. Measurement of electron-impact excitation cross sections out of the neon 3P2 metastable level. Phys. Rev. A 2001, 64, 032708. [Google Scholar] [CrossRef]
- Ton-That, D.; Flannery, M. Cross sections for ionization of metastable rare-gas atoms (Ne*, Ar*, Kr*, Xe*) and of metastable N2*, CO* molecules by electron impact. Phys. Rev. A 1977, 15, 517–526. [Google Scholar] [CrossRef]
- Chilton, J.; Stewart, M., Jr.; Lin, C. Electron-impact excitation cross sections of neon. Phys. Rev. A 2000, 61, 052708. [Google Scholar] [CrossRef]
- Rejoub, R.; Lindsay, B.; Stebbings, R. Determination of the absolute partial and total cross sections for electron-impact ionization of the rare gases. Phys. Rev. A 2002, 65, 042713. [Google Scholar] [CrossRef]
- Hyman, H. Electron-impact excitation of metastable argon and krypton. Phys. Rev. A 1978, 18, 441–447. [Google Scholar] [CrossRef]
- Hyman, H. Electron-impact ionization cross sections for excited states of the rare gases (Ne, Ar, Kr, Xe), cadmium and mercury. Phys. Rev. A 1979, 20, 855–859. [Google Scholar] [CrossRef]
- Frost, L.; Phelps, A. Momentum-Transfer Cross Sections for Slow Electrons in He, Ar, Kr, and Xe from Transport Coefficients. Phys. Rev. A 1964, 136, 1538–1545. [Google Scholar] [CrossRef]
- Lowke, J.; Phelps, A.; Irwin, B.J. Predicted electron transport coefficient of CO2-N2-He laser mixtures. Appl. Phys. 1973, 44, 4664–4671. [Google Scholar] [CrossRef]
- Rapp, D.; Englander-Golden, P.J. Total cross section from ionization and attachment in gases by electron impact. I. Positive ionization. Chem. Phys. 1965, 43, 1464–1479. [Google Scholar]
- Fletcher, C. Computational Galerkin Methods; Springer: Berlin/Heidelberg, Germany, 1984. [Google Scholar]
- Ongy, D.S.; Tou, T.Y.; Low, K.S. Kinetics modelling of a self-sustained discharge KrF laser. J. Phys. D Appl. Phys. 1996, 29, 2586–2594. [Google Scholar] [CrossRef]
- Jacob, J.H.; Hsia, J.C.; Mangano, J.A.; Rokni, M. Pulse shape and laser-energy extraction from e-beam-pumped KrF. J. Appl. Phys. 1979, 50, 5130–5134. [Google Scholar] [CrossRef]
- Hay, P.J.; Dunning, T.H. The electronic states of KrF. J. Chem. Phys. 1977, 66, 1306–1316. [Google Scholar] [CrossRef]
- Mies, F.H. Stimulated emission and population inversion in diatomic bound-continuum transitions. Mol. Phys. 1973, 26, 1233–1246. [Google Scholar] [CrossRef]
- Surzhikov, S.; Tenishev, V.; Chudov, L. On the problem of diatomic molecules wave functions determination. Math. Model. 2000, 12, 118–127. [Google Scholar]








Disclaimer/Publisher’s Note: The statements, opinions and data contained in all publications are solely those of the individual author(s) and contributor(s) and not of MDPI and/or the editor(s). MDPI and/or the editor(s) disclaim responsibility for any injury to people or property resulting from any ideas, methods, instructions or products referred to in the content. |
© 2024 by the authors. Licensee MDPI, Basel, Switzerland. This article is an open access article distributed under the terms and conditions of the Creative Commons Attribution (CC BY) license (https://creativecommons.org/licenses/by/4.0/).
Share and Cite
Yampolskaya, S.; Yastremskii, A.; Panchenko, Y.; Puchikin, A.; Bobrovnikov, S. Induced Emission on Transitions from Vibrational Excited Levels of the KrF Molecule. Photonics 2024, 11, 1088. https://doi.org/10.3390/photonics11111088
Yampolskaya S, Yastremskii A, Panchenko Y, Puchikin A, Bobrovnikov S. Induced Emission on Transitions from Vibrational Excited Levels of the KrF Molecule. Photonics. 2024; 11(11):1088. https://doi.org/10.3390/photonics11111088
Chicago/Turabian StyleYampolskaya, Sofia, Arcady Yastremskii, Yuri Panchenko, Alexey Puchikin, and Sergey Bobrovnikov. 2024. "Induced Emission on Transitions from Vibrational Excited Levels of the KrF Molecule" Photonics 11, no. 11: 1088. https://doi.org/10.3390/photonics11111088
APA StyleYampolskaya, S., Yastremskii, A., Panchenko, Y., Puchikin, A., & Bobrovnikov, S. (2024). Induced Emission on Transitions from Vibrational Excited Levels of the KrF Molecule. Photonics, 11(11), 1088. https://doi.org/10.3390/photonics11111088

