Enriching Capacity and Transmission of Hybrid WDM-FSO Link for 5G Mobility
Abstract
1. Introduction
- (1)
- Long distance optical fiber communication models for 5G services are interrupted by nonlinear issues, so to minimize these issues and provide 5G smart services to the end users, the WDM-FSO link is suggested in this paper.
- (2)
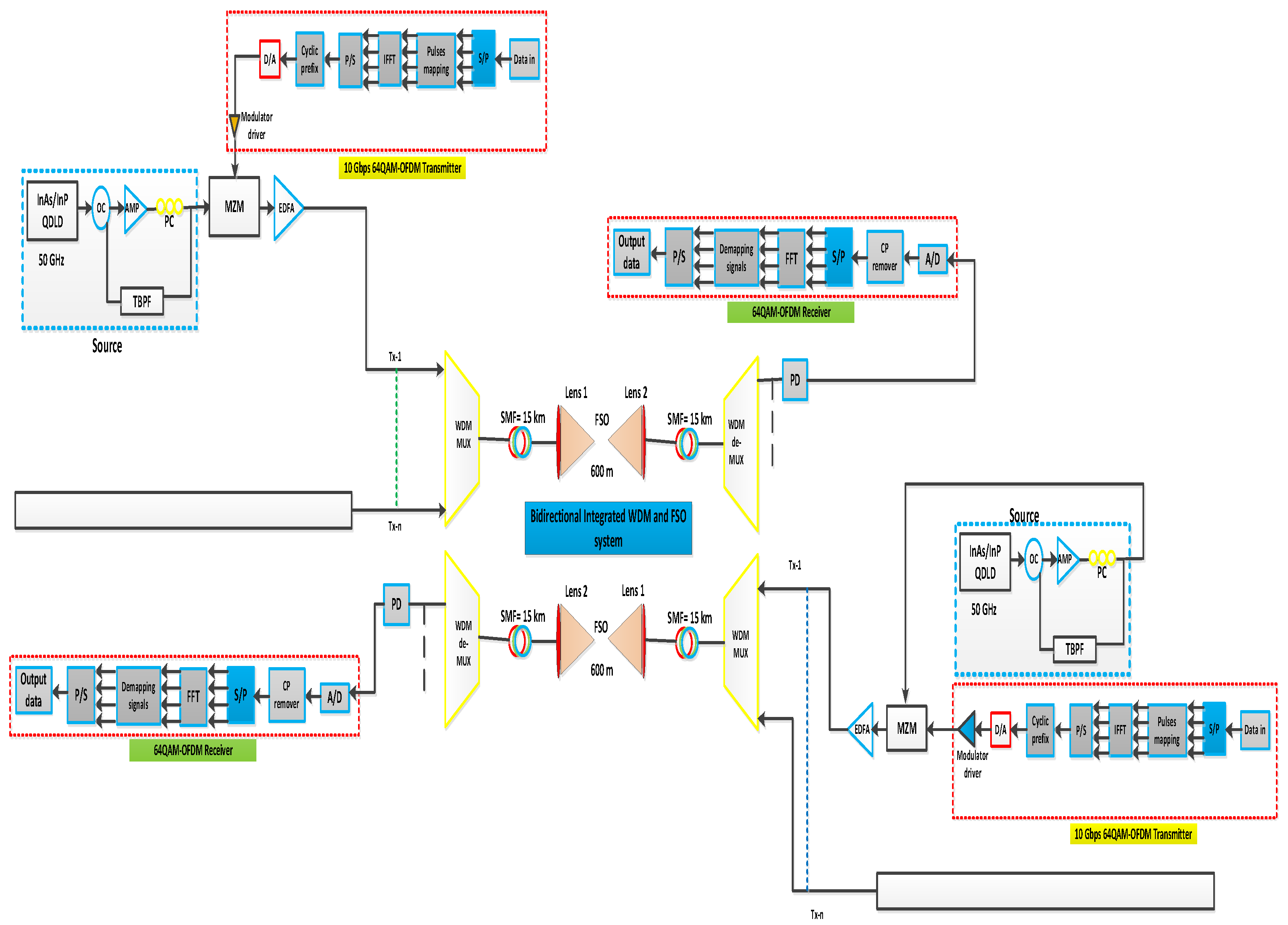
- The joint structure of the WDM-FSO link is evaluated based on a 600 m FSO range and 30 km FSO volume, aiming to sustain the mobility issue of 5G wired and wireless communication systems.
- (3)
- The impacts of RB issues are examined and suppressed by applying the presented bidirectional WDM-FSO link with advanced modulation schemes and NR-Sub-THz channels.
- (4)
- The bidirectional WDM-FSO link performance is evaluated for enhancing the 5G mobility, using mathematical and simulation models in attenuation, received power, different weather conditions, and modulation formats.
2. Proposed Experimental Model
3. Theoretical Background
4. Results and Discussion
5. Conclusions
Author Contributions
Funding
Institutional Review Board Statement
Informed Consent Statement
Data Availability Statement
Conflicts of Interest
References
- Zhao, X.; Zhu, L.; Fu, S.; Liu, C.; Tang, M.; Liu, D. Dual-band accelerating beams enabled full duplex free-space optical interconnection. IEEE J. Sel. Top. Quantum Electron. 2021, 27, 3700107. [Google Scholar]
- Yu, H.; Ali, F.; Tu, S.; Karamti, H.; Armghan, A.; Muhammad, F.; Alenezi, F.; Hameed, K.; Ahmad, N. Deducing of Optical and Electronic Domains Based Distortions in Radio over Fiber Network. Appl. Sci. 2022, 12, 753. [Google Scholar] [CrossRef]
- Rahman, S.; Ali, F.; Smagor, A.; Muhammad, F.; Habib, U.; Glowacz, A.; Ahmad, S.; Irfan, M.; Smalcerz, A.; Kula, A.; et al. Mitigation of Nonlinear Distortions for a 100 Gb/s Radio-Over-Fiber-Based WDM Network. Electronics 2020, 9, 1796. [Google Scholar] [CrossRef]
- Jabeena, A.; Jayabarathi, T.; Aggarwal, R.; Singh, L. Review on optimization of wireless optical communication system. Trends OptoElectro Opt. Commun. 2019, 4, 9–19. [Google Scholar]
- Al-Gailani, S.A.; Salleh, M.F.M.; Salem, A.A.; Shaddad, R.Q.; Sheikh, U.U.; Algeelani, N.A.; Almohamad, T.A. A Survey of Free Space Optics (FSO) Communication Systems, Links, and Networks. IEEE Access 2021, 9, 7353–7373. [Google Scholar] [CrossRef]
- Singh, H.; Mittal, N.; Miglani, R.; Singh, H.; Gaba, G.S.; Hedabou, M. Design and Analysis of High-Speed Free Space Optical (FSO) Communication System for Supporting Fifth Generation (5G) Data Services in Diverse Geographical Locations of India. IEEE Photonics J. 2021, 13, 7300312. [Google Scholar] [CrossRef]
- Brito, J.M.C.; Mendes, L.L.; Gontijo, J.G.S. Brazil 6G project-an approach to build a national-wise framework for 6G networks. In Proceedings of the 2nd 6G Wireless Summit (6G SUMMIT), Levi, Finland, 17–20 March 2020; pp. 1–5. [Google Scholar]
- Muhammad, F.; Ali, F.; Habib, U.; Usman, M.; Khan, I.; Kim, S. Time domain equalization and digital back-propagation method-based receiver for fiber optic communication systems. Int. J. Opt. 2020, 2020, 3146374. [Google Scholar]
- Ali, F.; Muhammad, F.; Habib, U.; Khan, Y.; Usman, M. Modeling and minimization of FWM effects in DWDM-based long-haul optical communication systems. Photon Netw. Commun. 2020, 41, 36–46. [Google Scholar] [CrossRef]
- Hamza, A.S.; Deogun, J.S.; Alexander, D.R. Classification framework for free space optical communication links and systems. IEEE Commun. Surv. Tuts. 2019, 21, 1346–1382. [Google Scholar] [CrossRef]
- Esmail, M.A.; Ragheb, A.M.; Fathallah, H.A.; Altamimi, M.; Alshebeili, S.A. 5G-28 GHz signal transmission over hybrid all-optical FSO/RF link in dusty weather conditions. IEEE Access 2019, 7, 24404–24410. [Google Scholar] [CrossRef]
- Mufutau, A.O.; Guiomar, F.P.; Fernandes, M.A.; Lorences-Riesgo, A.; Oliveira, A.; Monteiro, P.P. Demonstration of a hybrid optical fiber–wireless 5G fronthaul coexisting with end-to-end 4G networks. IEEE J. Opt. Commun. Netw. 2020, 12, 72–78. [Google Scholar] [CrossRef]
- Li, C.-Y.; Huang, X.-H.; Lu, H.-H.; Huang, Y.-C.; Huang, Q.-P.; Tu, S.-C. A WDM PAM4 FSO-UWOC integrated system with a channel capacity of 100 gb/s. J. Light. Technol. 2020, 38, 1766–1776. [Google Scholar] [CrossRef]
- Lima, E.S.; Borges, R.M.; Pereira, L.A.M.; Filgueiras, H.R.D.; Alberti, A.M.; Sodré, A.C. Multiband and photonically amplified fiber-wireless xhaul. IEEE Access 2020, 8, 44381–44390. [Google Scholar]
- Zhao, J.; Liu, L.; Xu, T. Real-time phase delay compensation of PGC demodulation in sinusoidal phase-modulation interferometer for nanometer displacement measurement. J. Appl. Sci. 2019, 9, 4192. [Google Scholar] [CrossRef]
- Jahid, A.; Alsharif, M.H.; Hall, T.J. A contemporary survey on free space optical communication: Potentials, technical challenges, recent advances and research direction. J. Netw. Comput. Appl. 2022, 200, 103311. [Google Scholar] [CrossRef]
- Li, R.; Lin, B.; Liu, Y.; Dong, M.; Zhao, S. A Survey on Laser Space Network: Terminals, Links, and Architectures. IEEE Access 2022, 10, 34815–34834. [Google Scholar] [CrossRef]
- Liu, X.; Fang, J.; Xiao, S.; Zheng, L.; Hu, W. Adaptive Probabilistic Shaping Using Polar Codes for FSO Communication. IEEE Photonics J. 2022, 14, 7913806. [Google Scholar] [CrossRef]
- Chowdhury, M.Z.; Shahjalal, M.; Ahmed, S.; Jang, Y.M. 6G wireless communication systems: Applications requirements technologies challenges and research directions. IEEE Open J. Commun. Soc. 2020, 1, 957–975. [Google Scholar]
- Kumar, S. Free Space Optics: A shifting paradigm in optical communication systems in difficult terrains. In First International Conference on Sustainable Technologies for Computational Intelligence; Springer: Singapore, 2020; pp. 537–550. [Google Scholar]
- Arti, M.K.; Jain, A. A simple approximation of FSO link distribution and its applications. In Proceedings of the 2020 IEEE International Conference on Advanced Networks and Telecommunications Systems (ANTS), New Delhi, India, 14–17 December 2020; pp. 1–3. [Google Scholar]
- Corral, F.V.; Cuenca, C.; Soto, I. Design of an optical wireless network using free space optics technology (FSO), in 5G/6G networks environment. In Proceedings of the 2021 IEEE International Conference on Automation/XXIV Congress of the Chilean Association of Automatic Control (ICA-ACCA), Valparaíso, Chile, 22–26 March 2021; pp. 1–5. [Google Scholar]
- Thi, M.N.; Mai, V.; Kim, H. Seven-Aperture Direct-Detection Receiver for Free-Space Optical Communication Systems. In Proceedings of the 2022 Optical Fiber Communications Conference and Exhibition (OFC), San Diego, CA, USA, 6–10 March 2022; pp. 1–3. [Google Scholar]
- Mao, K.; Zhu, Q.; Song, M.; Li, H.; Nig, B.; Pedersen, D.F.; Fan, W. Machine learning-based 3D channel modeling for U2V mmwave communications. IEEE Internet Things J. 2022, 9, 17592–17607. [Google Scholar]
- Akbucak, V.; Aymelek, G.; Yolcu, B.; Kayam, O.; Ünal, O.; Gökçe, M.C.; Baykal, Y. Effect of partial coherence on signal-to-noise ratio performance of free space optical communication system in weak turbulence. Opt. Commun. 2022, 518, 128395. [Google Scholar]
- Wang, G.; Shao, L.Y.; Xiao, D.; Bandyopadhyay, S.; Jiang, J.; Liu, S.; Li, W.; Wang, C.; Yan, Z. Stable and highly efficient free-space optical wireless communication system based on polarization modulation and in-fiber diffraction. IEEE/OSA J. Light. Technol. 2021, 39, 83–90. [Google Scholar] [CrossRef]
- Wu, Y.; Singh, S.; Taleb, T.; Roy, A.; Dhillon, H.S. (Eds.) 6G Mobile Wireless Networks; Springer Nature Switzerland AG: Cham, Switzerland, 2021. [Google Scholar]
- Morales, A.; Nazarikov, G.; Rommel, S.; Okonkwo, C.; Monroy, I.T. Highly tunable heterodyne sub-THz wireless link entirely based on optoelectronics. IEEE Trans. Terahertz Sci. Technol. 2021, 11, 261–268. [Google Scholar]
- Kumari, M.; Arya, V. Design of ring-based 1 Tbps hybrid PON-FSO fault protection system using add/drop multiplexer. Opt. Quantum Electron. 2023, 55, 124. [Google Scholar] [CrossRef]
- Hsu, C.-H.; Jiang, S.-Y.; Hsieh, S.-E.; Yeh, C.-H.; Lai, Y.-T.; Chen, L.-Y.; Liaw, S.-K.; Chow, C.-W. Hybrid Self-Protected Fiber-FSO WDM-PON System with Fiber Breakage Prevention. Photonics 2022, 9, 822. [Google Scholar] [CrossRef]
- Kumari, M.; Arya, V. Investigation of high-speed hybrid WDM-OCDMA-PON system incorporating integrated fiber-FSO link under distinct climate conditions. Opt. Quantum Electron. 2022, 54, 775. [Google Scholar] [CrossRef]








| Name of Parameter | Description of Parameter |
|---|---|
| Length of fiber | 15 km + 15 km |
| Range of FSO | 600 m |
| Downlink speed | 10 Gbps |
| uplink speed | 2.5 Gbps |
| WDM mux bandwidth | 0.6 nm |
| Modulation format | 64QAM-OFDM |
| Temperature for SMF | 300 k |
| SMF dispersion | 17 ps/nm/km |
| Dispersion slop | 0.075 ps/nm/k |
| Attenuation for clear weather | 0.4 dBm/km |
| Attenuation of rainy weather | 6 dBm/km |
| Attenuation of fogy weather | 9 dBm/km |
| Inserstion loss | 2 dB |
| Filter order | 2 |
Disclaimer/Publisher’s Note: The statements, opinions and data contained in all publications are solely those of the individual author(s) and contributor(s) and not of MDPI and/or the editor(s). MDPI and/or the editor(s) disclaim responsibility for any injury to people or property resulting from any ideas, methods, instructions or products referred to in the content. |
© 2023 by the authors. Licensee MDPI, Basel, Switzerland. This article is an open access article distributed under the terms and conditions of the Creative Commons Attribution (CC BY) license (https://creativecommons.org/licenses/by/4.0/).
Share and Cite
Shi, Y.; Armghan, A.; Ali, F.; Aliqab, K.; Alsharari, M. Enriching Capacity and Transmission of Hybrid WDM-FSO Link for 5G Mobility. Photonics 2023, 10, 121. https://doi.org/10.3390/photonics10020121
Shi Y, Armghan A, Ali F, Aliqab K, Alsharari M. Enriching Capacity and Transmission of Hybrid WDM-FSO Link for 5G Mobility. Photonics. 2023; 10(2):121. https://doi.org/10.3390/photonics10020121
Chicago/Turabian StyleShi, Yutao, Ammar Armghan, Farman Ali, Khaled Aliqab, and Meshari Alsharari. 2023. "Enriching Capacity and Transmission of Hybrid WDM-FSO Link for 5G Mobility" Photonics 10, no. 2: 121. https://doi.org/10.3390/photonics10020121
APA StyleShi, Y., Armghan, A., Ali, F., Aliqab, K., & Alsharari, M. (2023). Enriching Capacity and Transmission of Hybrid WDM-FSO Link for 5G Mobility. Photonics, 10(2), 121. https://doi.org/10.3390/photonics10020121

