Performance Characteristics in Runner of an Impulse Water Turbine with Splitter Blade
Abstract
1. Introduction
2. Methodology
2.1. Physical Model
2.2. Numerical Method and Schemes
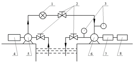
2.3. Experimental Setup
3. Results and Analysis
3.1. Hydraulic Performance
3.2. Energy Conversion Performance
3.3. Detailed Flow Analysis and Discussion
4. Conclusions
Author Contributions
Funding
Conflicts of Interest
References
- Guney, M.S.; Kaygusuz, K. Hydrokinetic energy conversion systems: A technology status review. Renew. Sustain. Energy Rev. 2010, 14, 2996–3004. [Google Scholar] [CrossRef]
- Niebuhr, C.M.; van Dijka, M.; Neary, V.S.; Bhagwan, J.N. A review of hydrokinetic turbines and enhancement techniques for canal installations: Technology, applicability and potential. Renew. Sustain. Energy Rev. 2019, 113, 109240. [Google Scholar] [CrossRef]
- Salleh, M.B.; Kamaruddin, N.M.; Mohamed-Kassim, Z. Savonius hydrokinetic turbines for a sustainable river-based energy extraction: A review of the technology and potential applications in Malaysia. Sustain. Energy Technol. Assess. 2019, 36, 100554. [Google Scholar]
- Saini, G.; Saini, R.P. A review on technology, configurations, and performance of cross-flow hydrokinetic turbines. Int. J. Energy Res. 2019, 43, 6639–6679. [Google Scholar] [CrossRef]
- Chitrakar, S.; Solemslie, B.W.; Neopane, H.P.; Dahlhaug, O.G. Review on numerical techniques applied in impulse hydro turbines. Renew. Energy 2020, 159, 843–859. [Google Scholar] [CrossRef]
- Ma, J.; Wang, Y.; Feng, X. Energy recovery in cooling water system by hydro turbines. Energy 2017, 139, 329–340. [Google Scholar] [CrossRef]
- Nagode, K.; Škrjanc, I. Modelling and internal fuzzy model power control of a francis water turbine. Energies 2014, 7, 874–889. [Google Scholar] [CrossRef]
- Riglin, J.; Carter, F., III; Oblas, N. Experimental and numerical characterization of a full-scale portable hydrokinetic turbine prototype for river applications. Renew. Energy 2016, 99, 772–783. [Google Scholar] [CrossRef]
- Du, J.; Yang, H.; Shen, Z.; Chen, J. Micro hydro power generation from water supply system in high rise buildings using pump as turbines. Energy 2017, 137, 431–440. [Google Scholar] [CrossRef]
- Hung, N.M.; Haechang, J.; Changjo, Y. A study on flow fields and performance of water wheel turbine using experimental and numerical analyses. Sci. China Technol. Sci. 2018, 61, 464–474. [Google Scholar]
- Nishi, Y.; Hatano, K.; Inagaki, T. Study on performance and flow field of an undershot cross-flow water turbine comprising different number of blades. J. Therm. Sci. 2017, 26, 413–420. [Google Scholar] [CrossRef]
- Chen, Z.; Choi, Y.-D. Influence of air supply on the performance and internal flow characteristics of a cross flow turbine. Renew. Energy 2015, 79, 103–110. [Google Scholar] [CrossRef]
- Elbatran, A.H.; Elbatran, Y.M.; Shehata, A.S. Shehata. Performance study of ducted nozzle Savonius water turbine, comparison with conventional Savonius turbine. Energy 2017, 134, 566–584. [Google Scholar] [CrossRef]
- Kerikous, E.; Thevenin, D. Optimal shape and position of a thick deflector plate in front of a hydraulic Savonius turbine. Energy 2019, 189, 116157. [Google Scholar] [CrossRef]
- Golecha, K.; Eldho, T.I.; Prabhu, S.V. Influence of the deflector plate on the performance of modified Savonius water turbine. Appl. Energy 2011, 88, 3207–3217. [Google Scholar] [CrossRef]
- Sritram, P.; Suntivarakorn, R. The effects of blade number and turbine baffle plates on the efficiency of free-vortex water turbines. IOP Conf. Ser. Earth Environ. Sci. 2019, 257, 012040. [Google Scholar] [CrossRef]
- Prasetyo, A.; Kristiawan, B.; Danardono, D.; Hadi, S. The effect of deflector angle in Savonius water turbine with horizontal axis on the power output of water flow in pipe. J. Phys. Conf. Ser. 2018, 979, 012043. [Google Scholar] [CrossRef]
- Shrestha, U.; Choi, Y. A CFD-based shape design optimization process of fixed flow passages in a francis hydro turbine. Processes 2020, 8, 1392. [Google Scholar] [CrossRef]
- Wang, X.; Kuang, K.; Wu, Z.; Yang, J. Numerical simulation of axial vortex in a centrifugal pump as turbine with s-blade impeller. Processes 2020, 8, 1192. [Google Scholar] [CrossRef]
- Du, J.; Shen, Z.; Yang, H. Numerical study on the impact of runner inlet arc angle on the performance of inline cross-flow turbine used in urban water mains. Energy 2018, 158, 228–237. [Google Scholar]
- Li, D.; Wang, H.; Qin, Y.; Wei, X.; Qin, D. Numerical simulation of hysteresis characteristic in the hump region of a pump-turbine model. Renew. Energy 2018, 115, 433–447. [Google Scholar] [CrossRef]
- Yang, W.; Hou, Y.; Jia, H.; Liu, B.; Xiao, R. Lift-type and drag-type hydro turbine with vertical axis for power generation from water pipelines. Energy 2019, 188, 116070. [Google Scholar] [CrossRef]
- Sanditya, T.A.; Prasetyo, A.; Kristiawan, B.; Hadi, S. Effect of blade curvature angle of savonius horizontal axis water turbine to the power generation. IOP Conf. Ser. J. Phys. 2018, 979, 012044. [Google Scholar] [CrossRef]
- Saleem, A.S.; Cheema, T.A.; Ullah, R.; Ahmad, S.M.; Chattha, J.A.; Akbar, B.; Park, C.W. Parametric study of single-stage gravitational water vortex turbine with cylindrical basin. Energy 2020, 200, 117464. [Google Scholar] [CrossRef]
- Mao, Z.; Bai, J. Numerical investigation of a small water turbine used for the power supply of underwater vehicles. Adv. Mech. Eng. 2018, 10, 1–10. [Google Scholar] [CrossRef]
- Mosbahi, M.; Ayadi, A.; Chouaibi, Y.; Driss, Z.; Tucciarelli, T. Performance improvement of a novel combined water turbine. Energy Convers. Manag. 2020, 205, 112473. [Google Scholar] [CrossRef]
- Nishi, Y.; Yahagi, Y.; Okazaki, T.; Inagaki, T. Effect of flow rate on performance and flow field of an undershot cross-flow water turbine. Renew. Energy 2020, 149, 409–423. [Google Scholar] [CrossRef]
- Yang, M.; Li, Y.; Gao, B.; Ni, D.; Zhang, Y. Influence of blade thickness profile on energy distribution at impeller outlet of mixed-flow nuclear reactor coolant pump. J. Drain. Irrig. Mach. Eng. 2018, 36, 560–566. [Google Scholar]
- Zhan, X. Energy Conversion Characteristics of Stainless Steel Stamping and Welding Centrifugal Pumps and Design Method. Ph.D. Thesis, Jiangsu University, Zhenjiang, China, 2011. [Google Scholar]
- Miao, S.; Yang, J.; Shi, F. Research on energy conversion characteristic of pump as turbine. Adv. Mech. Eng. 2018, 10, 1–10. [Google Scholar] [CrossRef]
- Zhang, Y.; Kang, C.; Ji, Y.; Li, Q. Experimental and numerical investigation of flow patterns and performance of a modified Savonius hydrokinetic rotor. Energy 2019, 141, 1067–1079. [Google Scholar] [CrossRef]
- Shi, G.; Wang, Z. Analysis of the Pressurization Performance of the Different Areas within the Multiphase Pump Impeller. J. Drain. Irrig. Mach. Eng. 2019, 37, 13–17. [Google Scholar]
- Shi, G.; Wang, Z.; Luo, K. Analysis of the turbulent flow intensity and dissipation characteristics of an oil-gas multiphase pump in its compression stages. J. Eng. Therm. Energy Power 2018, 33, 115–121. [Google Scholar]
- Laín, S.; Cortés, P.; López, O.D. Numerical simulation of the flow around a straight blade darrieus water turbine. Energies 2020, 13, 1137. [Google Scholar] [CrossRef]
- Tang, L.; Yuan, S.; Tang, Y.; Qiu, Z. Optimization of impulse water turbine based on GA-BP neural network arithmetic. J. Mech. Sci. Technol. 2019, 33, 241–253. [Google Scholar] [CrossRef]
- Tang, L.; Yuan, S.; Tang, Y.; Yan, H. Performance experiment and numerical prediction on the optimization design of the micro-sized water turbine for the hose reel irrigator. Int. J. Agric. Biol. Eng. 2018, 11, 108–115. [Google Scholar] [CrossRef]
- Siddique, W.; El-Gabry, L.; Shevchuk, I.V.; Fransson, T.H. Validation and analysis of numerical results for a two-pass trapezoidal channel with different cooling configurations of trailing edge. J. Turbomach. 2013, 135, 011027. [Google Scholar] [CrossRef] [PubMed]
- Fasquelle, A.; Pellé, J.; Harmand, S.; Shevchuk, I.V. Numerical study of convective heat transfer enhancement in a pipe rotating around a parallel axis. J. Heat Transf. 2014, 136, 051901. [Google Scholar] [CrossRef]
- Shevchuk, I.V.; Jenkins, S.C.; Weigand, B.; Wolfersdorf, J.; Neumann, S.O.; Schnieder, M. Validation and Analysis of Numerical Results for a Varying Aspect Ratio Two-Pass Internal Cooling Channel. In Proceedings of the 2008 ASME Turbo Expo, Berlin, Germany, 9–13 June 2008; Volume 4, pp. 1085–1094. [Google Scholar]
- Yuan, Y.; Yuan, S.; Tang, L. Numerical investigation on the mechanism of double-volute balancing radial hydraulic force on the centrifugal pump. Processes 2019, 7, 689. [Google Scholar] [CrossRef]













| Category | Parameter | Value |
|---|---|---|
| Design point | Flow/Qd (m3/h) | 17.5 |
| Head/Hd (m) | 10 | |
| Rotational speed/nd (rpm) | 700 | |
| Geometry value | Runner inlet diameter/D1 (mm) | 175 |
| Runner outlet diameter/D2 (mm) | 55 | |
| Blade inlet angle/βb (°) | 63 | |
| Blade number/Z1 | 14 | |
| Splitter blade number/Z2 | 7 | |
| Runner inlet width/b1 (mm) | 30 |
| Turbulence Model | Standard k-ε | RNG k-ε | Standard k-ω | SST k-ω | Test Value |
|---|---|---|---|---|---|
| η at 0.7Qd/% | 38.51 | 38.85 | 41.53 | 41.22 | 34.17 |
| η at 1.0Qd/% | 42.93 | 43.17 | 45.58 | 45.62 | 39.09 |
| η at 1.3Qd/% | 35.75 | 35.97 | 37.79 | 37.28 | 34.12 |
| Grid Size/mm | 6 | 4 | 2 | 1 | 0.5 |
|---|---|---|---|---|---|
| Grid numbers | 364515 | 551644 | 1254972 | 2448973 | 4723698 |
| η/% | 44.62 | 43.65 | 42.93 | 42.51 | 42.18 |
| H/m | 10.36 | 10.11 | 9.55 | 9.52 | 9.51 |
Publisher’s Note: MDPI stays neutral with regard to jurisdictional claims in published maps and institutional affiliations. |
© 2021 by the authors. Licensee MDPI, Basel, Switzerland. This article is an open access article distributed under the terms and conditions of the Creative Commons Attribution (CC BY) license (http://creativecommons.org/licenses/by/4.0/).
Share and Cite
Tang, L.; Yuan, S.; Tang, Y.; Gao, Z. Performance Characteristics in Runner of an Impulse Water Turbine with Splitter Blade. Processes 2021, 9, 303. https://doi.org/10.3390/pr9020303
Tang L, Yuan S, Tang Y, Gao Z. Performance Characteristics in Runner of an Impulse Water Turbine with Splitter Blade. Processes. 2021; 9(2):303. https://doi.org/10.3390/pr9020303
Chicago/Turabian StyleTang, Lingdi, Shouqi Yuan, Yue Tang, and Zhijun Gao. 2021. "Performance Characteristics in Runner of an Impulse Water Turbine with Splitter Blade" Processes 9, no. 2: 303. https://doi.org/10.3390/pr9020303
APA StyleTang, L., Yuan, S., Tang, Y., & Gao, Z. (2021). Performance Characteristics in Runner of an Impulse Water Turbine with Splitter Blade. Processes, 9(2), 303. https://doi.org/10.3390/pr9020303
