Impact Factors Analysis of Diesel Particulate Filter Regeneration Performance Based on Model and Test
Abstract
1. Introduction
2. Methods
2.1. DOC+DPF System Modeling
2.1.1. Theoretical Basis of Catalytic Oxidation Technology
- The chemical reaction speed is negatively correlated with the activation temperature, that is, the higher the activation temperature, the more difficult it is for the chemical reaction to occur. The activation temperature is mainly affected by the mass weight of the noble metal (mainly platinum, palladium, etc.) coated on DOC and DPF, as well as the coating process, and is also related to the aging status of DOC and DPF.
- The higher the carrier wall temperature, the higher the chemical reaction rate would be. The wall temperature of the carrier is mainly affected by factors, such as the temperature, carrier material, specific heat capacity, heat transfer efficiency, and exhaust gas mass flow rate.
- The chemical reaction rate is positively correlated with the molar concentration of components participating in chemical reactions, that is, the higher the molar concentration of the component, the higher the chemical reaction rate would be. The molar concentration of components in the exhaust is mainly affected by factors, such as the fuel quality, engine running condition, system aging condition, EGR (exhaust gas recirculation) rate, and exhaust gas temperature.
2.1.2. Sample Gas Bench Test
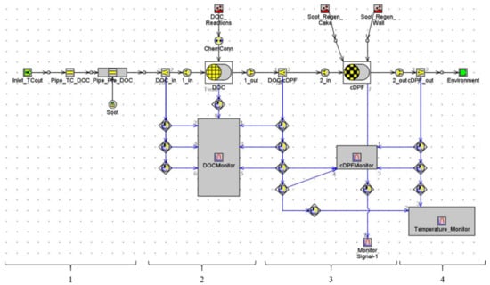
2.1.3. DOC+DPF One-Dimensional Modeling
2.2. Experimental Setup
3. Results and Discussion
3.1. Model Prediction
3.1.1. Effect of the Soot Loading Quantity on Steady-State Regeneration Temperature Performance
- In the initial stage of regeneration, the temperature of the front part of DPF is higher than the temperature of the rear part, owing to the process of heat conduction. When time elapses, the temperature of the rear part of DPF rapidly rises and exceeds the temperature of the front, owing to the concentrated distribution of particle matter. At the rear of DPF, when particle matter burns, a lot of heat is released, which causes the temperature of the rear of DPF to rise.
- When the initial soot loading quantity is 10 g, the maximum temperature inside DPF reaches 603.2 °C; when the initial soot loading quantity is 15.5 g, the maximum temperature inside DPF reaches 607.7 °C; when the initial soot loading quantity is 21.9 °C, the maximum temperature reaches 619.1 °C; when the initial soot loading quantity is 36.5 °C, the maximum temperature reaches 677.1 °C; when the initial soot loading quantity is 46 g, the maximum temperature reaches 801.1 °C; and when the initial soot loading quantity is 56 g, the maximum temperature reaches 908.8 °C. Based on the above analysis, when the initial soot loading quantity reaches 46 g or above, the internal temperature of DPF would be high, and there is a high risk of the catalyst coating falling off or the carrier burning the crack.
3.1.2. Effect of Oxygen Density on Regeneration Temperature Performance
- When the oxygen concentration in the exhaust gas is low, the fuel injected into the exhaust gas during the regeneration phase fails to fully chemically react and release enough heat, and the exhaust gas temperature fails to reach the target temperature, and a large amount of hydrocarbon emission from the DPF outlet is found.
- When the oxygen concentration in the exhaust reaches 7% and above, the exhaust temperature at the inlet of DPF can reach the target temperature, accompanied by a small amount of hydrocarbon emission from the DPF outlet.
3.2. Engine Test Bench Validation
4. Conclusions
- (1)
- The SGBT result shows that the activation temperature of C3H6 is between 216.5 and 218 °C, and the activation temperature of C3H8 is between 383.5 and 384.5 °C. The T50 temperature deviation of C3H6 and C3H8 at different space speeds is about 18 to 20 °C. The T50 temperature is lower when the airspeed is higher.
- (2)
- A DOC+DPF regeneration temperature prediction model was built, which can be used to simulate and calculate the axial temperature distribution of DOC and DPF during the regeneration phase.
- (3)
- The analysis results of the influence of the oxygen concentration on regeneration temperature performance show that when the oxygen concentration in the exhaust gas is low (less than 7%), the fuel injected into the exhaust gas during the regeneration phase fails to undergo a chemical reaction and release sufficient heat, the exhaust gas temperature fails to reach the target temperature, and a large amount of unburnt fuel leakage occurs; when the oxygen concentration in the exhaust gas reaches 7% or above, the exhaust temperature at the inlet of the DPF can reach the target temperature with a small amount of unburnt fuel leakage.
- (4)
- To verify the technical feasibility of the one-dimensional prediction model, a steady-state engine test bench regeneration test with different initial soot loading quantities was carried out in this paper. The test results show that the simulation results have a small deviation from the actual measurement results of the engine test bench. This result has guiding significance for reducing the DPF regeneration failure rate in actual engineering applications.
Author Contributions
Funding
Institutional Review Board Statement
Informed Consent Statement
Data Availability Statement
Conflicts of Interest
Nomenclature
| DPF | diesel particulate filter |
| DOC | diesel oxidation catalyst |
| HC | hydrocarbon |
| O2 | oxygen |
| CO2 | carbon dioxide |
| H2O | water |
| CO | carbon monoxide |
| NO | nitric oxide |
| SO2 | sulfur dioxide |
| SO3 | sulfur trioxide |
| H2SO4 | sulfuric acid |
| SV | space velocity |
| HCI | hydrocarbon injection |
| PM | particulate matter |
| PN | particulate number |
| SGBT | sample gas bench test |
| NO2 | nitrogen dioxide |
| CuFe2O4 | copper iron oxide |
| Pt | platinum |
| Pd | palladium |
References
- Reşitoğlu, İ.A.; Altinişik, K.; Keskin, A. The pollutant emissions from diesel-engine vehicles and exhaust aftertreatment systems. Clean Technol. Environ. Policy 2015, 17, 15–27. [Google Scholar] [CrossRef]
- Guan, B.; Zhan, R.; Lin, H.; Huang, Z. Review of the state-of-the-art of exhaust particulate filter technology in internal combustion engines. J. Environ. Manag. 2015, 154, 225–258. [Google Scholar] [CrossRef] [PubMed]
- Fang, J.; Meng, Z.; Li, J.; Du, Y.; Qin, Y.; Jiang, Y.; Bai, W.; Chase, G.G. The effect of operating parameters on regeneration characteristics and particulate emission characteristics of diesel particulate filters. Appl. Therm. Eng. 2019, 148, 860–867. [Google Scholar] [CrossRef]
- Martirosyan, K.S.; Chen, K.; Luss, D. Behavior features of soot combustion in diesel particulate filter. Chem. Eng. Sci. 2010, 65, 42–46. [Google Scholar] [CrossRef]
- Di Sarli, V.; Di Benedetto, A. Combined effects of soot load and catalyst activity on the regeneration dynamics of catalytic diesel particulate filters. AIChE J. 2018, 64, 1714–1722. [Google Scholar] [CrossRef]
- Nossova, L.; Caravaggio, G.; Couillard, M.; Ntais, S. Effect of preparation method on the performance of silver-zirconia catalysts for soot oxidation in diesel engine exhaust. Appl. Catal. B Environ. 2018, 225, 538–549. [Google Scholar] [CrossRef]
- Deng, W.; Hu, Q.; Liu, T.; Wang, X.; Zhang, Y.; Song, W.; Sun, Y.; Bi, X.; Yu, J.; Yang, W.; et al. Primary particulate emissions and secondary organic aerosol (SOA) formation from idling diesel vehicle exhaust in China. Sci. Total Environ. 2017, 593–594, 462–469. [Google Scholar] [CrossRef] [PubMed]
- Fayad, M.; Fernández-Rodríguez, D.; Herreros, J.; Lapuerta, M.; Tsolakis, A. Interactions between aftertreatment systems architecture and combustion of oxygenated fuels for improved low temperature catalysts activity. Fuel 2018, 229, 189–197. [Google Scholar] [CrossRef]
- Tong, D.; Zhang, J.; Wang, G.; Yang, B.; Cai, K.; Liu, S.; Abdalla, A.; Shuai, S.-J. Experimental Study and Numerical Interpretation on the Temperature Field of DPF during Active Regeneration with Hydrocarbon Injection. SAE Tech. Pap. Ser. 2018. [Google Scholar] [CrossRef]
- Tan, P.-Q.; Duan, L.-S.; Li, E.-F.; Hu, Z.-Y.; Lou, D.-M. Experimental study on the temperature characteristics of a diesel particulate filter during a drop to idle active regeneration process. Appl. Therm. Eng. 2020, 178, 115628. [Google Scholar] [CrossRef]
- D’Aniello, F.; Rossomando, B.; Arsie, I.; Pianese, C. Development and Experimental Validation of a Control Oriented Model of a Catalytic DPF. SAE Tech. Pap. Ser. 2019, 1–14. [Google Scholar] [CrossRef]
- Deng, Y.; Cui, J.; E, J.; Zhang, B.; Zhao, X.; Zhang, Z.; Han, D. Investigations on the temperature distribution of the diesel particulate filter in the thermal regeneration process and its field synergy analysis. Appl. Therm. Eng. 2017, 123, 92–102. [Google Scholar] [CrossRef]
- Millo, F.; Andreata, M.; Rafigh, M.; Mercuri, D.; Pozzi, C. Impact on vehicle fuel economy of the soot loading on diesel particulate filters made of different substrate materials. Energy 2015, 86, 19–30. [Google Scholar] [CrossRef]
- Higuchi, N.; Mochida, S.; Kojima, M. Optimized Regeneration Conditions of Ceramic Honeycomb Diesel Particulate Filters; SAE International: Warrendale, PA, USA, 1983. [Google Scholar]
- Iwata, H.; Konstandopoulos, A.G.; Nakamura, K.; Ogiso, A.; Ogyu, K.; Shibata, T.; Ohno, K. Further Experimental Study of Asymmetric Plugging Layout on DPFs: Effect of Wall Thickness on Pressure Drop and Soot Oxidation; SAE International: Warrendale, PA, USA, 2015. [Google Scholar]
- Quiles-Díaz, S.; Giménez-Mañogil, J.; García-García, A. Catalytic performance of CuO/Ce0.8Zr0.2O2 loaded onto SiC-DPF in NOx-assisted combustion of diesel soot. RSC Adv. 2015, 5, 17018–17029. [Google Scholar] [CrossRef]
- Di Sarli, V.; Landi, G.; Di Benedetto, A.; Lisi, L. Synergy Between Ceria and Metals (Ag or Cu) in Catalytic Diesel Particulate Filters: Effect of the Metal Content and of the Preparation Method on the Regeneration Performance. Top. Catal. 2021, 64, 256–269. [Google Scholar] [CrossRef]
- Rossomando, B.; Arsie, I.; Meloni, E.; Palma, V.; Pianese, C. Experimental Testing of a Low Temperature Regenerating Catalytic DPF at the Exhaust of a Light-Duty Diesel Engine. SAE Tech. Pap. Ser. 2018, 1–9. [Google Scholar] [CrossRef]
- Rossomando, B.; Arsie, I.; Meloni, E.; Palma, V.; Pianese, C. Experimental Test on the Feasibility of Passive Regeneration in a Catalytic DPF at the Exhaust of a Light-Duty Diesel Engine. SAE Tech. Pap. Ser. 2019, 1–10. [Google Scholar] [CrossRef]
- Tang, T.; Zhang, J.; Cao, D.; Shuai, S.; Zhao, Y. Experimental study on filtration and continuous regeneration of a particulate filter system for heavy-duty diesel engines. J. Environ. Sci. 2014, 26, 2434–2439. [Google Scholar] [CrossRef] [PubMed]
- Meng, Z.; Zhang, J.; Chen, C.; Yan, Y. A numerical investigation of the diesel particle filter regeneration process under temperature pulse conditions. Heat Mass Transf. 2016, 53, 1589–1602. [Google Scholar] [CrossRef]
- Soltani, S.; Andersson, R.; Andersson, B. The Effect of Exhaust Gas Composition on the Kinetics of Soot Oxidation and Diesel Particulate Filter Regeneration. Fuel 2018, 220, 453–463. [Google Scholar] [CrossRef]
- Chen, K.; Luss, D. Temperature rise during stationary and dynamic regeneration of a diesel particulate filter. Rev. Chem. Eng. 2010, 26, 133–147. [Google Scholar] [CrossRef]
- Yamamoto, K.; Yamauchi, K. Numerical simulation of continuously regenerating diesel particulate filter. Proc. Combust. Inst. 2013, 34, 3083–3090. [Google Scholar] [CrossRef]
- Sarli, V.D.; Benedetto, A.D. Modeling and simulation of soot combustion dynamics in a catalytic diesel particulate filter. Chem. Eng. Sci. 2015, 137, 69–78. [Google Scholar] [CrossRef]
- Mahadevan, B.S.; Johnson, J.H.; Shahbakhti, M. Development of a Catalyzed Diesel Particulate Filter Multi-zone Model for Simulation of Axial and Radial Substrate Temperature and Particulate Matter Distribution. Emiss. Control. Sci. Technol. 2015, 1, 183–202. [Google Scholar] [CrossRef][Green Version]
- Thiengkaew, K.; Khongsup, V.; Wirojsakunchai, E. Sensitivities Of Diesel Particulate Filter Clean And Loading Models. In Proceedings of the 2015 2nd International Conference on Mechatronics and Mechanical Engineering (ICMME 2015), Singapore, 15–16 September 2015; Volume 34, p. 02005. [Google Scholar]
- Douglas, R.; Carberry, B.P. Modelling of oxidation catalysts for two-stroke cycle engines. SAE Trans. 1996, 105, 1179–1191. [Google Scholar]
- Li, L.; Li, G.; Zhu, Z. Oxygenated Diesel Fuels and Their Research Status. Tract. Farm Transp. 2007, 34, 6–9. [Google Scholar]














| Parameter | Value |
|---|---|
| Gas analysis device | MECA-ONE, heated THC analyzer MEXA-1170HFID, FTX-ONE-FTIR |
| Standard gas | Nitrogen, oxygen, propylene, propane, carbon monoxide, nitrogen oxides |
| DOC status | Fresh, degreened |
| DOC volume/L | 2.17 |
| DOC material | Cordierite |
| Composition | Mass Ratio (%) | Air-Fuel Ratio | Calorific Value (MJ/L) | Boiling Point (°C) | Cetane Number | ||
|---|---|---|---|---|---|---|---|
| Carbon | Hydrogen | Oxygen | |||||
| C12~C19 | 87 | 12.6 | 0.4 | 14.7 | 35.6 | 185–380 | 45–55 |
| SV (h−1) | O2 (%) | CO2 (%) | H2O (%) | NO-NO2 (ppm) | CO (ppm) | CxHy (ppm) | |
|---|---|---|---|---|---|---|---|
| Test 1 | 50,000 | 14 | 4 | 5 | 200-0 | 1500 | 140 |
| Test 2 | 80,000 | 14 | 4 | 5 | 200-0 | 1500 | 140 |
| Tact (°C) | T50 (°C) | Molar Concentration Xm (mol·s−1) | ||||
|---|---|---|---|---|---|---|
| C3H6 | C3H8 | C3H6 | C3H8 | C3H6 | C3H8 | |
| Test 1 | 216.5 | 383.5 | 233 | 440 | 3.43 × 10−2 | 5.77 × 10−5 |
| Test 2 | 218.0 | 384.5 | 215 | 460 | 5.19 × 10−2 | 8.88 × 10−5 |
| Parameter | Value |
|---|---|
| DOC specification | 400/4 |
| DOC Carrier diameter (mm) | 190.5 |
| DOC Carrier length (mm) | 76.2 |
| DPF specification | 300/10 |
| DPF Carrier diameter (mm) | 190.5 |
| DPF Carrier length (mm) | 127.0 |
| DPF volume (L) | 3.62 |
| DPF material | Silicon carbide |
| Parameter | Value |
|---|---|
| Engine type | D25TCIF |
| Volume (L) | 2.499 |
| Rated power (kW) | 110 (3000 r min−1) |
| Maximum torque/(N m) | 400 (1200–2400 r min−1) |
| Idle speed (r·min−1) | 800 |
| Maximum speed (r·min−1) | 3300 |
| DOC Carrier diameter (mm) | 190.5 |
| DOC Carrier length (mm) | 76.2 |
| DOC material | Cordierite |
| DOC carrier specification | 400/4 |
| DPF Carrier diameter (mm) | 190.5 |
| DPF Carrier length (mm) | 127 |
| DPF material | Cordierite |
| DPF carrier specification | 300/10 |
| Test | DOC Inlet Temperature (°C)/ | Exhaust Mass Flow (g s−1) | O2 Concentration (%) | Initial Soot (g) | Maximum Temperature (°C) |
|---|---|---|---|---|---|
| 1 | 400 | 50 | 7 | 10 | 603.2 |
| 2 | 400 | 50 | 7 | 15.5 | 607.7 |
| 3 | 400 | 50 | 7 | 21.9 | 619.1 |
| 4 | 400 | 50 | 7 | 36.5 | 677.1 |
| 5 | 400 | 50 | 7 | 46 | 801.1 |
| 6 | 400 | 50 | 7 | 56 | 908.8 |
| Test 1 | Test 2 | Test 3 | Test 4 | Test 5 | Test 6 | |
|---|---|---|---|---|---|---|
| O2 concentration (%) | 3 | 5 | 7 | 9 | 11 | 13 |
| Regeneration target temperature (°C) | 600 | 600 | 600 | 600 | 600 | 600 |
| DOC inlet temperature (°C) | 400 | 400 | 400 | 400 | 400 | 400 |
| Exhaust mass flow rate (g/s) | 50 | 50 | 50 | 50 | 50 | 50 |
| Initial soot loading quantity | 20 | 20 | 20 | 20 | 20 | 20 |
| Regeneration fuel quantity (mg/s) | 361.9 | 361.9 | 361.9 | 361.9 | 361.9 | 361.9 |
| Maximum temperature inside DPF (°C) | 393.3 | 515.7 | 616.8 | 632.6 | 632.3 | 632.4 |
| Parameter | Soot Quantity: 15.5 g | Soot Quantity: 21.9 g | Soot Quantity: 36.5 g |
|---|---|---|---|
| Test result TC 1 1 (°C) | 606.0 | 605.4 | 604.4 |
| Simulation result S2 (°C) | 604.2 | 605.7 | 610.1 |
| Difference between TC1 and S2 (°C) | 1.8 | −0.3 | −5.7 |
| Relative error (%) | 0.3 | −0.05 | −0.9 |
| Test result TC (°C) | 599.2 | 601.2 | 601.1 |
| Simulation result S4 (°C) | 605.2 | 609.7 | 623.2 |
| Difference between TC6 and S4 (°C) | −6.0 | −8.5 | −22.1 |
| Relative error (%) | −1.0 | −1.4 | −3.7 |
| Test result TC 7 (°C) | 609.3 | 620.3 | 655.6 |
| Simulation result S6 (°C) | 606.7 | 615.3 | 648.4 |
| Difference between TC7 and S6 (°C) | 2.6 | 5.0 | 7.2 |
| Relative error (%) | 0.4 | 0.8 | 1.1 |
Publisher’s Note: MDPI stays neutral with regard to jurisdictional claims in published maps and institutional affiliations. |
© 2021 by the authors. Licensee MDPI, Basel, Switzerland. This article is an open access article distributed under the terms and conditions of the Creative Commons Attribution (CC BY) license (https://creativecommons.org/licenses/by/4.0/).
Share and Cite
Shi, X.; Jiang, D.; Wang, Q.; Liang, Y. Impact Factors Analysis of Diesel Particulate Filter Regeneration Performance Based on Model and Test. Processes 2021, 9, 1748. https://doi.org/10.3390/pr9101748
Shi X, Jiang D, Wang Q, Liang Y. Impact Factors Analysis of Diesel Particulate Filter Regeneration Performance Based on Model and Test. Processes. 2021; 9(10):1748. https://doi.org/10.3390/pr9101748
Chicago/Turabian StyleShi, Xiuyong, Degang Jiang, Qiwei Wang, and Yunfang Liang. 2021. "Impact Factors Analysis of Diesel Particulate Filter Regeneration Performance Based on Model and Test" Processes 9, no. 10: 1748. https://doi.org/10.3390/pr9101748
APA StyleShi, X., Jiang, D., Wang, Q., & Liang, Y. (2021). Impact Factors Analysis of Diesel Particulate Filter Regeneration Performance Based on Model and Test. Processes, 9(10), 1748. https://doi.org/10.3390/pr9101748
