A Reference-Model-Based Artificial Neural Network Approach for a Temperature Control System
Abstract
1. Introduction
2. Configuration of ANN with Reference Model System
2.1. Controlled Object with Time Delay
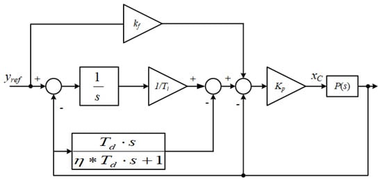
2.2. Conventional I-PD Control
2.3. ANN Controller
2.4. Reference Model-Based ANN Control System
3. Simulation Results
3.1. Comparison Simulation with Conventional Error Feedback ANN Method
3.2. Experimental Setup and System Identification
3.3. Simulation Results
4. Experimental Results
5. Conclusions
Author Contributions
Funding
Acknowledgments
Conflicts of Interest
References
- Suda, N. PID Control; Asakura Publishing: Tokyo, Japan, 1992. [Google Scholar]
- Oshima, M. Process Control Systems; Corona Publishing: New York, NY, USA, 2003. [Google Scholar]
- Goodwin, G.C.; Fraebe, S.F.; Salgado, M.E. Control System Design; Prentice Hall: Upper Saddle River, NJ, USA, 2001. [Google Scholar]
- Morari, M.; Zafiriou, E. Robust Process Control; Prentice Hall: Upper Saddle River, NJ, USA, 1992. [Google Scholar]
- Maciejowski, J.M. Multivariable Feedback Design; Addison Wesley: Boston, MA, USA, 1989. [Google Scholar]
- Ko, J.S.; Huh, J.H.; Kim, J.C. Improvement of Temperature Control Performance of Thermoelectric Dehumidifier Used Industry 4.0 by the SF-PI Controller. Processes 2019, 7, 98. [Google Scholar] [CrossRef]
- Song, B.Q.; Mills, J.K.; Liu, Y.H.; Fan, C.Z. Nonlinear Dynamic Modeling and Control of a Small-Scale Helicopter. Int. J. Control Automat. Syst. 2010, 8, 534–543. [Google Scholar] [CrossRef]
- Fujimori, A.; Ohara, S. Order Reduction of Plant and Controller in Closed Loop Identification based on Joint Input-Output Approach. Int. J. Control Automat. Syst. 2017, 15, 1217–1226. [Google Scholar] [CrossRef]
- Yao, Y.; Yang, K.; Huang, M.; Wang, L. A state-space model for dynamic response of indoor air temperature and humidity. Build. Environ. 2013, 64, 26–37. [Google Scholar] [CrossRef]
- Yao, Y.; Yang, K.; Huang, M.; Wang, L. A technique for identification of linear systems. IEEE Trans. Autom. Control 1965, AC-10, 461–464. [Google Scholar]
- Fliess, M.; Marquez, R.; Mounier, H. An extension of predictive control: PID regulators and Smith predictors to some linear delay systems. Int. J. Control 2002, 75, 728–743. [Google Scholar] [CrossRef]
- Bai, J.; Wang, S.; Zhang, X. Development of an adaptive Smith predictor-basedself-tuning PI controller for an HVAC system in an experiment room. Energy Build. 2008, 40, 2244–2252. [Google Scholar] [CrossRef]
- Xu, M.; Li, S. Practical generalized predictive control with decentralized identification approach to HVAC systems. Energy Convers. Manag. 2007, 48, 292–299. [Google Scholar] [CrossRef]
- Zhang, J. Experimental study on a novel fuzzy control method for static pressure reset based on the maximum damper position feedback. Energy Build. 2015, 108, 215–222. [Google Scholar] [CrossRef]
- Afram, A.; Janabi-Sharifi, F. Theory and applications of HVAC control systems—Areview of model predictive control (MPC). Build. Environ. 2014, 72, 343–355. [Google Scholar] [CrossRef]
- Gao, Z.; Nguang, S.K.; Kong, D.X. Data-driven approaches for complex industrial systems. IEEE Trans. Ind. Inform. 2013, 9, 2210–2212. [Google Scholar] [CrossRef]
- Gao, Z.; Nguang, S.K.; Kong, D.X. Advances in Modelling, Monitoring, and Control for Complex Industrial Systems. Complexity 2019, 2019, 2975083. [Google Scholar] [CrossRef]
- Ryu, S.H.; Moon, H.J. Development of an occupancy prediction model using indoor environmental data based on machine learning techniques. Build. Environ. 2016, 107, 1–9. [Google Scholar] [CrossRef]
- Megri, A.C.; Naqa, I.E. Prediction of the thermal comfort indices using improved support vector machine classifiers and nonlinear kernel functions. Indoor Built Environ. 2016, 25, 6–16. [Google Scholar] [CrossRef]
- Badia, M.; McCarthy, R. Data estimation methods for predicting temperatures of fruit in refrigerated containers. Biosyst. Eng. 2016, 151, 251–272. [Google Scholar]
- Mercier, S.; Marcos, B. Identification of the best temperature measurement position inside a food pallet for the prediction of its temperature distribution. Int. J. Refrig. 2017, 76, 147–159. [Google Scholar] [CrossRef]
- Badia, M.; Qian, J.P.; Fan, B.L. Artificial neural networks and thermal image for temperature prediction in apples. Food Bioprocess Technol. 2012, 9, 1089–1099. [Google Scholar] [CrossRef]
- Nunes, M.C.N.; Nicometo, M.; Emond, J.P.; Badia-Melis, R.; Uysal, I. Improvement in fresh fruit and vegetable logistics quality: Berry logistics field studies. Philos. Trans. R. Soc. A Math. Phys. Eng. Sci. 2014, 372, 20130307. [Google Scholar] [CrossRef]
- Raab, V.; Petersen, B.; Kreyenschmidt, J. Temperature monitoring in meat supply chains. Br. Food J. 2011, 113, 1267–1289. [Google Scholar] [CrossRef]
- Katic, K.; Li, R.L.; Verharrt, J.; Zeiler, W. Neural network based predictive control of personalized heating systems. Energy Build. 2018, 174, 199–213. [Google Scholar] [CrossRef]
- Li, X.M.; Zhao, T.Y.; Zhang, J.L.; Chen, T.T. Predication control for indoor temperature time-delay using Elman neural network in variable air volume system. Energy Build. 2017, 154, 545–552. [Google Scholar] [CrossRef]
- Mercier, S.; Uysal, I. Neural network models for predicting perishable food temperatures along the supply chain. Biosyst. Eng. 2018, 171, 91–100. [Google Scholar] [CrossRef]
- Thenozhi, S.; Yu, W. Stability analysis of active vibration control of building structures using PD/PID control. Eng. Struct. 2014, 81, 208–218. [Google Scholar] [CrossRef]
- Guerrero, J.; Torres, J.; Creuze, V.; Chemori, A.; Campos, E. Saturation based nonlinear PID control for underwater vehicles: Design, stability analysis and experiments. Mechatronics 2019, 61, 96–105. [Google Scholar] [CrossRef]
- Ziegler, J.G.; Nichols, N.B. Optimum settings for automatic controllers. Trans. ASME 1942, 64, 759–768. [Google Scholar] [CrossRef]










© 2020 by the authors. Licensee MDPI, Basel, Switzerland. This article is an open access article distributed under the terms and conditions of the Creative Commons Attribution (CC BY) license (http://creativecommons.org/licenses/by/4.0/).
Share and Cite
Xu, S.; Hashimoto, S.; Jiang, Y.; Izaki, K.; Kihara, T.; Ikeda, R.; Jiang, W. A Reference-Model-Based Artificial Neural Network Approach for a Temperature Control System. Processes 2020, 8, 50. https://doi.org/10.3390/pr8010050
Xu S, Hashimoto S, Jiang Y, Izaki K, Kihara T, Ikeda R, Jiang W. A Reference-Model-Based Artificial Neural Network Approach for a Temperature Control System. Processes. 2020; 8(1):50. https://doi.org/10.3390/pr8010050
Chicago/Turabian StyleXu, Song, Seiji Hashimoto, YuQi Jiang, Katsutoshi Izaki, Takeshi Kihara, Ryota Ikeda, and Wei Jiang. 2020. "A Reference-Model-Based Artificial Neural Network Approach for a Temperature Control System" Processes 8, no. 1: 50. https://doi.org/10.3390/pr8010050
APA StyleXu, S., Hashimoto, S., Jiang, Y., Izaki, K., Kihara, T., Ikeda, R., & Jiang, W. (2020). A Reference-Model-Based Artificial Neural Network Approach for a Temperature Control System. Processes, 8(1), 50. https://doi.org/10.3390/pr8010050

