Next Article in Journal
Experimental Identification of the Pyrolysis Stages of Carya illioinensis Woody Pruning Waste in a Batch Reactor Heated by a Solar Simulator
Previous Article in Journal
Freeze-Drying and Convective Drying of the Underutilized Red Seaweed Sarcodiotheca gaudichaudii: A Comparative Study on Key Chemical Parameters and Biological Activities
 
 
Font Type:
Arial Georgia Verdana
Font Size:
Aa Aa Aa
Line Spacing:
Column Width:
Background:
Article

A Genetic Programming-Based Method to Derive Self-Optimizing Control Schemes for Dividing-Wall Columns

College of Information Science and Technology, Beijing University of Chemical Technology, Beijing 100029, China
*
Authors to whom correspondence should be addressed.
Processes 2026, 14(1), 64; https://doi.org/10.3390/pr14010064
Submission received: 17 November 2025 / Revised: 14 December 2025 / Accepted: 15 December 2025 / Published: 24 December 2025
(This article belongs to the Topic Advances in Green Energy and Energy Derivatives)

Abstract

Self-optimizing control (SOC) aims to maintain controlled variables associated with system energy consumption at constant setpoints, thereby enabling near-optimal operation under various disturbance conditions. A core challenge in SOC scheme design is the selection of appropriate self-optimizing controlled variables (SOCVs). To address this challenge, a genetic programming (GP)-based method is proposed to identify linear combinations of process variables that minimize energy consumption, which enhances the scientific rigor and efficiency of SOCV selection. The proposed method is validated through a case study involving a dividing-wall column (DWC) for the separation of an ethanol-propanol-butanol ternary mixture. The derived SOC scheme incorporates three concentration-temperature cascade control loops to ensure the maintenance of product purities, alongside a temperature-inferential SOC loop dedicated to energy minimization. In this SOC loop, the liquid split ratio serves as the manipulated variable, while the GP-derived SOCV is a linear combination of temperatures from three sensitive stages. Closed-loop simulation results confirm that the proposed SOC scheme achieves stable and energy-efficient operation across multiple disturbance scenarios. Notably, compared with conventional control schemes featuring fixed liquid split ratios or single-temperature SOCVs, the proposed scheme eliminates the need for additional temperature measurements while realizing reduced energy consumption.

1. Introduction

In the field of process control, ensuring the operational stability and product quality consistency of industrial processes has long been regarded as a core fundamental requirement. However, with the increasing global emphasis on energy conservation, carbon emission reduction, and sustainable manufacturing, the modern process industry is gradually pursuing higher-level control objectives. A new direction has emerged, one that involves minimizing operational energy consumption to the greatest extent possible while maintaining product quality, thereby enhancing the overall economic and environmental performance of the system. To meet this demand, advanced control technologies such as model predictive control (MPC) and real-time optimization (RTO) have been developed and applied. MPC operates on the principle of leveraging a mathematical process model to predict the system’s dynamic responses over a future horizon, then iteratively optimizing the control input sequence in a rolling manner while satisfying process constraints to drive the system toward setpoints and optimize operational performance [1]. Having established a pivotal role in chemical process control, MPC excels at addressing multi-variable coupling and complex operational constraints, as supported by foundational and review studies in the field [2,3]. Similarly grounded in a process model-based framework, RTO focuses on real-time adjustment of process operating setpoints to optimize economic or environmental objectives. It has emerged as a prominent research hotspot in recent years, with gradual industrial deployment underpinned by theoretical advancements and practical validation [4,5]. Notably, in recent advancements, a range of artificial intelligence methods have been increasingly integrated into RTO’s modeling and optimization processes, marking a key trend in enhancing its adaptability and performance [6]. These technologies have demonstrated significant advantages in industrial practice; however, they generally rely on complex modeling processes, require substantial computational resources for real-time operation, and impose strict requirements on the maintenance of model accuracy. This characteristic greatly limits their application flexibility in scenarios where process parameters fluctuate frequently or modeling conditions are harsh.
Against this backdrop, self-optimizing control (SOC) has emerged as an ideal alternative for achieving near-optimal process operation [7,8], thanks to its more straightforward implementation. The concept of SOC was first formally proposed by Skogestad in 2000 [9]. Unlike MPC and RTO, SOC does not require complex online optimization calculations or high-fidelity dynamic process models. Its core feature lies in offline identifying a set of self-optimizing controlled variables (SOCVs) that have a direct and stable correlation with the system’s optimal operating state, enabling online operation via standard PI/PID controllers without real-time optimization or high-fidelity dynamic models. Subsequent studies have advanced SOC in distinct technical directions. One direction is to refine SOC’s design methods and apply them to various controlled units. For example, Ye and Skogestad [10] extended static SOC to dynamic unconstrained batch processes through the development of a structure-constrained controlled variable selection approach with a convex formulation, validated in fed-batch reactors and batch distillation columns. Schultz et al. [11] emphasized the critical role of nominal operating point selection, proposing a method to simultaneously optimize SOCVs and their setpoints, thereby significantly reducing worst-case and average economic losses in reactor-distillation and cumene production processes. Alves et al. [12] developed metamodel-based numerical techniques for SOC, using the Kriging method to build surrogate models that simplify the selection of optimal controlled variables for large-scale nonlinear processes. The other direction focuses on integrating SOC with existing control frameworks or the early design stage. Graciano et al. [13] integrated SOC with RTO/MPC via a zone control strategy, addressing suboptimal operation induced by low-frequency RTO setpoint updates and validating it in ammonia production and BTX separation processes. Zhang et al. [14] systematically embedded SOC into the early plant design phase by incorporating process structural, parametric, and control-related variables, verifying its effectiveness in an extractive distillation process with preconcentration. These advances collectively broaden SOC’s applicability and enhance its performance, further solidifying its role as a versatile alternative to complex advanced control technologies.
Nevertheless, despite its prominent advantages, the practical application of SOC still faces a core bottleneck: the rational selection of SOCVs. The performance of SOC largely depends on whether the selected SOCVs can accurately reflect the system’s optimal operating state. If the SOCVs are improperly selected, maintaining them at constant values will not only fail to achieve energy savings but may even lead to deviations in product quality or operational instability. Traditional SOCV selection methods mostly rely on engineering experience or heuristic rules [15], lacking a systematic approach and scientific rigor. This issue is more pronounced in complex multi-variable processes.
To address the above problem, this paper proposes an SOCV selection method based on the genetic programming (GP) algorithm and provides a detailed explanation with a case study on the control of a dividing-wall column (DWC) separating an ethanol (E)/propanol (P)/butanol (B) ternary mixture. The structure of this paper is organized as follows: Section 2 elaborates on the GP-based SOC scheme design method; Section 3 introduces the DWC case and evaluates the effectiveness of the proposed GP-based method with this case; Section 4 conducts relevant discussions; and Section 5 presents the research conclusions.

2. A GP-Based Design Method for SOC Schemes

2.1. Drawbacks of the Conventional Design Method for SOC Schemes

Conventional design methods for SOC schemes can be roughly divided into two categories, with significant differences in their core ideas and operational logic.
The first category is the mechanism analysis-based SOCV selection method. Its core logic relies on professionals’ in-depth mechanistic understanding of the process. From a large number of process variables, it directly selects variables that have an inherent correlation with the system’s optimal state as SOCVs [16]. A prominent feature of this method is that it does not require complex variable processing or numerical calculations. However, it is highly dependent on professional expertise, imposing strict requirements on the designer’s understanding of process mechanisms. In the case of new processes or processes with incompletely clarified mechanisms, this method often fails to be effectively applied.
The second category is the numerical analysis-based SOCV selection method. The operational logic of this method involves first screening out several process variables that may be related to the optimal state of system based on basic process mechanisms. Then, fixed coefficients are set through empirical assignment or simple numerical trial calculations, and these variables are combined into a composite SOCV in a linear or simple nonlinear form [17]. Compared with the mechanism analysis-based method, this method effectively reduces reliance on professional knowledge, but it still has unresolved issues: first, the screening of potential combination forms lacks a systematic approach. There are numerous variables and combination methods available in the process, and it is difficult to fully traverse all possible combinations, which easily leads to the omission of better SOCV forms; second, the coefficient setting lacks a scientific basis. Whether through empirical assignment or simple trial calculations, there is no clear theoretical support or quantitative standard, making it impossible to ensure that the set coefficients maximize the correlation between the composite SOCV and the system’s optimal operating point. Nevertheless, due to its characteristics of relying on data calculation and reducing subjective intervention, the numerical analysis method has gradually become an important direction for optimizing SOCV design.

2.2. Principle of the GP-Based Design Method for SOC Schemes

2.2.1. Method Overview

As mentioned earlier, although the numerical analysis-based SOCV selection method has application potential, traditional approaches are limited by manually dominated variable combination and coefficient setting, lacking a systematic optimization framework. GP, as an intelligent optimization algorithm based on the principle of biological evolution, has a core advantage: it can generate mathematical expressions that meet target requirements through iterative evolution, without the need for manual prespecification of variable combination forms or coefficients [18]. This characteristic precisely matches the core requirement of “multi-variable combination optimization” in SOCV design, making it particularly suitable for the screening and construction of SOCVs.
Figure 1 shows the core principle of the GP-based SOCV selection method. In this example: The terminal set includes 4 candidate process variables screened from the process, denoted as x 1 , x 2 , x 3 , and x 4 . The function set covers three basic arithmetic operations, i.e., addition, subtraction, and multiplication, which can accommodate common linear and simple nonlinear combination forms in SOCV design; For disturbance scenarios, it is assumed that n typical types of disturbances need to be focused on, denoted as d 1 d n ; The fitness function of tree individuals is defined as follows:
F i t n e s s = i = 1 n f ( x 1 , x 2 , x 3 , x 4 ) d i f ( x 1 , x 2 , x 3 , x 4 ) s s
In the formula, f ( x 1 , x 2 , x 3 , x 4 ) represents the concerned SOCV; f ( x 1 , x 2 , x 3 , x 4 ) s s denotes the reference value of this SOCV when the system is in a steady-state condition without disturbances, serving as a benchmark for measuring the stability of the SOCV under disturbance scenarios; f ( x 1 , x 2 , x 3 , x 4 ) d i represents the calculated value of the SOCV under the d i disturbance scenarios. Specifically, when the system is subjected to d 1 d i disturbances, it is first necessary to ensure that the controlled system meets preset control requirements (such as product quality standards), and that the system still operates at the optimal operating point. The SOCV value is then calculated based on this state. From a physical perspective, the value of the fitness function directly reflects the tracking ability of the SOCV to the optimal operating point. A smaller fitness value indicates a smaller deviation between the calculated SOCV value under the concerned disturbance scenarios and the reference value under steady-state, meaning the SOCV can still accurately align with the system’s optimal operating point when facing external disturbances. When calculating the fitness value of the SOCV under consideration, steady-state simulations are conducted to obtain its values in both the steady-state condition and various disturbance scenarios, which are then substituted into Equation (1) to derive the final fitness result.

2.2.2. Calculation Process

The calculation principle of GP is similar to that of the conventional genetic algorithm (GA), mainly including three steps: selection, crossover, and mutation. In the population initialization stage, based on the terminal set and the function set, an initial population composed of syntax trees is randomly generated using the growth method, where each syntax tree corresponds to a candidate composite SOCV. In the selection stage: first, all types of concerned disturbance scenarios are simulated for each candidate SOCV; on the premise of ensuring that product quality meets process requirements, the calculated SOCV values under each disturbance and the steady-state value are obtained, and these values are substituted into the fitness function to calculate the fitness value; then, the tournament selection strategy is adopted: randomly select a set of individuals from high-quality individuals to form a tournament group, select the individual with the smallest fitness value in the group to enter the parent pool, and repeat this process until the size of the parent pool is consistent with that of the initial population. In the crossover stage: with a specific crossover probability, two parent syntax trees are randomly selected from the parent pool; a subtree is randomly chosen as the crossover segment, and the segments are exchanged to generate two new offspring syntax trees, realizing the recombination of excellent expression features. In the mutation stage: with a specific mutation probability, offspring syntax trees are randomly selected, and one of their nodes is modified to introduce new expression mutations. The selection, crossover, and mutation processes are repeated until the preset number of iterations is reached. At this point, the expression corresponding to the syntax tree with the smallest fitness value in the population is the optimal composite SOCV obtained through GP optimization. This SOCV can not only accurately reflect the system’s optimal state under steady conditions but also maintain stability under typical disturbance scenarios. Meanwhile, it requires no manual intervention in variable combination and coefficient setting, fully conforming to the design requirements for SOCVs in self-optimizing control systems.

3. Employing the GP-Based Design Method to Derive a SOC Scheme for the DWC Separating an E/P/B Ternary Mixture

3.1. Steady State Design of the DWC Separating the Ternary Mixture of E/P/B

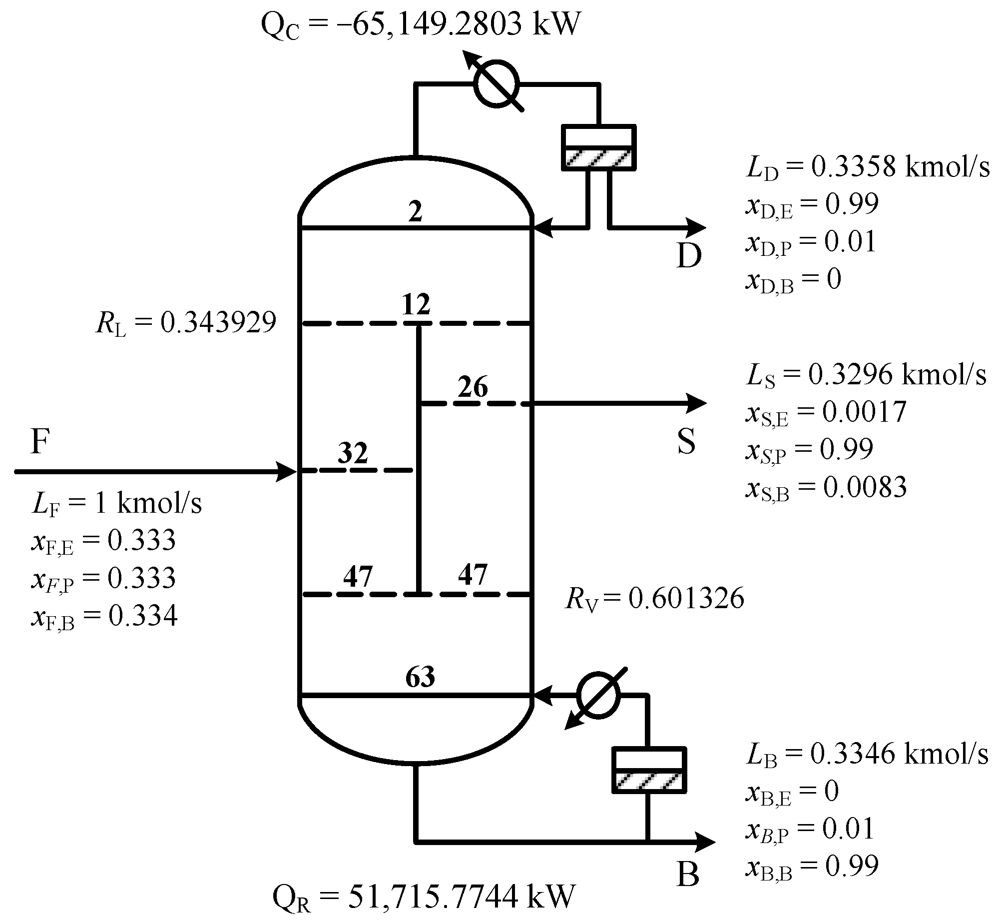
To evaluate the effectiveness of the proposed GP-based SOC scheme design method, this study conducts a case study using a DWC dedicated to separating the ternary mixture of E/P/B (EPB DWC). Under standard atmospheric pressure, the boiling points of E, P, and B are 351.6 K, 370.3 K, and 390.8 K, respectively. This DWC is set with a top pressure of 1 atm and a pressure drop of 0.0068 atm per stage. It employs a bubble-point feed mode, where the molar compositions of E, P, and B are 0.333, 0.333, and 0.334 in sequence, with a total feed flow rate of 1 kmol/s. The three components are extracted from the column top, the side stream of the main column, and the column bottom, respectively, and all products must meet a purity requirement of 99 mol%.
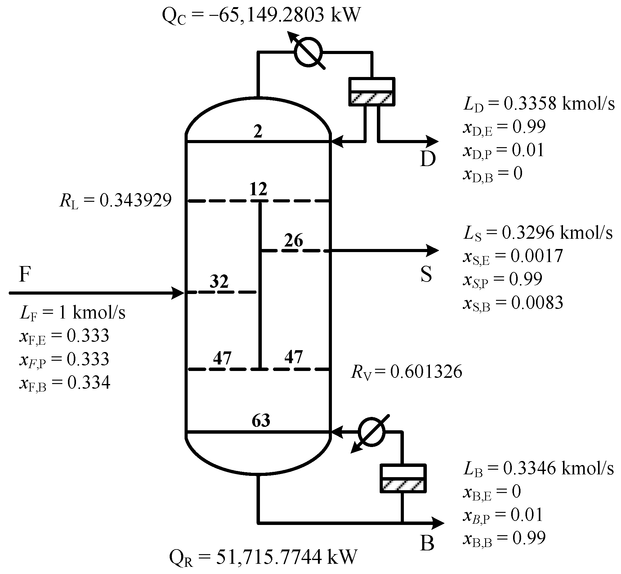
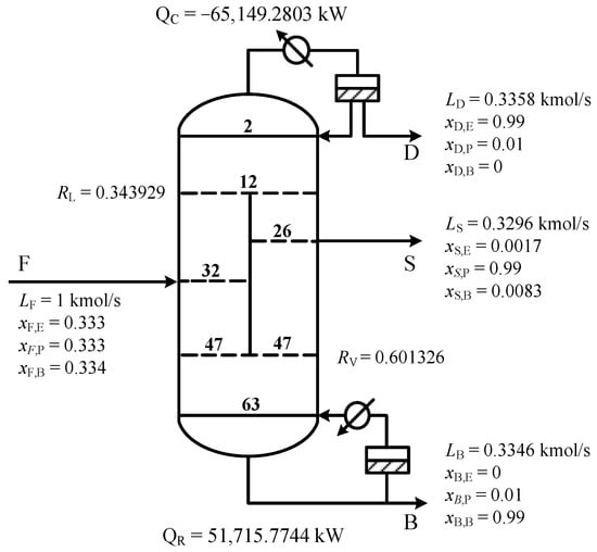
The separation process of this DWC is simulated using Aspen Plus V12 software. The UNIFAC thermodynamic model is employed to characterize the phase equilibrium of the EPB ternary system, and a four-column structure is adopted to construct the DWC model because Aspen Plus lacks a dedicated DWC module for direct modeling. In this study, the number of stages in the prefractionator and the main column section on both sides of the dividing wall is set to be the same. The optimization problem is solved using the classic grid search method, and the optimal design structure is shown in Figure 2. The prefractionator contains 35 stages, while the main column contains 64 stages. The common rectifying section has 12 stages, and the common stripping section has 17 stages. The vapor split ratio ( R V ) is 0.601326, and the liquid split ratio ( R L ) is 0.343929. The condenser heat duty ( Q C ) is −65,149.2803 kW, and the reboiler heat duty ( Q R ) is 51,715.7744 kW. This steady-state design scheme is similar to the one in our previous study [19]. The only difference is that a smaller step size is adopted for optimizing the two continuous variables, R L and R V , in this work, leading to more accurate optimization results than the previous scheme.
Subsequently, the steady-state DWC model established in Aspen Plus is further converted to a dynamic model in Aspen Dynamics. Prior to this conversion, critical preprocessing steps including tray sizing and pressure checks were completed in Aspen Plus following the standardized methodology outlined in Luyben’s authoritative work. For the dynamic model, a liquid holdup time of 5 min was specified for both the reflux drum and column bottom.

3.2. Conventional SOC Scheme for the EPB DWC

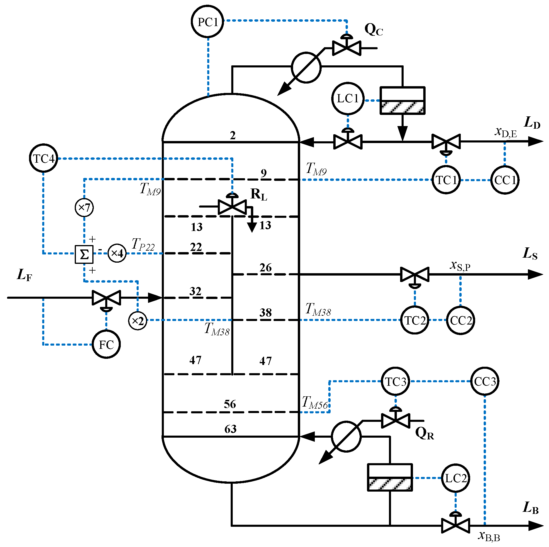
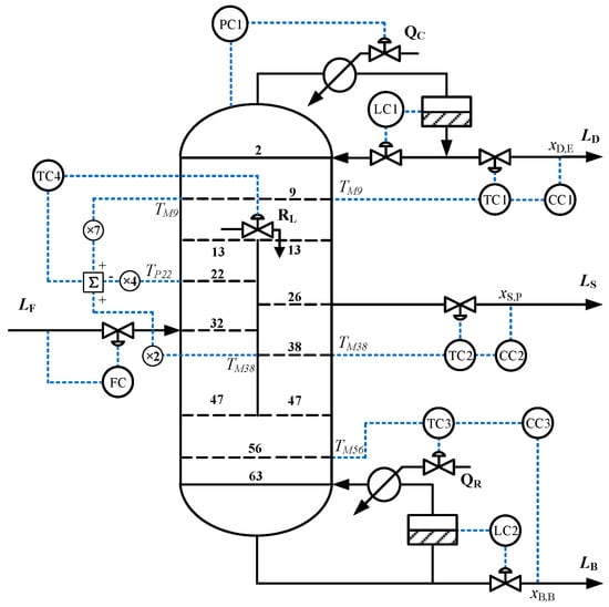
The basic control objective of EPB DWC is to ensure that the purities of the top, side stream, and bottom products meet their specifications. Except for the manipulated variables that must be used to maintain the feed flow rate, top column pressure, reflux drum level, and column bottom level, there are a total of four manipulated variables available in the EPB DWC for achieving this basic control objective, which are the distillate flow rate L D , side stream product flow rate L S , Q R , and R L . To clarify the correlation between each manipulated variable and the stage temperatures, a sensitivity analysis was conducted. Each of these four manipulated variables was varied by ±0.1%, respectively, and the analysis results are shown in Figure 3. The results indicate that the sensitive stage corresponding to the L D is stage 9 of the main column ( T M 9 ), the sensitive stage corresponding to the L S is stage 38 of the main column ( T M 38 ), the sensitive stage corresponding to the Q R is stage 56 of the main column ( T M 56 ), and the sensitive stage corresponding to the R L is stage 22 of the prefractionator ( T P 22 ).
If the control objective focuses solely on maintaining the purities of three products of the EPB DWC, a concentration-temperature cascade control scheme can be easily derived by combining the aforementioned sensitivity analysis results. As shown in Figure 4a, this control scheme is denoted CS-I. In this control scheme: The CC1-TC1 cascade control loop adjusts the L D to influence T M 9 , thereby maintaining the purity of the top product ( x D , E ); The CC2-TC2 cascade control loop adjusts the L S to influence T M 38 , thereby maintaining the purity of the side stream product ( x S , P ); The CC3-TC3 cascade control loop adjusts the Q R to influence T M 56 , thereby maintaining the purity of the bottom product ( x B , B ). These three cascade control loops work synergistically to collectively achieve the control objective of maintaining the purities of the top, side stream, and bottom products in the DWC.
It should be noted that CS-I only utilizes three out of the four available manipulated variables. The remaining R L still has regulatory potential and can be further used to construct a SOC loop, upgrading the system from basic control of only maintaining product purities to SOC. According to the research of Ling and Luyben [20], strictly controlling the concentration of the heavy component at the top of the prefractionator can effectively prevent the heavy component from entering the main column through the top of the dividing wall, thereby maintaining the optimal operation of the DWC. Based on this, by introducing an additional temperature inferential control loop into CS-I, the R L as the manipulated variable and the T P 22 as the controlled variable—a conventional SOC scheme can be formed, which is denoted as CS-II.

3.3. Deriving a SOC Scheme with the GP-Based Method for the EPB DWC

When designing a SOC loop using the GP-based method, the first task is to identify the core disturbance scenarios of concern. Considering that changes in feed composition are a key factor affecting the optimal operation of the system, and fully taking into account the nonlinear characteristics of the EPB DWC, this study selects three feed components with ±5% and ±10% fluctuations as disturbance conditions, setting a total of 12 disturbance scenarios, i.e., E+5% (the concentration of component E in the feed increases by 5%, while the ratio between the other components remains unchanged), E−5%, P+5%, P−5%, B+5%, B−5%, E+10%, E−10%, P+10%, P−10%, B+10%, B−10%. Under these 12 disturbance scenarios, with the constraint that the purity of the three products is maintained at 99%, the optimal operating point for each scenario is determined by adjusting the R L , and the specific results are shown in Table 1. Meanwhile, the temperature profile in the column under each optimal operating scenario is recorded to provide a basis for subsequent fitness value calculation.
Employing the GP-based method to search for the SOCV for the R L , the terminal set is set to the sensitive stage temperatures corresponding to the L D , L S , Q R , and R L , i.e., T M 9 , T M 38 , T M 56 , and T P 22 . Compared with the conventional SOC scheme CS-II, this setup does not require additional sensors, thus having stronger engineering practicability. The function set only includes the three arithmetic operations, i.e., addition, subtraction, and multiplication, to cover common linear and simple nonlinear combination forms in SOCV design, and division is excluded to avoid numerical instability caused by small denominators. The algorithm parameters are configured as follows: population size of 60, maximum number of evolutionary generations of 50, crossover rate of 0.6, and node mutation rate of 0.1. This parameter combination is determined through multiple rounds of independent optimization runs, aiming to balance search efficiency and solution diversity, ensuring that the algorithm can effectively explore the entire solution space and avoid falling into local optima.
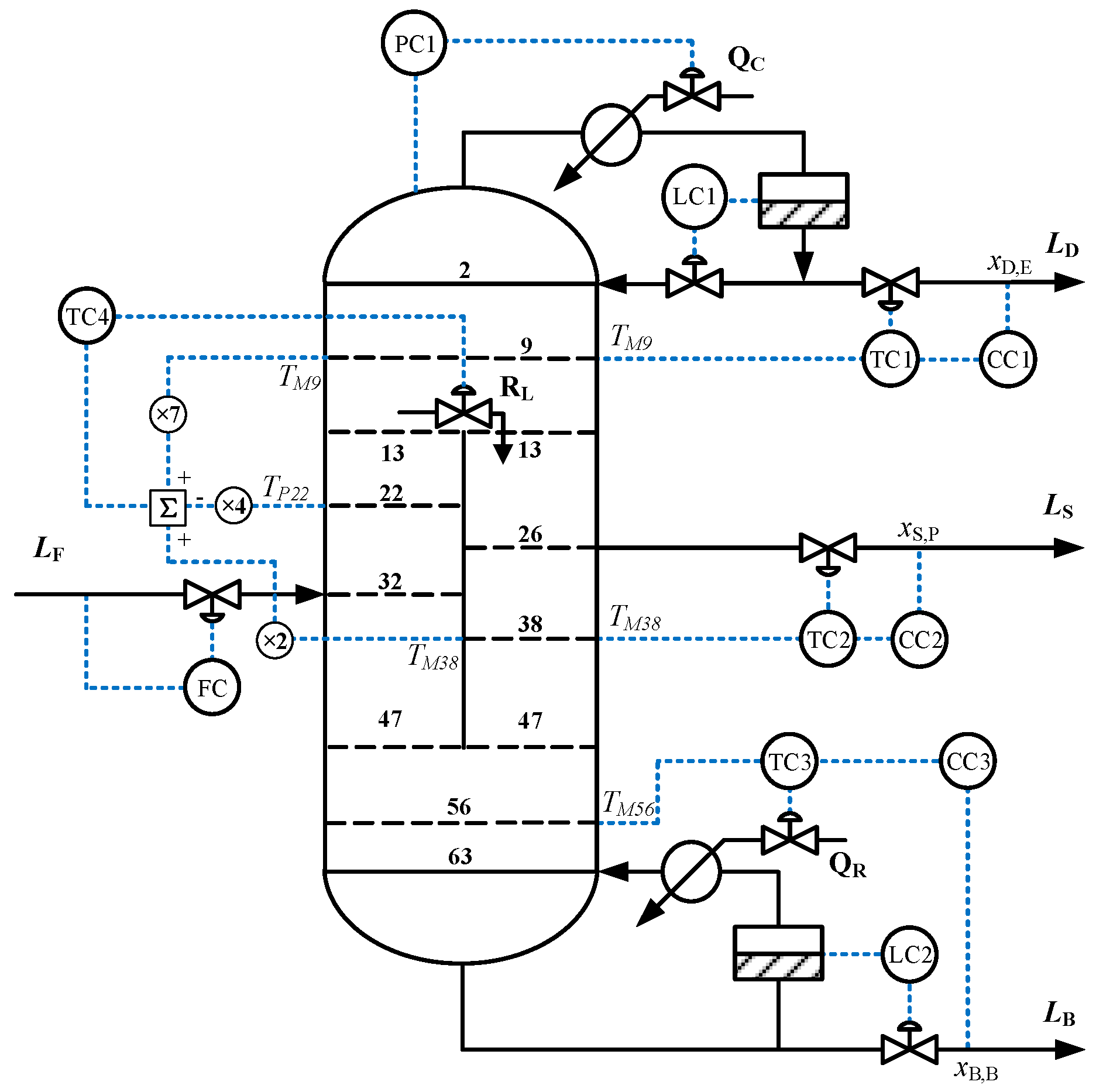
The optimization process is shown in Figure 5, where the vertical axis represents the minimum fitness value in each generation of the population. It can be seen that the evolutionary process tends to converge after about 20 generations. Finally, the SOCV expression corresponding to the R L is obtained as 2 × T M 38 4 × T P 22 + 7 × T M 9 . The SOC scheme derived based on this result is shown in Figure 6, denoted CS-III. The most prominent difference between CS-III and CS-II is that the controlled variable of the TC4 control loop is replaced from T P 22 with the combination of sensitive stage temperatures ( 2 × T M 38 4 × T P 22 + 7 × T M 9 ) obtained via the GP-based SOCV selection method, while all other control loops remain unchanged.

3.4. Comparisons of the Conventional SOC Schemes and the SOC Scheme Derived by the GP-Based Method for the EPB DWC

To fully evaluate the effectiveness of the proposed GP-based SOC design method, this study compares the control performance of the derived CS-III with that of CS-I and CS-II. For the fairness of comparison, the same control system settings were adopted in these three control schemes. All control loops adopt PI controllers; the dead time of temperature measurements is set to 1 min, and that of concentration measurements is set to 3 min. The controller parameter tuning is performed using the Tyreus-Luyben rule [21]. The specific tuning results are summarized in Table 2.
To analyze the closed-loop control performance under feed composition disturbances, Figure 7 and Figure 8 present the closed-loop response characteristics of the EPB DWC system after the feed components E, P, and B are subjected to ±5% and ±10% step disturbances, respectively. The black line denotes positive disturbance, and the gray line denotes negative disturbance. As can be seen from the figures, except the fact that the purity of side stream product x S , P in CS-I fails to return to the setpoint when encountering E−10% and B+10% disturbances, the product purities of the three control schemes in other disturbances can recover to stability within a certain period. Compared with CS-I and CS-II, CS-III exhibits a faster response speed, with the shortest settling time and the smallest overshoot. The dynamic performance of the system is significantly improved, which fully verifies the superiority and effectiveness of the proposed GP-based SOC scheme in coping with various disturbances.
Table 3 lists the steady-state value of Q R of the EPB DWC with CS-I, CS-II and CS-III after the feed components E, P, and B are subjected to ±5% and ±10% step disturbances, respectively. The data show that when the feed components are disturbed by ±5%, the average Q R of CS-III and CS-II are reduced by 92.2217 kW and 28.5720 kW as compared to CS-I, respectively. When the disturbance amplitude increases to ±10%, the average Q R of CS-III and CS-II are reduced by 3256.8018 kW and 2928.5473 kW as compared to CS-I, respectively. This indicates that CS-III has obvious advantages over CS-I and CS-II in energy consumption control, and the energy-saving effect becomes more significant with the increase in disturbance amplitude. The results further confirm the excellent energy-saving performance of the proposed GP-based SOC scheme under different disturbance conditions. It can not only effectively reduce system energy consumption but also improve system robustness, ensuring that the system maintains efficient and stable operation even under large-amplitude disturbances.
The effectiveness of the method is fully verified in the EPB DWC case study. Under 12 feed composition disturbance scenarios, the derived SOC scheme (CS-III) stably maintains the product purity at 99 mol%. It exhibits faster response speed, shorter settling time, and smaller overshoot as compared to CS-I and CS-II, which significantly improves system robustness against external disturbances. More importantly, the GP-derived SOCV enables substantial energy savings: compared to CS-I, the average Q R of CS-III is reduced by 92.2217 kW under ±5% disturbances and by 3256.8018 kW under ±10% disturbances. Notably, the energy-saving effect becomes more pronounced with increasing disturbance amplitude, aligning perfectly with industrial demands for energy conservation under complex operating conditions.

4. Discussion

4.1. Advantages of the Proposed GP-Based SOC Design Method

The proposed GP-based SOC design method demonstrates remarkable effectiveness in addressing the core challenge of SOCV selection and optimizing the control performance of complex separation processes, as validated by both theoretical innovations and practical case study results. Theoretically, it overcomes the inherent limitations of conventional SOCV selection methods. Compared with mechanism analysis-based approaches, the proposed GP-based method does not rely heavily on professional expertise, as it enables data-driven autonomous evolution of SOCVs. By taking candidate controlled variables as the terminal set and basic arithmetic operations as the function set, the algorithm performs iterative optimization through selection, crossover, and mutation to generate an optimal composite SOCV. This SOCV inherently maintains a strong correlation with the system’s optimal operating state, which significantly reduces human subjectivity and enhances the scientific rigor of SOC scheme design. In contrast to conventional numerical analysis-based methods, the GP-based approach provides an effective means of constructing SOCVs by combining usable controlled variables, rather than generating well pairs of controlled variables and manipulated variables.
Additionally, the GP-based method offers exceptional flexibility in engineering applications, particularly for retrofitting existing plants. It can synthesize feasible SOC schemes based on the sensor configuration of current installations to construct optimal SOCVs. This eliminates the need for additional sensor installation or major hardware modifications, significantly reducing the cost and complexity of applying SOC technology to old plants. This flexibility enhances the engineering practicability and promotion potential of the proposed method.

4.2. Limitations of the Proposed GP-Based SOC Design Method

Two primary limitations of the proposed GP-based SOC design method should be acknowledged. First, as an evolutionary algorithm by nature, the method exhibits inherent randomness in its optimization results, which are influenced by key hyperparameters including population size, mutation rate, and number of generations; although multiple independent optimization runs have been employed to ensure robustness, slight fluctuations in the optimal solution may still occur under different initial parameter settings. Second, the method cannot be completely decoupled from its dependence on the process model of the controlled unit: specifically, searching for optimal SOCVs requires obtaining temperature profile data of the controlled unit under various disturbance scenarios, and this data relies on prior modeling of the controlled object (steady-state simulation), meaning the method’s applicability and accuracy are partially constrained by the fidelity of the established process model.

5. Conclusions

This study proposes a GP-based method to derive SOC schemes for complex distillation processes, aiming to solve the core problem of scientific SOCV selection in SOC design, and validates it using an EPB DWC as a case study. The results show that the method, by defining a terminal set of sensitive stage temperatures, a function set of basic arithmetic operations, and a fitness function reflecting the SOCV’s tracking ability to the optimal operating point, enables the GP algorithm to autonomously evolve an optimal linear SOCV without manual intervention, effectively overcoming the subjectivity and limitations of traditional SOCV selection methods. The derived SOC scheme, combined with three concentration-temperature cascade control loops for product purity maintenance, exhibits excellent control performance while achieving significant energy savings that become more pronounced with increasing disturbance amplitude. Moreover, the method utilizes existing process variables without additional sensors, ensuring strong engineering practicability. In conclusion, the GP-based SOC design method provides a scientific and efficient solution for energy-saving optimization control of DWC and similar complex distillation processes, enriching the theoretical system of SOC by proposing a data-driven SOCV selection method, which expands the algorithmic framework for SOC scheme design. Future research will explore adaptive GP parameters to mitigate randomness and local optima and extend the fitness function to product purity fluctuation and environmental impact for multi-objective SOC optimization.

Author Contributions

Conceptualization, Y.Y. and T.X.; methodology, J.C.; software, M.W. and L.Z.; validation, S.H., H.C. and X.Q.; formal analysis, X.Q.; investigation, M.W. and L.Z.; resources, L.Z.; data curation, L.Z.; writing—original draft preparation, M.W.; writing—review and editing, Y.Y.; visualization, S.H.; supervision, Y.Y. and T.X.; project administration, Y.Y. and T.X.; funding acquisition, Y.Y. All authors have read and agreed to the published version of the manuscript.

Funding

This work was supported by Science and Technology Program of XPCC (2024AB059) and National Engineering Research Center for Petroleum Refining Technology and Catalyst (RIPP, SINOPEC).

Data Availability Statement

Data will be made available on request.

Conflicts of Interest

The authors declare no conflicts of interest.

Abbreviations

The following abbreviations are used in this manuscript:
Bbutanol
DWCdividing-wall column
Eethanol
EPB DWCDWC dedicated to separating the ternary mixture of ethanol/propanol/butanol
Ffeed
GAgenetic algorithm
GPgenetic programming
LBbottom product flow rate
LDdistillate flow rate
LFfeed flow rate
LSside stream product flow rate
Mmain column
MPCmodel predictive control
Ppropanol/prefractionator
QCcondenser heat duty
QRreboiler heat duty
RTOreal-time optimization
RLliquid split ratio
Rvvapor split ratio
SOCself-optimizing control
SOCVself-optimizing controlled variable
xB,BB mole fraction in the bottom product
xB,EE mole fraction in the bottom product
xB,PP mole fraction in the bottom product
xD,BB mole fraction in the distillate
xD,EE mole fraction in the distillate
xD,PP mole fraction in the distillate
xS,BB mole fraction in the side stream product
xS,EE mole fraction in the side stream product
xS,PP mole fraction in the side stream product

References

  1. Ding, B.; Yang, Y. Model Predictive Control; Wiley-IEEE Press: Hoboken, NJ, USA, 2024. [Google Scholar]
  2. Schwenzer, M.; Ay, M.; Bergs, T.; Abel, D. Review on model predictive control: An engineering perspective. Int. J. Adv. Manuf. Technol. 2021, 117, 1327–1349. [Google Scholar] [CrossRef]
  3. Elmorshedy, M.F.; Xu, W.; El-Sousy, F.F.M.; Islam, M.R.; Ahmed, A.A. Recent achievements in model predictive control techniques for industrial motor: A comprehensive state-of-the-art. IEEE Access 2021, 9, 58170–58191. [Google Scholar] [CrossRef]
  4. Krishnamoorthy, D.; Skogestad, S. Real-time optimization as a feedback control problem—A review. Comput. Chem. Eng. 2022, 161, 107723. [Google Scholar] [CrossRef]
  5. Zhao, X.; Sun, Y.; Li, Y.; Jia, N.; Xu, J. Applications of machine learning in real-time control systems: A review. Meas. Sci. Technol. 2025, 36, 012003. [Google Scholar] [CrossRef]
  6. Rodriguez, C.; Mhaskar, P.; Mahalec, V. Real time optimization of distillation columns using data-driven models. Can. J. Chem. Eng. 2025, 103, 2659–2671. [Google Scholar] [CrossRef]
  7. Kassidas, A.; Patry, J.; Marlin, T. Integrating process and controller models for the design of self-optimizing control. Comput. Chem. Eng. 2000, 24, 2589–2602. [Google Scholar] [CrossRef]
  8. Skogestad, S. Self-optimizing control: The missing link between steady-state optimization and control. Comput. Chem. Eng. 2000, 24, 569–575. [Google Scholar] [CrossRef]
  9. Skogestad, S. Plantwide control: The search for the self-optimizing control structure. J. Process Control 2000, 10, 487–507. [Google Scholar] [CrossRef]
  10. Ye, L.; Skogestad, S. Dynamic self-optimizing control for unconstrained batch processes. Comput. Chem. Eng. 2018, 117, 451–468. [Google Scholar] [CrossRef]
  11. Schultz, E.S.; Trierweiler, J.O.; Farenzena, M. The importance of nominal operating point selection in self-optimizing control. Ind. Eng. Chem. Res. 2016, 55, 7381–7393. [Google Scholar] [CrossRef]
  12. Alves, V.M.C.; Lima, F.S.; Silva, S.K.; Araujo, A.C.B. Metamodel-based numerical techniques for self-optimizing control. Ind. Eng. Chem. Res. 2018, 57, 16817–16840. [Google Scholar] [CrossRef]
  13. Graciano, J.E.A.; Jäschke, J.; Le Roux, G.A.C.; Biegler, L.T. Integrating self-optimizing control and real-time optimization using zone control MPC. J. Process Control 2015, 34, 35–48. [Google Scholar] [CrossRef]
  14. Zhang, X.; Cui, C.; Sun, J.; Zhang, X. Integrated design and self-optimizing control of extractive distillation process with preconcentration. Chem. Eng. Sci. 2023, 280, 119074. [Google Scholar] [CrossRef]
  15. Engelien, H.K.; Skogestad, S. Selecting appropriate control variables for a heat integrated distillation system with prefractionator. Comput. Chem. Eng. 2003, 14, 407–412. [Google Scholar] [CrossRef]
  16. Ling, H.; Cai, Z.; Wu, H.; Wang, J.; Shen, B. Remixing control for divided-wall columns. Ind. Eng. Chem. Res. 2011, 50, 12694–12705. [Google Scholar] [CrossRef]
  17. Silva, S.K.; Villar, S.B.; da Costa, A.B.; Teixeira, H.C.G.; Araújo, A.C.B. Development and application of an automatic tool for the selection of control variables based on the self-optimizing control methodology. Braz. J. Chem. Eng. 2017, 34, 851–871. [Google Scholar] [CrossRef]
  18. Koza, J.R. Genetic programming as a means for programming computers by natural selection. Stat. Comput. 1994, 4, 87–112. [Google Scholar] [CrossRef]
  19. Yuan, Y.; Huang, K.; Chen, H.; Zang, L.; Wang, S. Configuring effectively double temperature difference control schemes for distillation columns. Ind. Eng. Chem. Res. 2017, 56, 9143–9155. [Google Scholar] [CrossRef]
  20. Ling, H.; Luyben, W.L. New control structure for divided-wall columns. Ind. Eng. Chem. Res. 2009, 48, 6034–6049. [Google Scholar] [CrossRef]
  21. Luyben, W.L. Distillation Design and Control Using Aspen Simulation; John Wiley & Sons, Inc.: Hoboken, NJ, USA, 2013. [Google Scholar]
Figure 1. Principle of the GP-based SOCV selection method (the terminal set includes 4 candidate process variables, x 1 , x 2 , x 3 , and x 4 ; the function set covers three basic arithmetic operations, addition, subtraction, and multiplication).
Figure 1. Principle of the GP-based SOCV selection method (the terminal set includes 4 candidate process variables, x 1 , x 2 , x 3 , and x 4 ; the function set covers three basic arithmetic operations, addition, subtraction, and multiplication).
Processes 14 00064 g001
Figure 2. Optimal steady state design of the EPB DWC.
Figure 2. Optimal steady state design of the EPB DWC.
Processes 14 00064 g002
Figure 3. Sensitivity analysis results for the EPB DWC: (a) Main column, (b) Prefractionator.
Figure 3. Sensitivity analysis results for the EPB DWC: (a) Main column, (b) Prefractionator.
Processes 14 00064 g003
Figure 4. Two conventional control schemes for the EPB DWC: (a) CS-I, (b) CS-II.
Figure 4. Two conventional control schemes for the EPB DWC: (a) CS-I, (b) CS-II.
Processes 14 00064 g004
Figure 5. Optimization process of the SOCV using GP-based method.
Figure 5. Optimization process of the SOCV using GP-based method.
Processes 14 00064 g005
Figure 6. SOC scheme derived with the GP-based design method (CS-III).
Figure 6. SOC scheme derived with the GP-based design method (CS-III).
Processes 14 00064 g006
Figure 7. Closed-loop responses of the EPB DWC after the feed components E, P, and B are subjected to ±5% step disturbances: (a) E; (b) P; (c) B.
Figure 7. Closed-loop responses of the EPB DWC after the feed components E, P, and B are subjected to ±5% step disturbances: (a) E; (b) P; (c) B.
Processes 14 00064 g007aProcesses 14 00064 g007b
Figure 8. Closed-loop responses of the EPB DWC after the feed components E, P, and B are subjected to ±10% step disturbances: (a) E; (b) P; (c) B.
Figure 8. Closed-loop responses of the EPB DWC after the feed components E, P, and B are subjected to ±10% step disturbances: (a) E; (b) P; (c) B.
Processes 14 00064 g008
Table 1. R L and Q R values at the optimal operating point for considered disturbance scenarios.
Table 1. R L and Q R values at the optimal operating point for considered disturbance scenarios.
Disturbance Scenarios R L Q R (kW)
Steady state0.34392951,715.7744
E+5%0.34220151,392.5444
E−5%0.34632152,056.9137
P+5%0.34288652,342.0196
P−5%0.34531751,083.8244
B+5%0.34760751,421.1402
B−5%0.34081852,014.4440
E+10%0.34027851,107.2400
E−10%0.34833952,412.8346
P+10%0.34162952,962.6856
P−10%0.34690850,452.3503
B+10%0.35107851,133.5552
B−10%0.33751652,318.1358
Table 2. Controller parameters of the CS-I, CS-II, and CS-III.
Table 2. Controller parameters of the CS-I, CS-II, and CS-III.
Control SchemeControl LoopControllerKC (-)TI (min)
CS-ICC1-TC1CC13.2580.52
TC124.2940.92
CC2-TC2CC23.7629.04
TC211.9926.40
CC3-TC3CC31.1022.44
TC38.166.60
CS-IICC1-TC1CC13.5672.60
TC124.3540.92
CC2-TC2CC23.0929.04
TC212.4525.08
CC3-TC3CC31.2222.44
TC38.356.60
TC4TC424.4433.00
CS-IIICC1-TC1CC13.5672.60
TC124.3540.92
CC2-TC2CC23.0929.04
TC212.4525.08
CC3-TC3CC31.2222.44
TC38.356.60
TC4TC47.0550.16
Table 3. Steady-state value of Q R of the EPB DWC with CS-I, CS-II and CS-III after the feed components E, P, and B are subjected to ±5% and ±10% step disturbances.
Table 3. Steady-state value of Q R of the EPB DWC with CS-I, CS-II and CS-III after the feed components E, P, and B are subjected to ±5% and ±10% step disturbances.
Disturbance Scenarios Q R (kW)Reduction in Q R vs. CS-I (kW)
CS-ICS-IICS-IIICS-IICS-III
E+5%51,435.176951,612.946651,412.4799177.7697−22.6970
E-5%52,120.636052,104.134052,038.9187−16.5020−81.7173
P+5%52,315.888952,326.359752,308.757910.4708−7.1310
P-5%51,146.993751,162.321451,118.152615.3277−28.8411
B+5%51,789.515251,449.940951,437.1055−339.5743−352.4097
B-5%52,059.844652,040.920651,999.3106−18.9240−60.5340
Average (±5%)−28.5720−92.2217
E+10%51,224.101052,329.317351,143.11781105.2163−80.9832
E−10%61,927.786852,620.813552,375.7635−9306.9733−9552.0233
P+10%52,930.125852,979.580952,895.649749.4551−34.4761
P−10%50,667.462950,722.306750,520.259954.8438−147.2030
B+10%60,688.824151,214.307551,164.0523−9474.5166−9524.7718
B−10%52,487.724352,488.415252,286.37100.6909−201.3533
Average (±10%)−2928.5473−3256.8018
Disclaimer/Publisher’s Note: The statements, opinions and data contained in all publications are solely those of the individual author(s) and contributor(s) and not of MDPI and/or the editor(s). MDPI and/or the editor(s) disclaim responsibility for any injury to people or property resulting from any ideas, methods, instructions or products referred to in the content.

Share and Cite

MDPI and ACS Style

Wang, M.; Zhang, L.; Han, S.; Yuan, Y.; Chen, H.; Qian, X.; Chen, J.; Xia, T. A Genetic Programming-Based Method to Derive Self-Optimizing Control Schemes for Dividing-Wall Columns. Processes 2026, 14, 64. https://doi.org/10.3390/pr14010064

AMA Style

Wang M, Zhang L, Han S, Yuan Y, Chen H, Qian X, Chen J, Xia T. A Genetic Programming-Based Method to Derive Self-Optimizing Control Schemes for Dividing-Wall Columns. Processes. 2026; 14(1):64. https://doi.org/10.3390/pr14010064

Chicago/Turabian Style

Wang, Mingzhang, Linlin Zhang, Shuaishuai Han, Yang Yuan, Haisheng Chen, Xing Qian, Juan Chen, and Tao Xia. 2026. "A Genetic Programming-Based Method to Derive Self-Optimizing Control Schemes for Dividing-Wall Columns" Processes 14, no. 1: 64. https://doi.org/10.3390/pr14010064

APA Style

Wang, M., Zhang, L., Han, S., Yuan, Y., Chen, H., Qian, X., Chen, J., & Xia, T. (2026). A Genetic Programming-Based Method to Derive Self-Optimizing Control Schemes for Dividing-Wall Columns. Processes, 14(1), 64. https://doi.org/10.3390/pr14010064

Note that from the first issue of 2016, this journal uses article numbers instead of page numbers. See further details here.

Article Metrics

Article metric data becomes available approximately 24 hours after publication online.
Back to TopTop