You are currently viewing a new version of our website. To view the old version click .
Processes
  • Article
  • Open Access

22 August 2025

Characteristics of Organisms and Origin of Organic Matter in Permian Shale in Western Hubei Province, South China

,
,
,
,
,
,
and
1
State Key Laboratory of Shale Oil and Gas Enrichment Mechanisms and Efficient Development, Beijing 102206, China
2
Sinopec Key Laboratory of Shale Oil/Gas Exploration and Production Technology, Beijing 102206, China
3
School of Resources and Civil Engineering, Northeastern University, Shenyang 110819, China
*
Author to whom correspondence should be addressed.
This article belongs to the Special Issue Recent Developments in Low-Carbon and Efficient Extraction Technologies of Deep Unconventional Reservoirs

Abstract

Permian shale gas is a kind of energy resource with commercial development potential. The characteristics of its organic source and enrichment have received extensive attention in recent years. This study systematically analyzed the variations in types and assemblages of hydrocarbon-forming organisms across different stratigraphic layers of Permian shale in western Hubei through scanning electron microscopy (SEM) and microscopic observations. Moreover, the source characteristics and enrichment mechanisms of organic matter in Permian shale were identified. Hydrocarbon generation in Permian shale is primarily attributed to planktonic algae-derived acritarchs, supplemented by higher plants and green algae, based on the observation under the SEM and microscope. The hydrocarbon-forming microorganisms in the Gufeng Formation are predominantly characterized by acritarchs. A notable decrease in acritarch content is observed at the bottom of the Wujiaping Formation, accompanied by a significant increase in higher plant constituents and a slight rise in green algae abundance. Subsequently, from the middle-upper members of the Wujiaping Formation through the Dalong Formation, acritarch concentrations rebound while higher plants and green algae contributions diminish. The organic matter in the studied layer is predominantly generated from planktonic algae (acritarchs and green algae), with subordinate contributions from terrestrial higher plants. During the sedimentary stage of the Gufeng Formation, rising sea levels sustained a deep siliceous shelf environment in the E’xi Trough, where organic matter was primarily sourced from acritarchs, with limited terrigenous input. The regressive phase at the bottom of the Wujiaping Formation resulted in coastal marsh throughout the E’xi Trough, creating a mixed organic matter assemblage of aquatic planktonic algae and enhanced terrestrial higher plant material. As sedimentation progressed into the middle-upper Wujiaping Formation and Dalong Formation, the E’xi Trough evolved into a deep siliceous shelf and platform-margin slope environment. During this stage, organic matter was again predominantly supplied by planktonic algae (mainly acritarchs), with reduced terrestrial organic input. These findings provide valuable theoretical insights for guiding Permian shale gas exploration and development strategies.

1. Introduction

The resources of Permian shale gas in South China have huge potential as important clean energy [1,2]. In the region of western Hubei, Permian shale consists of the Gufeng Formation, Wujiaping Formation, and Dalong Formation, which are considered important layers in shale gas exploration [3,4,5,6,7]. The shale organic matter in the study area exhibits a predominantly marine algal origin (acritarchs and green algae), with minor terrestrial contributions from higher plants. During Gufeng Formation deposition, transgressive conditions maintained a deep siliceous shelf environment in the E’xi Trough, resulting in organic matter assemblages dominated by acritarchs with negligible terrigenous influence [8]. The depositional environment of the Gufeng Formation was characterized by deep anoxic water, hot–humid climate, and high primary productivity, demonstrating abundant nutrient supply during its deposition. It made planktonic organisms prosperous, resulting in high organic matter content in shale. Consequently, the Gufeng Formation shale exhibits exceptionally high TOC (total organic carbon) values [9,10,11]. The Wujiaping Formation primarily developed carbonaceous siliceous mudstone in deep shelf with intercalated tidal-flat argillaceous siltstone and coal seams [12]. Its depositional environment was characterized by high productivity, weak hydrothermal activity and low terrigenous input with seasonal upwelling and intermittent euxinic–sulfidic conditions. The organic matter was predominantly sourced from marine planktonic organisms and algae [13,14,15]. The Dalong Formation is dominated by siliceous shale, influenced by intense hydrothermal activity, upwelling currents, and island-arc volcanism. The corresponding depositional environment was characterized by high primary productivity, low terrigenous input, and intermittent euxinic–sulfidic conditions [16]. Lei et al. (2013) discovered that a large number of acritarchs belong to marine plankton algae in the lower-middle members of the Dalong Formation [17]. Therefore, the organic matter in it was mainly derived from aquatic organisms and was less affected by terrestrial sources [18].
The types of lithofacies and sedimentary facies of the Upper Permian shale layer in western Hubei are diverse, with large thickness and kerogen I–II [19,20,21,22]. This indicates that the sedimentary environment underwent significant changes during the sedimentary period, resulting into different types of hydrocarbon-forming organisms and multiple sources of organic matter. Although various hydrocarbon-forming organisms (e.g., algae, plankton, and radiolarians) in the Dalong Formation, Gufeng Formation, and Wujiaping Formation have been clearly identified, quantitative studies on their respective contributions to hydrocarbon generation remain insufficient. Current studies have only assessed the hydrocarbon generation potential of different biota at the macroscopic level, making it difficult to precisely predict shale oil and gas yields based on specific biological assemblages and distribution patterns. Consequently, a systematic analysis of hydrocarbon-forming organism types and their stratigraphic distribution in Permian shales across western Hubei is essential to elucidate variations in organic assemblages among different strata, and then to determine the source characteristics and enrichment mechanisms of organic matter.
Hydrocarbon-forming organisms have been considered a primary source of organic matter in shale, which was the material basis for shale oil and gas generation [23]. By investigating the distribution patterns of hydrocarbon-forming organisms, high-quality shale strata can be inferred. Moreover, different types of hydrocarbon-forming organisms produced varying hydrocarbon products. Therefore, the distribution and preservation of these organisms could lead to differential hydrocarbon generation potential among shale formations. The systematic studies of the types, abundance, and distribution of hydrocarbon-forming organisms can help to effectively evaluate the hydrocarbon generation potential of shale reservoirs. This study systematically characterizes the composition and assemblages of hydrocarbon-forming organisms in the Gufeng, Wujiaping, and Dalong Formations of western Hubei through integrated scanning electron microscopy and petrographic analysis. The investigation reveals distinct organic matter sources within Permian shales, providing crucial insights for (1) evaluating shale gas resource potential and (2) predicting favorable exploration targets in the region. These findings establish a theoretical framework for future hydrocarbon assessment in Permian shale reservoirs.

2. Geological Setting

The western Hubei region is located on the Middle Yangtze Plate during the Permian, where there was passive continental margin (Figure 1). During the deposited stage of Permian shale, the sea level fluctuated with multiple volcanic events influenced by the tectonic activities of the Paleo-Tethian Ocean [24,25,26]. During the Middle Permian—Early Triassic—the E’Xi Trough developed as a rift basin in the middle of the northern margin of the South China Plate, controlled by the Jianshi–Enshi fault system. The northern part of the trough was connected to the open sea, while the other three sides were surrounded by carbonate platforms (Figure 1). The development range of the Permian shale was controlled by the E’Xi Trough, and the sedimentary sequence was mainly carbonaceous shale and siliceous shale, interbedded with multiple layers of bentonite [27].
Figure 1. Location of study area and distribution of sedimentary facies in Wujiaping Formation [28].
The study outcrop is located at Tiewuji Village, approximately 50 km north of Enshi City, Hubei Province. The stratigraphic sequence comprises, in ascending order, the Middle Permian Gufeng Formation, Upper Permian Wujiaping and Dalong Formations, and Lower Triassic Feixianguan Formation. The thickness of the Gufeng Formation is about 18 m and primarily consists of carbonaceous shale and siliceous rock intercalated with limestone. The TOC content in the Gufeng Formation is relatively high (5.79–41.59%) (Figure 2), and the organic matter types are mainly type I–II (sapropel-humus type), with some layers being type I (sapropel type), showing good hydrocarbon generation potential [8,29,30]. The Wujiaping Formation deposited in a shelf environment (Figure 1), which lithology is dominated by siliceous rocks and siliceous shale (~86 m in thickness), intercalated with bentonite beds influenced by multiple volcanic activities (Figure 2). The organic matter types in the Wujiaping Formation were type I and type II with the TOC content ranging from 2% to 30%, in which the degree of thermal evolution was relatively high (Ro: 1.5–2.5%), in the high-over maturity [31,32]. The Dalong Formation deposited in a deep shelf basin [33], dominated by black carbonaceous shale interbedded with limestone, with a thickness of approximately 44 m (Figure 2). The TOC values in the Dalong Formation were between 1.5% and 19.5%, with an average of 8.9%. The organic matter type was humus (type II), and the degree of thermal evolution was higher (Ro: 2.53–2.79%). in the over-mature stage [34,35,36].
Figure 2. Stratigraphic column and lithofacies distribution in Tiewuji outcrop, western Hubei (lengths of red scale bars are 500 μm).

3. Samples and Methods

In this study, the strata of the Gufeng Formation, Wujiaping Formation, and Dalong Formation in the Tiewuji section of the Enshi area in western Hubei Province were selected for systematic measurement and sampling. A total of 20 samples were collected for the study of hydrocarbon-forming organisms. A scanning electron microscope (SEM) was used for observation, which used a very fine focused electron beam to irradiate the surface of the sample to be tested, generating secondary electrons or backscattered electrons for morphological observation. The types and quantities of microbiological fossils in shale were statistically analyzed. This experiment was completed at the Shenyang Geological Survey Center, China Geological Survey. Sample preparation for scanning electron microscopy (SEM) analysis followed strict standardized protocols. Each specimen was first sectioned into 10 mm × 10 mm squares using a high-precision diamond wafering blade to ensure dimensional consistency across all observation areas. Subsequently, the sample surfaces were embedded in epoxy resin and subjected to mechanical polishing to achieve optimal surface smoothness. To enhance electrical conductivity for SEM imaging, a 20 nm thick gold coating was uniformly sputter-coated onto all sample surfaces. Throughout this study, consistent observation areas (10 mm × 10 mm) were maintained for all specimens to ensure comparability. The relative abundance of microfossils was quantitatively analyzed in SEM images using standardized point counting methodology. The percentage composition of each microfossil type was calculated as Pi = (Ni/Nt) × 100%, where Ni represents the counted number of type i microfossils, and Nt denotes the total number of identified organisms in the sample.
Meanwhile, generally 50 g of the samples was taken to extract the spore types (including algae, fungi, and suspected fossil types), structural organic matter, amorphous organic matter, and other constituents from the shale in the sporopollen organic matter experiment. The types of microorganisms were observed and identified under the microscope with quantitative statistics. This experiment was completed in the laboratory of Northeastern University. All samples were crushed into soybean-sized particles (5–10 mm), and 50 g aliquots was transferred to 1000 mL beakers. Concentrated hydrochloric acid (HCl) was gradually added at a 3:1 mass ratio (acid-to-sample) under constant gentle stirring using glass rods. The mixtures were reacted for 24 h with intermittent stirring every 6 h until reaction cessation. After digestion, distilled water was added to each beaker and the solutions were allowed to settle for 4–6 h before careful supernatant decantation. This washing procedure was repeated 3–4 times until neutral pH (≈7) was achieved. The samples were then dried at room temperature. Next, hydrofluoric acid (HF) was slowly introduced into the beakers at the same mass ratio (3:1, acid to sample) under continuous gentle stirring. Following the 24 h reaction period, samples underwent 4–5 washing cycles with distilled water. When incomplete dissolution was detected, supplementary hydrofluoric acid (HF) was introduced, and the washing process was repeated until complete dissolution was attained. The remaining residues were transferred to 50 mL centrifuge tubes and centrifuged at 2000 rpm for 10 min. The supernatant was discarded, and the tubes were inverted for 24 h to drain excess liquid. Subsequently, a heavy liquid (density: 2.0–2.2 g/cm3) was poured into the tubes, and the mixture was homogenized by gentle stirring. The samples were subjected to additional centrifugation (20 min, 3000 rpm) to enhance separation efficiency. Following centrifugation, the supernatant turbid layer was carefully decanted into a pre-cleaned 50 mL borosilicate glass beaker. Subsequently, a 5% (v/v) acetic acid solution was introduced, and the resulting mixture was maintained under static conditions for 48 h to ensure complete sedimentation. Following careful removal of the clear supernatant, the residual turbid suspension was quantitatively transferred to a 10 mL conical centrifuge tube, followed by dilution with distilled water. The samples were centrifuged at 2000 rpm for 10 min, and this step was repeated 3–4 times to ensure complete recovery of the sedimentary fraction. In the end, a small aliquot of the residue was mounted on temporary slides for optical microscopy observation. The slides were analyzed for microfossil identification and statistical quantification.

4. Results

According to the internal structure and superficial ornamentation characteristics of microorganisms observed under SEM and microscope, eight genera of acritarchs, cryptospore, and higher plants were identified in the Permian shale from the western Hubei region.
Proterocladus (Figure 3a–c): It mostly presents as single-row, occasionally branched filamentous forms, with distinct intercellular septa and smooth thin cytoderm under the SEM. This genus varies in length, which is generally longer than width, with a round or capitulum apex.
Figure 3. Typical images of acritarchs of Permian shale from Tiewuji outcrop: (a) Proterocladus, bottom of Gufeng Formation; (b) Proterocladus, upper Wujiaping Formation; (c) Proterocladus, bottom of Dalong Formation; (d) Siphonophycus, middle of Wujiaping Formation; (e) Siphonophycus, bottom of Wujiaping Formation; (f) Siphonophycus, upper Gufeng Formation; (g) Siphonophycus, upper Wujiaping Formation; (h) Siphonophycus, bottom of Gufeng Formation; (i) Veryhachium, bottom of Wujiaping Formation; (j) Dictyotidium, upper Gufeng Formation; (k) Cymatiosphaera, bottom of Gufeng Formation; (l) Navifusa, upper Wujiaping Formation.
Siphonophycus (Figure 3d–f): The specimens exhibit a tubular filamentous morphology characterized by hemispherical termini, distinct from Proterocladus in their complete absence of branching or septation. This taxon frequently displays post-depositional deformation, manifesting as pronounced twisting or folding of filaments.
Polyedryxium (Figure 3g,h): This translucent, soft-bodied microplankton possesses multiple membranous shells. The shell surfaces typically consist of organic layers exhibiting variable thickness, often exhibiting inward curvature that partitions internal cavities of differing volumes. The single-layered wall structure measures 10–150 μm in diameter with a wall thickness of 0.5–3 μm. The exterior surface appears smooth to slightly irregular.
Veryhachium (Figure 3i): The membrane shell is cushion-shaped, with a contour ranging from triangular to quadrilateral. The edge of the membrane shell is either concave or convex surrounded by thin, single-layered cytoderm, with smooth to slightly rough surfaces, and without stripes or secondary fine spines.
Dictyotidium (Figure 3j): The membrane shell is spherical and the surface is in the shape of a polygonal reticulate. The diameter of the membrane shell is 10–200 μm, and the diameter of the surficial mesh is 0.5–3 μm.
Cymatiosphaera (Figure 3k): The membrane shell is spherical, with characteristic polygonal pores on the varying sizes surface and irregular small nodules at the bottom of the pores. The diameter of its membrane shell is 16–18 μm while the diameter of the pores is 3–6 μm.
Navifusa (Figure 3l): The membrane shell is elongated boat-shaped with a broad round tip. The wall thickness of the membrane shell is approximately 1.2 μm, and the surface is covered with coarse-grained decoration without protrusions or an opening structure.
Chuttecloska: The contour of the membrane shell is pear-shaped or subcircular due to the compression of the axis. The membrane shell is relatively narrow at the end and the middle section is wide and round, while the corresponding end is hemispherical and surrounded by a skirt membrane-like substance. The surface of the membrane shell is smooth with a double wall approximately 1 μm thick.
Cryptospore: A large number of organisms similar to spores in morphology have also been observed in the western Hubei region. Based on comparative identification, this kind of microfossil with a spore-like morphology belongs to cryptospore and is classified under the genus Adinosporus of the phylum (green algae). The figures of SEM showed that the cryptospore shell was relatively hard in texture and well-preserved (Figure 4a–e). Compared with other common spores, cryptospores are normally distributed in the same plane and do not have the three-spore structure that typical spores possess [37,38]. This cryptospore morphotype typically consists of one to several subspherical sporocytic units, occurring as solitary spores, tetrads, or floret-like aggregates under both scanning electron and optical microscopy (Figure 4). The spore wall is a single- or multi-layered structure with wrinkles.
Figure 4. Typical images of cryptospore of Permian shale from Tiewuji outcrop: (a) upper Gufeng Formation; (b) middle of Gufeng Formation; (c) bottom of Wujiaping Formation; (d) lower Wujiaping Formation; (e) upper Wujiaping Formation; (f) lower Dalong Formation.
Higher plants: Higher plants have also been discovered in the Permian shale from the western Hubei region. The plants normally appear in the form of fragments, which retain the cellular structure of plants and have various shapes. These plant fragments are commonly arranged in a filamentous manner and are relatively easy to identified under a microscope (Figure 5).
Figure 5. Typical images of higher plants of Permian shale from Tiewuji outcrop: (a) bottom of Wujiaping Formation; (b) bottom of Wujiaping Formation; (c) bottom of Wujiaping Formation; (d) bottom of Wujiaping Formation; (e) bottom of Wujiaping Formation; (f) lower Wujiaping Formation; (g) lower Wujiaping Formation; (h) middle of Wujiaping Formation; (i) upper Wujiaping Formation.

5. Discussion

5.1. Types of Hydrocarbon-Forming Organisms

The various hydrocarbon-forming microorganisms means that the microorganisms widely distributed in marine and lacustrine environments served as the primary source materials for the generation of petroleum and natural gas. Microscopic hydrocarbon-forming organisms—such as bacteria, algae, and fungi—were extensively dispersed in sedimentary rocks [39]. Through complex biochemical and chemical transformations, these organisms underwent sapropelization and humification processes, ultimately forming kerogen, which constitutes the material foundation of high-quality marine hydrocarbon source rocks. Previous studies have suggested that high-quality marine shale in southern China often exhibits multiple combinations of organic precursors, with hydrocarbon-forming organisms primarily including bacteria, planktonic algae, benthic macroalgae, animal-derived organic matter, and higher plants [40].
This study found that the microfossils in the research area mainly consist of acritarchs, cryptospores, and higher plants. Acritarchs are organic-walled microfossils with unclear phylogenetic relationships, and most studies suggest they originate from planktonic algae. Cryptospores belong to the genus Sporomorpha of the Chlorophyta division. Permian was the era of gymnosperms, so higher plants in the study area likely primarily derived from gymnosperms. Consequently, alginite represents the predominant and most extensively distributed maceral type within the Permian shale deposits of western Hubei, in which structural alginites play an important role in hydrocarbon-forming organisms. According to their morphological and structural characteristics, they can be further subdivided into two types, acritarchs and green algae, followed by higher plants.

5.2. Distribution of Hydrocarbon-Forming Organisms

The hydrocarbon-forming microorganisms in the Permian shale of the study area primarily comprise three groups: acritarchs, green algae, and higher plant fragments. Notably, their relative abundances display marked stratigraphic variations across distinct Permian shale formations (Figure 6 and Figure 7).
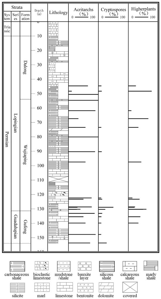
Figure 6. Stratigraphic column of hydrocarbon-generating organism distribution in Tiewuji outcrop.
Figure 7. Bar chart of hydrocarbon-forming organism distribution in each layer of Permian shale in Tiewuji outcrop.
In the Gufeng Formation, the hydrocarbon-forming organisms at the Tiewuji outcrop are predominantly composed of acritarchs, exhibiting relative abundances ranging from 50% to 90.9% (average: 71.6%). Green algae constitute a secondary component, with relative contents varying between 9.1% and 27.8% (average: 13.8%). Higher plant fragments first appear in the upper section of the formation, showing an average abundance of approximately 15%. Notably, their relative content demonstrates a progressive upward increasing trend (Figure 6 and Figure 7), reflecting enhanced terrigenous input in the upper member of the Gufeng Formation.
At the bottom of the Wujiaping Formation, acritarch abundance decreases significantly (average: 46%), while higher plant fragments show a marked increase (average: 35%), accompanied by a slight rise in green algae content (average: 19%). This assemblage suggests a lower sea level during the beginning of the Wujiaping Formation, leading to enhanced terrigenous input. In contrast, the middle-upper member of the formation exhibits a distinct shift in microfossil composition: acritarch abundance rebounds to 72.6% on average, while higher plant fragments decrease to 22.4%. Green algae occur only sporadically (average: 5%) (Figure 6 and Figure 7). These changes indicate renewed sea level transgression during deposition of the middle-upper Wujiaping Formation, resulting in reduced terrestrial influence. The hydrocarbon-forming microfossil assemblage in the bottom of the Dalong Formation is dominated by acritarchs (mean abundance: 59%) and higher plant debris (34%), while green algae occur in minor proportions (7%). This distinct biotic composition records a pronounced sea level fall following the deposition of the underlying Wujiaping Formation. The middle to upper Dalong Formation consists predominantly of limestone units exhibiting low total organic content. Within these carbonate-dominated intervals, the relative abundance of higher plant fragments displays a progressive upward decrease. These stratigraphic patterns suggest gradual marine transgression during Dalong Formation deposition, accompanied by a systematic reduction in terrestrial organic input (Figure 6 and Figure 7).

5.3. Enrichment Model of Multi-Source Organic Matter

Previous studies have suggested that some acritarchs, e.g., Proterocladus, Veryhachium, Siphonophycus, and Dictyotidium, mainly lived in shallow marine environments [41,42]. These types of acritarchs were found easily in all layers of the Tiewuji outcrop. Therefore, it can be inferred that the sedimentary period of Permian shale in the study area was generally in a shelf environment. Integrated analysis of outcrop lithology and published geochemical data indicates that the Permian marine shales in western Hubei were predominantly deposited in a deep shelf environment, with depositional patterns strongly controlled by the tectonic evolution and spatial configuration of the E’xi Trough. It was characterized by stable anoxic-reducing conditions, which favored organic matter enrichment. The shale in this region mainly consists of siliceous shales and silicite with high TOC. In the study area, the Gufeng Formation and Wujiaping Formation shales are the most favorable, having formed in a high paleoproductive environment influenced by distal volcanic activity. The volcanic tuff layers correspond to periods of biological prosperity, further enhancing organic matter preservation. In summary, the depositional environment of these shales was characterized by (1) persistent deep-water conditions, (2) minimal terrigenous influence, (3) high primary productivity, and (4) anoxic to sulfidic water column conditions—all critical factors contributing to their exceptional shale gas potential. This study systematically reconstructs the organic matter sources and their evolutionary pathways in western Hubei’s Permian shales, providing fundamental insights for hydrocarbon exploration. The hydrocarbon-forming organisms in the study area’s Permian shale primarily consist of acritarchs (sourced from planktonic algae), with subordinate contributions from higher plants and green algae. During the deposition of the Gufeng Formation, elevated sea levels prevailed. The E’xi Trough was characterized by a siliceous deep shelf environment, where black siliceous shale and silicite deposits accumulated. Organic matter in these sediments was predominantly derived from planktonic algae, with minor terrigenous input (Figure 8a). The sea level at the bottom of the Wujiaping Formation is relatively low, with the lithofacies turning into a gray bauxite layer and mudstone. The overall environment of the E’xi Trough was coastal marsh, with mixed sources of organic matter, mainly including aquatic plankton, and an increase in the content of green algae and terrigenous organic matter (Figure 8b). The deposited stage of upper-middle members of the Wujiaping Formation turned into a siliceous deep shelf environment once again in the E’xi Trough, in which the strata consisted of black silicite and siliceous shale. The organic matter was predominantly derived from planktonic algal sources, with minor terrigenous contributions (Figure 8c). Subsequently, the sea level of the E’xi Trough in the Dalong Formation decreased, with a slope at the front edge of the platform and a siliceous deep shelf with dark gray siliceous shale and calcareous shale. The organic matter was predominantly derived from planktonic algal sources (Figure 8d).
Figure 8. Enrichment model of multi-source organic matter of Upper Permian shale in western Hubei region.

6. Conclusions

(1)
The Permian shale in the study area contains a characteristic assemblage of hydrocarbon-forming organisms dominated by acritarchs, with subordinate contributions from higher plant debris and green algae. Stratigraphic variations reveal distinct patterns: the Gufeng Formation exhibits the highest acritarch abundance, followed by higher plant fragments and green algae. A pronounced biotic transition occurs at the base of the Wujiaping Formation, characterized by a substantial decline in acritarch abundance coinciding with a marked increase in higher plant debris, accompanied by a slight rise in green algae content. This trend reverses in the middle-upper Wujiaping Formation, with acritarch abundance recovering while both higher plant fragments and green algae decline. Within the Dalong Formation, acritarchs show a moderate decrease coinciding with increased higher plant contribution, though terrigenous input remains substantially lower than that observed in the lower Wujiaping Formation.
(2)
The organic matter of Permian shales in the study area is predominantly derived from planktonic algal biomass, with secondary contributions from terrigenous sources. Depositional environment analysis reveals distinct temporal variations: during Gufeng Formation deposition, elevated sea levels maintained the E’xi Trough as a siliceous deep shelf environment. The organic matter contained within Permian shales predominantly originates from planktonic algal biomass. A significant paleoenvironmental shift occurred at the bottom of the Wujiaping Formation, where sea level regression transformed the E’Xi Trough into a coastal marsh setting. This transitional environment featured mixed organic matter sources, with aquatic plankton remaining dominant but showing increased contributions from both green algae and terrigenous material. Subsequent deposition (middle-upper Wujiaping through Dalong Formations) saw the re-establishment of siliceous deep shelf conditions in the E’xi Trough. During this phase, organic matter again became predominantly sourced from planktonic algae, with reduced terrigenous influence.

Author Contributions

Conceptualization, Y.Z. and B.S.; methodology, Y.Z.; software, Y.L. (Yifei Li) and Y.L. (Yang Liu); validation, B.S., B.G. and D.F.; formal analysis, Y.Z.; investigation, M.L.; resources, B.S. and P.W.; data curation, Y.Z.; writing—original draft preparation, Y.Z.; writing—review and editing, D.F.; visualization, P.W.; supervision, B.S.; project administration, B.S.; funding acquisition, Y.Z. All authors have read and agreed to the published version of the manuscript.

Funding

This research was funded by [Sinopec Key Laboratory of Shale Oil/Gas Exploration and Production Technology], titled “Characteristics of Organic Matter Sources in Permian Marine Shale in the Northern Sichuan—Western Hubei Region and Their Impact on Reservoir Development”, No. 33550000-24-ZC0613-0045.

Data Availability Statement

The data that support the findings of this study are available from the corresponding author upon reasonable request.

Conflicts of Interest

Authors Yuying Zhang, Baojian Shen, Dongjun Feng, Bo Gao, Pengwei Wang, Min Li, Yifei Li and Yang Liu were employed by the company Sinopec Key Laboratory of Shale Oil/Gas Exploration and Production Technology. The remaining authors declare that the research was conducted in the absence of any commercial or financial relationships that could be construed as a potential conflict of interest.

References

  1. Zhang, M.; Hu, M.; Cai, Q.; Deng, Q.; Wei, S.; Wang, K.; Li, Y.; Han, Y. Controlling Factors of Organic Matter Enrichment in Marine–Continental Transitional Shale: A Case Study of the Upper Permian Longtan Formation, Northern Guizhou, China. Minerals 2024, 14, 540. [Google Scholar] [CrossRef]
  2. Chen, Y.; Shi, X.; Xu, H.; Cao, Q.; Pei, X.; Wu, W.; Wang, L.; Yang, X. Study on the Sedimentary Environments and Its Implications of Shale Reservoirs for Permian Longtan Formation in the Southeast Sichuan Basin. Minerals 2023, 13, 689. [Google Scholar] [CrossRef]
  3. Guo, X.S.; Wang, R.Y.; Shen, B.J.; Wang, G.P.; Wan, C.X.; Wang, Q.R. Geological characteristics, resource potential, and devel-opment direction of shale gas in China. Pet. Explor. Dev. 2025, 52, 15–28. [Google Scholar] [CrossRef]
  4. Li, H.; Zhang, B.M.; Chen, L.; Li, X.B.; Wang, J.; Zhang, X.T.; Qin, W.B. New Discoveries and Exploration Significance of Permian Shale Gas Investigation in the Hefeng Area, Western Hubei Province. S. China Geol. 2025, 41, 126–135. [Google Scholar] [CrossRef]
  5. Wang, Y.; Zhang, Y.; Dong, T.; Duan, K.; Wen, J.; Zhang, H.; Xie, T.; Luo, F. Pore Structure and Fractal Characteristics of the Middle and Upper Permian Dalong and Gufeng Shale Reservoirs, Western Hubei Province, South China. Minerals 2024, 14, 10. [Google Scholar] [CrossRef]
  6. Song, T.; Li, S.Z.; Li, F.; Yang, X.G.; Xu, Q.C.; Wang, Y.L.; Lu, Y.X. Permian shale gas enrichment characteristics and reservoir classification evaluation system in western Hubei and eastern Chongqing area, China. Nat. Gas Geosci. 2025, 36, 1258–1274. [Google Scholar] [CrossRef]
  7. Shen, W.; Shen, W.; Xiao, X.; Shen, S. Evolution of Permian Sedimentary Environment in South China: Constraints on Heter-ogeneous Accumulation of Organic Matter in Black Shales. Minerals 2025, 15, 296. [Google Scholar] [CrossRef]
  8. Liu, B.; Gao, X.Z.; Li, F.; Gong, Z.Y.; Luo, F.; Du, X.F. Paleoenvironmental Reconstruction and Organic Matter Enrichment of Middle Permian Black Shale: Insights From the Gufeng Formation, Enshi Area, Western Hubei. GeoSci 2024, 38, 1484–1497. [Google Scholar] [CrossRef]
  9. Su, J.H. Geochemical Characteristics and Paleo-Ocean Environment of Upper Permian Black Shale in Western Hunan-Hubei. Master’s Thesis, China University of Petroleum Beijing, Beijing, China, 2021. [Google Scholar] [CrossRef]
  10. Chen, H.P. Shale Deposits and Reservoir Characteristics of Gufeng and Dalong Formations in Permian in Western Hubei. Master’s Thesis, Chengdu University of Technology, Chengdu, China, 2020. [Google Scholar] [CrossRef]
  11. Jiang, S.L.; Zhou, Q.H.; Li, Y.J.; Yang, R.L. Fracability evaluation of the middle-upper Permian marine shale reservoir in well HD1, western Hubei area. Sci. Rep. 2023, 13, 14319. [Google Scholar] [CrossRef]
  12. Deng, K.; Lu, Y.B.; Zhang, B.L.; Liu, Z.H.; Meng, M.M.; Du, X.B.; Chen, F.R.; Li, F.; Lu, Y.C.; Gou, Q.Y.; et al. Controls of Middle and Late Permian major geological events on the development of the organic-rich shales in northeast Sichuan Basin. Bull. Geol. Sci. Technol. 2025, 44, 161–181. [Google Scholar] [CrossRef]
  13. Teng, G.E.; Qin, J.Z.; Fu, X.D.; Yang, Y.F.; Xie, X.M. Hydrocarbon source rocks eveluation of the Upper Permian Wujiaping Formation in northeastern Sichuan area. J. Palaeogeogr. 2010, 12, 334–345. [Google Scholar] [CrossRef]
  14. Qin, J.Z.; Shen, B.J.; Tao, G.L.; Teng, G.E.; Yang, Y.F.; Zheng, L.J.; Fu, X.D. Hydrocarbon-forming organisms and dynamic evaluation of hydrocarbon generation capacity in excellent source rocks. Pet. Geol. Exp. 2014, 36, 465–472. [Google Scholar] [CrossRef]
  15. Qin, J.Z.; Pan, A.Y.; Shen, B.J. Insoluble organic matter in source rocks:derived from organic macromolecules in the skeleton, cell wall and shell of organisms. Pet. Geol. Exp. 2020, 42, 946–956. [Google Scholar] [CrossRef]
  16. Wang, J.W.; Xie, T.; Jin, S.D.; Cao, H.Y. Orbital-paced of organic matter enrichment during the Late Permian greenhouse period in Dalong Formation shale. Quat. Sci. 2024, 44, 1108–1126. [Google Scholar] [CrossRef]
  17. Lei, Y.; Servais, T.; Feng, Q.L.; He, W.H. Latest Permian acritarchs from South China and the Micrhystridium/Veryhachium complex revisited. Palynology 2013, 37, 325–344. [Google Scholar] [CrossRef]
  18. Shen, J.; Lei, Y.; Algeo, T.J.; Feng, Q.L.; Servais, T.; Yu, J.X.; Zhou, L. Volcanic Effects on Microplankton during the Permi-an-Triassic Transition (Shangsi and Xinmin, South China). Palaios 2013, 28, 552–567. [Google Scholar] [CrossRef]
  19. Zhai, C.B.; Mou, C.L.; Liang, W.; Zheng, B.S.; Zan, B.W. Sedimentary Evolution Characteristics of Permian Gufeng For-mation-Dalong Formation in Western Hubei Province and Its Geological Significance for The Geological Survey of Shale Gas. Miner. Petrol. 2021, 41, 114–124. [Google Scholar] [CrossRef]
  20. Zhang, Z.Y.; Xu, S.; Gou, Q.Y.; Li, Q.Q. Reservoir Characteristics and Resource Potential of Marine Shale in South China: A Review. Energies 2022, 15, 8696. [Google Scholar] [CrossRef]
  21. Li, S.Z.; Zhou, Z.; Li, F.; Shen, B.; Xu, Q.C.; Song, T.; Zhang, X.T.; Yang, X.G.; Hu, C.Z.; Wang, C.; et al. Shale gas enrichment conditions and favorable exploration areas of Upper Permian Dalong Formation in the western Hubei and eastern Chongqing region. Nat. Gas Ind. 2024, 44, 1–15. [Google Scholar] [CrossRef]
  22. Song, T.; Li, S.Z.; Zhang, Y.L.; Bao, H.Y.; Liu, H.T.; Xu, Q.C.; Li, H.H.; Wang, Y.L.; Wang, Y.; Xie, T.; et al. Gas differential enrichment characteristics and controlling factors of Upper Permian marine shale in western Hubei area: Case study of Wujiaping Formation II in Hongxing block and Dalong Formation in Enshi area. Nat. Gas Geosci. 2023, 34, 1425–1441. [Google Scholar] [CrossRef]
  23. Qin, J.Z.; Borjin, T.; Shen, B.J.; Tao, G.L.; Lu, L.F.; Yang, Y.F. Ultramicroscopic organic petrology characteristics and component classification of excellent marine source rocks. Pet. Geol. Exp. 2015, 37, 671–680. [Google Scholar] [CrossRef]
  24. Shu, Z.G. Characteristics of Regional Structural Evolution in the West Hunan-Hubei Area of Middle Yangtze Plate. J. Oil Gas Technol. 2014, 36, 8–12. [Google Scholar] [CrossRef]
  25. Zhao, Z.Y. Origin and Tectonic Significance of Permian Cherts in Chengkou-Western Hubei Aulacogen, Northern Margin of Middle Yangtze Area. Master’s Thesis, China University of Geosciences Beijing, Beijing, China, 2021. [Google Scholar] [CrossRef]
  26. Qiu, Z.; Dou, L.R.; Wu, J.F.; Wei, H.Y.; Liu, W.; Kong, W.L.; Zhang, Q.; Cai, G.Y.; Zhang, G.; Wu, W.; et al. Lithofacies Palaeogeographic Evolution of the Middle Permian Sequence Stratigraphy and Its Implications for Shale Gas Ex-ploration in the Northern Sichuan and Western Hubei Provinces. Earth Sci. 2024, 49, 712–748. [Google Scholar] [CrossRef]
  27. Zheng, B.S. Sedimentary Evolution of the Western Hubei Trough and Its Tectonic Implications-with Discussions on the Source of the PTB Bentonite in South China. Ph.D. Thesis, China University of Geosciences, Wuhan, China, 2019. [Google Scholar] [CrossRef]
  28. Yang, X.; Yang, Y.R.; Zhang, J.Y.; Tian, H.; Wang, Q.; Song, F.; Zhang, S.K.; Chen, Y. Characteristics and formation mechanism of Permian marine shale of Kaijiang-Liangping trough in northern Sichuan Basin. Lithol. Reserv. 2025, 37, 108–119. Available online: https://link.cnki.net/urlid/62.1195.TE.20250310.0949.002 (accessed on 25 May 2025).
  29. Li, P.; Hu, Z.X.; Zong, W.; Zhou, F.; Du, X.F.; Wu, L. Geochemistry and Ore Potential of the Gufeng Formation, Enshi, Western Hubei Province. J. Stratigr. 2017, 41, 344–350. [Google Scholar] [CrossRef]
  30. Wu, K. Geobiological Composition and Geological Characters of Shale Gas from the Middle Permian Gufeng Formation in the North Margin of Yangtze. Ph.D. Thesis, China University of Geosciences Wuhan, Wuhan, China, 2013. Available online: https://cdmd.cnki.com.cn/Article/CDMD-10491-1014158059.htm (accessed on 25 May 2025).
  31. Liang, X.W.; Li, L. Geological conditions and exploration potential for shale gas in Upper Permian Wujiaping Formation in the region of western Hubei-eastern Chongqing. Pet. Geol. Exp. 2021, 43, 386–394. [Google Scholar] [CrossRef]
  32. Ming, Y.; Sun, H.F.; Ye, Y.H.; Wang, J.X.; Song, J.M.; Wang, Y.F.; Qiu, Y.C.; Chen, W. Geological conditions and exploration potential of shale gas in northeastern Sichuan Basin: A case study of Upper Permian Wujiaping Formation in Well Fengtan 1. Nat. Gas Explor. Dev. 2023, 46, 133–147. [Google Scholar] [CrossRef]
  33. Ge, X.; Ge, X.; Chen, D.; Liu, Y.; Wang, R.; Li, M. The Source and Significance of Silicon in the Late Permian Dalong Formation, Northeastern Sichuan Basin. Minerals 2025, 15, 69. [Google Scholar] [CrossRef]
  34. Wang, Y.; Bai, L.H.; Zhang, Y.L.; Zhang, X.M.; Yang, B.W.; Duan, K.; Wang, Y.; Xie, T. Reservoir Characteristics and Influencing Factors of Organic-Rich Siliceous Shale of the Upper Permian Dalong Formation in Western Hubei. Energies 2023, 16, 5130. [Google Scholar] [CrossRef]
  35. Xie, T.; Chen, W.; Pan, S.Y.; Shi, W.Z.; Wang, Y.; Zhang, Y.L.; Duan, K.; Ren, Z.J. Lithofacies Types and Reservoir Characteristics of Gas-Bearing Shale of Permian Dalong Formation in Western Hubei. J. Jilin Univ. (Earth Sci. Ed.) 2024, 54, 1154–1176. [Google Scholar] [CrossRef]
  36. Wei, H.Y.; Hu, D.; Qiu, Z.; Zhang, X.; Liu, W.; Kong, W.L.; Ahmed, M. Sedimentological and Geochemical Characteristics of Late Permian Organic-Rich Rocks in North Sichuan and West Hubei Provinces. Acta Sediment. Sin. 2024, 42, 774–798. [Google Scholar] [CrossRef]
  37. Yin, L.M.; Wang, C.J.; Zhao, Y.L.; Ou, Z.Y. Early-Middle Cambrian Palynomorph Microfossils and Related Geochemical Events in South China. J. Earth Sci. 2016, 27, 180–186. [Google Scholar] [CrossRef]
  38. Song, D. Hydrocarbon-Forming Organism Characteristics and Their Petroleum Geological Significance of High-Quality Source Rocks in the Lower Paleozoic in Southern China. Master’s Thesis, Nanjing University, Nanjing, China, 2019. Available online: https://cdmd.cnki.com.cn/Article/CDMD-10284-1019110198.htm (accessed on 25 May 2025).
  39. Zhang, Y.; He, Z.L.; Lu, S.F.; Jiang, S.; Xiao, D.S.; Long, S.X.; Gao, B.; Zhao, J.H.; Chen, G.H.; Li, Y.C. Characteristics of microorganisms and origin of organic matter in Wufeng Formation and Longmaxi Formation in Sichuan Basin, South China. Mar. Petrol. Geol. 2020, 111, 363–374. [Google Scholar] [CrossRef]
  40. Qin, J.; Tao, G.; Tenger; Bian, L.; Xie, X.; Fu, X. Hydrocarbon-forming organisms in excellent marine source rocks in South China. Pet. Geol. Exp. 2010, 32, 262–269. [Google Scholar] [CrossRef]
  41. Lei, Y.; Servias, T.; Feng, Q.L.; He, W.H. The spatial (nearshore–offshore) distribution of latest Permian phytoplankton from the Yangtze Block, South China. Palaeogeogr. Palaeoclimatol. Palaeoecol. 2012, 363, 151–162. [Google Scholar] [CrossRef]
  42. Li, D.D.; Luo, G.M.; Tang, Q.; She, Z.B.; Xiao, S.H. New record of the green algal fossil Proterocladus and coexisting microfossils from the Meso-Neoproterozoic Diaoyutai Formation in southern Liaoning, North China. Precambrian Res. 2023, 393, 107104. [Google Scholar] [CrossRef]
Disclaimer/Publisher’s Note: The statements, opinions and data contained in all publications are solely those of the individual author(s) and contributor(s) and not of MDPI and/or the editor(s). MDPI and/or the editor(s) disclaim responsibility for any injury to people or property resulting from any ideas, methods, instructions or products referred to in the content.

Article Metrics

Citations

Article Access Statistics

Multiple requests from the same IP address are counted as one view.