Research on Position-Feedback Control Strategy of Engineered Drilling Rig Hydro-Mechanical Composite Propulsion System
Abstract
1. Introduction
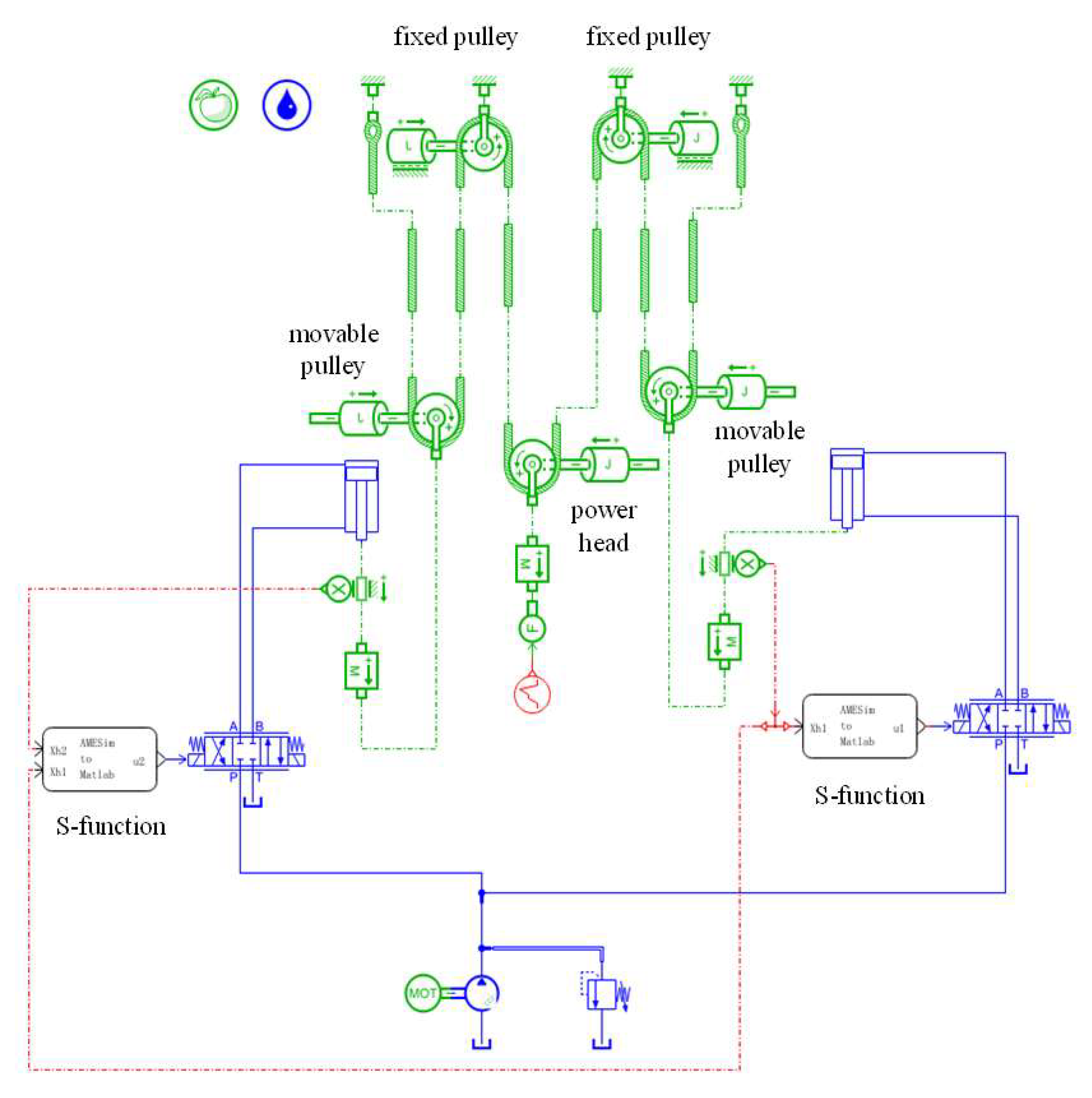
2. Working Principle of Propulsion System
3. Establishment of Theoretical Models for Propulsion Systems
3.1. Theoretical Model of Electro-Hydraulic Proportional Valve
3.2. Theoretical Model of Hydraulic Cylinder
3.3. Theoretical Model of a Pulley Block
3.4. Displacement Transfer Function of the Propulsion System
4. Modeling and Analysis of Propulsion System Control Systems
4.1. Principles of Displacement Feedback Control for Propulsion Systems
4.2. Advancing Control System Modeling
4.3. Controller Design
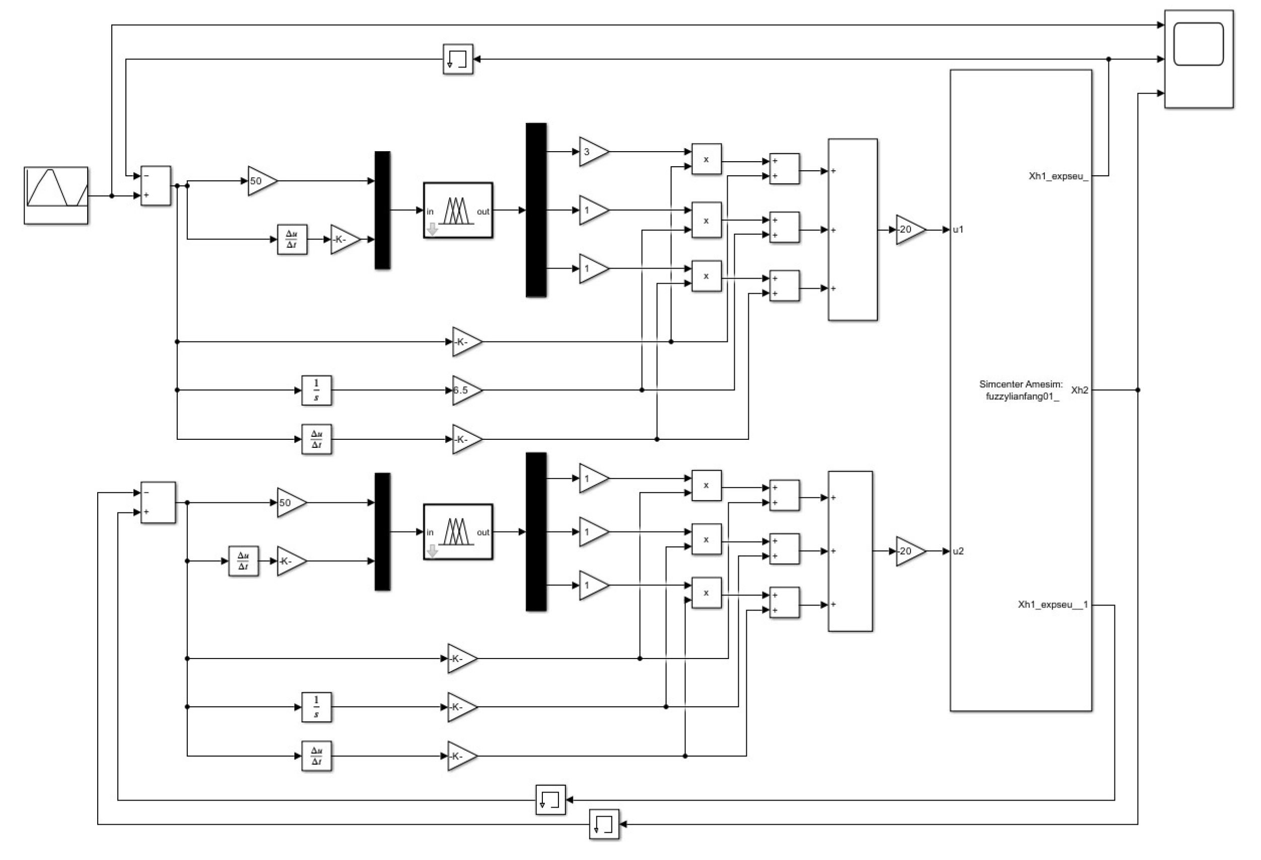
4.3.1. Design of Fuzzy PID Controller
- (1)
- For the first fuzzy controller, the input variables are the error e1 (where e1 = Ux − Ur1) and its rate of change ec1 (where ec1 = de1/dt). The universe of discourse for both e1 and ec1 is quantified and mapped to the normalized interval [−6, −4, −2, 0, 2, 4, 6]. This interval is partitioned into seven linguistic fuzzy subsets: {Negative Big (NB), Negative Medium (NM), Negative Small (NS), Zero (Z), Positive Small (PS), Positive Medium (PM), and Positive Big (PB)}. Correspondingly, the universes of discourse for the output variables, ΔKp1, ΔKi1, and ΔKd1, are also set to the interval [−6, −4, −2, 0, 2, 4, 6], which is divided into four fuzzy subsets: {Zero (Z), Positive Small (PS), Positive Medium (PM), and Positive Big (PB)}.
- (2)
- The second fuzzy controller selects input variables e2 and ec2 as fuzzy variables, where e2 = Ur2 − Ur2, ec2 = de2/dt. Other settings are consistent with the first fuzzy controller.
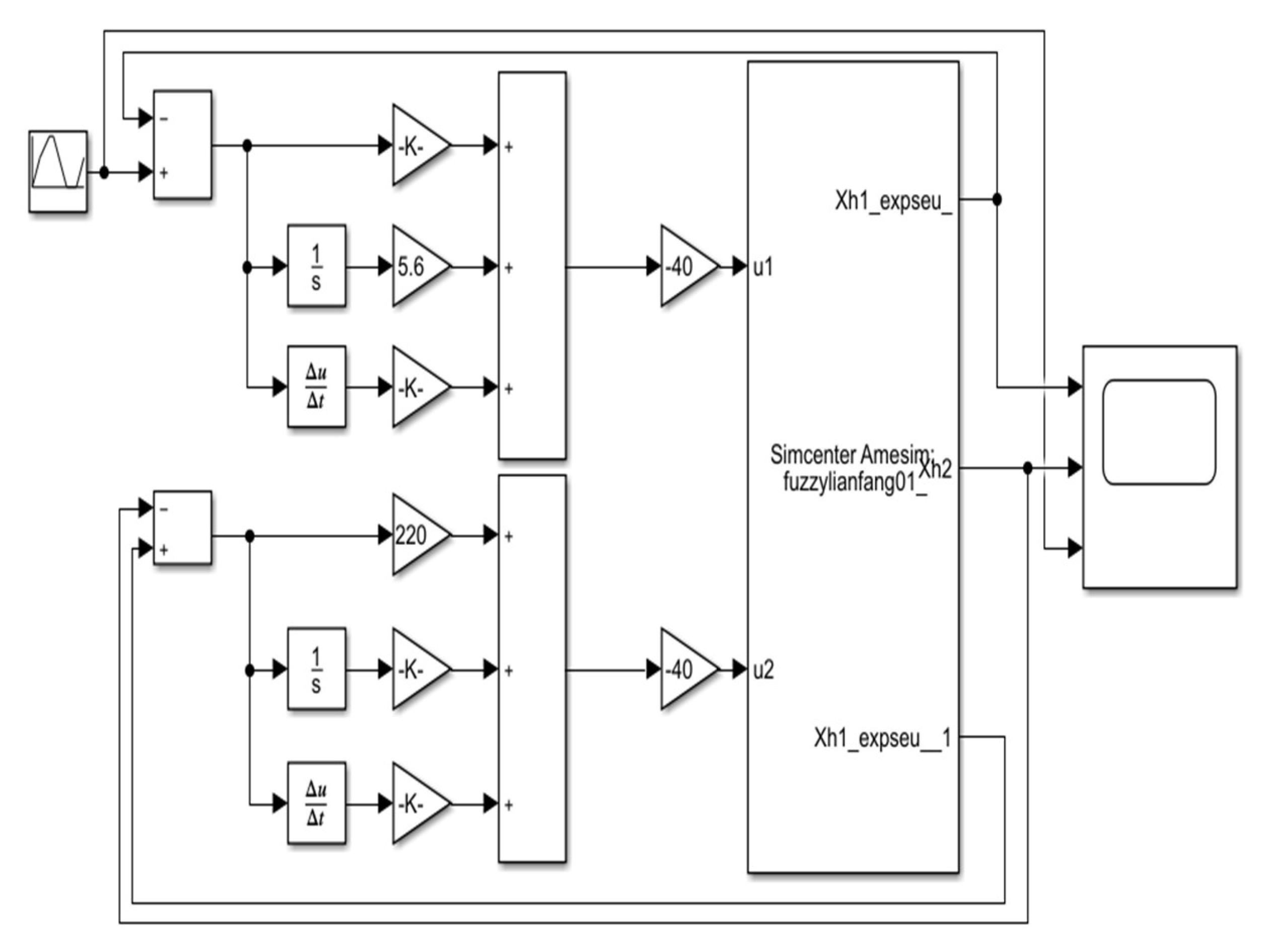
4.3.2. PID Controller Correction
4.3.3. PID Controller Correction
4.3.4. Defuzzification
4.4. Propulsion System Simulation and Analysis
4.4.1. Promote System Parameter Setting
4.4.2. Promote the Setting of Ideal Displacement Curve
4.4.3. Joint Simulation and Analysis
4.5. Experimental Prototype Display
5. Discussion
5.1. Verification of Previous Research Foundations and Working Hypotheses
5.2. Interpretation of Results and Multidimensional Analysis
5.3. Broad Impact and Industry Significance of Research Findings
5.4. Future Research Directions
6. Conclusions
- (1)
- To address the critical issues of excessive mass and poor load adaptability in existing engineering drilling rig propulsion systems, this study proposes a control strategy for a mechano-hydraulic composite electro-hydraulic proportional propulsion system based on position feedback. The technical feasibility and reliability of this scheme were validated through the establishment of a system mathematical model and comparative co-simulation analysis. This research provides essential theoretical support and technical guidance for the design of propulsion systems for engineering drilling rigs.
- (2)
- To theoretically elucidate the design principles of the mechano-hydraulic composite propulsion system, a comprehensive mathematical model was developed, from which the transfer functions of key components were derived. The model’s primary purpose was to validate the core design objective: achieving system lightweighting via a displacement multiplication effect enabled by the pulley system. The analysis confirms that the composite structure establishes a deterministic 2:1 stroke amplification ratio through kinematic magnification, providing a robust theoretical foundation for reducing hydraulic cylinder dimensions without compromising operational stroke. Additionally, the model verifies the uniform distribution of the power head’s total load across the two parallel cylinders and establishes the direct relationship between system output displacement and the electro-hydraulic proportional valve’s spool position.
- (3)
- To evaluate system performance, this study conducted a comparative simulation analysis of two control strategies: conventional PID and fuzzy adaptive PID. The results indicate that while both strategies can drive the hydraulic cylinders to track the ideal displacement, the fuzzy adaptive PID control strategy demonstrates a significantly superior performance. Under this strategy, the final positioning accuracies of cylinder 1 and cylinder 2 reached 2.3 mm and 5.6 mm, respectively, representing precision improvements of 63.49% and 46.15% compared to conventional PID control. Dynamic response analysis further confirms that the fuzzy adaptive PID controller possesses superior tracking robustness under nonlinear conditions, such as abrupt load changes.
- (4)
- Experimental investigation into the impact of regional environmental conditions on the synchronous control of drilling rigs reveals that high-altitude (4000 m) operation fundamentally alters the engine’s dynamic characteristics, necessitating the use of adaptive control methods to achieve high-precision synchronization. Our findings indicate a significant and temperature-dependent power loss of up to 29.8%, alongside pronounced instability in the low-speed range, which contrasts with the reliable performance observed in the medium-to-high speed range. These experimentally determined characteristics form the basis for designing a robust position-feedback synchronous control system. A successful control architecture must possess dual adaptive capabilities: (1) strategically selecting operational setpoints to avoid the unstable low-speed range while leveraging the stable output of the medium-to-high speed range; (2) dynamically adjusting its parameters to offset performance degradation and nonlinear effects induced by altitude and temperature variations. Therefore, the successful implementation of high-precision synchronization in such challenging environments hinges upon an intelligent control framework designed to actively suppress power input fluctuations and compensate for environmentally-induced performance degradation.
Author Contributions
Funding
Data Availability Statement
Conflicts of Interest
Abbreviations
| FLC | Fuzzy Logic Controller |
| gaussmf | Gaussian membership function |
| trimf | Triangular membership function |
| LSTM | Long Short-Term Memory |
| PID | Proportional-Integral-Derivative |
| MPC | Model Predictive Control |
| NB | Negative Big |
| NM | Negative Medium |
| NS | Negative Small |
| Z | Zero |
| PS | Positive Small |
| PM | Positive Medium |
| PB | Positive Big |
References
- Zhang, B.; Cao, X.Y.; Zhou, T.M.; Xia, H. Discussion on the Current Situation and Development Trend of Drilling Equipment Technology for Deep and Ultra—Deep Wells. Drill. Prod. Technol. 2024, 47, 141–151. [Google Scholar]
- Wu, W.R.; Xu, Z.; Shi, J. Research on the Propulsion System of Hydraulic Drilling Rig Based on High—Speed On—Off Valves. Comput. Simul. 2014, 31, 201–205, 303. [Google Scholar] [CrossRef]
- Meng, X.H. Optimization of Propulsion Force Output Efficiency of High—Power Directional Drilling Rig. Coal Mine Mach. 2020, 41, 114–116. [Google Scholar] [CrossRef]
- Chen, W.Y.; Liu, R.J.; Ni, J.Z. Modular Design of Mountain Mini-Pile Drilling Rig. Strait Sci. 2024, 1, 39–42. [Google Scholar]
- Yao, Z.T.; Xiang, Y.; Zeng, L.X.; Wang, C.; Zhu, C.; Xue, X.; Shang, L. Modified Design of Portable Drilling Rig Suitable for Overburden Drilling. Geol. Equip. 2024, 25, 1–6. [Google Scholar] [CrossRef]
- Li, L.Z.; Li, X.M.; Wang, Z.T.; Liu, X. Innovative Technology and Application of 3000 m Fast—Moving and Fast—Installing Drilling Rig. China Pet. Mach. 2021, 49, 58–63. [Google Scholar] [CrossRef]
- Han, J.W. Design of Movable Hydraulic Power Unit for All—Hydraulic Rotary Drilling Rig. Mach. Tool Hydraul. 2023, 51, 136–141. [Google Scholar]
- Wang, X.; Liu, R.; Liu, Q.; Zhang, Y. Research on tool carts based on modular drilling rig assembly. J. Phys. Conf. Ser. 2023, 2433, 012040. [Google Scholar] [CrossRef]
- Liu, Z.; Li, Y.Z.; Wei, Z.X.; Huang, J.C.; Lü, Y.; Li, H.X.; Zhang, Y.; Xiong, Z.G. Crawler-Type Walking Device. CN202111238592.7, 31 December 2021. [Google Scholar]
- Wang, H.; Fan, D.; Weng, Y. Research on control system of truck-mounted rig for coalbed methane. MATEC Web Conf. 2018, 153, 04001. [Google Scholar] [CrossRef]
- Chen, Y.-L.; Shang, T.; Li, J.; Nie, G.; Sui, H.; Chen, X. Evaluation for Energy—Saving Effect of Hybrid Drilling Rig System Based on the Logic Threshold Method. J. Terramechanics 2016, 63, 49–60. [Google Scholar] [CrossRef]
- Li, Y.; Liu, Z.; Xiong, Z.; Chen, Z.; Cai, J. Research on PID control strategy of power head propulsion system of engineering hydraulic drilling rig. J. Phys. Conf. Ser. 2023, 2483, 012043. [Google Scholar] [CrossRef]
- Liang, X.; Wu, W. Control strategy of energy saving for power system in hydraulic surface drilling rig. J. Braz. Soc. Mech. Sci. Eng. 2018, 40, 282. [Google Scholar] [CrossRef]
- Jia, C.D.; Zhao, Z.W.; Kong, X.D.; Zhang, Z.; Xu, H.; Ai, C. Research on anti-interference control of rotary drilling rig traveling system under time-varying load. J. Mech. Eng. 2024, 61, 413–422. [Google Scholar]
- Xu, X.; Tang, Q.J.; Ren, K.; Zhang, D.; Zhou, E. Analysis of construction process and research on control strategy of rotary drilling rig. J. Mech. Electr. Eng. 2023, 40, 1907–1914. [Google Scholar] [CrossRef]
- Ji, H.; Liu, S. Position deviation control of drilling machine using a nonlinear adaptive backstepping controller based on a disturbance observer. Processes 2021, 9, 237. [Google Scholar] [CrossRef]
- Zhang, Y.; Chang, J.; Fan, D.; Tian, H. Research on intelligent control algorithm for automatic drilling of vehicle-mounted rig. J. Phys. Conf. Ser. 2020, 1650, 032037. [Google Scholar] [CrossRef]
- Zhang, Z.; Guo, Y.N.; Zhu, S.; Jiao, F.; Gong, D. Global terminal sliding mode finite-time speed control for hydraulic rock bolt drill based on adaptive observer. Sci. Sin. Informationis 2024, 54, 1884–1906. [Google Scholar] [CrossRef]
- Wu, J.B.; Li, L.; Yan, Y.K.; Wang, P.J.; Wei, W. An energy-saving position control strategy for deep-sea valve-controlled hydraulic cylinder systems. J. Mar. Sci. Eng. 2022, 10, 567. [Google Scholar] [CrossRef]
- He, D.; Wang, T.; Wang, J.; Ren, Z.; Gao, X. Research on the position–pressure cooperative control strategy for full-hydraulic leveler. Adv. Mech. Eng. 2018, 10, 04001. [Google Scholar] [CrossRef]
- Zhu, Z.; Cao, P. Optimization research on drilling control system of large auger drilling rig based on IPSO. Coal Technol. 2023, 42, 213–217. [Google Scholar] [CrossRef]
- Wang, J.; Ma, W.H.; Xie, T.L.; Guo, H.; Yin, B. Design and Experiment of Hydraulic System for a New Dual—Clutch Full—Power Shift Transmission of Heavy—Duty Tractor. J. Jilin Univ. (Eng. Technol. Ed.) 2025, 55, 1806–1816. [Google Scholar]
- Li, Y.; Li, R.; Yang, J.; Yu, X.; Xu, J. Review of recent advances in the drive method of hydraulic control valve. Processes 2023, 11, 2537. [Google Scholar] [CrossRef]
- Ren, Y.F.; Xi, J.Q.; Chen, H.Y.; Yu, H.; Meng, F.; Zhou, W. Time—Frequency Domain Modeling and Analysis of Pilot—Type Electro—Hydraulic Pressure—Regulating Valve for Wet Clutch. Acta Armamentarii 2023, 44, 222–232. [Google Scholar]
- Li, X.X.; Wang, A.L.; Fan, X.C.; Li, X. Dynamic Characteristic Model and Design of Proportional Solenoid Valve for Clutch Engagement Process. J. Xi’an Jiaotong Univ. 2020, 54, 46–52. [Google Scholar] [CrossRef]
- Zhang, W.; Yuan, Q.; Xu, Y.; Wang, X.; Bai, S.; Zhao, L.; Hua, Y.; Ma, X. Research on control strategy of electro-hydraulic lifting system based on AMESim and MATLAB. Symmetry 2023, 15, 435. [Google Scholar] [CrossRef]
- Yao, R.; Bai, H.; Zhang, Y.; Cen, B.; Zou, H. Denoising Method of a Power Quality Signal Based on Parameter Coordination of Membership Function in Fuzzy Logic Theory. Processes 2025, 13, 738. [Google Scholar] [CrossRef]
- Liu, W.L.; Li, Z.J.; Zhang, G.F.; Qin, G.; Wang, Q.; Yang, Y. Testing Method for Drilling Rig Based on Real Working Condition Simulation Load Technology. Min. Saf. Environ. Prot. 2013, 40, 56–58. [Google Scholar]


















| ∆Kp/∆Ki/∆Kd | ec | |||||||
|---|---|---|---|---|---|---|---|---|
| NB | NM | NS | Z | PS | PM | PB | ||
| e | NB | PB/NB/PS | PB/NB/NS | PM/NM/NB | PM/NM/NB | PS/NS/NB | ZO/ZO/NM | ZO/ZO/PS |
| NM | PB/NB/PS | PB/NB/NS | PM/NB/NM | PS/NS/NM | PS/NS/NM | ZO/ZO/NS | NS/PS/ZO | |
| NS | PM/NB/ZO | PB/NM/NS | PM/NS/NM | PS/NS/NM | ZO/ZO/NS | NS/PM/NS | NS/PM/ZO | |
| Z | PM/NM/ZO | PM/NM/NS | PS/NS/NS | ZO/ZO/NS | NS/PS/NS | NM/PM/NS | NM/PM/ZO | |
| PS | PS/NM/ZO | PS/NM/ZO | ZO/ZO/ZO | NS/PS/ZO | NS/PS/ZO | NM/PM/ZO | NM/PB/ZO | |
| PM | PS/ZO/PB | ZO/ZO/PM | NS/PS/PM | NM/PS/PM | NM/PM/PS | NM/PB/PS | NB/NB/PB | |
| PB | ZO/ZO/PB | ZO/ZO/PM | NM/PM/PM | NM/PM/PM | NM/PM/PS | NB/PB/PS | NB/NB/PB | |
| Parameter Name | Parameter Value |
|---|---|
| Ke/Kec | 50/0.53 |
| K∆p1/K∆i1/K∆d1 | 31/0.5/0.1 |
| Parameter Name | Parameter Value |
|---|---|
| Rated displacement of hydraulic pump/(mL·r−1) | 50 |
| Motor speed (r·min−1) | 1500 |
| Maximum stroke of hydraulic cylinder/mm | 1000 |
| Diameter of piston cylinder/mm | 65 |
| Diameter of piston rod/mm | 32 |
| Operating current of electro-hydraulic proportional valves/mA | 40 |
| Operating frequency of electro-hydraulic proportional valves/Hz | 100 |
| Displacement sensor gain value | 15 |
| Moment of inertia of the sprocket/kg·m2 | 0.15 |
| Length of sprocket/m | 1.2 |
| Piston rod mass/kg | 15 |
| Diameter of sprocket/mm | 800 |
| Volumetric modulus of elasticity of the hydraulic fluid diameter of the sprocket wheel/MPa | 700 |
| Powerhead quality/kg | 200 |
| Maximum load on the propulsion system/KN | 30 |
| Parameter Name | Conventional PID Control | Fuzzy Adaptive PID Control |
|---|---|---|
| organization | Cylinder No. 1/No. 2 | Cylinder No. 1/No. 2 |
| Tolerance value/mm | 6.3/10.4 | 2.3/5.6 |
Disclaimer/Publisher’s Note: The statements, opinions and data contained in all publications are solely those of the individual author(s) and contributor(s) and not of MDPI and/or the editor(s). MDPI and/or the editor(s) disclaim responsibility for any injury to people or property resulting from any ideas, methods, instructions or products referred to in the content. |
© 2025 by the authors. Licensee MDPI, Basel, Switzerland. This article is an open access article distributed under the terms and conditions of the Creative Commons Attribution (CC BY) license (https://creativecommons.org/licenses/by/4.0/).
Share and Cite
Liu, S.; Liu, Z.; Li, Y.; Wu, D.; Zhao, H. Research on Position-Feedback Control Strategy of Engineered Drilling Rig Hydro-Mechanical Composite Propulsion System. Processes 2025, 13, 2470. https://doi.org/10.3390/pr13082470
Liu S, Liu Z, Li Y, Wu D, Zhao H. Research on Position-Feedback Control Strategy of Engineered Drilling Rig Hydro-Mechanical Composite Propulsion System. Processes. 2025; 13(8):2470. https://doi.org/10.3390/pr13082470
Chicago/Turabian StyleLiu, Sibo, Zhong Liu, Yuanzhou Li, Dandan Wu, and Hongwang Zhao. 2025. "Research on Position-Feedback Control Strategy of Engineered Drilling Rig Hydro-Mechanical Composite Propulsion System" Processes 13, no. 8: 2470. https://doi.org/10.3390/pr13082470
APA StyleLiu, S., Liu, Z., Li, Y., Wu, D., & Zhao, H. (2025). Research on Position-Feedback Control Strategy of Engineered Drilling Rig Hydro-Mechanical Composite Propulsion System. Processes, 13(8), 2470. https://doi.org/10.3390/pr13082470
