Abstract
Researchers have tended to blend isopropanol (IPA) with other fuels in diesel engines to reduce emissions and improve performance. However, low-reactivity controlled compression ignition via port injection at a low cetane number results in a well-mixed charge of low-reactivity fuel, air, and recirculated exhaust gas (EGR). This study’s novel approach combines critical elements, such as the mass fraction of port-injected IPA, EGR ratio, and charge temperature, to improve combustion characteristics and lessen emissions from a diesel engine. The results demonstrated that the injection of IPA and the installation of EGR at the inlet reduced NOx, smoke, and PM2.5. On the contrary, HC and CO increased with the port-injection of IPA and EGR. Preheating air at the inlet can suppress the emissions of HC and CO. Under 1500 rpm and 60% load, when compared to diesel at the same EGR ratio and charge temperature, the maximum smoke decrease rate (26%) and PM2.5 decrease rate (21%) occur at 35% IPA, 45 °C, and 10% EGR, while the maximum NOx decrease rate (24%) occurs at 35% IPA, 60 °C, and 20% EGR. These findings support the novelty of the research. Conversely, it modestly increased CO and HC emissions. However, port-injecting IPA increased thermal efficiency by up to 24% at 60 °C, 1500 rpm, and 60% load with EGR.
1. Introduction
The socio-economy has developed rapidly in recent years. Massive fossil fuel consumption has changed the environment. The most serious circumstantial changes, however, include the greenhouse effect, acid rain, air pollution, and others. If humans do not manage their vast usage of fossil fuels, the environmental modifications would worsen.
Taiwan is unable to generate its energy and must rely on imports. Excessive reliance on imports may result in an energy catastrophe. As a result, developing alternative fuels is the key to reducing environmental pollution and increasing energy independence. Diesel engines widely offer power sources for off-road and on-road vehicles, agricultural equipment, marine propulsion, and so forth [1]. However, an overreliance on fossil fuels caused both fuel and environmental disasters. Diesel engines emit harmful pollutants, including PM2.5, HC, NOx, smoke, and others, into the atmosphere and living environment. PM2.5 pollutants from diesel engines can penetrate the bronchi in human lungs to impair human health [2].
Multiple-fuel mode, such as a blend of fuels with diesel oil or non-diesel fuels injected at the intake port, is an effective way to save energy and diminish pollution in a diesel engine. Commonly used non-diesel fuels include alcohol, higher alcohols, biodiesel, and so forth [3,4,5]. In addition to alcohol, the non-diesel fuels injected through the intake port may include gasoline, dimethyl ether (DME), liquefied petroleum gas (LPG), natural gas, biogas, and others. Mao et al. [6] inspected the effect of mixing fractions of blended diesel, biodiesel, and n-butanol on combustion. They discovered that blended fuels reduced CO and HC pollutants compared with diesel oil at varying loads. Wu et al. [7] investigated how different energy-sharing ratios of ethanol or gasoline fed into the intake port affected chemical reactions and pollutants in a compression ignition engine within a closed-cycle diesel engine (CCDE) assembly. The CCDE assembly effectively lessened CO2, smoke, and NOx by injecting gasoline and ethanol through the port. Redel-Macías et al. [8] analyzed noise from a diesel engine employing ethanol, butanol, propanol, and diesel oil mixtures. Of all the mixtures, butanol produced the least noise departure from diesel oil. Stepanenko et al. [9] analyzed the effect of DME energy-share ratios (0–25%) on the combustion characteristics of a diesel engine. NOx emissions rose with an increase in DME concentration when using the EGR mode. Wu et al. [10] employed the Taguchi technique to determine the optimal biodiesel blending ratio, LPG premixed ratio, and EGR percentage in a CI engine. The optimal combination of settings diminished smoke by 52%, NOx by 31%, and brake-specific fuel consumption (BSFC) by 23.3% as compared to the neat diesel. Adding a diesel/biodiesel mixture, EGR, and LPG stabilized the engine due to lower COV (IMEP). Kamei et al. [11] utilized LPG (36–64%) to study combustion characteristics, CO, HC, NOx, and smoke from a diesel engine at varying loads (20–70%). An oxidation catalytic converter lessened HC emissions by 38–87% as compared to the diesel mode. Smoke was 92% to 96% lower than in diesel mode. Smoke emissions were 92% to 96% lower than in diesel mode. Nguyen et al. [12] analyzed the effect of DME (0–75%, a 25% increase) blended with diesel on the diesel engine performance when using LPG as the primary fuel. CO and HC emissions abated using the fuel blend while NOx levels slightly increased. Yang et al. [13] investigated how ethanol injection affected the diesel engine performance. The CO, NOx, and soot levels fell with the rising pilot injection timing. The BSFC rose in proportion to the volume and timing of the pilot injection. Wu et al. [14] estimated the optimum methanol injection timing, energy-share ratio, and charge temperature in a diesel engine by injecting methanol at the suction port and heating the intake charge. They found that the optimally combined factors resulted in a maximum decrease in CO by 32.4%, HC by 8.6%, NOx by 61.7%, and smoke by 41.5%. Luo et al. [15] employed one-dimensional modeling and three-dimensional CFD modeling to explore combustion characteristics and pollutants of the diesel engine with diesel/natural gas based on various injection approaches. Suitable primary post-injection approaches can improve combustion and emission characteristics, particularly reducing CO and NOx emissions. de Luna et al. [16] mixed natural gas with air in all stages of the turbocharged four-cylinder diesel engine. The natural gas/diesel engine obtained cost savings of 53% at the highest power level, decreasing NOx levels and increasing CO emissions at lower and medium loads. Caprioli et al. [17] evaluated how a biogas and diesel oil blend modified the chemical reactions and pollutants of the diesel engine, altering the injector tip position and the piston bowl radius. A deep cylindrical bowl with a smaller radius had better thermodynamic efficiency and fewer pollutants at a low load. A cylindrical bowl with a radius of 23 mm lessened NOx by 38% at the same brake thermal efficiency ().
IPA offers several advantages over gasoline and other energy sources. These include the fact that it contains no sulfur components, is stable, non-corrosive, micro-toxic, and non-carcinogenic, blends well in the air, and can enable CI engines to burn completely due to oxygen content [18]. For the above advantages of IPA, scholars began to apply it in internal combustion engines to develop better technology for this promising alternative fuel, preventing the internal combustion engine from consuming fossil fuel and emitting pollution. Zhang et al. [19] analyzed PM and NOx pollutants from a diesel engine employing gasoline and IPA mixtures. IPA lessened PM pollution and increased NOx emissions more than gasoline applied to the blend of 70% diesel, 20% gasoline, and 10% IPA in a diesel engine with EGR for low emissions. Ilçin and Altun [20] examined how biodiesel addition (20% and 40% by volume) in a blend of isopropanol–butanol–ethanol (IBE) with petroleum-based diesel (70% v/v) affected the combustion and emission characteristics of a diesel engine. The blended fuels abated CO emissions by 44–66%, smoke opacity by 27–41%, and unburnt HC emissions to 31.8% but increased NOx emissions by 5–24.6% compared to diesel. Rayapureddy et al. [21] inspected pollutants and chemical reactions in the diesel engine for various IPA, Rapeseed Methyl Ester, diesel, and rapeseed oil blends. Ilçin et al. [22] explored combustion characteristics of mixtures of IBE and diesel fuel at 10–30% with an increase of 10% in a compression ignition engine. While IBE30 reduced smoke opacity to 64%, NOx emissions increased by approximately 10% compared to diesel fuel. The decline in injection advances lessened pressure and heat release rate, while NOx emissions rose gradually to 54% with increased injection advance. Chen et al. [23] investigated the pollutants and performance within the diesel engine utilizing variant mixtures of diesel oil, IPA, and n-pentanol. Mixing IPA and diesel improved chemical reactions and abated emissions compared to n-pentanol. Selvam et al. [24] focused on supporting decarbonizations through the transformation of uneatable Caesalpinia bonduc seed oil into biodiesel through a two-stage transesterification process. They presented isopropanol at 10% and 20% to enhance combustion efficiency and emissions characteristics. Liu et al. [25] showed that the first maximum heat release rate, BSFC, and burning interval declined when the blending ratio of diesel oil and IPA rose, and the second maximum heat release rate increased. Blending IPA diminished CO and soot pollutants. When delaying the injection timing, BSFC, THC, CO, and soot pollutants dropped. However, NOx pollutants rose. Okcu et al. [26] employed an IBE mixture in a volume ratio of 3:6:1 as low-reactivity fuel (LRF) blended with diesel and biodiesel. They changed the premixed ratio (PR) (0–60%) with an increase (15%) in reactivity-controlled compression ignition combustion. The engine produced the lowest smoke opacity (97%) with a simultaneous reduction in NOx and smoke opacity under 60% load and up to 30% PR with a slight increase in unburned HC emissions utilizing the blended fuel. Talamala et al. [27] analyzed vibration, combustion efficiency, and pollutants of an indirect injection compression ignition engine with IPA of 2–5/95% in rice bran methyl ester. Adding IPA at 2% increased thermal efficiency by 4.3% and abated smoke by 27.5%, NOx by 36.5%, and CO by 14%. Halis et al. [28] explored how PR and intake air temperature (IAT) modified the operating range, combustion characteristics, and emissions using IPA and n-heptane. The minimum BSFC was at 268 g/kWh with an intake air temperature of 70 °C, while the lowest NOx emissions were at an intake air temperature of 30 °C. At an intake air temperature of 30 °C, the maximum HC emission was 586 ppm. The minimum CO emission occurred at an intake air temperature of 70 °C with a rate of 0.142%. Babu et al. [29] injected 2%, 3%, 4%, and 5% IPA into the indirect injection engine at the end of air intake and injected the biodiesel and diesel blend at the end of the compression process. Injecting IPA (2%) into the main chamber and pre-combustion chamber could improve combustion efficiency and heat release rate. Chen et al. [23] investigated how n-pentanol or IPA blended with diesel affected the combustion efficiency and pollutants of a diesel engine. D80IP20 and D80NP20 lowered the particle volume and particle number concentrations while increasing NOx more than neat diesel. IPA blended with diesel improved diesel engine combustion, and the pollutants were better than those of n-pentanol. Gong et al. [30] attempted to assess how gasoline/IPA blends with EGR in a diesel engine affected exhaust emissions. Their experimental results indicated that NOx increased at mixing ratios of 0–20%; however, the NOx dropped when the mixing ratio reached 40%. Li et al. [31] studied soot formation characteristics of an IPA, butanol, ethanol, and diesel oil mixture employing the forward illumination light extinction technique. The surrounding temperature diminished the soot formation. The blend could abate soot pollutants.
Over the past decades, several articles have reported preheating the air at the inlet with a diesel engine. Nguyen et al. [32] validated CFD models with engine test data. Less air to cool the combustion chamber coupled with elevated charge air temperatures raised in-cylinder peak temperature, causing a significant rise in NO emissions. The abundant charge air helped to cool the combustion chamber, decreasing the in-cylinder peak temperature and the thermal NO formation. Uyumaz [33] explored how intake temperature affected an HCCI gasoline engine. Raising the blending ratio of IPA and n-heptane would cause delayed combustion. Increasing the inlet charge temperature could advance combustion in the HCCI gasoline engine. Dev et al. [34] analyzed the effect of engine operating parameters, including EGR ratio, intake pressure, intake temperature, injection pressure, multiple injections, and engine fluid temperatures, on NOx emissions, exhaust temperature, and fuel consumption in a single-cylinder, heavy-duty diesel engine. A moderate level of EGR acquires the benefit of decreasing NOx emissions while raising the intake charge temperature. Kim et al. [35] examined the impact of inlet temperature and injection timing on diesel engine operating characteristics and exhaust pollutants when using biodiesel. The net IMEP was high, and NOx and HC pollutants were small when the injection started with six and nine degrees of BTC. NOx and the net IMEP rose, but CO, PM, and HC emissions fell as the intake temperature rose. Papagiannakis [36] investigated how EGR, natural gas, and air suction heating changed engine pollutants and performance. Preheating the air suction without EGR significantly enhanced engine efficiency (20% at high loads). Soot emissions, as well as CO emissions, were curtailed on dual-fuel engines by air inlet preheating. The level of CO reduction occurred at 40% at a high load. Teoh et al. [37] checked how intake air temperature and premixed diesel fuel impacted fuel self-ignition characteristics in a partial homogeneous charge compression ignition (HCCI) engine. The inlet air temperature had a greater effect on the low-temperature reaction and HCCI combustion timing, while increasing the premixed ratio decreased NOx emissions. Sarkar et al. [38] analyzed the impact of equivalence ratio and inlet charge temperature on pollutants and operating characteristics of the diesel engine employing biogas and mixtures of diesel–biodiesel–butanol, biodiesel–diethyl ether, and diesel–biodiesel–ethanol. Kim et al. [39] found that the inlet heating not only improved the premixed fuel and air but also promoted the reaction of premixed fuel at low temperatures. Feroskhan et al. [40] investigated how the intake charge temperature affected diesel engine performance when operated with biogas and diesel blends. The volumetric efficiency dropped as intake air temperature increased and the biogas mass rate rose. Air replacement by biogas raised the exhaust gas temperature and overall equivalence ratio.
In the cited literature survey, although using IPA in compression ignition engines as the auxiliary fuel was available in the past, most experimental papers frequently mixed IPA with diesel or other fuels in a diesel engine without charge heating. However, low- reactivity controlled compression ignition through port injection at a low cetane number creates a well-mixed charge of low-reactivity fuel, air, and EGR over the engine operating range. The low-reactivity charge needs some degree of compensation by elevated charge temperature. The novelty of this paper integrates significant factors, including the mass fraction of port-injected IPA, charge temperature, and EGR ratio, to improve performance and lower pollutants in a compression ignition engine. Rather than presenting previous information, the uniqueness of this study lies in its novel research that delivers new scientific significance. As a result, the findings of this study may receive the interest of researchers in promoting combustion performance and reducing smoke, NOx, and PM2.5 emissions from a compression ignition engine.
2. Experimental Arrangement
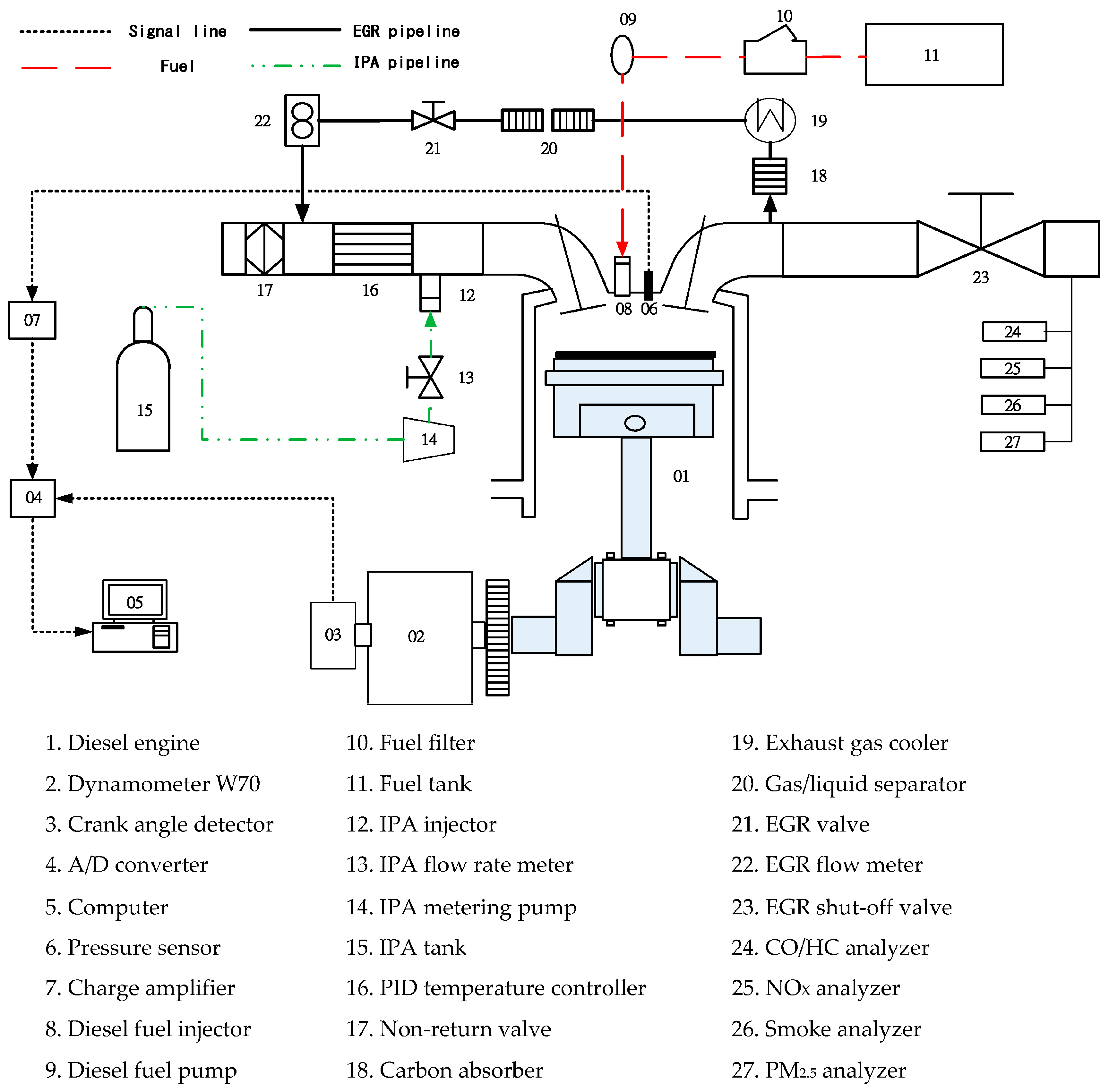
Figure 1 shows a block diagram of the test devices employed in this research. Figure 2 depicts the test arrangement picture. This study installed an IPA port-injecting system, an EGR, and a charge heating device for a RK-125 CI engine by KUBOTA, Inc., Osaka, Japan with the details displayed in Table 1. Fuel consumption is delivered through a scaled glass tube to measure the flow rate of diesel. The installation of the IPA-inducing system includes an IPA storage tank, an IPA pump, and an IPA nozzle. The IPA flow rate for the experiment settings can be measurable by the flow rate meter (Model LSFJM SuperMicrow, OVAL, Inc., Tokyo, Japan) and the associated metering pump pressure. A pump from the IPA tank injects IPA through a nozzle at the suction pipe, with IPA supplies of 15%, 25%, and 35% mass fractions. The intake heating system would decrease the pollutants of CO and HC, and the EGR system would effectively diminish pollutants of NOx. The experiment added a resistive heater in the inlet section and a PID temperature control system. After the charge reaches the target temperature (45 °C, 60 °C, or 75 °C), the controller enters temperature maintenance mode. In addition, if the study were to change the intake charge temperature, slightly adjusting the power supply output can stabilize the intake charge temperature. The EGR system contains EGR shut-off valves, carbon particle absorbers, exhaust coolers, steam traps, exhaust gas regulators, and EGR lines. Employing the by cylinder-pressure transducer, Kistler 5011B charge amplifier by KISTLER, Inc., Winterthur, Switzerland and NI PCI-6259 acquisition system (NI, Inc., USA) via a computer obtained the within-cylinder pressure. Extracting pressure data within the engine cylinder would provide an estimate of combustion performance and heat release rate. Utilizing EAM3.011 (BOSCH, Inc., Germany) allowed us to measure smoke pollutants; applying ACHO Physics CLD-60 (ECO PHYSICS, Inc., U.S.) allowed us to measure NOx pollutants, and using MEXA-584L (HORIBA, Inc., Japan) enabled the detection of CO/HC pollutants. Extracting a gas sample allowed us to detect PM2.5 emitted from the discharge pipe at a predetermined constant flow rate. The study inserted a particulate trap and suction nozzle into the measuring hole of an exhaust pipe to measure the concentration of PM2.5. In addition, at a predetermined measurement point, particle matter should be sampled at the end of the suction nozzle using the constant-flow approach with isokinetic suction. The detailed regulation is available in NIEA A101.75C [41]. Our earlier article [42] has mentioned the experimental procedure for measuring PM2.5. The authors employed a surge tank to smooth out the intake flow. First, allow the engine to run steadily at varying speeds (1200–1800 rpm, a 300-rpm increment) and loads (40%, 60%, and 80%). Before proceeding with the experiment, confirm that the instrument is in a good state. Warm up all experimental instruments for at least 30 min. Finally, calibrate the measuring machines. The sampling periods run for 20 min.
Figure 1.
Illustration diagram of the test arrangement.

Figure 2.
Picture view of the test arrangement.
Table 1.
KUBOTA RK125 diesel engine details.
Table 2 shows the detection accuracy and extent of the pollutant analyzers. The measurement uncertainty of this work is calculated based on the method presented by Holman [43], as indicated in Table 3.
Table 2.
Range and accuracy of gas analyzers.
Table 3.
Uncertainty of measurement.
3. Methodology Descriptions
Brake power (BP) delivered by a crankshaft equals torque multiplied by engine speed, which is employed to estimate the operation characteristics of the diesel engine. represents the engine’s BP compared to the thermal energy released by the fuel in the combustion process. The experimental fuels are diesel fuel and IPA. Both consumed fuels must be separately measured to calculate the total thermal energy. Employ the dynamometer to measure actual BP. Therefore, employ Equation (1) to compute .
where BP represents the break power (kW), the diesel mass flow rate, the IPA mass flow rate, the lower heating value of diesel oil (J/g), and the lower heating value of IPA (J/g). Utilize Equation (2) to calculate BSFC [1] based on the fuel consumption rate divided by the engine shaft power.
where . Measuring the diesel fuel consumed volume rate yields the diesel fuel mass rate, and the IPA mass rate is derived using the IPA volume rate under typical conditions. Since BSFC is achievable with a fixed load, it can offer the consumption rate of total fuel. Moreover, and BSFC are available to measure the energy use when adding the IPA.
The heat release rate allows the study to comprehend the combustion stages. Its specific form is complicated and adaptable. When the specific heat ratio is variable, Equation (3) expresses the heat release rate [44,45].
Equation (3) converts mass and energy in closed systems, with dQ/dθ representing the heat release rate (J/deg), θ the crank angle in degrees, p the cylinder pressure (Pa), and V the cylinder volume (m3). stands for the specific heat ratio computed from the temperature and components of in-cylinder gases [34]. Assuming is a variable, we compute d/dθ.
There are many factors affecting combustion. The engine operates under different operating conditions, and each combustion cycle is different. If the change in COV(IMEP) is too high, the engine combustion will be abnormal, and the operation will be unstable [46]. The cycle variation in IMEP for multiple cycles is calculable by the following formula:
where represents standard deviation; denotes the average IMEP of multiple cycles; is the IMEP of the ith cycle; N is the number of sample cycles, equal to 50 in this study.
4. Results and Discussion
4.1. Combustion Performance
COV (IMEP), Within-Cylinder Pressure, and This study continuously recorded the cylinder pressure over fifty engine cycles during the experiment. The purpose is to evaluate the stability of engine operation. Figure 3 shows COV(IMEP) versus load with different EGR ratios, IPA mass fractions, and varying charge temperatures. The lower the COV(IMEP) is, the higher the engine stability becomes. When COV(IMEP) exceeds 10%, the engine often has unstable operation and combustion difficulties [46]. Since the COV (IMEP) values are much less than 10%, the engine operates stably throughout the experiment. Figure 3 shows that the engine operating at 1500 rpm has the smallest COV(IMEP) in all operating conditions (from 1.54% to 3.09%, 1.55% to 2.99%, and 1.31% to 2.57%). This study then contrasts all of the findings at 1500 rpm with a smaller COV(IMEP). The COV(IMEP) value rises as the proportion of EGR increases. The reason is that introducing EGR causes less complete combustion and reduces post-combustion oxidation. It can cause the engine to become unstable. However, the cyclic variation caused by these experimental parameters is still low. Therefore, port-injecting IPA and EGR to the intake does not cause unstable engine operation. Figure 4 displays how the EGR ratio and the IPA mass fraction modify in-cylinder pressure. The peak in-cylinder pressure drops as a result of the induced EGR.

Figure 3.
Effect of EGR ratio and IPA mass fraction on COV (IMEP) for different loads at 1500 rpm and (a) intake temperature of 45 °C, (b) intake temperature of 60 °C, and (c) intake temperature of 75 °C.

Figure 4.
Impact of EGR ratio and IPA mass fraction on in-cylinder pressure at intake temperature of 60 °C and 1500 rpm and (a) 40% load, (b) 60% load, and (c) 80% load.
A rise in the EGR ratio lowers the oxygen mole fraction, and adding EGR also slows the mixing of O2 with the fuel, diminishing the spread of the flame zone. The port injection of IPA causes an increase in peak cylinder pressure. For the 60% load, the maximum pressure is 63.33 bar with the diesel fuel, and the maximum pressure is 65.24 bar with the port injection of IPA without EGR. On the contrary, when adding EGR, the peak pressure is 62.8 bar, and the peak pressure is 64.34 bar when port-injecting IPA. Figure 5 illustrates the effect of EGR ratios and mass fractions of IPA on heat release rate. IPA has a longer ignition delay due to greater vaporization latent heat and a lower cetane number. A long ignition delay accumulates more fuel to enter premixed burning, and combining an IPA–air mixture with diesel fuel produces the highest heat release rate. Moreover, introducing EGR reduces peak pressure and cylinder temperature generated by diluting oxygen. Therefore, for the above phenomenon, the heat release rate of port-injecting IPA at the inlet for the diesel engine increases. As indicated in Figure 5, port-injecting IPA at a mass fraction of 35% into the compression ignition engine without EGR acquires the maximum peak heat release rate in each figure. The diesel fuel with 30% EGR achieves the minimum peak heat release rate. Figure 6 shows the variation for loads of 40%, 60%, and 80% and intake temperature of 60 °C under various EGR ratios and mass fractions of IPA. The drops obviously with the rising EGR ratio. For any load, adding EGR has an inverse effect on combustion, resulting in a smaller . On the contrary, the port injection of IPA as an auxiliary fuel can improve . The maximum increase rate, 24% at 35% IPA addition compared to diesel, appears with a 10% EGR ratio and 60% engine load. This trend occurred in reference [21] when blending with IPA. The phenomenon is due to the IPA, which has a smaller heating value and contains oxygen. One reason is that the lower heating value and replacement of some diesel fuel with IPA lead to lower total input energy of fuel. The other is that the oxygenated feature increases the engine’s combustion performance.

Figure 5.
Influence of EGR ratio and IPA mass fraction on heat release rate at intake temperature of 60 °C and 1500 rpm and (a) 40% load, (b) 60% load, and (c) 80% load.
Figure 6.
Effect of EGR ratio and IPA mass fraction on at intake temperature of 60 °C and 1500 rpm and (a) 40% load, (b) 60% load, and (c) 80% load.
Figure 7 displays the BSFC change for loads of 40%, 60%, and 80% and an intake temperature of 60 °C under various EGR ratios and mass fractions of IPA. Equation (2) calculates the BSFC using diesel oil and IPA as fuels. The BSFC rises in direct proportion to the EGR ratio. The maximum BSFC increase rate, 10.7% at a 30% EGR ratio compared to diesel at a 10% EGR ratio, occurs with 15% IPA port injection and 80% engine load. The maximum BSFC decrease rate, 10.5%, at an IPA port injection rate of 35%, appears with a 10% EGR ratio and 60% engine load compared to diesel. This is because the IPA replaces some diesel fuel, and the oxygenated feature improves the burning performance of the engine.
Figure 7.
Impact of EGR ratio and IPA mass fraction on BSFC at intake temperature of 60 °C and 1500 rpm and (a) 40% load, (b) 60% load, and (c) 80% load.
4.2. Effect on Emissions (NOx, Smoke, CO, PM2.5, and HC)
As illustrated in Figure 8, NOx declines with an increase in IPA injection quantity for the engine at 1500 rpm and 60% loads. The IPA has a larger vaporization latent heat than diesel oil, as well as a lower heating value and cetane number, and is injected via a port to produce a well-mixed charge of low-reactivity fuel, air, and EGR. The above characteristics suppress the maximum combustion temperature, which is not conducive to NOx generation. In contrast with diesel, the emitted NOx concentration has a decreasing trend. The trend is different from the reference with blending IPA [30] due to a low reactivity charge. In addition, NOx diminishes as the EGR ratio rises under the same inlet charge temperature since introducing EGR dilutes the oxygen concentrations in the gas blend at the inlet and decreases the combustion temperature. In comparison to diesel, NOx levels drop to 24% at an intake temperature of 60 °C, 20% EGR, and 35% IPA.

Figure 8.
Influence of EGR ratio and IPA mass fraction on NOx at 1500 rpm, 60% load and (a) 45 °C, (b) 60 °C, and (c) 75 °C intake temperatures.
Figure 9 shows that adding IPA to the inlet significantly reduces smoke concentration compared to diesel oil because the amount of diesel in the direct spray decreases due to the increased IPA, and the local rich zones drop. The combustion process will be sufficient and complete to suppress the smoke generation. Moreover, increasing the EGR will reduce the oxygen concentration and lead to incomplete combustion. This phenomenon will increase the formation of smoke. An increase in inlet charge temperature slightly increases smoke formation due to combustion-generated carbonaceous material. Smoke diminishes up to 26% at 45 °C intake temperature, 10% EGR, and 35% IPA compared to diesel. Therefore, the results illustrate that port-injecting IPA can suppress the amount of smoke. The findings of smoke reduction are similar to those of the reference with blending IPA [30].

Figure 9.
Effect of EGR ratio and IPA mass fraction on smoke at 1500 rpm, 60% load and (a) 45 °C, (b) 60 °C, and (c) 75 °C intake temperatures.
As depicted in Figure 10, the study examines the effects of IPA mass fractions, EGR ratio, and intake charge temperature on CO at 1500 rpm and various loads (40%, 60%, and 80%).

Figure 10.
Impact of EGR ratio and IPA mass fraction on CO at 1500 rpm, 60% load and (a) 45 °C, (b) 60 °C, and (c) 75 °C intake temperatures.
Port-injecting IPA causes the CO concentration of emission to increase because the IPA has a higher latent heat of evaporation. This characteristic lowers the in-cylinder temperature. It will bring about incomplete combustion when the cylinder temperature drops. Increasing the EGR ratio raises CO at the same intake charge temperature, consistent with earlier work [36]. The reason is that introducing the EGR decreases the oxygen concentrations in the cylinder, making combustion worse. Increasing intake temperature can inhibit CO formation because the higher intake charge temperature makes the air and IPA mixture uniform and raises the burned gas temperature. Both phenomena increase the combustion efficiency due to the complete combustion. Figure 11 illustrates how the EGR ratio and IPA mass fraction affect PM2.5 at varying intake temperatures. This figure shows that port-injecting IPA can suppress PM2.5 generation because IPA contains more oxygen and less carbon content. Adding EGR dilutes the oxygen contents, causing incomplete combustion to increase carbonaceous material. Rising intake temperature causes more combustion-generated carbonaceous material to absorb organic compounds under the same EGR ratio. The above two effects contribute to more PM2.5. As a result, port-injecting IPA leads to a significant reduction in PM2.5 emissions. PM2.5 declines to 21% at 45 °C intake temperature, 10% EGR, and 35% IPA compared with diesel.

Figure 11.
Variations in PM2.5 with various EGR ratios and IPA mass fractions at 1500 rpm, 60% load, and (a) 45 °C, (b) 60 °C, and (c) 75 °C intake temperatures.
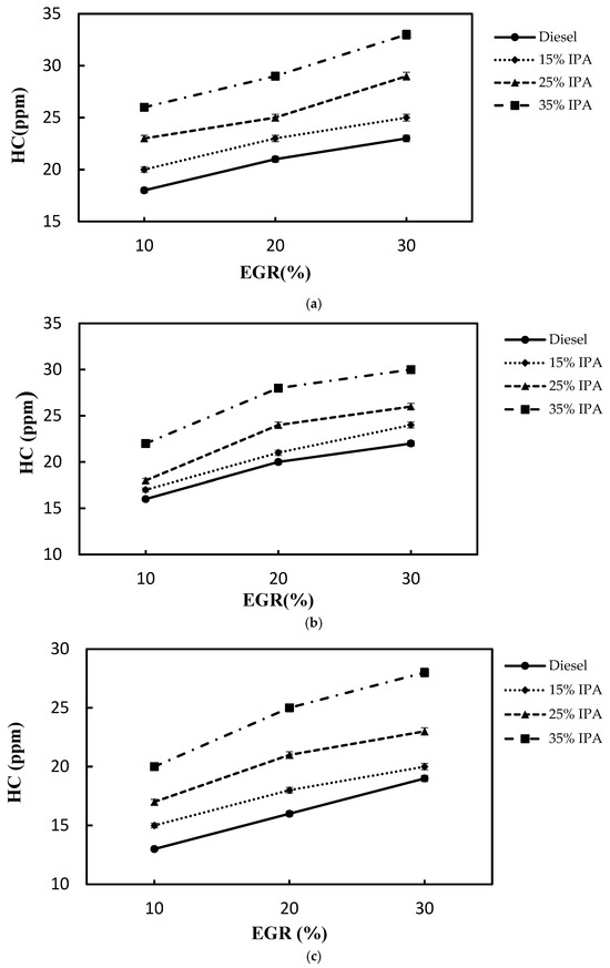
Figure 12 indicates that the discharged HC tends to rise with an increased IPA injection amount at the same intake charge temperature because IPA achieves a higher evaporation latent heat than diesel oil, which may cause incomplete combustion and increase the thickness of the quenched layer. Therefore, the injection of IPA at the intake increases the concentration of HC emission relative to diesel fuel. The HC pollutants grow as the EGR ratio rises at the same intake charge temperature because increasing the EGR ratio lowers the flame temperature, making combustion less likely. Moreover, increasing the inlet charge temperature raises the bulk gas temperature, which reduces the ignition delay and results in a leaner fuel–air mixture for the same IPA mass fraction and EGR ratio, shown in Figure 8, Figure 9, Figure 10, Figure 11 and Figure 12. It can contribute to the oxidation of HC, CO, and PM2.5, as well as NOx formation. Reference [35] likewise depicted decreases in HC and CO, as well as increases in PM and NOx, when the inlet temperature increased.
Figure 12.
Influence of EGR ratio and IPA mass fraction on HC w at 1500 rpm, 60% load and (a) 45 °C, (b) 60 °C, and (c) 75 °C intake temperatures.
5. Conclusions
The authors examine the combustion characteristics and pollution by integrating IPA port injection, EGR induction, and preheated intake air in a diesel engine. The experiment parameters included various EGR ratios (10%, 20%, and 30%), intake temperatures (45 °C, 60 °C, 75 °C), loads (40%, 60%, 80%), and IPA mass fractions (15%, 25%, and 35%) at 1500 rpm. The research’s novelty, demonstrated by the results of a comparison with previous articles, integrates the mass percentage of port-injected IPA, charge temperature, and EGR ratio to improve operation characteristics and reduce pollutants in a compression ignition engine. This study concludes as follows: Port-injecting IPA boosts in-cylinder pressure and heat release rate. Furthermore, port-injecting IPA causes no unstable combustion and lessens NOx, smoke, and PM2.5 pollutants from the diesel engine. At 1500 rpm and 60% load, compared to diesel at the same EGR ratio and inlet temperature, the highest smoke reduction rate (26%) and the highest PM2.5 reduction rate (21%) both occur at 35% IPA, 45 °C, and 10% EGR, while the maximum NOx decrease rate (24%) is at 35% IPA, 60 °C, and 20% EGR. Conversely, it increases the emissions of CO and HC, which are typically significantly lower than gasoline engines [46]. In contrast with diesel fuel, port-injecting IPA can enhance the brake thermal efficiency. The rise rate can reach 24% at 1500 rpm and 60% load at 60 °C. No previous article results were available for the combination of port-injected IPA, inlet air temperature, and EGR. However, this study’s outcomes demonstrate that integrating port-injected IPA, inlet air temperature, and EGR promotes brake thermal efficiency while decreasing exhaust pollutants.
Author Contributions
Conceptualization, H.-W.W.; experiment and software, P.-H.H.; validation, T.-W.Y.; formal analysis, P.-H.H.; investigation, T.-W.Y.; writing—original draft preparation, H.-W.W. and P.-H.H.; writing—review and editing, H.-W.W.; funding acquisition, H.-W.W. All authors have read and agreed to the published version of the manuscript.
Funding
This study would not have been possible without the financial assistance of the Ministry of Science and Technology of Taiwan, ROC, through MOST 106-2221-E-006-116-MY3.
Data Availability Statement
The original contributions presented in this study are included in the article. Further inquiries can be directed to the corresponding author.
Conflicts of Interest
The authors declare no conflicts of interest.
Abbreviations
The following abbreviations are used in this manuscript:
| BP | Brake power (kW) |
| BSFC | Brake-specific fuel consumption (g/kW-h) |
| COV(IMEP) | Coefficient of variance for IMEP (%) |
| EGR ratio | Exhaust gas recirculation ratio (%) |
| IMEP | Indicated mean effective pressure (bar) |
| Averaged mean effective pressure (bar) | |
| LHV | Lower heating value (kJ/g) |
| Mass rate (g/h) | |
| N | Sampling cycle number |
| NOx | Nitric oxide concentrations (ppm) |
| p | In-cylinder pressure (bar) |
| ppm | Parts per million |
| Q | Heat release (J) |
| rpm | Revolutions per minute |
| T | Gas temperature (K) |
| V | Volume (m3) |
| Specific heat ratio | |
| Brake thermal efficiency (%) | |
| θ | Crank angle (degrees) |
| Standard deviation | |
| Subscripts | |
| a | Actual |
| air | Air |
| D | Diesel oil |
| i | The ith cycle |
| IPA | Isopropanol |
| s | Stoichiometric |
References
- Kirkpatrick, A.T. Internal Combustion Engines: Applied Thermosciences, 4th ed.; John Wiley & Sons: Hoboken, NJ, USA, 2020. [Google Scholar]
- Xing, Y.F.; Xu, Y.H.; Shi, M.H.; Lian, Y.X. The impact of PM2.5 on the human respiratory system. J. Thorac. Dis. 2016, 8, 69–74. [Google Scholar]
- Das, A.K.; Sahu, S.K.; Panda, A.K. Current status and prospects of alternate liquid transportation fuels in compression ignition engines: A critical review. Renew. Sustain. Energy Rev. 2022, 161, 112358. [Google Scholar] [CrossRef]
- Zhang, Y.H.; Zhong, Y.H.; Lu, S.S.; Zhang, Z.Q.; Tan, D.L. A Comprehensive Review of the Properties, Performance, Combustion, and Emissions of the Diesel Engine Fueled with Different Generations of Biodiesel. Processes 2022, 10, 1178. [Google Scholar] [CrossRef]
- Truong, T.T.; Nguyen, X.P.; Pham, V.V.; Le, V.V.; Le, A.T.; Bui, V.T. Effect of alcohol additives on diesel engine performance: A review. Source Energy Sources Part A—Recovery Util. Environ. Eff. 2025, 47, 2011490. [Google Scholar] [CrossRef]
- Mao, C.F.; Wei, J.W.; Wu, X.; Ukaew, A. Performance and exhaust emissions from diesel engines with different blending ratios of biofuels. Processes 2024, 12, 501. [Google Scholar] [CrossRef]
- Wu, H.W.; Wang, R.H.; Chen, Y.C.; Ou, D.J.; Chen, T.Y. Influence of port-inducted ethanol or gasoline on combustion and emission of a closed cycle diesel engine. Energy 2014, 64, 259–267. [Google Scholar] [CrossRef]
- Redel-Macías, M.D.; Pinzi, S.; Babaie, M.; Cubero-Atienza, A.Z.A.; Dorado, M.P. Bibliometric Studies on emissions from diesel engines running on alcohol/diesel fuel blends. a case study about noise emissions. Processes 2021, 9, 623. [Google Scholar] [CrossRef]
- Stepanenko, D.; Rudnicki, J.; Kneba, Z. Impacts of using exhaust gas recirculation and various amount of dimethyl ether premixed ratios on combustion and emissions on a dual-fuel compression ignition engine. Adv. Sci. Technol. Res. J. 2024, 18, 196–213. [Google Scholar] [CrossRef] [PubMed]
- Wu, Z.Y.; Wu, H.W.; Hung, H.H. Applying Taguchi method to combustion characteristics and optimal factors determination in diesel/biodiesel engines with port-injecting LPG. Fuel 2014, 117, 8–14. [Google Scholar] [CrossRef]
- Kamei, W.; Sahoo, N.; Prasad, V.V.D.N. Investigation of engine performance and combustion. and use of oxidation catalysts in an LPG-diesel dual-fuel engine. J. Energy Eng. 2021, 147, 04021055. [Google Scholar] [CrossRef]
- Nguyen, T.A.; Pham, T.Y.; Le, H.C.; Nguyen, V.; Nguyen, L.H. Exploring the feasibility of dimethyl ether (DME) and LPG fuel blend for small diesel engine: A simulation perspective. Int. J. Renew. Energy Dev. 2024, 13, 559–571. [Google Scholar] [CrossRef]
- Yang, T.T.; Chen, D.D.; Liu, L.; Zhang, L.Y.; Wang, T.; Li, G.X.; Chen, H.W. Effect of pilot injection strategy on performance of diesel engine under ethanol/F-T diesel dual-fuel combustion mode. Processes 2023, 11, 1919. [Google Scholar] [CrossRef]
- Wu, H.W.; Fan, C.M.; He, J.Y.; Hsu, T.T. Optimal factors estimation for diesel/metha nol engines changing methanol injection timing and inlet air temperature. Energy 2017, 141, 1819–1828. [Google Scholar] [CrossRef]
- Luo, J.B.; Liu, Z.H.; Wang, J.; Chen, H.Y.; Zhang, Z.Q.; Qin, B.Y.; Cui, S.W. Effects of different injection strategies on combustion and emission characteristics of diesel engine fueled with dual fuel. Processes 2021, 9, 1300. [Google Scholar] [CrossRef]
- de Luna, F.E.T.; Jaguaribe, E.F.; Rumao, A.S.; Henríquez, J.R. A turbocharged diesel engine adapted to operate in dual diesel/natural gas Mode. Arab. J. Sci. Eng. 2024. [Google Scholar] [CrossRef]
- Caprioli, S.; Volza, A.; Scrignoli, F.; Savioli, T.; Mattarelli, E.; Rinaldini, C.A. Combustion chamber optimization for dual-fuel biogas-diesel co-combustion in compression jgnition engines. Processes 2023, 11, 1113. [Google Scholar] [CrossRef]
- Erdiwansyah; Mamat, R.; Sani, M.S.M.; Sudhakar, K.; Kadarohman, A.; Sardjono, R.E. An over view of Higher alcohol and biodiesel as alternative fuels in engines. Energy Rep. 2019, 5, 467–479. [Google Scholar] [CrossRef]
- Zhang, P.; Su, X.; Chen, H.; Geng, L.M.; Zhao, X. Experimental investigation on NOx and PM pollutions of a common-rail diesel engine fueled with diesel/gasoline/isopropanol blends. Sustain. Energy Fuels 2019, 3, 2260–2274. [Google Scholar] [CrossRef]
- Ilçin, K.; Altun, S. Effect of biodiesel addition in a blend of isopropanol-butanol-ethanol and diesel on combustion and emissions of a CRDI engine. Energy Sources Part A Recovery Util. Environ. Eff. 2022, 44, 4727–4739. [Google Scholar]
- Rayapureddy, S.M.; Matijosius, J.; Rimkus, A. Comparison of research data of diesel-biodiesel-isopropanol and diesel-rapeseed oil-isopropanol fuel blends mixed at different proportions on a CI Engine. Sustainability 2021, 13, 10059. [Google Scholar] [CrossRef]
- Ilçin, K.; First, M.; Altun, S.; Okcu, M. Effect of blending ratio and injection timing on combustion and emissions of a common-rail diesel engine fueled by isopropanol-butanol-ethanol (IBE) and conventional diesel. J. Polytech. 2023. [Google Scholar]
- Chen, H.; Zhou, Z.G.; He, J.J.; Zhang, P.; Zhao, X. Effect of isopropanol and n-pentanol addition in diesel on the combustion and emission of a common rail diesel engine under pilot plus main injection strategy. Energy Rep. 2020, 6, 1734–1747. [Google Scholar] [CrossRef]
- Selvam, D.C.; Devarajan, Y.; Raja, T. Characterization of isopropanol-enhanced Caesalpinia bonduc biodiesel blends: A sustainable strategy for decarbonization. Result Eng. 2025, 103849. [Google Scholar] [CrossRef]
- Liu, Y.B.; Xu, B.; Jia, J.H.; Wu, J.A.; Shang, W.W.; Ma, Z.H. Effect of injection timing on performance and emissions of DI-diesel engine fueled with isopropanol. In Proceedings of the International Conference on Electrical, Electronics and Mechatronics, ICEEM, Phuket Island, Thailand, 20–21 December 2015. [Google Scholar]
- Okcu, M.; Varol, Y.; Altun, S.; Firat, M. Effects of isopropanol-butanol-ethanol (IBE) on combustion characteristics of a RCCI engine fueled by biodiesel fuel. Sustain. Energy Technol. Assess. 2021, 47, 101443. [Google Scholar] [CrossRef]
- Talamala, V.; Kancherla, P.R.; Basava, V.A.R.; Kolakoti, A. Experimental investigation on combustion, emissions, performance and cylinder vibration analysis of an IDI engine with RBME along with isopropanol as an additive. Biofuels 2017, 8, 307–321. [Google Scholar] [CrossRef]
- Halis, S. An experimental study of operating range, combustion and emission characteristics in an RCCI engine fueled with isopropanol/n-heptane. Sustainability 2023, 15, 10897. [Google Scholar] [CrossRef]
- Babu, T.V.; AppaRao, B.V.; Kolakoti, A. Engine combustion analysis of an IDI-diesel engine with Rice Bran Methyl Ester and Isopropanol Injection at suction end. J. Multidiscip. Eng. Sci. Technol. 2014, 1, 254–261. [Google Scholar]
- Gong, J.; Zhang, Y.J.; Tang, C.L.; Huang, Z.H. Emission characteristics of isopropanol/gasoline blends in a spark-ignition engine combined with exhaust gas re-circulation. Therm. Sci. 2014, 18, 269–277. [Google Scholar] [CrossRef]
- Li, G.; Dai, J.Y.; Li, Y.Y.; Lee, T.H. Optical investigation on combustion and soot formation characteristics of isopropanol-butanol-ethanol (IBE)/diesel blends. Energy Sci. Eng. 2021, 9, 2311–2320. [Google Scholar] [CrossRef]
- Nguyen, D.T.; Vu, M.T.; Le, V.V.; Pham, V. Impacts of charge air parameters on combustion and emission characteristics of a diesel Marine Engine. Termo 2023, 3, 494–514. [Google Scholar] [CrossRef]
- Uyumaz, A. An experimental investigation into combustion and performance characteristics of an HCCI gasoline engine fueled with n-heptane, isopropanol and n-butanol fuel blends at different inlet air temperatures. Energy Conver. Manag. 2015, 98, 199–207. [Google Scholar] [CrossRef]
- Dev, S.; Lafrance, S.; Liko, B.; Guo, H.S. A study on effect of engine operating parameters on NOx emissions and exhaust temperatures of a heavy-duty diesel engine during idling. Int. J. Enhine Res. 2022, 24, 982–998. [Google Scholar] [CrossRef]
- Kim, H.J.; Jo, S.; Lee, J.T.; Park, S. Biodiesel fueled combustion performance and emission characteristics under various intake air temperature and injection timing conditions. Energy 2020, 206, 118154. [Google Scholar] [CrossRef]
- Papagiannakis, R.G. Study of air inlet preheating and EGR impacts for improving the operation of compression ignition engine running under dual fuel mode. Energy Convers. Manag. 2013, 68, 40–53. [Google Scholar] [CrossRef]
- Teoh, Y.H.; Huspi, H.A.; How, H.G.; Sher, F.; Din, Z.U.; Le, T.D.; Nguyen, H.T. Effect of intake air temperature and premixed ratio on combustion and exhaust emissions in a partial HCCI-DI diesel engine. Sustainability 2021, 13, 8593. [Google Scholar] [CrossRef]
- Sarkar, A.; Saha, U.K. Experimental probe into a biogas run dual fuel diesel engine using oxygenated ternary blends at optimum Equivalence Ratio and under the effect of intake charge preheating. J. Eng. Gas Turbines Power 2022, 144, 061010. [Google Scholar] [CrossRef]
- Kim, D.S.; Kim, M.Y.; Lee, C.S. Reduction of nitric oxides and soot by premixed fuel in partial HCCI engine. J. Eng. Gas Turbines Power 2005, 128, 497–505. [Google Scholar] [CrossRef]
- Feroskhan, M.; Ismail, S.; Reddy, M.G.; Teja, A.S. Effects of charge preheating on the performance of a biogas-diesel dual fuel CI engine. Eng. Sci. Technol. Int. J. 2018, 21, 330–337. [Google Scholar] [CrossRef]
- United States Environmental Protection Agency, U.S. EPA. Available online: https://www.epa.gov/pm/ (accessed on 22 May 2025).
- Wu, H.W.; Hsu, T.T.; Fan, C.M.; He, P.H. Reduction of smoke, PM2.5, and NOx of a diesel engine integrated with methanol steam reformer recovering waste heat and cooled EGR. Energy Convers. Manag. 2018, 172, 567–578. [Google Scholar] [CrossRef]
- Holman, J.B. Experimental Methods for Engineers; McGraw Hill Publications: New York, NY, USA, 2003. [Google Scholar]
- Obert, F.E. Internal Combustion Engines and Air Pollution; Index Education Publishers: New York, NY, USA, 1973. [Google Scholar]
- Cruz-Peragón, F.; Jiménez-Espadafor, F.J.; Palomar, J.A.; Dorado, M.P. Influence of a combustion parametric model on the cyclic angular speed of internal combustion engines. Part I: Setup for sensitivity analysis. Energy Fuels 2009, 23, 2921–2929. [Google Scholar] [CrossRef]
- Heywood, J.B. Internal Combustion Engine Fundamentals, 2nd ed.; McGraw-Hill Book Company: New York, NY, USA, 2018. [Google Scholar]
Disclaimer/Publisher’s Note: The statements, opinions and data contained in all publications are solely those of the individual author(s) and contributor(s) and not of MDPI and/or the editor(s). MDPI and/or the editor(s) disclaim responsibility for any injury to people or property resulting from any ideas, methods, instructions or products referred to in the content. |
© 2025 by the authors. Licensee MDPI, Basel, Switzerland. This article is an open access article distributed under the terms and conditions of the Creative Commons Attribution (CC BY) license (https://creativecommons.org/licenses/by/4.0/).



















