Palladium Nanoparticles Anchored on Cellulose-Derived Amphiphilic Hydrochar for Pickering Interfacial Catalysis
Abstract
1. Introduction
2. Materials and Methods
2.1. Materials
2.2. Preparation of Carbon Materials
2.3. Pd Catalyst Preparation
2.4. Characterization of Catalysts
2.5. Suzuki Reaction
3. Results and Discussion
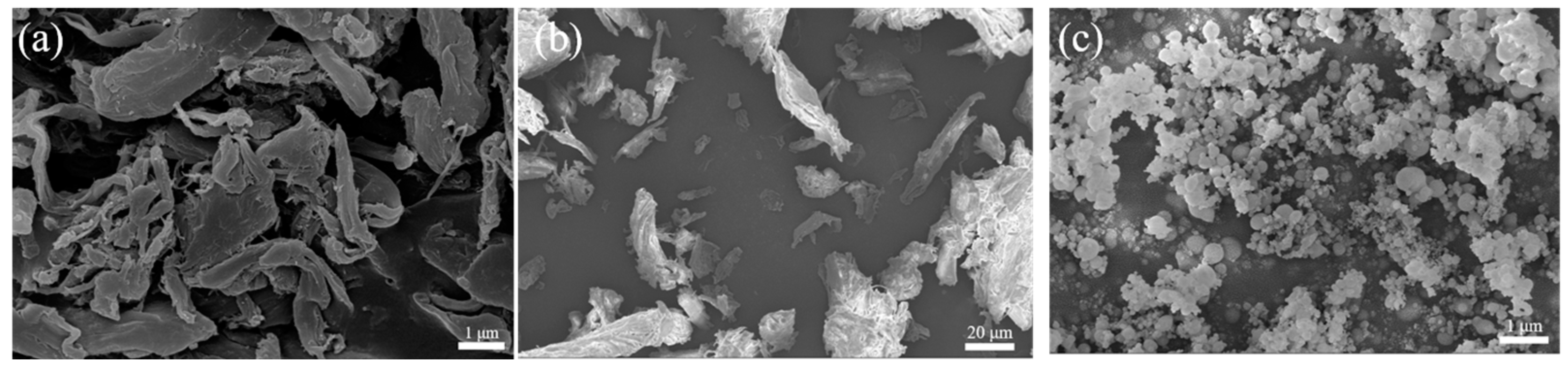
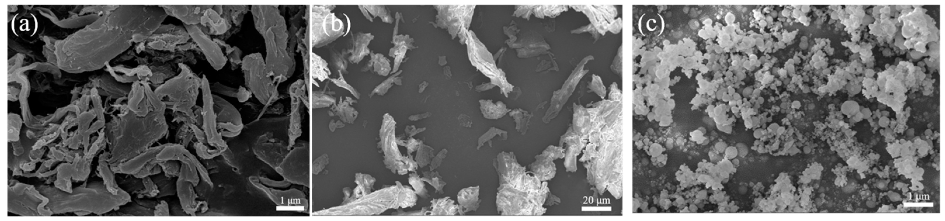
3.1. Catalyst Characterization
3.2. Catalyst Tests
3.3. Catalyst Reusability
4. Conclusions
Supplementary Materials
Author Contributions
Funding
Data Availability Statement
Conflicts of Interest
References
- Chen, L.; Zhang, S.; Liu, X.; Ge, X. Recent advances in water-mediated multiphase catalysis. Curr. Opin. Colloid Interface Sci. 2023, 65, 101691. [Google Scholar] [CrossRef]
 - Guzmán, E. Pickering Emulsions in Catalytic Processes. ChemCatChem 2024, 16, e202400856. [Google Scholar] [CrossRef]
 - Chang, F.; Vis, C.M.; Ciptonugroho, W.; Bruijnincx, P.C.A. Recent developments in catalysis with Pickering Emulsions. Green Chem. 2021, 23, 2575–2594. [Google Scholar] [CrossRef]
 - Li, D.-d.; Jiang, J.-z.; Cai, C. Palladium nanoparticles anchored on amphiphilic Janus-type cellulose nanocrystals for Pickering interfacial catalysis. Chem. Commun. 2020, 56, 9396–9399. [Google Scholar] [CrossRef] [PubMed]
 - Liu, Z.-Q.; Guo, J.-L.; Liang, R.-H.; Wang, F.-X.; Li, Z.-K.; Liu, Y.; Ying, A. Two birds with one stone: A magneto-optical dual-stimuli-responsive intelligent Pickering emulsion for efficient conversion of glucose to 5-hydroxymethylfurfural. Chem. Eng. J. 2024, 479, 147757. [Google Scholar] [CrossRef]
 - Li, C.; Pi, Y.; Liu, S.; Feng, J.; Zhang, X.; Li, S.; Tan, R. Phosphotungstate-Functionalized Mesoporous Janus Silica Nanosheets for Reaction-Controlled Pickering Interfacial Catalysis. ACS Sustain. Chem. Eng. 2021, 9, 13501–13513. [Google Scholar] [CrossRef]
 - Lv, G.; Wang, T.; Chen, Y.; Wang, J.; Zou, X.; Lu, J.; Wang, F.; Zhang, X.; Zhai, Y. Hydrophobized hollow TS-1 zeolite as pickering interfacial catalyst for selective oxidation reactions. Colloids Surf. A 2022, 633, 127842. [Google Scholar] [CrossRef]
 - Richards, K.D.; Evans, R.C. Light-responsive Pickering emulsions based on azobenzene-modified particles. Soft Matter 2022, 18, 5770–5781. [Google Scholar] [CrossRef]
 - Ni, L.; Yu, C.; Xie, Y.; Wei, Q.; Liu, D.; Tan, X.; Ding, Y.; Qiu, J. pH-Switchable Pickering miniemulsion enabled by carbon quantum dots for quasi-homogenized biphasic catalytic system. Chem. Commun. 2023, 59, 3261–3264. [Google Scholar] [CrossRef] [PubMed]
 - Lv, H.; Wang, Z.; An, J.; Li, Z.; Shi, L.; Shan, Y. Preparation and Emulsifying Properties of Carbon-Based Pickering Emulsifier. Processes 2023, 11, 1070. [Google Scholar] [CrossRef]
 - Fan, H.; Chen, B.; Chen, C.; Zhang, Z.; Song, J.; Yang, G.; Han, B. Superamphiphilic carbon from sawdust activated by oxygen/argon mixtures promoting the oxidation of benzyl alcohol in Pickering emulsion. Green Chem. 2021, 23, 6341–6348. [Google Scholar] [CrossRef]
 - Ma, Q.; Zhou, H.; Shao, X.; Chen, J.; Cheng, Y.; Chen, M.; Jiang, Y.; Chen, X.; Ke, Q.; Wang, Y.; et al. Pickering Emulsions Stabilized by Linear Amphiphilic Polymers for Enhancing the Selective Oxidation of Cinnamyl Alcohol. ACS Appl. Polym. Mater. 2024, 6, 10083–10089. [Google Scholar] [CrossRef]
 - Rayees, R.; Gani, A.; Noor, N.; Ayoub, A.; Ashraf, Z.U. General approaches to biopolymer-based Pickering emulsions. Int. J. Biol. Macromol. 2024, 267, 131430. [Google Scholar] [CrossRef]
 - Wang, L.; Mohamad Ali, B.; Yu, S.; Liang, S.; Huang, Q.; Zhang, H.; Zhu, L.; Wang, J. Dumbbell-shaped polymeric nanoparticles with one-side anchored Pd-clusters for efficient catalytic hydrogenation at biphasic interfaces. J. Catal. 2024, 432, 115444. [Google Scholar] [CrossRef]
 - Liu, W.; Lin, Q.; Chen, S.; Yang, H.; Liu, K.; Pang, B.; Xu, T.; Si, C. Microencapsulated phase change material through cellulose nanofibrils stabilized Pickering emulsion templating. Adv. Compos. Hybrid Mater. 2023, 6, 149. [Google Scholar] [CrossRef]
 - Li, Z.; Shi, Y.; Ding, Y.; Xiong, D.; Li, Z.; Wang, H.; Qiu, J.; Xuan, X.; Wang, J. Zr-Based MOF-Stabilized CO2-Responsive Pickering Emulsions for Efficient Reduction of Nitroarenes. Langmuir 2024, 40, 3133–3141. [Google Scholar] [CrossRef] [PubMed]
 - Pei, X.; Liu, J.; Song, W.; Xu, D.; Wang, Z.; Xie, Y. CO2-Switchable Hierarchically Porous Zirconium-Based MOF-Stabilized Pickering Emulsions for Recyclable Efficient Interfacial Catalysis. Materials 2023, 16, 1675. [Google Scholar] [CrossRef]
 - Yin, L.; Gao, K.; Mao, X.; Hu, Y. Lipase B from Candida antarctica immobilized on amphiphilic Janus halloysite nanosheet and application in biphasic interface conversion. Food Chem. 2024, 437, 137787. [Google Scholar] [CrossRef] [PubMed]
 - Zhao, T.; Zhu, X.; Hung, C.-T.; Wang, P.; Elzatahry, A.; Al-Khalaf, A.A.; Hozzein, W.N.; Zhang, F.; Li, X.; Zhao, D. Spatial isolation of carbon and silica in a single Janus mesoporous nanoparticle with tunable amphiphilicity. J. Am. Chem. Soc. 2018, 140, 10009–10015. [Google Scholar] [CrossRef] [PubMed]
 - Ni, L.; Yu, C.; Wei, Q.; Chang, J.; Qiu, J. Decoupling the role of carbon counterparts in Pickering emulsifier for an enhanced selective oxidation of benzyl alcohol. Green Chem. 2020, 22, 5711–5721. [Google Scholar] [CrossRef]
 - Chen, G.; Han, J.; Niu, Z.; She, P.; Li, L.; Guan, B.; Yu, J. Regioselective Surface Assembly of Mesoporous Carbon on Zeolites Creating Anisotropic Wettability for Biphasic Interface Catalysis. J. Am. Chem. Soc. 2023, 145, 9021–9028. [Google Scholar] [CrossRef] [PubMed]
 - Wen, J.; Yu, C.; Ni, L.; Wei, Q.; Yao, X.; Qiu, J. Fundamental mechanistic insights into in-situ reduction of Pd2+ coupling with benzyl alcohol oxidation at oil–water interface. Chem. Eng. Sci. 2024, 299, 120506. [Google Scholar] [CrossRef]
 - Fan, H.; Zhang, Z.; Hou, M.; Song, J.; Yang, G.; Han, B. Fabrication of Superamphiphilic Carbon Using Lignosulfonate for Enhancing Selective Hydrogenation Reactions in Pickering Emulsions. ACS Appl. Mater. Interfaces 2021, 13, 25234–25240. [Google Scholar] [CrossRef] [PubMed]
 - Dan, H.; Zhao, H.; Gao, Y.; Zhang, B.; Xu, X.; Yue, Q.; Leiviskä, T.; Jin, B.; Chen, B.; Gao, B. Accelerated selective oxidation of benzyl alcohol to benzaldehyde via a self-catalyzed Pickering emulsion microreactor. J. Mater. Chem. A 2024, 12, 25381–25392. [Google Scholar] [CrossRef]
 - Fan, H.; Wang, Q.; Liu, H.; Han, B.; Liu, H.; Yang, G. Surface Engineering of Biochar Toward Simultaneously Generating Superamphiphilicity and Catalytic Activity for Strengthening Pickering Interfacial Catalysis. ChemSusChem 2024, 17, e202400248. [Google Scholar] [CrossRef] [PubMed]
 - Riquelme-García, P.; Chaparro-Garnica, J.; Navlani-García, M.; Cazorla-Amorós, D. Exploring the Effects Behind the Outstanding Catalytic Performance of PdAg Catalysts Supported on Almond Shell-Derived Activated Carbon Towards the Dehydrogenation of Formic Acid. ChemCatChem 2024, 16, e202400160. [Google Scholar] [CrossRef]
 - Sun, S.; Peng, X.; Guo, X.; Chen, X.; Liu, D. Boosting Solvent-Free Aerobic Oxidation of Benzylic Compounds into Ketones over Au-Pd Nanoparticles Supported by Porous Carbon. Catalysts 2024, 14, 158. [Google Scholar] [CrossRef]
 - Chen, F.; Zhang, Y.; Zheng, M.; Xiao, Y.; Hu, H.; Liang, Y.; Liu, Y.; Dong, H. Preparation of High-Performance Porous Carbon Materials by Citric Acid-Assisted Hydrothermal Carbonization of Bamboo and Their Application in Electrode Materials. Energy Fuels 2022, 36, 9303–9312. [Google Scholar] [CrossRef]
 - Pereira, G.R.; Lopes, R.P.; Wang, W.; Guimarães, T.; Teixeira, R.R.; Astruc, D. Triazole-functionalized hydrochar-stabilized Pd nanocatalyst for ullmann coupling. Chemosphere 2022, 308, 136250. [Google Scholar] [CrossRef] [PubMed]
 - Xiao, Y.; Ding, L.; Leghari, A.; Hungwe, D.; Gao, M.; Gao, Y.; Zhang, Y.; Chen, X.; Wang, F. Ferric sludge derived pyrolyzed-hydrochar supported iron catalysts for catalytic cracking of toluene. Chem. Eng. J. 2024, 491, 152001. [Google Scholar] [CrossRef]
 - Liu, G.; Xu, Q.; Abou-Elwafa, S.F.; Alshehri, M.A.; Zhang, T. Hydrothermal Carbonization Technology for Wastewater Treatment under the “Dual Carbon” Goals: Current Status, Trends, and Challenges. Water 2024, 16, 1749. [Google Scholar] [CrossRef]
 - Rathod, P.V.; Jadhav, V.H. Efficient Method for Synthesis of 2,5-Furandicarboxylic Acid from 5-Hydroxymethylfurfural and Fructose Using Pd/CC Catalyst under Aqueous Conditions. ACS Sustain. Chem. Eng. 2018, 6, 5766–5771. [Google Scholar] [CrossRef]
 - Li, K.; Yu, S.; Li, Q.; Zhang, Y.; Zhou, H. Selective hydrodeoxygenation of guaiacol to cyclohexanol using activated hydrochar-supported Ru catalysts. Front. Chem. Sci. Eng. 2024, 18, 50. [Google Scholar] [CrossRef]
 - Liu, L.; Yang, C.-J.; Li, Z.-L.; Gu, Q.-S.; Liu, X.-Y. The first-row transition metal-catalysed enantioconvergent radical Suzuki–Miyaura C(sp3)–C coupling of racemic alkyl halides. Green Chem. 2024, 26, 2525–2533. [Google Scholar] [CrossRef]
 - Almaradhi, M.A.; Hassan, H.M.A.; Alhumaimess, M.S. Fe3O4-carbon spheres core–shell supported palladium nanoparticles: A robust and recyclable catalyst for suzuki coupling reaction. Chin. J. Chem. Eng. 2022, 51, 75–85. [Google Scholar] [CrossRef]
 - Rohani, S.; Mohammadi Ziarani, G.; Badiei, A.; Ziarati, A.; Luque, R. Mesoporous Hierarchically Hollow Flower-Like CoAl-LDH@N,S-doped Graphene@Pd Nanoarchitectures for Heck Couplings. Catal. Lett. 2019, 149, 2984–2993. [Google Scholar] [CrossRef]
 - Frindy, S.; Primo, A.; Lahcini, M.; Bousmina, M.; Garcia, H.; El Kadib, A. Pd embedded in chitosan microspheres as tunable soft-materials for Sonogashira cross-coupling in water-ethanol mixture. Green Chem. 2015, 17, 1893–1898. [Google Scholar] [CrossRef]
 - Hong, K.; Sajjadi, M.; Suh, J.M.; Zhang, K.; Nasrollahzadeh, M.; Jang, H.W.; Varma, R.S.; Shokouhimehr, M. Palladium Nanoparticles on Assorted Nanostructured Supports: Applications for Suzuki, Heck, and Sonogashira Cross-Coupling Reactions. ACS Appl. Nano Mater. 2020, 3, 2070–2103. [Google Scholar] [CrossRef]
 - Misztalewska-Turkowicz, I.; Maj, J.; Leśniewska, B.; Wojtulewski, S.; Zgłobicka, I.; Wilczewska, A.Z. Polymer-Covered Magnetic Nanoparticles as a Palladium Pickering Interfacial Catalyst for the Suzuki–Miyaura Reaction Performed in a Water Environment. J. Phys. Chem. Lett. 2023, 127, 19937–19946. [Google Scholar] [CrossRef]
 










| Entry | Halide | Boronic Acid | Yield (%) 2 | 
|---|---|---|---|
| 1 | ![]()  | ![]()  | 92 | 
| 2 | ![]()  | ![]()  | 91 | 
| 3 | ![]()  | ![]()  | 87 | 
| 4 | ![]()  | ![]()  | 88 | 
| 5 | ![]()  | ![]()  | 90 | 
| 6 | ![]()  | ![]()  | 85 | 
Disclaimer/Publisher’s Note: The statements, opinions and data contained in all publications are solely those of the individual author(s) and contributor(s) and not of MDPI and/or the editor(s). MDPI and/or the editor(s) disclaim responsibility for any injury to people or property resulting from any ideas, methods, instructions or products referred to in the content.  | 
© 2025 by the authors. Licensee MDPI, Basel, Switzerland. This article is an open access article distributed under the terms and conditions of the Creative Commons Attribution (CC BY) license (https://creativecommons.org/licenses/by/4.0/).
Share and Cite
Li, D.; Miao, F.; Chen, J.; Liu, Z.; Wang, Z.; Wang, Y. Palladium Nanoparticles Anchored on Cellulose-Derived Amphiphilic Hydrochar for Pickering Interfacial Catalysis. Processes 2025, 13, 339. https://doi.org/10.3390/pr13020339
Li D, Miao F, Chen J, Liu Z, Wang Z, Wang Y. Palladium Nanoparticles Anchored on Cellulose-Derived Amphiphilic Hydrochar for Pickering Interfacial Catalysis. Processes. 2025; 13(2):339. https://doi.org/10.3390/pr13020339
Chicago/Turabian StyleLi, Dandan, Feichao Miao, Jinhua Chen, Zhibing Liu, Zhiyuan Wang, and Yang Wang. 2025. "Palladium Nanoparticles Anchored on Cellulose-Derived Amphiphilic Hydrochar for Pickering Interfacial Catalysis" Processes 13, no. 2: 339. https://doi.org/10.3390/pr13020339
APA StyleLi, D., Miao, F., Chen, J., Liu, Z., Wang, Z., & Wang, Y. (2025). Palladium Nanoparticles Anchored on Cellulose-Derived Amphiphilic Hydrochar for Pickering Interfacial Catalysis. Processes, 13(2), 339. https://doi.org/10.3390/pr13020339
        

                        
       










