Secure Operation Boundary Building Technology Based on Machine Learning
Abstract
1. Introduction
2. Data-Driven Analysis of Security Operation Assessment Strategies
2.1. Boundary Model of Safe Operation of Power System
2.2. Residual Network Model
2.3. A Security Boundary Construction Method Based on Residual Network
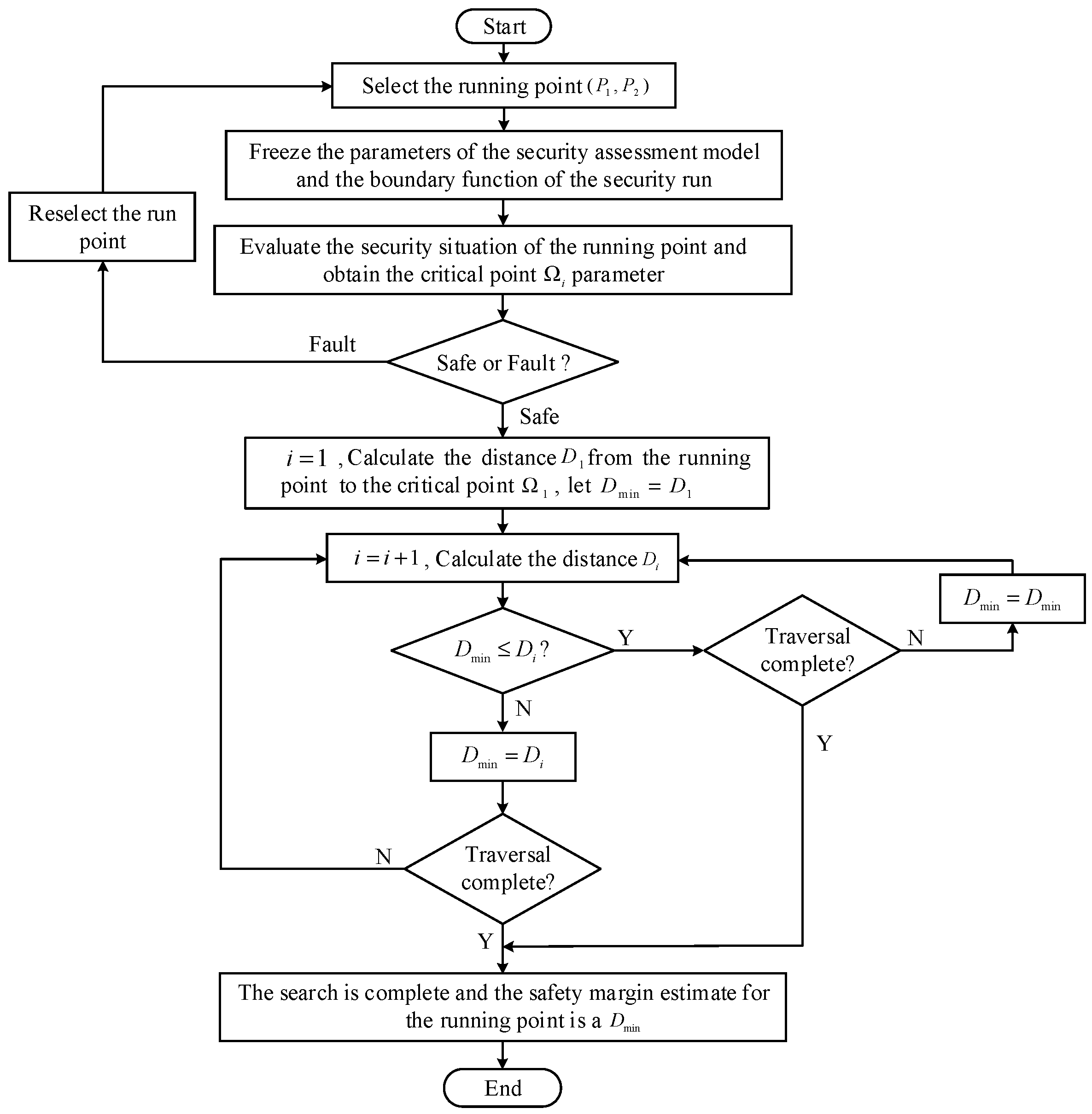
3. Safety Margin Estimation Strategy Based on Safe Operating Boundary Function
3.1. Safe Distance Model
3.2. Safety Margin Estimation Strategy
4. System Examples and Result Analysis
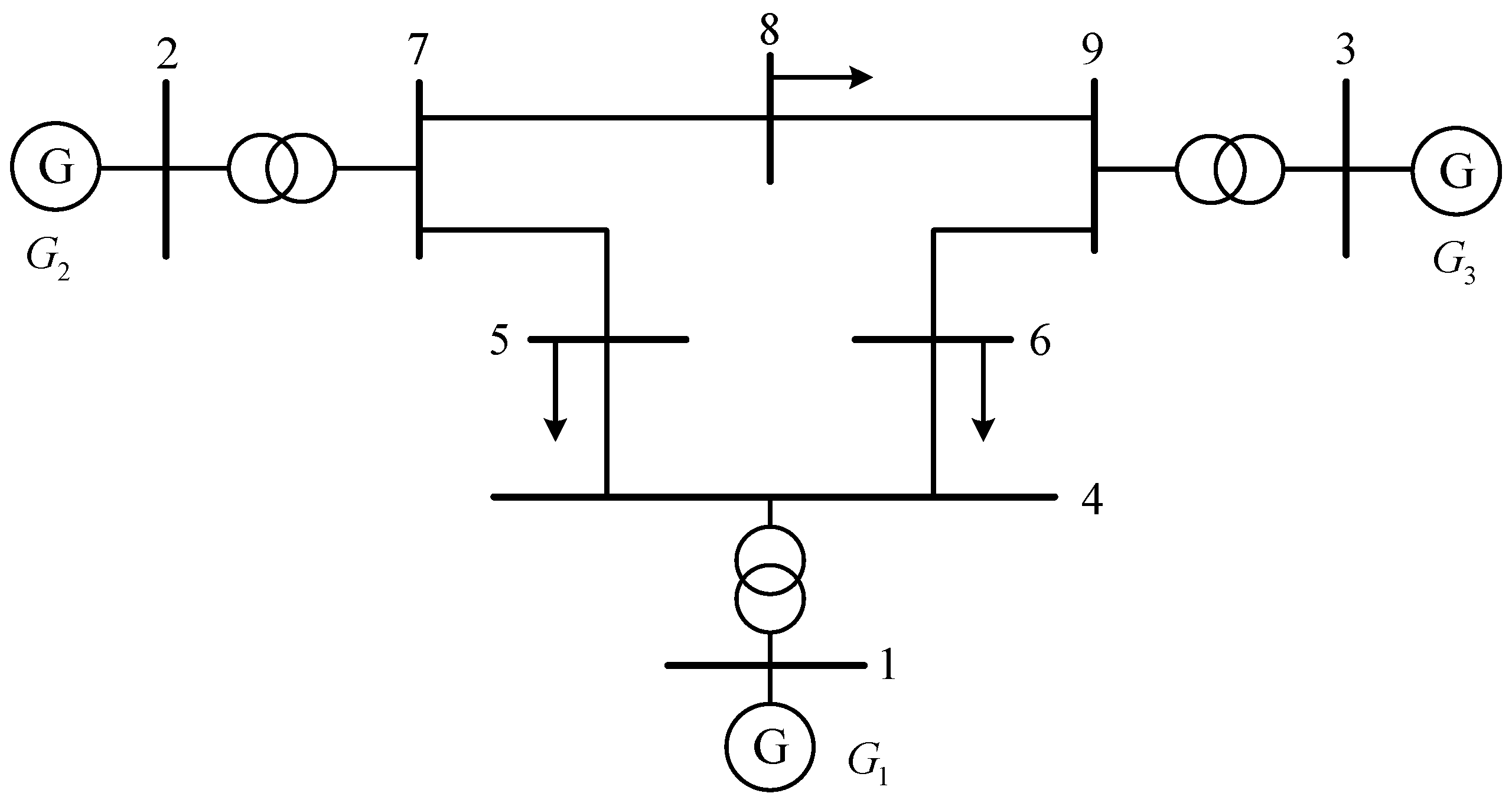
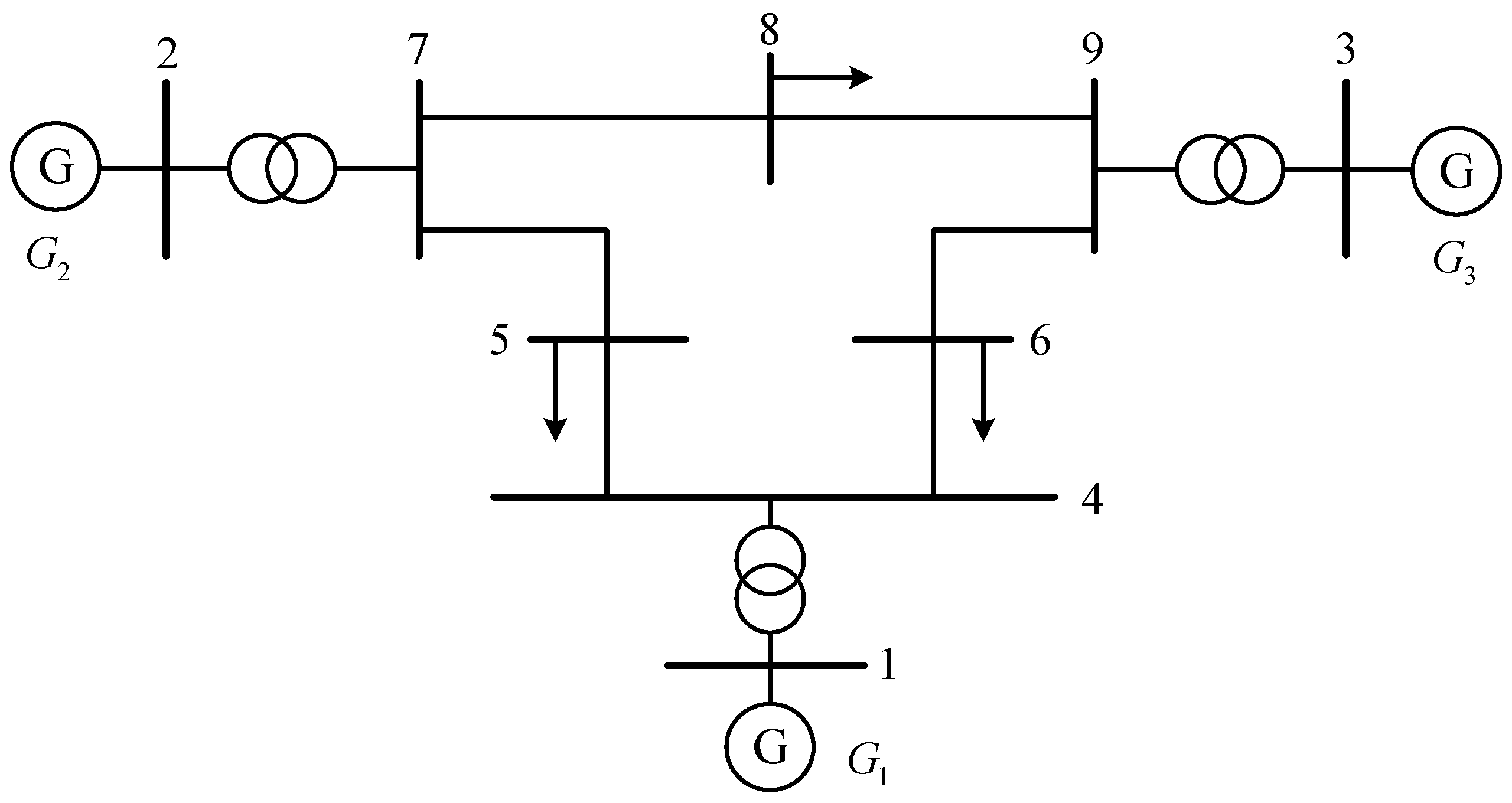
4.1. Overview of the Node System
4.2. Sample Data Generation
4.3. Simulation Analysis of the Case
4.3.1. A Security Operation Evaluation Model Based on Residual Networks
4.3.2. Security Boundary Construction Based on Security Assessment Model
4.3.3. Security Margin Estimation Based on Security Boundaries
5. Conclusions
- (a)
- This paper uses the IEEE nine-bus system for simulation examples. The system has a simple yet complete structure and can clearly demonstrate the construction effects in the visualization of secure operation boundaries, showing strong adaptability in constructing secure operation boundaries.
- (b)
- The proposed residual network model can accurately capture the mapping relationship between generator injection power and power system security. By evaluating the model to select sample training sets, it can effectively improve the model’s training performance and enhance prediction accuracy for the safe operation of the power system. When determining secure operating boundaries, integrating it with the SVM model effectively addresses the black-box problem of the residual network, reduces model complexity, and improves adaptability across different scenarios.
- (c)
- The proposed safety margin estimation strategy can quantify the safety degree of the power system operation point and improve the operator’s grasp of power system operation.
Author Contributions
Funding
Data Availability Statement
Conflicts of Interest
References
- Chen, X.; Zhang, G.; Zhang, C.; Chen, J.; Guan, J.; Liu, Z. Research on strategies for enhancing the security resilience of new power systems empowered by digital technology. China Eng. Sci. 2025, 27, 168–179. (In Chinese) [Google Scholar] [CrossRef]
- Fan, S.; Zhao, Z.; Guo, J.; Ma, S.; Wang, T.; Li, D. Overview of Data-Driven Assessment Methods for Transient Stability of Power Systems. Proc. CSEE 2024, 44, 3408–3429. (In Chinese) [Google Scholar] [CrossRef]
- Mu, T.; Liu, S.; Yang, Z.; Guo, Y.; Zhang, A.; Liu, Z. Rapid Calculation of Transient Voltage Safety Domain in Scenarios with Variable Topological Parameters. J. Electr. Power Syst. Autom. 2024, 36, 126–131. (In Chinese) [Google Scholar] [CrossRef]
- Chen, Y.; Lu, C.; Liu, D.; He, J. Safety assessment and safety margin estimation of transient voltage based on active learning in multi-fault scenarios. J. Wuhan Univ. 2023, 56, 1336–1346. (In Chinese) [Google Scholar] [CrossRef]
- Ji, K.; Qiao, J.; Zhao, Z.; Zhao, J.; Shi, M.; Yang, F. Adaptive Assessment of Transient Stability of Power Systems Considering Uneven Sample Distribution. Power Syst. Technol. 2025, 49, 1–13. (In Chinese) [Google Scholar] [CrossRef]
- Wang, B.; Pi, J.; Wang, X.; Qi, X.; Sun, W.; Huang, Q.; Wei, C.; Zhang, X.; Xu, X.; Wang, Z. A rapid assessment method for supply and demand imbalance risk in a new power system based on deep active learning driven by weather data. Power Syst. Technol. 2024, 48, 4050–4060. (In Chinese) [Google Scholar] [CrossRef]
- Cai, M.; Fan, R.; Wang, H.; Cui, M.; Li, Y.; Cheng, H. Research on a topology reconstruction method for three-phase unbalanced distribution systems based on data-driven recursive AdaBoost. Smart Power 2025, 53, 38–44. (In Chinese) [Google Scholar] [CrossRef]
- Lin, W.; Li, X.; Zhou, R.; Zhu, Y.; Peng, Y. Low-carbon optimization operation method of microgrid based on deep reinforcement learning. Mod. Electr. Power. Available online: https://kns.cnki.net/kcms2/article/abstract?v=ZHE1803t14uUeK-KZShPdidwIZ6V1FFVeE_XniEfOynxfGSA-QfNkqk3YwT36_U59McwuNiplVWLVI7R2fNCfwmeQ5v4dtK2Ib_CdmWCLlw7MKROGYvTsZK9IqU3W4JXKELQtybg_B5Wod0l-eK0FyPSC2AfTBqgM_3x6hAQ364=&uniplatform=NZKPT&language=CHS (accessed on 2 November 2025). (In Chinese).
- Duan, S.; Yu, J.; Yang, Z.; Chen, T.; Zhu, S. Intelligent adjustment method of power grid operation mode based on N/N-1 power flow embedded graph convolutional neural network. J. Electr. Eng. Technol. 2025, 40, 1–15. (In Chinese) [Google Scholar] [CrossRef]
- Wang, L.; Zhou, Y.; Zhang, Y.; Li, Y.; Ai, H. Fusion identification method of weak points in the power grid based on RMT. South. Power Grid Technol. Available online: http://kns.cnki.net/kcms/detail/44.1643.tk.20250422.1633.026.html (accessed on 2 November 2025). (In Chinese).
- Liu, S.; Dang, X.; Cui, Z.; Yang, C.; Yuan, Z.; Yuan, M. A method for transient stability assessment of power systems using deep residual networks for sample class imbalance. Smart Power 2024, 52, 116–123. (In Chinese) [Google Scholar] [CrossRef]
- Chen, K.; Wang, Z.; Guo, Y. Evaluation of Transient Voltage Stability of a Wind Power Grid-Connected System Based on the grcForest Model. Smart Power 2023, 51, 31–37. (In Chinese) [Google Scholar] [CrossRef]
- Wang, J.; Zheng, F.; Zhang, P.; Chen, L.; Gao, H.; Meng, J. Planning model of high-proportion renewable energy distribution network based on data-driven. Electr. Power 2025, 58, 175–182. (In Chinese) [Google Scholar] [CrossRef]
- Cui, X.; Zhao, J.; Zeng, Z. A data-driven prediction method for nodal frequency based on spatiotemporal distribution characteristics. J. Shanghai Electr. Power Univ. 2025, 41, 231–236. Available online: http://kns.cnki.net/kcms/detail/31.2175.TM.20250427.1354.004.html (accessed on 2 November 2025). (In Chinese).
- Xiang, D.; Wang, B.; Guo, W.; Chu, X.; Yu, Z. Refined Safety Operation Rules for Power Systems Based on Artificial Neural Networks. Power Syst. Prot. Control 2017, 45, 32–37. (In Chinese) [Google Scholar] [CrossRef]
- Zhu, P. Research on Static Safety Assessment Methods of Power Systems Based on CNN. Autom. Instrum. 2025, 46, 70–74. (In Chinese) [Google Scholar] [CrossRef]
- Teng, W.; Mei, Q.; Zhao, Y. Short-term power load prediction method based on improved residual network and BiGRU. Co. Eng. Available online: https://link.cnki.net/urlid/21.1476.tp.20241125.1354.004 (accessed on 2 November 2025). (In Chinese).
- Zhang, J.; Qiu, J.; Zhu, Y.; Zhu, Y.; Yang, H.; Xu, G.; Tu, L. Security and stability control method of new energy grid based on temporal convolutional residual network and pelican optimization algorithm. Renew. Energy 2024, 42, 845–852. (In Chinese) [Google Scholar] [CrossRef]
- Chen, S.; Liu, P.; Wang, P.; Ma, J. Load forecasting method for power systems based on LSTM artificial neural networks. J. Shenyang Univ. Technol. 2024, 46, 66–71. (In Chinese) [Google Scholar] [CrossRef]
- Li, L.; Wu, J.; Li, B.; Wang, Y.; Wang, C.; Dong, X. Two-stage multi-level early warning of frequency safety in power systems based on improved residual network. Autom. Electr. Power Syst. 2023, 47, 22–34. (In Chinese) [Google Scholar] [CrossRef]
- Zhao, J.; Qiu, L.; Huang, H.; Jia, H.; Li, P.; Li, Z. Boundary characteristics of thermal stability safety domains in multidimensional space fault surfaces. Power Syst. Autom. 2014, 38, 39–45. (In Chinese) [Google Scholar] [CrossRef]
- Xie, W.; Shen, J.; Zhang, Q.; Zhu, S.; Wang, N. Transient Voltage Stability Evaluation Algorithm for High Voltage DC Receiver Power Grid Based on FCM Clustering and Deep Residual Network. South China Electr. Power Technol. Available online: https://link.cnki.net/urlid/44.1643.TK.20250603.1534.008 (accessed on 2 November 2025). (In Chinese).
- Kuang, Q.; Li, J.; Bai, S. SSO Modal Parameter Identification Based on Deep Residual Network. Electron. Meas. Technol. 2022, 45, 57–63. (In Chinese) [Google Scholar] [CrossRef]
- Liu, Y.; Gu, X.; Wang, T. Optimal Dispatching of Wind Power Grid Safety Considering Static Safety Distance. Power Syst. Prot. Control 2021, 49, 93–99. (In Chinese) [Google Scholar] [CrossRef]
- Yang, Y.; Pan, F.; Zhong, L.; Zhang, J.; Zhao, J.M. Prediction Method of Carbon Emission Factors at Power System Nodes Based on Neural Network. Guangdong Electr. Power 2023, 36, 2–9. (In Chinese) [Google Scholar]
- Zhao, Z.; Peng, K.; Xian, R.; Zhang, X. Localization of Oscillation Source in DC Distribution Network Based on Power Spectral Density. J. Mod. Power Syst. Clean Energy 2023, 11, 156–167. [Google Scholar] [CrossRef]
- Wang, W.; Feng, C.; Guan, Y.; Ma, W.; Che, L. A Hybrid Modeling and Simulation Driven Method for Rapid Unit Commitment Solving Aimed at Reliability Improvement. Autom. Electr. Power Syst. Available online: https://link.cnki.net/urlid/32.1180.TP.20250929.2155.006 (accessed on 30 October 2025). (In Chinese).
- Fan, M.; Zhang, S.; Dai, F.; Zheng, H.; Zhang, X.; Liu, Z.; Jing, Z. A Rapid Multi-Value Assessment Method for Power Systems Based on VCG Mechanism and State Space Compression. China Electr. Power. Available online: https://link.cnki.net/urlid/11.3265.TM.20251029.1026.002 (accessed on 30 October 2025). (In Chinese).
- Liu, B.; Li, Z.; Hu, J.; Yu, S.; Li, W. Method to enhance the operational adequacy of the receiving-end power grid considering the relaxation of static voltage security boundaries. High Volt. Technol. Available online: https://link.cnki.net/urlid/42.1239.tm.20250919.1333.005 (accessed on 2 November 2025). (In Chinese).
- Zhai, S.; Zhang, Y.; Lu, X.; Huang, W.; Zheng, C.; Wei, S.; Yao, W. Intelligent Assessment of Power System Frequency Security Based on Global Feature Embedded Graph Attention Network under Anticipated Faults. South. Power Grid Technol. 1–12. Available online: https://link.cnki.net/urlid/44.1643.TK.20251009.0907.008 (accessed on 30 October 2025). (In Chinese).
















| P1 | P2 | P3 | Safety Label | |
|---|---|---|---|---|
| Sample 1 | 324.474778908976 | 0 | 0 | 0 |
| Sample 2 | 313.609641758831 | 10 | 0 | 0 |
| Sample 3 | 243.499661551565 | 20 | 56 | 1 |
| …… | …… | …… | …… | …… |
| Sample 1052 | 65.5193270396638 | 240 | 16 | 1 |
| Sample 1053 | 4.45206439861338 | 240 | 80 | 1 |
| Sample 1054 | 71.7449688230842 | 250 | 0 | 0 |
| The Point at Which the System Runs | The Nearest Critical Operating Point | Safety Margin |
|---|---|---|
| A1 (30.00, 237.60) | B1 (30.15, 264.00) | 26.40 |
| A2 (59.42, 200.78) | B2 (90.45, 234.81) | 46.06 |
| A3 (110.00, 132.00) | B3 (147.74, 173.79) | 56.31 |
| A4 (30.00, 132.00) | B4 (0.00, 132.66) | 30.01 |
| A5 (110.00, 26.40) | B5 (11.05, 0.00) | 26.40 |
| A6 (149.55, 59.35) | B6 (149.25, 0.00) | 59.35 |
| A7 (190.00, 26.40) | B7 (189.95, 0.00) | 26.40 |
Disclaimer/Publisher’s Note: The statements, opinions and data contained in all publications are solely those of the individual author(s) and contributor(s) and not of MDPI and/or the editor(s). MDPI and/or the editor(s) disclaim responsibility for any injury to people or property resulting from any ideas, methods, instructions or products referred to in the content. |
© 2025 by the authors. Licensee MDPI, Basel, Switzerland. This article is an open access article distributed under the terms and conditions of the Creative Commons Attribution (CC BY) license (https://creativecommons.org/licenses/by/4.0/).
Share and Cite
Dong, H.; Xiao, C.; Miao, W.; Zhou, N.; Wei, X.; Xing, F. Secure Operation Boundary Building Technology Based on Machine Learning. Processes 2025, 13, 3595. https://doi.org/10.3390/pr13113595
Dong H, Xiao C, Miao W, Zhou N, Wei X, Xing F. Secure Operation Boundary Building Technology Based on Machine Learning. Processes. 2025; 13(11):3595. https://doi.org/10.3390/pr13113595
Chicago/Turabian StyleDong, Hongxiang, Chuanliang Xiao, Weiwei Miao, Ning Zhou, Xinyu Wei, and Facai Xing. 2025. "Secure Operation Boundary Building Technology Based on Machine Learning" Processes 13, no. 11: 3595. https://doi.org/10.3390/pr13113595
APA StyleDong, H., Xiao, C., Miao, W., Zhou, N., Wei, X., & Xing, F. (2025). Secure Operation Boundary Building Technology Based on Machine Learning. Processes, 13(11), 3595. https://doi.org/10.3390/pr13113595
