Transient Energy-Based Ultra-High-Speed Unit Protection for Overhead Outgoing Lines in Inverter-Interfaced Renewable Energy Plants
Abstract
1. Introduction
2. Materials and Methods
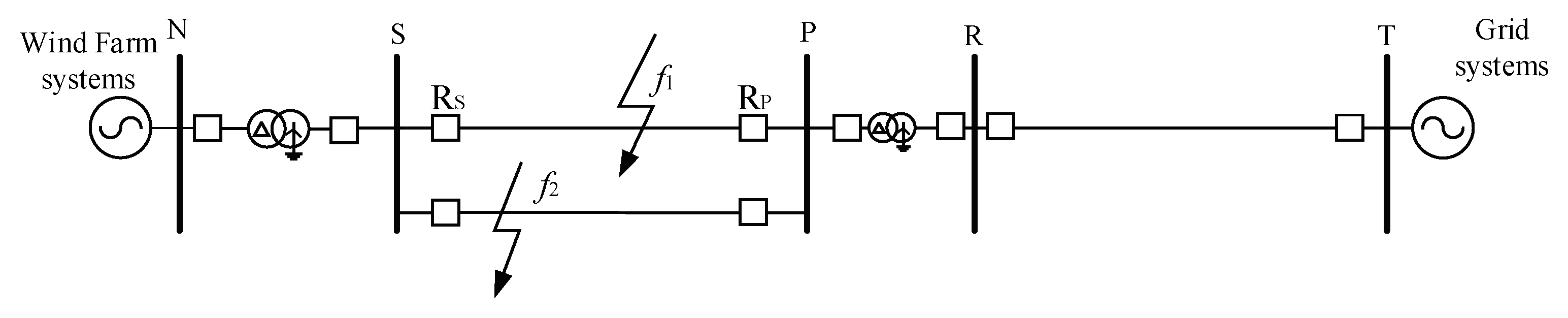
2.1. Analysis of Post-Fault Transients in IIRE Plant’s Overhead Outgoing Line
2.2. UHS Unit Protection Algorithm of IIRE Plant’s Overhead Outgoing Line
3. Results
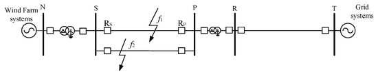
3.1. Simulation Model
3.2. Simulation Verification
3.3. Comparison of Proposed Method with Traditional Protection
4. Conclusions
Author Contributions
Funding
Data Availability Statement
Conflicts of Interest
References
- Wilches-Bernal, F.; Bidram, A.; Reno, M.J.; Hernandez-Alvidrez, J.; Barba, P.; Reimer, B.; Montoya, R.; Carr, C.; Lavrova, O. A Survey of Traveling Wave Protection Schemes in Electric Power Systems. IEEE Access 2021, 9, 72949–72969. [Google Scholar] [CrossRef]
- Jia, K.; Yang, Z.; Fang, Y.; Bi, T.; Sumner, M. Influence of inverter-interfaced renewable energy generators on directional relay and an improved scheme. IEEE Trans. Power Electron. 2019, 34, 11843–11855. [Google Scholar] [CrossRef]
- Yang, Z.; Jia, K.; Li, Z.; Zhao, H.; Fang, Y.; Feng, T.; Liu, B. Adaptability Analysis of the Directional Relay for the System with Inverter-interfaced Renewable Energy Generators. In Proceedings of the 2019 IEEE 8th International Conference on Advanced Power System Automation and Protection (APAP), Xi’an, China, 21–24 October 2019; pp. 1611–1616. [Google Scholar]
- Song, G.; Chang, P.; Hou, J.; Zhang, C.; Lyu, J. Adaptability Analysis of Fault Component Directional Component in AC/DC Multi-terminal Infeed System. Autom. Electr. Power Syst. 2021, 45, 136–145. [Google Scholar]
- Jia, K.; Yang, Z.; Bi, T.; Li, Y. Impact of Inverter-Interfaced Renewable Energy Generators on Distance Protection and an Improved Scheme. In Proceedings of the 2019 IEEE Power & Energy Society General Meeting (PESGM), Atlanta, GA, USA, 4–8 August 2019; p. 1. [Google Scholar]
- Jieyu, C.; Zhen, T.; Jun, L. Influence of impedance characteristics of wind power supply on phasor-based distance protection. Smart Power 2018, 46, 63–68. [Google Scholar]
- Li, B.; Zhou, B.H.; He, J.W.; Li, B.; Li, Y. Applicability analysis of distance protection with positive-sequence voltage polarization for transmission lines of wind farm with directdriven turbines. Autom. Electr. Power Syst. 2023, 47, 16–24. [Google Scholar]
- Wang, C.; Song, G.; Tang, H.; Chi, Y.; Chang, Z.; Li, D. Adaptability analysis of distance protection in power system integration with wind farms. Autom. Electr. Power Syst. 2015, 39, 10–15. [Google Scholar]
- Fang, Y.; Jia, K.; Yang, Z.; Li, Y.; Bi, T. Impact of inverter interfaced renewable energy generators on distance protection. Power Syst. Prot. Control 2018, 46, 54–59. [Google Scholar]
- Li, Y.; Jia, K.; Bi, T.; Sun, Y.; Li, W. Adaptability analysis of current differential protection of outgoing transmission line emanating from invert-interfaced renewable energy power plants. Autom. Electr. Power Syst. 2017, 41, 100–105. [Google Scholar]
- Yang, G.; Dong, M.; Zhou, Z.; Zhou, C.; Du, D.; Zhan, Z.; Yang, D. The influences and countermeasures of wind farm access to transmission line differential protection. In Proceedings of the 2012 IEEE Power Electronics and Machines in Wind Applications, Denver, USA, CO, USA, 16–18 July 2012; pp. 1–4. [Google Scholar]
- Lai, Y.; Wang, Z.; Wang, T. Adaptability analysis of current differential protection in an AC power grid with an MMC-HVDC and improvement measures. Power Syst. Prot. Control 2023, 51, 145–154. [Google Scholar]
- Kong, Y.; Zhang, B.; Hao, Z. Study of Ultra-High-Speed Protection of Transmission Lines Using a Directional Comparison Scheme of Transient Energy. IEEE Trans. Power Deliv. 2015, 30, 1317–1322. [Google Scholar] [CrossRef]
- Duan, J.D.; Zhang, B.H.; Li, P.; Luo, S.B.; Xue, J.; Shi, M.H.; Cheng, L.Y. Principle and algorithm of non-unit transient-based protection for EHV transmission lines. Proc. CSEE 2007, 27, 45–51. [Google Scholar]
- Zou, G.; Gao, H.; Zhu, F.; Wang, H. Realization scheme of directional unit protection based on travelling wave integral. In Proceedings of the 2011 4th International Conference on Electric Utility Deregulation and Restructuring and Power Technologies (DRPT), Weihai, China, 6–9 July 2011; pp. 73–77. [Google Scholar]
- Chamia, M.; Liberman, S. Ultra high speed relayfor EHV/UHV transmission lines-development design and application. IEEE Trans. Power App. Syst. 1978, PAS-97, 2104–2116. [Google Scholar] [CrossRef]
- Dong, X.; Luo, S.; Shi, S.; Wang, B.; Wang, S.; Ren, L.; Xu, F. Implementation and application of practical traveling-wave-based directional protection in UHV transmission lines. IEEE Trans. Power Del. 2016, 31, 294–302. [Google Scholar] [CrossRef]
- Chen, W.; Malik, O.P.; Yin, X.; Chen, D.; Zhang, Z. Study of wavelet-based ultra-high-speed directional transmission line protection. IEEE Trans. Power Del. 2003, 18, 1134–1139. [Google Scholar] [CrossRef]
- Aguilera, C.; Orduna, E.; Ratta, G. Directional traveling-wave protection based on slope change analysis. IEEE Trans. Power Del. 2007, 22, 2025–2033. [Google Scholar] [CrossRef]
- Dong, X.; Wang, S.; Shi, S. Polarized Current Travelling-wave Based Directional Relay. Autom. Electr. Power Syst. 2011, 35, 78–83. [Google Scholar]
- Akimoto, Y.; Yamamoto, T.; Hosakawa, H.; Sakaguchi, T.; Yoshida, T.; Nishida, S. Fault protection based on travelling wave theory (Part I-theory). Electr. Eng. 1978, 98, 79–86. [Google Scholar] [CrossRef]
- Bo, Z.Q.; Jiang, F.; Chen, Z.; Dong, X.Z.; Weller, G.; Redfern, M.A. Transient based protection for power transmission systems. In Proceedings of the 2000 IEEE Power Engineering Society Winter Meeting. Conference Proceedings (Cat. No.00CH37077), Singapore, 23–27 January 2000; Volume 3, pp. 1832–1837. [Google Scholar]
- Crossley, P.A.; McLaren, P.G. Distance protection based on travelling waves. IEEE Trans. Power App. Syst. 1983, PAS-102, 2971–2983. [Google Scholar] [CrossRef]
- Johns, A.T.; Martin, M.A.; Barker, A.; Walker, E.P.; Crossley, P.A. A new approach to E.H.V. direction comparison protection using digital signal processing techniques. IEEE Power Eng. Rev. 1986, PER-6, 28. [Google Scholar] [CrossRef]
- Dong, X.; Kong, W.; Cui, T. Fault Classification and Faulted-Phase Selection Based on the Initial Current Traveling Wave. IEEE Trans. Power Deliv. 2009, 24, 552–559. [Google Scholar] [CrossRef]
- Dong, X.; Ge, Y.; He, J. Surge impedance relay. IEEE Trans. Power Del. 2005, 20, 1247–1256. [Google Scholar] [CrossRef]
- He, Z.; Liu, X.; Li, X.; Mai, R. A novel traveling-wave directional relay based on apparent surge impedance. IEEE Trans. Power Del. 2015, 30, 1153–1161. [Google Scholar] [CrossRef]
- Prakash, K.S.; Malik, O.P.; Hope, G.S. High Speed Digital Directional Comparison Relaying. Electr. Mach. Power Syst. 1988, 15, 353–369. [Google Scholar] [CrossRef]
- Aguilar, R.; Perez, F.; Orduna, E.; Rehtanz, C. The directional feature of current transients application in high-speed transmission-line protection. IEEE Trans. Power Del. 2013, 28, 1175–1182. [Google Scholar] [CrossRef]
- Lei, A.; Dong, X.; Terzija, V. An Ultra-High-Speed Directional Relay Based on Correlation of Incremental Quantities. IEEE Trans. Power Deliv. 2018, 33, 2726–2735. [Google Scholar] [CrossRef]
- Nayak, K.; Kumar, A. Pradhan Directional Relaying Applying Phase Quantities of Current Traveling Wave and Pre-fault Voltage. In Proceedings of the 2022 22nd National Power Systems Conference (NPSC), New Delhi, India, 17–19 December 2022; pp. 631–636. [Google Scholar]
- Shi, Z.; Yu, J.; Ding, X. Research on transient protection based on time-frequency domain features. In Proceedings of the 2022 IEEE 5th International Conference on Automation, Electronics and Electrical Engineering (AUTEEE), Shenyang, China, 18–20 November 2022; pp. 186–190. [Google Scholar]
- Yaozhong, G. New Types Protective Relaying and Fault Location Theory and Techniques; Xi’an Jiaotong University Press: Xi’an, China, 2007. [Google Scholar]
- Zhang, B.; Li, G.; Wang, J.; Hao, Z.; Liu, Z.; Bo, Z. Affecting factors of grid connected wind power on fault current and impact on protection relay. Electr. Power Autom. Equip. 2012, 32, 1–8. [Google Scholar]
- Zhang, B.; Wang, J.; Hao, Z. Impact of wind farm integration on relay protection (4): Performance analysis for wind farm outgoing transformer protection. Electr. Power Autom. Equip. 2013, 33, 1–8. [Google Scholar]
















Disclaimer/Publisher’s Note: The statements, opinions and data contained in all publications are solely those of the individual author(s) and contributor(s) and not of MDPI and/or the editor(s). MDPI and/or the editor(s) disclaim responsibility for any injury to people or property resulting from any ideas, methods, instructions or products referred to in the content. |
© 2025 by the authors. Licensee MDPI, Basel, Switzerland. This article is an open access article distributed under the terms and conditions of the Creative Commons Attribution (CC BY) license (https://creativecommons.org/licenses/by/4.0/).
Share and Cite
Kong, Y.; Wu, Y.; Liang, Z.; Jia, R. Transient Energy-Based Ultra-High-Speed Unit Protection for Overhead Outgoing Lines in Inverter-Interfaced Renewable Energy Plants. Processes 2025, 13, 286. https://doi.org/10.3390/pr13010286
Kong Y, Wu Y, Liang Z, Jia R. Transient Energy-Based Ultra-High-Speed Unit Protection for Overhead Outgoing Lines in Inverter-Interfaced Renewable Energy Plants. Processes. 2025; 13(1):286. https://doi.org/10.3390/pr13010286
Chicago/Turabian StyleKong, Yuan, Yumeng Wu, Zhenfeng Liang, and Rong Jia. 2025. "Transient Energy-Based Ultra-High-Speed Unit Protection for Overhead Outgoing Lines in Inverter-Interfaced Renewable Energy Plants" Processes 13, no. 1: 286. https://doi.org/10.3390/pr13010286
APA StyleKong, Y., Wu, Y., Liang, Z., & Jia, R. (2025). Transient Energy-Based Ultra-High-Speed Unit Protection for Overhead Outgoing Lines in Inverter-Interfaced Renewable Energy Plants. Processes, 13(1), 286. https://doi.org/10.3390/pr13010286
