Next Article in Journal
A Method for Predicting the Action Sites of Regional Mudstone Cap Rock Affecting the Diversion of Hydrocarbons Transported along Oil Source Faults
Next Article in Special Issue
Changes in Heat and Energy During Depressurization-Induced Natural Gas Hydrate Dissociation in Porous Media
Previous Article in Journal
Characteristic Canonical Analysis-Based Attack Detection of Industrial Control Systems in the Geological Drilling Process
Previous Article in Special Issue
Study on Hydraulic Fracture Propagation in Mixed Fine-Grained Sedimentary Rocks and Practice of Volumetric Fracturing Stimulation Techniques
 
 
Font Type:
Arial Georgia Verdana
Font Size:
Aa Aa Aa
Line Spacing:
Column Width:
Background:
Article

A Study on the Mechanism and Influencing Factors of Interlayer Injection–Production Coupling in a Heterogeneous Sandstone Reservoir

1
CNOOC Research Institute Co., Ltd., Beijing 100028, China
2
College of Petroleum Engineering, China University of Petroleum (Beijing), Beijing 102249, China
*
Author to whom correspondence should be addressed.
Processes 2024, 12(9), 2054; https://doi.org/10.3390/pr12092054
Submission received: 24 August 2024 / Revised: 12 September 2024 / Accepted: 18 September 2024 / Published: 23 September 2024

Abstract

To solve the development problems caused by the geological characteristics of heterogeneous sandstone reservoirs, such as uneven interlayer exploitation, a method for improving uneven interlayer exploitation differences by applying interlayer injection–production coupling technology is proposed. A physical model of interlayer injection–production coupling is elaborated in detail, and its mechanism of enhancing oil recovery is analyzed. The reservoir physical property parameters are measured, and a productivity numerical model for the two-phase flow of oil–water was established based on measurement results. Then, the effectiveness of interlayer injection–production coupling was evaluated. The results showed that the mechanism of interlayer injection–production coupling can be summarized as reservoir elastic energy adjustment and reservoir flow field reconstruction, based on the established physical model. The application of interlayer injection–production coupling technology can significantly improve the interlayer exploitation differences in strongly heterogeneous sandstone reservoirs. The injection rate, liquid production rate, half-period ratio, and coupling period all have a significant influence on the interlayer injection–production coupling effect. Specifically, for the J1 well group, the injection rate and liquid production rate can be appropriately increased by a factor of 2 and 1.5, and corresponding oil recovery will increase by 6.4% and 5%. Meanwhile, when the half-period ratio increases to 3:1, the oil recovery will increase by 7.08%. Therefore, during the design of the interlayer injection–production coupling scheme, the injection rate and liquid production rate can be appropriately increased, the injection time should be increased for the under-exploitation layer, and the optimal coupling period should be selected based on the characteristics of the oilfield.

1. Introduction

The sandstone reservoir is an important reservoir type, which has the characteristics of wide distribution and rich reserves [1]. In the long-term geological evolution process, the sandstone reservoir is jointly affected by sedimentation, diagenesis, tectonism, and other factors. The reservoir characteristic parameters show non-uniformity in spatial distribution [2,3,4]. That is to say, the reservoir is heterogeneous. Usually, multiple oil-bearing layers are formed during the deposition of sandstone reservoirs [5]. Due to the different environment of the deposition of each layer, the thickness, porosity, permeability, and other parameters of each oil-bearing layer will be different. The difference in these parameters will lead to the vertical heterogeneity of the reservoir [6]. Therefore, for a multi-layer sandstone reservoir, its interlayer heterogeneity is universal. That is to say, multi-layer heterogeneous sandstone reservoirs exist widely in oilfields.
In order to obtain higher economic benefits, the oilfield will generally apply the development mode of multiple oil-bearing commingled production [5,7]. For multi-layer heterogeneous sandstone reservoirs, because each oil-bearing layer has great differences in physical properties, fluid properties, and formation conditions, the production problems such as interlayer interference, the invalid circulation of injected water, and water channeling are becoming increasingly serious during the process of multi-layer commingled production [8,9,10]. At the same time, the erosion of injected water and the change in formation pressure make the pore structure of the reservoir change, and the heterogeneity of the reservoir is further aggravated [11]. As a result, the exploitation of each layer is quite different during the development process of multi-layer heterogeneous sandstone reservoirs [12]. Water channeling is serious in the layer with good physical properties, and remaining oil is difficult to develop in the layer with poor physical properties, so as to affect the development of the oilfield [13,14]. Improving the exploitation difference between layers is the key to improve the recovery of multi-layer heterogeneous sandstone reservoirs [15]. Injection–production coupling technology is considered to be one of the effective methods to improve the exploitation difference between layers.
Injection–production coupling technology is developed from periodic water injection, intermittent water injection, and unstable water injection [16]. Injection–production coupling is a development method based on layered injection–production technology for alternating the production of injection and production wells [17]. It increases the water sweep volume through alternating changes in the pressure field and fluid diversion caused by injection–production alternation [18]. It can better inhibit water channeling and improve the waterflooding effect in the high-water-cut period of the reservoir. This technology has been tested in Shengli Oilfield and Jiangsu Oilfield [19,20,21,22]. The field application shows that the injection–production coupling technology can effectively displace the remaining oil that is difficult to be produced by conventional water injection without new drilling and using other EOR technologies. This technology has good applicability and broad application prospects. After theoretical research and development practice in recent years, according to the application method of this technology, the injection–production coupling can be divided into inter-well injection–production coupling and interlayer injection–production coupling [23].
Inter-well injection–production coupling technology divides conventional continuous injection–production into two stages: injection without production and production without injection. It implements collaborative injection and production by opening and closing injection and production wells in turn [24]. It is mainly aimed at the remaining oil that is difficult to use in the formation. The interlayer injection–production coupling technology is used to divide the oil-bearing layer into two relatively independent production units through the combination of strata. It alternates production between layers in different time periods [25]. The interlayer injection–production coupling can alleviate vertical uneven exploitation, improve the injection water efficiency ratio of the under-exploitation layer, and effectively develop the remaining oil in the under-exploitation layer [26]. For multi-layer heterogeneous sandstone reservoirs, the differences in interlayer physical properties result in significant differences in the exploitation of each layer [27]. The application of interlayer injection–production coupling technology is one of the feasible methods used to improve the oil recovery of this type of reservoir. At present, there is limited research on the application of interlayer injection–production coupling technology for multi-layer heterogeneous sandstone reservoirs, and the impact of various factors on oilfield development effectiveness is unclear.
At present, the research of interlayer injection–production coupling technology mainly focuses on the mechanism of EOR and the mathematical model. However, there are few studies on the influence of various factors on EOR’s effect during the field application. In this paper, a typical multi-layer heterogeneous sandstone reservoir M1 was selected, and the fluid and core physical parameters are measured for the P-3 area in M1 oilfield. Based on measurement results and basic oilfield data, a numerical model of the P-3 reservoir was established. Following that, four coupling parameters were considered to evaluate the effectiveness of interlayer injection–production coupling in the P-3 reservoir. This paper comprehensively analyzes the influence of various factors on interlayer injection–production coupling. The application of these findings can significantly enhance oil recovery and provide a reference for optimizing the coupling parameters of strongly heterogeneous sandstone reservoirs.

2. Physical Model and Mechanism Analysis of Interlayer Injection–Production Coupling

2.1. Physical Model of Interlayer Injection–Production Coupling

Injection–production coupling technology is a collaborative development technology developed on the basis of periodic water injection technology and the unstable water injection method. The periodic water injection technology and unstable water injection method mainly change the working system of the injection well. These two methods form surge pressure by changing the injection–production pressure difference, thereby altering the seepage field. Then, the goal of increasing waterflooding sweep volume is achieved. However, the injection–production coupling technology can coordinate the working system of injection wells and production wells, greatly changing the injection–production pressure difference. It can enhance the waterflood sweep volume around both the injection and production well. The injection–production coupling technology can be divided into inter-well injection–production coupling and interlayer injection–production coupling. Inter-well injection–production coupling technology can be applied to enhance the remaining oil in the reservoir. Interlayer injection–production coupling technology can be applied to improve the uneven interlayer exploitation. For the heterogeneous sandstone reservoirs, uneven interlayer exploitation is the main problem. Therefore, the application of interlayer injection–production coupling technology is an important method to improve the oil recovery for this type of reservoir.
Interlayer injection–production coupling refers to taking turns for injection and production between different layers when there are multiple development layers within a well group. So it can achieve the goal of enhancing waterflooding sweep volume and improving the oil recovery. Furthermore, interlayer injection–production coupling can improve longitudinal uneven exploitation and enhance the efficiency of injection water in weakly utilized layers. Thus, the remaining oil in the under-exploitation layer can be effectively developed. Interlayer injection–production coupling is generally divided into two stages.
In the first stage, the upper reservoir only produces without injection. Meanwhile, the lower reservoir only injects water without production, as shown in Figure 1. At this stage, due to the upper reservoir only producing, the bottomhole pressure of the production well decreases. The formation elasticity slowly releases, and the average pressure of the reservoir decreases. The lower reservoir only injects water. That is to say, the pressure at the bottom of the injection well rises rapidly. The formation elasticity increases rapidly, and the average pressure of the formation rises rapidly.
In the second stage, the upper reservoir only injects water without production. Meanwhile, the lower reservoir only produces without injection, as shown in Figure 2. At this stage, due to the upper reservoir only injecting, the bottomhole pressure of the injection well rapidly rises. The formation elasticity increases rapidly, and the average pressure of the formation rises rapidly. The lower reservoir only produces. That is to say, the pressure at the bottom of the production well decreases. The formation elasticity slowly releases, and the average pressure of the reservoir decreases.

2.2. Mechanism Analysis of Interlayer Injection–Production Coupling

In the later stage of conventional waterflooding, the flow field inside the reservoir solidifies, and the dominant channels of waterflooding develop significantly. The uneven exploitation on the plane intensifies, and the waterflooding sweep volume is difficult to increase. For interlayer heterogeneous reservoirs, the high permeability layer has a higher water absorption ratio and a higher oil recovery. This leads to an increase in the proportion of ineffective water circulation. Meanwhile, the oil recovery of the low-permeability layer is relatively low, and it is difficult to enhance the waterflooding sweep volume. Therefore, for the later stage of conventional waterflooding, the remaining oil within and between layers is difficult to effectively utilize.
Interlayer injection–production coupling technology can break through the solidification flow field formed by conventional waterflooding, and improve longitudinal uneven exploitation by combining with separate-layer high-pressure injection technology. As a result, the proportion of water injection efficiency in the low-permeability layer increases, and the remaining oil is effectively developed. Specifically, the mechanism of interlayer injection–production coupling technology can be divided into two main aspects: reservoir elastic energy adjustment and reservoir flow field adjustment.

2.2.1. Reservoir Elastic Energy Adjustment

During the conventional waterflooding stage, the pressure around the injection well is relatively high, while the pressure around the oil well is relatively low. The pressure difference between injection and production well is the main driving force for fluid flow in the reservoir. The inter-well pressure distribution is funnel-shaped, as shown in Figure 3.
During the water injection stage of interlayer injection–production coupling, the injection well rapidly injects water and the other wells in the same layer are shut in. Therefore, during the injection process, the pressure near the injection well rapidly increases. As the pressure transmits, the inter-well pressure increases rapidly. Subsequently, the rocks and fluids in the reservoir are compressed. The injecting pressure is converted into reservoir elasticity, as shown in Figure 4.
During the production stage of interlayer injection–production coupling, the bottom pressure of the production well decreases, and the inter-well pressure difference increases. The reservoir elastic energy is slowly released during the liquid production process. The elastic energy stored near the injection well is the highest, and the pressure reduction during the release process is also the greatest. The elastic energy stored near the oil well is relatively small, and the pressure reduction during the release process is relatively small. The inter-well pressure profile is shown in Figure 5.

2.2.2. Reservoir Flow Field Reconstruction

In the later stage of waterflooding, the advantageous channels for water breakthrough are developed, and the corresponding relationship between injection and production is relatively stable. The working system of injection and production wells is stable, and the main flow line between wells is prominent. The water flows along the main flow line during the waterflooding stage. The plane uneven exploitation of waterflooding is severe, and dead oil zones have formed in the reservoir. The pressure field and flow field of the reservoir are relatively stable, and the remaining oil is difficult to efficiently utilize, as shown in Figure 6.
During the injection stage of interlayer injection–production coupling, the bottomhole pressure of the injection well rapidly increases. A high-pressure zone is formed near the water well. Although the water mainly flows along the main flow line under high pressure difference, the volume of injected water flowing along the secondary main flow line direction increases. The water sweep volume increases, and the stable pressure field and solidified flow field have been broken through, so as to achieve an enhanced water sweep volume and improving the oil recovery. The flow field during the injection stage of interlayer injection–production coupling is shown in Figure 7.
During the production stage of interlayer injection–production coupling, the bottomhole pressure of the production well decreases. The pressure difference between the injection and production well increases. At the same time, the reservoir pressure decreases and the reservoir elasticity can be fully released. The fluid displacement pressure in the reservoir increases, and the entire reservoir achieves balanced exploitation. During the seepage process, the fluid far from the oil well flows towards the bottom of the oil well. The streamline on the plane away from the oil well is approximately parallel. The fluid near the oil well converges around the production well, and the streamline on the plane converges towards the production well. The seepage patterns of the oil well are different between remote and near wells. Thus, the conventional waterflooding addresses the limitation of a single displacement type in the reservoir and achieves balanced exploitation of the entire reservoir. The flow field during the production stage of interlayer injection–production coupling is shown in Figure 8.

3. Oilfield Application of Interlayer Injection–Production Coupling

3.1. Reservoir Background

M oilfield is a large medium-high permeability sandstone reservoir developed on the background of the Bonan uplift. It is characterized by the development of multiple layers. It is located in eastern China. P-3 area is located in the west of M oilfield. This area is composed of two strike–slip faults and NE-trending normal faults. The internal fault block is divided by several secondary faults, which is characterized as high in the east and low in the west. This area is divided into six fault blocks on the plane, with relatively stable reservoir distribution and good reservoir properties.
The oil sand bodies in P-3 area are mainly braided river deltaic deposits. In the vertical direction, there are four main layers: L10, L20, L30, and L40. These layers have a large effective thickness and good lateral continuity. At the same time, thin layers are developed between the main layers. The average porosity of these reservoirs is 28.5%, and the average permeability is 283 mD. The oil density is between 0.915 and 0.982 g/cm3 in this area’s underground conditions. The oil viscosity is between 9.1 and 147.8 mPa S under formation conditions. The gum content of oil components is between 18.9% and 29.8%. The alkane content is between 32.8% and 44.6%.
P-3 area has four production layers in the vertical, and most of these layers are commingled water injection and commingled liquid production layers. The row well pattern is widely used in this area. At present, there are 49 wells in the area, including 33 production wells and 16 injection wells. The average daily oil production is 88 m3/d, and the daily water injection is 369 m3/d. The comprehensive water cut of production wells is 88.9%. The oil recovery of the reservoir is 26.1%.
At the early stage of oilfield development, P-3 area was developed by commingling water injection and commingling liquid production. In 2018, the area began to adjust the development mode. Thus, the production strata were subdivided from the original one into 3–6 strata. The well pattern was transformed from a nine-inverted-points well pattern to a row well pattern. With the continuous production of the oilfield, the development problems have gradually appeared. The thin and thick layers have developed alternately. The permeability and fluid viscosity of each layer are quite different. These things have led to the increasing interlayer interference. The remaining oil in some layers is difficult to produce. The interlayer injection–production coupling technology can effectively improve the water injection status of low-producing layers through high-pressure separate layer water injection. Therefore, interlayer injection–production coupling technology is considered to be one of the effective methods to improve the interlayer production differences in heterogeneous sandstone reservoir.

3.2. Experimental Section

3.2.1. Materials

This experiment mainly measures the characteristic parameters of oil, natural gas, formation water, and core. It provides a basis for analyzing reservoir characteristics and basic data for reservoir numerical simulation. The oil samples, natural gas samples, formation water samples, and cores samples used in the experiment are all from the P-3 area. Six oil samples were obtained from four different layers and two oil wells in this experiment. These samples were mainly used to analyze the properties of oil under reservoir conditions, such as viscosity and density. The oil sampling information is shown in Table 1.
Three natural gas samples were obtained from three wells. These samples were mainly used to analyze the composition and density of natural gas under reservoir conditions. The natural gas sampling information is shown in Table 2.
Four samples of formation water were obtained from four wells. These samples were mainly used to analyze the mineralization and density of formation water under reservoir conditions. The formation water sampling information is shown in Table 3.
Eight core samples were obtained from two wells and four layers. These samples were mainly used to analyze the porosity and permeability of the different layers. The core sampling information is shown in Table 4.

3.2.2. Experimental Setup

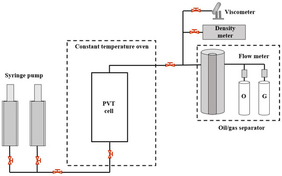
In this study, representative oil samples were established by recombining oil and gas samples according to the production gas–oil ratio, which is equal to 33 m3/m3. Then, routine PVT experiments, such as flash evaporation, constant composition expansion, and differential liberation, were performed to characterize oil PVT properties. The PVT system (PVT-0150-100-200-316-155, Canada DBR) was used to measure experimental data, as shown in Figure 9.
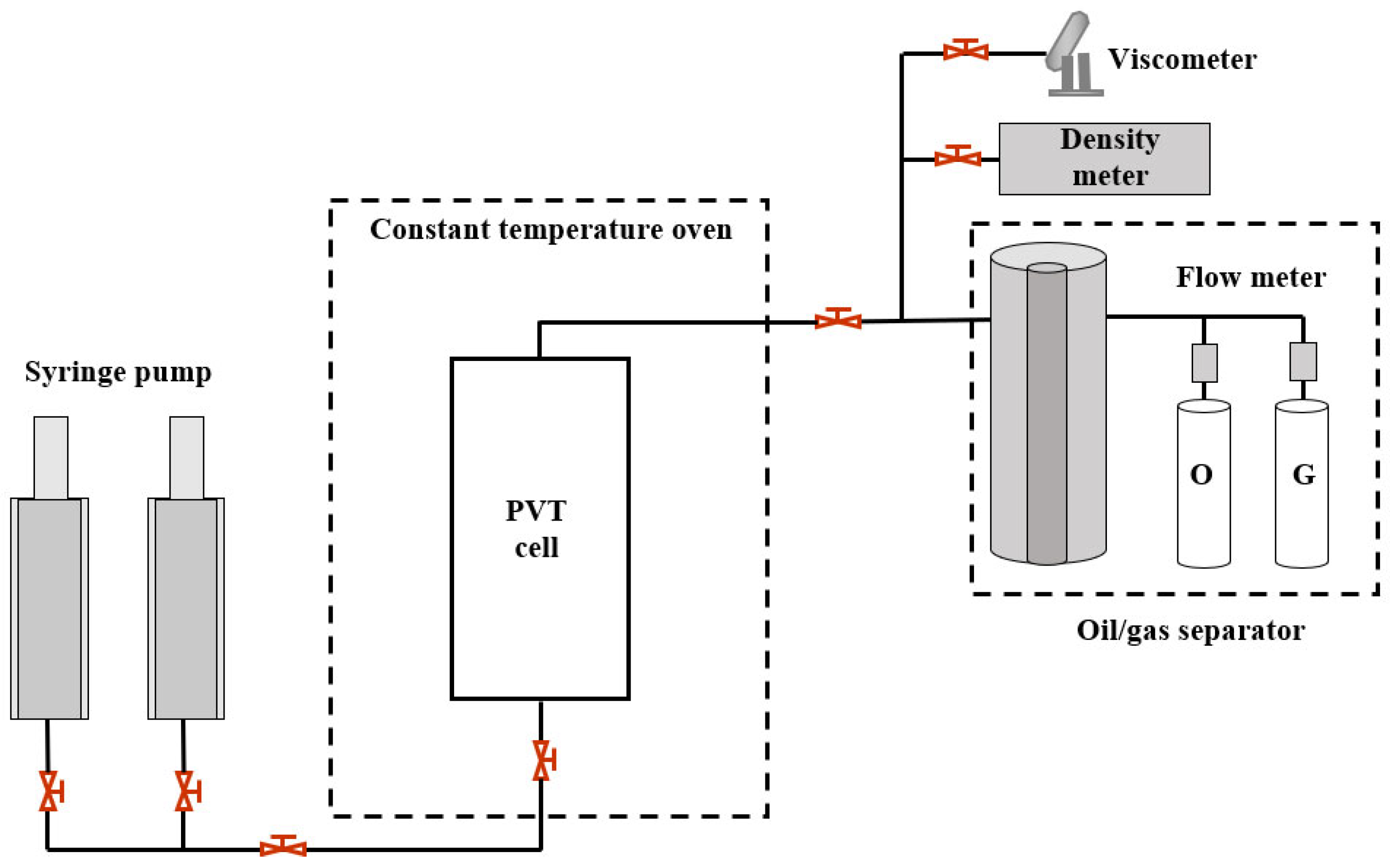
The natural gas component was measured using a gas chromatography analyzer which manufactured by Shanghai Jisheng Scientific Instruments Co., Ltd. (GC-7900, Shanghai, China). This mainly analyzed the proportion of various alkanes in gas components. The ion composition and pH value of formation water were mainly measured by chemical reagent analysis. Its main purpose was to measure the type and salinity of formation water. Core analysis mainly measured its porosity and permeability. The main instruments and the schematic of the experimental setup are shown in Figure 10.

3.2.3. Experimental Procedures

In this study, the measurement of formation fluid and core characteristic parameters are divided into five types of experiments. These experiments are the oil physical properties measurement, gas chromatography analysis, formation water analysis, core porosity measurement, and core permeability measurement. The oil physical property measurement experiment mainly carries out evaluation, constant composition expansion, and differential liberation analysis. Its main purpose is to measure the oil viscosity and density. The experimental steps follow the analytical method for reservoir crude oil physical properties (SY/T 5542-2000) in the petroleum and natural gas industry standards of China [28].
The gas chromatography experiment is mainly used to measure the composition and density of the gas. The experimental method and steps are based on the gas chromatography in the composition analysis method of natural gas (GB/T 13610-2014) in the Chinese national standards [29].
The formation water analysis experiment mainly measures the ion content and salinity, and determines the type of formation water. The experimental steps follow the steps of the oilfield water analysis method (SY/T 5523-2016) in the petroleum and natural gas industry standards of China [30].
The core porosity is measured by the liquid saturation method, and its measurement methods are as follows:
(1)
Dry the core in an oven and weigh it.
(2)
Put the core into a pressurized tank and vacuum for 12 h.
(3)
Inject water into the pressurized tank, increase the pressure to 10 MPa, and saturate the core for 24 h.
(4)
Take out the core, wipe off the water on the surface, and measure its mass in air.
(5)
Calculate porosity based on measurement results.
The core permeability is measured by the steady-state method, and the measurement methods are as follows:
(1)
Put the core into the holder and increase the confining pressure.
(2)
Inject gas into the rock core and record the inlet pressure and outlet pressure after the pressure is stable.
(3)
Open the flowmeter and record the gas flow within a certain time.
(4)
Repeat step 2–3 times and record relevant data.
(5)
Calculate core permeability based on measurement results.

3.2.4. Experimental Result

In this study, the characteristic parameters of five oil samples were measured, and the experimental results are shown in Table 5. The average saturation pressure of oil is 10.81 MPa. The average gas–oil ratio of oil is 31.2 m3/m3. The average volume coefficient of oil is 1.09. The average density of oil is 0.894 g/cm3. The average viscosity of oil is 14.45 mPa·s.
The characteristic parameters of three natural gas samples were measured, and the experimental results are shown in Table 6 and Table 7. The CH4 content in natural gas samples is the highest, with an average of 95.2%. The CO2 content in sample G-2 is relatively high at 3%. The content of C2H6 in samples G-1 and G-3 was 2.4% and 1.4%, respectively. The average density of three natural gas samples is 0.592 g/cm3. The measurement results indicate that the natural gas in the P-3 area is dry gas.
The characteristic parameters of four formation water samples were measured, and the experimental results are shown in Table 8 and Table 9. The average pH value of four formation water samples is 8.5. The average mineralization value of four formation water samples is 17,435 mg/L. The water type of W-2 is Na2SO4, while the other three samples are NaHCO3.
The characteristic parameters of eight core samples were measured, and the experimental results are shown in Table 10. The average porosity of eight core samples is 22.2%. The average permeability of eight core samples is 221.5 mD.

3.3. Numerical Simulation Study

Geological and petrophysical models are crucial for the numerical simulation of upscaling predictions. In this study, the geological model covering a 20 km2 area is controlled by well logs. Studies of the regional geology and sedimentology were used to obtain a statistical representation of the main geological parameters. Subsequently, facies models are constructed using lithofacies modeling, and the comprehensive logging interpretation results were used to divide the lithofacies.
To fully capture the lateral and vertical heterogeneities, the number of grid cells in the x, y, and z directions were 120, 264, and 36 respectively, with a total of 1.14 million grid cells. The grid resolution in the x and y directions was 25 m × 25 m, and ranged from 4.2 m to 7.4 m in the z direction. Controlled by the facies model, a Gaussian random simulation method was used to build the porosity model with the help of the porosity logs, as shown in Figure 11. The co-kriging method was used to build the permeability and saturation model. A brief summary of the geological and petrophysical models is listed in Table 11. The physical parameters of oil, gas, and formation water in the numerical model are mainly obtained by matching experimental results.
The J1 well group is located in the southern part of the P-3 area. There are a total of four wells in this well group, including one injection well and three production wells, as shown in Figure 11. Centered on injection well J1, the PL-1 well is located in the north, the PL-2 well is located in the northeast, the PL-3 well is located in the northwest, and the PL-4 well is located in the southwest. There are four layers in the vertical direction within the well group, which are the L10, L20, L30, and L40 layers, respectively, as shown in Figure 12.
The J1 well group has been in production since September 2018. In the initial stage of production, the daily injection volume was 550 m3 and the daily liquid production was 720 m3. Due to the differences in reservoir properties between different layers, interlayer heterogeneity is strong. With the development of the reservoir, the phenomenon of water channeling caused by interlayer heterogeneity gradually becomes severe. The water cut of each production well has significantly increased.
For the J1 well group, the L20 and L30 layers are the main production layers. According to the core measurement results, it can be seen that there is a significant difference in permeability between the two layers. This leads to significant differences in interlayer exploitation, and it is difficult for conventional waterflooding to further improve reservoir recovery. However, the interlayer injection–production coupling technology is considered to be one of the effective methods used to increase the oil recovery for this well group. In this study, the parameters of interlayer injection–production coupling are optimized for the L20 and L30 layers based on numerical model analysis of the P-3 area.

4. Results and Discussion

4.1. Historical Matching Analysis

To obtain a more accurate numerical model, the history matching should be conducted first before scheme prediction. In this study, historical production data of the P-3 reservoir are used to conduct history matching. For the production well, the liquid production rate is taken as the constraint condition. The oil production rate and water cut are the main matching targets. For the injection well, the water injection rate is taken as the constraint condition. The injection pressure is the main matching target. During the history matching, the parameters such as reservoir permeability and the relative permeability curve will be modified to make the simulation results and observed data match as completely as possible.
For the liquid production rate, the simulation results and observed data can be well matched by modifying the overall permeability of the reservoir and the permeability around the oil well, as shown in Figure 13a. For the liquid injection rate, the simulation results and observed data can be well matched by modifying the permeability around the injection well, as shown in Figure 13d. In addition, through adjusting the relative permeability curve to change the irreducible water saturation, the matching rate between simulation results and observed data for the oil production rate is improved, as shown in Figure 13b. Furthermore, by modifying the position of the oil–water interface, the water production time and water cut of the oil well are further matched, as shown in Figure 13c. For the numerical model of the P-3 reservoir, the historical matching accuracy is good, which meets the needs of subsequent scheme predictions.

4.2. Coupling Injection–Production Parameter Analysis

4.2.1. Water Injection Rate

The J1 well is an injection well in the target well group. The PL-2 well and PL-4 well are production wells located at L20 and L30, respectively. Before interlayer injection–production coupling, the daily injection volume of the J1 well is 200 m3/day. When applying interlayer injection–production coupling technology, the water is first injected into L20, and then is injected into L30. To analyze the influence of water injection rate on interlayer injection–production coupling, the ratio of the water injection rate to the original water injection rate during interlayer injection–production coupling is set to 0.5, 0.8, 1, 1.5, and 2, respectively. The numerical simulation results of the target well group are used to analyze the interlayer injection–production coupling effect. The main parameters applied in this process include enhanced waterflood sweep volume (WSV), incremental oil recovery, and enhanced oil recovery.
The L20 and L30 enhanced WSV at different injection rates during the interlayer injection–production coupling stage, as shown in Figure 14. When the ratio of the water injection rate is 0.5, the enhanced WSV of the L20 and L30 layers are 4.8% and 2.2%. When the ratio of the water injection rate is 0.8, the enhanced WSV of the L20 and L30 layers are 6.3% and 3.1%. When the ratio of the water injection rate is 1, the enhanced WSV of the L20 and L30 layers are 9.5% and 4.3%. When the ratio of the water injection rate is 1.5, the enhanced WSV of the L20 and L30 layers are 15.3% and 7.7%. When the ratio of the water injection rate is 2, the enhanced WSV of the L20 and L30 layers are 19.8% and 10.5%.
The incremental oil and enhanced oil recovery at different injection rates during the interlayer injection–production coupling stage are shown in Figure 15. When the ratio of the water injection rate is 0.5, the incremental oil and enhanced oil recovery are 386 m3 and 1.7%. When the ratio of the water injection rate is 0.8, the incremental oil and enhanced oil recovery are 542 m3 and 2.4%. When the ratio of the water injection rate is 1, the incremental oil and enhanced oil recovery are 738 m3 and 3.3%. When the ratio of the water injection rate is 1.5, the incremental oil and enhanced oil recovery are 1223 m3 and 5.5%. When the ratio of the water injection rate is 2, the incremental oil and enhanced oil recovery are 1429 m3 and 6.4%.
According to the simulation results, the enhanced WSV of both L20 and L30 increases at different injection rate ratios. This indicates that interlayer injection–production coupling technology can effectively improve the WSV for this well group. It can also be seen that as the injection rate ratio increases, the enhanced WSV of the L20 and L30 layers also increases. At the same time, both the incremental oil and enhanced oil recovery increase. This indicates that the increase in the injection rate can effectively improve the effect of interlayer injection–production coupling. The main reason is that the increase in injection rate leads to the increase in injection pressure. A high-pressure zone is formed near the injection well. Then, the original flow field is broken by the injection water under high pressure, and the WSV is enhanced. As a result, the remaining oil that cannot be used by conventional waterflooding is utilized, and the oil recovery of this well group also increases accordingly.

4.2.2. Liquid Production Rate

The PL-2 well and PL-4 well are production wells located at L20 and L30. Before interlayer injection–production coupling, the daily liquid production of the PL-2 well and PL-4 well were 70 m3/day and 40 m3/day, respectively. When applying interlayer injection–production coupling technology, the PL-2 well produces liquid first, and then the PL-4 well produces liquid. To analyze the influence of liquid production rate on interlayer injection–production coupling, the ratio of the liquid production rate to the original liquid production rate during interlayer injection–production coupling is set to 0.5, 0.8, 1, 1.5, and 2, respectively. The numerical simulation results of the target well group are used to analyze the interlayer injection–production coupling effect. The main parameters applied in this process include incremental oil and enhanced oil recovery.
The incremental oil and enhanced oil recovery at different production rates during the interlayer injection–production coupling stage are shown in Figure 16. When the ratio of the water injection rate is 0.5, the incremental oil and enhanced oil recovery are 323 m3 and 1.4%. When the ratio of the water injection rate is 0.8, the incremental oil and enhanced oil recovery are 432 m3 and 1.9%. When the ratio of the water injection rate is 1, the incremental oil and enhanced oil recovery are 738 m3 and 3.3%. When the ratio of the water injection rate is 1.5, the incremental oil and enhanced oil recovery are 1118 m3 and 1013 m3, with a recovery rate of 4.5%.
According to the simulation results, both the incremental oil and enhanced oil recovery increase at different production rate ratios. This indicates that interlayer injection–production coupling technology can effectively improve the development effect of this well group. It can also be seen that as the production rate ratio increases, both the incremental oil and enhanced oil recovery increase first and then decrease. The main reason is that the increase in the production rate leads to the increase in production pressure difference. Under this pressure, the remaining oil in the reservoir migrates towards the oil well. Therefore, increasing the liquid production rate appropriately can increase the production pressure difference. The target of balanced reservoir exploitation will be achieved during the application of interlayer injection–production coupling. But when the liquid production rate is large, the production pressure difference is also large. The elastic energy of the reservoir is released quickly during the application of interlayer injection–production coupling. This results in the remaining oil that is far away from the production well being unable to migrate into the oil well. Therefore, when the liquid production rate is too large, both the incremental oil and enhanced oil recovery will decrease.

4.2.3. Half-Period Ratio

According to the interlayer injection–production coupling physical model, the half-period ratio is the ratio of the water injection time for each target layer. In this study, the half-period ratio is the ratio of the water injection time for L20 to L30. When applying interlayer injection–production coupling technology, the water is first injected into L20, and then is injected into L30. Considering the water injection capacity of the oilfield, the injection time for both L20 and L30 shall not exceed 60 days. The coupling period is set at 120 days. When setting the half-period ratio, the coupling period remains unchanged. The half-period ratio is set according to the proportion of injection time for each layer. Specifically, when the injection time for L20 and L30 is set to 30 days and 90 days, respectively, the half-period ratio is 1:3. When the injection time for L20 and L30 is set to 48 days and 72 days, respectively, the half-period ratio is 2:3. When the injection time for L20 and L30 is set to 60 days and 60 days, respectively, the half-period ratio is 1:1. When the injection time for L20 and L30 is set to 72 days and 48 days, respectively, the half-period ratio is 3:2. When the injection time for L20 and L30 is set to 90 days and 30 days, respectively, the half-period ratio is 3:1. The numerical simulation results of the target well group are used to analyze the interlayer injection–production coupling effect. The main parameters applied in this process include the oil recovery of L20 and L40, incremental oil recovery, and enhanced oil recovery.
The oil recovery of L20 and L30 at different half-period ratios during the interlayer injection–production coupling stage are shown in Figure 17. When the half-period ratio is 1:3, the oil recovery of the L20 and L30 layers are 25.0% and 37.3%. When the half-period ratio is 2:3, the oil recovery of the L20 and L30 layers are 26.6% and 37.1%. When the half-period ratio is 1:1, the oil recovery of the L20 and L30 layers are 29.9% and 36.9%. When the half-period ratio is 3:2, the oil recovery of the L20 and L30 layers are 36.3% and 36.8%. When the half-period ratio is 3:1, the oil recovery of the L20 and L30 layers are 38.5% and 36.6%.
The incremental oil and enhanced oil recovery at different half-period ratios during the interlayer injection–production coupling stage are shown in Figure 18. When the half-period ratio is 1:3, the incremental oil and enhanced oil recovery are 308 m3 and 1.38%. When the half-period ratio is 2:3, the incremental oil and enhanced oil recovery are 443 m3 and 1.99%. When the half-period ratio is 1:1, the incremental oil and enhanced oil recovery are 738 m3 and 3.31%. When the half-period ratio is 3:2, the incremental oil and enhanced oil recovery are 1393 m3 and 6.25%. When the half-period ratio is 1:3, the incremental oil and enhanced oil recovery are 1578 m3 and 7.08%.
According to the simulation results, both the incremental oil and enhanced oil recovery increase at different half-period ratios. This indicates that interlayer injection–production coupling technology can effectively improve the development effect of this well group at different half-period ratios. It can also be seen that as the half-period ratio increases, the oil recovery of L20 gradually increases, and the oil recovery of L30 gradually decreases. But both the incremental oil and enhanced oil recovery increase with the increase in half-period ratio. This means that the L20 is the main target layer for interlayer injection–production coupling to enhance oil recovery. The main reason for this phenomenon is that the oil recovery of L20 before interlayer injection–production coupling is low, and the remaining oil is relatively abundant. When the half-period ratio is larger, the injection time of L20 is longer, the water injection volume is greater, and the effect of enhancing oil recovery is better. Therefore, when applying interlayer injection–production coupling technology in an oilfield, the scheme design should focus on the lower oil recovery layer. The ultimate goal is to effectively improve the interlayer exploitation differences in heterogeneous oil reservoirs. Only in this way can we ultimately achieve the goal of effectively improving the interlayer exploitation differences in heterogeneous reservoirs.

4.2.4. Coupling Period

According to the interlayer injection–production coupling physical model, a complete coupling period is the completion of the injection and production process for all target layers. In this study, the coupling period involves both the L20 and L30 layers completing the injection and production process. Considering the water injection capacity of the oilfield, the water injection time for both the L20 and L30 layers is set at 60 days. Therefore, in this study, the completion coupling period is 120 days. To analyze the influence of the coupling period on interlayer injection–production coupling, the coupling period number is set to 1, 2, 3, 4, and 5, respectively. The numerical simulation results of the target well group are used to analyze the interlayer injection–production coupling effect. The main parameters applied in this process include incremental oil and enhanced oil recovery.
The incremental oil and enhanced oil recovery at different coupling periods are shown in Figure 19. When the coupling period number is 1, the incremental oil and enhanced oil recovery are 738 m3 and 3.3%. When the coupling period number is 2, the incremental oil and enhance oil recovery are 522 m3 and 2.3%. When the coupling period number is 3, the incremental oil and enhanced oil recovery are 285 m3 and 1.3%. When the coupling period number is 4, the incremental oil and enhanced oil recovery are 142 m3 and 0.6%. When the coupling period number is 5, the incremental oil and enhanced oil recovery are 95 m3 and 0.4%.
According to the simulation results, both the incremental oil and enhanced oil recovery decrease at different coupling period numbers. This indicates that as the coupling period number increases, the effect of interlayer injection–production coupling gradually deteriorates. The main reason is that as the coupling period number increases, the remaining oil potential of each layer gradually decreases. Therefore, when applying interlayer injection–production coupling technology in an oilfield, the coupling period number should be optimized according to the production situation of each layer. In this study, it is recommended that the target well group should not exceed three coupling periods.

5. Conclusions

In this paper, the physical model of interlayer injection–production coupling has been elaborated in detail, and its mechanism of enhancing oil recovery was analyzed. The physical parameters of oil, natural gas, formation water, and core samples were measured for the P-3 reservoir in eastern China. Based on measurement results and basic oilfield data, a numerical model of the P-3 reservoir was established. The production data were further utilized to generate the reasonable reservoir parameters by history matching. Following that, four coupling parameters were considered to evaluate the effectiveness of interlayer injection–production coupling in the P-3 reservoir. The main conclusions drawn in this study are as follows:
(1)
A physical model of interlayer injection–production coupling has been established. The coupling process was divided into two stages, and the physical significance of each stage was explained separately. Based on the physical model, the mechanism of interlayer injection–production coupling can be summarized as reservoir elastic energy adjustment and reservoir flow field reconstruction.
(2)
The application of interlayer injection–production coupling technology can significantly improve the interlayer exploitation differences in strongly heterogeneous sandstone reservoirs, thereby achieving the goal of balanced reservoir exploitation. In the design process of interlayer injection–production coupling plans for oilfields, it is necessary to focus on the under-exploition layer and select the optimal parameter combination.
(3)
For the J1 well group, the injection rate and liquid production rate can be appropriately increased by a factor of 2 and 1.5, and corresponding oil recovery will increase by 6.4% and 5%. Meanwhile, when the half-period ratio increases to 3:1, the oil recovery will increase by 7.08%. Therefore, during the design of an interlayer injection–production coupling scheme, the injection rate and liquid production rate can be appropriately increased, the injection time should be increased for the under-exploitation layer, and the optimal coupling period should be selected based on the characteristics of the oilfield.

Author Contributions

Formal analysis, C.T.; investigation, K.W.; methodology, Y.H.; resources, J.J.; software, J.L. (Jing Li); supervision, Y.G. and J.L. (Junjian Li); writing—original draft, W.Z.; writing—review and editing, J.L. (Junjian Li). All authors have read and agreed to the published version of the manuscript.

Funding

This research was funded by the National Natural Science Foundation of China (grant number 52374055), with the project name: Multiple Coupling Fine Numerical Simulation and Optimization Design Method for Water Control Completion of Horizontal Wells.

Data Availability Statement

The data presented in this study are available on request from the corresponding author.

Conflicts of Interest

Authors Wei Zheng, Kai Wang, Jing Li, Juanzhe Jiang, Chenyang Tang and Yufei He were employed by the company CNOOC Research Institute Co., Ltd. The remaining authors declare that the research was conducted in the absence of any commercial or financial relationships that could be construed as a potential conflict of interest.

References

  1. Zou, C.Y.; Yu, L.J. A quantization relationship between water cut and degree of reserve recovery for waterflooding sandstone reservoirs in China. Acta Pet. Sin. 2012, 33, 288–292. [Google Scholar]
  2. Geng, Z.L.; Wang, S.L.; Xie, X.Q.; Zheng, Y.; Gao, Y.J.; Song, X.Y. Analysis and discussion on the interlayer interference mechanisms of oil wells in a multilayer sandstone reservoir. Pet. Sci. Bull. 2024, 2, 338–345. [Google Scholar]
  3. Yang, S.H.; Wang, R.L.; Yang, S.C.; Wang, R.L. Characteristics of heterogeneous 3-D model of sandstone reservoirs in different development stages. Oil Gas Geol. 2006, 27, 652–659. [Google Scholar]
  4. Zhu, L.H.; Du, Q.L.; Jiang, X.Y.; Guo, J.H.; Wei, L.Y.; Jiang, Y.F.; Jin, Y.H. Characteristics and strategies of three major contradictions for continental facies multi- layered sandstone reservoir at ultra-high water cut stage. Acta Pet. Sin. 2015, 36, 210–217. [Google Scholar]
  5. Yu, H.J.; Zhu, G.J.; Tan, X.H. Study on Interlayer Interference Caused by Commingling Production and Development Strategy in Sandstone Reservoir. J. Southwest Pet. Univ. Sci. Technol. Ed. 2014, 36, 101–106. [Google Scholar]
  6. Liu, Y.C.; Luo, X.H.; Kang, K.; Li, T.; Jiang, S.; Zhang, J.; Zhang, Z.; Li, Y. Permeability characterization and directional wells initial productivity prediction in the continental multilayer sandstone reservoirs: A case from Penglai 19-3 oil field, Bohai Bay Basin. Pet. Explor. Dev. 2017, 44, 97–103. [Google Scholar] [CrossRef]
  7. Su, Y.H.; Jia, X.F.; Li, Y.P.; Deng, J.F.; Wang, G.H. New technology for quantitative characterization of interlayer dynamic interference in commingled producing oil reservoir. Spec. Oil Gas Reserv. 2015, 22, 110–114. [Google Scholar]
  8. Yu, C.L.; Lin, C.Y.; Yin, Y.S. Quantitative identifying method for channeling path growing area in reservoirs of commingled injection and production. J. China Univ. Pet. 2009, 33, 24–30. [Google Scholar] [CrossRef]
  9. Gu, D.H.; Ding, D.Q.; Liu, J.; Men, C.Q.; Yan, N.Q.; Huang, W.K. Change rules of commingled production of tight gas reservoir with interlayer heterogeneity. Sci. Technol. Eng. 2015, 15, 53–60. [Google Scholar]
  10. Cao, X.M.; Zhang, F.; Cai, Y.T.; Guo, L.B.; Wang, Y.Z.; Pan, T.T. Research on a new production split method of thin interbedded sandstone reservoirs. Sci. Technol. Eng. 2014, 14, 166–172. [Google Scholar]
  11. Zhao, W.J.; Wang, J.; Qian, Q.H. Evolution law of dominant flow channels of water flooding in heterogeneous reservoir. Fault-Block Oil Gas Field 2023, 30, 847–857. [Google Scholar]
  12. Yu, C.L.; Lin, C.Y. Advancement of reservoir heterogeneity research. Pet. Geol. Recovery Effic. 2007, 14, 15–18. [Google Scholar]
  13. Wang, J.; Li, H.Y.; Lu, D.L.; Qian, C.; Zhou, Q. Optimized laboratory experiment on interlayer interference in heterogeneous reservoirs. Xinjiang Pet. Geol. 2024, 45, 199–204. [Google Scholar]
  14. Li, Z.F.; He, S.L.; Yang, W.X.; Men, C. Physical simulation experiment of water driving by micro-model and fractal features of residual oil distribution. J. China Univ. Pet. Ed. Natrual Sci. 2006, 30, 67–71. [Google Scholar]
  15. Cui, C.Z.; Sun, L.T.; Shan, G.J.; Yang, Y.; Wu, Y.Z. Multi measure simultaneous optimization method for multilayer commingled producing wells. Acta Pet. Sin. 2023, 44, 1356–1364. [Google Scholar]
  16. Song, L. Study on mechanism of enhanced oil recovery by injection-production coupling technology. Petrochem. Ind. Technol. 2019, 26, 91–92. [Google Scholar]
  17. Cui, C.Z.; Gao, M.; Zhang, G.; Liu, Z.W.; Quan, H. Effect and optimization of residual oil with injection production coupling technique in the fault angle area. China Sci. 2018, 13, 2648–2652. [Google Scholar]
  18. Sun, Z.G.; Yang, H.B.; Zhang, H.X.; Wang, J.; Wang, R.; Zhang, B. Physical simulation experiment of injection-production coupling. Pet. Geol. Eng. 2019, 33, 68–70. [Google Scholar]
  19. Liu, R.J.; Lu, W.M. Mechanism and field practice of enhanced oil recovery by injection-production coupling in faultblock reservoirs. Lithol. Reserv. 2024, 36, 80–188. [Google Scholar]
  20. Wang, J. Research on unstable injection-production to improve oil recovery in complicated fault block of Shengli oilfield-case study of fault block oil reservoirs in Linpan oilfield. Pet. Geol. Recovery Effic. 2013, 20, 89–91. [Google Scholar]
  21. Xu, S.; Le, P.; Liu, M.; Huang, Y.M.; Lin, B. Injection-Production Coupling Technique for Improving the Development Performance of Structural-Lithological Reservoir. Spec. Oil Gas Reserv. 2016, 23, 110–114. [Google Scholar]
  22. Wan, X.X.; Xie, G.L.; Ding, Y.G. Exploration on geology-engineering integration of hard-to-recover reserves in Shengli Oilfield. China Pet. Explor. 2020, 25, 43–50. [Google Scholar]
  23. Wang, R. Mechanical mechanism of the injection production coupling technique for complex fault -block oil reservoirs. China Sci. 2020, 15, 60–67. [Google Scholar]
  24. Sun, Z.G.; Yang, H.B.; Yang, Y. Physical simulation experiment by alternation of injection and production to improve oil recovery. Fault-Block Oil Gas Field 2019, 26, 88–92. [Google Scholar]
  25. Wang, R.; Yuan, S.B.; Wang, J. Mechanism of the injection-production coupling technique for complex faulk-block oil reservoirs. Pet. Geol. Oilfield Dev. Daqing 2018, 37, 38–42. [Google Scholar]
  26. Song, Z.C. Study on policy optimization of interlayer unstable injection-production technology for extremely fault block reservoirs. Petrochem. Ind. Technol. 2018, 25, 145–146. [Google Scholar]
  27. Zhao, B.C. Coupling Mechanism and Parameter Optimization of Water-Drive Injection-Production in Fault Block Reservoirs; China University of Geosciences: Beijing, China, 2020. [Google Scholar]
  28. SY/T 5542-2000; Analytical Method for Reservoir Crude Oil Physical Properties. State Bureau of Petroleum and Chemical Industry: Beijing, China, 2000.
  29. GB/T 13610-2014; Analysis of Natural Gas Composition—Gas Chromatography. Standards Press of China: Beijing, China, 2014.
  30. SY/T 5523-2016; Method for Analysis Oilfield Water. China Standard Press: Beijing, China, 2016.
Figure 1. A schematic diagram of the first stage of interlayer injection–production coupling.
Figure 1. A schematic diagram of the first stage of interlayer injection–production coupling.
Processes 12 02054 g001
Figure 2. A schematic diagram of the second stage of interlayer injection–production coupling.
Figure 2. A schematic diagram of the second stage of interlayer injection–production coupling.
Processes 12 02054 g002
Figure 3. Distribution diagram of inter-well pressure during waterflooding stage.
Figure 3. Distribution diagram of inter-well pressure during waterflooding stage.
Processes 12 02054 g003
Figure 4. Inter-well pressure profile during water injection stage of interlayer injection–production coupling.
Figure 4. Inter-well pressure profile during water injection stage of interlayer injection–production coupling.
Processes 12 02054 g004
Figure 5. Inter-well pressure profile during production stage of interlayer injection–production coupling.
Figure 5. Inter-well pressure profile during production stage of interlayer injection–production coupling.
Processes 12 02054 g005
Figure 6. The flow field in the later stage of waterflooding (the blue line represents water and the red line represents oil).
Figure 6. The flow field in the later stage of waterflooding (the blue line represents water and the red line represents oil).
Processes 12 02054 g006
Figure 7. Flow field during the injection stage of interlayer injection–production coupling (the blue line represents water and the red line represents oil).
Figure 7. Flow field during the injection stage of interlayer injection–production coupling (the blue line represents water and the red line represents oil).
Processes 12 02054 g007
Figure 8. Flow field during the production stage of interlayer injection–production coupling (the blue line represents water and the red line represents oil).
Figure 8. Flow field during the production stage of interlayer injection–production coupling (the blue line represents water and the red line represents oil).
Processes 12 02054 g008
Figure 9. A schematic of the experimental setup for PVT test.
Figure 9. A schematic of the experimental setup for PVT test.
Processes 12 02054 g009
Figure 10. A schematic of the experimental setup for permeability measurement.
Figure 10. A schematic of the experimental setup for permeability measurement.
Processes 12 02054 g010
Figure 11. Location map of J1 well group in P-3 reservoir.
Figure 11. Location map of J1 well group in P-3 reservoir.
Processes 12 02054 g011
Figure 12. J1 well group profile map.
Figure 12. J1 well group profile map.
Processes 12 02054 g012
Figure 13. History and matching production dynamic data: (a) field liquid production rate; (b) field oil production rate; (c) field water cut; (d) field water injection rate.
Figure 13. History and matching production dynamic data: (a) field liquid production rate; (b) field oil production rate; (c) field water cut; (d) field water injection rate.
Processes 12 02054 g013
Figure 14. Relationship between injection rate ratio and enhanced WSV of L20 and L30.
Figure 14. Relationship between injection rate ratio and enhanced WSV of L20 and L30.
Processes 12 02054 g014
Figure 15. Relationship between injection ratio and incremental oil and enhanced oil recovery.
Figure 15. Relationship between injection ratio and incremental oil and enhanced oil recovery.
Processes 12 02054 g015
Figure 16. Relationship between production rate ratio and incremental oil and enhanced oil recovery.
Figure 16. Relationship between production rate ratio and incremental oil and enhanced oil recovery.
Processes 12 02054 g016
Figure 17. Relationship between Half-Period Ratio and oil recovery of L20 and L30.
Figure 17. Relationship between Half-Period Ratio and oil recovery of L20 and L30.
Processes 12 02054 g017
Figure 18. Relationship between Half-Period Ratio and incremental oil and enhanced oil recovery.
Figure 18. Relationship between Half-Period Ratio and incremental oil and enhanced oil recovery.
Processes 12 02054 g018
Figure 19. Relationship between coupling period and incremental oil and enhanced oil recovery.
Figure 19. Relationship between coupling period and incremental oil and enhanced oil recovery.
Processes 12 02054 g019
Table 1. Formation oil sampling information.
Table 1. Formation oil sampling information.
NumberWell NameSampling LayerReservoir Temperature (°C)
O-1PL5L3064.5
O-2PL5L2063.5
O-3PL5L4063.4
O-4PL3-5L2063.9
O-5PL3-5L1063.3
Table 2. Natural gas sampling information.
Table 2. Natural gas sampling information.
NumberWell NameSampling Depth (m)
G-1PL19-3-A03ST21730.3–2042.2
G-2PL19-3-D201841.2–2877.0
G-3PL19-3-D271980.4–2413.1
Table 3. Formation water sampling information.
Table 3. Formation water sampling information.
NumberWell NameSampling Depth (m)
W-1PL19-3-D20ST11492.1–2117.7
W-2PL19-3-D222220.0–2632.0
W-3PL19-3-D271980.4–2413.1
W-4PL19-3-D331636.0–1950.0
Table 4. Core sampling information.
Table 4. Core sampling information.
Core numberWell NameSampling LayerLength/cmDiameter/cm
C-1TJ-1L1010.22.55
C-2TJ-1L1010.152.55
C-3TJ-1L2010.152.55
C-4TJ-1L309.952.55
C-5TJ-2L2010.152.55
C-6TJ-2L309.852.55
C-7TJ-2L4010.052.55
C-8TJ-2L4010.052.55
Table 5. Measurement results of oil physical properties.
Table 5. Measurement results of oil physical properties.
NumberSaturation
Pressure (MPa)
Gas–Oil Ratio (m3/m3)Volume
Coefficient
Density
(g/cm3)
Viscosity (mPa·s)
O-111.65381.1020.8649.47
O-29.01281.0580.91715.4
O-311.58331.0910.88921.7
O-410.69291.0910.90315.4
O-511.10281.0970.89710.3
Table 6. Natural gas component.
Table 6. Natural gas component.
ComponentMole Fraction, %
G-1G-2G-3
N20.10.60.6
CO22.23.00.6
CH494.594.296.9
C2H62.41.71.4
C3H80.40.30.3
C4H100.20.20.2
C5H120.10.10.1
C6+0.20.00.0
Table 7. Natural gas density.
Table 7. Natural gas density.
NumberDensity (g/cm3)
G-10.599
G-20.601
G-30.576
Table 8. PH value and water type of formation water.
Table 8. PH value and water type of formation water.
NumberPHWater Type
W-18.3 NaHCO3
W-28.3 Na2SO4
W-38.3 NaHCO3
W-49.2 NaHCO3
Table 9. Particle concentration and mineralization degree of formation water.
Table 9. Particle concentration and mineralization degree of formation water.
NumberK+ + Na+Mg2+Ca2+CLSO42−HCO3CO32−Total (mg/L)
W-1547883164515313561514216,163
W-2610315414190513369594416,787
W-36480229160820650917866017,430
W-45337435112663711,249137519,358
Table 10. Core parameter measurement results.
Table 10. Core parameter measurement results.
Core NumberPorosity/%Permeability/mD
C-121.3128
C-220.5156
C-322.2152
C-426.2355
C-521.4166
C-625.2405
C-719.3215
C-821.5195
Table 11. The basic reservoir parameters of the geological and petrophysical models.
Table 11. The basic reservoir parameters of the geological and petrophysical models.
ParametersValues
Grid in x, y, and z directions120 × 264 × 36
Grid size in x and y directions, m25
Average grid size in z direction, m5.2
Reservoir temperature, °C58
Initial reservoir pressure, bar210
Average porosity, %22.4
Average permeability, mD323
Average water saturation, %46.1
Disclaimer/Publisher’s Note: The statements, opinions and data contained in all publications are solely those of the individual author(s) and contributor(s) and not of MDPI and/or the editor(s). MDPI and/or the editor(s) disclaim responsibility for any injury to people or property resulting from any ideas, methods, instructions or products referred to in the content.

Share and Cite

MDPI and ACS Style

Zheng, W.; Wang, K.; Li, J.; Jiang, J.; Tang, C.; He, Y.; Guan, Y.; Li, J. A Study on the Mechanism and Influencing Factors of Interlayer Injection–Production Coupling in a Heterogeneous Sandstone Reservoir. Processes 2024, 12, 2054. https://doi.org/10.3390/pr12092054

AMA Style

Zheng W, Wang K, Li J, Jiang J, Tang C, He Y, Guan Y, Li J. A Study on the Mechanism and Influencing Factors of Interlayer Injection–Production Coupling in a Heterogeneous Sandstone Reservoir. Processes. 2024; 12(9):2054. https://doi.org/10.3390/pr12092054

Chicago/Turabian Style

Zheng, Wei, Kai Wang, Jing Li, Juanzhe Jiang, Chenyang Tang, Yufei He, Yuqi Guan, and Junjian Li. 2024. "A Study on the Mechanism and Influencing Factors of Interlayer Injection–Production Coupling in a Heterogeneous Sandstone Reservoir" Processes 12, no. 9: 2054. https://doi.org/10.3390/pr12092054

APA Style

Zheng, W., Wang, K., Li, J., Jiang, J., Tang, C., He, Y., Guan, Y., & Li, J. (2024). A Study on the Mechanism and Influencing Factors of Interlayer Injection–Production Coupling in a Heterogeneous Sandstone Reservoir. Processes, 12(9), 2054. https://doi.org/10.3390/pr12092054

Note that from the first issue of 2016, this journal uses article numbers instead of page numbers. See further details here.

Article Metrics

Back to TopTop