Next Article in Journal
Practices and Trends in the Prescription of Probiotics: A Detailed Analysis in an Eastern European Region
Next Article in Special Issue
Research on Fault Diagnosis of Drilling Pump Fluid End Based on Time-Frequency Analysis and Convolutional Neural Network
Previous Article in Journal
A Full-Stage Productivity Equation for Constant-Volume Gas Reservoirs and Its Application
 
 
Font Type:
Arial Georgia Verdana
Font Size:
Aa Aa Aa
Line Spacing:
Column Width:
Background:
Article

Experimental Research on Prediction of Remaining Using Life of Solar DC Centrifugal Pumps Based on ARIMA Model

1
Power China Guiyang Engineering Corporation Limited, Guiyang 550081, China
2
Research Center of Fluid Machinery Engineering and Technology, Jiangsu University, Zhenjiang 212013, China
*
Author to whom correspondence should be addressed.
Processes 2024, 12(9), 1857; https://doi.org/10.3390/pr12091857
Submission received: 21 July 2024 / Revised: 28 August 2024 / Accepted: 28 August 2024 / Published: 30 August 2024
(This article belongs to the Special Issue Multiphase Flow and Optimal Design in Fluid Machinery)

Abstract

In order to improve the stability and reliability of the solar DC centrifugal pump real-time operation and prevent the centrifugal pump failure caused by the unexpected shutdown of the system, a set of accurate and efficient centrifugal pump condition monitoring systems was built. A time series-based strategy for predicting the remaining using life (RUL) of centrifugal pumps was proposed. The time series of head and efficiency of centrifugal pumps at specific flow conditions were measured, the corresponding failure thresholds were set, and different differential autoregressive integrated moving average (ARIMA) models were developed to predict the remaining useful life of the pumps. The results show that the maximum prediction error of the head ARIMA model established under the design conditions of the pump was 0.040%, and the head time series reaches the failure threshold of 8 m at the 653rd data point; the maximum prediction error of the efficiency ARIMA model was 0.042%, and the efficiency time series reaches the failure threshold of 16% at the 672nd data point. According to the proposed prediction strategy, the RUL of the centrifugal pump under the design condition was 53 h. The head time series of the pump at high flow conditions reaches a failure threshold of 5 m at the 640th data point; the efficiency time series will reach a failure threshold of 12.5% at the 578th data point, and the RUL of the centrifugal pump at high flow conditions was 78 h. The established ARIMA model has a high prediction accuracy and can effectively predict the RUL of centrifugal pumps.

1. Introduction

The continuous growth of the world’s population has put enormous pressures on agriculture, energy production, and environmental sustainability. Challenges such as climate change, sustainable development, and poverty have long been primary concerns that humanity must address and overcome [1]. Pumping systems play a critical role in various industries, such as petrochemicals, agricultural irrigation, and urban water supply, accounting for approximately 20% of total electricity consumption [2]. Presently, the majority of pumping systems worldwide heavily rely on conventional electricity generated through the combustion of fossil fuels [3]. However, due to the finite nature of fossil fuels and their detrimental effects on the environment, there is a need to explore cost-effective, reliable, and environmentally friendly alternatives for power generation [4]. Energy stands as the cornerstone of economic and social progress, yet it also serves as a major source of carbon emissions [5]. Therefore, the robust advancement of renewable and clean energy technologies constitutes a pivotal aspect in addressing these challenges.
Solar water pumping systems play a significant role in reducing reliance on coal, natural gas, or diesel for power generation [6]. Due to their emission-free operation, absence of fuel costs, and non-release of harmful by-products into the environment, solar power systems are widely regarded as one of the most promising forms of renewable energy sources [7]. Consequently, solar water pumping systems represent a sustainable strategy in the realm of water production and treatment. As shown in Figure 1, the structural framework of a solar water pumping system usually consists of three main parts: the photovoltaic generator, the power control system, and the power mechanism that contains the motor and the pump, while the centrifugal pump is one of the most commonly used pumps [8].
During the actual operation of the centrifugal pump, its main performance parameters, such as flow and head, will change with the requirements of different working conditions. Such transient and off-design operating conditions will induce unstable flow and vibration noise inside the pump, which seriously reduces the operation efficiency and service life of the centrifugal pump [9,10,11]. The most effective way to improve the stability and reliability of centrifugal pump operation in real time is to monitor the operating parameters of the pump and predict its remaining using life (RUL). In order to deal with the centrifugal pump before failure, so as to reduce the unexpected shutdown phenomenon caused by the centrifugal pump failure and further reduce the operation and maintenance cost of the system [12,13,14].
At present, many scholars have successively carried out corresponding research on pump life prediction technology. Do et al. [15] designed a cavitation prediction technique for centrifugal pumps and accurately predicted the RUL of pump impellers, which can accurately predict the RUL of pump impellers under cavitation. Akpudo et al. [16] investigated a multi-sensor prediction method for RUL prediction of electromagnetic pumps, which was tested on an electromagnetic pump and found to have better potential for automation in RUL prediction. Yiu et al. [17] proposed a slurry pump RUL estimation and prediction method based on the fusion of multiple vibration sensor data, which was found to be suitable for RUL prediction of slurry pumps in real production environments by comparing limited fault data sets. Khan et al. [18] developed a hybrid non-linear autoregressive model by proposing a unique strategy for predicting the RUL of two identical and in-operation slurry pumps. The method was applied to the NASA publicly available C-MAPSS dataset, and the results showed that the method is highly applicable to RUL prediction. Daigle et al. [19] developed a model-based prediction framework to estimate the system state and the progression of failures that occur, used a particle filter to calculate the RUL, and achieved RUL prediction for centrifugal pumps by illustrating the feasibility of prediction through simulated experiments.
The above studies show that the key to RUL prediction is to build the appropriate prediction model based on the physical characteristics of the predicted object. Neural network models, support vector machine models, and time series models can all be used for degradation modeling [20,21,22]. Jaouher et al. [23] proposed a smoothing phase to find the optimal RUL prediction method based on a simplified fuzzy adaptive resonance theory map (SFAM) neural network and the prediction method of the Weibull distribution (WD). The experimental results show that the method can accurately predict the RUL of rolling bearings based on the vibration signal. Zhao et al. [24] proposed a two-channel hybrid prediction model based on a convolutional neural network (CNN) and a long short-term memory (LSTM) network, using a sliding time window to pre-process the data, and the prediction model was evaluated by the CMAPSS dataset provided by NASA. Miao et al. [25] investigated a new transfer learning method of deep domain adaptive network (DDAN) model for predicting RUL, using selective convolutional recurrent neural network (SCRNN) to extract feature signals, and heterogeneous temporal data from multiple sensors were integrated into the prediction of RUL. The prediction results demonstrate that the prediction method can effectively predict the RUL of machinery under different operating conditions. Sun et al. [26] developed a support vector machine (SVM)-based bearing life prediction model. By extracting the features of the bearing vibration signal input to the model, the bearing running time and bearing failure time can be output after prediction. Zhang et al. [27] proposed a RUL prediction method for mechanical systems based on phase space trajectory similarity, using historical degradation data to construct a phase space and establish a reference degradation trajectory. The similarity between the degradation trajectory and the reference trajectory was measured using normalized cross-correlation metrics to obtain the current pattern of the degradation process, and the method was validated for high-pressure pumps using the method. Jiao et al. [28] developed a combined adaptive regression (AR) and particle filtering (PF) method to propose a fusion framework based on statistical prediction and data-driven prediction, the AR model to establish an aviation fuel pump life degradation model, and the PF algorithm to predict the RUL of aviation fuel pumps. Xu et al. [29] studied the variation of hydraulic system return flow under the wear condition of the slide shoe and cylinder bore, the causes and mechanisms of degradation caused by wear of the hydraulic system, Simulink and AMESim are used to establish a degradation model, and finally the multi-step support vector machine (SVM) algorithm was used to predict the pneumatic hydraulic pump failure and the RUL of the system. Ordonez et al. [30] proposed an algorithm for predicting the RUL of an aircraft engine from multiple sensor measurements, using a differential autoregressive integrated moving average (ARIMA) model to predict the values of the variables and inputting the results into an SVM model, where RUL is used as the response variable. The results of this study provide some reference for the application of time series analysis methods in the life cycle prediction of mechanical equipment.
A comprehensive analysis shows that only by choosing a reasonable life prediction model according to the structural characteristics, technical parameters, and actual operating conditions of different equipment can we accurately predict its RUL. Neural network models and support vector machine models require a large amount of training data and are not suitable for trend prediction of small samples; time series models are a mature parametric model prediction method, which are often used to fit smooth series data and have the advantage of being suitable for short-term prediction of samples and do not need to provide large sample training data. The ARIMA model, as a widely used time series model, is characterized by ease of computation and high accuracy.
In order to accurately predict the remaining using life of centrifugal pumps based on the actual operation of the equipment, this paper built a set of centrifugal pump condition monitoring systems by obtaining a centrifugal pump head under the design condition and heavy traffic conditions and efficiency of time series data and combining with the pump system the user manual and setting up a corresponding failure threshold operation condition. Furthermore, ARIMA models with different time series were established to predict the trends of head and efficiency. Finally, the remaining using life cycle of the centrifugal pump was obtained according to the prediction results of the model.

2. Centrifugal Pump Condition Monitoring System and Test Bench

2.1. System Hardware Design

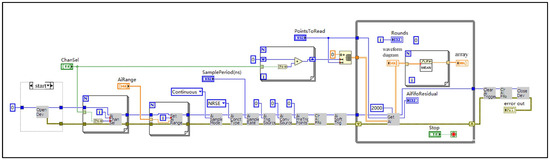
The centrifugal pump condition monitoring system in this paper was developed based on LabVIEW software as the main platform, which mainly realizes the condition monitoring of the key operating parameters of the centrifugal pump and the prediction of the remaining using life (RUL). The overall design block diagram of the system was shown in Figure 2.
Using a USB data acquisition card as DAQ equipment, on the one hand, the real-time flow, inlet static pressure, outlet static pressure, motor voltage, and motor current of the centrifugal pump can be collected through the turbine flowmeter, pressure transmitter, DC voltage transmitter, current input isolator, and other sensor devices. The data acquisition card transmits the collected corresponding voltage signal to the LabVIEW software platform of the host computer through the USB interface for subsequent analysis and processing. On the other hand, the motor speed or electric valve opening can be adjusted by the host computer program to give an accurate digital adjustment voltage signal to achieve stable flow control of the centrifugal pump.
The start–stop and function implementation of the entire system need to be controlled by the LabVIEW software platform. At the same time, different display interfaces and operation permissions were given to system administrators and ordinary users, and ordinary users can start the system and collect relevant device operating parameters by setting relevant capture card parameters and sensor parameters after successfully logging in to the system, but they cannot view the background program. After successfully logging in to the system, the system administrator can not only perform basic system start–stop and acquisition control but also further modify and improve the LabVIEW block diagram.
We are able to monitor, analyze, push, and print the real-time operating status parameters of centrifugal pumps. The data acquisition card transmits the flow, inlet static pressure, outlet static pressure, motor voltage, and motor current collected by the sensor to LabVIEW software in real time for data display. Based on this basic parameter, the host computer program can further calculate other important parameters such as centrifugal pump head, power, and efficiency through the formula. In view of the fact that the system operation cycle was not fixed and the duration of each run was different, the key parameters of each run of the system were written to the database in real time for subsequent analysis. LabVIEW’s embedded data analysis program can determine whether the system was running normally and push it to the designated system administrator in time so that the administrator can quickly make an emergency response in the event of a system failure. At the same time, the administrator can mine the historical data in the database to predict the RUL of the centrifugal pump intelligently and can also call the program to print in real time when the system needs to run the report.
The USB-3100 multifunctional data acquisition card from Smacq, Beijing was selected to collect the operating status parameters of the centrifugal pump. DN15 electric valve from Tianjin Borsi Valve Factory (Tianjin, China) was selected as the system valve actuator. The LWGY-SIN-DN10 turbine flow meter was selected to measure the flow parameters of the centrifugal pump. The YD-322 diffusion silicon pressure transmitter from Hangzhou United Measurement Technology Co., Ltd. was selected to measure the inlet and outlet pressure of the centrifugal pump. The voltage and current transmitted by the centrifugal pump motor were collected by the SIN-402Y distribution or current input isolator from Hangzhou United Measurement Technology Co., Hangzhou, China.

2.2. Test Bench Construction

The test bench built in conjunction with this study consists of four centrifugal pumps (rated voltage DC 36 V, rated flow rate 9 L/min, rated head 10 m), a data acquisition card, four turbine flow meters, four inlet pressure transmitters, four outlet pressure transmitters, four distribution or current isolators, four inlet electric valves, four outlet electric valves, a water tank, the corresponding power supply modules, and the associated piping. A physical diagram of the specific test rig was shown in Figure 3.

2.3. System Software Design

This system is based on the LabVIEW virtual development platform and modular data stream programming ideas, developed data acquisition, data storage, dynamic joint inspection, and other module programs.
As shown in Figure 4, the data acquisition module of the system was designed to collect the running time, flow rate, head, and efficiency of each centrifugal pump in the system in real time. The data storage module was based on the database management software Navicat for MySQL to realize the real-time storage of the running status parameters of the centrifugal pump, which is convenient for subsequent viewing and analysis. The dynamic joint check module mainly provides multi-condition dynamic joint checks on the flow, head, and speed of the centrifugal pump system at a specific moment.

2.4. System Functional Test Verification

After the design of the condition monitoring system of the centrifugal pump based on the LabVIEW platform was completed, it is necessary to test the accuracy of the hardware connection of the system, the reliability of the software functions, and the overall practicability of the system through experiments. The test steps of the system function test are as follows: (1) Check the hardware connection; (2) Check the power supply; (3) Start the test system; (4) Real-time data collection; (5) Performance data analysis.
Set the speed regulation voltage of the centrifugal pump motor to 5 V, that is, the maximum speed of 6400 r/min was constant, and the performance data of the centrifugal pump was obtained by changing the electric valve opening. Using polynomial fitting, the flow–head/efficiency curve of this pump was shown in Figure 5.

3. ARIMA Model and Centrifugal Pump RUL Predictive Strategy

3.1. Time Series and ARIMA Models

Time series analysis is a statistical method for the analysis and processing of dynamic data that is used to predict future trends by analyzing and mining the previous development of a particular data. Smoothness and pure randomness are the two most important statistical properties of a series. The sequence width smoothness is expressed as follows:
{ E X t 2 < E X t = C γ ( t , u ) = γ ( k , k + u t )
where Xt is time series of random events; E is mathematical expectation; γ is auto-covariance function; t, u, and k are arbitrary moments in the time series of random events; and C is a constant.
Sequential pure randomness is expressed as follows:
{ E X t = C γ ( t , t + k ) = { σ t 2 , k = 0 0 , k 0
where σ t 2 is time series variance of random events.
The autoregressive model (AR) is used to describe the relationship between the current and past values of a time series, the moving average model (MA) is concerned with the accumulation of error terms in the autoregressive model, and the difference operation combined with the autoregressive moving average (ARMA) model gives the autoregressive integrated moving average (ARIMA) model. The ARIMA model is expressed as follows:
x t = i = 1 p γ i x t i + i = 1 q θ i ε t i + ε t + μ
where xt is the current value of the time series, p represents the order of the autoregressive coefficient, q is the order of the moving average coefficient, εt is the functional error, μ is a compensation constant term, and θ i is the moving average coefficient.
After obtaining a particular time series of random events, a model is built to predict the future trend of the series. The ARIMA model is modeled with the following steps:
(1)
Sequence smoothness test. The first requirement for using an ARIMA model is that the time series of random events must be smooth.
(2)
Determine the order of the model. The autocorrelation and partial autocorrelation coefficients are calculated from this sample of serial data, and the significant order of the model is determined based on the nature of the autocorrelation and partial autocorrelation coefficients.
(3)
Model residual testing. In order to ensure that the determined model is of the right order, it needs to be subjected to a residual test.
(4)
Model testing and optimization.

3.2. Centrifugal Pump RUL Predictive Strategy

The overall external characteristic curve of the centrifugal pump is taken as the monitoring target, the head time series data and efficiency time series data are obtained for its specific flow conditions, the corresponding head failure threshold and efficiency failure threshold are set, and the ARIMA time series model is used to predict its RUL. The main steps are as follows:
(1)
Set the specific flow operating conditions of the centrifugal pump.
(2)
Obtain head and efficiency time series data. Extraction of the data in the database results in the following head time series data for a specific flow condition.
H 1 = { h 0 , h 1 , h 2 , , h t }
where t is the cut-off moment of the obtained head time series, and similarly the efficiency time series data for a specific flow condition can be obtained as follows:
η t = { η 0 , η 1 , η 2 , , η t }
(3)
Set failure thresholds for head and efficiency. The failure thresholds for head and efficiency are expressed as follows:
H f   &   η f
(4)
The ARIMA model was introduced to predict the trend of the series. After pre-processing the time series and satisfying the fit requirements of the ARIMA model, the head and efficiency time series data are substituted into the model to obtain the series trend after t hours.
H t = { h t + 1 , h t + 2 , h t + 3 , , h t + m , }
η t = { η t + 1 , η t + 2 , η t + 3 , , η t + n , }
The m in Equation (7) represents the time period of the head time series prediction and the n in Equation (8) represents the time period of the efficiency time series prediction.
(5)
Calculation of the RUL cycle. The following relationship exists between the serial trend of the head at a point in time after time t and the head failure threshold.
h t + m H f   &   h t + m + 1 H f
The RUL of the centrifugal pump, using the head as an indicator of failure, is shown in the following equation:
T h = ( t + m ) t = m
Similarly, there is a relationship between the serial trend in efficiency at a point in time after time t and the efficiency failure threshold as follows:
η t + n η f   &   η t + n + 1 η f
The RUL of the centrifugal pump, using efficiency as an indicator of failure, is shown in the following equation:
T η = ( t + n ) t = n
Finally, the RUL cycle of the centrifugal pump can be defined.
T f = { T h , T h T η T η , T η T h

4. Results and Discussion

4.1. RUL Prediction under Design Conditions

Time series data on head and efficiency at design conditions were obtained, and the ARIMA model was used to predict the RUL of the pump. The electric valve opening was set at 100%, and the voltage sag protection (Vsp) was 3.55 V to ensure that the centrifugal pump operates at the design operating conditions. The collected data was arithmetically averaged every 1 min and written to the database in real time, and the data in the database was set to 1 data point every 1 h interval. The time series data predictions for head and efficiency at design conditions are analyzed below.
(1)
Head time series
The time series of the head under the design condition is shown in Figure 6, from which it can be seen that the time series of head under the design condition shows a decreasing trend over time, with a gentle overall transition pattern. Before using the ARIMA model for trend prediction, it is necessary to use the Augmented Dickey-Fuller (ADF) method to test the smoothness of the time series; the result was 0, so the time series data is not smooth; the first-order difference to test its smoothness again, the result was still 0. Consider the second-order difference operation for the original headway time series, as shown in Figure 7 for the second-order difference headway time series with smoothness, so the difference order in the headway ARIMA model is set to the second order. The autocorrelation and partial autocorrelation coefficients of the second-order differential headway time series can be calculated according to the fixed-order method of the ARIMA model, the results of which are shown in Figure 8. The p value can be found by PACF (partial autocorrelation figure), and the q value can be found by ACF (autocorrelation figure). Therefore, the ARIMA (p, q, d) model for the head can be determined as ARIMA (3, 1, 2), where d is the difference order. The Durbin–Watson (DW) test was used to test the residual signal in the time series regression fit and was substituted to calculate DW = 1.9769, which shows that there was almost no first-order correlation in the residual signal. Therefore, the fixed order of the head ARIMA model meets the modeling criteria.
The model was trained using the original head time series data. The time series model has 600 data points, the first 80% of 420 data points as the training set, and the last 20% of 180 data points as the test set. The training test results are shown in Figure 9.
The solid blue line represents the true value of the last 180 test data points, and the red underlined line represents the predicted value, which shows that the true value in the test set is almost identical to the predicted value, with a maximum prediction error of 0.040%. After training and optimization of the head ARIMA model, the remaining life cycle of the centrifugal pump was predicted by setting a head failure threshold of 8 m for the design condition. The final prediction results for the head time series under design conditions are shown in Figure 10.
The solid black line was the original head time series data at rated flow conditions, the dashed green line was the 95% confidence interval, and the red curve is the future 150 series values of the head time series predicted by the head ARIMA model. As can be seen from the graph, the time series of heads under design conditions will reach its failure threshold at the 653rd data point, and if calculated from the 600th data point, the RUL of the centrifugal pump was 53 data points and 53 h.
(2)
Efficiency time series
The time series data for the efficiency of the centrifugal pump under design conditions are shown in Figure 11.
As can be seen from the figure above, the overall efficiency time series under the design operating conditions shows a steady downward trend and has dropped to about 18% by the 600th data point. The efficiency time series is smoothed by the ADF test method, and the test result was 0, which shows that the efficiency time series data was not stable, and the efficiency time series after the first-order difference fluctuates significantly at some data points, but the overall trend was relatively flat. The stationarity test of the first-order differential efficiency time series was carried out according to the ADF test method, and the test result is 1, so the efficiency time series data after the first-order difference was stationary. The ARIMA model ordering method can calculate the autocorrelation coefficients and partial autocorrelation coefficients of the first-order differential head time series, and the efficiency of the ARIMA (p, q, d) model was ARIMA (2, 3, 1). The DW test result of DW = 2.0153 shows that there was no first-order autocorrelation in this residual signal. Therefore, the efficient ARIMA model meets the modeling requirements.
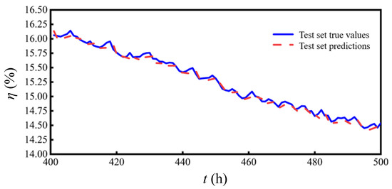
Setting 80% as the training set and 20% as the test set, the results of the training test are shown in Figure 12. The solid blue line represents the true value of the test set for the 420th to 600th data point, and the red dash represents the model prediction for the 420th to 600th data point. The two curves almost exactly match each other, and the maximum prediction error was only 0.042%. Set the efficiency failure threshold under the design condition to 16% to predict the RUL of the centrifugal pump. The forecast interval and calculation step remain unchanged, and the efficiency time series forecast results under the design conditions are shown in Figure 13.
The RUL prediction for the head time series of the head ARIMA model at design conditions was 53 h for the centrifugal pump. In order to ensure that the pumping system with the embedded centrifugal pump is able to operate properly and from the point of view of reducing operation and maintenance costs, it is possible to consider replacing the centrifugal pump at data point 640 after a further 40 h of normal continuous operation at design conditions.
Under the design conditions, the head and efficiency of centrifugal pumps show a clear downward trend with time, and the fluctuations are small. Predictions of pump life were made from this data, and the results also reflected a linear or polynomial trend of gradual decrease in both with time. The reason for this result may be due to the characteristics of the data used for modeling, which depends on the characteristics of the centrifugal pump.

4.2. RUL Prediction for High Flow Conditions

Time series data on the state parameters of a centrifugal pump operating continuously at high flow rates were obtained and fitted to a new ARIMA model to predict its RUL. By setting the electric valve opening at 100% and the operating speed at 5800 r/min, the centrifugal pump was guaranteed to operate at high flow rates. The prediction analysis of the head time series data and efficiency time series data for high flow conditions was shown below.
(1)
Head time series
The time series data for the head of the centrifugal pump at high flow conditions are shown in Figure 14.
The ADF test results were unstable. The ADF test for first-order difference data should be used again to check for smoothness, and the final result was smooth. The first-order autocorrelation and partial autocorrelation coefficients of the differential head time series can be calculated according to the fixed-order method of the ARIMA model, and the head ARIMA (p, q, d) model can be determined as ARIMA (1, 2, 1). The DW was calculated as DW = 1.9995, and there was almost no first-order correlation in its residual signal. It can be seen that the developed head ARIMA model meets the modeling criteria.
A total of 500 data points were obtained from the original head time series data in high flow conditions. The first 400 data points were divided into a training set, and the last 100 data points were divided into a test set, the results of which are shown in Figure 15.
The true values in the test set were found to be in high agreement with the predicted results, with a maximum prediction error of only 0.324%. The head failure threshold under large flow conditions was set at 5 m. The final prediction results of head time series under high flow conditions by using the trained and optimized head ARIMA model are shown in Figure 16.
The red curve above shows the 200 future series values predicted by the head ARIMA model. The prediction shows that the time series of the head at high flow rates will reach the failure threshold at the 640th data point and that the RUL of the centrifugal pump was 140 data points and 140 h, calculated from the 500th data point.
(2)
Efficiency time series
Time series data on the efficiency of centrifugal pumps at high flow rates are shown in Figure 17.
As can be seen from the graph above, the efficiency time series for high flow conditions fluctuates considerably in the first 250 data points and steadily decreases in the last 250 data points. The ADF test results were unstable, and the smoothness test for the first-order difference efficiency time series was smooth. According to the order determination method of the ARIMA model, the autocorrelation coefficient and partial autocorrelation coefficient of first-order differential head time series can be calculated. The order of efficiency of the ARIMA (p, q, d) model was ARIMA (1, 2, 1). The DW test result of DW = 2.0005 shows that there was no first-order autocorrelation in the residual signal. The efficiency ARIMA model developed satisfies the modeling criteria.
The training results are shown in Figure 18, with 80% of the 500 data points set as the training set and 20% as the test set. The two curves were highly consistent over this time period, with a maximum prediction error of only 1.016%.
Furthermore, the predicted efficiency time series at high flow conditions are shown in Figure 19, with the efficiency failure threshold set at a high flow conditions at 12.5%.
The analysis shows that the efficiency time series will reach the failure threshold at the 578th data point. If the calculation starts at the 500th data point, the RUL of the centrifugal circulation pump was 78 data points and 78 h.
In summary, the efficiency time series RUL of the ARIMA model for head at high flow conditions is predicted to be 78 h for the centrifugal pump. The centrifugal pump can be replaced after a further 60 h of normal continuous operation at high flow rates.
Under high flow conditions, the head and efficiency of centrifugal pumps also show a decreasing trend with time. However, in contrast to the design condition, the performance of the centrifugal pump reflects a fluctuating trend during the initial operation (before 220 data points), which is due to the unstable internal flow of the pump under the high flow condition. Another possible reason for the unstable pump performance is due to the overheating of the pump motor, since the construction of the pump is such that the motor and the pump body are integrated. In addition, from the predicted results, it can be concluded that the predicted trend is similar to that of the design condition, which also shows a linear or polynomial form. The predicted results are not affected by the initial data fluctuations but are more dependent on the recent performance effects.

5. Conclusions

(1)
A centrifugal pump condition monitoring system was designed, including system overall framework design, hardware design, software design, and system function test verification. In the system hardware design, the data acquisition card selection, centrifugal pump and valve selection, various sensor selection, power module design, and test bench construction used in the system are described in detail. The software design was based on the LabVIEW virtual development platform and modular data flow programming ideas, and it developed various module programs, such as a data acquisition module, a data storage module, and a dynamic joint reference module.
(2)
The overall external characteristic curve of the centrifugal pump was used as the monitoring target to obtain the head time series data and efficiency time series data under specific flow conditions. The ARIMA time series model was used to predict the RUL. The results showed that the maximum errors of the established model were 0.042% and 1.016% under the design condition and high flow condition, respectively. The final predicted changes in performance were similar to the trend of the model and had a high degree of confidence.
(3)
The performance of centrifugal pumps tends to decline with prolonged operation of the pump. For the motor and pump body integrated structure of small-scale centrifugal pumps, the performance degradation method can be used to predict their life. Future research can consider medium- or large-sized industrial pumps as research subjects to predict their life under variable power supply.

Author Contributions

Supervision and methodology, W.W. and J.P.; investigation and writing—original draft preparation, M.Z.; investigation and writing—review and editing, Q.H.; conceptualization and investigation, J.W.; writing—review and editing, and visualization, J.X.; validation, H.F. All authors have read and agreed to the published version of the manuscript.

Funding

This study was funded by the Natural Science Foundation of Jiangsu Province (Grant No. BK20190851) and the Natural Science Foundation of China (Grant No. 51879121).

Data Availability Statement

All the data in this paper are obtained by physical experiment and numerical simulation, respectively. The data used to support the findings of this study are available from the corresponding author upon request.

Conflicts of Interest

Authors Qin Hu, Jianbao Wang, Jing Xiong, Meng Zhang and Hua Fu were employed by the Power China Guiyang Engineering Corporation Limited. The remaining authors declare that the research was conducted in the absence of any commercial or financial relationships that could be construed as potential conflicts of interest.

Nomenclature

dThe difference order
EMathematical expectation
hHead at a given moment in the head time series data, m
HThe head of pump, m
kArbitrary moments in the time series of random events
mThe number of time periods of the head time series prediction
nThe number of time periods of the efficiency time series prediction
pThe order of the autoregressive coefficient
qThe order of the moving average coefficient
QThe flow rate of pump, m3/h
tArbitrary moments in the time series of random events
TThe remaining using life of the centrifugal pump
uArbitrary moments in the time series of random events
XtThe time series of random events
γ Auto-covariance function
εtFunctional error
η The efficiency of pump, %
θ i Moving average coefficient
μCompensation constant term
σ t 2 The time series variance of random events
ACFAutocorrelation figure
ADFAugmented Dickey–Fuller
ARIMAAutoregressive integrated moving average
DWDurbin–Watson
PACFPartial autocorrelation figure
RULRemaining using life

References

  1. Khiareddine, A.; Ben Salah, C.; Rekioua, D.; Mimouni, M.F. Sizing methodology for hybrid photovoltaic /wind/ hydrogen/battery integrated to energy management strategy for pumping system. Energy 2018, 153, 743–762. [Google Scholar] [CrossRef]
  2. Shankar, V.K.A.; Umashankar, S.; Paramasivam, S.; Hanigovszki, N. A comprehensive review on energy efficiency enhancement initiatives in centrifugal pumping system. Appl. Energy 2016, 181, 495–513. [Google Scholar] [CrossRef]
  3. Salilih, E.M.; Birhane, Y.T.; Arshi, S.H. Performance analysis of DC type variable speed solar pumping system under various pumping heads. Sol. Energy 2016, 208, 1039–1047. [Google Scholar] [CrossRef]
  4. Menesy, A.S.; Sultan, H.M.; Habiballah, I.O.; Masrur, H.; Khan, K.R.; Khalid, M. Optimal configuration of a hybrid photovoltaic/wind tur-bine/biomass/hydro-pumped storage-based energy system using a heap-based optimization algorithm. Energies 2023, 16, 3648. [Google Scholar] [CrossRef]
  5. dos Santos, W.S.; Torres, P.F.; Brito, A.U.; Manito, A.R.; Pinto Filho, G.F.; Monteiro, W.L.; Macedo, W.N. A novel method to determine the optimal operating point for centrifugal pumps applied in photovoltaic pumping systems. Sol. Energy 2021, 221, 46–59. [Google Scholar] [CrossRef]
  6. Keskar, A.; Soni, V.; Shukla, J.; Jain, S.; Ghosh, S.; Patel, R.; Johnson, J.X. Tapping the unused energy potential of solar water pumps in India. Environ. Sci. Technol. 2023, 57, 14173–14181. [Google Scholar] [CrossRef]
  7. Sundari, G.; Muniraj, R.; Shanmugapriyan, J. Switched reluctance motor based water pumping system powered by solar using hybrid approach. Appl. Energy 2024, 365, 123188. [Google Scholar] [CrossRef]
  8. Vimal, C.; Arunendra, K.; Vilas, R. Experimental investigations on the seasonal performance variations of directly coupled solar photovoltaic water pumping system using centrifugal pump. Environ. Dev. Sustain. 2021, 23, 8288–8306. [Google Scholar]
  9. Si, Q.; Wang, B.; Yuan, J.; Huang, K.; Lin, G.; Wang, C. Numerical and Experimental Investigation on Radiated Noise Characteristics of the Multistage Centrifugal Pump. Processes 2019, 7, 793. [Google Scholar] [CrossRef]
  10. Gao, Q.; Ye, J.; Wang, B.; Zhao, J. Investigation of Unsteady Pressure Pulsation and Internal Flow in a Centrifugal Pump under Low Flow Rate. Int. J. Fluid Mach. Syst. 2019, 12, 189–199. [Google Scholar] [CrossRef]
  11. Liu, Q.Z.; Yang, K.; Li, D.Y.; Gong, R.Z. Research of fluid-induced pressure fluctuation due to impeller-volute interaction in a centrifugal pump. IOP Conf. Ser. Mater. Sci. Eng. 2013, 52, 022026. [Google Scholar] [CrossRef]
  12. Zhang, Y.S.; Chen, S.X.; Liu, J.; Xie, G.Y.; Zhang, L. Application of PID Frequency Conversion Technique in Pump Stations of Oilfield. Adv. Mater. Res. 2012, 433–440, 6708–6712. [Google Scholar] [CrossRef]
  13. Wang, J.; Zhang, L.; Zheng, Y.; Wang, K. Adaptive prognosis of centrifugal pump under variable operating conditions. Mech. Syst. Signal Process. 2019, 131, 576–591. [Google Scholar] [CrossRef]
  14. Wang, Z.; Zheng, Y.; Wang, F.; Lin, Z.; Huan, C.; Li, Y. Experimental Study on Energy Consumption and Hydraulic Stability for Distributed Pumping System. Arab. J. Sci. Eng. 2014, 39, 6883–6894. [Google Scholar] [CrossRef]
  15. Do, H.L.; Shin, C.K. Prognostic Technique for Pump Cavitation Erosion. Trans. Korean Soc. Mech. Eng. A 2013, 37, 1021–1027. [Google Scholar]
  16. Akpudo, U.E.; Jang-Wook, H. An Automated Sensor Fusion Approach for the RUL Prediction of Electromagnetic Pumps. IEEE Access 2021, 9, 38920–38933. [Google Scholar] [CrossRef]
  17. Tse, Y.L.; Cholette, M.E.; Tse, P.W. A multi-sensor approach to remaining useful life estimation for a slurry pump. Measurement 2019, 139, 140–151. [Google Scholar] [CrossRef]
  18. Khan, M.M.; Tse, P.W.; Trappey, A.J.C. Development of a novel methodology for remaining useful life prediction of industrial slurry pumps in the absence of run to failure data. Sensors 2021, 21, 8420. [Google Scholar] [CrossRef] [PubMed]
  19. Daigle, M.J.; Goebel, K. Model-Based Prognostics with Concurrent Damage Progression Processes. IEEE Trans. Syst. Man Cybern. Syst. 2013, 43, 535–546. [Google Scholar] [CrossRef]
  20. Chen, C.; Lu, N.; Jiang, B.; Wang, C. A Risk-Averse Remaining Useful Life Estimation for Predictive Maintenance. IEEE/CAA J. Autom. Sin. 2021, 8, 412–422. [Google Scholar] [CrossRef]
  21. Li, Z.; Goebel, K.; Wu, D. Degradation modeling and remaining useful life prediction of aircraft engines using ensemble learning. J. Eng. Gas Turbines Power 2018, 141, 107097. [Google Scholar] [CrossRef]
  22. Qiu, G.Q.; Gu, Y.K.; Chen, J.J. Selective health indicator for bearings ensemble remaining useful life prediction with genetic algorithm and Weibull proportional hazards model. Measurement 2020, 150, 107097. [Google Scholar] [CrossRef]
  23. Ben Ali, J.; Chebel-Morello, B.; Saidi, L.; Malinowski, S.; Fnaiech, F. Accurate bearing remaining useful life prediction based on Weibull distribution and artificial neural network. Mech. Syst. Signal Process. 2015, 56–57, 150–172. [Google Scholar] [CrossRef]
  24. Zhao, C.; Huang, X.; Li, Y.; Iqbal, M.Y. A Double-Channel Hybrid Deep Neural Network Based on CNN and BiLSTM for Remaining Useful Life Prediction. Sensors 2020, 20, 7109. [Google Scholar] [CrossRef] [PubMed]
  25. Miao, M.; Yu, J. A Deep Domain Adaptative Network for Remaining Useful Life Prediction of Machines Under Different Working Conditions and Fault Modes. IEEE Trans. Instrum. Meas. 2021, 70, 1–14. [Google Scholar] [CrossRef]
  26. Sun, C.; Zhang, Z.; He, Z. Research on bearing life prediction based on support vector machine and its application. J. Phys. Conf. Ser. 2011, 305, 012028. [Google Scholar] [CrossRef]
  27. Zhang, Q.; Tse, P.W.-T.; Wan, X.; Xu, G. Remaining useful life estimation for mechanical systems based on similarity of phase space trajectory. Expert Syst. Appl. 2015, 42, 2353–2360. [Google Scholar] [CrossRef]
  28. Xiaoxuan, J.; Bo, J.; Yifeng, H.; Juan, L.; Guangyue, X.; Meng, S. Remaining Useful Life Prediction for Airborne Fuel Pump Based on AR and Particle Filter. In Proceedings of the 2017 Prognostics and System Health Management Conference (PHM-Harbin), Harbin, China, 9–12 July 2017. [Google Scholar]
  29. Xu, G.; Ma, C.; Gao, Z.; Hu, X.; Luo, Y. Modeling and simulation of aero-hydraulic pump wear failure. In Proceedings of the 2017 Prognostics and System Health Management Conference (PHM-Harbin), Harbin, China, 9–12 July 2017. [Google Scholar]
  30. Ordóñez, C.; Lasheras, F.S.; Roca-Pardiñas, J.; Juez, F.J.d.C. A hybrid ARIMA–SVM model for the study of the remaining useful life of aircraft engines. J. Comput. Appl. Math. 2019, 346, 184–191. [Google Scholar] [CrossRef]
Figure 1. Diagram of the solar water pumping system.
Figure 1. Diagram of the solar water pumping system.
Processes 12 01857 g001
Figure 2. Complete pumping system design (a) Block diagram of the overall system design, (b) Three-dimensional view of a centrifugal pump.
Figure 2. Complete pumping system design (a) Block diagram of the overall system design, (b) Three-dimensional view of a centrifugal pump.
Processes 12 01857 g002
Figure 3. Physical view of the test stand.
Figure 3. Physical view of the test stand.
Processes 12 01857 g003
Figure 4. Block diagram of the data acquisition procedure.
Figure 4. Block diagram of the data acquisition procedure.
Processes 12 01857 g004
Figure 5. Flow–head/efficiency characteristic curves.
Figure 5. Flow–head/efficiency characteristic curves.
Processes 12 01857 g005
Figure 6. Time series of head under design conditions.
Figure 6. Time series of head under design conditions.
Processes 12 01857 g006
Figure 7. Second-order differential head time series for design conditions.
Figure 7. Second-order differential head time series for design conditions.
Processes 12 01857 g007
Figure 8. Function diagram of stable head time series ACF and PACF under design condition.
Figure 8. Function diagram of stable head time series ACF and PACF under design condition.
Processes 12 01857 g008
Figure 9. Results of training tests with ARIMA model for head under design conditions.
Figure 9. Results of training tests with ARIMA model for head under design conditions.
Processes 12 01857 g009
Figure 10. Time series RUL prediction of head under design conditions.
Figure 10. Time series RUL prediction of head under design conditions.
Processes 12 01857 g010
Figure 11. Time series of efficiency under design conditions.
Figure 11. Time series of efficiency under design conditions.
Processes 12 01857 g011
Figure 12. Results of training tests with the ARIMA model for efficiency under design conditions.
Figure 12. Results of training tests with the ARIMA model for efficiency under design conditions.
Processes 12 01857 g012
Figure 13. Time series RUL prediction of efficiency under design conditions.
Figure 13. Time series RUL prediction of efficiency under design conditions.
Processes 12 01857 g013
Figure 14. Time series of head under high flow conditions.
Figure 14. Time series of head under high flow conditions.
Processes 12 01857 g014
Figure 15. Results of training tests with the ARIMA model for head under high flow design conditions.
Figure 15. Results of training tests with the ARIMA model for head under high flow design conditions.
Processes 12 01857 g015
Figure 16. Time series RUL prediction of head under high flow conditions.
Figure 16. Time series RUL prediction of head under high flow conditions.
Processes 12 01857 g016
Figure 17. Time series of efficiency under high flow conditions.
Figure 17. Time series of efficiency under high flow conditions.
Processes 12 01857 g017
Figure 18. Results of training tests with the ARIMA model for efficiency under high flow design conditions.
Figure 18. Results of training tests with the ARIMA model for efficiency under high flow design conditions.
Processes 12 01857 g018
Figure 19. Time series RUL prediction of efficiency under high flow conditions.
Figure 19. Time series RUL prediction of efficiency under high flow conditions.
Processes 12 01857 g019
Disclaimer/Publisher’s Note: The statements, opinions and data contained in all publications are solely those of the individual author(s) and contributor(s) and not of MDPI and/or the editor(s). MDPI and/or the editor(s) disclaim responsibility for any injury to people or property resulting from any ideas, methods, instructions or products referred to in the content.

Share and Cite

MDPI and ACS Style

Hu, Q.; Wang, J.; Xiong, J.; Zhang, M.; Fu, H.; Pei, J.; Wang, W. Experimental Research on Prediction of Remaining Using Life of Solar DC Centrifugal Pumps Based on ARIMA Model. Processes 2024, 12, 1857. https://doi.org/10.3390/pr12091857

AMA Style

Hu Q, Wang J, Xiong J, Zhang M, Fu H, Pei J, Wang W. Experimental Research on Prediction of Remaining Using Life of Solar DC Centrifugal Pumps Based on ARIMA Model. Processes. 2024; 12(9):1857. https://doi.org/10.3390/pr12091857

Chicago/Turabian Style

Hu, Qin, Jianbao Wang, Jing Xiong, Meng Zhang, Hua Fu, Ji Pei, and Wenjie Wang. 2024. "Experimental Research on Prediction of Remaining Using Life of Solar DC Centrifugal Pumps Based on ARIMA Model" Processes 12, no. 9: 1857. https://doi.org/10.3390/pr12091857

APA Style

Hu, Q., Wang, J., Xiong, J., Zhang, M., Fu, H., Pei, J., & Wang, W. (2024). Experimental Research on Prediction of Remaining Using Life of Solar DC Centrifugal Pumps Based on ARIMA Model. Processes, 12(9), 1857. https://doi.org/10.3390/pr12091857

Note that from the first issue of 2016, this journal uses article numbers instead of page numbers. See further details here.

Article Metrics

Back to TopTop