Skin Factor Test Experiment of the Combined Structure of Blind and Screen Pipes
Abstract
1. Introduction
2. Experimental Method
2.1. Blind Pipe and Screen Pipe Combination Structure
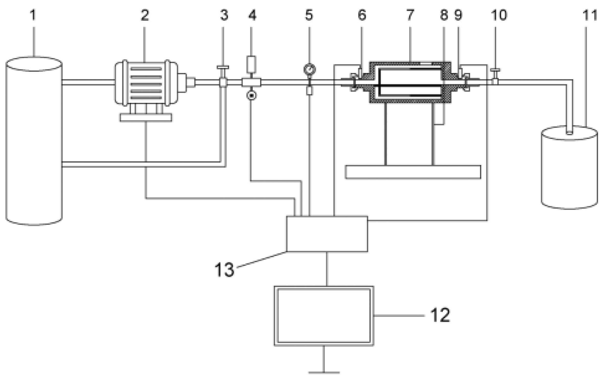
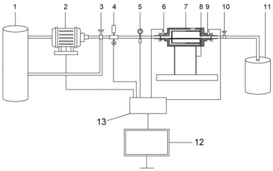
2.2. Experimental Principles and Equipment
2.3. Experimental Materials and Experimental Conditions
- (1)
- The ratio of blind pipe and screen pipe lengths affects permeability. The ratio of blind pipe and screen pipe lengths:The mud content is 12.5%.
- (2)
- The annular fill rate affects permeability. The annular fill rates are set at approximately 75% and 100%. The mud content is 15.0%:
- (3)
- Mud content affects permeability. The mud content is set while considering the ratio of blind pipe-to-screen pipe lengths:The mud contents are 5.0%, 10.0%, 12.5%, 15.0%, 20.0%, 40.0%, 50.0%, and 80.0%.
2.4. The Experimental Process
- Combine the blind pipe and screen pipe as a single unit, blocking the entrance end of the blind pipe, leaving the annular section open.
- Allow the experimental test fluid to enter through the annular space. Initially, pre-fill the blind pipe section with gravel to the specified displacement and let the experimental fluid carry the gravel through the annular space.
- As the gravel passes through the annular space of the blind pipe and gradually moves into the annular space of the screen pipe, wait for the pressure and flow rate to stabilize, and then stop the experiment.
- Utilize the experimental flow rate and pressure differential, along with the formulas for permeability and annular skin factor, to determine the skin factors of the blind pipe and screen pipe.
- Change the experimental conditions and repeat the above steps to complete all experiments.
3. Results
3.1. The Ratio of Blind Pipe and Screen Pipe Lengths Affects Permeability
3.2. The Annular Fill Rate Affects Permeability
3.3. Mud Content Affects Permeability
4. Engineering Applications
5. Conclusions
- The combination of blind and screen pipes in the well completion method may lead to the migration and blockage of highly muddy sediment particles in sandy shale or mudstone sections, affecting production. Given the lack of quantitative evaluation criteria for the impact of a blind and screen pipe combination on production, this paper designs instruments for measuring annular permeability and skin factor in this completion method. It also analyzes the variation in skin factor in different scenarios, providing a theoretical basis for the quantitative assessment of the impact of the blind and screen pipe combination on production.
- The research findings suggest that an excessive proportion of blind pipes affects productivity but is not the main factor affecting production. The degree of annular blockage and the mud content are the primary factors affecting production.
- Due to the complexity of experimental conditions and geological characteristics, the current research has only designed three ratios of screen pipes to blind pipes. To ensure the accuracy of the proportion, placement, and sealing of screen pipes and blind pipes, higher levels of technical knowledge and experience may be required. A high proportion of blind pipes may affect the permeability of the formation and lead to a decrease in the effective recovery of oil, resulting in reduced production. Therefore, future research needs to consider the impact of a wider range of proportions of screen pipes to blind pipes on production under different geological conditions in order to identify the optimal screen pipe-to-blind pipe ratio suitable for different formations.
- The mechanism by which the combination of blind and screen pipes in well completion affects production is primarily due to the blocking of screen pipes by the movement of sediment particles. Mechanism analysis based solely on experimental research is insufficient, and further research is needed, potentially incorporating numerical simulations and other methods for in-depth investigation.
Author Contributions
Funding
Data Availability Statement
Conflicts of Interest
References
- Bao, C.Y.; Zhang, B.; Li, J.B.; Wang, P.; Wan, X.; Yan, M.K.; Li, Y.Q. Research and application of by-pass packing sand control tool used in horizontal well with mudstone section. China Offshore Oil Gas 2018, 30, 132–137. [Google Scholar]
- Liao, H.; Dong, L.; Niu, J. An experimental study on plugging and erosion failures of sand screen in grave packing conditions. J. China Univ. Pet. 2019, 43, 90–97. [Google Scholar]
- Procyk, A.; Gou, X.; Marti, S.K.; Burton, R.C.; Knefel, M.; Dreschers, D.; Wiegmann, A.; Cheng, L.; Glatt, E. Sand Control Screen Erosion: Prediction and Avoidance. In Proceedings of the SPE Annual Technical Conference and Exhibition, Houston, TX, USA, 28 September 2015. [Google Scholar] [CrossRef]
- Wenke, C.; Wei, L.; Hailong, L.; Hai, L. Effect of formation strength anisotropy on wellbore shear failure in bedding shale. J. Petrol. Sci. Eng. 2021, 81, 375–383. [Google Scholar] [CrossRef]
- Zhai, X.; Meng, W.; Kong, X.; Wang, E.; Huang, Y.; Lou, Y. Applying the DPM numerical simulation method to predict the erosion life of metal mesh screen in gas wells. Oil Drill. Prod. Technol. 2020, 42, 668–672. [Google Scholar]
- Dong, C.; Song, Y.; Zhou, Y.; Xu, H.; Wang, J.; Liu, Y.; Wang, L. Plugging law and microscopic sand retention mechanism of sand retaining of argillaceous fine silt sand in gas hydrate reservoirs. Acta Petrol. Sin. 2020, 41, 1248–1258. [Google Scholar]
- Mohammad, C.; AdelAl-Ajmi, V. The role of rock strength criteriain wellbore stability and trajectory optimization. Int. J. Rock Mech. Min. Sci. 2015, 80, 373–378. [Google Scholar]
- Zhu, C.M.; Deng, J.G.; Wang, L.H.; Wang, X.L.; Wei, L.G.; He, B.S.; Zeng, X.L. Experimental study of accumulated sand permeability outside sand control screen. Oil Drill. Prod. Technol. 2010, 32, 70–73. [Google Scholar]
- Dong, C.Y.; Wu, L.; Wang, A.P.; Zhang, Q. A new method for evaluating skin factor and productivity of horizontal Wells with different completion methods. Spec. Oil Gas Reserv. 2009, 16, 77–81+99–100. [Google Scholar]
- Bo, L.I.; Xiaodong, W.U.; Yongsheng, A.N.; Juntao, Z.H.A.N.G.; Jinfen, Z.H.A.N.G.; Guoqing, H.A.N. Modeling the skin factor of horizontal well completed with precision screen. Oil Drill. Prod. Technol. 2012, 34, 52–56. [Google Scholar]
- Geng, W.S.; Yang, E.L.; Zhao, Y.J. The Development and Application of Multi-Stage Fracturing Horizontal Well Testing Interpretation Software. Well Testing 2013, 22, 6–9+75. [Google Scholar]
- Unneland, T. An Improved Model for Predicting High-Rate Cased-Hole Gravel-Pack Well Performance. In Proceedings of the SPE European Formation Damage Conference, The Hague, The Netherlands, 31 May–1 June 1999. [Google Scholar]
- Zuo, M.L.; Guo, L.H.; He, J.B. Evaluation on Pollution of the Reservoir Caused by Drilling Fluid Invasion Along the Horizontal Well. Contemp. Chem. Ind. 2015, 44, 1851–1854. [Google Scholar]
- Gao, D.X.; Liu, L.; Nv, X.X. Parameter Optimization of Slotted Screen Based on Collapse Strength and Skin Factor. China Petrol. Mach. 2019, 47, 79–84. [Google Scholar]
- Lin, H.C.; Wei, C.D.; Zou, X.B. Sand Control Productivity Prediction Model for Secondary Completion of Horizontal Wells in Offshore Oilfield. China Petrol. Mach. 2022, 50, 111–117. [Google Scholar]
- Joshi, S.D. Augmentation of well productivity using slant and horizontal wells. J. Pet. Technol. 1988, 40, 729–739. [Google Scholar] [CrossRef]
- Chen, Y.Q.; Zhou, C.Y. Derivation, comparison and application of horizontal well production formulas considering the effects of anisotropy and eccentricity. Xinjiang Petrol. Geol. 2009, 30, 486–489. [Google Scholar]
- Welling, R.W.F. Improving Gravel Packing Techniques in Brunei Darussalam Field Trial Results. In Proceedings of the SPE Asia Pacific Oil and Gas Conference and Exhibition, Singapore, 8–10 February 1993; p. SPE-25363-MS. [Google Scholar]













| Experimental Conditions | Experimental Requirements |
|---|---|
| Blind Pipe–Screen Pipe Combination | Different ratios of blind pipe–screen pipe samples are produced based on the dimensions of actual engineering columns in the oil field, scaled down according to the principle of similarity. The original outer diameter of the blind pipe–screen pipe is 7 inches and, after proportional scaling, the outer diameter of the blind pipe–screen pipe becomes 30 mm, with an annular size of 10 mm. |
| Wellbore Visualization | The fully visualized simulated wellbore is a transparent glass tube made of organic glass. It is scaled according to the actual naked-eye wellbore size on-site, where the on-site wellbore diameter is 8.5 inches. After scaling, the wellbore’s outer diameter becomes 60 mm, and it can withstand a pressure of 5 MPa. |
| Testing Environment | At room temperature, within 5 MPa. |
| Experimental Erosive Fluid | The experimental fluid medium can be either water or white oil (viscosity 30–250 mPa·s). |
| Experimental Sand Mixing Requirements | By conducting laser particle size analysis on reservoir cores collected from the oil field, actual reservoir particle sizes are obtained. Then, quartz sand, conforming to current market standard mesh sizes, is mixed according to the test results. Parameters such as d50, d10, UC, and other particle size characteristics are used as evaluation criteria for preparing the formation sand. |
| Parameter | Value | Parameter | Values |
|---|---|---|---|
| Horizontal reservoir permeability (mD) | 7.1 | Wellbore diameter (m) | 0.22 |
| Vertical reservoir permeability (mD) | 2.6 | Oil leak radius (m) | 3700 |
| Horizontal section length (m) | 926 | Reservoir thickness (m) | 25 |
| Crude oil density (g/cm3) | 0.99 | Oil volume coefficient | 1.01 |
| Column diameter (m) | 0.17 | Crude oil viscosity (mPa·s) | 360 |
| Annular plugging rate (%) | 75 | Clay–sandstone segment mud content (%) | 15 |
Disclaimer/Publisher’s Note: The statements, opinions and data contained in all publications are solely those of the individual author(s) and contributor(s) and not of MDPI and/or the editor(s). MDPI and/or the editor(s) disclaim responsibility for any injury to people or property resulting from any ideas, methods, instructions or products referred to in the content. |
© 2024 by the authors. Licensee MDPI, Basel, Switzerland. This article is an open access article distributed under the terms and conditions of the Creative Commons Attribution (CC BY) license (https://creativecommons.org/licenses/by/4.0/).
Share and Cite
Zhang, Y.; Qin, S.; Cao, B.; Yan, X.; Zuo, K.; Cheng, W.; Zhai, X. Skin Factor Test Experiment of the Combined Structure of Blind and Screen Pipes. Processes 2024, 12, 1835. https://doi.org/10.3390/pr12091835
Zhang Y, Qin S, Cao B, Yan X, Zuo K, Cheng W, Zhai X. Skin Factor Test Experiment of the Combined Structure of Blind and Screen Pipes. Processes. 2024; 12(9):1835. https://doi.org/10.3390/pr12091835
Chicago/Turabian StyleZhang, Yongtao, Shili Qin, Bobo Cao, Xingtao Yan, Kun Zuo, Wei Cheng, and Xiaopeng Zhai. 2024. "Skin Factor Test Experiment of the Combined Structure of Blind and Screen Pipes" Processes 12, no. 9: 1835. https://doi.org/10.3390/pr12091835
APA StyleZhang, Y., Qin, S., Cao, B., Yan, X., Zuo, K., Cheng, W., & Zhai, X. (2024). Skin Factor Test Experiment of the Combined Structure of Blind and Screen Pipes. Processes, 12(9), 1835. https://doi.org/10.3390/pr12091835

