Next Article in Journal
Simulation and Analysis of Hydrodynamic Behavior in Different Nozzles and Its Corresponding Fluidized Beds
Previous Article in Journal
Effect of Partial Elimination of Mitochondrial DNA on Genome-Wide Identified AOX Gene Family in Chlamydomonas reinhardtii
 
 
Font Type:
Arial Georgia Verdana
Font Size:
Aa Aa Aa
Line Spacing:
Column Width:
Background:
Article

Multiapproach Design Methodology of a Downscaled Wet Scrubber to Study the Collection of Submicronic Particles from Waste Incineration Flue Gas

1
IMT Atlantique, GEPEA, CNRS UMR 6144, CS 20722, 44307 Nantes, France
2
Séché Environnement, Centre de Recherche & de Développement, 01150 Saint-Vulbas, France
*
Author to whom correspondence should be addressed.
Processes 2024, 12(8), 1655; https://doi.org/10.3390/pr12081655
Submission received: 6 July 2024 / Revised: 2 August 2024 / Accepted: 5 August 2024 / Published: 7 August 2024
(This article belongs to the Section Separation Processes)

Abstract

Wet scrubbers are traditionally used as dedusting systems in waste incineration plants for wet flue gas treatment. Although these devices are not particularly performant at capturing submicron particles, which are associated with health and environmental hazards, their collection efficiency can be improved by optimizing operating conditions. This study presents the design methodology of a downscaled wet scrubber, constructed and implemented at a municipal waste incineration plant to be fed with real fumes, and to study its efficiency towards the removal of submicronic particles. The downscaled scrubber was designed to operate with flue gas at 200 °C, high humidity (1% RH), and an average total particle concentration of 200 mg/Nm3. A criterion of geometric, aerodynamic, and residence time similarities to an existing industrial scrubber was targeted. The height of the device was selected by matching the theoretical fractional particle collection efficiencies of the industrial and downscaled scrubbers. Featuring a cylindrical shape, the downscaled scrubber has a diameter of 0.3 m and a height of 2.5 m. It operates in co-current with water injected through four spray levels. Computational fluid dynamics simulations were conducted to analyze the gas flow structure within the device, and the results were validated by hot wire anemometer velocity measurements.

1. Introduction

Several industrial sectors, including waste incineration, represent stationary sources of atmospheric pollution. To counter the release of gaseous compounds and particles into the air, industries employ Air Pollution Control (APC) devices, which are chosen depending on the operating conditions of the plant, the pollutants to be treated, and their emission limit values. For particulate control, methods such as electrostatic precipitators, cyclone separators, and fabric filters are employed, while gaseous pollutants are managed by scrubbers, Selective Catalytic Reduction (SCR) systems (for NOx), and dry sorbent injection (e.g., sodium bicarbonate), among others. Moreover, Flue Gas (FG) treatment facilities can be broadly classified into dry and wet. Dry FG treatment lines operate with processes that do not generate any liquid effluent as a byproduct, i.e., with APC devices such as fabric filters and SCR systems. Conversely, wet FG treatment uses liquid sorbents to transfer pollutants from the gas phase to the liquid phase, and these facilities include different types of Wet Scrubbers (WS), such as spraying WS, venturi scrubbers, or packed bed WS.
To date, the European Union sets a statutory maximum daily average of 5 mg/Nm3 at the stack for total dust emissions in FG from waste incineration facilities with dry gas treatment and 7 mg/Nm3 for plants with wet flue gas treatment [1], and this standard is consistently met by existing systems with no major difficulties. However, total dust emissions are not always a reliable indicator, as they do not distinguish between the number of coarse, fine, and ultrafine particles being released. Additionally, studies have shown that, regardless of the type of fuel, nanoparticles can be released into FG and stay as an aerosol before being treated by APC systems [2,3]. Relying solely on total dust emissions can lead to an underestimation of the risks associated with exposure to the smallest fraction of particulate matter and thus cause significant impacts on human health and the environment. Indeed, the inhalation of nanoparticles has been associated with biological disorders [4] and chronic respiratory and cardiovascular diseases in humans [5,6]. Furthermore, the release of nanoparticles into the environment has been linked to air [7], water, and soil [8] pollution, and a strong relationship between the presence of nanoparticles, bioaccumulation, and effects on the food chain has been suggested [9,10,11]. Thus, it is not excluded that eventually, the dust emissions standards for waste incineration facilities may evolve to consider particle size. It is, therefore, necessary to ensure that FG treatment facilities at Waste Incineration Plants (WIPs) are equipped with APC devices capable of effectively retaining all particle sizes.
In general, in FG treatment facilities, particulate APC equipment is complementary, as it does not individually remove all particle sizes of industrial fumes. In dry treatment systems, cyclones are typically used as pre-cleaners as they target coarse particulates with a cut-off diameter depending on the design of the device [12]. To complete the dedusting, highly effective devices for the removal of fine and ultrafine particles, like electrostatic precipitators and baghouse filters, are employed [13]. In contrast, spray WS are among the most common types of scrubbers used as particulate APC devices in wet FG treatment plants. Their operating principle is simple: FG enters a tower where a liquid is sprayed—typically water. The gaseous and particulate pollutants are removed from the gas stream by transferring them to the droplets. This equipment achieves satisfactory collection performance for particles larger than 5 µm; however, its fractional separation efficiency, i.e., the collection efficiency for a specific particle diameter, declines significantly as the particle diameter decreases [14,15]. Therefore, even if total dust emission limits are met in wet FG treatment plants, it is not certain that all fine and ultrafine particles are filtered out before reaching the outlet stack.
Although considered to have a very low collection efficiency for submicronic particles, Kim et al. [16] showed that it is possible to optimize the operating conditions of WS to achieve greater collection efficiencies. Studies have shown that the parameters that can affect particle collection by WS include particle size distribution itself [17], gas temperature and humidity [18], gas velocity and residence time [19], liquid-to-gas ratio [20], as well as droplet size [21]. Further, flow patterns inside the scrubber denote a key variable as turbulence improves mixing and gas–liquid contact, thus promoting particle collection. Many authors have taken these parameters into account in the design of scrubbers for particulate matter control. For instance, Bhargava [22] used particle collection correlations based on interception and inertia mechanisms to design an efficient spray tower for the control of particulate emissions in a cement plant. Danzomo et al. [23] conducted numerical Computational Fluid Dynamics (CFD) simulations of gas flow in an industrial counter-current wet scrubber to optimize its design and improve its efficiency, with results showing conformity to the desired turbulence profiles. Moreover, Adah et al. [24] conceived a lab-scale counter-current WS designed based on geometrical, hydrodynamic, and residence time scale similitude with a full-scale scrubber from a hazardous waste incineration plant to study particle collection phenomena within it.
Existing research on the efficiency of WS in the removal of submicronic or nanometric particles under specific conditions of a WIP is limited. Lehner et al. [25] developed a compact wet scrubber incorporating a multistage-packed bed followed by several venturi scrubbers for simultaneous and enhanced collection of contaminants from waste incineration. The device was installed in a WIP after the electrostatic precipitator and fed with FG at ± 170 °C. The authors studied, among others, the collection of total dust by the apparatus, and despite the low gas particle concentrations feeding the device, the overall separation efficiency obtained lies between 96 and 99%. No fractional particle collection efficiency was evaluated in the study. Likewise, in their study, Adah et al. [24] fed a downscaled WS with carbon nanoparticle aerosols produced by a spark generator (DNP 2000, Palas GmbH, Karlsruhe, Germany) in the laboratory. The scrubber was operated under conditions representative of a WIP, i.e., with an inlet gas at 200 °C and a relative humidity of 1%. The documented fractional collection efficiency ranged from 45 to 62% for particles with diameters between 12 and 90 nm, with the minimum efficiency observed for particles close to 35 nm in diameter. To align a theoretical model with the experimental findings, the authors utilized semi-empirical correlations for collection efficiency based on diffusion, interception, and impaction mechanisms. The results showed satisfactory agreement between theoretical predictions and experimental outcomes within the studied particle size range. Furthermore, the authors investigated the impact of gas flow rate, liquid flow rate, and droplet size on particle collection within their system. They found that increasing the liquid-to-gas ratio and decreasing the droplet size resulted in a maximum nanoparticle collection efficiency [26] and proposed an optimal operating condition for their system. There is no comprehensive study conducted under real industrial conditions at a WIP to investigate the influence of WS operating parameters on the collection efficiency of submicron and nanometric particles.
The aim of this study is to present an original approach used for the design of a downscaled wet scrubber, built to be installed in a WIP and fed with real flue gases. Geometric, aerodynamic, and residence time similarities with a full-scale wet scrubber, numerical collection efficiency, operating conditions, and FG characteristics were taken into account for the design. Moreover, numerical CFD simulations were used as a decision-making tool after evaluating the gas aerodynamics throughout the experimental setup. The novelty of this study lies in the use of multiple criteria in the design and conception of the device to represent, as closely as possible on a reduced scale, the local particle collection phenomenon encountered in a real wet scrubber. Eventually, the downscaled device will be used to evaluate the performance of WS for the collection of submicronic particles contained in waste incineration FG under different operating conditions.

2. Materials and Methods: Design Approach

2.1. Incineration Plant Overview: Operating Conditions and Flue Gas Properties

The downscaled WS was designed for installation in a WIP located in France, in the city of Nantes (Alcea). This industrial facility incinerates municipal and infectious healthcare waste, handles moderately acidic FG, and is equipped with a dry gas treatment line. Following the furnace, the plant includes a boiler for cogeneration of hot water and electricity using an ORC (Organic Rankine Cycle) system, a cooling tower, a bag filter with sodium bicarbonate and lignite coke injections, and a selective catalytic NOx reduction system, as illustrated in Figure 1. The downscaled WS will be positioned and operated downstream of the cooling tower.
As the gas treatment line does not incorporate WS, the design of an existing industrial WS from a hazardous WIP in France, near Lyon metropolis (Trédi Saint-Vulbas), was used. The downscaled WS was, however, installed and exploited at the Nantes WIP for reasons of geographic proximity and lower gas acidity levels (risk of corrosion).
As the downscaled scrubber was conceived to be fed with real FG, the thermodynamic properties and chemical composition of the exhaust gas resulting from the incineration of waste were considered. A mass balance between the furnace and the cooling tower was performed to determine the flow rate, composition, and moisture content of the FG, which are not measured under nominal plant operation. Furthermore, since the volumetric gas flow rates are temperature and humidity-dependent, the operating conditions at both the Saint-Vulbas and Nantes plants were of great importance for the design. Actual flow rates, from which the downscaling was settled, were obtained by considering the density of the FG, calculated based on ideal gas law, and the normalized data (flue gas rates reported to a standard condition of 0 °C, 101,325 Pa, and dry basis) from both sites. To determine the average pressure and temperature of the FG, sensors were installed inside the main duct through the inlet airlock to which the equipment is connected.
A preliminary assessment of the gas composition and total particle concentration was also performed. Gas composition was analyzed in situ using a Testo 350 FG analyzer (Testo S.A.R.L., Titisee-Neustadt, Germany). Particulate matter sampling was performed using a heated sampler coupled to a quartz filter and an aspiration system, with a recording of the total volume drawn. Particulate matter collected on the quartz filters was dried and weighed using a Quintix analytical balance (Sartorius, Göttingen, Germany). The filters were then analyzed by Scanning Electron Microscopy (SEM) equipped with Energy Dispersive X-ray Spectroscopy (EDX) using a high-resolution JEOL JSM 5800LV (JEOL Ltd., Tokyo, Japan) to obtain insights into particle morphology and partial chemical elemental composition. In fact, the analysis of particle chemical composition may address future technical problems associated with the in situ operation of the scrubber and provide indications for the estimation of the particle density involved in the mechanistic modeling of scrubber collection.

2.2. Numerical Particle Collection Efficiency Model

The downscaled equipment is expected to represent the particle capture phenomena of larger-scale industrial scrubbers. Hence, the particle fractional collection efficiency of both full and downscale scrubbers calculated from semi-empirical models was used as a decision-making tool for the design. This was calculated considering that particles are captured by liquid droplets in the scrubber by Brownian diffusion, interception, and impaction mechanisms. The employed correlations have been previously experimentally evaluated by Adah et al. [24] for particles with a diameter between 1 and 1000 nm and under similar temperature and humidity conditions.
Particles, especially those with diameters less than 0.1 µm, can undergo irregular motion due to random collisions with gas molecules, a phenomenon known as Brownian diffusion. This motion may cause these particles to collide with water droplets within scrubbers [27]. Jung and Lee [28] formulated the particle collection efficiency by diffusion ( η d i f f ) for an individual liquid droplet as:
η d i f f = 0.7 4 3 1 α J + σ K 1 2 P e 1 2 + 2 π 3 4 P e 2 3 1 α 3 σ + 4 J + σ K 1 3
where
J = 1 6 5 α 1 3 + 1 5 α 2
K = 1 9 5 α 1 3 + α + 1 5 α 2
In these equations, α represents the solid volume fraction, indicating the proportion of the total volume of the scrubber occupied by the droplets, and σ refers to the viscosity ratio of liquid to gas:
α = v o l L v o l s c r = t L Q L H π D s c r 2 2 = H v D Q L H π D s c r 2 2 = 4 Q L v D π D s c r 2
σ = μ L μ g
Q L is the total liquid flow rate being injected, v D is the mean velocity of the liquid droplets inside the scrubber, calculated based on the initial velocity at the nozzle ejection point and their terminal velocity, D s c r is the diameter of the scrubber, μ L is the viscosity of the liquid (water) and μ g is the viscosity of the gas. From Equation (1), the Peclet number ( P e ), the characteristic dimensionless number of the Brownian diffusion collection mechanism, which represents the ratio of convective transport to diffusive transport for the particle, can be calculated as:
P e = D U D d i f f
D is the droplet diameter, U is the relative velocity between the droplets and the particles ( U = v D v g , considering that the velocity of the particles is the same as the velocity of the gas) and D d i f f is the diffusion coefficient of the particle that quantifies the rate at which particles move away from their initial position over time:
D d i f f = k B T C c 3 π μ g d p
k B refers to the Boltzmann constant, d p refers to the particle diameter, T refers to the temperature of the gas, and C c refers to the Cunningham slip correction factor, used to adjust the Stokes drag force on small particles that lie between the continuum and free molecular flow regimes:
C c = 1 + 2 λ g d p 1.155 + 0.471 exp d p 0.596 2 λ g
where λ g is the gas molecule’s mean free path length.
Collection by interception takes place when the distance between the particle and the droplet is close or smaller than the droplet’s radius. Jung and Lee [28] introduced a formula for single droplet collection efficiency by interception ( η i n t ):
η i n t = 1 α J + σ K R 1 + R + 1 2 R 1 + R + 1 2 R 1 + R 2 ( 3 σ + 4 )
R = d p D
Large particles possess sufficient inertia to maintain their trajectory, leave the streamlines of the gas, and impact the droplets. According to [19], inertial impaction is the governing collection mechanism for particles with diameters greater than approximately 5 µm, depending on their density and experimented velocity. The impaction efficiency ( η i m p ) can be written according to Lim et al. [29]:
η i m p = 0.6 S t k                                                   f o r   S t k 1
η i m p = 0.11 S t k + 0.49                                     f o r   1 < S t k 3
η i m p = 0.02 S t k + 0.79                                               f o r   S t k 10
S t k = C c ρ p d p 2 U 18 μ g D
where ρ p is the density of the particles, and S t k is the Stokes dimensionless number, known as the inertial parameter, that represents the ratio of the inertial and viscous forces for a particle suspended in a fluid. While each mechanism operates independently and dominates within a specific range of particle diameters depending on the conditions, they can also function simultaneously. The overall collection efficiency of a single droplet ( η S D ), incorporating all mechanisms, was defined by Wu et al. [30] as:
η S D d p = 1 1 η x d p
By performing a mass balance inside the scrubber, the overall collection efficiency ( η o v e r a l l ) can be described as [16]:
η o v e r a l l = 1 N p N p 0 = 1 exp 3 Q L v D η S D H 2 Q G D U
where, for a given particle diameter, N p is the particle number concentration at the outlet, N p 0 is the particle number concentration at the inlet, H is the height of the scrubbing chamber, and Q G is the gas flow rate. The input data from these equations can be collected for both downscaled and full-scale scrubbers. For numerical purposes, the diameter and average velocity of the droplets sprayed inside the industrial WS from Saint-Vulbas were employed to model both scales. The data for the Sauter diameter ( D = 600   µ m ) and the velocity at the point of ejection ( v e = 13.9   m / s ) of the droplets were provided by the manufacturer of industrial spray technologies. The average velocity used to solve the equations ( v D = 8   m / s ) was obtained by averaging the provided velocity value with the terminal velocity of the droplets ( v t = 2.2   m / s ) calculated from Gaudel et al. [31]. Finally, an effective particle density of 2000 kg/m3 was chosen based on the studies carried out by Huber et al. [32] on municipal solid waste incineration bottom ash.
The formulas mentioned above assume spherical droplets. Aiming to validate if these equations can be applied for the considered downscale device, and based on the data provided by the nozzle manufacturer and the operating conditions of the industrial scrubber, the droplet morphology was evaluated by calculating the Weber number ( W e ), the Bond number ( B o ) and the eccentricity factor ( E ) as [31]:
W e = ρ g U 2 D γ 0.22
B o = g D 2 Δ ρ γ 0.05
E = 1 + 0.093 W e 0.98 μ g μ L 0.07 1.02
The given formulas include the density of the gas ( ρ g ), the gravity ( g ), the difference in density between droplets and gas ( Δ ρ ), and the surface tension of water ( γ ). The Weber number evaluates the balance between inertial and surface tension forces acting on droplets, with values less than 1 suggesting spherical droplet shape retention and values greater than 12 indicating potential breakup and deformation [33]. Similarly, the Bond number compares gravitational to surface tension forces, favoring spherical droplet shape retention for low values. The eccentricity factor quantifies the deviation from perfect sphericity [34]. Overall, the results suggest that the droplets sprayed in the industrial wet scrubber can be considered liquid spheres with a negligible breakup, and it is, therefore, accurate to apply the correlations presented earlier.

2.3. Geometric, Aerodynamic and Residence Time Similarity

The cylindrical shape, the liquid-to-gas ratio, and the co-current configuration of the industrial WS from Saint-Vulbas were maintained for the design of the downscaled device. Due to the limited place available at the installation point at Alcea, the maximum diameter of the downscaled wet scrubber was set to 0.3 m. Moreover, given that the capture of particles by droplets relies significantly on the flow structure, the aerodynamic similarity was guaranteed by keeping a turbulent flow regime within the downscaled WS by employing the Reynolds dimensionless number.
The industrial scrubber features six spray levels, each equipped with a swirl nozzle that produces a radial spray of liquid droplets at high velocity. To understand the specific spray behavior, a 1/8th scale industrial nozzle was fabricated using a 3D printer operating with PLA (polylactic acid). Qualitative and non-exhaustive tests were conducted by supplying water to the system (<50 L/min) to characterize the jet pattern (Figure 2). The experiments revealed the emergence of a conical, hollow, and bidirectional water jet with angles reaching up to 135°. The extent and angle of the spray suggest droplet impact and the appearance of a water film on the walls of the industrial WS. This information was used for the selection of the atomization technology to be employed in the downsized wet scrubber.
Gas velocity and residence time inside the scrubber are inversely proportional; therefore, it is not possible to remain both constant simultaneously. Given that the semi-empirical correlations describing collection consider the relative velocity between droplets and particles (i.e., velocity between droplets and gas), and considering that the particle velocity is negligible compared to that of the water droplets, the residence time parameter was deemed crucial and was kept constant with that of the industrial-scale scrubber. Finally, the height of the scrubbing chamber of the downsize WS was chosen according to the agreement between the fractional efficiency of particle collection of the full-scale and the downsize scrubbers.
Figure 3 presents an overview of the methodology and the parameters considered for the design of the downscale scrubber.

2.4. CFD Analysis of Flow Patterns inside the Downscaled Wet Scrubber

The downsized WS was designed according to the above parameters; however, to analyze the flow structure of the gases inside the scrubbing chamber and to avoid subsequent undesirable phenomena (including gas bypass, formation of preferential flow paths, and velocity gradients) when measuring its efficiency for particle collection in situ, CFD simulations were carried out. ANSYS Fluent 2022 software (Ansys 2022 R2, Ansys, Inc., Canonsburg, PA, USA) was used to model the airflow patterns within the studied design based on a steady-state and single-phase approach. A 3D mesh comprising 2 million cells, with specific refinement in the wall region, was selected due to the observed high sensitivity of the numerical results to mesh size, particularly in the vicinity of the walls. Moreover, non-uniform polyhedral cells were used to accurately solve the Navier–Stokes equations using a second-order discretization scheme along with the RANS k-Ω SST turbulence model. All walls were treated as adiabatic surfaces, and spray heads were not considered in the CFD domain. An atmospheric pressure boundary condition was applied at the outlet, and a velocity magnitude corresponding to the nominal experimental flow rate at ambient conditions was specified at the inlet. To validate the CFD model, ambient air was blown throughout the downscaled scrubber, and its Y-axis velocity was experimentally measured with a hot-wire anemometer (VELOPORT 20 (E+E ELEKTRONIK Ges.m.b.H., Engerwitzdorf, Austria), measuring range: 0–20 ± 0.2 m/s, 200 mm length and 6 mm diameter probe). It should be noted that the probe has been placed at each water spray level and displaced radially from the center towards the wall of the downscaled WS.

3. Results

3.1. In Situ Operating Conditions and Flue Gas Properties at Alcea Plant

Gas monitoring revealed an average temperature of 200 °C and a differential pressure of 5 mbar (relative to atmospheric conditions) inside the main FG duct at the connection point of the downscaled device at Alcea WIP. Moreover, the mass balances allowed for estimating the plant normalized gas flow rate at 45,000 Nm3/h and the relative humidity of the FG at about 1%. The preliminary assessment of the FG revealed a composition of 5.8% O2, 12.8% CO2 (measured by IR), 3 ppm CO, 181 ppm NO, and 1.4 ppm NO2. An average total particle concentration of 213 ± 6 mg/Nm3 was obtained, and SEM-EDX analysis showed nanometric and submicronic particle aggregates containing traces of Na, Cl, and K, as displayed in Figure 4.

3.2. Compared Sizing, Operating Conditions and Theoretical Particle Collection Efficiency of the Downscaled and Full Scale WS

The device was made of stainless steel, aiming to resist in situ elevated gas temperature and humidity as well as moderately acidic and corrosive effluents. Based on the above design criteria, the final dimensions and operating conditions of the downscaled and industrial WS are given in Table 1. From Equation (16), the calculated particle fractional collection efficiencies of both scrubbers are presented in Figure 5.
As can be seen, with the chosen dimensions, the results at both scales show similar trends. The particle diameter of minimum efficiency coincides, and the gap in the estimations of both models is between 6 and 40 percentage points, depending on the particle diameter considered. The efficiency of the downscaled scrubber is always below that of the full industrial WS. Once again, the goal is not to reproduce an identical collection spectrum, as the conditions and size similarities do not allow it, but rather to approach one that represents industrial reality.
Overall, the collection is higher in the industrial scrubber. This can be attributed to the relative velocity between the droplets and the gas, which is lower in the industrial WS, facilitating contact between droplets and particles. The difference may also be associated with the gas Reynolds number. As it is higher in the industrial scrubber, the turbulence increases and, therefore, the contact of the particles with the water. Operating conditions, particularly temperature, which significantly impacts real gas flow rate and thus gas velocity and liquid-to-gas ratio, may also contribute to this difference. The weight of each collection mechanism (diffusion, interception, and impaction) in the total efficiency was also evaluated, and a better performance of the industrial scrubber was also observed. Indeed, after analyzing the contribution of each mechanism separately, it was found that the trend is the same, i.e., each mechanism individually is still more efficient in the industrial-scale scrubber than in the downscale scrubber. At both scales, from a particle diameter of approximately 50 nm (the Most Penetrating Particle Size), the prevalence of the Brownian diffusion mechanism diminishes, with the impaction mechanism becoming dominant. The interception mechanism has minimal influence within the studied particle range.

3.3. Experimental Setup

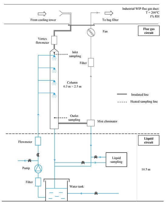
The downscaled experimental setup has two sections, as seen in Figure 6: the FG circuit and the liquid circuit.
The FG circuit operates in a closed loop. A blower located downstream of the scrubber (EFFEPIZETA—K06TD, Effepizeta, Concorezzo, Italy) extracts FG from the main duct through an isokinetic nozzle, sweeps FG through the system, and then releases FG to the Alcea’s main FG line. As in the industrial scrubber, the gas is supplied to the downscaled WS from its top, where a 150 mm long cone connects the inlet duct to the scrubbing chamber. The gas inlet of the scrubber is connected to the sampling nozzle from the main FG duct through an insulated and heated line (200 °C) to avoid condensation. A moisture trap located downstream of the downscaled WS and upstream of the blower protects the latter from remaining solid particles and liquids. A control system containing a vortex flowmeter, pressure sensors, thermocouples, and a data acquisition system (LabVIEW 2016, National Instruments, Austin, TX, USA) allows the regulation of the gas flow rate and the monitoring of the conditions along the experimental setup.
The main component of the liquid circuit is the eccentric pump (MONO C23B, NOV, Houston, TX, USA), which conveys water to the spraying nozzles from a covered tank situated 10.5 m below the bottom of the downscaled WS. Excess water accumulated at the bottom of the WS tower is released to the tank to facilitate liquid recirculation. Both the pump and the spraying nozzles are shielded from particle-laden wastewater by a TALASSA 20-micron filter (Talassa, Brignais, France). The spraying heads, which are downward vertically oriented, are located at the center of the downscaled wet scrubber at 1 m, 1.5 m, 2 m, and 2.5 m from its baseline. Due to a lack of space, the six-stage arrangement of the industrial wet scrubber was not maintained. The water level in the reservoir is trackable through a control and regulation system. A chiller was installed to keep the recycled water coming from the tank cool and prevent an uncontrolled rise in the temperature of the gases leaving the scrubber, which might damage the blower.
Regarding the nozzles, given that the technology used in the full-scale WS is not available on the market for low liquid flow rates and that the spray manufactured by 3D printing would not withstand the conditions of real incineration gases, a different spray technology from the industrial one was selected. When choosing the type of atomizer to be used, efforts were made to maintain certain characteristics of the atomizers in the industrial scrubber. First, nozzles resistant to acid and corrosive gas conditions (stainless steel) were sought. Likewise, priority was given to atomizers capable of generating sprays with a conical jet shape, with a wide angle that allows washing the walls of the scrubber, and, above all, that allows generating droplets of different sizes in the range of liquid flow rates handled in the study. The bidirectional character of the industrial technology was not maintained, as it was considered that the droplets sprayed upward rapidly changed direction due to the force of gravity and the drag of the gas being fed from the top of the scrubber. Therefore, to evaluate the performance of the WS across different droplet diameter ranges, two sets of seven-head conical spray nozzles from the brand IKEUCHI (Ikeuchi Europe, Breukelen, The Netherlands) were utilized: 3/4F 7JJXP 140 S303 and 3/4F 7KB 544 S303. These nozzles were previously characterized by the manufacturer using a Phase Doppler Interferometer to determine the mean Sauter diameter and velocity distribution of the droplets at the ejection point. The first reference generates droplets with a mean Sauter diameter ranging from 270 to 110 µm (from 2 to 20 bar of water supply pressure), while the second reference produces droplets between 110 and 80 µm (from 7 to 20 bar of water supply pressure). It is possible to generate droplets with higher diameters, especially with reference 3/4F 7JJXP 140 S303 operated at pressures of less than 2 bar; however, smaller droplets were prioritized in this study to point out the fact that improved collections can be obtained by operating WS with smaller atomized droplets [26,31]. It is important to note that both nozzle references coincide in a droplet size of 110 µm; therefore, it will be possible to study the effect of other parameters (such as water flow rate or droplet velocity) on the wet scrubber collection while maintaining the same droplet size.
Figure 7a presents the downscaled WS connected to the WIP flue gas duct, and Figure 7b shows the liquid circuit of the experimental setup installed at Alcea WIP.

3.4. CFD Analysis of Flow Patterns inside the Downscaled Wet Scrubber

Diagnostic simulations of the original downscaled WS, presented in Figure 8a, revealed a jet flow pattern at the inlet of the scrubbing chamber, in particular at the inlet sampling point, with notable velocity gradients ranging from 1 to 15 m/s. Flow disturbance and abrupt velocity changes can result in irregular aerosol distribution and altered particle trajectories, biasing FG samples. Moreover, flow heterogeneities may compromise scrubbing efficiency by causing uneven contact between flue gas and droplets.
The undesired jet is primarily caused by the sudden expansion of the pipe diameter; therefore, two solutions were proposed and evaluated through CFD simulations to mitigate this effect. The first one entails enlarging the inlet cone length to achieve a 10° divergence (versus an original 51° divergence), while the second one involves remaining with the original inlet cone but adding a system of flow disruption comprising a cylindrical grid located at the tip of the cone and a flat circular mesh attached to the bottom of the cylinder (Figure 8d). For simulation purposes, the grid was modeled as a perforated cylinder and the mesh as a porous medium in which porosity was estimated ( ϕ = 63%) and permeability characterized in the laboratory ( k = 1.43 × 10−8 m2). The results of both solutions are presented in Figure 8b,c. As velocity contours show, the long cone geometry does not fully eliminate the jet; it rather shifts it away from the scrubbing chamber. Moreover, this solution implies an increase of 540 mm in the height of the downscaled WS, which may be constrained due to the limited available space on site. Despite the local disturbance induced by the double grid device at the inlet of the WS, this system achieves efficient disruption of the jet and rapid homogenization of the gas flow.
With the aim of visualizing in detail the airflow patterns inside the double grid device geometry at the sampling point, the velocity vectors were plotted as shown in Figure 8e. As depicted, the flow disruption device, designed to break up the jet, resulted in downstream recirculating flow. This phenomenon is due to the cylindrical grid being obstructed at its bottom, allowing inlet air to pass only through its lateral walls. Despite the high turbulence induced, this does not pose a problem for the inlet sampling since non-zero velocity vectors are present in the center of the scrubber at a height of 2.5 m. Moreover, this analysis allowed us to confirm that the geometry efficiently minimizes velocity gradients at the entrance, ensuring representative aerosol sampling and providing valuable information for the selection and location of the sampling nozzle. At a height of approximately 1.7 m, below the second spraying level, the flow stabilizes, with all vectors directed downward. It is important to note that this flow structure will be modified by the injection of water, which is likely to generate more turbulence.
The original WS was thus modified to incorporate the flow disruption device, and experimental velocity measurements were conducted inside the WS at each spraying level. These results were then compared to the CFD simulations (Figure 9), revealing a variable level of agreement depending on the height and radial position in the device.
The results are notably consistent at 1 m and 2.5 m heights. At spray level Y = 1 m, between the center of the scrubber and 100 mm from it, a maximum of 15% deviation between numerical and experimental results is perceived. At a height of Y = 2.5 m, between 0 and 60 mm from the center of the scrubber, the error is less than 8%. In contrast, when the velocity value approaches 0 m/s (e.g., at level Y = 2.5 m at 100 mm from the center and near the wall), the error increases. This may be because the anemometer approaches its lower detection limit; therefore, its accuracy diminishes. At these stages, discrepancies near the walls might also stem from potential experimental biases due to probe intrusion as well as wall effects.
At spray levels 2 and 3 (Y = 2 m and Y = 1.5 m), there are notable differences, especially at the height of 2 m, where the experimental measurements show larger error bars and the numerical prediction curve is inverted with respect to the measured velocity. At a height of 1.5 m, the error remains below 50% along the radial axis. From Figure 8e, which includes an illustration of the anemometer probe placed at Y = 2 m, it is possible to highlight and better explain the discrepancies. As can be seen, as a consequence of the recirculation, a zone with minimum velocity appears, particularly prominent in stage 2 (Y = 2 m). This region coincides with the largest differences between measured and simulated values. Due to the low velocity values found in this low-flow region, the presence of the probe significantly impacts the air patterns and skews the measured values. Furthermore, according to the technical data of the anemometer, its accuracy corresponds to 0.2 m/s, which represents, especially at level 2, a deviation of up to 100% in the magnitude of the velocity. Experimental and numerical results, probe operating range and accuracy suggest that this anemometer is not suitable for measuring velocities near 0. Important deviations between these results can also be attributed to the presence of the spray heads inside the downscaled WS during the experimental velocity measurements. The spray heads were not considered in the geometry of the CFD simulations and can be a source of local flow disturbance.
Overall, even if discrepancies exist, the experimental and numerical velocity trends indicate relatively flat curves, indicating that representative aerosols could be eventually sampled at the inlet (Y = 2.5 m) and outlet (Y = 0.12 m) of the wet scrubber.

4. Conclusions

In this study, a downscaled WS, intended to be operated in a WIP and fed with real FG for the study of its efficiency in capturing submicronic particles, was designed and installed. The original applied methodology is based on a systematic and local analysis of the scrubbing process. The design of the device incorporated downscaling criteria based on geometric, aerodynamic, and residence time similarities with an existing industrial WS operating in a hazardous WIP. Additionally, its height, which is directly related to the particle residence time, was set to adjust the tendency of the fractional efficiency of particle collection for both industrial and downscaled WS, calculated from empirical correlations. The fractional collection curves coincide at both scales at the Most Penetrating Particle Size (50 nm), and although the collection efficiency is lower in the downscaled device, the overall trend and curve shape are consistent with those of the industrial scrubber. FG properties such as temperature, humidity, and particulate concentration at the installation point were also considered for the design. Numerical CFD simulations were used to analyze the gas flow structure inside the scrubber and allowed for the identification of important velocity gradients that might represent a potential source of error for further experiments. These issues were successfully corrected by means of a jet disruption device. Due to the high concentration of particles in the FG of the WIP, the suitability of the disruption device will be evaluated during in situ operation. Ultimately, particle size distribution will be measured at the inlet and outlet of the downscaled scrubber under different operating conditions to identify which parameters most affect its particle collection and how these devices can be optimized. In the long term, the established suggestions can be used by industry to avoid the emission of submicron particles that may represent a risk to our health and the environment.

Author Contributions

Conceptualization, A.J., A.B. and L.L.C.; methodology, A.H., A.J., A.B. and L.L.C.; software, A.H. and A.B.; validation, A.J., A.B. and L.L.C.; formal analysis, A.H.; investigation, A.H.; resources, M.H. and S.D.; writing—original draft preparation, A.H.; writing—review and editing, A.J., A.B. and L.L.C.; supervision, A.J., A.B. and L.L.C.; project administration, A.H.; funding acquisition, A.J., A.B. and L.L.C. All authors have read and agreed to the published version of the manuscript.

Funding

This work was financially supported by ANRT (Agence Nationale de la Recherche et de la Technologie) and Séché Environnement (Cifre PhD fellowship, Grant Award Number: 2021/2406).

Data Availability Statement

The original contributions presented in the study are included in the article; further inquiries can be directed to the corresponding author.

Acknowledgments

The authors gratefully acknowledge Nantes Métropole for allowing the installation and operation of the experimental device at the Alcea waste incineration plant. We also thank Séché Environnement for providing the funding and the data for the conception of the experimental setup, and IMN (Institut des Matériaux de Nantes Jean Rouxel) for Scanning Electron Microscopy analysis.

Conflicts of Interest

The authors declare that they have no known competing financial interests or personal relationships that could have appeared to influence the work reported in this paper.

Nomenclature

B o Bond number
C c Cunningham slip correction factor
d p particle diameter m
D droplet diameter m
D d i f f diffusion coefficient of particle
D s c r diameter of the scrubber m
E eccentricity factor of the droplets
g gravity m / s 2
H height of the scrubbing chamber m
k porous media permeability m 2
k B Boltzmann’s constant J / K
N p particle number concentration p a r t . / m 3
N p 0 particle number concentration at the inlet p a r t . / m 3
P e Peclet number
Q G total gas flow rate m 3 / s
Q L total liquid flow rate m 3 / s
R ratio of particle diameter to the liquid droplet diameter
R e Reynolds number
R H relative humidity of the gas %
S t k Stokes number
t g gas residence time s
t L droplets residence time s
T temperature of the gas K
U relative velocity between particles and liquid droplets m / s
v g gas absolute velocity m / s
v D droplet absolute mean velocity m / s
v e velocity of the droplets at the ejection point m / s
v t terminal velocity of the droplets m / s
v o l L volume of liquid in the scrubber m 3
v o l s c r volume of the scrubbing chamber m 3
W e Webber number
x molar composition of the gas
Ødiameter m m
Greek letters
α solid volume fraction
β porous media permeability m 2
λ g gas molecules mean free path length m
η d i f f collection efficiency due to Brownian diffusion
η i m p collection efficiency due to inertial impaction
η i n t collection efficiency due to interception
η S D total collection efficiency of a single droplet
γ water surface tension N / m
σ viscosity ratio of liquid to gas
μ L viscosity of the liquid P a . s
μ g viscosity of gas P a . s
ρ g gas density k g / m 3
ρ p particle density k g / m 3
ϕ grid porosity %
Abbreviations
APCAir Pollution Control
CFDComputational Fluid Dynamics
EDXEnergy Dispersive X-ray Spectroscopy
FGFlue Gas
NOxNitrogen oxides
ORCOrganic Rankine Cycle
PLAPolylactic Acid
RANSReynolds-Averaged Navier–Stokes
SEMScanning Electron Microscopy
SCRSelective Catalytic Reduction
WIPWaste Incineration Plants
WSWet Scrubbers

References

  1. European Union. Directive 2010/75/eu of the european parliament and of the council. Off. J. Eur. Union 2010, 53, 80. [Google Scholar]
  2. Cernuschi, S.; Lonati, G.; Ozgen, S.; Tardivo, R.; Signorini, S. Ultrafine and nanoparticles emissions from clinical waste incineration: Characterization and chemical speciation. In Proceedings of the 16th International Conference on Environmental Science and Technology, Rhodes, Greece, 4–7 September 2019. [Google Scholar]
  3. Ozgen, S.; Cernuschi, S.; Giugliano, M. Factors governing particle number emissions in a waste-to-energy plant. Waste Manag. 2015, 39, 158–165. [Google Scholar] [CrossRef] [PubMed]
  4. Li, N.; Georas, S.; Alexis, N.; Fritz, P.; Xia, T.; Williams, M.A.; Horner, E.; Nel, A. A work group report on ultrafine particles (American Academy of Allergy, Asthma & Immunology): Why ambient ultrafine and engineered nanoparticles should receive special attention for possible adverse health outcomes in human subjects. J. Allergy Clin. Immunol. 2016, 138, 386–396. [Google Scholar] [CrossRef]
  5. Calderón-Garcidueñas, L.; González-Maciel, A.; Mukherjee, P.S.; Reynoso-Robles, R.; Pérez-Guillé, B.; Gayosso-Chávez, C.; Torres-Jardón, R.; Cross, J.V.; Ahmed, I.A.M.; Karloukovski, V.V.; et al. Combustion- and friction-derived magnetic air pollution nanoparticles in human hearts. Environ. Res. 2019, 176, 108567. [Google Scholar] [CrossRef]
  6. Schraufnagel, D.E. The health effects of ultrafine particles. Exp. Mol. Med. 2020, 52, 311–317. [Google Scholar] [CrossRef] [PubMed]
  7. Smita, S.; Gupta, S.K.; Bartonova, A.; Dusinska, M.; Gutleb, A.C.; Rahman, Q. Nanoparticles in the environment: Assessment using the causal diagram approach. Environ. Health 2012, 11, S13. [Google Scholar] [CrossRef] [PubMed]
  8. Kabir, E.; Kumar, V.; Kim, K.-H.; Yip, A.C.K.; Sohn, J.R. Environmental impacts of nanomaterials. J. Environ. Manag. 2018, 225, 261–271. [Google Scholar] [CrossRef] [PubMed]
  9. Mazari, S.A.; Ali, E.; Abro, R.; Khan, F.S.A.; Ahmed, I.; Ahmed, M.; Nizamuddin, S.; Siddiqui, T.H.; Hossain, N.; Mubarak, N.M.; et al. Nanomaterials: Applications, waste-handling, environmental toxicities, and future challenges—A review. J. Environ. Chem. Eng. 2021, 9, 105028. [Google Scholar] [CrossRef]
  10. Sidiropoulou, E.; Feidantsis, K.; Kalogiannis, S.; Gallios, G.P.; Kastrinaki, G.; Papaioannou, E.; Václavíková, M.; Kaloyianni, M. Insights into the toxicity of iron oxides nanoparticles in land snails. Comp. Biochem. Physiol. Part C Toxicol. Pharmacol. 2018, 206–207, 1–10. [Google Scholar] [CrossRef]
  11. Vittori Antisari, L.; Carbone, S.; Bosi, S.; Gatti, A.; Dinelli, G. Engineered nanoparticles effects in soil-plant system: Basil (Ocimum basilicum L.) study case. Appl. Soil Ecol. 2018, 123, 551–560. [Google Scholar] [CrossRef]
  12. Vatavuk, W.M. Estimating Costs of Air Pollution Control; William, M.V., Ed.; Lewis Publishers: Chelsea, Mich, 1990. [Google Scholar]
  13. Nicol, K. Recent Developments in Particulate Control; IEC Clean Coal Centre: London, UK, 2013. [Google Scholar]
  14. Hesketh, H.D.; Schifftner, K.C. Wet Scrubbers, 2nd ed.; Taylor & Francis: Abingdon, UK, 1996. [Google Scholar]
  15. Oischinger, J.; Meiller, M.; Daschner, R.; Hornung, A.; Warnecke, R. Fate of nano titanium dioxide during combustion of engineered nanomaterial-containing waste in a municipal solid waste incineration plant. Waste Manag. Res. 2019, 37, 1033–1042. [Google Scholar] [CrossRef] [PubMed]
  16. Kim, H.; Jung, C.; Oh, S.N.; Lee, K.W. Particle Removal Efficiency of Gravitational Wet Scrubber Considering Diffusion, Interception, and Impaction. Environ. Eng. Sci. 2001, 18, 125–136. [Google Scholar] [CrossRef]
  17. Lee, B.-K.; Mohan, B.R.; Byeon, S.-H.; Lim, K.-S.; Hong, E.-P. Evaluating the performance of a turbulent wet scrubber for scrubbing particulate matter. J. Air Waste Manag. Assoc. 2013, 63, 499–506. [Google Scholar] [CrossRef] [PubMed]
  18. Feng, Y.; Li, Y.; Cui, L.; Yan, L.; Zhao, C.; Dong, Y. Cold condensing scrubbing method for fine particle reduction from saturated flue gas. Energy 2019, 171, 1193–1205. [Google Scholar] [CrossRef]
  19. Green, D.W.; Southard, M.Z. Perry’s Chemical Engineers’ Handbook; McGraw-Hill Education: New York, NY, USA, 2019. [Google Scholar]
  20. Bandyopadhyay, A.; Biswas, M.N. Fly ash scrubbing in a novel dual flow scrubber. Waste Manag. 2007, 27, 1845–1859. [Google Scholar] [CrossRef] [PubMed]
  21. Wang, S.; Wang, J.; Song, C.; Wen, J. Numerical investigation on urea particle removal in a spray scrubber using particle capture theory. Chem. Eng. Res. Des. 2019, 145, 150–158. [Google Scholar] [CrossRef]
  22. Bhargava, A. Wet Scrubbers—Design of Spray Tower to Control Air Pollutants. Int. J. Environ. Plan. Dev. 2016, 2, 3455–3474. [Google Scholar]
  23. Danzomo, B. CFD Based Parametric Analysis of Gas Flow in A Counter-Flow Wet Scrubber System. Int. J. Environ. Prot. Policy 2013, 1, 16. [Google Scholar] [CrossRef][Green Version]
  24. Adah, E.; Joubert, A.; Boudhan, R.; Henry, M.; Durécu, S.; Le Coq, L. Spray scrubber for nanoparticle removal from incineration fumes from the incineration of waste containing nanomaterials: Theoretical and experimental investigations. Aerosol Sci. Technol. 2022, 56, 75–91. [Google Scholar] [CrossRef]
  25. Lehner, M.; Mayinger, F.; Geipel, W. Separation of Dust, Halogen and PCDD/F in a Compact Wet Scrubber. Process Saf. Environ. Prot. 2001, 79, 109–116. [Google Scholar] [CrossRef]
  26. Adah, E.; Joubert, A.; Henry, M.; Durécu, S.; Le Coq, L. Optimization of Nanoparticle Collection by a Pilot-Scale Spray Scrubber Operated Under Waste Incineration Conditions: Using Box–Behnken Design. Waste Biomass Valorization 2023, 14, 3455–3474. [Google Scholar] [CrossRef]
  27. Yalamov, Y.I.; Vasiljeva, L.Y.; Schukin, E.R. The study of various mechanisms of in-cloud scavenging of large, moderately large, and small aerosol particles. J. Colloid Interface Sci. 1977, 62, 503–508. [Google Scholar] [CrossRef]
  28. Jung, C.H.; Lee, K.W. Filtration of Fine Particles by Multiple Liquid Droplet and Gas Bubble Systems. Aerosol Sci. Technol. 1998, 29, 389–401. [Google Scholar] [CrossRef]
  29. Lim, K.S.; Lee, S.H.; Park, H.S. Prediction for particle removal efficiency of a reverse jet scrubber. J. Aerosol Sci. 2006, 37, 1826–1839. [Google Scholar] [CrossRef]
  30. Wu, Q.; Gu, M.; Du, Y.; Zeng, H. Synergistic removal of dust using the wet flue gas desulfurization systems. R. Soc. Open Sci. 2019, 6, 181696. [Google Scholar] [CrossRef] [PubMed]
  31. Gaudel, N.; Bémer, D.; Gérardin, F. A parametric study of aerosol particle scavenging efficiency by spray droplets. J. Aerosol Sci. 2022, 159, 105843. [Google Scholar] [CrossRef]
  32. Huber, F.; Korotenko, E.; Šyc, M.; Fellner, J. Material and chemical composition of municipal solid waste incineration bottom ash fractions with different densities. J. Mater. Cycles Waste Manag. 2021, 23, 394–401. [Google Scholar] [CrossRef]
  33. Kékesi, T.; Amberg, G.; Prahl Wittberg, L. Drop deformation and breakup. Int. J. Multiph. Flow 2014, 66, 1–10. [Google Scholar] [CrossRef]
  34. Wellek, R.M.; Agrawal, A.K.; Skelland, A.H.P. Shape of liquid drops moving in liquid media. AIChE J. 1966, 12, 854–862. [Google Scholar] [CrossRef]
Figure 1. Process diagram of the Alcea municipal waste incineration plant (Nantes, France).
Figure 1. Process diagram of the Alcea municipal waste incineration plant (Nantes, France).
Processes 12 01655 g001
Figure 2. Picture of the water jet generated by the industrial nozzle technology at 1/8th scale. Taken with a NIKON D7200 camera (Nikon, Tokyo, Japan) coupled with a Sigma 150–600 mm f/5–6.3 lens, set at a focal length of 150 mm.
Figure 2. Picture of the water jet generated by the industrial nozzle technology at 1/8th scale. Taken with a NIKON D7200 camera (Nikon, Tokyo, Japan) coupled with a Sigma 150–600 mm f/5–6.3 lens, set at a focal length of 150 mm.
Processes 12 01655 g002
Figure 3. Overview of the methodology and the criteria considered for the design of the downscaled wet scrubber.
Figure 3. Overview of the methodology and the criteria considered for the design of the downscaled wet scrubber.
Processes 12 01655 g003
Figure 4. SEM image of FG particulate matter at the downscaled WS installation point (after the boiler and the cooling tower).
Figure 4. SEM image of FG particulate matter at the downscaled WS installation point (after the boiler and the cooling tower).
Processes 12 01655 g004
Figure 5. Comparative particle collection efficiency of industrial-scale and downscaled scrubbers.
Figure 5. Comparative particle collection efficiency of industrial-scale and downscaled scrubbers.
Processes 12 01655 g005
Figure 6. Diagram of the setup of the downscaled wet scrubber installed on the WIP of Nantes.
Figure 6. Diagram of the setup of the downscaled wet scrubber installed on the WIP of Nantes.
Processes 12 01655 g006
Figure 7. (a) Downscaled wet scrubber installed at Alcea WIP. (b) Liquid circuit of the downscaled wet scrubber installed at Alcea WIP.
Figure 7. (a) Downscaled wet scrubber installed at Alcea WIP. (b) Liquid circuit of the downscaled wet scrubber installed at Alcea WIP.
Processes 12 01655 g007
Figure 8. CFD Y velocity contour of (a) the original geometry, (b) the high-cone geometry, and (c) the geometry with the double disruptor device. (d) Geometry of the flow disruption system for the gas homogenization system. (e) Velocity vectors at plane z = 0.
Figure 8. CFD Y velocity contour of (a) the original geometry, (b) the high-cone geometry, and (c) the geometry with the double disruptor device. (d) Geometry of the flow disruption system for the gas homogenization system. (e) Velocity vectors at plane z = 0.
Processes 12 01655 g008
Figure 9. Y velocity along the radial axis at different heights of the downscaled wet scrubber (CFD vs. measurement).
Figure 9. Y velocity along the radial axis at different heights of the downscaled wet scrubber (CFD vs. measurement).
Processes 12 01655 g009
Table 1. Dimensions and operating data of both industrial and downscaled wet scrubbers.
Table 1. Dimensions and operating data of both industrial and downscaled wet scrubbers.
ParameterNotationDownscaled WS (City of Nantes)Industrial WS (City of Saint-Vulbas)Units
DimensionsHeight H 2.50 5.75 m
Diameter D s c r 0.30 2.20 m
Height-to-diameter ratio H / D s c r 8 3
Operating conditions (nominal conditions)Gas temperature T 473 343 K
Gas RH R H 1 100 %
Gas flow rate Q G 150 25,000 N m 3 / h
Liquid flow rate Q L 34 4200 L / m i n
Liquid-to-gas flow rates ratio L / G 7 7 L / m 3
Gas velocity v g 1.1 2.6 m / s
Gas residence time t g 2.2 2.2 s
Gas Reynolds number R e ~ 9.2 × 10 3 ~ 2.8 × 10 5
Droplet velocity v D 8 8 m / s
Droplet diameter D 600 600 µ m
Disclaimer/Publisher’s Note: The statements, opinions and data contained in all publications are solely those of the individual author(s) and contributor(s) and not of MDPI and/or the editor(s). MDPI and/or the editor(s) disclaim responsibility for any injury to people or property resulting from any ideas, methods, instructions or products referred to in the content.

Share and Cite

MDPI and ACS Style

Hoyos, A.; Joubert, A.; Bouhanguel, A.; Henry, M.; Durécu, S.; Le Coq, L. Multiapproach Design Methodology of a Downscaled Wet Scrubber to Study the Collection of Submicronic Particles from Waste Incineration Flue Gas. Processes 2024, 12, 1655. https://doi.org/10.3390/pr12081655

AMA Style

Hoyos A, Joubert A, Bouhanguel A, Henry M, Durécu S, Le Coq L. Multiapproach Design Methodology of a Downscaled Wet Scrubber to Study the Collection of Submicronic Particles from Waste Incineration Flue Gas. Processes. 2024; 12(8):1655. https://doi.org/10.3390/pr12081655

Chicago/Turabian Style

Hoyos, Angela, Aurélie Joubert, Ala Bouhanguel, Marc Henry, Sylvain Durécu, and Laurence Le Coq. 2024. "Multiapproach Design Methodology of a Downscaled Wet Scrubber to Study the Collection of Submicronic Particles from Waste Incineration Flue Gas" Processes 12, no. 8: 1655. https://doi.org/10.3390/pr12081655

APA Style

Hoyos, A., Joubert, A., Bouhanguel, A., Henry, M., Durécu, S., & Le Coq, L. (2024). Multiapproach Design Methodology of a Downscaled Wet Scrubber to Study the Collection of Submicronic Particles from Waste Incineration Flue Gas. Processes, 12(8), 1655. https://doi.org/10.3390/pr12081655

Note that from the first issue of 2016, this journal uses article numbers instead of page numbers. See further details here.

Article Metrics

Back to TopTop