Next Article in Journal
Recovery of Lesser-Known Strategic Metals: The Gallium and Germanium Cases
Previous Article in Journal
Adaptive Enhancement of Thermal Infrared Images for High-Voltage Cable Buffer Layer Ablation
 
 
Font Type:
Arial Georgia Verdana
Font Size:
Aa Aa Aa
Line Spacing:
Column Width:
Background:
Article

A LabVIEW-Based Generalized Experimental Test Platform for Precision Machining Control Algorithms

1
School of Art, Soochow University, Suzhou 215031, China
2
School of Mechanical and Electrical Engineering, Soochow University, Suzhou 215031, China
*
Authors to whom correspondence should be addressed.
Processes 2024, 12(11), 2542; https://doi.org/10.3390/pr12112542
Submission received: 15 October 2024 / Revised: 11 November 2024 / Accepted: 12 November 2024 / Published: 14 November 2024
(This article belongs to the Section Process Control and Monitoring)

Abstract

Precision machining technology has received significant attention from researchers and engineers. With the increasing complexity of product designs and continuous advancements in high-tech industries, the precision requirements for manufacturing are constantly escalating. For researchers who are new to precision machining, conducting experiments directly on commercial equipment is resource-intensive and does not accommodate diverse working scenarios. Therefore, designing a generalized precision machining experimental test platform is particularly important. This paper presents a practical plan to construct such a platform, integrating key components such as a gantry-type Cartesian coordinate robot, a 2D rotary table, a 2D precision slide stage, a galvanometer, and a telecentric lens. The platform serves as a test environment for verifying the feasibility of various precision machining control algorithms. It not only demonstrates the desired stability and scalability but also offers a user-friendly operational interface via the LabVIEW front panel. This facilitates simple and efficient experimental operations, providing an effective and reliable environment for testing precision machining control algorithms.

1. Introduction

Precision machining technology, as an important branch of mechanical engineering, has a deep and evolving academic background. This technology plays a crucial role in achieving high shape accuracy, surface accuracy, and surface integrity. It is a key means for modern manufacturing industries to improve product quality and meet diversified needs. Nowadays, precision machining technology has become a complex engineering system containing the latest scientific and technological achievements, covering all aspects from ultra-precision cutting and grinding to polishing technology. Moreover, it has begun to use image segmentation algorithms to inspect machined parts [1,2,3].
The significance of precision machining extends far beyond industrial manufacturing, serving as an important symbol for the progress in modern technological civilization. At the micro level, precision machining technology enables users to explore and utilize material microstructures to develop new materials with special properties. It shows great potential for application in energy, biomedicine, and information technology. At the macro level, applying precision machining technology has facilitated the manufacturing of large and complex structural parts, such as key components in aerospace vehicles. Meanwhile, with globalized and diversified market demands, precision machining technology plays an increasingly important role in enhancing product competitiveness. It not only improves product consistency and reliability but also contributes to environmental sustainability by reducing waste and increasing productivity. In this sense, precision machining has advanced significantly in recent years in many areas, such as ultra-precision cutting, ultra-precision grinding/polishing, and ultra-precision non-traditional machining [4].
Ultra-precision cutting is a cutting technique that uses tools made of superhard materials such as diamond to machine surfaces with a surface roughness of a few nanometers. A brief overview of diamond tool cutting technology is given in [5], where the current understanding of the mechanics controlling diamond tool cutting is discussed. It not only analyzes the latest technology in machine tools, diamond tools, and tool development, but also describes the various cutting configurations used and the machining of diamond, providing examples of surfaces and components. In addition to cutting with diamond, other researchers have chosen to cut with tools made of high-entropy alloys such as Al 80 Li 5 Mg 5 Zn 5 Cu 5  [6].
Ultra-precision grinding, using grinding wheels with ultra-fine grits and high- performance grinders, is a machining method that can achieve high material removal rates. Among the various machining techniques, ultra-precision grinding ensures machining accuracy, surface quality, and efficiency. Precision machining of aluminum oxynitride (AlON) ceramics by ultra-precision grinding was investigated in [7], and a material-removal mechanism during ultra-precision grinding was proposed in a theoretical model. The work in [8] investigated the mechanism of material deformation and the performance of gadolinium gallium garnet crystals during ultra-precision grinding using graphene oxide coolant. It revealed the mechanism of graphene oxide’s action on the plastic deformation of crystals during the assisted grinding process. Meanwhile, a number of other researchers have carried out insightful investigations into various aspects of ultra-precision grinding [9,10,11].
Ultra-precision polishing combines the mechanical and chemical actions of fine abrasives with soft polishing tools, chemical fluids, or electric/magnetic fields. It is commonly used to obtain ultra-smooth surfaces with minimal surface and subsurface damage and high surface quality. In recent years, researchers have used atomistic simulations to study the ultra-precision polishing process on textured silicon carbide surfaces [12].
Non-traditional precision machining techniques, also known as specialty machining or modern machining methods, are mainly used to remove or add material by using forms of energy such as electrical, thermal, optical, electrochemical, chemical, acoustic, and special mechanical energies to achieve the machining of materials. These technologies are particularly suitable for processing needs that are difficult to achieve with traditional machining, such as high precision, complex shapes, or difficult-to-machine materials. Examples include electrical discharge machining [13], electrochemical machining [14], laser machining [15,16], electron beam machining [17,18], ion beam machining [19], ultrasonic machining [20], and water jet machining [21].
For researchers, the experimental platform is an important tool for verifying theories. In [22], researchers have proposed an experimental design strategy for detecting the presence of any arbitrary disturbances on the experimental platform, and have validated this design strategy on the LinkedIn platform. Some researchers explored the photothermal performance of parabolic trough solar collectors on the MicroSol-R testing platform, comparing numerical models of varying complexity and determining the optimal model selection [23].
Due to its high precision requirements, the cost of equipment for precision machining is a significant expenditure for many beginners in the field, especially for those who only need to verify precision machining control algorithms and do not require direct, exceptionally high-precision results. It is often necessary to adjust the algorithms multiple times when using the equipment, and debugging algorithms may even cause damage to the precision machining equipment. In this case, the use of a real precision machining platform is obviously not cost-effective. Therefore, this paper proposes a generalized precision machining experimental platform that can meet the experimental demands for three-dimensional Cartesian coordinate systems and polar coordinate systems. This generalized experimental test platform allows for the replacement of processing equipment to meet the experimental requirements of different precision machining control algorithms, enabling the platform to adapt to various industrial machining scenarios, such as laser engraving [24] and photopolymerization processing [25].
In the context of industrial machining, the proposed experimental platform can leverage iterative learning control (ILC) to enhance the precision of the machining process. By employing ILC, the platform is capable of improving the accuracy of the machining operation through repeated cycles of processing [26,27]. For example, this experimental platform can achieve high-precision industrial machining by performing multiple laser engravings or multiple exposures on the machined parts.
This paper first introduces the various components of the experimental platform and its visual positioning capabilities, followed by mathematical modeling of the platform. Next, it describes how to operate the platform using LabVIEW. Additionally, the paper presents the precision machining control algorithms utilized by the platform. Finally, experimental tests are conducted to evaluate the performance of the experimental platform. This paper describes the modules that make up this experimental platform and the LabVIEW programs for each module. The main contributions of this paper consist of the following parts:
  • This paper elaborates on the basic principles of camera positioning and provides a systematic modeling of the rotary table, the slide stage, and galvanometer, providing a basis for achieving high-precision machining;
  • This paper introduces the LabVIEW programs of each module and their operating principles. With LabVIEW, various modules produced by different manufacturers can be integrated, unlike other commercial experimental platforms that are limited to components from the same manufacturer. This approach not only enhances scalability but also reduces assembly costs;
  • This paper verifies the perform of the model reference adaptive control (MRAC) algorithm on this experimental platform as an example.

2. Generalized Experimental Test Platform Modeling

In this section, the generalized experimental test platform is modeled for cooperative experiments, and an overview of this platform is shown in Figure 1. The components are first described in detail, and the mathematical formulation for this experimental platform is also provided.

2.1. Device Description

The experimental platform consists of five main devices: a gantry-type rectangular coordinate robot, an industrial camera with a telecentric lens, a galvanometer with a laser device, a 2D rotary table, and a precision slide stage. This subsection provides a brief description of these components.

2.1.1. Gantry-Type Rectangular Coordinate Robot

Gantry-type rectangular coordinate robots are high-precision and high-efficiency automation equipment widely used in the field of industrial automation [28]. They are precisely controlled by the x y z Cartesian coordinate system to realize material handling, positioning, and operation. The gantry robot achieves precise control of the Cartesian coordinate system through the motors of the x y z axes. This mechanism controls the machining instruments to carry out precision machining tasks.
In the precision machining experimental platform introduced in this paper, the gantry-type rectangular coordinate robot is responsible for adjusting the position of the processing equipment on its end-effector, such as the laser galvanometer. In this way, it is able to move to the target machining position according to task specifications.
The physical parameters of the gantry-type rectangular coordinate robot are shown in Table 1. From this table, the robot’s lead screw pitch is 10 mm, and one revolution of its motor requires sending 10,000 pulses. Therefore, the gantry robot can theoretically achieve an accuracy of 10 × 1/10,000 mm, i.e., 1 micrometer. However, because the PLC encoder only receives 1000 pulses per motor revolution, users can only achieve an accuracy of 10 micrometers when obtaining motor rotation data through the encoder.

2.1.2. An Industrial Camera with Telecentric Lens

Telecentric lenses are specially designed lenses primarily used in the fields of machine vision and precision measurement. Their core feature is the ability to maintain constant magnification of object imaging over a certain range, even if the distance between the object and the lens changes. The optical paths of ordinary lenses and telecentric lenses are shown in Figure 2. Telecentric lenses work by placing the aperture diaphragm precisely at the focal plane of the optical system, allowing only rays of light parallel to the optical axis to pass through the lens and reach the imaging sensor.

2.1.3. Galvanometer with Laser Device

A laser galvanometer is a key device used in the field of laser processing to accurately control the guidance of the laser beam. It changes the direction of the laser beam by deflecting the lens at high speed, achieving precise positioning and movement of the laser beam on the working surface.
A laser galvanometer system usually consists of an optical scanning head, an electronic drive amplifier, and an optical reflector lens, enabling high-speed scanning and precise positioning for a wide range of applications such as laser marking, welding, 3D printing, and precision cutting [29].
Denote the galvanometer mirrors as a and b, as shown in Figure 3. By rotating the galvanometer mirrors a and b, the incident beam can be projected to a specified position in the x y -plane. Let the distance between the two mirrors be e, and the distance from mirror a to the field of view plane be d. When the optical deflection angles of the x and y axes are θ x and θ y , respectively, the corresponding coordinates of the light spot on the field of view plane are ( x , y )  [30]. The specific formula for the x and y coordinates is
x = d 2 + y 2 + e · t a n θ x y = d · t a n θ y .
The angle of the x-axis and y-axis lenses can be obtained from
θ x = k x · V x θ y = k y · V y ,
where k x and k y are the coefficients. By controlling the voltage of the motor, users can adjust the rotation angle of the lens, thereby directing the laser to the desired position.

2.1.4. 2D Rotary Table

In industrial automation equipment, rotary tables are used to achieve rapid and stable rotational positioning, which is crucial for improving production efficiency and ensuring product quality [31]. They typically possess high-precision positioning control capabilities and are suitable for fields such as microelectronics manufacturing and optical processing. In this experimental platform, the two-dimensional rotary table is responsible for verifying control algorithms that require the use of polar coordinate systems. In conjunction with the gantry robot, it can achieve precision machining that relies on two-dimensional polar coordinates.

2.1.5. 2D Precision Slide Stage

The 2D precision slide stage is responsible for verifying control algorithms that use a Cartesian coordinate system. The experimental platform described in this paper employs a three-dimensional precision slide stage from Nanomotion, which utilizes high-precision ceramic motors. These motors combine unlimited travel with high resolution in a compact size, and their applications include microscopy, precision motion, and robotic technology, among others. The motors provide a linear response to the input voltage and have high vacuum compatibility. In direct current (DC) mode, the motors offer non-resonant motion, meaning the motor is no longer driven by dynamic friction but is securely held in position by its static friction. In DC mode, the core piezoelectric element of the motor bends, acting like an actuator to move the applied mass. As long as the acceleration remains below the threshold, slippage does not occur, and the applied mass moves according to the motor’s displacement.
The minimum travel of the motor depends on its operating mode and application requirements, but in DC mode, it is possible to achieve single-nanoscale resolution with a travel accuracy of ±150 nanometers.

2.2. System Dynamics Modeling

Consider the galvanometer, the rotary table, and the slide stage proposed in this paper as linear discrete time-invariant systems with i -inputs and m-outputs. The galvanometer is denoted as the leader system S 0 , while the rotary table and the slide stage are denoted as the follower systems S 1 and S 2 , respectively. Their state-space equations in discrete-time form are, respectively, given as
x i ( t + 1 ) = A i x i ( t ) + B i u i ( t ) y i ( t ) = C i x i ( t ) ,
where t [ 0 , T ] is the time index, and T represents the duration of the equipment’s operation. The subscript i = 0 , 1 , 2 represents the different modules. u i ( t ) , y i ( t ) , and x i ( t ) are the input vector, output vector, and state vector, respectively. A, B, C, and D are matrices of appropriate dimensions [32,33].
To facilitate the problem formulation over a finite time horizon [ 0 , N ] , an abstract description of the system dynamics is first presented, where both the leader system and the two follower systems can be represented in the form of equivalent operators as
y i = G i u i ,
where G i is the transfer function matrix represented in the following form
G i = C i B i 0 0 C i A i B i C i B i 0 C i A i N 1 B i C i A i N 2 B i C i B i R m N × i N .
Remark 1.
It is well-known that the modeling of continuous systems in computer control systems relies on discretization and its inverse process. Hence, an equivalent discrete form of a continuous system is computer control system-friendly. The operator G i in the form of (5) is equivalent to the form of y i ( t ) = G i u i ( t ) = 0 T C i e A i ( T t ) B i u i ( t ) d t , which is the continuous form of system mathematical modeling.

2.3. Mathematical Reformulation of Experimental Tests

To ascertain the superior performance of the proposed experimental platform in the validation of control algorithms, it is essential to subject it to complex experimental scenarios. Addressing the communication challenges among multiple subsystems, our approach has evolved beyond the isolated control of individual subsystems. Instead, it now facilitates collaborative control within complex task-oriented environments. The specific task-oriented problem is separated into the following two parts:
  • Path-Planning Problem: As known, for robotic systems prior to initiating their motion, a pre-planned trajectory is indispensable. In specific scenarios, the system is required to meet particular performance criteria, thus transforming the path-planning problem into an optimization issue.
  • Collaborated Control Objective: After the trajectory is defined, it becomes imperative to implement control strategies that enable the entire robotic system, which is inherently complex, to accurately track the prescribed path. In light of the intricate nature of collaborative systems, it is essential to employ collaborated control algorithms designed for specific control objectives.
In tackling the dual aspects of planning and control, we have mathematically reformulated the problem. Denote the leader reference as r 0 ( t ) R m , and the corresponding follower references as r 1 ( t ) , r 2 ( t ) R m , and the desired relative references as r i 0 ( t ) R m .
Define the relative reference r i 0 and output y i 0 , and the relationship among reference, input and output signals as
y i 0 = y i y 0 = G i u i G 0 u 0 ,
r i 0 ( t ) = r i ( t ) r 0 ( t ) y i ( t ) y 0 ( t ) .
Moreover, the error signal defined as e ( t ) = r i 0 ( t ) y i 0 ( t ) describes the discrepancy between output and reference.
With the notation aforementioned, the following two definitions of the dual aspects of planning and control problems are yielded:
Definition 1.
The Optimal Leader Path-Planning Problem is defined as iteratively finding a leader reference trajectory r 0 and the follower input u i , with the asmptotic property that
lim k ( r 0 k , u i k ) = ( r 0 , u i ) ,
where k N + is the iteration index. Meanwhile, a target performance f ( u , y ) as a function of the system input and output is minimized.
Definition 2.
The Collaborated Control Objective is defined as designing the leader input u 0 ( t ) and follower inputs u i ( t ) to make error signal e ( t ) tend towards zero, i.e.,
lim t e t = 0 ,
which ensures the relative motion of the whole leader-follower system follows a given trajectory r i 0 as accurately as possible.
Combine the path-planning problem and the control objective into one whole design framework, yielding the following extended optimization problem
min r 0 , u i | e | 2 2 + λ f ( u i , y i ) s . t . r 0 = y 0 , y 0 = G 0 u 0 , y i = G i u i , y i 0 = y i y 0 ,
where λ R is the weight coefficient of optimization targets and the operator | · | 2 is the Euclidean 2-norm.
Remark 2.
As solving the general optimization problem (10) and putting real control effort into our platform can realize the path planning and collaborative control for the complex robotic system in a real industrial scenery, which validates that our platform not only has the superior performance in the validation of control algorithm but also liberated the freedom of trajectory planning.
To achieve the design objectives of the extended problem (10), this paper uses LabVIEW to coordinate and control each module. In the experiments presented in this article, the excellent performance of the experimental platform will be verified by comparing the reference signal with the actual output trajectory.

3. LabVIEW-Based Platform Design

This section introduces the LabVIEW connection on each device to form the overall platform design.
Remark 3.
It is important to note that due to the wired communication between the experimental platform proposed in this paper and the host computer, there is almost no delay when controlling the experimental platform using LabVIEW. Even if delays occasionally occur due to interference between modules, these delays are not significant enough to affect the coordinated motion between the modules. Therefore, system delay will not be further discussed.

3.1. An Industrial Camera with Telecentric Lens

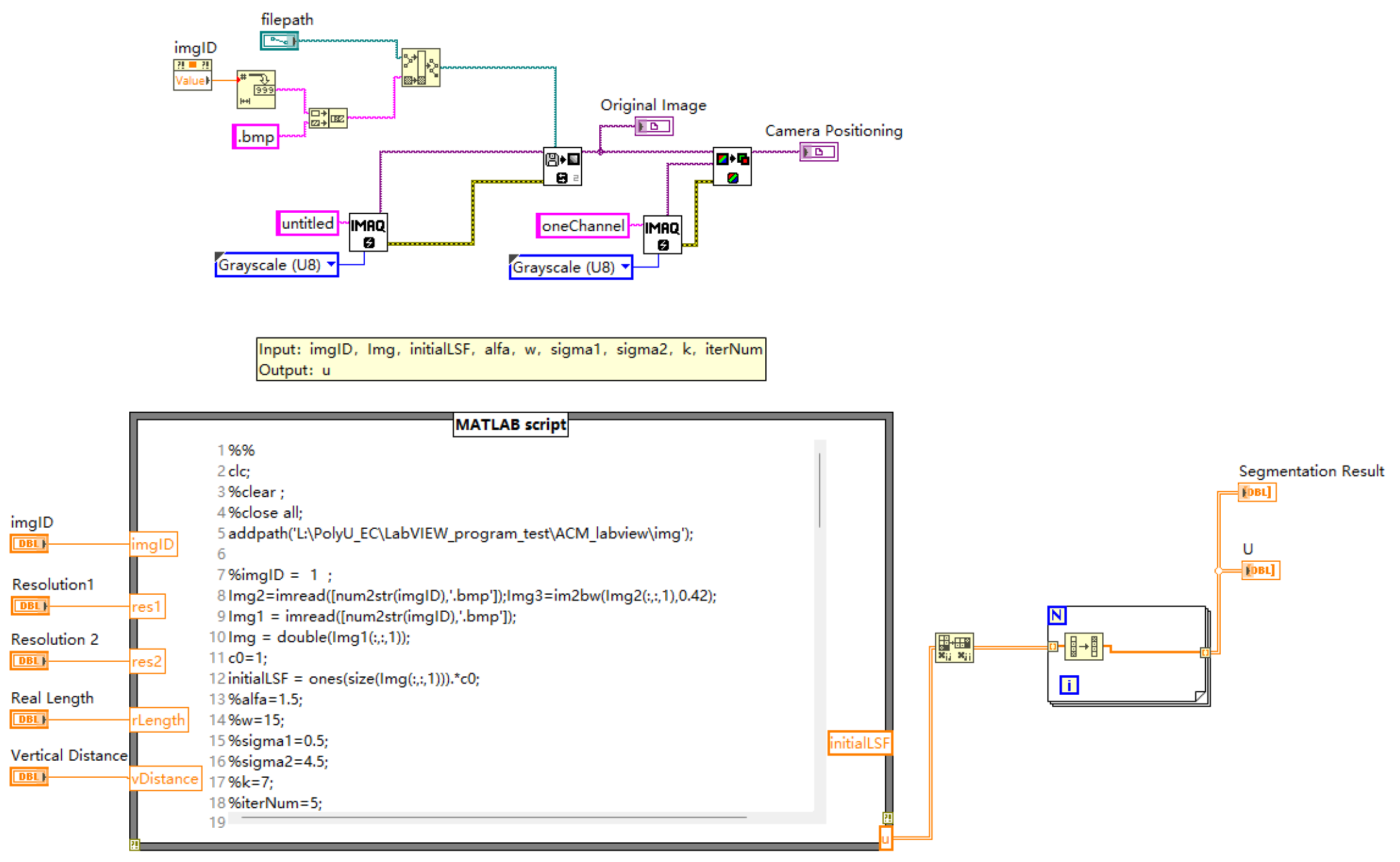
This section explains in detail the principles of the LabVIEW program that implements camera positioning and target segmentation. The front panel of the program is shown in Figure 4, which mainly consists of ten parts.
The first part in the upper left corner displays the path of the images to be segmented. The second part, located below the first part, is used to select the file name of the image to be segmented. The four parts to the right of the second part are used to input the camera resolution, the real length between two points on the target object, and the vertical distance between the lens and the material. The first window displays the original image, the second window shows the camera positioning result, the third window displays the segmentation result, and the array U shows the matrix containing the coordinates of the contour vertices.
Figure 5 shows the content of the back panel, which mainly calls the segmentation and positioning codes through the MATLAB script. The program at the top is used to read the original image and display the camera positioning result. The following comments provide the input and output of the main program, which includes imgID, res1, res2, rlength, vDistance, Img, initialLSF, alfa, w, sigma1, sigma2, k, iterNum, and u. After these parameters are input into the MATLAB script, a matrix U with the same size as the input image is output after iteration, containing the coordinates of segmented target contour vertices.

3.2. Gantry-Type Rectangular Coordinate Robot

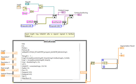
This gantry-type rectangular coordinate robot can be controlled in various ways, including through MATLAB programs, PLC programs, etc. This experimental platform uses a MATLAB program to control the gantry robot. To ensure cooperation and linkage with other equipment in the experimental platform, the MATLAB program is embedded as a script within the LabVIEW program, as shown in Figure 6. This allows the LabVIEW input parameters to control the movement of the gantry robot.
Before running the program, users need to change the serial port name in the script according to the port connected between the gantry robot and the computer. Then, they can run the program, enter the movement distances and set speeds for the x, y, and z axes, click “start”, and the device will begin operation. After the operation, the current position is displayed in the “motor_position” column (see Figure 7), achieving precise control of the gantry robot through LabVIEW.

3.3. Galvanometer with Laser Device

The laser galvanometer can also use LabVIEW to call functions from its DLL library in order to perform a simple marking operation. The flowchart for completing the marking by calling these functions is shown in Figure 8.
Firstly, the users need to initialize the system for the laser galvanometer, which includes setting the necessary parameters and ensuring that the equipment is functioning correctly. After that, the image to be marked on the material is selected. Once selected, the image is displayed in the LabVIEW front panel and can be adjusted as necessary. After adjusting the image to achieve the desired effect, the marking operation can begin.
The front panel of the laser galvanometer in LabVIEW is shown in Figure 9. A brief explanation of this front panel will be provided. Users need to first enter the absolute path of the official control program in “pszPath” and the absolute path of the pre-prepared graphic file in “pszFileName”. After that, users need to fill in a series of parameters on the left according to their own needs. The specific explanations for these parameters are as follows:
  • card: Fill in the control card number (0–7).
  • nType: Select the marking type. 0 means normal marking, 1 means red light preview, 2 means border preview.
  • bWaitTouch: Whether to wait for the foot signal. 0 means marking immediately, 1 means marking after detecting the signal.
  • bWaitEnd: Whether it is blocked. 0 means that it is returned immediately, 1 means that it is returned after the marking is complete.
  • nOverTime: Fill in the waiting time for foot signal (ms).
  • bMarkAll: Whether to mark all. 0 means partial marking, 1 means all marking
After completing the configuration of the aforementioned series of parameters, you can achieve the marking operation by clicking the “start” button. By comparing the code displayed in “Return” with the development manual, users can understand the status of each function call.
By combining this process with the movement of a rotary table or a slide stage, complex parts can be completed. The LabVIEW program mentioned in this paper is relatively simple. To achieve more complex operations, additional functions would need to be called.

3.4. 2D Rotary Table

For the rotary table used in this platform, it must be initialized using the ServoStudio software before operation. After the initialization is complete, direct control can be achieved through ServoStudio. To achieve multi-device linkage, LabVIEW is also used for control. According to the rotary table motion command provided by ServoStudio: MOVEINC distance velocity [blending_mode] (see Figure 10), users only need to input the distance and velocity parameters into the corresponding serial port in LabVIEW to control the rotary table’s motion, and the blending_mode parameter can be ignored.
Moreover, when controlling the rotary table, it is not necessary to manually input the rotation angle and speed. Instead, the algorithm being verified can calculate the required rotation angle and speed for each cycle of motion. At the beginning of each cycle, the calculated parameters can be input into the rotary table to achieve parameter variations across different cycles. This allows for coordination with other components to verify precision machining algorithms through multiple cycles.

3.5. 2D Precision Slide Stage

In LabVIEW, the ActiveX control allows for the integration of the slide’s DLL library, enabling the execution of functions such as axis movement and speed control. This facilitates the precise control of a two-dimensional positioning stage via LabVIEW. The LabVIEW front panel for controlling the stage is shown in Figure 11.
Once the system is successfully connected to the stage, the operator can press the “enable” button to activate the operational mode. After specifying the desired movement distance, clicking the “start” button will initiate the stage’s motion, with the current position displayed in real time. The program can also be used for the combined motion of two axes. By inputting different incremental values for the two axes, motions requiring the cooperation of both axes, such as circular motion, can be realized. Note that, due to the high precision of the two-dimensional stage, any interference while in a stationary state can prevent the system from properly receiving movement commands.

3.6. Integrated Control of Modules

To achieve the goal of using LabVIEW for the integrated control of the experimental platform’s modules, this paper presents the front panel of the LabVIEW integrated control program, as shown in Figure 12.
The integrated control program begins with position control of the gantry-type rectangular coordinate robot, which is responsible for transporting the industrial camera and laser galvanometer to their designated positions. Subsequently, the vision-positioning program verifies whether the robot has accurately reached the specified location. Once the movement of the gantry robot is confirmed as complete, the required parameters and files should be entered, including the angle matrix file for controlling multiple rotations of the turntable, the pattern file for controlling laser marking with the galvanometer, and others. It is important to note that when using the slide table for experiments, the “Connect” button must be clicked to establish a connection between the slide table and the host computer. After completing the parameter settings, the user can select between the two following modes:
  • The galvanometer and the slide stage;
  • The galvanometer and the rotary table.
The corresponding “start” button can then be clicked to initiate the respective experimental setup.

4. An Exemplary Collaborative Precision Control Method

The realization of precision machining necessitates effective coordination among multiple components. In this section, the camera positioning principle is first provided. Then, the model references adaptive control (MRAC) and norm-optimal iterative learning control (NOILC) approaches are employed to give a collaborative algorithm.

4.1. Camera Positioning Principle

Before camera positioning, three pieces of information need to be determined [34]:
  • The camera resolution is high enough to capture the positioning;
  • The vertical distance between the lens and the real target object is acceptable;
  • The real distance between any two points on the real target object can be determined.
The resolution of the camera used in the experiments is 640 × 480 , and the vertical distance between the lens and the real target object is 25 cm. To measure the distance between two points on the real target object, after determining the two points on the target contour in the image, the corresponding two points on the real target are selected for distance measurement.
The camera coordinate system is established with the center of the camera’s field of view. The resolution is 640 × 480 , with the origin set at the pixel point 320 , 240 , denoted as O c a m . To obtain the coordinates of the target contour vertices in real space, both the total pixel length of the target object in the camera image and the real distance between any two points on the target object are needed. Since the proposed segmentation algorithm outputs a matrix containing the coordinates of the contour vertices, the minimum enclosing rectangle of the target can be obtained, and the distance between any two points on this rectangle that are tangent to the target is taken as the total pixel length.
As observed in Figure 13, the origin of the coordinate system is O c a m . The segmented target contour is denoted as L C , and its minimum enclosing rectangle is denoted as R e c t  [35,36]. Then, the two key pixels u 1 I and u 2 I must satisfy
u i I R e c t u i I L C , i = 1 , 2 .
Let u 1 I and u 2 I correspond to the points on the real target as u 1 A and u 2 A , with the real length corresponding to the unit pixel denoted as l p . Then, there exists
l p = u 1 A u 2 A 2 u 1 I u 2 I 2 .
Let the coordinates of the origin O c a m be x O , y O , and let any contour vertex be v, with its corresponding pixel point coordinate on the image being x v , y v  [37,38]. The coordinate offset of v in the real space can be calculated as
D x = x O x v · l p D y = y O y v · l p .
In the experiment, first, move the laser to the telecentric lens, then move D x and D y along the x-axis and y-axis, respectively, and finally move 25 cm along the z-axis. The height of the lens can be flexibly adjusted according to the actual situation.

4.2. Model Reference Adaptive Control Approach

MRAC is a widely utilized intelligent control algorithm within the realm of robotic system control. It is specifically applied to systems characterized by parameter uncertainty yet possessing a known structural configuration. Under the MRAC framework, it is feasible to establish a self-consistently stable reference model, whose state trajectory aligns with the desired performance specifications. Consequently, the paramount objective of MRAC is to devise a feedback adaptive control law that steers the plant to emulate the behavior of the reference model.
Consider a system characterized by the state-space representation x ˙ = A x + B u , where the parameters are unknown, yet the system’s overall structure is known. It is feasible to define a self-consistent stable reference model, which is given by
x ˙ m ( t ) = A m x m ( t ) + B m r ( t ) ,
where the subscript m denotes the state is of the reference model. The objective is to design an adaptive feedback control law for the actual plant, expressed as
u a d p = K x x + K r r ,
where K x and K r are the state feedback and feedforward matrices, respectively. These matrices are designed to align the reference model with the actual controlled system, resulting in
A m = A B K x B m = B K r .
Define the tracking error as e as the difference between the reference model and the actual system state. By introducing Δ K x = K x K x and Δ K r = K r K r , the tracking error dynamics can be expressed as
e ˙ = A m e + B Δ K x x B Δ K r r .
According to the Lyapunov Stability Theorem, the Lyapunov function can be designed as
V = e T P e + 1 Γ x Δ K x Δ K x T + 1 Γ r Δ K r Δ K r T .
Derive the above equation and make its derivative negative [39,40], to give
Δ K ˙ x T = Γ x e T P B x Δ K ˙ r T = Γ r e T P B r .
This approach ensures that the tracking error e converges to zero, thereby guaranteeing that the actual system closely follows the reference model, despite the uncertainties in the system parameters.

4.3. Norm-Optimal Iterative Learning Control Approach

ILC is an advanced method of precise tracking control within the domain of industrial automation, particularly suited for scenarios involving static trajectory tracking and repetitive actuation processes. Its efficacy is largely attributed to its capability to learn, multiply, and iteratively refine its control inputs. NOILC, an enhanced variant of ILC grounded in convex optimization, not only surpasses other ILC methodologies in terms of error convergence but also capitalizes on the advantageous attributes of gradient-based optimization. This approach introduces additional flexibility in optimizing system performance, thereby enhancing the overall control strategy.
Considering any static overall reference signal r and the following stable and controllable ILC system during the time interval [ 0 , T ]
x ˙ k ( t ) = A x k ( t ) + B u k ( t ) , y k ( t ) = C x k ( t ) ,
where k N + is the iteration index. Define the overall system operator G and its adjoint operator G as
y k ( t ) = G u k ( t ) = 0 T C e A ( T t ) B u k ( t ) d t , y ( t ) , G u k ( t ) Q = G y ( t ) , u k ( t ) R ,
where the operator · Q denotes the inner product of induced Hilbert space with weight Q = q I . Then, the NOILC algorithm is yielded by solving
u k + 1 = arg min u r G u Q 2 + u u k R 2 ,
to obtain an iterative control law u with respect to the overall error e = r G u , system operator G and its adjointment G in the form of
u k + 1 = u k + G ( I + G G ) 1 e k ,
to make the tracking norm of error e Q = r G u Q converge to zero.
Remark 4.
Note that the overall system opertator G and reference r and the can be easily derived from the sub-systems G i , i = 0 , 1 , 2 , and relative reference r i 0 , i = 1 , 2 .

4.4. A Collaborative MRAC-ILC Algorithm

Attaching the two aforementioned control approaches into the general extented optimization problem (10), an improved coordinate descent algorithm (Algorithm 1) is obtained. From the derivations in [41], it is naturally yielded that the general extended optimization problem (10) is solved by the proposed algorithm.
The performance of the proposed algorithm will be validated in the next section using the coordination among various components, encompassing two sub-systems: the galvanometer with the rotary table and the galvanometer with the slide stage.
Algorithm 1 A Collaborative MRAC-ILC Algorithm
Input: Relative reference r i 0 , nominal collaborated system model (3)
Output: Optimal follower input signal u i and leader path r 0
  1:  initialization: The initial leader path r 0 0 ; the initial input u 0 0 and u i 0 ; coordinate descent
       trial number k = 0 .
  2:  for  k = 1 , 2 , , k m a x
  3:     Update the leader reference r 0 k using law
r 0 , k + 1 = r 0 , k + α f ( u , y ) ,

          with initial leader path r 0 , 0 .
  4:     Run leader reference r 0 , k to the plant (14) to calculate a desired tracking input u ^ 0 , k .
          Obtain the real adapative control input u 0 , k by the law of (15)
  5:     Solve problem (22) in the law of
u k + 1 = u k + G ( I + G G ) 1 e k ,

          with u 0 , k , r 0 , k and r i 0 ; record the solutions u i , k .
  6:     Implement u i , k to the plant (3), and measure y i , k ; record e i , k .
  7:     Implement u 0 , k and u i , k to (25); record f ( u , y ) .
  8:  end for
  9:  return  u i = u i , k and r 0 = r 0 , k

5. Experimental Verification

After completing the LabVIEW construction for each module and the overall integration of the experimental platform, this section tests the precision and stability of the platform through the telecentric lens positioning test and the precision machining control algorithm test.

5.1. Telecentric Lens Positioning Test

In this subsection, two types of experiments are conducted. The segmentation effect of the algorithm on natural images is demonstrated in Figure 14. For Image 1, the main boundaries of the target are successfully obtained. For Image 2, the contour of the targets is basically segmented, with tiny details missing.
In this subsection, two types of experiments are conducted. The segmentation results of the algorithm on industrial production images are shown in Figure 14, which illustrates the image segmentation results for two industrial textiles. For Image 1, the main boundary of the target is successfully obtained. For Image 2, the contour of the target is generally segmented, but some fine details are missing.
The camera positioning and segmentation experiment using the telecentric lens is shown in Figure 15. The segmentation result is satisfactory, while the positioning effect is worth noting. The red rectangle represents the minimum enclosing rectangle of the target, and the central red dot marks the origin of the camera coordinate system. The blue dot represents an arbitrarily selected contour vertex. In the upper left corner of the sub-image, the horizontal and vertical coordinates of the blue dot in real space within the camera coordinate system are given, in cm. The matrix U below contains the coordinates of all contour vertices, which are crucial for subsequent laser trajectory control.

5.2. Precision Machining Control Algorithm Test

The performance of Algorithm 1 verified the test platform. Let the transfer function of the galvanometer be
G 0 ( s ) = [ g 0 ( s ) , g 0 ( s ) ] , g 0 ( s ) = 7.806 × 10 8 s 2 + 6.1849 × 10 3 s + 1.78767 × 10 4 ,
and the transfer function of rotary table be
G 1 ( s ) = 0.4987 s ( 0.0282 s + 1 ) ( 0.00167 s + 1 ) ,
which can be converted into state-space forms without difficulties. In addition, the two axes of the 2D slide table have the following state-space equations
x ˙ ( t ) = 0 0 0 0 x ( t ) + 1 0 0 1 u ( t ) , y ( t ) = 0.3 0 0 0.3 x ( t ) ,
where x ( t ) = x 1 ( t ) x 2 ( t ) , y ( t ) = y 1 ( t ) y 2 ( t ) , u ( t ) = u 1 ( t ) u 2 ( t ) , and subscripts 1 and 2 represent the x-axis and y-axis of the slide stage.
To demonstrate the capability of our platform to verify the effectiveness of path planning and tracking control algorithms, this section presents the experimental results of Algorithm 1 on the platform. It is widely acknowledged that any complex curve is composed of simple curves, each being either a line segment, a circular arc of maximum curvature, or a clothoid arc. These are referred to as SCC-paths (for Simple Continuous Curvature paths) [42].
Firstly, the test pattern for the rotary table operating in conjunction with the galvanometer is the Archimedean spiral, i.e.,
r 1 0 ( t ) = 2 π t c o s ( 2 π t ) 2 π t s i n ( 2 π t ) .
It can be considered as a series of circles with a gradually increasing radius, and thus it can be regarded as the composition of uniform circular motion and uniform linear motion along the positive x-axis. In this experiment, it can be viewed as the combination of the rotary table’s rotation and the galvanometer’s marking process.
Also, the test pattern for the slide table operating in conjunction with the galvanometer is a heart curve, i.e.,
r 2 0 ( t ) = 16 s i n ( π t ) 3 13 c o s ( π t ) 5 c o s ( 2 π t ) 2 c o s ( 3 π t ) c o s ( 4 π t ) .
Note that the three systems work together to perform the above path following tasks.
Once the test specifications are made, Algorithm 1 is verified on this test platform. The relative paths between the galvanometer system and the rotary table system for the 1st, 2nd, 3rd, and final trials are shown in Figure 16. From this figure, the actual trajectory obtained through the collaboration between two systems is in high agreement with the reference trajectory, with only a small error visible at the start and end of the path.
Meanwhile, the relative paths between the galvanometer system and the slide table system for the 1st, 2nd, 3rd, and final trials are shown in Figure 17. It can be observed from the figure that there is virtually no error between the actual trajectory and the reference trajectory. This reflects the excellent performance of Algorithm 1 on the experimental platform.
In addition, the paths of the galvanometer system, rotary table system, and slide table system for the 1st, 2nd, 3rd and final trials are shown in Figure 18, Figure 19, and Figure 20, respectively.
Certainly, in addition to the Archimedean spiral and the heart curve, this paper also presents more complex patterns to validate the effectiveness of the experimental platform under different conditions. More intricate flower-like patterns are shown in Figure 21, where it can be observed that the platform still performs well even with these complex trajectories.
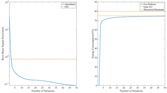
In terms of precision and energy consumption, this experimental platform shows nice performance in both aspects, as shown in Figure 22. For precision, this paper uses mean squared error as the measure, and the error of this experimental platform decreases with the increase in the number of iterations, approaching 0 after 50 iterations, indicating high precision. For energy consumption, this paper uses the following formula to measure the level of energy consumption:
f ( u ) = 0 T 2 i = 0 u i T u i d t .
where u represents the operating voltage of the experimental platform, and T represents the working time of the experimental platform. Compared with the static ILC, the energy consumption of this experimental platform has been significantly reduced after employing Algorithm 1, which validates the superiority of Algorithm 1 on this experimental platform.
To demonstrate the superior performance of our experimental platform, this paper compares it with other academic platforms in terms of trajectory error, trajectory complexity, and platform complexity. RMSE (Root Mean Square Error) is consistently used to measure trajectory error. A comparison of the three experimental platforms is shown in Table 2.
By comparing this experimental platform with the other two, it can be seen that the trajectory error of this platform is not significantly different from the other two. However, this experimental platform can complete more complex trajectories and has a more complex composition, making it widely applicable to various scenarios.

6. Conclusions and Future Work

This paper presents the successful development of an advanced precision machining experimental platform, which incorporates a wide range of high-precision devices. The core components of the experimental platform are as follows:
  • Gantry-type Rectangular Coordinate Robot: Serves as the foundation of the platform, providing a stable operating environment and ensuring precise motion control.
  • Industrial Camera: Equipped with a telecentric lens, significantly improves image clarity, facilitating real-time monitoring and control of the machining process.
  • Galvanometer with Laser Device: Enhances machining accuracy by enabling precise beam control.
  • 2D Rotary Table and Precision Slide Stage: Allow for accurate multi-dimensional positioning, critical for high-precision machining tasks.
In terms of system operation, a LabVIEW-based control program has been developed to manage the coordination and functionality of each component. The program not only provides precise control over the motion and functions of the platform but also features a user-friendly interface that simplifies the experimental process. This interface allows operators to easily input parameters, monitor real-time data, and adjust the system as needed, thus improving both the efficiency and accuracy of the experiments.
To verify the platform’s effectiveness, a series of tests have been conducted, including the successful printing of an Archimedean spiral. This specific test was chosen because it requires high precision in both the rotational and linear movements of the platform’s components, making it an ideal benchmark for evaluating the system’s capabilities. The results demonstrated that the platform can accurately follow the reference trajectories with minimal errors, confirming its suitability for precision machining applications.
However, the experimental platform still has limitations. Due to the requirements of precision machining, the current platform may be sensitive to environmental conditions such as vibration [45] and temperature [46], which could affect its accuracy and stability. Under certain extreme conditions, the platform’s performance may degrade.
In response to the aforementioned limitations, the future development of the experimental platform could focus on enhancing the system’s ability to adapt to environmental changes. For example, by implementing more precise temperature control, vibration isolation technologies, or intelligent feedback mechanisms, the system’s stability and accuracy can be improved under varying environmental conditions. Specifically, this experimental platform will integrate advanced temperature control systems, such as Peltier elements or precision thermal sensors, to maintain stable working conditions and minimize the impact of temperature variations on machining accuracy. Additionally, active or passive vibration damping systems, such as vibration isolators [47] or feedback-controlled suspension systems [48], will be implemented to reduce the influence of external vibrations on the platform, thereby ensuring high precision during the machining process.
Overall, the construction and validation of this experimental platform not only highlight the potential of high-precision machining technology but also provide valuable insights into the practical application of control algorithms. The platform offers a robust foundation for further research and development in fields requiring extreme precision, and it serves as a versatile tool for exploring advanced machining techniques in a controlled experimental environment.

Author Contributions

Conceptualization, J.S., G.W. and Y.C.; methodology, X.L. and Y.W.; software, L.C. and F.Z.; validation, Y.C. and L.C.; formal analysis, J.S., Y.W. and Y.C.; investigation, Y.S.; resources, J.S., G.W. and Y.C.; data curation, Y.W.; writing—original draft preparation, J.S.; writing—review and editing, Y.C. and L.C.; visualization, Y.S.; supervision, Y.W.; project administration, Y.C.; funding acquisition, Y.C. All authors have read and agreed to the published version of the manuscript.

Funding

This research was funded by the National Natural Science Foundation of China grant number 62103293, Natural Science Foundation of Jiangsu Province grant number BK20210709, Suzhou Municipal Science and Technology Bureau grant number SYG202138, Entrepreneurship and Innovation Plan of Jiangsu Province grant number JSSCBS20210641, General Project of Humanities and Social Sciences Research by the Ministry of Education: 22YJC760078 and Jiangsu Provincial Social Science Fund Project: 23YSC015.

Data Availability Statement

The data presented in this study are available on request from the corresponding author. The data are not publicly available due to privacy.

Conflicts of Interest

The authors declare no conflicts of interest.

Abbreviations

The following abbreviations are used in this manuscript:
AlONAlumina-nitride
RPMRevolutions Per Minute
DCDirect Current
DLLDynamic Link Library
MRACModel Reference Adaptive Control
ILCIterative Learning Control
NOILCNorm-Optimal Iterative Learning Control
RMSERoot Mean Square Error

References

  1. Zhao, Z.; Wang, J.; Tao, Q.; Li, A.; Chen, Y. An Unknown Wafer Surface Defect Detection Approach based on Incremental Learning for Reliability Analysis. Reliab. Eng. Syst. Saf. 2024, 244, 109966. [Google Scholar] [CrossRef]
  2. Wang, G.; Li, Z.; Weng, G.; Chen, Y. An Optimized Denoised Bias Correction Model with Local Pre-Fitting Function for Weak Boundary Image Segmentation. Signal Process. 2024, 220, 109448. [Google Scholar] [CrossRef]
  3. Mikolajczyk, T. Indication of Machining Area with the Robot’s Camera Using. Appl. Mech. Mater. 2013, 282, 146–151. [Google Scholar] [CrossRef]
  4. Yuan, J.; Lyu, B.; Hang, W.; Deng, Q. Review on the Progress of Ultra-Precision Machining Technologies. Front. Mech. Eng. 2017, 12, 158–180. [Google Scholar] [CrossRef]
  5. Lucca, D.A.; Klopfstein, M.J.; Riemer, O. Ultra-Precision Machining: Cutting with Diamond Tools. J. Manuf. Sci. Eng. 2020, 142, 110817. [Google Scholar] [CrossRef]
  6. Huang, Z.; Dai, Y.; Li, Z.; Zhang, G.; Chang, C.; Ma, J. Investigation on Surface Morphology and Crystalline Phase Deformation of Al80Li5Mg5Zn5Cu5 High-entropy Alloy by Ultra-precision Cutting. Mater. Des. 2020, 186, 108367. [Google Scholar] [CrossRef]
  7. Zhang, C.; Guo, B.; Zhao, Q.; Liu, H.; Wang, J.; Zhang, J. Ultra-precision Grinding of AlON Ceramics: Surface Finish and Mechanisms. J. Eur. Ceram. Soc. 2019, 39, 3668–3676. [Google Scholar] [CrossRef]
  8. Li, C.; Li, X.; Huang, S.; Li, L.; Zhang, F. Ultra-precision Grinding of Gd3Ga5O12 Crystals with Graphene Oxide Coolant: Material Deformation Mechanism and Performance Evaluation. J. Manuf. Process. 2021, 61, 417–427. [Google Scholar] [CrossRef]
  9. Zheng, Z.; Huang, K.; Lin, C.; Zhang, J.; Wang, K.; Sun, P.; Xu, J. An Analytical Force and Energy Model for Ductile-Brittle Transition in Ultra-Precision Grinding of Brittle Materials. Int. J. Mech. Sci. 2022, 220, 107107. [Google Scholar] [CrossRef]
  10. Wang, S.; Zhao, Q.; Yang, X. Surface and Subsurface Microscopic Characteristics in Sapphire Ultra-Precision Grinding. J. Manuf. Process. 2024, 129, 215–237. [Google Scholar] [CrossRef]
  11. Tao, H.; Liu, Y.; Zhao, D.; Lu, X. The Material Removal and Surface Generation Mechanism in Ultra-precision Grinding of Silicon Wafers. Int. J. Mech. Sci. 2022, 222, 107240. [Google Scholar] [CrossRef]
  12. Meng, X.; Wu, W.; Liao, B.; Dai, H. Atomic Simulation of Textured Silicon Carbide Surface Ultra-precision Polishing. Ceram. Int. 2022, 48, 17034–17045. [Google Scholar] [CrossRef]
  13. Ming, W.; Jia, H.; Zhang, H.; Zhang, Z.; Liu, K.; Du, J.; Shen, F.; Zhang, G. A Comprehensive Review of Electric Discharge Machining of Advanced Ceramics. Ceram. Int. 2020, 46, 21813–21838. [Google Scholar] [CrossRef]
  14. Xu, Z.; Wang, Y. Electrochemical Machining Of Complex Components Of Aero-Engines: Developments, Trends, And Technological Advances. Chin. J. Aeronaut. 2021, 34, 28–53. [Google Scholar] [CrossRef]
  15. Xu, S.J.; Duan, Y.Z.; Yu, Y.H.; Tian, Z.N.; Chen, Q.D. Machine Vision-Based High-Precision and Robust Focus Detection for Femtosecond Laser Machining. Opt. Express 2021, 29, 30952–30960. [Google Scholar] [CrossRef]
  16. Zhang, Z.; Wang, W.; Jiang, R.; Zhang, X.; Xiong, Y.; Mao, Z. Investigation on Geometric Precision and Surface Quality of Microholes Machined by Ultrafast Laser. Opt. Laser Technol. 2020, 121, 105834. [Google Scholar] [CrossRef]
  17. Wei, D.; Wang, X.; Wang, R.; Cui, H. Surface Modification of 5CrMnMo Steel with Continuous Scanning Electron Beam Process. Vacuum 2018, 149, 118–123. [Google Scholar] [CrossRef]
  18. Li, K.; Fu, P.; Tang, D.; Wu, B.; Liu, X. Electron Beam Processed Surface Textures on Titanium Alloys for Fluid-Drag Reduction. Int. J. Adv. Manuf. Technol. 2017, 96, 1553–1562. [Google Scholar] [CrossRef]
  19. Nelyub, V.; Tarasov, V. Ion-beam Processing of Metallized Carbon Fiber-reinforced Plastics. Mater. Manuf. Process. 2020, 35, 172–178. [Google Scholar] [CrossRef]
  20. Liang, Z.; Liu, Y.; Hu, N. Machining Approaches with Smart Algorithms for Ultrasonic Precision machining. J. Ceram. Process. Res. 2023, 24, 802–806. [Google Scholar]
  21. Liu, H.T. Waterjet Technology for Machining Fine Features Pertaining to Micromachining. J. Manuf. Process. 2010, 12, 8–18. [Google Scholar] [CrossRef]
  22. Pouget-Abadie, J.; Saint-Jacques, G.; Saveski, M.; Duan, W.; Ghosh, S.; Xu, Y.; Airoldi, E.M. Testing for Arbitrary Interference on Experimentation Platforms. Biometrika 2019, 106, 929–940. [Google Scholar] [CrossRef]
  23. Agagna, B.; Smaili, A.; Falcoz, Q.; Behar, O. Experimental and Numerical Study of Parabolic Trough Solar Collector of MicroSol-R Tests Platform. Exp. Therm. Fluid Sci. 2018, 98, 251–266. [Google Scholar] [CrossRef]
  24. Pendurthi, A.; Movafaghi, S.; Wang, W.; Shadman, S.; Yalin, A.P.; Kota, A.K. Fabrication of Nanostructured Omniphobic and Superomniphobic Surfaces with Inexpensive CO2 Laser Engraver. Acs Appl. Mater. Interfaces 2017, 9, 25656–25661. [Google Scholar] [CrossRef] [PubMed]
  25. Hafkamp, T.; van Baars, G.; de Jager, B.; Etman, P. A Feasibility Study on Process Monitoring and Control in Vat Photopolymerization of Ceramics. Mechatronics 2018, 56, 220.0–241.0. [Google Scholar] [CrossRef]
  26. Saab, S.S.; Shen, D.; Orabi, M.; Kors, D.; Jaafar, R.H. Iterative Learning Control: Practical Implementation and Automation. IEEE Trans. Ind. Electron. 2022, 69, 1858–1866. [Google Scholar] [CrossRef]
  27. Meng, T.; He, W. Iterative Learning Control of a Robotic Arm Experiment Platform with Input Constraint. IEEE Trans. Ind. Electron. 2018, 65, 664–672. [Google Scholar] [CrossRef]
  28. Chen, Y.; Freeman, C.T. Iterative Learning Control for Piecewise Arc Path Tracking with Validation on a Gantry Robot Manufacturing Platform. ISA Trans. 2023, 139, 650–659. [Google Scholar] [CrossRef]
  29. Dai, W.; Zhang, W.; Zheng, Z.; Li, J. Investigation of Micron-Sized Fish-Scale Surface Structures on Tool Steel Surfaces Using Laser Galvanometer Scanning. Appl. Surf. Sci. 2019, 470, 1111–1121. [Google Scholar] [CrossRef]
  30. Li, X.; Liu, B.; Mei, X.; Wang, W.; Wang, X.; Li, X. Development of an In-Situ Laser Machining System Using a Three-Dimensional Galvanometer Scanner. Engineering 2020, 6, 68–76. [Google Scholar] [CrossRef]
  31. Yang, J.; Aslan, D.; Altintas, Y. Identification of Workpiece Location on Rotary Tables to Minimize Tracking Errors in Five-axes Machining. Int. J. Mach. Tools Manuf. 2018, 125, 89–98. [Google Scholar] [CrossRef]
  32. Li, J.; Du, J.; Sun, Y.; Lewis, F.L. Robust Adaptive Trajectory Tracking Control of Underactuated Autonomous Underwater Vehicles with Prescribed Performance. Int. J. Robust Nonlinear Control 2019, 29, 4629–4643. [Google Scholar] [CrossRef]
  33. Wang, L.; Huangfu, Z.; Li, R.; Wen, X.; Sun, Y.; Chen, Y. Iterative Learning Control with Parameter Estimation for Non-Repetitive Time-Varying Systems. J. Frankl. Inst. 2024, 361, 1455–1466. [Google Scholar] [CrossRef]
  34. Pare, S.; Kumar, A.; Bajaj, V.; Singh, G.K. A Multilevel Color Image Segmentation Technique Based on Cuckoo Search Algorithm and Energy Curve. Appl. Soft Comput. 2016, 47, 76–102. [Google Scholar] [CrossRef]
  35. Yang, C.; Weng, G.; Chen, Y. Active Contour Model Based on Local Kullback-Leibler Divergence for Fast Image Segmentation. Eng. Appl. Artif. Intell. 2023, 123, 106472. [Google Scholar] [CrossRef]
  36. Purswani, P.; Karpyn, Z.T.; Enab, K.; Xue, Y.; Huang, X. Evaluation Of Image Segmentation Techniques For Image-Based Rock Property Estimation. J. Pet. Sci. Eng. 2020, 195, 107890. [Google Scholar] [CrossRef]
  37. Bagci, U.; Xu, Z.; Mollura, D.J. Recent Advances in PET, PET-CT, and MRI-PET Image Segmentation Techniques. J. Nucl. Med. 2014, 55, 1280. [Google Scholar]
  38. Ma, P.; He, X.; Chen, Y.; Liu, Y. ISOD: Improved Small Object Detection Based on Extended Scale Feature Pyramid Network. Vis. Comput. 2024. [Google Scholar] [CrossRef]
  39. Cho, N.; Shin, H.S.; Kim, Y.; Tsourdos, A. Composite Model Reference Adaptive Control with Parameter Convergence under Finite Excitation. IEEE Trans. Autom. Control 2018, 63, 811–818. [Google Scholar] [CrossRef]
  40. Chen, Y.; Chu, B.; Freeman, C.T. A Coordinate Descent Approach to Optimal Tracking Time Allocation in Point-to-point ILC. Mechatronics 2019, 59, 25–34. [Google Scholar] [CrossRef]
  41. Wang, Y.; Wang, G.; Tao, H.; Chen, Y. Dynamic Iterative Learning Control for Relative Trajectory Tracking with Nonrepetitive Leader Path. In Proceedings of the 2024 IEEE 13th Data Driven Control and Learning Systems Conference (DDCLS), Kaifeng, China, 17–19 May 2024; IEEE: Piscataway, NY, USA, 2024; pp. 1155–1160. [Google Scholar]
  42. Scheuer, A.; Fraichard, T. Continuous-curvature Path Planning for Car-like Vehicles. In Proceedings of the 1997 IEEE/RSJ International Conference on Intelligent Robot and Systems. Innovative Robotics for Real-World Applications (IROS’97), Grenoble, France, 11 September 1997; IEEE: Piscataway, NY, USA, 1997; Volume 2, pp. 997–1003. [Google Scholar]
  43. Chen, Y.; Chu, B.; Freeman, C.T. Iterative Learning Control for Path-Following Tasks with Performance Optimization. IEEE Trans. Control Syst. Technol. 2022, 30, 234–246. [Google Scholar] [CrossRef]
  44. Shih, L.W.; Chen, C.W. Model-free Repetitive Control Design and Implementation for Dynamical Galvanometer-Based Raster Scanning. Control Eng. Pract. 2022, 122, 105124. [Google Scholar] [CrossRef]
  45. Wang, L.; Li, J.; Yang, Y.; Wang, J.; Yuan, J. Active Control of Low-frequency Vibrations in Ultra-precision Machining with Blended Infinite and Zero Stiffness. Int. J. Mach. Tools Manuf. 2019, 139, 64–74. [Google Scholar] [CrossRef]
  46. Liu, M.; Li, C.; Zhang, Y.; Yang, M.; Gao, T.; Cui, X.; Wang, X.; Li, H.; Said, Z.; Li, R.; et al. Analysis of Grain Tribology and Improved Grinding Temperature Model Based on Discrete Heat Source. Tribol. Int. 2023, 180, 108196. [Google Scholar] [CrossRef]
  47. Ye, K.; Ji, J.C.; Brown, T. A Novel Integrated Quasi-zero Stiffness Vibration Isolator for Coupled Translational and Rotational Vibrations. Mech. Syst. Signal Process. 2021, 149, 107340. [Google Scholar] [CrossRef]
  48. Badri, P.; Amini, A.; Sojoodi, M. Robust Fixed-Order Dynamic Output Feedback Controller Design for Nonlinear Uncertain Suspension System. Mech. Syst. Signal Process. 2018, 12, 1236–1243. [Google Scholar] [CrossRef]
Figure 1. An overview of precision machining experimental platform.
Figure 1. An overview of precision machining experimental platform.
Processes 12 02542 g001
Figure 2. Comparison of the optical path principle between: (a) normal lens and (b) telecentric lens.
Figure 2. Comparison of the optical path principle between: (a) normal lens and (b) telecentric lens.
Processes 12 02542 g002
Figure 3. A schematic diagram of laser galvanometer projection.
Figure 3. A schematic diagram of laser galvanometer projection.
Processes 12 02542 g003
Figure 4. LabVIEW-based front panel of the camera-positioning program.
Figure 4. LabVIEW-based front panel of the camera-positioning program.
Processes 12 02542 g004
Figure 5. LabVIEW back panel of the camera-positioning program.
Figure 5. LabVIEW back panel of the camera-positioning program.
Processes 12 02542 g005
Figure 6. LabVIEW calls MATLAB scripts to control the gantry robot.
Figure 6. LabVIEW calls MATLAB scripts to control the gantry robot.
Processes 12 02542 g006
Figure 7. Gantry-type rectangular coordinate robot LabVIEW operation panel.
Figure 7. Gantry-type rectangular coordinate robot LabVIEW operation panel.
Processes 12 02542 g007
Figure 8. Flowchart of LabVIEW calling DLL library to control laser galvanometer.
Figure 8. Flowchart of LabVIEW calling DLL library to control laser galvanometer.
Processes 12 02542 g008
Figure 9. The LabVIEW front panel for the laser galvanometer.
Figure 9. The LabVIEW front panel for the laser galvanometer.
Processes 12 02542 g009
Figure 10. LabVIEW control commands for the 2D rotary table.
Figure 10. LabVIEW control commands for the 2D rotary table.
Processes 12 02542 g010
Figure 11. LabVIEW front panel for 2D slide motion control.
Figure 11. LabVIEW front panel for 2D slide motion control.
Processes 12 02542 g011
Figure 12. LabVIEW integrated control front panel.
Figure 12. LabVIEW integrated control front panel.
Processes 12 02542 g012
Figure 13. Visualization of positioning information.
Figure 13. Visualization of positioning information.
Processes 12 02542 g013
Figure 14. Segmentation results based on industrial production images.
Figure 14. Segmentation results based on industrial production images.
Processes 12 02542 g014
Figure 15. Segmentation results based on industrial production images using the telecentric lens.
Figure 15. Segmentation results based on industrial production images using the telecentric lens.
Processes 12 02542 g015
Figure 16. Relative paths between the galvanometer and rotary table.
Figure 16. Relative paths between the galvanometer and rotary table.
Processes 12 02542 g016
Figure 17. Relative paths between the galvanometer and slide table.
Figure 17. Relative paths between the galvanometer and slide table.
Processes 12 02542 g017
Figure 18. The paths of galvanometer system for the 10th, 20th, 30th, and final trials.
Figure 18. The paths of galvanometer system for the 10th, 20th, 30th, and final trials.
Processes 12 02542 g018
Figure 19. The paths of rotary table system for the 1st, 2nd, 3rd, and final trials.
Figure 19. The paths of rotary table system for the 1st, 2nd, 3rd, and final trials.
Processes 12 02542 g019
Figure 20. The paths of slide table system for the 1st, 2nd, 3rd, and final trials.
Figure 20. The paths of slide table system for the 1st, 2nd, 3rd, and final trials.
Processes 12 02542 g020
Figure 21. Some more complex flower-like patterns.
Figure 21. Some more complex flower-like patterns.
Processes 12 02542 g021
Figure 22. Performance of the experimental test platform.
Figure 22. Performance of the experimental test platform.
Processes 12 02542 g022
Table 1. Gantry-type rectangular coordinate robot parameters.
Table 1. Gantry-type rectangular coordinate robot parameters.
ContentParameter
1Maximum Speed of X-Axis130 RPM
2Maximum Increment Per Speed Change for X-Axis60 RPM
3Maximum Speed of Y-Axis800 RPM
4Maximum Increment Per Speed Change for Y-Axis700 RPM
5Maximum Speed of Z-Axis900 RPM
6Maximum Increment Per Speed Change for Z-Axis900 RPM
7Delay between each speed changeWithin 0.04 s
8PLC Response TimeApproximately 9 ms
Table 2. Performance comparison of three experimental platforms.
Table 2. Performance comparison of three experimental platforms.
Platform in This PaperPlatform in [43]Platform in [44]
Trajectory Error (Order of Magnitude) 10 1 10 1 10 2
Trajectory ComplexityComplexEasyEasy
Platform ComplexityComplexMediumEasy
Disclaimer/Publisher’s Note: The statements, opinions and data contained in all publications are solely those of the individual author(s) and contributor(s) and not of MDPI and/or the editor(s). MDPI and/or the editor(s) disclaim responsibility for any injury to people or property resulting from any ideas, methods, instructions or products referred to in the content.

Share and Cite

MDPI and ACS Style

Song, J.; Cao, L.; Wang, Y.; Zhang, F.; Shi, Y.; Wang, G.; Li, X.; Chen, Y. A LabVIEW-Based Generalized Experimental Test Platform for Precision Machining Control Algorithms. Processes 2024, 12, 2542. https://doi.org/10.3390/pr12112542

AMA Style

Song J, Cao L, Wang Y, Zhang F, Shi Y, Wang G, Li X, Chen Y. A LabVIEW-Based Generalized Experimental Test Platform for Precision Machining Control Algorithms. Processes. 2024; 12(11):2542. https://doi.org/10.3390/pr12112542

Chicago/Turabian Style

Song, Jian, Liangyu Cao, Yiming Wang, Fuzheng Zhang, Yixin Shi, Guina Wang, Xinlin Li, and Yiyang Chen. 2024. "A LabVIEW-Based Generalized Experimental Test Platform for Precision Machining Control Algorithms" Processes 12, no. 11: 2542. https://doi.org/10.3390/pr12112542

APA Style

Song, J., Cao, L., Wang, Y., Zhang, F., Shi, Y., Wang, G., Li, X., & Chen, Y. (2024). A LabVIEW-Based Generalized Experimental Test Platform for Precision Machining Control Algorithms. Processes, 12(11), 2542. https://doi.org/10.3390/pr12112542

Note that from the first issue of 2016, this journal uses article numbers instead of page numbers. See further details here.

Article Metrics

Back to TopTop