1. Introduction
As a safe, high-capacity, efficient means of transport, high-speed trains have become increasingly essential for people to travel, work and engage in other activities [
1]. To improve automation levels and increase the speed and safety requirements of train operations, various advanced control strategies have been appearing continuously in the last few years [
2,
3,
4,
5,
6,
7]. Meanwhile, the traction-drive system of a high-speed train is a type of complex system formed by sensors, actuators, electrical components, and so on [
8]. Since the implementation of long-term continuous control tasks in long-time operations, actuators have been the most prone to failure, which can generate problematic traction/breaking forces and result in performance loss [
9]. Therefore, it is critical to enhance their reliability and safety during operation.
In the past few years, some research has been conducted on actuator fault compensation control strategies for high-speed trains. In [
10], a novel composite adaptive anti-disturbance failure compensation control strategy was proposed for high-speed trains. In [
11], a kind of adaptive failure-compensation sliding-mode control scheme was designed for high-speed trains to deal with actuator uncertainties with unknown bounds and non-parameterized actuator faults. In [
12], a distributed failure compensation control strategy was proposed for the cooperative operation of high-speed trains subject to unmodeled dynamics, time-varying external disturbances, input saturation and actuator partial failures. In [
13], a pseudo-PID sliding-mode control scheme was proposed to ensure that all signals would converge exponentially in cases of actuator faults, asymmetric nonlinear actuator saturation and integral quadratic constraints. The above methods can solve the issue of fault compensation for high-speed trains effectively. However, these methods are partially based on the traditional adaptive control method, and its transient response may not be satisfactory. Therefore, a new adaptive compensation control scheme is urgently needed to enable high-speed trains to obtain better transient performance while dealing with unknown actuator faults.
Recently, designs based on multiple-model methods have been commonly used in adaptive systems to improve their transient response. As a type of multiple-model adaptive control method, the multiple-model scheme with second-level adaptation has the advantages of faster adaptation to uncertain parameters and strong robustness [
14,
15,
16]. Meanwhile, numerous satisfactory research results have been achieved by using the multiple-model second-level adaptive control method in the past few years. In [
17], a second-level adaptive controller was designed for a class of nonlinear discrete-time systems subject to the input of asymmetric saturation for achievement of the desired system performance. In [
18], a multiple-model second-level adaptive controller was designed for multi-variable periodic systems to improve the convergence rate of the parameters and the transient performance of the system. In [
19], a nonlinear model predictive control method was designed for a two-degree freedom helicopter with parameter uncertainties and input–output constraints. Such a method uses multiple-model second-level adaption to effectively deal with the parameter uncertainties of the system. In [
20], a multiple-model second-level adaptive scheme was proposed for high-speed train cascaded vehicles to achieve smaller position- and speed-tracking errors. Such a scheme has faster adaptability when dealing with uncertain system parameters. In [
21], a continuous controller was proposed, which utilizes a convex combination of parameter estimates from identification models to prevent potential chattering caused by controller switching. In [
22], the multiple-model adaptive control with second-level adaptation scheme was extended to nonlinear systems in a strict feedback form, and a fixed identification model set was considered to achieve faster convergence speed and a better transient performance. In [
23], a failure-estimation approach with second-level adaptation was employed to offer dependable alarm priority for various failure scenarios. Therefore, based on the above analysis, the capacity of multiple models with second-level adaptation designs to improve system transient performance is suitable for high-speed trains so as to achieve faster fault compensation.
Furthermore, multiple-model designs can incorporate various compensation control signals for each fault case. Then, the switching control mechanism can be used to identify the most appropriate control signal. This control scheme can deal with the uncertainties from unknown actuator failures in addition to the improvement of system transient performance. Accordingly, it makes sense to design a multiple-model second-level adaptive failure compensation approach to achieve asymptotical speed and displacement tracking for high-speed trains with uncertain operational conditions and unknown actuator faults.
This paper focuses on the control problem of high-speed trains in the presence of uncertainties from unknown operational conditions and unknown actuator failures during its operating period. The main contributions of this paper include the following:
The theoretical framework of multiple-model second-level adaptive control is expanded, which broadens the application scenarios of the multiple-model second-level adaptive control method.
Based on the multiple-model second-level adaptive control method, a failure compensation tracking control scheme for high-speed trains is developed. Such a scheme effectively guarantees the safe and reliable operation of the train in the presence of actuator failures and parameter uncertainties.
The other sections of the paper are arranged as follows. In
Section 2, a longitudinal dynamic model for high-speed trains with unknown actuator failures is derived, and the control problem of this paper is formulated. In
Section 3, the high-speed train model derived in
Section 2 is parameterized for convenience of analyzing its identification models, and its nominal controller bank is constructed. In
Section 4, the multiple-model second-level adaptive failure compensation scheme is presented by designing the controller set and designing a switching mechanism to select the optimal controller from the controller set. The stability analysis is also conducted in
Section 4.
Section 5 presents several simulation results under different operating conditions to validate the effectiveness of the proposed adaptive failure compensation scheme.
Section 6 mainly discusses the advantages, disadvantages and limitations of this control scheme compared with other control methods, and it also outlines the potential further developments. Finally, this paper is concluded in
Section 7.
2. Problem Formulation
The control aim of this research is to design a new multiple-model second-level adaptive failure compensation control scheme for high-speed trains to achieve potentially fast and accurate failure compensation. In this section, we first present the basic dynamic model of a failure-free high-speed train; then, we derive its dynamic model considering unknown actuator faults and finally analyze the control issue of this paper.
2.1. Basic High-Speed Train Longitudinal Dynamics
Before obtaining a high-speed train longitudinal dynamic model with unknown actuator failures, it is necessary to analyze the basic high-speed train longitudinal dynamics. With considerations of traction/braking force, general resistance and additional resistance, the basic high-speed train longitudinal dynamics can be described as the following model by Newton’s law [
24].
where
and
are the displacement and the speed of the train, respectively;
M denotes the mass of the train;
represents the traction/braking force generated by the actuator of the train;
models the general resistance;
and
are both additional resistance:
is the gradient resistance and
denotes the curve resistance. To establish a explicit dynamical equations of the high-speed train, we need to further discuss the
,
and
.
General resistance: Referring to the analysis in [
25], the general resistance of the train can be simulated as follows
where
,
, and
are the coefficients of the general resistance of the train:
represents the rolling resistance component,
represents the linear resistance coefficient, and
represents the nonlinear resistance coefficient, which are related to the type of the high-speed train and its operating conditions such as mass, number and distribution of its power cars, its cross-sectional area and so on [
25,
26,
27].
Remark 1. The resistance model (2) consists of rolling resistance , linear resistance and nonlinear resistance . The rolling resistance models the resistances of journey, rolling and track. The linear resistance models the frictions and impacts of flanges, rolling resistances of wheels and wave actions of the rails. The nonlinear resistant simulates the rear drag, kin friction on the train’s side, head-end wind pressure and turbulence between two trains. With the uplifting of speed, the nonlinear resistant will take on an increasingly dominant role regarding the general resistance. Due to the uncertainties of the operating environment, parameters , and are often unknown. Therefore, an adaptive control method is especially suitable for the control of high-speed trains due to its capacity in handling uncertainties from systems. Grade resistance: The grade resistance of high-speed trains is caused by the component force of the train’s gravity along the inclined direction of the rail when the train is running on a certain slope of rail. Referring to [
27],
can be approximately modeled as
Note that represents the slope angle, which can be divided into three cases, , and , meaning that the train is operating on a downhill, up-slope or horizontal track, respectively.
Curvature force: Refer to [
27], when the train is running on a curve, due to the centrifugal motion and the relative sliding between the wheel and the rail surface, the train will be affected by the curvature resistance. The curvature resistance is related to many factors such as the quality of the train, the curvature of the track and the humidity of the rail surface. In practical applications, it is usually calculated according to its empirical formula. The curvature force
can be denoted as
where
D is the curvature of the track and
M is the mass of the train.
Basic high-speed train longitudinal dynamical model: With
,
,
,
,
and
and from Equations (
1)–(
4), the explicit dynamical equations of the high-speed trains follow:
We replace
with
as the system input signal (traction/braking force) for consistency of the notation in control theory; that is,
. Since the traction/braking force
of the train is generated by actuators, we consider the condition where the high-speed train is equipped with four executive motors. Therefore, the control force
is the sum of the force
,
, generated by the
jth sub-actuator unit, given by
Further, the dynamical equations of the high-speed trains can be rewritten as a compact form
where
,
,
With the basic model (
7), the high-speed train longitudinal dynamics with unknown actuator faults will be disclosed below.
Remark 2. Three types of high-speed trains can be expressed by the above train model with four subactuator units: a power-centralized train with four motors, a power-distributed train with four locomotives and multiple carriages, and a power-distributed train with multiple locomotives which has four motors and carriages. The last type is the way of the future development of high-speed trains.
2.2. High-Speed Train Longitudinal Dynamics with Unknown Actuator Failures
Actuator Failure Models: When the
jth subactuator unit of high-speed trains fails, the designed control signal for the
jth subactuator unit cannot affect its traction/braking force completely, and its traction/braking force will be
. According to [
28], the traction/braking force generated by the
jth subactuator with unknown failures can be modeled as
where
is a unknown constant;
is the weighted sum of a sequence of time-dependent functions,
represents unknown constants,
represents some known bounded basis functions,
and
is the number of the basis functions;
denotes the occurring time of the failure; and
j is the subactuator index with unknown failures,
.
Remark 3. The following practical failure of the high-speed train actuators can be covered by the failure model (9). Constant failures. simulates constant failures of the actuators. For instance, a constant failure is caused by the slipping mechanical drives, which leads to a constant torque. In particular, when the motor is overheating, in order to protect the motor, the system will control the motor to stop rotation. So, can be used to represent the fault caused by the motor stopping rotation.
Time-varying failures. covers the time-varying failures of the train. For instance, failures of the IGBT (Insulated Gate Bipolar Transistor) can result in periodic time-varying failures with approximately known frequency.
When there is actuator failure, the actual traction/braking force
generated by the actuator with unknown failures can be expressed as
where
,
represent the failure vector,
represents the control signal based on the feedback control law,
represents different failure patterns; when the jth actuator fails, there is
. In particular, when the
jth subactuator unit is healthy, its traction/braking force
equals
, j = 1, ⋯, 4.
Since four subactuators of the train have the same physical characteristics but different contributions, the designed control signal
for the
jth subactuator unit can be described as
where
represent scale factors, and
represents the designed feedback compensation control signal.
Actuator failure pattern set: There exist fifteen possible actuator failure patterns for high-speed trains with four subactuator units, including the case that all the subactuator units work normally, the case where the ith subactuator unit fails (), the cases where the ith and jth subactuator units fail ( and ), the cases where the ith, jth and kth subactuators fail ( and ), but excluding the case that all the subactuator units fail.
In order to describe above fifteen actuator failure patterns, respectively, the actuator failure pattern set
can be expressed as
with
denoting that the
jth subactuator is faulty and
denoting that the
jth subactuator is healthy.
Remark 4. In the practical operation of high-speed trains, there exist few possibilities on occurrences of some failure patterns. Accordingly, we can select some vital failure modes to consist of the actuator failure mode set and further develop a failure compensation scheme for it. This paper consider that the set is composed of N chosen failure patterns. Therefore, the number of failure patterns is .
High-speed train longitudinal dynamical model with unknown failures: the dynamic model of the high-speed train with actuator failure (9) can be denoted as
where
Next, we consider the failure pattern (12), and we define
Finally, the high-speed train longitudinal dynamical model with a fault mode
can be described as
The model (
16) is the derived high-speed train model with uncertain actuator failures, which is also the controlled plant of this paper.
2.3. Control Problem
The control problem of the high-speed train longitudinal dynamical model (
16) with unknown actuator faults will be formulated in this subsection.
Reference model: In order to achieve speed tracking control and design a model reference adaptive control scheme in the later, it is necessary to select a stable reference model and a desired speed curve driven by experienced train drivers. The reference model can be described as
where
is the state vector of the reference model;
and
are the desired speed and displacement, respectively;
,
and
are design parameters, and they can be designed according to the prior knowledge and system characteristics of high-speed trains;
is a input signal.
Remark 5. It should be stressed that the input signal is not selected directly by designers as the traditional model reference adaptive control design but rather calculated from reference model (17) with the given and designed parameters , and . Control objective: The aim of this paper is to develop a multiple-model second-level adaptive failure compensation controller
for the high-speed train (
16) with unknown actuator faults (
9) to guarantee all signals are bounded and
asymptotically tracks a given trajectory
.
Multiple-model second-level adaptive failure compensation scheme: High-speed trains are performance-critical systems, which makes a high demand on system transient performance. Multiple-model adaptive design with multiple adaptive controllers is an effective way to solve the failure compensation problem of high-speed trains with multiple possible actuator failures. Further, one of the primary objectives of automatic train operation is to achieve fast and accurate displacement and speed tracking. However, the transient performance of a traditional adaptive controller may not meet expectations. Therefore, we use a second-level adaptive control method to achieve a faster fault compensation.
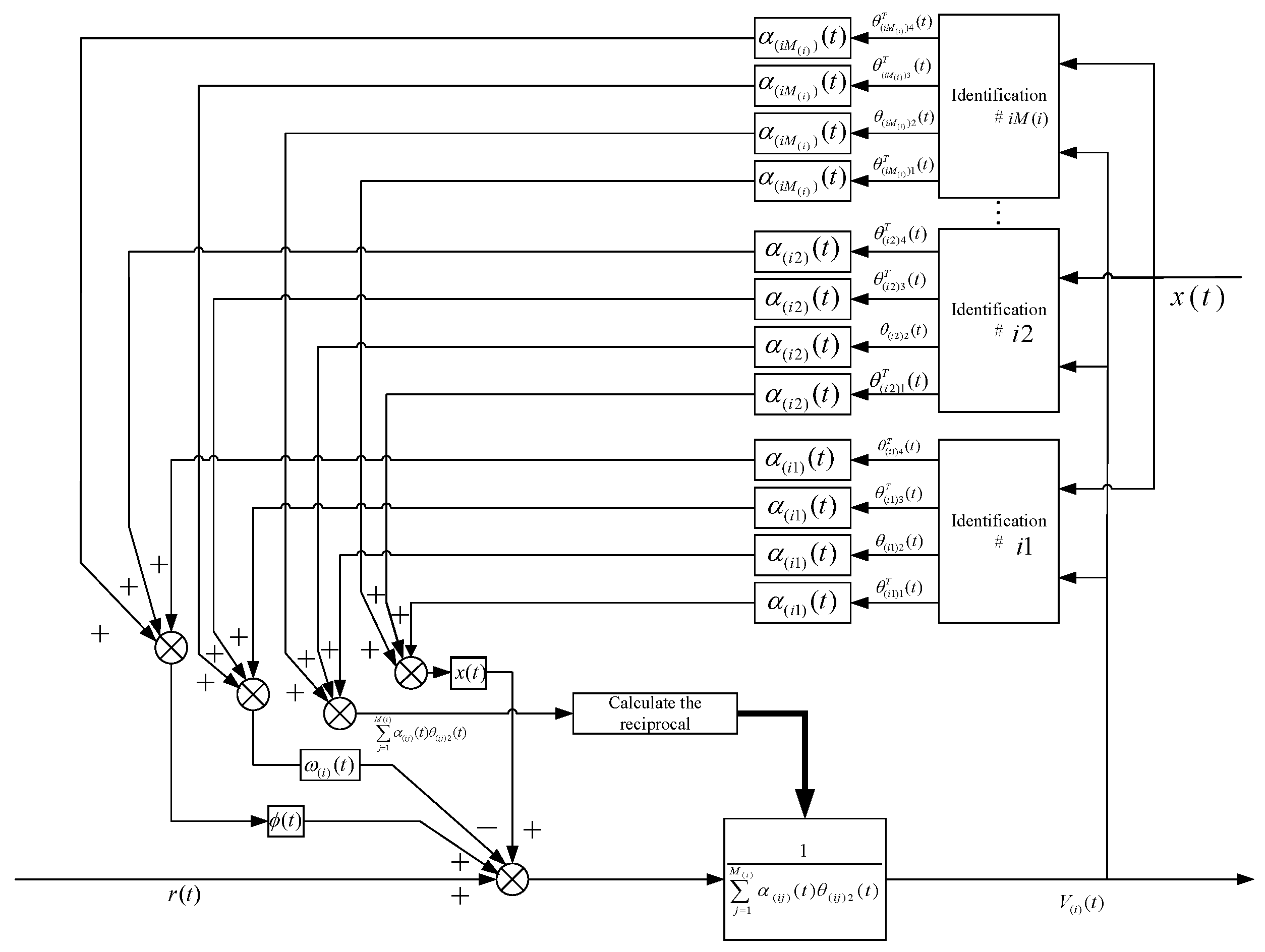
The framework of a multiple-model second-level adaptive failure compensation scheme for high-speed trains with unknown actuator failures is shown in
Figure 1, which combines a second-level adaptive failure compensation controller set and a switching mechanism. The multiple-model second-level adaptive failure compensation scheme designs the corresponding adaptive controller for each possible failure pattern and constitutes a set of candidate controllers. Then, the optimal controller is selected by designing the control signal selection mechanism. The detailed structure of a second-level adaptive failure compensation controller under a certain failure pattern is shown in
Figure 2. It can be seen from
Figure 2 that the controller is mainly composed of four parts: multiple adaptive identification models, multiple convex combination coefficients
, known basic function vectors
,
, and related input signals
,
. Its structural principle is mainly to weight and fuse the identification parameters of multiple adaptive identification models through convex combination coefficients
and then obtain the corresponding multiple-model second-level adaptive controller parameters. Then, according to the designed controller mathematical model, the weighted controller parameters are combined with the known basic function vectors or related input signals, and each part is combined through the operator. Finally, the multiple-model second-level adaptive fault compensation controller with a certain failure pattern
designed in this paper is constructed. It should be noted that the structure of every controller in the controller set is the same as the structure shown in
Figure 2. Based on
Figure 1 and
Figure 2, the overall procedures of our design include following steps.
N possible failure patterns are chosen to form the actuator failure pattern set to be compensated.
Multiple identification models are designed to handle the parametric uncertainties of the high-speed train and realize the desired speed and position tracking in the presence of actuator failures.
Identification errors of multiple identification models are used to obtain the virtual model in the second-level adaptation stage for improving the convergence rate of unknown parameters.
A second-level adaptive failure compensation controller set is designed by using the parameters of the corresponding virtual model and the convex combination of parameter estimates of identification models.
A switching mechanism associated with individual controllers is introduced to select the correct controller from the controller set.
4. Multiple-Model Second-Level Adaptive Failure Compensation Scheme
In the actual operation of the train, the system parameters and fault information are unknown, and the nominal controllers (
26) cannot be implemented for control. Therefore, this section presents the design procedure of the multiple-model second-level adaptive failure compensation control scheme for high-speed train with an uncertain actuator failure in detail.
4.1. First-Level Adaptation for the Failure Pattern
In the multiple-model adaptive method, it is well known that an arbitrary number of models can be used to identify the plant, but only one controller can control it. Consequently,
identification models
can be established to provide
estimates of the parameter vector
of the high-speed train with a certain failure pattern
. The model
(
) includes estimates
(
) of the parameter vector
, which can be updated adaptively, that is,
where
is the identification state of the
jth identification model
for high-speed train with the failure pattern
.
Remark 7. The identification models are consequently described by identical differential equations with the same initial state as the high-speed train model (16) but with different initial values of . The previous condition can be achieved, as it is assumed that the state of the high-speed train (16) (that is, the displacement and the speed of the train) is accessible. It should be noted that the unknown parameters and are irrelevant to each failure pattern , but their estimates are updated base on the identification error, which is related with the failure pattern . Therefore, and are also employed to represent the estimates of and , respectively, for different identification models with a certain failure pattern . Define
as the identification error of model
. It follows that
satisfies the error differential equations
Based on (
30), the adaptive laws for
and
can be chosen as
where
,
,
,
and
to make
,
.
are parameter projection signals ensuring that the estimates
are bounded for
(
is the actual failure pattern) and
for all
.
To conserve space,
is taken as an example to show the design procedure of parameter projection signals
. According to the prior knowledge of the high-speed train, the regions of parameter
can be described as
; that is,
. Then, let
and design parameter projection signal
as
where
.
Proposition 3. For the model (16) with a certain failure pattern , adaptive laws (31)–(34) can make estimates and . Proof of Proposition 3. We provide the following set of positive definite functions to study the characteristics of the adaptive estimators.
and derive the time-derivative of
as
where
,
,
,
and
. It leads to the boundedness of
and
and
. □
For other cases, the high-speed train with
lth failure mode
,
, the identification error differential Equation (
30) with
ith failure mode
will include an additional nonzero item
Therefore, in these cases, the time-derivatives of the designed positive definite functions
are
where the sign of the item
is unknown. Thus,
and part of the properties stated in proposition 3 may not hold, but
is still guaranteed by the parameter projection signals.
Thus far, we have defined identification models () which are used to estimate the unknown parameter vector . In the next subsection, second-level adaptation for the fault mode will be discussed in detail.
4.2. Second-Level Adaptation for the Failure Pattern
In order to design a multiple-model second-level adaptive failure compensation controller for the failure pattern , the total number of () should be decided so that the region of uncertainty of the unknown parameter vector lies in their convex hull (that is, ), where denotes the initial values of at the time . is the convex hull of , .
Lemma 1. If , identification models are adequate to satisfy the above condition (that is, ). In the choice of N, in order to facilitate calculation and improve efficiency, usually choose an N greater than [16]. Lemma 2. Given , , any element of the convex hull of , can be expressed aswhere and [16]. Based on Lemmas 1 and 2,
identification models are sufficient to satisfy that the unknown parameter vector
of the high-speed train lies in the convex hull
. In this paper,
identification models are used to form the convex hull
so that
are unique in (
40).
Lemma 3. If the parameter vector lies in the convex hull of and adaptive identification models described in (29) are adjusted using adaptive laws (31)–(34) with initial conditions and initial states , then lies in the convex hull of for all time [16]. With Lemma 3, it follows that
where
is a bounded piecewise differentiable and satisfies the condition
and
. Equation (
41) is a convex combination of
, which is called a virtual model. According to this model, we can transform the identification problem with the estimated value of
into the problem of estimating
by observing the evolution of
,
.
Subtracting
from both sides of Equation (
41), we have
Furthermore, considering the identification error (
30) of the identification models, using the fact that the linear and initial state errors are zero, it is concluded that
Equation (
43) can be rewritten as
where
. From (
44), it is obvious that the determination of the vector
is our next main task. Defining
, so
can be rewritten as
. Based on the convexity condition, we obtain
. So, Equation (
44) can be rewritten as
where
,
.
Consequently,
can be adaptively calculated by a set of differential equations, just like most classical adaptive control problems. The estimation model of
can be set up as
where
is the estimate of
, and it is obtained using the following adaptive law which assures the boundedness of the
.
where
.
Remark 8. In traditional adaptive control, the focus is more on stability than on the speed of convergence. When the initial parameter errors are significant, the convergence rate is comparatively slow. Consequently, the output errors will be large over an initial interval. According to the above analysis, the estimation of depends on the linear regression model (46) using the information provided by the first adaptive level. Compared to parameter estimation based on differential equations, parameter estimation based on linear regression models is faster and simpler. Proposition 4. For the model (16) with a certain failure mode , adaptive laws (47) can make estimates and , where . Proof of Proposition 4. To analyze the properties of estimation model of
, we introduce the positive definite functions
and derive its time-derivation as
which causes
to tend to zero asymptotically and estimates
consequently. □
4.3. Controller Design for the Failure Pattern
With the virtual model (
41), the corresponding virtual identification model can be described as
where
is the estimation state of the virtual identification model. It should be noted that the virtual identification model is important for second-level adaptive controller design and stability analysis, which will be discussed later.
According to the estimate
of
, the virtual model (
41) and the virtual identification model (
50) with a certain fault mode
, a set of controllers can be constructed as follows
which makes the high-speed train system with a certain failure pattern
have the following desired properties.
Proposition 5. The controller for model (25) with a certain failure pattern guarantees the stability of the closed-loop system and exponentially. Proof of Proposition 5. Submitting the multiple-model second-level adaptive failure compensation controller (
51) into the virtual identification model (
50), it derives
based on (
52), we have
and the convergence of
. From
and
, it follows that
,
and
. Further, we have
. From Babălet lemma, we have
. □
4.4. Switching Mechanism
Since the controllers
are operating in parallel, the issue arises as to how to utilize the information gathered to control the system at each moment. In [
31,
32,
33], it was proposed that various performance indices could be employed to compare the different estimates and offer a foundation for selecting the controller. Therefore, the design procedure of the switching mechanism for choosing the correct controller consists of two steps. Firstly, a set of performance functions is defined as follows,
where
denotes the identification error of the virtual identification model
, and
is a constant. Secondly, one of the controllers
is considered to be the best at every instant according to this criteria; that is,
Remark 9. In order to avoid the control strategy switching too fast, we design a small between every two pair of switchings. is set up for avoiding arbitrarily fast switching and its subsequent negative effects, differing from the dwell time in other switching systems, which is introduced so that the selected controller waits to be activated. Due to system uncertainties, the proper values of need to be chosen based on numerical simulations and additional knowledge.
4.5. Stability and Convergence Analysis
The designed high-speed train multiple-model second-level adaptive failures compensation control scheme has the desired system performance as follows:
Theorem 1. The multiple-model second-level adaptive failures compensation scheme for model (16) with unknown actuator failures (9), including multiple second-level adaptive controllers (51) updated by adaptive laws (31)–(34) and (47) and the control signal selection mechanism (54) with performance function (53), guarantees the stability of the closed-loop system and . Proof of Theorem 1. There exist
N virtual identification models
and corresponding candidate multiple-model second-level adaptive failure compensation controllers
in the closed-loop system. However, only one pair of them can match the actual failure pattern
. Its identification error
satisfies the error differential equation
The desired properties follow: for , , , and are bounded, and .
For other virtual identification models designed for the failure pattern
,
, its error differential equation of
will be a nonzero unmatched item
It leads that and do not hold. Therefore, could be utilized to compare the various estimates and serve as a basis for the choice of the correct controller applied as .
It is noted that switching between different controllers does not lead to bad effects on the system stability. When the current controller
changes from
to
,
, there is an additional item in the identification model
, that is
where
. Based on previous analysis, the additional item (
57) is bounded. Therefore, the bounded property of closed-loop signals and the convergence of
can still be met.
Therefore, the multiple-model second-level adaptive failure compensation scheme presented in
Section 4 makes the system stable and
. □
Based on the above analysis, the multiple-model second-level adaptive failure compensation scheme designs a candidate controller for each possible failure pattern and a control signal selection mechanism to choose the optimal one. Each control signal has a simple form, which is beneficial for the practical operation of high-speed trains.
Remark 10. For the control of high-speed train speed tracking, the traditional adaptive control method has advantages in dealing with the uncertainties of the system and achieving accurate speed tracking control. However, when unknown actuator failures occur in the train, this control method often results in large transient errors. In the study of the high-speed train actuator failure compensation method, the traditional failure compensation control strategy based on multiple-model switching can effectively compensate for the actuator failure. However, the transient response of this controller is poor, which cannot meet the requirements of the train for accurate speed tracking. Compared with the above two methods, the high-speed train failure compensation scheme based on multiple-model second-level adaptive control designed in this paper has the advantages of high tracking accuracy, effective compensation for unknown actuators failures, and good transient performance. Therefore, this method can effectively meet the requirements of train failure compensation and speed tracking.