Next Article in Journal
Experimental Evaluation of Blockage Resistance and Position Caused by Microparticle Migration in Water Injection Wells
Previous Article in Journal
A Novel Strength Reduction Method for a Slope Stability Assessment Based on a Finite Element Method
 
 
Font Type:
Arial Georgia Verdana
Font Size:
Aa Aa Aa
Line Spacing:
Column Width:
Background:
Article

A Multiple-Model Second-Level Adaptive Compensation Scheme for High-Speed Trains with Unknown Actuator Failures

College of Electrical and Automation Engineering, East China Jiaotong University, Nanchang 330013, China
*
Author to whom correspondence should be addressed.
These authors contributed equally to this work.
Processes 2024, 12(10), 2274; https://doi.org/10.3390/pr12102274
Submission received: 9 September 2024 / Revised: 4 October 2024 / Accepted: 14 October 2024 / Published: 17 October 2024
(This article belongs to the Section Automation Control Systems)

Abstract

In this paper, a novel multiple-model second-level adaptive failure compensation scheme is proposed for high-speed trains with unknown failures to achieve the desired system performance. High-speed train dynamics with unknown system parameters actuator failures are first derived in detail. Multiple identification models are used to handle the parametric uncertainties and realize the desired speed and position tracking of a high-speed train with actuator failures in a first-level adaptation; identification errors of multiple identification models are used to obtain a virtual model for improving the convergence rate of parameters in a second-level adaptation. A second-level adaptive controller set is designed by using the parameters of the corresponding virtual model and the convex combination of the parameter estimates from the identification models. Finally, a switching mechanism associated with individual controllers is introduced to select the correct controller from the controller set. The stability of the closed-loop system and the performance of asymptotic state tracking are proved via the Lyapunov stability theory. Further, a simulation study was carried out by using the real line data of the CRH380A-type high-speed train from the Jinan section to the Xuzhou section. The simulation results show that in the presence of unknown actuator failures, the control scheme can control the speed tracking error within 0.4 km/h, and the switching strategy can quickly switch to the correct controller within 1 s, which verifies the effectiveness and feasibility of the proposed failure compensation scheme.

1. Introduction

As a safe, high-capacity, efficient means of transport, high-speed trains have become increasingly essential for people to travel, work and engage in other activities [1]. To improve automation levels and increase the speed and safety requirements of train operations, various advanced control strategies have been appearing continuously in the last few years [2,3,4,5,6,7]. Meanwhile, the traction-drive system of a high-speed train is a type of complex system formed by sensors, actuators, electrical components, and so on [8]. Since the implementation of long-term continuous control tasks in long-time operations, actuators have been the most prone to failure, which can generate problematic traction/breaking forces and result in performance loss [9]. Therefore, it is critical to enhance their reliability and safety during operation.
In the past few years, some research has been conducted on actuator fault compensation control strategies for high-speed trains. In [10], a novel composite adaptive anti-disturbance failure compensation control strategy was proposed for high-speed trains. In [11], a kind of adaptive failure-compensation sliding-mode control scheme was designed for high-speed trains to deal with actuator uncertainties with unknown bounds and non-parameterized actuator faults. In [12], a distributed failure compensation control strategy was proposed for the cooperative operation of high-speed trains subject to unmodeled dynamics, time-varying external disturbances, input saturation and actuator partial failures. In [13], a pseudo-PID sliding-mode control scheme was proposed to ensure that all signals would converge exponentially in cases of actuator faults, asymmetric nonlinear actuator saturation and integral quadratic constraints. The above methods can solve the issue of fault compensation for high-speed trains effectively. However, these methods are partially based on the traditional adaptive control method, and its transient response may not be satisfactory. Therefore, a new adaptive compensation control scheme is urgently needed to enable high-speed trains to obtain better transient performance while dealing with unknown actuator faults.
Recently, designs based on multiple-model methods have been commonly used in adaptive systems to improve their transient response. As a type of multiple-model adaptive control method, the multiple-model scheme with second-level adaptation has the advantages of faster adaptation to uncertain parameters and strong robustness [14,15,16]. Meanwhile, numerous satisfactory research results have been achieved by using the multiple-model second-level adaptive control method in the past few years. In [17], a second-level adaptive controller was designed for a class of nonlinear discrete-time systems subject to the input of asymmetric saturation for achievement of the desired system performance. In [18], a multiple-model second-level adaptive controller was designed for multi-variable periodic systems to improve the convergence rate of the parameters and the transient performance of the system. In [19], a nonlinear model predictive control method was designed for a two-degree freedom helicopter with parameter uncertainties and input–output constraints. Such a method uses multiple-model second-level adaption to effectively deal with the parameter uncertainties of the system. In [20], a multiple-model second-level adaptive scheme was proposed for high-speed train cascaded vehicles to achieve smaller position- and speed-tracking errors. Such a scheme has faster adaptability when dealing with uncertain system parameters. In [21], a continuous controller was proposed, which utilizes a convex combination of parameter estimates from identification models to prevent potential chattering caused by controller switching. In [22], the multiple-model adaptive control with second-level adaptation scheme was extended to nonlinear systems in a strict feedback form, and a fixed identification model set was considered to achieve faster convergence speed and a better transient performance. In [23], a failure-estimation approach with second-level adaptation was employed to offer dependable alarm priority for various failure scenarios. Therefore, based on the above analysis, the capacity of multiple models with second-level adaptation designs to improve system transient performance is suitable for high-speed trains so as to achieve faster fault compensation.
Furthermore, multiple-model designs can incorporate various compensation control signals for each fault case. Then, the switching control mechanism can be used to identify the most appropriate control signal. This control scheme can deal with the uncertainties from unknown actuator failures in addition to the improvement of system transient performance. Accordingly, it makes sense to design a multiple-model second-level adaptive failure compensation approach to achieve asymptotical speed and displacement tracking for high-speed trains with uncertain operational conditions and unknown actuator faults.
This paper focuses on the control problem of high-speed trains in the presence of uncertainties from unknown operational conditions and unknown actuator failures during its operating period. The main contributions of this paper include the following:
  • The theoretical framework of multiple-model second-level adaptive control is expanded, which broadens the application scenarios of the multiple-model second-level adaptive control method.
  • Based on the multiple-model second-level adaptive control method, a failure compensation tracking control scheme for high-speed trains is developed. Such a scheme effectively guarantees the safe and reliable operation of the train in the presence of actuator failures and parameter uncertainties.
The other sections of the paper are arranged as follows. In Section 2, a longitudinal dynamic model for high-speed trains with unknown actuator failures is derived, and the control problem of this paper is formulated. In Section 3, the high-speed train model derived in Section 2 is parameterized for convenience of analyzing its identification models, and its nominal controller bank is constructed. In Section 4, the multiple-model second-level adaptive failure compensation scheme is presented by designing the controller set and designing a switching mechanism to select the optimal controller from the controller set. The stability analysis is also conducted in Section 4. Section 5 presents several simulation results under different operating conditions to validate the effectiveness of the proposed adaptive failure compensation scheme. Section 6 mainly discusses the advantages, disadvantages and limitations of this control scheme compared with other control methods, and it also outlines the potential further developments. Finally, this paper is concluded in Section 7.

2. Problem Formulation

The control aim of this research is to design a new multiple-model second-level adaptive failure compensation control scheme for high-speed trains to achieve potentially fast and accurate failure compensation. In this section, we first present the basic dynamic model of a failure-free high-speed train; then, we derive its dynamic model considering unknown actuator faults and finally analyze the control issue of this paper.

2.1. Basic High-Speed Train Longitudinal Dynamics

Before obtaining a high-speed train longitudinal dynamic model with unknown actuator failures, it is necessary to analyze the basic high-speed train longitudinal dynamics. With considerations of traction/braking force, general resistance and additional resistance, the basic high-speed train longitudinal dynamics can be described as the following model by Newton’s law [24].
s ˙ ( t ) = v ( t ) , M v ˙ ( t ) = F ( t ) f r ( t ) f g f c
where s ( t ) and v ( t ) are the displacement and the speed of the train, respectively; M denotes the mass of the train; F ( t ) represents the traction/braking force generated by the actuator of the train; f r ( t ) models the general resistance; f g and f c are both additional resistance: f g is the gradient resistance and f c denotes the curve resistance. To establish a explicit dynamical equations of the high-speed train, we need to further discuss the f r ( t ) , f g and f c .
General resistance: Referring to the analysis in [25], the general resistance of the train can be simulated as follows
f r ( t ) = a r + b r v ( t ) + c r v 2 ( t )
where a r , b r , and c r are the coefficients of the general resistance of the train: a r represents the rolling resistance component, b r represents the linear resistance coefficient, and c r represents the nonlinear resistance coefficient, which are related to the type of the high-speed train and its operating conditions such as mass, number and distribution of its power cars, its cross-sectional area and so on [25,26,27].
Remark 1.
The resistance model (2) consists of rolling resistance a r , linear resistance b r v ( t ) and nonlinear resistance c r v 2 ( t ) . The rolling resistance models the resistances of journey, rolling and track. The linear resistance models the frictions and impacts of flanges, rolling resistances of wheels and wave actions of the rails. The nonlinear resistant simulates the rear drag, kin friction on the train’s side, head-end wind pressure and turbulence between two trains. With the uplifting of speed, the nonlinear resistant c r v 2 ( t ) will take on an increasingly dominant role regarding the general resistance. Due to the uncertainties of the operating environment, parameters a r , b r and c r are often unknown. Therefore, an adaptive control method is especially suitable for the control of high-speed trains due to its capacity in handling uncertainties from systems.
Grade resistance: The grade resistance of high-speed trains is caused by the component force of the train’s gravity along the inclined direction of the rail when the train is running on a certain slope of rail. Referring to [27], f g can be approximately modeled as
f g = M g sin θ
Note that θ represents the slope angle, which can be divided into three cases, θ < 0 , θ > 0 and θ = 0 , meaning that the train is operating on a downhill, up-slope or horizontal track, respectively.
Curvature force: Refer to [27], when the train is running on a curve, due to the centrifugal motion and the relative sliding between the wheel and the rail surface, the train will be affected by the curvature resistance. The curvature resistance is related to many factors such as the quality of the train, the curvature of the track and the humidity of the rail surface. In practical applications, it is usually calculated according to its empirical formula. The curvature force f c can be denoted as
f c = 0.004 D M
where D is the curvature of the track and M is the mass of the train.
Basic high-speed train longitudinal dynamical model: With x 1 ( t ) = s ( t ) , x 2 ( t ) = v ( t ) , m = 1 M , a = a r M , b = b r M and c = c r M and from Equations (1)–(4), the explicit dynamical equations of the high-speed trains follow:
x ˙ 1 ( t ) = x 2 ( t ) , x ˙ 2 ( t ) = m F ( t ) a b x 2 ( t ) c x 2 2 ( t ) g sin θ 0.004 D
We replace u ( t ) with F ( t ) as the system input signal (traction/braking force) for consistency of the notation in control theory; that is, u ( t ) = F ( t ) . Since the traction/braking force F ( t ) of the train is generated by actuators, we consider the condition where the high-speed train is equipped with four executive motors. Therefore, the control force u ( t ) is the sum of the force u j ( t ) , j = 1 , , 4 , generated by the jth sub-actuator unit, given by
u ( t ) = j = 1 4 u j ( t ) , j = 1 , . . . , 4
Further, the dynamical equations of the high-speed trains can be rewritten as a compact form
x ˙ ( t ) = A x ( t ) + B [ u ( t ) z ( t ) ]
where x ( t ) = [ x 1 ( t ) , x 2 ( t ) ] T , z ( t ) = c x 2 2 ( t ) + g sin θ + a + 0.004 D ,
A = 0 1 0 b , B = [ 0 , m ] T
With the basic model (7), the high-speed train longitudinal dynamics with unknown actuator faults will be disclosed below.
Remark 2.
Three types of high-speed trains can be expressed by the above train model with four subactuator units: a power-centralized train with four motors, a power-distributed train with four locomotives and multiple carriages, and a power-distributed train with multiple locomotives which has four motors and carriages. The last type is the way of the future development of high-speed trains.

2.2. High-Speed Train Longitudinal Dynamics with Unknown Actuator Failures

Actuator Failure Models: When the jth subactuator unit of high-speed trains fails, the designed control signal for the jth subactuator unit cannot affect its traction/braking force completely, and its traction/braking force will be u ¯ j ( t ) . According to [28], the traction/braking force generated by the jth subactuator with unknown failures can be modeled as
u ¯ j ( t ) = u ¯ j 0 + l = 1 n j u ¯ j l f j l ( t ) , t t j
where u ¯ j 0 is a unknown constant; l = 1 n j u ¯ j l f j l ( t ) is the weighted sum of a sequence of time-dependent functions, u ¯ j l represents unknown constants, f j l ( t ) represents some known bounded basis functions, l = 1 , 2 , , n j and n j is the number of the basis functions; t j denotes the occurring time of the failure; and j is the subactuator index with unknown failures, j { 1 , 2 , 3 , 4 } .
Remark 3.
The following practical failure of the high-speed train actuators can be covered by the failure model (9).
  • Constant failures. u ¯ j ( t ) = u ¯ j 0 simulates constant failures of the actuators. For instance, a constant failure is caused by the slipping mechanical drives, which leads to a constant torque. In particular, when the motor is overheating, in order to protect the motor, the system will control the motor to stop rotation. So, u ¯ j ( t ) = 0 can be used to represent the fault caused by the motor stopping rotation.
  • Time-varying failures. u ¯ j ( t ) = u ¯ j 0 + l = 1 n j u ¯ j l f j l ( t ) covers the time-varying failures of the train. For instance, failures of the IGBT (Insulated Gate Bipolar Transistor) can result in periodic time-varying failures with approximately known frequency.
When there is actuator failure, the actual traction/braking force u ( t ) generated by the actuator with unknown failures can be expressed as
u ( t ) = E ( I σ ( t ) ) v ( t ) + σ ( t ) u ¯ ( t )
where E = [ 1 , 1 , 1 , 1 ] , u ¯ ( t ) = u ¯ 1 ( t ) , u ¯ 2 ( t ) , u ¯ 3 ( t ) , u ¯ 4 ( t ) T represent the failure vector, v ( t ) = v 1 ( t ) , v 2 ( t ) , v 3 ( t ) , v 4 ( t ) T represents the control signal based on the feedback control law, σ ( t ) = d i a g σ 1 ( t ) , σ 2 ( t ) , σ 3 ( t ) , σ 4 ( t ) represents different failure patterns; when the jth actuator fails, there is σ j ( t ) = 1 . In particular, when the jth subactuator unit is healthy, its traction/braking force u j ( t ) equals v j ( t ) , j = 1, ⋯, 4.
Since four subactuators of the train have the same physical characteristics but different contributions, the designed control signal v j ( t ) for the jth subactuator unit can be described as
v j ( t ) = β j v 0 ( t )
where β j , j = 1 , , 4 represent scale factors, and v 0 ( t ) represents the designed feedback compensation control signal.
Actuator failure pattern set: There exist fifteen possible actuator failure patterns for high-speed trains with four subactuator units, including the case that all the subactuator units work normally, the case where the ith subactuator unit fails ( i { 1 , 2 , 3 , 4 } ), the cases where the ith and jth subactuator units fail ( i , j { 1 , 2 , 3 , 4 } and i j ), the cases where the ith, jth and kth subactuators fail ( i , j , k { 1 , 2 , 3 , 4 } and i j k ), but excluding the case that all the subactuator units fail.
In order to describe above fifteen actuator failure patterns, respectively, the actuator failure pattern set σ can be expressed as
σ : σ ( i ) = [ σ ( i ) 1 , σ ( i ) 2 , σ ( i ) 3 , σ ( i ) 4 ] T , i = 1 , 2 , , 15
with σ ( i ) j = 1 denoting that the jth subactuator is faulty and σ ( i ) j = 0 denoting that the jth subactuator is healthy.
Remark 4.
In the practical operation of high-speed trains, there exist few possibilities on occurrences of some failure patterns. Accordingly, we can select some vital failure modes to consist of the actuator failure mode set and further develop a failure compensation scheme for it. This paper consider that the set σ is composed of N chosen failure patterns. Therefore, the number of failure patterns is i = 1 , 2 , , N .
High-speed train longitudinal dynamical model with unknown failures: the dynamic model of the high-speed train with actuator failure (9) can be denoted as
x ˙ ( t ) = A x ( t ) + B ( β v 0 ( t ) + v ¯ ( t ) z ( t ) )
where
β = j = 1 4 ( 1 σ j ) β j , v ¯ ( t ) = j = 1 4 σ j u ¯ j ( t )
Next, we consider the failure pattern (12), and we define
β ( i ) = j = 1 4 ( 1 σ ( i ) j ) β j , v ¯ ( i ) ( t ) = j = 1 4 σ ( i ) j u ¯ j ( t )
Finally, the high-speed train longitudinal dynamical model with a fault mode σ ( i ) can be described as
x ˙ ( t ) = A x ( t ) + B [ β ( i ) v 0 ( t ) + v ¯ ( i ) ( t ) z ( t ) ]
The model (16) is the derived high-speed train model with uncertain actuator failures, which is also the controlled plant of this paper.

2.3. Control Problem

The control problem of the high-speed train longitudinal dynamical model (16) with unknown actuator faults will be formulated in this subsection.
Reference model: In order to achieve speed tracking control and design a model reference adaptive control scheme in the later, it is necessary to select a stable reference model and a desired speed curve driven by experienced train drivers. The reference model can be described as
x ˙ m ( t ) = A m x m ( t ) + B m r ( t )
where x m ( t ) = [ x m 1 ( t ) , x m 2 ( t ) ] T is the state vector of the reference model; x m 1 ( t ) and x m 2 ( t ) are the desired speed and displacement, respectively;
A m = 0 1 a m 1 a m 2 , B m = [ 0 , b m ] T
a m 1 < 0 , a m 2 < 0 and b m > 0 are design parameters, and they can be designed according to the prior knowledge and system characteristics of high-speed trains; r ( t ) R is a input signal.
Remark 5.
It should be stressed that the input signal r ( t ) is not selected directly by designers as the traditional model reference adaptive control design but rather calculated from reference model (17) with the given x m ( t ) and designed parameters a m 1 , a m 2 and b m .
Control objective: The aim of this paper is to develop a multiple-model second-level adaptive failure compensation controller v 0 ( t ) for the high-speed train (16) with unknown actuator faults (9) to guarantee all signals are bounded and x ( t ) asymptotically tracks a given trajectory x m ( t ) .
Multiple-model second-level adaptive failure compensation scheme: High-speed trains are performance-critical systems, which makes a high demand on system transient performance. Multiple-model adaptive design with multiple adaptive controllers is an effective way to solve the failure compensation problem of high-speed trains with multiple possible actuator failures. Further, one of the primary objectives of automatic train operation is to achieve fast and accurate displacement and speed tracking. However, the transient performance of a traditional adaptive controller may not meet expectations. Therefore, we use a second-level adaptive control method to achieve a faster fault compensation.
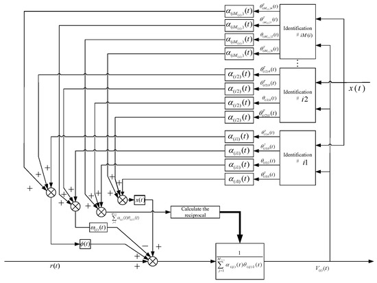
The framework of a multiple-model second-level adaptive failure compensation scheme for high-speed trains with unknown actuator failures is shown in Figure 1, which combines a second-level adaptive failure compensation controller set and a switching mechanism. The multiple-model second-level adaptive failure compensation scheme designs the corresponding adaptive controller for each possible failure pattern and constitutes a set of candidate controllers. Then, the optimal controller is selected by designing the control signal selection mechanism. The detailed structure of a second-level adaptive failure compensation controller under a certain failure pattern is shown in Figure 2. It can be seen from Figure 2 that the controller is mainly composed of four parts: multiple adaptive identification models, multiple convex combination coefficients α ( i j ) , known basic function vectors ϕ ( t ) , ω ( i ) ( t ) , and related input signals r ( t ) , x ( t ) . Its structural principle is mainly to weight and fuse the identification parameters of multiple adaptive identification models through convex combination coefficients α ( i j ) and then obtain the corresponding multiple-model second-level adaptive controller parameters. Then, according to the designed controller mathematical model, the weighted controller parameters are combined with the known basic function vectors or related input signals, and each part is combined through the operator. Finally, the multiple-model second-level adaptive fault compensation controller with a certain failure pattern σ ( i ) designed in this paper is constructed. It should be noted that the structure of every controller in the controller set is the same as the structure shown in Figure 2. Based on Figure 1 and Figure 2, the overall procedures of our design include following steps.
  • N possible failure patterns are chosen to form the actuator failure pattern set σ to be compensated.
  • Multiple identification models are designed to handle the parametric uncertainties of the high-speed train and realize the desired speed and position tracking in the presence of actuator failures.
  • Identification errors of multiple identification models are used to obtain the virtual model in the second-level adaptation stage for improving the convergence rate of unknown parameters.
  • A second-level adaptive failure compensation controller set is designed by using the parameters of the corresponding virtual model and the convex combination of parameter estimates of identification models.
  • A switching mechanism associated with individual controllers is introduced to select the correct controller from the controller set.

3. Nominal Controller for a Certain Failure Pattern σ ( i )

Before designing an adaptive compensation controller, it is important to address the associated non-adaptive control problem under the assumption that all parameters of the high-speed train model are known. In this section, we first parameterize the high-speed train model with uncertain actuator failures and then derive a nominal compensation controller for the failure pattern σ ( i ) σ by assuming that all the parameters of the model are known.

3.1. Plant Parametrization

In order to achieve the control objective of this paper, the following matching condition is needed [29,30].
Proposition 1.
There exists a constant vector k 1 * R 2 and a non-zero constant scalar k 2 * R such that the following equation holds:
A + B k 1 * T = A m , B k 2 * = B m
The above equations are matching equations which are equivalent to the existence of nominal compensation controllers. Let k 1 * T = k 11 * , k 12 * T ; then, the constant vector k 1 * T and non-zero constant scalar k 2 * T can be calculated as follows when all the parameters of A and B are known.
k 11 * = a m 1 m , k 12 * = b a m 2 m , k 2 * = b m m
which is the direct verification of the existence of nominal compensation controllers. Before designing the nominal compensation controllers, the high-speed train model (16) needs to be parameterized based on the matching equations to build its parameterized model. From the matching Equation (19), the unknown parameters in A and B can be denoted as
A = A m + B m k 2 * 1 k 1 * T , B = B m k 2 * 1
with (21), the model (16) can be expressed as
x ˙ ( t ) = A m x ( t ) + B m [ k 2 * 1 β ( i ) v 0 ( t ) k 2 * 1 k 1 * T x ( t ) + k 2 * 1 v ¯ ( i ) ( t ) k 2 * 1 z ( t ) ]
Since there are some unknown parameters in v ¯ ( i ) ( t ) and z ( t ) , for the convenience of parameterizing the model (16) completely, it is necessary to decompose them into certain and uncertain as two parts, respectively, that is,
v ¯ ( i ) ( t ) = θ f ( i ) * T ω ( i ) ( t )
where θ f ( i ) * = u ¯ ( i ) 0 , u ¯ ( i ) 1 , , u ¯ ( i ) n j T is an unknown parameter vector, ω ( i ) ( t ) = [ 1 , f ( i ) 1 , , f ( i ) n j ] T is a known basis function vector.
z ( t ) = θ 4 * T ϕ ( t )
accordingly, θ 4 * T = k 2 * 1 ( a + g sin θ + 0.004 D ) / m , c / m T R 2 is an unknown parameter vector, ϕ ( t ) = 1 , x 2 2 ( t ) T is a known basis function vector.
Remark 6.
High-speed train system has realized real-time data collection about position, speed and states of train operation through wired and wireless communication technologies. Therefore, the speed x 2 ( t ) is taken as given in our study.
With Equations (23) and (24), Equation (22) can be rewritten as
x ˙ ( t ) = A m x ( t ) + B m [ θ ( i ) 2 * v 0 ( t ) θ 1 * T x ( t ) + θ ( i ) 3 * T ω ( i ) ( t ) θ 4 * T ϕ ( t ) ]
where θ 1 * = k 2 * 1 k 1 * R 2 , θ ( i ) 2 * = k 2 * 1 β ( i ) R and θ ( i ) 3 * = θ f ( i ) * R n ( i ) + 1 . Equation (25) is the derived parameterized model based on the matching condition. In order to facilitate the subsequent discussion, θ p ( i ) = θ 1 * T , θ ( i ) 2 * , θ ( i ) 3 * T , θ 4 * T T R n ( i ) + 5 is defined as the unknown parameter vector of the high-speed train under the failure pattern σ ( i ) , and N ( i ) = ( n ( i ) + 5 ) is defined. Obviously, the unknown parameter vector is N ( i ) dimensional.

3.2. Nominal Controllers

With the parameterized model (25), the nominal controller for the failure pattern σ ( i ) is designed by assuming all the system parameters and fault information of the high-speed train are known, that is
v 0 ( i ) ( t ) = θ 1 * T x ( t ) θ ( i ) 3 * T ω ( i ) ( t ) + θ 4 * T ϕ ( t ) + r ( t ) θ ( i ) 2 *
Define the tracking error e ( t ) = x ( t ) x m ( t ) . The following desired system performance can be met by the nominal controller (26).
Proposition 2.
There exists the nominal controller (26) for a high-speed train (25) with a certain failure mode σ ( i ) to guarantee the stability of the closed-loop system and lim t e ( t ) = 0 exponentially.
Proof of Proposition 2. 
Implementing the controller (26) to the model (25) with a certain failure pattern σ ( i ) , we obtain the following:
x ˙ ( t ) = A m x ( t ) + B m r ( t )
whose state vector x ( t ) belongs to L . With the reference model (17) and Equation (27), the tracking error e ( t ) satisfies
e ˙ ( t ) = A m e ( t ) , e ( t 0 ) = x ( t 0 ) x m ( t 0 )
Because all the eigenvalues of A m are in the open left-half complex plane, it follows that e ( t ) L 2 L , which assures the boundedness of x ( t ) and e ( t ) . From Babălet lemma, it follows that lim t e ( t ) = 0 ; that is, the state x ( t ) of the high-speed train model tracks the state x m ( t ) of the reference model asymptotically. □

4. Multiple-Model Second-Level Adaptive Failure Compensation Scheme

In the actual operation of the train, the system parameters and fault information are unknown, and the nominal controllers (26) cannot be implemented for control. Therefore, this section presents the design procedure of the multiple-model second-level adaptive failure compensation control scheme for high-speed train with an uncertain actuator failure in detail.

4.1. First-Level Adaptation for the Failure Pattern σ ( i )

In the multiple-model adaptive method, it is well known that an arbitrary number of models can be used to identify the plant, but only one controller can control it. Consequently, M ( i ) identification models I ( i 1 ) , I ( i 2 ) , , I ( i M ( i ) ) can be established to provide M ( i ) estimates of the parameter vector θ p ( i ) of the high-speed train with a certain failure pattern σ ( i ) . The model I ( i j ) ( j Ω = { 1 , 2 , , M ( i ) } ) includes estimates θ ( i j ) = θ ( i j ) 1 T , θ ( i j ) 2 , θ ( i j ) 3 T , θ ( i j ) 4 T T ( j Ω = { 1 , 2 , , M ( i ) } ) of the parameter vector θ p ( i ) , which can be updated adaptively, that is,
I ( i j ) : x ^ ˙ ( t ) ( i j ) = A m x ^ ( t ) ( i j ) + B m [ θ ( i j ) 2 v 0 ( t ) θ ( i j ) 1 T x ( t ) + θ ( i j ) 3 T ω ( i ) ( t ) θ ( i j ) 4 T ϕ ( t ) ]
where x ^ ( t ) ( i j ) is the identification state of the jth identification model I ( i j ) for high-speed train with the failure pattern σ ( i ) .
Remark 7.
The M ( i ) identification models are consequently described by identical differential equations with the same initial state as the high-speed train model (16) but with different initial values of θ ( i j ) . The previous condition can be achieved, as it is assumed that the state of the high-speed train (16) (that is, the displacement and the speed of the train) is accessible. It should be noted that the unknown parameters θ 1 * and θ 4 * are irrelevant to each failure pattern σ ( i ) , but their estimates are updated base on the identification error, which is related with the failure pattern σ ( i ) . Therefore, θ ( i j ) 1 and θ ( i j ) 4 are also employed to represent the estimates of θ 1 * and θ 4 * , respectively, for different identification models with a certain failure pattern σ ( i ) .
Define e ( i j ) ( t ) = x ^ ˙ ( i j ) ( t ) x ( t ) as the identification error of model I ( i j ) . It follows that e ( i j ) ( t ) satisfies the error differential equations
e ˙ ( i j ) ( t ) = A m e ( i j ) ( t ) + B m [ ( θ ( i j ) 2 θ ( i ) 2 * ) v 0 ( t ) ( θ ( i j ) 1 T θ 1 * T ) x ( t ) + ( θ ( i j ) 3 T θ ( i ) 3 * T ) ω ( i ) ( t ) ( θ ( i j ) 4 T θ 4 * T ) ϕ ( t ) ]
Based on (30), the adaptive laws for θ ( i j ) 1 , θ ( i j ) 2 , θ ( i j ) 3 and θ ( i j ) 4 can be chosen as
θ ˙ ( i j ) 1 ( t ) = Γ ( i j ) 1 x ( t ) e ( i j ) T ( t ) P B m + f ( i j ) 1 ( t )
θ ˙ ( i j ) 2 ( t ) = γ ( i j ) 2 v 0 ( t ) e ( i j ) T ( t ) P B m + f ( i j ) 2 ( t )
θ ˙ ( i j ) 3 ( t ) = Γ ( i j ) 3 ω ( i ) ( t ) e ( i j ) T ( t ) P B m + f ( i j ) 3 ( t )
θ ˙ ( i j ) 4 ( t ) = Γ ( i j ) 4 ϕ ( t ) e ( i j ) T ( t ) P B m + f ( i j ) 4 ( t )
where Γ ( i j ) 1 = Γ ( i j ) 1 T > 0 , γ ( i j ) 2 > 0 , Γ ( i j ) 3 = Γ ( i j ) 3 T > 0 , Γ ( i j ) 4 = Γ ( i j ) 4 T > 0 and P = P T > 0 to make P A m + A m P = Q , Q = Q T > 0 . f ( i j ) k ( t ) , k = 1 , 2 , 3 , 4 are parameter projection signals ensuring that the estimates θ ( i j ) ( t ) are bounded for σ = σ ( l ) , i l ( σ is the actual failure pattern) and θ ( i j ) 2 ( t ) 0 for all t 0 .
To conserve space, f ( i j ) 2 ( t ) is taken as an example to show the design procedure of parameter projection signals f ( i j ) k ( t ) , k = 1 , 2 , 3 , 4 . According to the prior knowledge of the high-speed train, the regions of parameter θ ( i j ) 2 can be described as θ ( i j ) 2 min , θ ( i j ) 2 max ; that is, θ ( i j ) 2 θ ( i j ) 2 min , θ ( i j ) 2 max . Then, let θ ( i j ) 2 ( 0 ) θ ( i j ) 2 min , θ ( i j ) 2 max and design parameter projection signal f ( i j ) 2 ( t ) as
f ( i j ) 2 ( t ) = 0 if θ ( i j ) 2 ( t ) θ ( i j ) 2 min , θ ( i j ) 2 max , or if θ ( i j ) 2 ( t ) = θ ( i j ) 2 min , g ( i j ) 2 ( t ) 0 , or if θ ( i j ) 2 ( t ) = θ ( i j ) 2 max , g ( i j ) 2 ( t ) 0 , g ( i j ) 2 ( t ) otherwise
where g ( i j ) 2 ( t ) = γ ( i j ) 2 v 0 ( t ) e ( i j ) T ( t ) P B m .
Proposition 3.
For the model (16) with a certain failure pattern σ ( i ) , adaptive laws (31)–(34) can make estimates θ ( i j ) L and e ( i j ) ( t ) L 2 L .
Proof of Proposition 3. 
We provide the following set of positive definite functions to study the characteristics of the adaptive estimators.
V ( i j ) = e ( i j ) T P e ( i j ) + ( θ ( i j ) 2 θ ( i ) 2 * ) 2 γ ( i j ) 2 1 + ( θ ( i j ) 1 T θ 1 * ) T Γ ( i j ) 1 1 ( θ ( i j ) 1 T θ 1 * ) + ( θ ( i j ) 3 T θ ( i ) 3 * ) T Γ ( i j ) 3 1 ( θ ( i j ) 3 T θ ( i ) 3 * ) + ( θ ( i j ) 4 T θ 4 * ) T Γ ( i j ) 4 1 ( θ ( i j ) 4 T θ 4 * )
and derive the time-derivative of V ( i j ) as
V ˙ ( i j ) = 2 e ( i j ) T P e ˙ ( i j ) + 2 θ ˜ ( i j ) 1 T Γ ( i j ) 1 1 θ ˜ ˙ ( i j ) 1 T + 2 θ ˜ ( i j ) 2 θ ˜ ˙ ( i j ) 2 γ ( i j ) 2 1 + 2 θ ˜ ( i j ) 3 T Γ ( i j ) 3 1 θ ˜ ˙ ( i j ) 3 T + 2 θ ˜ ( i j ) 4 T Γ ( i j ) 4 1 θ ˜ ˙ ( i j ) 4 T = e ( i j ) T Q e ( i j ) + 2 θ ˜ ( i j ) 1 T Γ ( i j ) 1 1 f ( i j ) 1 + 2 θ ˜ ( i j ) 2 γ ( i j ) 2 1 f ( i j ) 2 + 2 θ ˜ ( i j ) 3 T Γ ( i j ) 3 1 f ( i j ) 3 + 2 θ ˜ ( i j ) 4 T Γ ( i j ) 4 1 f ( i j ) 4 0
where θ ˜ ( i j ) 1 = θ ( i j ) 1 θ 1 * , θ ˜ ( i j ) 2 = θ ( i j ) 2 θ ( i ) 2 * , θ ˜ ( i j ) 3 = θ ( i j ) 3 θ ( i ) 3 * , θ ˜ ( i j ) 2 = θ ( i j ) 4 θ 4 * and θ ˜ ( i j ) k f ( i j ) k 0 , k = 1 , 2 , 3 , 4 . It leads to the boundedness of V ˙ ( i j ) and θ ˜ ( i j ) k , k = 1 , 2 , 3 , 4 and e ( i j ) L 2 L . □
For other cases, the high-speed train with lth failure mode σ ( l ) , l i , the identification error differential Equation (30) with ith failure mode σ ( i ) will include an additional nonzero item
δ ( i j ) ( t ) = B m ( θ ( i j ) 3 * T ω ( i ) ( t ) θ ( l j ) 3 * T ω ( i j ) ( t ) ) + B m ( θ ( i j ) 2 * θ ( l j ) 2 * ) v 0 ( t )
Therefore, in these cases, the time-derivatives of the designed positive definite functions V ˙ ( i j ) are
V ˙ ( i j ) = e ( i j ) T Q e ( i j ) + 2 e ( i j ) T P δ ( i ) ( t ) + 2 θ ˜ ( i j ) 1 T Γ ( i j ) 1 1 f ( i j ) 1 + 2 θ ˜ ( i j ) 2 γ ( i j ) 2 1 f ( i j ) 2 + 2 θ ˜ ( i j ) 3 T Γ ( i j ) 3 1 f ( i j ) 3 + 2 θ ˜ ( i j ) 4 T Γ ( i j ) 4 1 f ( i j ) 4
where the sign of the item 2 e ( i j ) T P δ ( i ) ( t ) is unknown. Thus, V ˙ ( i j ) 0 and part of the properties stated in proposition 3 may not hold, but θ ( i j ) ( t ) L is still guaranteed by the parameter projection signals.
Thus far, we have defined M ( i ) identification models I ( i j ) ( j Ω = { 1 , 2 , , M ( i ) } ) which are used to estimate the unknown parameter vector θ p ( i ) . In the next subsection, second-level adaptation for the fault mode σ ( i ) will be discussed in detail.

4.2. Second-Level Adaptation for the Failure Pattern σ ( i )

In order to design a multiple-model second-level adaptive failure compensation controller for the failure pattern σ ( i ) , the total number M ( i ) of θ ( i j ) ( j Ω = { 1 , 2 , , M ( i ) } ) should be decided so that the region of uncertainty S θ ( i ) of the unknown parameter vector θ p ( i ) lies in their convex hull (that is, S θ ( i ) K ( i ) ( t 0 ) ), where θ ( i j ) ( t 0 ) denotes the initial values of θ ( i j ) at the time t 0 . K ( i ) ( t 0 ) is the convex hull of θ ( i j ) ( t 0 ) , j Ω = { 1 , 2 , , M ( i ) } .
Lemma 1.
If θ p R n , n + 1 identification models are adequate to satisfy the above condition (that is, S θ ( i ) K ( i ) ( t 0 ) ). In the choice of N, in order to facilitate calculation and improve efficiency, usually choose an N greater than n + 1 [16].
Lemma 2.
Given { θ ( i j ) ( t 0 ) , j Ω } , any element of the convex hull K ( i ) ( t 0 ) of { θ ( i j ) ( t 0 ) , j Ω } can be expressed as
θ p ( i ) = j = 1 M ( i ) α ( i j ) θ ( i j ) ( t 0 )
where α ( i j ) 0 and j = 1 M ( i ) α ( i j ) = 1 [16].
Based on Lemmas 1 and 2, M ( i ) = N ( i ) + 1 identification models are sufficient to satisfy that the unknown parameter vector θ p ( i ) of the high-speed train lies in the convex hull K ( i ) ( t 0 ) . In this paper, M ( i ) = N ( i ) + 1 identification models are used to form the convex hull K ( i ) ( t 0 ) so that α ( i j ) , ( j = 1 , 2 , , M ( i ) ) are unique in (40).
Lemma 3.
If the parameter vector θ p ( i ) lies in the convex hull K ( i ) ( t 0 ) of θ ( i j ) ( t 0 ) ( j Ω ) and M ( i ) adaptive identification models described in (29) are adjusted using adaptive laws (31)–(34) with initial conditions θ ( i j ) ( t 0 ) and initial states x ^ ( i j ) ( t 0 ) = x ( t 0 ) , then θ p ( i ) lies in the convex hull K ( i ) ( t ) of θ ( i j ) ( t ) ( j Ω ) for all time t t 0 [16].
With Lemma 3, it follows that
θ p ( i ) = j = 1 M ( i ) α ( i j ) ( t ) θ ( i j ) ( t ) , t t 0
where α ( i j ) is a bounded piecewise differentiable and satisfies the condition α ( i j ) 0 and j = 1 M ( i ) α ( i j ) = 1 . Equation (41) is a convex combination of θ ( i j ) ( t ) , which is called a virtual model. According to this model, we can transform the identification problem with the estimated value of θ p ( i ) into the problem of estimating α ( i j ) by observing the evolution of θ ( i j ) ( t ) , j Ω = { 1 , 2 , , M ( i ) } .
Subtracting θ p ( i ) from both sides of Equation (41), we have
j = 1 M ( i ) α ( i j ) θ ˜ ( i j ) ( t ) = 0 , t t 0
Furthermore, considering the identification error (30) of the identification models, using the fact that the linear and initial state errors are zero, it is concluded that
j = 1 M ( i ) α ( i j ) e ( i j ) ( t ) = 0 , t t 0
Equation (43) can be rewritten as
e ( i 1 ) ( t ) , e ( i 2 ) ( t ) , , e ( i M ( i ) ) ( t ) α ( i ) = E ( i ) ( t ) α ( i ) = 0
where α ( i ) = α ( i 1 ) , α ( i 2 ) , , α ( i M ( i ) ) T . From (44), it is obvious that the determination of the vector α ( i ) is our next main task. Defining α ¯ ( i ) = α ( i 1 ) , α ( i 2 ) , , α ( i , M ( i ) 1 ) T , so α ( i ) can be rewritten as α ( i ) = α ¯ ( i ) T , α ( i M ( i ) ) . Based on the convexity condition, we obtain α ( i M ( i ) ) = 1 j = 1 M ( i ) 1 α ( i j ) . So, Equation (44) can be rewritten as
M ( i ) ( t ) α ¯ ( i ) ( t ) = h ( i ) ( t )
where M ( i ) ( t ) = e ( i 1 ) e ( i M ( i ) ) , e ( i 2 ) e ( i M ( i ) ) , , e ( i , M ( i ) 1 ) e ( i M ( i ) ) , h ( i ) ( t ) = e ( i M ( i ) ) .
Consequently, α ¯ ( i ) ( t ) can be adaptively calculated by a set of differential equations, just like most classical adaptive control problems. The estimation model of α ¯ ( i ) can be set up as
M ( i ) α ¯ ^ ( i ) ( t ) = h ^ ( i ) ( t )
where α ¯ ^ ( i ) is the estimate of α ¯ ( i ) , and it is obtained using the following adaptive law which assures the boundedness of the α ¯ ^ ( i ) .
α ¯ ^ ˙ ( i ) ( t ) = M ( i ) T ( t ) M ( i ) ( t ) α ¯ ^ ( i ) ( t ) + M ( i ) T ( t ) h ( i ) ( t ) = M ( i ) T ( t ) h ˜ ( i ) ( t )
where h ˜ ( i ) ( t ) = h ^ ( i ) ( t ) h ( i ) ( t ) .
Remark 8.
In traditional adaptive control, the focus is more on stability than on the speed of convergence. When the initial parameter errors are significant, the convergence rate is comparatively slow. Consequently, the output errors will be large over an initial interval. According to the above analysis, the estimation of α ¯ ( i ) depends on the linear regression model (46) using the information provided by the first adaptive level. Compared to parameter estimation based on differential equations, parameter estimation based on linear regression models is faster and simpler.
Proposition 4.
For the model (16) with a certain failure mode σ ( i ) , adaptive laws (47) can make estimates α ¯ ^ ( i ) L and α ¯ ˜ ( i ) L 2 L , where α ¯ ˜ ( i ) ( t ) = α ¯ ^ ( i ) ( t ) α ¯ ( i ) .
Proof of Proposition 4. 
To analyze the properties of estimation model of α ¯ ( i ) , we introduce the positive definite functions
V v ( i ) = α ¯ ˜ T ( i ) α ¯ ˜ ( i )
and derive its time-derivation as
V ˙ v ( i ) = 2 α ¯ ˜ T ( i ) α ¯ ˜ ˙ ( i ) = 2 α ¯ ˜ T ( i ) α ¯ ^ ˙ ( i ) = 2 α ¯ ˜ T ( i ) ( M ( i ) T M ( i ) α ¯ ^ ( i ) + M ( i ) T M ( i ) α ¯ ( i ) ) = 2 h ˜ ( i ) T h ˜ ( i ) 0
which causes α ¯ ˜ ( i ) to tend to zero asymptotically and estimates α ¯ ^ ( i ) L consequently. □

4.3. Controller Design for the Failure Pattern σ ( i )

With the virtual model (41), the corresponding virtual identification model can be described as
v ( i ) : x ^ ˙ v ( i ) ( t ) = A m x ^ v ( i ) ( t ) + B m [ j = 1 M ( i ) α ( i j ) ( t ) θ ( i j ) 2 ( t ) v ( i ) ( t ) j = 1 M ( i ) α ( i j ) ( t ) θ ( i j ) 1 T ( t ) x ( t ) + j = 1 M ( i ) α ( i j ) ( t ) θ ( i j ) 3 T ( t ) ω ( i ) ( t ) j = 1 M ( i ) α ( i j ) ( t ) θ ( i j ) 4 T ( t ) ϕ ( t ) ]
where x ^ v ( i ) ( t ) is the estimation state of the virtual identification model. It should be noted that the virtual identification model is important for second-level adaptive controller design and stability analysis, which will be discussed later.
According to the estimate α ¯ ^ ( i ) ( t ) of α ¯ ( i ) ( t ) , the virtual model (41) and the virtual identification model (50) with a certain fault mode σ ( i ) , a set of controllers can be constructed as follows
v ( i ) ( t ) = ( j = 1 M ( i ) α ( i j ) ( t ) θ ( i j ) 2 ( t ) ) 1 ( j = 1 M ( i ) α ( i j ) ( t ) θ ( i j ) 1 T ( t ) x ( t ) j = 1 M ( i ) α ( i j ) ( t ) θ ( i j ) 3 T ( t ) ω ( i ) ( t ) + r ( t ) + j = 1 M ( i ) α ( i j ) ( t ) θ ( i j ) 4 T ( t ) ϕ ( t ) )
which makes the high-speed train system with a certain failure pattern σ ( i ) have the following desired properties.
Proposition 5.
The controller v ( 0 ) ( t ) = v ( i ) ( t ) for model (25) with a certain failure pattern σ ( i ) guarantees the stability of the closed-loop system and lim t ( x ( t ) x m ( t ) ) = 0 exponentially.
Proof of Proposition 5. 
Submitting the multiple-model second-level adaptive failure compensation controller (51) into the virtual identification model (50), it derives
x ^ ˙ v ( i ) ( t ) = A m x ^ v ( i ) ( t ) + B m r ( t )
based on (52), we have x ^ v ( i ) ( t ) L and the convergence of x ^ v ( i ) ( t ) x m ( t ) . From e ( i j ) ( t ) L 2 L and α ¯ ˜ ( i ) L 2 L , it follows that x ( t ) L , x ˙ ( t ) L and x ^ v ( i ) ( t ) x m ( t ) L 2 . Further, we have x ( t ) x m ( t ) = x ^ v ( i ) ( t ) x m ( t ) + x ( t ) x ^ v ( i ) ( t ) L 2 . From Babălet lemma, we have lim t ( x ( t ) x m ( t ) ) = 0 . □

4.4. Switching Mechanism

Since the controllers v ( i ) ( t ) , i = 1 , 2 , , N are operating in parallel, the issue arises as to how to utilize the information gathered to control the system at each moment. In [31,32,33], it was proposed that various performance indices could be employed to compare the different estimates and offer a foundation for selecting the controller. Therefore, the design procedure of the switching mechanism for choosing the correct controller consists of two steps. Firstly, a set of performance functions is defined as follows,
J ( i ) = t 0 t e λ ( t τ ) e v ( i ) T ( τ ) e v ( i ) ( τ ) d τ , i = 1 , 2 , , N
where e v ( i ) ( t ) = x ^ ˙ v ( i ) ( t ) x ( t ) denotes the identification error of the virtual identification model v ( i ) , and λ > 0 is a constant. Secondly, one of the controllers v ( i ) is considered to be the best at every instant according to this criteria; that is,
v 0 ( t ) = v ( j ) ( t ) , j = arg min j = 1 , 2 , , N J ( i ) ( t )
Remark 9.
In order to avoid the control strategy switching too fast, we design a small T m i n > 0 between every two pair of switchings. T m i n is set up for avoiding arbitrarily fast switching and its subsequent negative effects, differing from the dwell time in other switching systems, which is introduced so that the selected controller waits to be activated. Due to system uncertainties, the proper values of T m i n need to be chosen based on numerical simulations and additional knowledge.

4.5. Stability and Convergence Analysis

The designed high-speed train multiple-model second-level adaptive failures compensation control scheme has the desired system performance as follows:
Theorem 1.
The multiple-model second-level adaptive failures compensation scheme for model (16) with unknown actuator failures (9), including multiple second-level adaptive controllers (51) updated by adaptive laws (31)–(34) and (47) and the control signal selection mechanism (54) with performance function (53), guarantees the stability of the closed-loop system and lim t ( x ( t ) x m ( t ) ) = 0 .
Proof of Theorem 1. 
There exist N virtual identification models v ( i ) and corresponding candidate multiple-model second-level adaptive failure compensation controllers v ( i ) ( t ) in the closed-loop system. However, only one pair of them can match the actual failure pattern σ . Its identification error e v ( i ) ( t ) satisfies the error differential equation
e ˙ v ( i ) ( t ) = A m e v ( i ) ( t ) + B m [ ( j = 1 M ( i ) α ( i j ) ( t ) θ ( i j ) 2 ( t ) θ ( i ) 2 * ) v ( i ) ( t ) ( j = 1 M ( i ) α ( i j ) ( t ) θ ( i j ) 1 T ( t ) θ 1 * T ) x ( t ) + ( j = 1 M ( i ) α ( i j ) ( t ) θ ( i j ) 3 T ( t ) θ ( i ) 3 * T ) ω ( i ) ( t ) ( j = 1 M ( i ) α ( i j ) ( t ) θ ( i j ) 4 T ( t ) θ 4 * T ) ϕ ( t ) ]
The desired properties follow: lim t J ( i ) ( t ) = 0 for λ > 0 , j = 1 M ( i ) α ( i j ) ( t ) θ ( i j ) 1 T ( t ) , j = 1 M ( i ) α ( i j ) ( t ) θ ( i j ) 2 ( t ) , j = 1 M ( i ) α ( i j ) ( t ) θ ( i j ) 4 T ( t ) and j = 1 M ( i ) α ( i j ) ( t ) θ ( i j ) 4 T ( t ) are bounded, and e v ( i ) ( t ) L 2 L .
For other virtual identification models designed for the failure pattern σ ( l ) , l i , its error differential equation of e v ( i ) ( t ) will be a nonzero unmatched item
δ ( i ) ( t ) = B m ( θ ( i j ) 3 * T ω ( i ) ( t ) θ ( l j ) 3 * T ω ( l ) ( t ) ) + B m ( θ ( i j ) 2 * θ ( l j ) 2 * ) v 0 ( t )
It leads that e v ( i ) ( t ) L 2 L and lim t J ( i ) = 0 do not hold. Therefore, e v ( i ) ( t ) could be utilized to compare the various estimates and serve as a basis for the choice of the correct controller applied as v 0 .
It is noted that switching between different controllers does not lead to bad effects on the system stability. When the current controller v 0 ( t ) changes from v ( i ) ( t ) to v ( l ) ( t ) , l i , there is an additional item in the identification model I ( i j ) , that is
B m θ ( i j ) 2 ( t ) Δ v ( t )
where Δ v ( t ) = v ( i ) ( t ) v ( l ) ( t ) . Based on previous analysis, the additional item (57) is bounded. Therefore, the bounded property of closed-loop signals and the convergence of x ( t ) x m ( t ) can still be met.
Therefore, the multiple-model second-level adaptive failure compensation scheme presented in Section 4 makes the system stable and lim t ( x ( t ) x m ( t ) ) = 0 . □
Based on the above analysis, the multiple-model second-level adaptive failure compensation scheme designs a candidate controller for each possible failure pattern and a control signal selection mechanism to choose the optimal one. Each control signal has a simple form, which is beneficial for the practical operation of high-speed trains.
Remark 10.
For the control of high-speed train speed tracking, the traditional adaptive control method has advantages in dealing with the uncertainties of the system and achieving accurate speed tracking control. However, when unknown actuator failures occur in the train, this control method often results in large transient errors. In the study of the high-speed train actuator failure compensation method, the traditional failure compensation control strategy based on multiple-model switching can effectively compensate for the actuator failure. However, the transient response of this controller is poor, which cannot meet the requirements of the train for accurate speed tracking. Compared with the above two methods, the high-speed train failure compensation scheme based on multiple-model second-level adaptive control designed in this paper has the advantages of high tracking accuracy, effective compensation for unknown actuators failures, and good transient performance. Therefore, this method can effectively meet the requirements of train failure compensation and speed tracking.

5. Simulation

In this section, a CRH380A-type high-speed train is taken as an example to undertake the simulation and validate the desired stability and tracking performance of the proposed multiple-model second-level adaptive failure compensation control scheme.

5.1. The Main Parameters of CRH380A

CRH380A [34] adopts the distributed traction technique, which is suitable for implementing the designed multiple-model second-level adaptive failure compensation control scheme in this paper. Its longitudinal motion dynamics are expressed as
x ˙ 1 ( t ) = x 2 ( t ) x ˙ 2 ( t ) = m F ( t ) a b x 2 ( t ) c x 2 2 ( t ) g sin θ 0.004 D
Table 1 shows the main technical parameters of CRH380A.

5.2. Simulation Conditions

The desired speed and displacement curve selected in this paper is a real operation curve of the CRH380A-type high-speed train from the Jinan section to the Xuzhou section, which is shown in Figure 3. There are three working conditions of traction, uniform speed and braking in the process of train operation, and 0–350 s is the traction acceleration stage, 350–2700 s is the uniform speed operation stage, and 2700–3160 s is the braking stage. The total operating time of the journey is 3160 s, the operating mileage is 228 km and the maximum operating speed is 310 km/h.
The parameters in reference model (17) can be selected as the following based on the prior knowledge and characteristic of the CRH380A
A m = 0 1 0.1 0.1 , B m = [ 0 , 1 ] T
Therefore, the external input signal r ( t ) can be calculated using the selected reference model parameters (59) and the desired speed and displacement curve.
Because trains need to perform long-term continuous control tasks, actuators are one of the components that are prone to failure. In the simulation of this paper, the first two actuators of the high-speed train are assumed to be fragile and break down in the journey consequently. Therefore, the actuator failure pattern set σ can be described as the following,
σ : σ ( 1 ) = [ 0 , 0 , 0 , 0 ] T , σ ( 2 ) = [ 1 , 0 , 0 , 0 ] T , σ ( 3 ) = [ 0 , 1 , 0 , 0 ] T , σ ( 4 ) = [ 1 , 1 , 0 , 0 ] T .
and the details of each actuator fault mode are
  • Failure-free: u i = v i , i = 1 , 2 , 3 , 4 , for t < 1000 s.
  • u 1 fails: u 1 = 2 × 10 4 N, u i = v i , i = 2 , 3 , 4 for 1000s t < 2000 s.
  • u 1 and u 2 fail: u 1 = 2 × 10 4 N, u 2 = 2 × 10 4 × sin ( 0.05 t ) N, u i = v i , i = 3 , 4 for 2000 s t < 3000 s.

5.3. Simulation Results and Analysis

With the simulation conditions in Section 5.2, the results obtained from the simulation study are shown in Figure 4, Figure 5 and Figure 6. Figure 4 and Figure 5 are the control performance in terms of displacement tracking and speed tracking over different phases with the proposed control scheme. It can be seen that the multiple-model second level adaptive failure compensation control strategy of the high-speed train designed in this paper has the desired tracking control performance. When the actuator has an unknown failure, it can still achieve a better control effect. The speed and displacement tracking curves closely fit the target curve, the transient response is good, and it can converge quickly when the actuator has unknown failure. The transient error is controlled within 0.4 km/h, which is lower than 1% of the average speed, and it can meet the tracking accuracy and stability requirements of the high-speed train speed tracking control system. Figure 6 shows the controller switching information. It can be seen from the diagram that the controller switching strategy designed in this paper can accurately select the correct controller to control the high-speed train. When a failure occurs, the correct failure compensation controller can be switched within 1 s to compensate for the unknown failure. The simulation results show that the multiple-model second-level adaptive failure compensation controller designed in this paper has the expected failure compensation ability and can ensure the safe operation of the train.

6. Discussion

In order to solve the speed tracking control problem of high-speed trains in the presence of unknown actuator failures, this paper designs a failure compensation control scheme based on the multiple-model second-level adaptive control method. Such a scheme can compensate for unknown actuator failures and can achieve accurate speed and displacement tracking. Compared with the traditional adaptive control method, the multiple-model second-level adaptive failure compensation control scheme designed in this paper can not only effectively solve the failure compensation problem of high-speed trains but also has the advantages of good transient response and high tracking accuracy. However, although the research results of this paper are expected to provide some reference for the realization of high-speed train automatic driving technology, there are still some shortcomings and other potential development directions. For example, this paper regards the high-speed train as a rigid particle to establish a longitudinal dynamic model, ignoring the force between the carriages, which makes many practical problems impossible to study. Secondly, this paper ignores the problem of actuator saturation limitation in the design process. Therefore, it is our next research work to study the multiple-model second-level adaptive failure compensation control scheme considering the actuator saturation limitation.

7. Conclusions

This paper has investigated the failure compensation problem of high-speed trains in the face of modeling uncertainties and unknown actuator failures. A multiple-model second-level adaptive failure compensation scheme is proposed to improve the system transient performance and deal with the uncertainties from modeling and unknown actuator failures. Such a scheme designs a candidate controller for each possible failure pattern and a control signal selection mechanism to choose the correct one. Each candidate controller is designed using a multiple-model second-level adaptive method to achieve fast and accurate failure compensation. The signal selection mechanism is designed to consider the estimation errors related to each individual controller in order to choose the appropriate controller for generating the applied control signal. Simulation results further validate the intended performance of the designed actuator failure compensation scheme.

Author Contributions

Conceptualization, J.Z.; Methodology, J.Z.; validation, C.T., K.J., Z.L. and Y.W.; formal analysis, C.T., J.Z., K.J. and Z.L.; investigation, C.T.; writing—review and editing, J.Z., K.J. and Z.L.; supervision, C.T.; funding acquisition, C.T., K.J. and Y.W. All authors have read and agreed to the published version of the manuscript.

Funding

This work was supported by the National Natural Science Foundation of China under Grants 52472342, 61991404 and 62003138 and by the Jiangxi Provincial Natural Science Foundation under Grants 20242BAB25087 and 20213BCJ22002.

Data Availability Statement

The raw data supporting the conclusions of this article will be made available by the authors on request.

Conflicts of Interest

The authors declare that they have no known competing financial interests or personal relationships that could have appeared to influence the work reported in this paper.

References

  1. Liu, W.; Tang, T.; Su, S.; Yin, J.; Cao, Y.; Wang, C. Energy-Efficient Train Driving Strategy with Considering the Steep Downhill Segment. Processes 2019, 7, 77. [Google Scholar] [CrossRef]
  2. Ning, L.B.; Zhou, M.; Hou, Z.P.; Goverde, R.P.M.; Wang, F.Y.; Dong, H.R. Deep deterministic policy gradient for high-speed train trajectory optimization. IEEE Trans. Intell. Transp. Syst. 2021, 23, 11562–11574. [Google Scholar] [CrossRef]
  3. Yang, J.; Chen, Y.Q.; Wang, P.P. Design of active disturbance rejection controller for train speed tracking based on improved particle swarm optimization. J. China Railway Soc. 2021, 43, 40–46. [Google Scholar]
  4. Li, Z.; Yin, C.; Ji, H.; Hou, Z. Constrained spatial adaptive iterative learning control for trajectory tracking of high speed train. IEEE Trans. Intell. Transp. Syst. 2021, 23, 11720–11728. [Google Scholar] [CrossRef]
  5. Bai, W.; Lin, Z.; Dong, H. Coordinated control in the presence of actuator saturation for multiple high-speed trains in the moving block signaling system mode. IEEE Trans. Veh. Technol. 2020, 69, 8054–8064. [Google Scholar] [CrossRef]
  6. Huang, D.; Chen, Y.; Meng, D.; Sun, P. Adaptive iterative learning control for high-speed train: A multi-agent approach. IEEE Trans. Syst. Man, Cybern. Syst. 2019, 51, 4067–4077. [Google Scholar] [CrossRef]
  7. Gao, S.; Dong, H.; Ning, B.; Zhang, Q. Cooperative prescribed performance tracking control for multiple high-speed trains in moving block signaling system. IEEE Trans. Intell. Transp. Syst. 2018, 20, 2740–2749. [Google Scholar] [CrossRef]
  8. Zhang, K.; Yang, J.; Liu, C.; Wang, J.; Yao, D. Dynamic Characteristics of a Traction Drive System in High-Speed Train Based on Electromechanical Coupling Modeling under Variable Conditions. Energies 2022, 15, 1202. [Google Scholar] [CrossRef]
  9. Zhang, K.; Zhang, H.; Gao, Z.; Su, H. Online adaptive policy iteration based fault-tolerant control algorithm for continuous-time nonlinear tracking systems with actuator failures. J. Frankl. Inst. 2018, 355, 6947–6968. [Google Scholar] [CrossRef]
  10. Yao, X.; Li, S.; Li, X. Composite adaptive anti-disturbance fault tolerant control of high-speed trains with multiple disturbances. IEEE Trans. Intell. Transp. Syst. 2022, 23, 21799–21809. [Google Scholar] [CrossRef]
  11. Mao, Z.; Yan, X.G.; Jiang, B.; Chen, M. Adaptive fault-tolerant sliding-mode control for high-speed trains with actuator faults and uncertainties. IEEE Trans. Intell. Transp. Syst. 2019, 21, 2449–2460. [Google Scholar] [CrossRef]
  12. Zhu, L.; Li, X.; Huang, D.; Dong, H.; Cai, L. Distributed cooperative fault-tolerant control of high-speed trains with input saturation and actuator faults. IEEE Trans. Intell. Veh. 2022, 8, 1241–1251. [Google Scholar] [CrossRef]
  13. Guo, X.G.; Ahn, C.K. Adaptive fault-tolerant pseudo-PID sliding-mode control for high-speed train with integral quadratic constraints and actuator saturation. IEEE Trans. Intell. Transp. Syst. 2020, 22, 7421–7431. [Google Scholar] [CrossRef]
  14. Han, Z.; Narendra, K.S. Second level adaptation using multiple models. In Proceedings of the 2011 American Control Conference, San Francisco, CA, USA, 29 June–1 July 2011; pp. 2350–2355. [Google Scholar]
  15. Narendra, K.S.; Han, Z. A new approach to adaptive control using multiple models. Int. J. Adapt. Control. Signal Process. 2012, 26, 778–799. [Google Scholar] [CrossRef]
  16. Han, Z.; Narendra, K.S. New concepts in adaptive control using multiple models. IEEE Trans. Autom. Control 2011, 57, 78–89. [Google Scholar]
  17. Wu, W.; Wang, X.; Wang, Z.L. Design of multiple-model second level adaptive controller for a class of asymmetric saturation actuators nonlinear system. Control Theory Appl. 2020, 37, 1166–1177. [Google Scholar]
  18. Wang, Y.; Wang, X.; Wang, Z.L. Multiple models second level adaptive control of multivariable periodic systems. Control Theory Appl. 2021, 39, 391–397. [Google Scholar]
  19. Dutta, L.; Kumar Das, D. Adaptive model predictive control design using multiple model second level adaptation for parameter estimation of two-degree freedom of helicopter model. Int. J. Robust Nonlinear Control 2021, 31, 3248–3278. [Google Scholar] [CrossRef]
  20. Zhou, Y.; Zhang, Z. High-speed train control based on multiple-model adaptive control with second-level adaptation. Veh. Syst. Dyn. 2014, 52, 637–652. [Google Scholar] [CrossRef]
  21. Chen, W.; Sun, J.; Chen, C.; Chen, J. Adaptive control of a class of nonlinear systems using multiple models with smooth controller. Int. J. Robust Nonlinear Control 2015, 25, 865–877. [Google Scholar] [CrossRef]
  22. Chen, J.; Chen, W.; Sun, J. Smooth controller design for non-linear systems using multiple fixed models. IET Control Theory Appl. 2017, 11, 1467–1473. [Google Scholar] [CrossRef]
  23. Zhang, K.; Jiang, B.; Chen, F. Multiple-model-based diagnosis of multiple faults with high-speed train applications using second-level adaptation. IEEE Trans. Ind. Electron. 2020, 68, 6257–6266. [Google Scholar] [CrossRef]
  24. Guzinski, J.; Diguet, M.; Krzeminski, Z.; Lewicki, A.; Abu-Rub, H. Application of speed and load torque observers in high-speed train drive for diagnostic purposes. IEEE Trans. Ind. Electron. 2008, 56, 248–256. [Google Scholar] [CrossRef]
  25. Chandra, S. Railway Engineering; Oxford University: Oxford, UK, 2007. [Google Scholar]
  26. Garg, V.K. Dynamics of Railway Vehicle Systems; Academic Press: Cambridge, MA, USA, 1999. [Google Scholar]
  27. Rochard, B.P.; Schmid, F. A review of methods to measure and calculate train resistances. Proc. Inst. Mech. Eng. Part F J. Rail Rapid Transit 2000, 214, 185–199. [Google Scholar] [CrossRef]
  28. Tao, G.; Chen, S.; Tang, X.; Joshi, S.M. Adaptive Control of Systems with Actuator Failures; Springer Science and Business Media: Berlin/Heidelberg, Germany, 2013. [Google Scholar]
  29. Narendra, K.S.; Annaswamy, A.M. Stable Adaptive Systems; Courier Corporation: New York, NY, USA, 2012. [Google Scholar]
  30. Tao, G. Adaptive Control Design and Analysis; John Wiley and Sons: Hoboken, NJ, USA, 2003. [Google Scholar]
  31. Kuipers, M.; Ioannou, P. Multiple model adaptive control with mixing. IEEE Trans. Autom. Control 2010, 55, 1822–1836. [Google Scholar] [CrossRef]
  32. Narendra, K.S.; Balakrishnan, J. Improving transient response of adaptive control systems using multiple models and switching. IEEE Trans. Autom. Control 1994, 39, 1861–1866. [Google Scholar] [CrossRef]
  33. Tan, C.; Tao, G.; Qi, R.; Yang, H. A direct MRAC based multivariable multiple-model switching control scheme. Automatica 2017, 84, 190–198. [Google Scholar] [CrossRef]
  34. Gao, S.; Dong, H.; Chen, Y.; Ning, B.; Chen, G.; Yang, X. Approximation-based robust adaptive automatic train control: An approach for actuator saturation. IEEE Trans. Intell. Transp. Syst. 2013, 14, 1733–1742. [Google Scholar] [CrossRef]
Figure 1. Framework of multiple-model second-level adaptive failure compensation scheme for high-speed trains with unknown actuator failures.
Figure 1. Framework of multiple-model second-level adaptive failure compensation scheme for high-speed trains with unknown actuator failures.
Processes 12 02274 g001
Figure 2. Structure of a second-level adaptive failure compensation controller with a certain failure pattern σ ( i ) .
Figure 2. Structure of a second-level adaptive failure compensation controller with a certain failure pattern σ ( i ) .
Processes 12 02274 g002
Figure 3. Desired speed and displacement curves.
Figure 3. Desired speed and displacement curves.
Processes 12 02274 g003
Figure 4. Displacement tracking and error curves.
Figure 4. Displacement tracking and error curves.
Processes 12 02274 g004
Figure 5. Speed tracking and error curves.
Figure 5. Speed tracking and error curves.
Processes 12 02274 g005
Figure 6. Index of the current controller.
Figure 6. Index of the current controller.
Processes 12 02274 g006
Table 1. The main parameters of CRH380A.
Table 1. The main parameters of CRH380A.
SymbolParameterValue
MMass442t
f r ( t ) General resistance 5.6 + 0.036 v + 0.00121 v 2
DCurvature degree0.35
θ Slope angle1.2%
Disclaimer/Publisher’s Note: The statements, opinions and data contained in all publications are solely those of the individual author(s) and contributor(s) and not of MDPI and/or the editor(s). MDPI and/or the editor(s) disclaim responsibility for any injury to people or property resulting from any ideas, methods, instructions or products referred to in the content.

Share and Cite

MDPI and ACS Style

Tan, C.; Zeng, J.; Jiang, K.; Li, Z.; Wu, Y. A Multiple-Model Second-Level Adaptive Compensation Scheme for High-Speed Trains with Unknown Actuator Failures. Processes 2024, 12, 2274. https://doi.org/10.3390/pr12102274

AMA Style

Tan C, Zeng J, Jiang K, Li Z, Wu Y. A Multiple-Model Second-Level Adaptive Compensation Scheme for High-Speed Trains with Unknown Actuator Failures. Processes. 2024; 12(10):2274. https://doi.org/10.3390/pr12102274

Chicago/Turabian Style

Tan, Chang, Jing Zeng, Kun Jiang, Zhongqi Li, and Yuntao Wu. 2024. "A Multiple-Model Second-Level Adaptive Compensation Scheme for High-Speed Trains with Unknown Actuator Failures" Processes 12, no. 10: 2274. https://doi.org/10.3390/pr12102274

APA Style

Tan, C., Zeng, J., Jiang, K., Li, Z., & Wu, Y. (2024). A Multiple-Model Second-Level Adaptive Compensation Scheme for High-Speed Trains with Unknown Actuator Failures. Processes, 12(10), 2274. https://doi.org/10.3390/pr12102274

Note that from the first issue of 2016, this journal uses article numbers instead of page numbers. See further details here.

Article Metrics

Back to TopTop