Abstract
This research explores the potential of agricultural waste, specifically flax straw, as a sustainable raw material for eco-friendly packaging materials. This study investigates a three-stage delignification process involving nitric acid, alkaline treatment, and organosolvent solutions. This method effectively removes lignin from the straw, resulting in high-quality technical pulp with 67.7% α-cellulose and a significantly reduced ash content (8.5%). X-ray diffraction (XRD) and thermogravimetric analysis (TGA) were employed to characterize the treated flax straw. XRD analysis revealed changes in the cellulose structure, while TGA indicated enhanced thermal stability compared to untreated straw. Microscopic analysis of the pulp fibers shows a parallel and aligned arrangement, suggesting a high fiber content and a strong paper lattice. The particle size distribution of the ground pulp, influenced by fiber size, has implications for the packing density and mechanical properties of the final product. This study demonstrates the potential of agricultural waste as a sustainable source for packaging materials, contributing to the circular economy and waste reduction.
1. Introduction
Global paper consumption, as reported by the UN, has surged by 400% in the last four decades to reach 400 million tons annually, with over half of this utilized for packaging purposes. Projections indicate a further rise to 482 million tons by 2030, with a yearly demand growth of approximately 1.1% [1,2]. The paper industry’s high energy consumption and greenhouse gas (GHG) emissions are significant environmental concerns. The pulp and paper industry contributes 5.7% of industrial final energy use globally. This is due to the fact that paper production requires a lot of electricity, especially for the secondary removal of water. Paper production ranks as the fourth-largest emitter of GHGs within the manufacturing sector, contributing a significant 9% of its total emissions. Each ton of paper produced generates an estimated 950 kg of CO2 equivalent emissions, with energy consumption being the primary culprit. It effectively highlights the growing concern surrounding the paper industry’s significant energy consumption and its substantial contribution to greenhouse gas (GHG) emissions [3,4]. Consequently, the quest for alternative fiber sources to meet the demands of the pulp and paper industry has become a pressing concern.
Traditionally, softwoods and hardwoods have been the primary sources of raw materials for pulp production. However, the exploration of non-wood plant raw materials and agricultural wastes for their potential in paper production has gained significant traction. Non-wood plant raw materials, particularly the stems of cereal crops, are considered promising alternatives due to their annual renewability and lower cost compared to wood [5,6,7]. Among these, flax straw stands out as a viable option, given that only a small fraction is currently utilized in agriculture, while the remainder is typically burned in the fields [8].
Despite the potential of flax straw, its current utilization in agriculture remains limited, with a significant portion often left unutilized and burned in fields. Conventional chemical processing methods typically extract only a fraction of valuable products from straw, neglecting its broader potential as a secondary raw material source. The shift towards using non-wood plant materials in pulp production necessitates advancements in delignification processes. Modern delignification techniques not only optimize straw processing but also align with environmental sustainability goals by minimizing harmful emissions [9,10].
Given that a mere 8% of global paper and board production currently relies on agricultural residues, there is a clear imperative to explore and expand the use of such renewable and sustainable fiber sources. Plant waste materials, with their cellulose-rich composition ranging from 35% to 45%, offer a compelling solution to meet escalating cellulose demands while addressing environmental concerns associated with conventional pulp production methods [11,12].
Cellulose, a key component in papermaking and chemical processing, is vital in producing a range of high-demand products. The increasing emphasis on environmentally friendly production necessitates shifting from sulfur- and chlorine-based processes towards safer alternatives like oxidative delignification using hydrogen peroxide or molecular oxygen [13]. Modified alkaline and nitric acid methods of cellulose treatment are also used [14].
In Kazakhstan, as well as globally, the production of eco-friendly packaging is of significant relevance. Oilseed flax is a promising crop for Kazakhstan, with the cultivation area for this crop having increased significantly from 3.8 thousand hectares to 1345 thousand hectares over the past decade (2013–2022) [15]. Stems (straw) of oilseed flax contain 20–24% fiber material. According to the statistics of the Republic of Kazakhstan, with an average straw yield of 10 c/ha, an average of 1.1 million tons of oilseed flax straw was obtained from sown areas. However, due to the lack of comprehensive technology for processing oilseed flax straw at domestic enterprises, Kazakhstan annually loses 110 thousand tons of fiber (with an average yield of 20%), which is burned in the fields, causing significant environmental harm (Table S1) [15].
This study’s primary objective is to leverage the untapped potential of flax straw as a raw material for pulp production, aligning with global trends toward sustainable, energy-efficient, and chemically safe processes. Through innovative processing techniques, this research aims to extract high-quality pulp from flax straw, contributing to the diversification of raw material sources in the pulp and paper industry [16]. The literature review underscores the viability of agricultural by-products like rapeseed straw [17], triticale straw [18], rice straw [19,20], and wheat straw [21] as promising sources of cellulose fibers, further emphasizing the need to explore and optimize processing methods for these alternative raw materials. The growing interest in extracting cellulose from natural fibers reflects a broader industry shift towards environmentally friendly packaging materials, highlighting the relevance and timeliness of this research endeavor.
This research aims to contribute valuable insights into the feasibility and potential of utilizing flax straw as a sustainable and eco-friendly raw material for paper production, by determining the structural, mechanical, and thermal properties of the resulting paper products.
The scientific novelty of this work lies in the development of an innovative three-stage delignification method for processing flax straw, employing gentler organosolvent cooking conditions to produce high-yield pulp with improved mechanical and thermal properties. This multi-faceted approach combines advanced chemical processing techniques with detailed structural and thermal analyses, offering a new technique for processing cellulose-containing raw materials with rigid structures and long fibers, thus demonstrating the potential of flax straw as a sustainable and high-quality raw material for paper production.
2. Materials and Methods
2.1. Materials
As a control paper, the wrapping paper made according to the standard GOST 8273-75 grade O2—from sulfate, sulfite bleached pulp, sulfite unbleached pulp, and wood pulp—was used [22].
The agricultural waste used in the research was flax straw collected from farm fields of “Harvest-KZ” LLP in the Karaganda region (Republic of Kazakhstan) and transferred to the laboratory. The flax straw was stored at a temperature not higher than +5 °C and a relative humidity of 75–85%. The straw was chopped to a length of 1–2 cm for the experimental study.
Three-layer corrugated cardboard of brown color, T-21 grade, consisting of recycled waste paper, was also used. Pre-shredded cardboard was soaked in water for a day and mixed with the ready slurry before the mechanical processing of all raw materials.
The following reagents were used for laboratory studies:
- (a)
- Sodium hydroxide (NaOH), firm Labopharma LLP (Kazakhstan);
- (b)
- 37% hydrogen peroxide (H2O2), the company “Labopharma” LLP (Kazakhstan);
- (c)
- 70% acetic acid (CH3COOH), firm “DHZ Production” (Russia);
- (d)
- Nitric acid (HNO3), JSC “Base 1 of Chemical Reagents” (Russia).
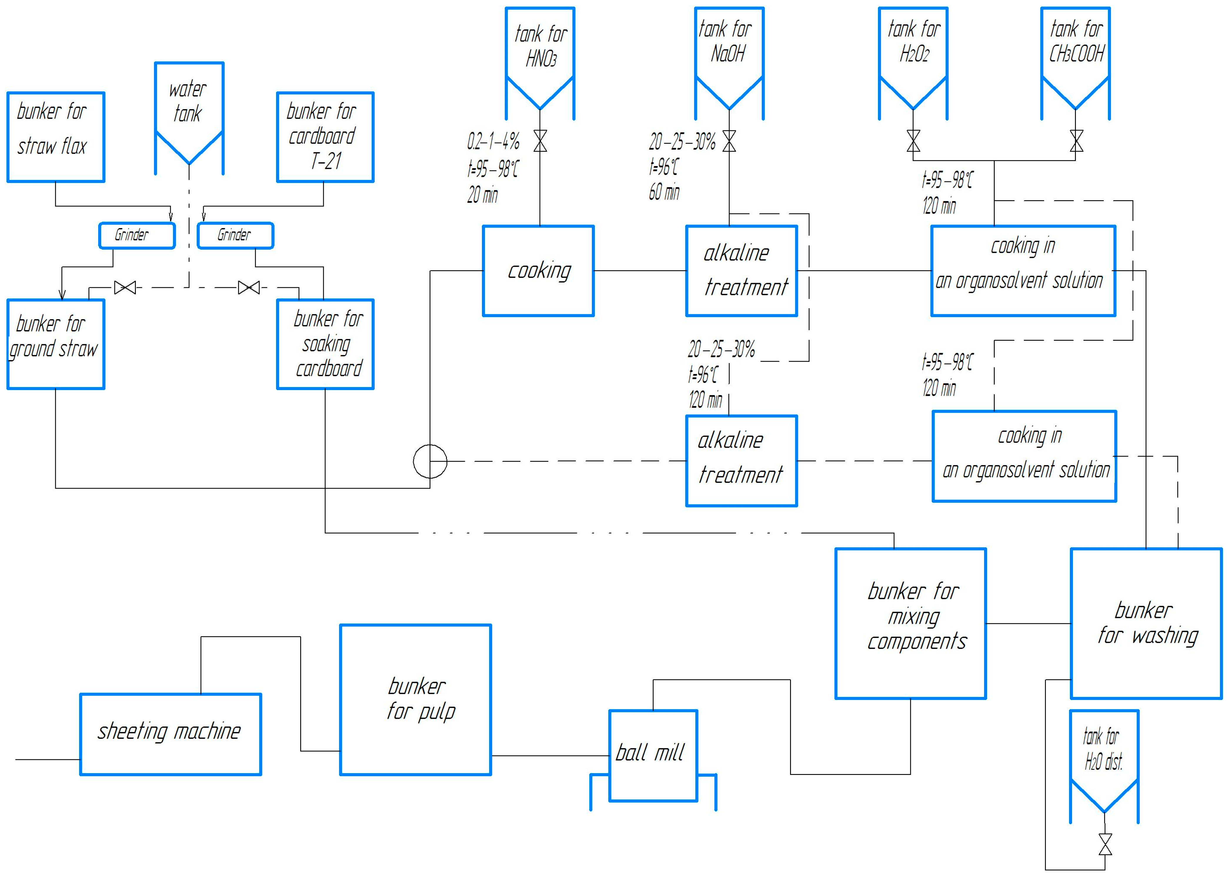
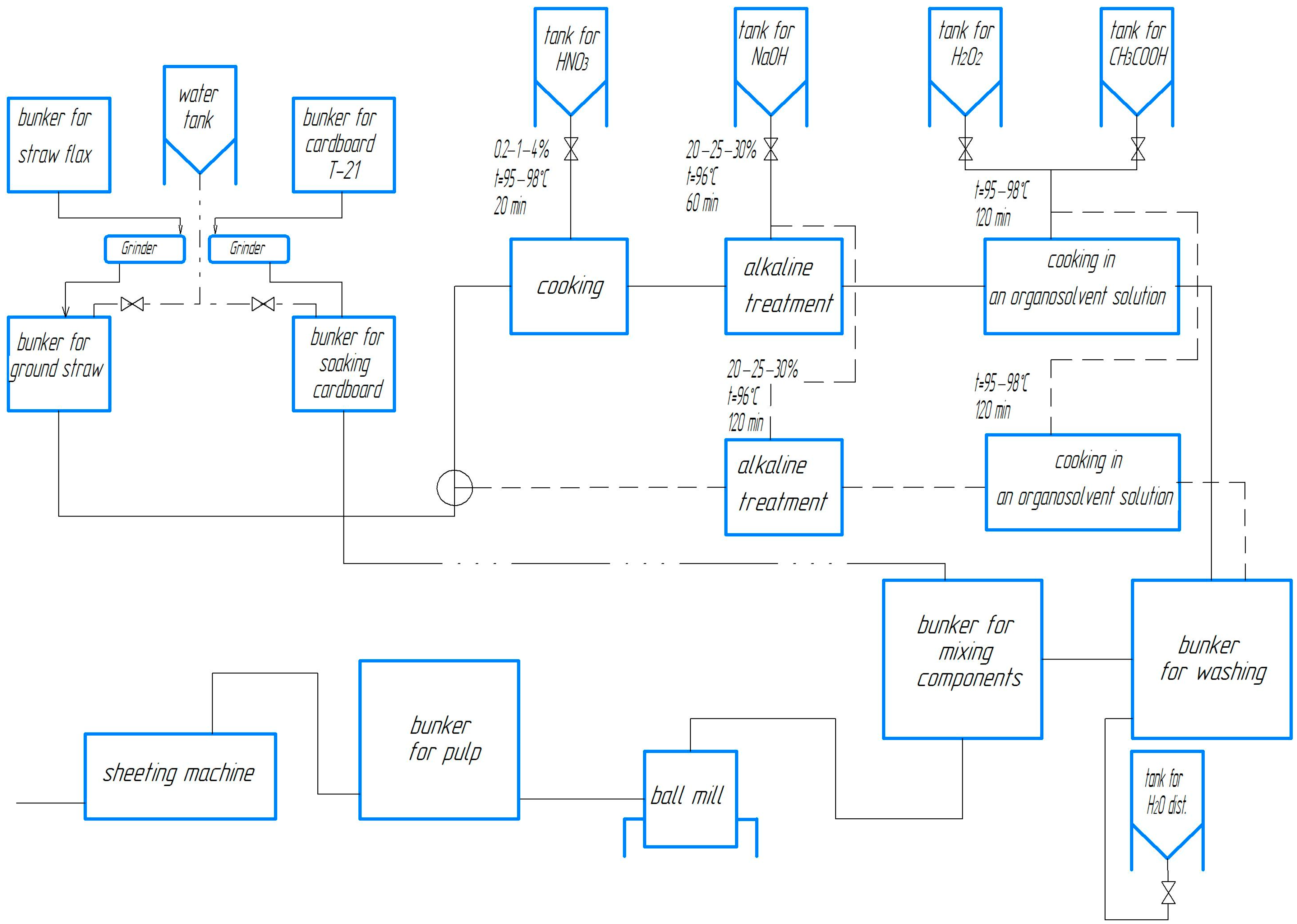
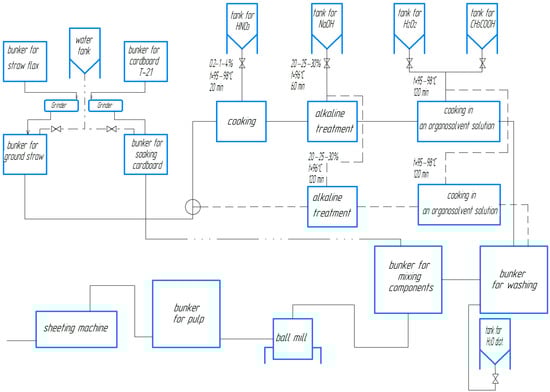
2.2. The Technology of Pulp Production from Flax Straw
At first, the flax straw was immersed in a 2% alkaline solution to eliminate any pathogenic microorganisms and break down acids linked to hemicellulose. Cellulose from flax straw was obtained by using nitric acid and alkaline methods under laboratory conditions. The extraction of technical cellulose from non-wood plant raw materials was carried out in three stages: the first stage—cooking in nitric acid; the second stage—alkaline treatment; and the third stage—boiling in organosolvent solution. After each stage, the flax straw was not washed with water. Cooking was carried out in laboratory conditions in a water bath.
The method consisted of the following steps:
- Cooking in 0.2–1–4% nitric acid solution at 95–98 °C for 120 min. The received suspension was filtered and washed with distilled water.
- Alkaline cooking with 20–25–30% sodium hydroxide solution at 96 °C for 60 min followed by filtration and washing of the suspension with distilled water.
- Treatment with an oxidizing organosolvent (25% acetic acid and 5% hydrogen peroxide) solution at the temperature of 95–98 °C; duration of treatment—120 min.
At the end of cooking, the resulting technical pulp was washed with distilled water to form a neutral reaction, mixed with cardboard pulp, and subjected to mechanical processing with a ball mill.
The adhesive (binding) properties of cellulose are not too great, so we treated the mixture with a solution of gelatin and starch, which would make our future paper more durable. At the same stage, we added modified gelatin, with the help of which cellulose fibers were glued together, and starch as added for whitening and strength.
From the obtained mixture, paper samples were prepared using a sheeting machine BN-8053-01A (Bonnin Company, Wuhan, China). The sheeting machine removed excess moisture and pressed under certain conditions. The finished paper sheets (Figure 1) were dried at 102 °C for 5–7 min in a high-speed dryer BN-DZ01 (BonninTech, Wuhan, China).
Figure 1.
Laboratory samples of paper.
The concentrations of the alkalizing solutions were selected based on several critical factors. First, the chemical composition of flax straw, which has a high lignin content, necessitates more concentrated alkaline solutions to effectively remove lignin. Second, the processing parameters, such as time and temperature, were considered; higher temperatures can accelerate the delignification process, and the processing time also influences the required concentration. Lastly, the production of packaging paper, which demands high pulp content, dictated the use of higher concentrations of alkaline solutions to ensure the quality and mechanical strength of the final product.
The technological scheme of production of castings from flax straw and cardboard includes the following stages:
Stage I. Reception and storage of flax straw and cardboard:
- (1)
- Reception;
- (2)
- Transfer to storage facilities;
- (3)
- Storage.
Stage II. Preparation of raw materials:
- (1)
- Crushing of flax straw;
- (2)
- Shredding of cardboard;
- (3)
- Soaking the crushed straw in water;
- (4)
- Soaking shredded cardboard in water.
Stage III. Preparation of reagents:
- (1)
- Preparation of nitric acid (HNO3);
- (2)
- Preparation of sodium hydroxide (NaOH);
- (3)
- Preparation of oxidizing organosolvent acid from hydrogen peroxide (H2O2) and acetic acid (CH3COOH).
Stage IV. Cooking of straw:
- (1)
- Boiling of crushed and loosened straw in nitric acid; the second and third steps are boiling;
- (2)
- Filtration of the slurry;
- (3)
- Alkaline treatment;
- (4)
- Filtration of the suspension;
- (5)
- Cooking in organosolvent solution;
- (6)
- Filtration of the suspension.
Stage V. Mechanical processing:
- (1)
- Mixing of suspension and pulp from cardboard;
- (2)
- Grinding in a ball mill.
Stage VI. Sheets:
- (1)
- The shredded product was shaped on sheeting machine BN-8053-01A (Bonnin Company, Hubei, China).
The technological scheme of obtaining packaging material from flax straw and cardboard is shown in Figure 2. The production of cellulose from flax straw is shown by two methods; the first method is nitric acid pulping and the second method is alkaline pulping.
Figure 2.
Technological scheme for production of packaging paper.
2.3. Laboratory Methods of Analysis
Determination of α-cellulose was carried out according to GOST 6840-78, “Cellulose. Method for determination of alpha-cellulose content” [23]. The method consists of the treatment of cellulose with 17.5% sodium hydroxide solution and quantitative determination of the undissolved residue after washing with 9.5% sodium hydroxide solution with water and following drying.
Determination of lignin—this was carried out according to GOST 11960-79, “Semifinished fibrous products and raw materials from annual plants for pulp and paper production. Method for determination of lignin” [24]. The method consists of hydrolysis with a mixture of sulfuric and phosphoric acids of fibrous materials and raw materials, previously subjected to extraction with methylene chloride.
The analyzed cellulose is ground into 1 mm × 1.5 mm size pieces and extracted with dichloromethane in a Soxhlet apparatus in accordance with the procedure for the determination of resins and fats. From the bleached air-dried cellulose, a weight of about 1 g is taken and placed in a flask with a lapped stopper of 500 cm3 capacity.
From the flask with the suspension is poured 10 cm3 of hydrochloric acid, and it is put in the thermostat or water bath at (30 ± 0.5) °C for 30 min, with periodical shaking for 1 min every 5–6 min to avoid the formation of lumps. Then, the contents are cooled to room temperature and 90 cm3 of 72% sulfuric acid. The mixture is kept for 1.5 h at temperature (20 ± 0.5) °C, shaking every 10…15 min. After this time, the contents of the flask are diluted with 150 cm3 of distilled water. The obtained solution is brought to a boil, boiled for 1.5–2.0 min, and then the contents of the flask are cooled and filtered. The filtration should be carried out the next day to enlarge the particles and facilitate filtration. The solution with lignin precipitate is filtered through two paper filters. The lignin precipitate and filters are thoroughly washed with hot distilled water until the acid is completely removed. The presence of acid in the wash water and the edges of the filters is checked with a methyl orange indicator.
Filters with lignin are dried in a drying oven at (103 ± 2) °C to a constant weight, and the upper filter with lignin is weighed, placing the lower filter on a cup of analytical scales with a balance.
The mass fraction of acid-soluble lignin L, % to absolutely dry unbleached pulp, is calculated by Formula (1):
where the following variables are used: m—mass of lignin, g;
- g—weight of absolutely dry desiccated pulp sample, g;
- Ke—extraction coefficient, which represents the mass loss of the cellulose sample during pre-extraction.
The difference between the results of two parallel determinations shall not exceed 0.5%.
Physico-chemical parameters of flax straw were determined according to GOST 14897-69 “Flax straw. Technical conditions” [25]. To determine the moisture content, the sample was placed in a drying oven and dried at 105 °C until a constant mass was reached. The moisture content is determined according to Formula (2):
where the following variables are used: m—sample weight before drying, g;
- m1—sample weight after drying, g.
The ash content of cellulose is determined by burning a pulp sample and then calcining the residue until all carbon is removed. Muffle furnace calcination is carried out at temperatures between 550 °C and 800 °C.
2.4. Determination of Tensile Strength
The determination of the tensile strength of paper was carried out on a tensile machine REM.I-5-A-1-1 (Russia) according to the method described in GOST 13525.1-79 “Fiber semi-finished products, paper, and cardboard. Methods for determining the tensile strength and elongation under tension” [26].
The breaking force F and breaking length L were determined. The fixable distance between the clamps in the initial position should be 180 ± 1 mm and 100 ± 1 mm. Other distances can be fixed, in our case, 90 mm. The width of the strips should be in millimeters: for paper—15 ± 0,1; and the length of strips—90 mm with allowance for fixing in clamps. The specimen was fixed in the clamps of the tensile machine without touching its test part, with a tension force not exceeding 0.3 N, so that it did not slip during the test and the applied force had a direction parallel to its edges. Eight paper specimens were tested in machine and transverse directions. The breaking force and elongation were counted to the nearest one-scale division. When determining the breaking length after the test, the ruptured sample was cut off at the edge of the clamps. The cut residues of all samples were weighed together with an error not exceeding 0.001 g. The breaking force was determined by the arithmetic mean of 8 measurements.
The breaking length L in meters is calculated according to Formula (3):
where the following variables are used: F—breaking force, N;
- l0—nominal distance between clamps, mm;
- m—sample weight, g (arithmetic mean of measurement results of all tested samples).
2.5. X-ray Diffraction (XRD)
X-ray diffraction (XRD) is a quick methodical procedure used to create a diffraction pattern whether the material is crystalline or amorphous. The lower peak determines that the crystals are randomly arranged, while the higher peak indicates the desired orientation of the crystals. XRD was performed on an XPERT-PRO diffractometer (PANalytical BV, Almelo, The Netherlands), at room temperature with a copper anti-cathode operating at 40 kV and 30 mA current to check whether the structure of the samples was crystalline or amorphous. Diffraction was performed on energetic samples spread smoothly on a neutral quartz glass sample holder, exposed to a Kα radiation source, and scanned between 15° and 100° at 2 theta angles [27]. Crystallinity was determined using X-ray phase analysis Match! Software Version 4.0 (Crystal Impact, Bonn, Germany). The Miller index was determined using the optional decoding software HighScore Plus software version 4.8 (Malvern Panalytical B.V., Almelo, The Netherlands).
2.6. Thermal Gravimetric Analysis (TGA)
Thermal gravimetric analysis (TGA) was used to determine thermal decomposition, using a NETZSCH STA 449F3 thermogravimetric analyzer (NETZSCH, Selb, Germany). The temperature range of analysis was 25–900 °C at a heating rate of 10 °C/min in a nitrogen atmosphere (10 mL/min). The TGA method used to analyze the average weight loss of the material is recorded as a function of weight and temperature. When the substance is heated in the last stage of ignition, then the weight of the substance decreases with increasing temperature [28].
2.7. X-ray Phase Analysis
X-ray phase analysis for different types of papers was performed on an Epsilon 3 PANalytical B.V. instrument analyzer (Almelo, The Netherlands), which is designed for highly accurate and reproducible analysis of the chemical composition of the sample under study, and it allows for the determination of elements from sodium to uranium and for determining the concentration of these elements in a wide range from fractions of ppm to 100%. The Epsilon 3 spectrometer uses a PANalytical metal-ceramic X-ray tube with a power of up to 15 W, a maximum current of 3 mA, and a maximum voltage of 30 kV, with a thin beryllium window and “sharp” focus, producing useful power at the level of a standard 50 W tube, which allows for very accurate and deep analysis of any material. The studies were carried out in scanning mode [29].
2.8. Microstructure Study
The microstructure of the samples was observed on a scanning electron microscope—JXA-8230 (JEOL Ltd., Tokyo, Japan). The mode of observation and imaging in secondary electrons (SEI) was used for all sample sections. Sample imaging was performed at an accelerating voltage of 20 kV, with an electron beam current much less than 1 nA. The file names of microphotographs in JPEG format indicate the mode of observation (imaging) and magnification. For comparability of images and characterization of microstructures, 3 microphotographs were obtained for each sample at ×40, ×1000, and ×3000 magnifications.
2.9. Determination of Particle Size Distribution
The particle size distribution of ground flax straw cellulose was monitored using a Winner-2005A Intelligent Laser Particle Size Analyzer (Jinan Winner Particle Instrument Stock Co., Jinan, China). The results were expressed in volume, assuming that the particles were spherical. Measurements were taken in triplicate, and then the average particle size (d50), 10th percentile (d10), and 90th percentile (d90) were calculated.
2.10. Statistical Analysis
The data obtained from the experiments were analyzed using one-way analysis of variance (ANOVA) to determine the statistical significance of the results. The ANOVA test was performed with a significance level set at p < 0.05, where a p-value less than 0.05 indicates a statistically significant result. The data collected were analyzed with Excel 2016 (Microsoft, Washington, DC, USA), and statistical analysis was conducted using Statistica 12.0 (STATISTICA, 2014; StatSoft Inc., Tulsa, OK, USA).
3. Results
3.1. Characterization of Cellulose
Straw is an agricultural waste and consists of cellulose, hemicellulose, and lignin. Table 1 shows the chemical characteristics of the components before and after the chemical treatment of straw. Plant straw in its composition contains up to 30% mineral components from absolutely dry raw material. The stage of alkaline treatment is used to remove the mineral component from the cellulose [30]. To select the optimal conditions of alkaline treatment, preliminary studies were carried out and the obtained fiber material was analyzed.
Table 1.
Physico-chemical parameters before and after treatment of flax straw.
Two main factors prevent the hydrolysis of plant straw. These are the strong crystalline structures of cellulose and lignin, which acts as a physical barrier against the action of hydrolyzing agents, microorganisms, enzymes, and water [31].
Alkaline treatment leads to the swelling of the fibers and loosening of the straw. The loosened straw is ready for interaction with the components of the cooking liquid at subsequent stages and efficient delignification [32]. The use of pre-delignification contributed to obtaining cleaner fiber products, mainly reducing the lignin content by almost 5 times: from 24.6 to 4.1%. Ash content was also significantly (p < 0.05) reduced after treatment of flax straw. Analysis of the obtained data shows that the use of the three-stage method of flax straw delignification allows for obtaining a high yield of pulp for further paper forming.
The yield after treatment is reduced due to various technological processes; organic and inorganic substances are removed. This reduces the total weight of the residue. During processing, the lignin decomposes due to chemical reactions, and some of them are turned into volatile substances or dissolved during processing.
These results are in line with the observations reported by Razali et al. (2022), who investigated the extraction of cellulose fiber from rice straw waste. They noted a similar trend, with the α-cellulose content increasing from 53.02% to 84.9% and lignin and ash contents decreasing substantially after chemical treatment [33]. Korchagina et al. (2022) obtained technical cellulose from miscanthus “Fortis” using the nitric acid method, similar to our approach [34]. Their results showed a substantial increase in α-cellulose content (from 49.4% to 94.6% in terms of absolute dry matter) and a significant decrease in ash (from 1.45% to 0.54%) and lignin (from 20.6% to 1.36%) contents after nitric acid treatment, which is consistent with our findings [34]. Shaimerdenov et al. (2022) focused on the chemical composition of flaxseed bark and used various pulping methods, including nitric acid. They found that the pulp obtained via peracetic pulping had an α-cellulose content of 93.2% (in terms of absolute dry matter), an ash content of 0.75%, and a lignin content of 1.17% [35]. Despite the lower α-cellulose content in our work, the difference in the present work is the production of cellulose from flax straw under mild gentle conditions. The use of the organosolvent process for flax straw treatment results in fewer polluting emissions compared to conventional delignification methods such as sulfate or sulfite processes. Wang et al. (2019) reported on the chemical composition of wheat straw, noting that before treatment, it contained 55.68% α-cellulose, 12.80% lignin, and 8.32% ash [36]. These initial values are similar to those of our flax straw, though with a slightly higher initial α-cellulose content and lower lignin content.
The breakage of glycosidic bonds in amorphous areas is caused by pretreatment with acid hydrolysis. Hydrolysis breaks down the amorphous hemicellulose to sugar monomers, in contrast to mechanical degradation, which also breaks down cellulose fibers in crystalline areas [37,38]. Once the hemicellulose is removed, the surface area increases and the pores enlarge, which allows for enzymatic processing. Alkaline treatment hydrolyzes the polysaccharide–lignin bonds, removes the lignin, and reduces the crystallinity of the cellulose. Alkaline treatment is selected for its ability to enhance the quality and properties of cellulose fibers, crucial for producing high-quality paper. This treatment effectively removes lignin and other impurities from straw, a key step in papermaking. By breaking down amorphous regions, alkaline treatment reduces the crystallinity of the pulp, making cellulose fibers more flexible and improving their binding capability, which enhances the mechanical properties of straw-derived paper [39]. The process disrupts complex chemical bonds in polysaccharides and lignin, facilitating lignin removal, which is essential as lignin imparts stiffness to the paper. The crystalline regions of cellulose, reinforced by strong hydrogen bonds and van der Waals interactions, contribute to the high mechanical strength and structural integrity of the fibers [40,41]. These domains enhance the tensile strength, stiffness, and deformation resistance, resulting in paper with superior mechanical properties suitable for packaging and printing applications. Alkaline treatment is also economically efficient due to the availability and lower cost of alkali materials.
Mineral components and part of the lignin are removed by treatment with an alkaline solution, which helps to loosen the structure of the lignocarbon material and leads to hydrolysis of the cellulose matrix. Some non-cellulosic components are removed from the straw during hydrolysis, resulting in a cellulose concentration of up to 70% [42,43]. The basic properties of cellulose samples obtained from wheat and rice straw are identical. It works by weakening and breaking the bonds in the cellulose fiber. When the pulp is milled, access to hydroxyls increases, resulting in the expansion of the cellulose fibers. The swelling helps to intensify the process of breaking or weakening the bonds within the fiber.
3.2. Tensile Strength and Tensile Elongation
Next, the paper prepared on the sheeting equipment was tested on a tensile testing machine. The measurement of paper strength is usually applied to short-term stresses, so this process can be viewed from the perspective of the statistical theory of strength and the paper tensile strength can be considered as a constant value. The tearing of a strip of paper occurs under the action of tensile force F applied to it. The applied force acts on each of the fibers of the paper sheet, which are at different angles to the strip’s longitudinal axis [44].
It is known from [45,46] that at the first stage, even before the visible paper fracture, the bonds between fibers are broken under tension. Further, probably, the weakest fibers begin to break. The sharp cracks begin to develop, which then grow into a main crack due to the redistribution of stresses. As a result, the paper strip tears at this place. Consequently, weak fibers are the initiators of the paper tearing process, and paper tearing can be considered as a type of chain reaction [47].
Tensile length is the length of a strip of paper that breaks under its own weight. Along with the breaking length of the paper, the elongation of the paper is also specified. This is the change in the length of the paper sample until it breaks. The elongation characterizes the elasticity of the paper. The multiplication of the elongation by the tensile strength is called the work of tearing. The greater the work of tear, the better the passability of the paper on the printing press.
The breaking length of flax straw paper varies from 600 m to 2000 m (average value 1100 m). Since Material: 40 g (nitric acid treatment) showed better results, these are the parameters that will be used (Table 2 and Table S2). At the same time, the breaking lengths of 2000 m and 1600 m correspond to the criteria of packing wrapping paper from sulfate, sulfite-bleached cellulose, sulfite-unbleached cellulose, and wood pulp and from unbleached cellulose, semi-bleached cellulose, and wood pulp according to the normative standard GOST 8273-75 “Wrapping paper. Technical conditions” [22]. The high breaking length indicates the considerable strength of the paper, making it suitable for use in the manufacturing of packaging materials such as kraft paper, sacks, and cardboard products.
Table 2.
Breaking length of samples.
3.3. Investigation of Phase Transformation of Laboratory Samples by Structural Analysis Methods
The structural analysis of various laboratory samples revealed significant insights into their phase transformations. For the control paper sample (Figure 3a), the XRD analysis revealed a complex structure characterized by several distinct Miller indices, including (100), (111), (−102), (210), (220), (211), (132), (212), and (−324). The degree of crystallinity for this sample was determined to be 42%, indicating a relatively ordered crystalline structure.
Figure 3.
Results of X-ray phase analysis of the composition of different materials used in the production of paper. (a) Wood pulp used for wrapping paper; (b) flax straw treated with 30% alkaline; (c) flax straw treated with 20% alkaline; (d) flax straw treated with 25% alkaline and 1% nitric acid; (e) flax straw treated with 25% alkaline and 4% nitric acid; (f) 25% wheat straw treated with alkaline; (g) rice straw treated with 25% alkaline; (h) carotene treated from solid wastes.
Flax straw samples treated with varying concentrations of alkali showed notable changes in their crystalline structure. The sample treated with 30% alkali (Figure 3b) displayed a monoclinic lattice with Miller indices (100), (111), (211), (212), and (−324) and a reduced crystallinity of 33%. Similarly, the 20% alkali-treated flax straw (Figure 3c) maintained a monoclinic lattice with identical Miller indices and a slightly higher crystallinity of 34%. When flax straw was treated with a combination of 25% alkali and 1% nitric acid (Figure 3d), the XRD analysis revealed a consistent monoclinic lattice structure with the same Miller indices as the previous samples. However, the degree of crystallinity increased to 35%, reflecting the influence of nitric acid in enhancing the crystalline order of the material. Increasing the nitric acid concentration to 4% while maintaining 25% alkali treatment (Figure 3e) resulted in a similar monoclinic lattice structure but with an enhanced crystallinity of 38%.
Analysis of other straw sources revealed varying results. Wheat straw treated with 25% alkali (Figure 3f) demonstrated a monoclinic lattice with Miller indices (100), (111), (211), (212), and (−324) and a notably higher crystallinity of 44%. In contrast, rice straw subjected to the same treatment (Figure 3g) exhibited a monoclinic lattice with identical Miller indices but a lower crystallinity of 32%. Finally, the XRD analysis of cardboard processed from solid waste (Figure 3h) revealed a monoclinic lattice with Miller indices (100), (111), (211), (212), and (−324). The degree of crystallinity was found to be 32%, comparable to that of rice straw, indicating a similar level of structural order.
The variations in crystallinity reflect the differential impact of alkali and acid treatments on the ordering of cellulose fibers, with significant implications for the mechanical and thermal properties of the resulting materials.
The XRD analysis of the treated flax straw samples reveals notable differences compared to native cellulose (cellulose I). Cellulose I, the prevalent type present in the natural environment (and therefore in paper), exhibits a monoclinic lattice characterized by Miller indices (110), (), (200), and (004), with a high degree of crystallinity typically ranging from 50% to 70% [48]. This high crystallinity reflects the well-ordered arrangement of cellulose chains inherent in natural fibers. Specifically, the positions (2θ) of the crystalline peaks of the cellulose I profile are fixed in ranges of 15°, 16.5°, and 22.75°, corresponding to Miller indices of (), (110), and (200), respectively [49,50]. In contrast, the treated flax samples, while retaining a monoclinic lattice, displayed distinct Miller indices of (100), (111), (211), (212), and (−324) across various treatments, indicating a shift in crystal plane orientation. The crystallinity of the treated samples was significantly lower: 33% for 30% alkali-treated flax, 34% for 20% alkali, 35% for 25% alkali with 1% nitric acid, and 38% when nitric acid concentration was increased to 4%. These results are consistent with findings in the literature, where treatment with alkalis and acids typically reduces crystallinity. For example, French (2014) reported that native cellulose I exhibits peak crystallinity between 60% and 70% [48], while Wang et al. (2022) observed that chemical treatments can reduce crystallinity to 30–40%, aligning with the results of the current study [50]. These results suggest that the alkali and nitric acid treatments disrupt the crystalline structure of cellulose, reducing its crystallinity. However, the gradual increase in crystallinity with higher nitric acid concentrations implies that nitric acid aids in partially restoring or enhancing the crystalline order, though not to the level observed in native cellulose. This highlights the impact of chemical treatments on the structural properties of cellulose fibers.
Flax straw showed a high-intensity diffraction peak at a diffraction angle of 2θ = 22° and scattered on the amorphous part of the sample at a diffraction angle of 2θ = 16°. XRD profiles show changes in line width and intensity of cellulose reflexes at 2θ ≈ 16 and 22° [51]. This is a change in the macromolecular structure of biopolymers when intermolecular bonds are broken during grinding, resulting in an enrichment of the content of the noncrystalline cellulose fraction by the enhancement of fibrillation during biomass grinding [52].
Similar results of diffraction peaks 2θ = 15.1° (110), 16.9° (110), and 23.0° (200) were reported in cellulose extracted from flax straw by high-pressure homogenization [53,54]. In the XRD data, the alkali-treated material is amorphous, indicating that reflection or diffraction does not occur at a specific location. Organosolvent-treated fibers show crystallinity at high-intensity peaks.
3.4. Differential Thermal Analysis
Thermal gravimetric analysis (TGA) is utilized to study the average weight loss of a material by recording it in terms of weight and temperature. When a substance is heated during the last stage of ignition, then the weight of the substance decreases with increasing temperature. The weight loss curve of TGA cellulose shows three stages of thermal degradation (Figure 4). The first weight loss is due to dehydration, which loses 0.55–1.22% of mass at temperatures ranging from 25 to 127 °C. The second and largest mass loss of cellulose fibers was observed at 206–400 °C, indicating the decomposition of amorphous cellulose. The depolymerization of hemicellulose occurs between 180 and 350 °C. The random cleavage of cellulose glycosidic bond occurs at temperatures between 275 and 350 °C, and the decomposition of residual lignin begins at 160 °C and is completed at 900 °C [55]. These results indicate that the thermal stability of flax straw fibers increases after chemical treatment.



Figure 4.
Thermal gravimetric analysis of samples.
When cellulose is heated, several key processes occur:
- Moisture evaporation (100–200 °C):
In the first stages of heating, up to about 100 °C, adsorbed moisture (physically bound water) is removed, followed by a small loss of weight.
- 2.
- Dehydration and degradation (200–300 °C):
In this temperature range, chemical dehydration and destruction of the cellulose structure begins. The hydroxyl groups (-OH) in the cellulose molecule begin to break apart, resulting in the formation of water and its release as vapor. This is indicated by a significant decrease in the mass of the sample on the TGA curve. The main thermal decomposition of cellulose begins at about 250–300 °C.
- 3.
- Decomposition of the crystalline phase (300–350 °C):
Upon further heating, the crystalline structure of cellulose breaks down. The hydrogen bonds that provide stability to the crystalline phase are broken and the emission of volatile decomposition products such as carbon dioxide, hydrocarbons, and other organic compounds begins. A sharp decrease in mass is observed on the TGA curve.
- 4.
- Complete decomposition (350–400 °C):
The decomposition of cellulose is completed at about 350–400 °C, after which the remaining mass consists of carbon residue (char) and ash. This is shown by the stabilization of the TGA curve after a major mass reduction.
3.5. Scanning Electron Microscopy
3.5.1. Sample #1 Control Sample (Wrapping Paper)
This sample is a substance with long tangled fibers up to 30 µm wide. At high magnifications, it was possible to reveal a reticulate-fibrillar structure of the fibers. A large number of fine particles with sizes much smaller than a micron were observed on the fibers (Figure 5).
Figure 5.
Microphotographs of the control paper sample.
3.5.2. Sample #2 (Flax Straw Treated with 30% NaOH)
This sample is a substance with two types of fibers: in the form of long tangled fibers up to 30 µm wide and in the form of short and wide (up to 0.33 mm) fibers. At high magnifications, it was possible to reveal a segmental-jointed and fine structure of fibers with a thickness of about 0.1 μm (Figure 6).
Figure 6.
Microphotographs of paper sample #2.
3.5.3. Sample #3 (Flax Straw Treated with 20% NaOH)
This sample is a substance with two types of fibers: in the form of long tangled fibers with a width of about 15 µm and in the form of short and wide (up to 0.3 mm) fibers, the ends of which have a “fractured” appearance. At high magnifications, a segmental-jointed and fine structure of fibers with a thickness of about 0.1 μm was revealed (Figure 7).
Figure 7.
Microphotographs of paper sample #3.
3.5.4. Sample #4 (Flax Straw Treated with Nitric Acid 1% and NaOH 25%)
This sample represents particles with branched edges creating between each other areas of cleavage, characterized by the presence of interconnected-with-each-other smaller (about 3 μm) particles (Figure 8).
Figure 8.
Microphotograph of paper sample #4.
3.5.5. Sample #5 (Flax Straw Treated with 4% Nitric Acid and 25% NaOH)
This sample is a substance with two types of fibers: in the form of long tangled fibers with a width of about 6 µm and in the form of short (up to 1 mm) and wide (up to 0.4 mm) fibers, the ends of which have the appearance of even breaks (Figure 9).
Figure 9.
Microphotograph of paper sample #5.
3.5.6. Sample #6 (Wheat Straw Treated with 25% NaOH)
The sample is a substance with long tangled fibers up to 50 µm wide (Figure 10).
Figure 10.
Microphotograph of paper sample #6.
3.5.7. Sample #7 (Rice Straw Treated with 25% NaOH)
The sample is a substance with two types of fibers: in the form of long tangled fibers with a width of about 10 µm and in the form of short (up to 1 mm) and wide (up to 130 mm) fibers, the ends of which have the appearance of smooth fractures (with a few exceptions). At high magnifications, a layered structure with microcracks and a very fine structure of fibers in the form of “hairs” up to 1 μm long and about 0.1 μm thick were revealed (Figure 11).
Figure 11.
Microphotographs of paper sample #7.
3.5.8. Sample #8 (Cardboard)
This sample is a substance with long tangled fibers up to 50 µm wide, and at high magnifications a segmental-jointed structure is revealed (Figure 12).
Figure 12.
Microphotographs of paper sample #8.
Analysis of the micrographs shows the structure and arrangement of the fiber bundles within the pulp fibers. The pulp fibers are parallel, aligned, and close to each other. This indicates a higher fiber content as well as long fibers that create a lattice for the strength of the paper.
3.6. Laser Analysis of Particles
The particle size distribution of ground flax straw cellulose particles is shown in Table 3.
Table 3.
Particle size distribution of pulverized flax straw pulp particles.
Fiber size significantly affects the parameters of lignocellulosic material as it is related to the structure and physical and chemical properties of plants. Looking at these data, we can understand that the pulverized flax straw pulp has a relatively broad particle size distribution. The particle size distribution of ground pulp from flax straw treated with NaOH 30% shows there is a range of particle sizes present, from small (around 32.0 µm) to large (over 63,000 µm), with the median size being around 48.4 µm. The average diameter (Dav) of 47.9 µm is close to the median (D50), which suggests the distribution might be somewhat symmetrical. The particle size distribution can influence factors like packing density and mechanical properties.
4. Conclusions
The results of this investigation demonstrate the feasibility of utilizing flax straw as an eco-friendly and sustainable source for paper manufacturing. The three-stage delignification method, which employs a combination of nitric acid, alkaline, and organosolvent treatments, significantly enhances the quality of the extracted pulp. This process reduces lignin content by almost five times, resulting in a cleaner, higher-yield pulp with improved mechanical and thermal properties. The tensile strength and breaking length of the resulting paper meet the standards required for packaging materials, demonstrating its potential for industrial applications. Structural analysis revealed crystallinity changes in cellulose fibers after chemical treatments, indicating successful modification of the biomass structure. Thermal analysis showed improved thermal stability of the treated fibers, with major decomposition occurring between 206 and 400 °C. This enhanced thermal resistance is beneficial for various paper applications. Particle size analysis of the pulverized pulp revealed a broad distribution with a median size of 48.4 μm, which can influence the paper’s physical properties and processing characteristics. The developed process offers a more environmentally friendly approach compared to conventional sulfate or sulfite methods, aligning with the growing demand for sustainable packaging materials. Further research should focus on optimizing the three-stage delignification process to enhance the efficiency and yield of pulp from flax straw and explore methods to further enhance the mechanical and physical properties of paper produced from flax straw pulp.
Supplementary Materials
The following supporting information can be downloaded at: https://www.mdpi.com/article/10.3390/pr12102070/s1, Figure S1: X-ray spectra of samples of different papers; Figure S2: Boiling straw in a water bath; Table S1: Sown areas, gross yields and yields of flax (seeds) and straw (fiber) in the Republic of Kazakhstan (2013–2022); Table S2: Results of measuring the breaking force F (kN); Table S3: X-ray phase analysis of minerals for different types of papers.
Author Contributions
Conceptualization, M.S.; data curation, Z.S. and G.K.; formal analysis, M.S. and A.I.; Investigation, N.M., A.I. and G.K.; methodology, Z.S. and A.I.; project administration, N.M.; resources, Z.S.; validation, M.S., N.K. and G.K.; writing—original draft, N.M. and N.K.; writing—review and editing, N.K. All authors have read and agreed to the published version of the manuscript.
Funding
This research was funded by Ministry of Trade and Integration of the Republic of Kazakhstan, grant number IRN BR12967830, “Development of technical regulation tools to improve efficiency, safety, resource saving of food production and environmentally friendly packaging”.
Informed Consent Statement
Informed consent for participation was obtained from all subjects involved in the study.
Data Availability Statement
The original contributions presented in the study are included in the article/Supplementary Materials, further inquiries can be directed to the corresponding author.
Conflicts of Interest
The authors declare no conflict of interest.
References
- Erikli, E. Testing the Suitability of the Waste Packaging Cardboards for External Environmental Conditions to Reuse as Animal Shelter. Eur. J. Res. Dev. 2023, 3, 80–90. [Google Scholar] [CrossRef]
- Available online: https://www.statista.com/statistics/1089078/demand-paper-globally-until-2030/ (accessed on 7 June 2024).
- IEA. Pulp and Paper. 2023. Available online: https://www.iea.org/reports/pulp-and-paper (accessed on 7 June 2024).
- Sun, M.; Wang, Y.; Shi, L.; Klemeš, J. Uncovering energy use, carbon emissions and environmental burdens of pulp and paper industry: A systematic review and meta-analysis. Renew. Sustain. Energy Rev. 2018, 92, 823–833. [Google Scholar] [CrossRef]
- Mathura, F.; Maharaj, R. Non-wood Plants as Sources of Cellulose for Paper and Biodegradable Composite Materials: An Updated Review. Curr. Mater. Sci. 2024, 17, 321–335. [Google Scholar] [CrossRef]
- Serrano, I.; Afailal, Z.; Sánchez-Paniagua, N.; González, P.; Bautista, A.; Gil-Lalaguna, N.; Gonzalo, A.; Arauzo, J.; Crespo, C.; Sánchez, J.L. Production of derivatives from wheat straw as reinforcement material for paper produced from secondary fibers. Cellulose 2024, 31, 2541–2556. [Google Scholar] [CrossRef]
- Tanveer, A.; Gupta, S.; Dwivedi, S.; Yadav, K.; Yadav, S.; Yadav, D. Innovations in papermaking using enzymatic intervention: An ecofriendly approach. Cellulose 2023, 30, 7393–7425. [Google Scholar] [CrossRef]
- Egamberdiyev, E.; Ergashev, Y.; Akmalova, G.; Rahmonberdiyev, G. Effects and Analysis of Chytazone in the Process of Processing Paper from Natural polymeres. In E3S Web of Conferences; Slimani, K., Gerasymov, O., Kerkeb, M.L., Eds.; EDP Sciences: Les Ulis, France, 2024; Volume 477, p. 00053. [Google Scholar] [CrossRef]
- Danielewicz, D. Industrial Hemp as a Potential Nonwood Source of Fibres for European Industrial-Scale Papermaking—A Review. Materials 2023, 16, 6548. [Google Scholar] [CrossRef]
- Sood, S.; Sharma, C. Study on fiber furnishes and fiber morphological properties of commonly used Indian food packaging papers and paperboards. Cellul. Chem. Technol. 2021, 55, 125–131. [Google Scholar] [CrossRef]
- Aziz, T.; Haq, F.; Farid, A.; Kiran, M.; Faisal, S.; Ullah, A.; Ullah, N.; Bokhari, A.; Mubashir, M.; Chuah, L.F.; et al. Challenges associated with cellulose composite material: Facet engineering and prospective. Environ. Res. 2023, 223, 115429. [Google Scholar] [CrossRef]
- Denisova, M.N. Characteristics of cellulose samples from cereal straw obtained by hydrotropic method and results of their study as substrates for enzymatic hydrolysis. Polzunov Bull. 2016, 4, 170–173. [Google Scholar]
- Manian, A.P.; Cordin, M.; Pham, T. Extraction of cellulose fibers from flax and hemp: A review. Cellulose 2021, 28, 8275–8294. [Google Scholar] [CrossRef]
- Korchagina, A.A.; Gismatulina, Y.A.; Budaeva, V.V.; Zolotukhin, V.N.; Bychin, N.V.; Sakovich, G.V. Miscanthus × giganteus var. KAMIS as a new feedstock for cellulose nitrates. J. Sib. Fed. Univ. Chem. 2020, 13, 565–577. [Google Scholar] [CrossRef]
- Bureau of National Statistics, Agency for Strategic Planning and Reforms of the Republic of Kazakhstan. Available online: https://stat.gov.kz/ru/ (accessed on 12 May 2023).
- Biermann, C. Nonwood Fiber Use in Pulp and Paper; Academic Press: Cambridge, MA, USA, 1996; pp. 633–640. [Google Scholar] [CrossRef]
- Mousavi, S.; Hosseini, S.; Resalati, H.; Mahdavi, S.; Garmaroody, E. Papermaking potential of rapeseed straw, a new agricultural-based fiber source. J. Clean. Prod. 2013, 52, 420–424. [Google Scholar] [CrossRef]
- Plazonić, I.; Barbarić-Mikočević, Ž.; Antonović, A. Chemical Composition of Straw as an Alternative Material to Wood Raw Material in Fibre Isolation. Drv. Ind. 2016, 67, 119–125. [Google Scholar] [CrossRef]
- El-Sayed, E.; El-Sakhawy, M.; El-Sakhawy, M. Non-wood fibers as raw material for pulp and paper industry. Nord. Pulp Pap. Res. J. 2020, 35, 215–230. [Google Scholar] [CrossRef]
- Sinha, A. Formic Acid Pulping Process of Rice Straw for Manufacturing of Cellulosic Fibers with Silica. August 2021; TAPPI: Peachtree Corners, GA, USA, 2021. [Google Scholar] [CrossRef]
- Singh, S.; Dutt, D.; Tyagi, C. Complete characterization of wheat straw (Triticum Aestivum Pbw-343 l. Emend. Fiori & Paol.)—A renewable source of fibres for pulp and paper making. Bioresources 2011, 6, 154–177. [Google Scholar]
- GOST 8273-75; Packing Paper: Specifications. Standards Publishing House: Moscow, Russia, 2015.
- GOST 6840-78; Cellulose: Method for Determination of Alpha-Cellulose Content. Standards Publishing House: Moscow, Russia, 1978; 6p.
- GOST 11960-79; Semifinished Fibrous Products and Raw Materials from Annual Plants for Pulp and Paper Production. Method for Determination of Lignin. Standards Publishing House: Moscow, Russia, 1981; 9p.
- GOST 14897-69; Flax Straw. Technical Conditions. Standards Publishing House: Moscow, Russia, 1969; 16p.
- GOST 13525.1-79; Fiber Semi-Finished Products, Paper and Cardboard. Methods of Determination of Tensile Strength and Tensile Elongation. Standards Publishing House: Moscow, Russia, 1980; 4p.
- Ju, X.; Bowden, M.; Brown, E.E.; Zhang, X. An improved X-ray diffraction method for cellulose crystallinity measurement. Carbohydr. Polym. 2015, 123, 476–481. [Google Scholar] [CrossRef] [PubMed]
- Wang, B.; Li, Y.; Zhou, J.; Wang, Y.; Tao, X.; Zhang, X.; Song, W. Thermogravimetric and Kinetic Analysis of High-Temperature Thermal Conversion of Pine Wood Sawdust under CO2/Ar. Energies 2021, 14, 5328. [Google Scholar] [CrossRef]
- Revenko, A.G.; Sharykina, D.S. The application of X-ray fluorescence analysis to research the chemical compositions of tea and coffee samples. Anal. I Kontrol 2019, 23, 6–23. [Google Scholar] [CrossRef]
- Sun, S.; Zhang, L.; Liu, F.; Fan, X.; Sun, R.C. One-step process of hydrothermal and alkaline treatment of wheat straw for improving the enzymatic saccharification. Biotechnol. Biofuels 2018, 11, 137. [Google Scholar] [CrossRef]
- Krupin, V.I.; Demyanovskaya, N.V.; Kudryashov, V.N. Straw—Raw material for paper industry. Straw—Raw material for paper industry. Cellul. Pap. Cardboard 2010, 3, 50–51. [Google Scholar]
- Puițel, A.C.; Suditu, G.D.; Drăgoi, E.N.; Danu, M.; Ailiesei, G.-L.; Balan, C.D.; Chicet, D.-L.; Nechita, M.T. Optimization of Alkaline Extraction of Xylan-Based Hemicelluloses from Wheat Straws: Effects of Microwave, Ultrasound, and Freeze–Thaw Cycles. Polymers 2023, 15, 1038. [Google Scholar] [CrossRef]
- Razali, N.A.M.; Mohd Sohaimi, R.; Othman, R.N.I.R.; Abdullah, N.; Demon, S.Z.N.; Jasmani, L.; Yunus, W.M.Z.W.; Ya’acob, W.M.H.W.; Salleh, E.M.; Norizan, M.N.; et al. Comparative Study on Extraction of Cellulose Fiber from Rice Straw Waste from Chemo-Mechanical and Pulping Method. Polymers 2022, 14, 387. [Google Scholar] [CrossRef]
- Korchagina, A.A.; Gismatulina, Y.A.; Kortusov, A.N.; Zolotukhin, V.N. Miscanthus “Fortis” and cellulose obtained from it. In Technologies and Equipment of Chemical, Biotechnological and Food Industries; Publishing House of Altai State Technical University: Biysk, Russia, 2022; pp. 106–110. [Google Scholar] [CrossRef]
- Shaimerdenov, J.N.; Dalabaev, A.B.; Temirova, I.J.; Aldieva, A.B.; Sakenova, B.A.; Zhunusova, K.Z.; Iztaev, A. Study of the chemical composition of oilseed flax straw for cellulose production. Sci. News Kazakhstan 2020, 2, 80–88. [Google Scholar]
- Wang, J.; Wang, B.; Liu, J.; Ni, L.; Li, J. Effect of Hot-Pressing Temperature on Characteristics of Straw-Based Binderless Fiberboards with Pulping Effluent. Materials 2019, 12, 922. [Google Scholar] [CrossRef]
- Chen, X.; Li, H.Y.; Sun, S.N.; Cao, X.F.; Sun, R.C. Effect of hydrothermal pretreatment on the structural changes of alkaline ethanol lignin from wheat straw. Sci. Rep. 2016, 6, 39354. [Google Scholar] [CrossRef] [PubMed]
- Xiu, H.; Cheng, R.; Li, J.; Ma, F.; Song, T.; Yang, X.; Feng, P.; Zhang, X.; Kozliak, E.; Ji, Y. Effects of acid hydrolysis waste liquid recycle on preparation of microcrystalline cellulose. Green Process. Synth. 2019, 8, 348–354. [Google Scholar] [CrossRef]
- Xu, E.; Wang, D.; Lin, L. Chemical Structure and Mechanical Properties of Wood Cell Walls Treated with Acid and Alkali Solution. Forests 2020, 11, 87. [Google Scholar] [CrossRef]
- Marcuello, C.; Foulon, L.; Chabbert, B.; Molinari, M. Langmuir-Blodgett Procedure to Precisely Control the Coverage of Functionalized AFM Cantilevers for SMFS Measurements: Application with Cellulose Nanocrystals. Langmuir 2018, 34, 9376–9386. [Google Scholar] [CrossRef]
- Spagnuolo, L.; D’Orsi, R.; Operamolla, A. Nanocellulose for Paper and Textile Coating: The importance of Surface Chemistry. ChemPlusChem 2022, 87, e202200204. [Google Scholar] [CrossRef]
- Zhang, M.; Xu, Y.; Li, K. Removal of residual lignin of ethanol-based organosolv pulp by an alkali extraction process. J. Appl. Polym. Sci. 2007, 106, 630–636. [Google Scholar] [CrossRef]
- Cavali, M.; Soccol, C.; Tavares, D.; Torres, L.; Tanobe, V.; Filho, A.; Woiciechowski, A. Effect of sequential acid-alkaline treatment on physical and chemical characteristics of lignin and cellulose from pine (Pinus spp.) residual sawdust. Bioresour. Technol. 2020, 316, 123884. [Google Scholar] [CrossRef] [PubMed]
- Park, N.; Ko, Y.; Melani, L.; Kim, H. Mechanical properties of low-density paper. Nord. Pulp Pap. Res. J. 2020, 35, 61–70. [Google Scholar] [CrossRef]
- I’Anson, S.; Karademir, A.; Sampson, W. Specific contact area and the tensile strength of paper. Appita J. 2006, 59, 297–301. [Google Scholar]
- Nicomrat, D.; Tharajak, J. A Potential Application of the Mechanical Tensile Strength Test for Indicating Paper Biodegradation. Key Eng. Mater. 2016, 723, 183–190. [Google Scholar] [CrossRef]
- Hirn, U.; Schennach, R. Comprehensive analysis of individual pulp fiber bonds quantifies the mechanisms of fiber bonding in paper. Sci. Rep. 2015, 5, 10503. [Google Scholar] [CrossRef]
- French, A.D. Idealized powder diffraction patterns for cellulose polymorphs. Cellulose 2014, 21, 885–896. [Google Scholar] [CrossRef]
- Zhang, X.; Xiao, N.; Wang, H.; Liu, C.; Pan, X. Preparation and Characterization of Regenerated Cellulose Film from a Solution in Lithium Bromide Molten Salt Hydrate. Polymers 2018, 10, 614. [Google Scholar] [CrossRef] [PubMed]
- Wang, H.; Kataoka, H.; Tsuchikawa, S.; Inagaki, T. Terahertz time-domain spectroscopy as a novel tool for crystallographic analysis in cellulose: Cellulose I to cellulose II, tracing the structural changes under chemical treatment. Cellulose 2022, 29, 3143–3151. [Google Scholar] [CrossRef]
- Kouko, J.; Jajcinovic, M.; Fischer, W.; Ketola, A.; Hirn, U.; Retulainen, E. Effect of mechanically induced micro deformations on extensibility and strength of individual softwood pulp fibers and sheets. Cellulose 2019, 26, 1995–2012. [Google Scholar] [CrossRef]
- Csiszár, E.; Fekete, E.; Tóth, A.; Bandi, É.; Koczka, B.; Sajó, I. Effect of Particle Size on the Surface Properties and Morphology of Ground Flax. Carbohydr. Polym. 2013, 94, 927–933. [Google Scholar] [CrossRef] [PubMed][Green Version]
- Csiszár, E.; Fekete, E. Microstructure and Surface Properties of Fibrous and Ground Cellulosic Substrates. Langmuir 2011, 27, 8444–8450. [Google Scholar] [CrossRef]
- Kusmono; Listyanda, R.F.; Wildan, M.W.; Ilman, M.N. Preparation and characterization of cellulose nanocrystal extracted from ramie fibers by sulfuric acid hydrolysis. Heliyon 2020, 6, e05486. [Google Scholar] [CrossRef]
- Wang, Y.; Wei, X.; Li, J.; Wang, Q.; Wang, F.; Kong, L. Homogeneous Isolation of Nanocellulose from Cotton Cellulose by High Pressure Homogenization. J. Mater. Sci. Chem. Eng. 2013, 1, 49–52. [Google Scholar] [CrossRef]
Disclaimer/Publisher’s Note: The statements, opinions and data contained in all publications are solely those of the individual author(s) and contributor(s) and not of MDPI and/or the editor(s). MDPI and/or the editor(s) disclaim responsibility for any injury to people or property resulting from any ideas, methods, instructions or products referred to in the content. |
© 2024 by the authors. Licensee MDPI, Basel, Switzerland. This article is an open access article distributed under the terms and conditions of the Creative Commons Attribution (CC BY) license (https://creativecommons.org/licenses/by/4.0/).














