Cause Analysis of Condensed Water Induced Bulging in High-Pressure Steam Tee Joints of a Pyrolyzer
Abstract
1. Introduction
2. Experimental Failure Analysis
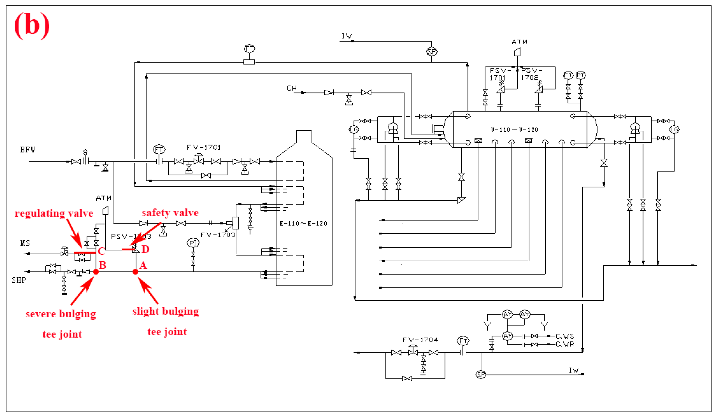
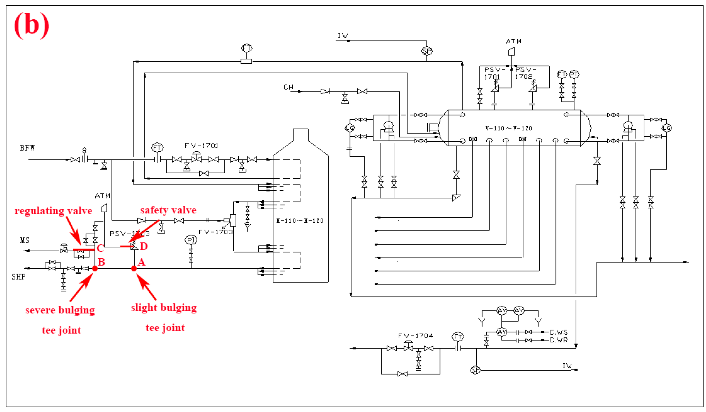
2.1. Visual Inspection and Sampling
2.2. Thickness and External Diameter Measurement
2.3. Chemical and Mechanical Properties
2.4. Metallographic Observation for a Bulging High-Pressure Steam Tee Joint
2.5. Numerical Simulation
2.5.1. Mathematical Model
2.5.2. Simulation of the Precipitation for Condensed Water
2.5.3. Simulation of Stress Field and Condensed Water Dropping on the Hot Cylinder
3. Discussion
4. Conclusions and Countermeasures
- (1)
- Replace the unqualified pipes and conduct inspections on pipes under similar service conditions.
- (2)
- Place emphasis on the inspection and life cycle assessment of high-pressure steam pipes.
Supplementary Materials
Author Contributions
Funding
Data Availability Statement
Conflicts of Interest
References
- Vetriselvan, R.; Sathiya, P.; Ravichandran, G. Experimental and numerical investigation on thermal fatigue behaviour of 9Cr 1Mo steel tubes. Eng. Fail. Anal. 2018, 84, 139–150. [Google Scholar] [CrossRef]
- Shami, A.; Moussavi Torshizi, S.E.; Jahangiri, A. Failure Analysis and Remedial Solution Suggestion for Superheater Tubes of a Power Plant Boiler. Trans. Indian Inst. Met. 2020, 73, 1729–1741. [Google Scholar] [CrossRef]
- Huda, Z. Failure Analysis of Steel Superheater Tube Fractured in a Boiler of a Power Plant. Key Eng. Mater. 2011, 462–463, 467–471. [Google Scholar] [CrossRef]
- Maharaj, C.; Dear, J.P.; Morris, A. A Review of Methods to Estimate Creep Damage in Low-Alloy Steel Power Station Steam Pipes. Strain 2009, 45, 316–331. [Google Scholar] [CrossRef]
- Niu, X.; Gong, J.; Jiang, Y.; Bao, J. Creep damage prediction of the steam pipelines with high temperature and high pressure. Int. J. Pres. Ves. Pip. 2009, 86, 593–598. [Google Scholar] [CrossRef]
- Chu, Q.; Zhang, M.; Li, J.; Chen, Y.; Luo, H.; Wang, Q. Failure analysis of a steam pipe weld used in power generation plant. Eng. Fail. Anal. 2014, 44, 363–370. [Google Scholar] [CrossRef]
- Sierra-Espinosa, F.Z.; García, J.C. Vibration failure in admission pipe of a steam turbine due to flow instability. Eng. Fail. Anal. 2013, 27, 30–40. [Google Scholar] [CrossRef]
- Zhang, J.X.; Bai, Y.Q.; Kang, J.; Wu, X. Failure analysis and erosion prediction of tee junction in fracturing operation. J. Loss Prev. Proc. 2017, 46, 94–107. [Google Scholar] [CrossRef]
- Zhang, S. Failure analysis on tee pipe of duplex stainless in an oilfield. Eng. Fail. Anal. 2020, 115, 104676. [Google Scholar] [CrossRef]
- Fang, Y.; Xu, S.; Zeng, Q.; Wang, C.; Song, M. Failure Analysis of Tees on Heat Exchanger Inlet. J. Fail. Anal. Prev. 2019, 19, 782–791. [Google Scholar] [CrossRef]
- Watson, J.F.; Rance, J.M.; Anderson, H.J. Analysis of the fatigue failure of tee pieces forming part of a header in a descaling system in a hot strip rolling mill. Int. J. Press. Vessel. Pip. 1996, 68, 121–126. [Google Scholar] [CrossRef]
- Ashrafizadeh, H.; Karimi, M.; Ashrafizadeh, F. Failure analysis of a high pressure natural gas pipe under split tee by computer simulations and metallurgical assessment. Eng. Fail. Anal. 2013, 32, 188–201. [Google Scholar] [CrossRef]
- Zheng, X.F.; Feng, Y.T.; Niu, X.G.; Wang, Q.; Hao, X.J.; Li, W.B.; Xu, X.X.; Sun, P. Failure Analysis on Tee Joint Crack of Subcritical Power Station Boiler Final Superheater Header. Adv. Mater. Res. 2011, 311–313, 615–618. [Google Scholar] [CrossRef]
- Cao, J.; Ma, W.; Pang, G.; Wang, K.; Ren, J.; Nie, H.; Dang, W.; Yao, T. Failure analysis on girth weld cracking of underground tee pipe. Int. J. Pres. Ves. Pip. 2021, 191, 104371. [Google Scholar] [CrossRef]
- Kumar, S.; Tadge, P.; Mondal, A.; Hussain, N.; Ray, S.; Saha, A. Boiler tube failures in thermal power plant: Two case studies. Mater. Today Proc. 2022, 66, 3847–3852. [Google Scholar] [CrossRef]
- Lyu, Y.; Lian, W.; Sun, Z.; Li, W.; Duan, Z.; Chen, R.; Yu, W.; Shao, S. Failure Analysis of Abnormal Bulging and Cracking for High-Pressure Steam Pipe. J. Mater. Eng. Perform. 2022, 31, 7277–7289. [Google Scholar] [CrossRef]
- Zhang, Y.; Yun, F.; Fang, W.; Wang, H. Analysis on the cause of crack in connection pipeline of subcritical boiler reheater. IOP Conf. Ser. Earth Environ. Sci. 2020, 508, 12202. [Google Scholar] [CrossRef]
- Munda, P.; Husain, M.M.; Rajinikanth, V.; Metya, A.K. Evolution of Microstructure During Short-term Overheating Failure of a Boiler Water Wall Tube Made of Carbon Steel. J. Fail. Anal. Prev. 2018, 18, 199–211. [Google Scholar] [CrossRef]
- Porcaro, R.R.; Faria, G.L.; Godefroid, L.B.; Apolonio, G.R.; Cândido, L.C.; Pinto, E.S. Microstructure and mechanical properties of a flash butt welded pearlitic rail. J. Mater. Process Tech. 2019, 270, 20–27. [Google Scholar] [CrossRef]
- Khalifa, W.; El-Hadad, S. Metallurgical investigation of early failure of heater pipes in a gas complex. Sci. Rep. 2023, 13, 5300. [Google Scholar] [CrossRef]
- Liu, W.; Lyu, Y.; Duan, Z.; Li, W.; Yu, W. Investigation of corrosion sequence in the overhead pipeline of H2S stripper column through CFD models. Eng. Fail. Anal. 2022, 136, 106187. [Google Scholar] [CrossRef]
- Lin, Y.C.; Chen, X.; Chen, G. Uniaxial ratcheting and low-cycle fatigue failure behaviors of AZ91D magnesium alloy under cyclic tension deformation. J. Alloys Compd. 2011, 509, 6838–6843. [Google Scholar] [CrossRef]
- Lin, Y.C.; Liu, Z.; Chen, X.; Chen, J. Uniaxial ratcheting and fatigue failure behaviors of hot-rolled AZ31B magnesium alloy under asymmetrical cyclic stress-controlled loadings. Mater. Sci. Eng. A 2013, 573, 234–244. [Google Scholar] [CrossRef]
- Yang, X. Low cycle fatigue and cyclic stress ratcheting failure behavior of carbon steel 45 under uniaxial cyclic loading. Int. J. Fatigue 2005, 27, 1124–1132. [Google Scholar] [CrossRef]
- Dong, Q.; Yang, P.; Xu, G. Low cycle fatigue and ratcheting failure behavior of AH32 steel under uniaxial cyclic loading. Int. J. Nav. Arch. Ocean 2019, 11, 671–678. [Google Scholar] [CrossRef]
- Wang, S.; Yan, X.; Lu, F.; Lei, S.; Chen, R. Modelling of Ratchet Growth in TATB-Based Charge under Thermal Cycling. Propellants Explos. Pyrotech. 2022, 47, e202100271. [Google Scholar] [CrossRef]









| C | Si | Mn | p | S | Cr | Mo | |
|---|---|---|---|---|---|---|---|
| Bulging tee joint | 0.132 | 0.783 | 0.434 | 0.0063 | 0.0094 | 1.13 | 0.553 |
| Slight bulging tee joint | 0.144 | 0.805 | 0.418 | 0.0128 | 0.0150 | 1.11 | 0.561 |
| Straight pipe | 0.0954 | 0.595 | 0.358 | 0.0053 | 0.0093 | 1.03 | 0.486 |
| A335M P11 | ≤0.15 | 0.5–1.0 | 0.3–0.6 | ≤0.025 | ≤0.025 | 1.0–1.5 | 0.44–0.65 |
| Yield Strength/MPa | Tensile Strength/MPa | Elongation/% | Impact Energy Akv/J | Hardness/ HBW | |
|---|---|---|---|---|---|
| Bulging tee joint | 594.5 | 655.48 | 27.2 | 136.3 | 166.72 |
| Slight bulging tee joint | 407.12 | 623.85 | 32.3 | 206.3 | 149.34 |
| Straight pipe | 522.22 | 562.27 | 32 | 266.7 | 132.45 |
| A335M P11 | 207 | 415 | 30 | 35 | ≤197 |
Disclaimer/Publisher’s Note: The statements, opinions and data contained in all publications are solely those of the individual author(s) and contributor(s) and not of MDPI and/or the editor(s). MDPI and/or the editor(s) disclaim responsibility for any injury to people or property resulting from any ideas, methods, instructions or products referred to in the content. |
© 2023 by the authors. Licensee MDPI, Basel, Switzerland. This article is an open access article distributed under the terms and conditions of the Creative Commons Attribution (CC BY) license (https://creativecommons.org/licenses/by/4.0/).
Share and Cite
Lian, W.; Sun, Z.; Lyu, Y.; Duan, Z. Cause Analysis of Condensed Water Induced Bulging in High-Pressure Steam Tee Joints of a Pyrolyzer. Processes 2023, 11, 2288. https://doi.org/10.3390/pr11082288
Lian W, Sun Z, Lyu Y, Duan Z. Cause Analysis of Condensed Water Induced Bulging in High-Pressure Steam Tee Joints of a Pyrolyzer. Processes. 2023; 11(8):2288. https://doi.org/10.3390/pr11082288
Chicago/Turabian StyleLian, Weiqi, Zhiwei Sun, Yunrong Lyu, and Zhihong Duan. 2023. "Cause Analysis of Condensed Water Induced Bulging in High-Pressure Steam Tee Joints of a Pyrolyzer" Processes 11, no. 8: 2288. https://doi.org/10.3390/pr11082288
APA StyleLian, W., Sun, Z., Lyu, Y., & Duan, Z. (2023). Cause Analysis of Condensed Water Induced Bulging in High-Pressure Steam Tee Joints of a Pyrolyzer. Processes, 11(8), 2288. https://doi.org/10.3390/pr11082288

