The Application of Photovoltaic-Electric Spring Technology to Rural Power Grids
Abstract
1. Introduction
- For voltage regulation, a control method for enhancing the resilience of microgrids with renewable energy using ES is proposed in [10], considering the voltage constraint problem of the CL. In the face of the problem of the fast restoration of the power supply to the CL under extreme conditions, a feasible operating zone model of the ES output voltage and a power-voltage model of the ES are developed.
- For frequency regulation problems, Ref. [11] proposed a feedback voltage control strategy that separates frequency regulation from grid voltage regulation. The active power is used to compensate the frequency imbalance in the control system, and then the reactive power compensation is used to regulate the voltage amplitude at the common coupling point.
- Facing the power factor regulation aspect, Ref. [12] proposed an ES control method for voltage and power stability and power factor correction, comparing the proposed control scheme with that of the original ES with only reactive power injection. The experimental results show that this control scheme has better results in improving the power quality of the microgrid.
- In the study of reducing grid harmonic distortion, Ref. [13] proposed an ES control method with current source inverter based on a single-phase dq0 transform, dividing the input current into basic and other parts, and reducing the total harmonic distortion on critical loads by replacing voltage control with DC control.
- In reducing the cost of microgrid operation, Ref. [14] designed a battery management process and proposed an ES control method with a new charge state control algorithm to manipulate the battery within the allowed charge state and without degrading the battery life. Reference [15] demonstrated, by an experimental setup on a 90 kVA grid, that ES not only provides reactive power compensation, but also is able to rely on the NCL for automatic power changes, thus reducing the need for grid energy storage.
- The new approach proposed in this paper combines a distributed PV system with an ES-2, resulting in a novel configuration called PV-ES for rural power grids;
- The PV-ES system introduces the new element of maximizing the PV cells utilization of solar power through maximum power point tracking (MPPT) [17];
- Similar to the original ES, the proposed PV-ES system supports the stable operation of the CL by adjusting the voltage of the NCL. However, the system not considering the use of batteries, reducing the cost of use, and increasing the use of renewable energy, is more green.
2. Analysis of Rural Grid Fluctuations Due to Photovoltaic Access
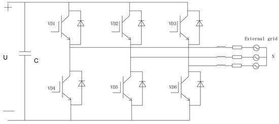
3. Photovoltaic Electric Spring Principle
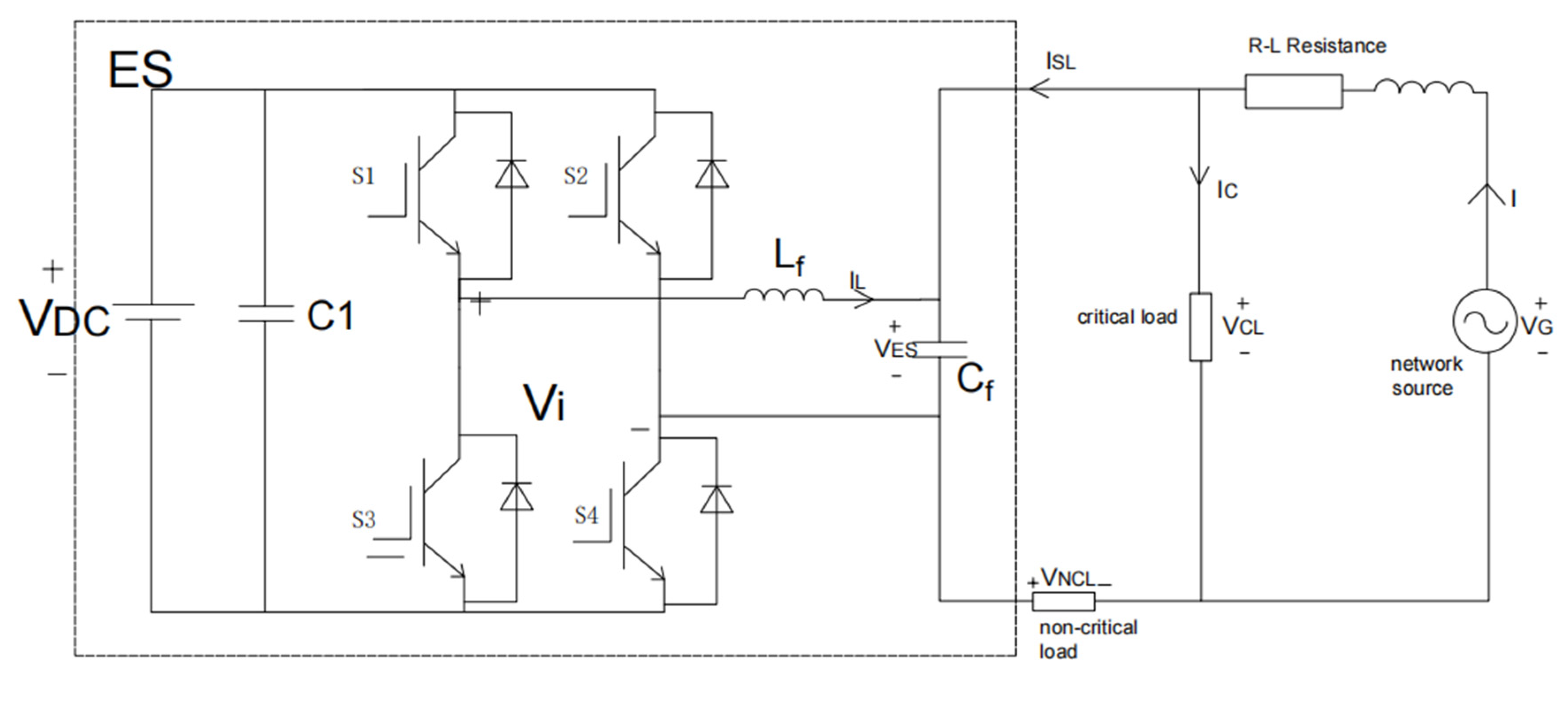
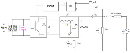
4. PVES Application Configuration Modeling
4.1. Grid-Connected System
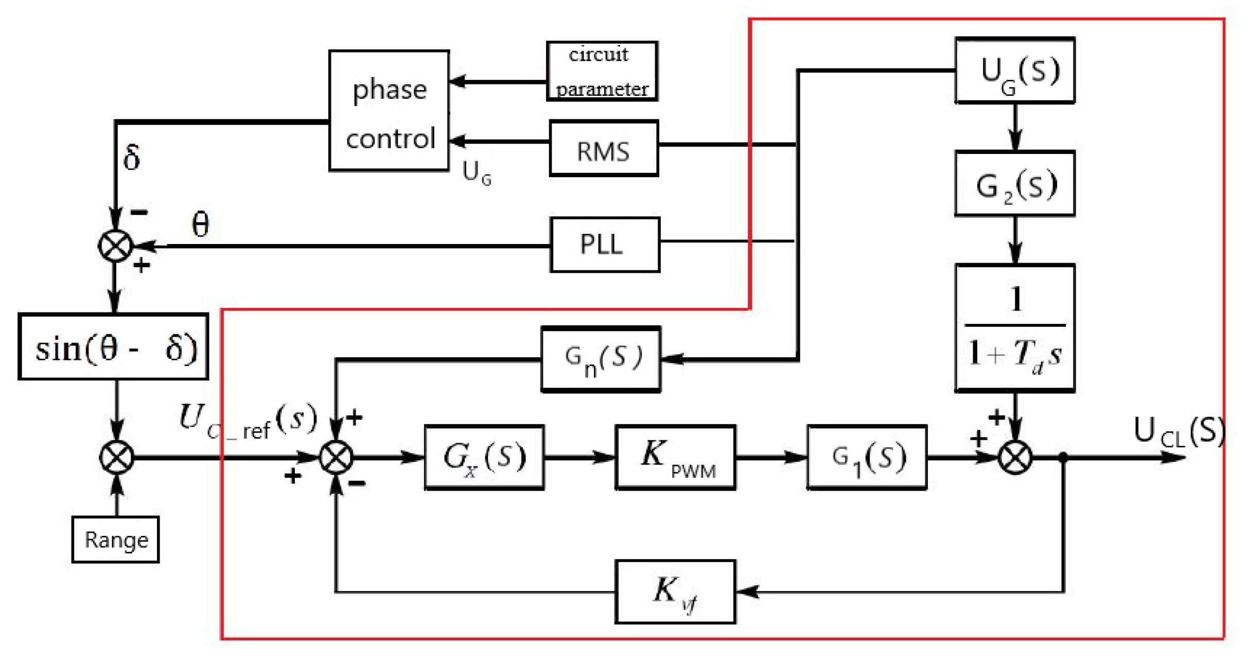
4.2. Design of the PV-ES Management Strategy

4.3. ETAP Simulation of PV-ES
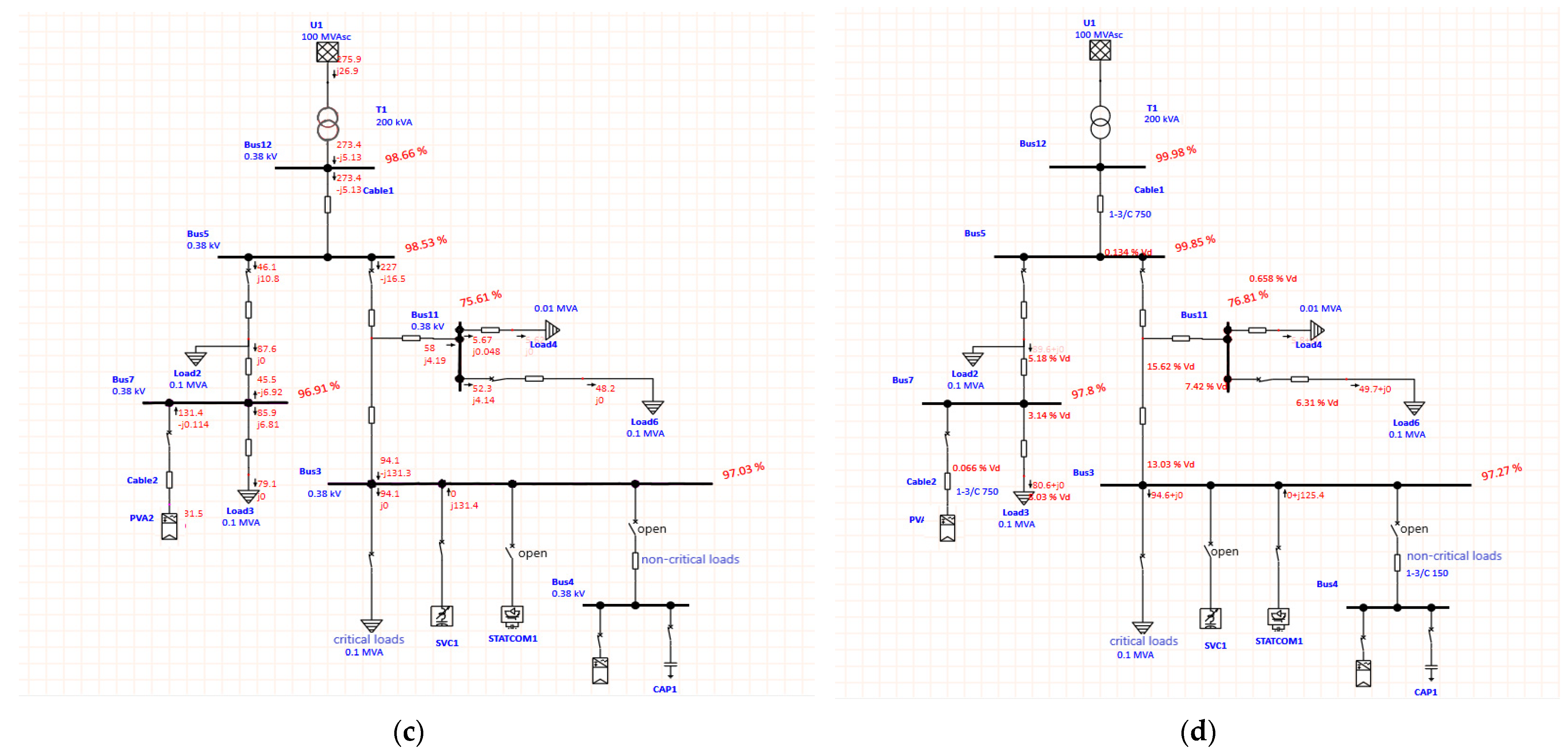
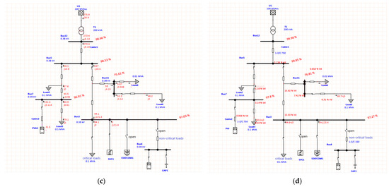
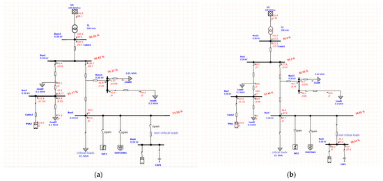
5. Case Studies
6. Conclusions
- PV-ES significantly reduces critical load and grid voltage fluctuations and, to a certain extent, the voltage can be increased;
- PV-ES can also effectively solve low-voltage issues that are common in distributed networks;
- By boosting light intensity, PV-ES runs better;
- PV-ES systems have an important role to play in the future construction and enhancement of rural grids.
Author Contributions
Funding
Data Availability Statement
Conflicts of Interest
References
- Luo, G.; Guo, Y. Rural electrification in China: A policy and institutional analysis. Renew. Sustain. Energy Rev. 2013, 23, 320–329. [Google Scholar] [CrossRef]
- Cai, T.; Dong, M.; Chen, K.; Gong, T. Methods of participating power spot market bidding and settlement for renewable energy systems. Energy Rep. 2022, 8, 7764–7772. [Google Scholar] [CrossRef]
- Wang, P.; Yu, P.; Huang, L.; Zhang, Y. An integrated technical, economic, and environmental framework for evaluating the rooftop photovoltaic potential of old residential buildings. J. Environ. Manag. 2022, 317, 115296. [Google Scholar] [CrossRef]
- Huang, N.; Zhao, X.; Guo, Y.; Cai, G.; Wang, R. Distribution network expansion planning considering a distributed hydrogen-thermal storage system based on photovoltaic development of the Whole County of China. Energy 2023, 278, 127761. [Google Scholar] [CrossRef]
- Sun, B.; Li, Y.; Zeng, Y.; Chen, J.; Shi, J. Optimization planning method of distributed generation based on steady-state security region of distribution network. Energy Rep. 2022, 8, 4209–4222. [Google Scholar] [CrossRef]
- Yao, E.; Samadi, P.; Wong, V.W.S.; Schober, R. Residential Demand Side Management Under High Penetration of Rooftop Photovoltaic Units. IEEE Trans. Smart Grid 2016, 7, 1597–1608. [Google Scholar] [CrossRef]
- Hui, S.Y.; Lee, C.K.; Wu, F.F. Electric springs—A new smart grid technology. IEEE Trans. Smart Grid 2012, 3, 1552–1561. [Google Scholar] [CrossRef]
- Zheng, Y.; Hill, D.J.; Meng, K.; Hui, S.Y. Critical Bus Voltage Support in Distribution Systems with Electric Springs and Responsibility Sharing. IEEE Trans. Power Syst. 2017, 32, 3584–3593. [Google Scholar] [CrossRef]
- Zheng, Y.; Zhang, C.; Hill, D.J.; Meng, K. Consensus control of electric spring using back-to-back converter for voltage regulation with ultra-high renewable penetration. J. Mod. Power Syst. Clean Energy 2017, 5, 897–907. [Google Scholar] [CrossRef]
- Liang, L.; Hou, Y.; Hill, D.J.; Hui, S.Y.R. Enhancing Resilience of Microgrids with Electric Springs. IEEE Trans. Smart Grid 2018, 9, 2235–2247. [Google Scholar] [CrossRef]
- Yang, Y.; Tan, S.C.; Hui, S.Y. Voltage and frequency control of electric spring based smart loads. In Proceedings of the 2016 IEEE Applied Power Electronics Conference and Exposition (APEC), Long Beach, CA, USA, 20–24 March 2016; pp. 3481–3487. [Google Scholar]
- Soni, J.; Panda, S.K. Electric Spring for Voltage and Power Stability and Power Factor Correction. IEEE Trans. Ind. Appl. 2017, 53, 3871–3879. [Google Scholar] [CrossRef]
- Wang, Q.; Cheng, M.; Jiang, Y. Harmonics Suppression for Critical Loads Using Electric Springs with Current-Source Inverters. IEEE J. Emerg. Sel. Top. Power Electron. 2016, 4, 1362–1369. [Google Scholar] [CrossRef]
- Chen, X.; Hou, Y.; Tan, S.C.; Lee, C.K.; Hui, S.Y.R. Mitigating Voltage and Frequency Fluctuation in Microgrids Using Electric Springs. IEEE Trans. Smart Grid 2015, 6, 508–515. [Google Scholar] [CrossRef]
- Lee, C.K.; Hui, S.Y. Reduction of energy storage requirements in future smart grid using electric springs. IEEE Trans. Smart Grid 2013, 4, 1282–1288. [Google Scholar] [CrossRef]
- Stetz, T.; Marten, F.; Braun, M. Improved Low Voltage Grid-Integration of Photovoltaic Systems in Germany. IEEE Trans. Sustain. Energy 2013, 4, 534–542. [Google Scholar] [CrossRef]
- Saravanan, S.; Ramesh Babu, N. Maximum power point tracking algorithms for photovoltaic system—A review. Renew. Sustain. Energy Rev. 2016, 57, 192–204. [Google Scholar] [CrossRef]
- Naumov, I.V.; Podyachikh, S.V. Green technologies in rural electric powerindustry. IOP Conf. Ser. Earth Environ. Sci. 2021, 808, 012006. [Google Scholar] [CrossRef]
- Hubble, A.H.; Ustun, T.S. Composition, placement, and economics of rural microgrids for ensuring sustainable development. Sustain. Energy Grids Netw. 2018, 13, 1–18. [Google Scholar] [CrossRef]
- Su, Y.; Zhao, C.; Xu, L.; Liu, X. Distributed Generation Application in the Rural Areas of West China. Energy Power Eng. 2013, 5, 167–170. [Google Scholar] [CrossRef]
- Yang, Y.; Li, H.; Aichhorn, A.; Zheng, J.; Greenleaf, M. Sizing Strategy of Distributed Battery Storage System with High Penetration of Photovoltaic for Voltage Regulation and Peak Load Shaving. IEEE Trans. Smart Grid 2014, 5, 982–991. [Google Scholar] [CrossRef]
- Ge, L.; Du, T.; Li, C.; Li, Y.; Yan, J.; Rafiq, M.U. Virtual Collection for Distributed Photovoltaic Data: Challenges, Methodologies, and Applications. Energies 2022, 15, 8783. [Google Scholar] [CrossRef]
- Shi, J.; Lee, W.J.; Liu, Y.; Yang, Y.; Wang, P. Forecasting Power Output of Photovoltaic Systems Based on Weather Classification and Support Vector Machines. IEEE Trans. Ind. Appl. 2012, 48, 1064–1069. [Google Scholar] [CrossRef]
- Wang, W.; Zhang, M. Direct and indirect energy consumption of rural households in China. Nat. Hazards 2015, 79, 1693–1705. [Google Scholar] [CrossRef]
- Zhang, Y.; Beaudin, M.; Taheri, R.; Zareipour, H.; Wood, D. Day-Ahead Power Output Forecasting for Small-Scale Solar Photovoltaic Electricity Generators. IEEE Trans. Smart Grid 2015, 6, 2253–2262. [Google Scholar] [CrossRef]
- Kabir, M.N.; Mishra, Y.; Bansal, R.C. Probabilistic load flow for distribution systems with uncertain PV generation. Appl. Energy 2016, 163, 343–351. [Google Scholar] [CrossRef]
- Kanjiya, P.; Khadkikar, V. Enhancing power quality and stability of future smart grid with intermittent renewable energy sources using electric springs. In Proceedings of the 2013 International Conference on Renewable Energy Research and Applications (ICRERA), Madrid, Spain, 20–23 October 2013; pp. 918–922. [Google Scholar]
- Cherukuri, S.H.C.; Saravanan, B.; Swarup, K. Analysis of DC Electric Springs in the Micro Grid System Consisting of Fluctuating Energy Sources. Energy Procedia 2016, 90, 114–123. [Google Scholar] [CrossRef]
- de Brito, M.A.G.; Galotto, L.; Sampaio, L.P.; Melo, G.A.; Canesin, C.A. Evaluation of the Main MPPT Techniques for Photovoltaic Applications. IEEE Trans. Ind. Electron. 2013, 60, 1156–1167. [Google Scholar] [CrossRef]
- Jiang, S.; Wan, C.; Chen, C.; Cao, E.; Song, Y. Distributed photovoltaic generation in the electricity market: Status, mode and strategy. CSEE J. Power Energy Syst. 2018, 4, 263–272. [Google Scholar] [CrossRef]
- Lee, C.K.; Chaudhuri, B.; Hui, S.Y. Hardware and Control Implementation of Electric Springs for Stabilizing Future Smart Grid With Intermittent Renewable Energy Sources. IEEE J. Emerg. Sel. Top. Power Electron. 2013, 1, 18–27. [Google Scholar] [CrossRef]
- Mohammed, A.Y.; Mohammed, F.I.; Ibrahim, M.Y. Grid connected Photovoltaic system. In Proceedings of the 2017 International Conference on Communication, Control, Computing and Electronics Engineering (ICCCCEE), Khartoum, Sudan, 16–18 January 2017; pp. 1–5. [Google Scholar]
- Solanki, M.D.; Joshi, S.K. Control of Electric Spring: A Lead–Lag Compensated Approach. J. Inst. Eng. India Ser. B 2021, 102, 469–476. [Google Scholar] [CrossRef]
- Nair, P.; Deepa, K. Feed-Forward Control Algorithm for Hybrid Energy Systems. Procedia Technol. 2015, 21, 575–580. [Google Scholar] [CrossRef]
- Zhang, D.; Li, J.; Hui, D. Coordinated control for voltage regulation of distribution network voltage regulation by distributed energy storage systems. Prot. Control Mod. Power Syst. 2018, 3, 3. [Google Scholar] [CrossRef]
- Lima, F.V.; Georgakis, C. Input–output operability of control systems: The steady-state case. J. Process Control 2010, 20, 769–776. [Google Scholar] [CrossRef]
- Chakravorty, D.; Guo, J.; Chaudhuri, B.; Hui, S.Y.R. Small Signal Stability Analysis of Distribution Networks with Electric Springs. IEEE Trans. Smart Grid 2019, 10, 1543–1552. [Google Scholar] [CrossRef]














| Compensation Devices | Non | PVES | SVC | STACOM | 
|---|---|---|---|---|
| Bus3 Voltage(%) | 73.56 | 98.85 | 97.03 | 97.27 | 
| Parameters | Numerical Values | ||
|---|---|---|---|
| power | Short circuit capacity (kVA) | 36 | |
| Voltage level (V) | 220 | ||
| RL Line 1 Resistance | Sensory resistance (μH) | 120 | |
| Impedance (Ω) | 1 | ||
| RL Line 2 Resistance | Sensory resistance (μH) | 56 | |
| Impedance (Ω) | 0.5 | ||
| Load | Non-critical loads (Ω) | 20 | |
| Critical loads (Ω) | 44 | ||
| System loads | Phase-to-phase voltage (V) | 220 | |
| Active power (W) | 1000 | ||
| Reactive power (Var) | 100 | ||
| Disclaimer/Publisher’s Note: The statements, opinions and data contained in all publications are solely those of the individual author(s) and contributor(s) and not of MDPI and/or the editor(s). MDPI and/or the editor(s) disclaim responsibility for any injury to people or property resulting from any ideas, methods, instructions or products referred to in the content. | 
© 2023 by the authors. Licensee MDPI, Basel, Switzerland. This article is an open access article distributed under the terms and conditions of the Creative Commons Attribution (CC BY) license (https://creativecommons.org/licenses/by/4.0/).
Share and Cite
Cui, Z.; Shi, J.; Li, G.; Yuan, Z.; Zang, D.; Wang, L. The Application of Photovoltaic-Electric Spring Technology to Rural Power Grids. Processes 2023, 11, 1830. https://doi.org/10.3390/pr11061830
Cui Z, Shi J, Li G, Yuan Z, Zang D, Wang L. The Application of Photovoltaic-Electric Spring Technology to Rural Power Grids. Processes. 2023; 11(6):1830. https://doi.org/10.3390/pr11061830
Chicago/Turabian StyleCui, Zhibin, Junsheng Shi, Guangpeng Li, Zihan Yuan, Dehua Zang, and Lidi Wang. 2023. "The Application of Photovoltaic-Electric Spring Technology to Rural Power Grids" Processes 11, no. 6: 1830. https://doi.org/10.3390/pr11061830
APA StyleCui, Z., Shi, J., Li, G., Yuan, Z., Zang, D., & Wang, L. (2023). The Application of Photovoltaic-Electric Spring Technology to Rural Power Grids. Processes, 11(6), 1830. https://doi.org/10.3390/pr11061830
 
        

 
       