A Novel Dead Time Design Method for Full-Bridge LLC Resonant Converters with SiC Semiconductors
Abstract
1. Introduction
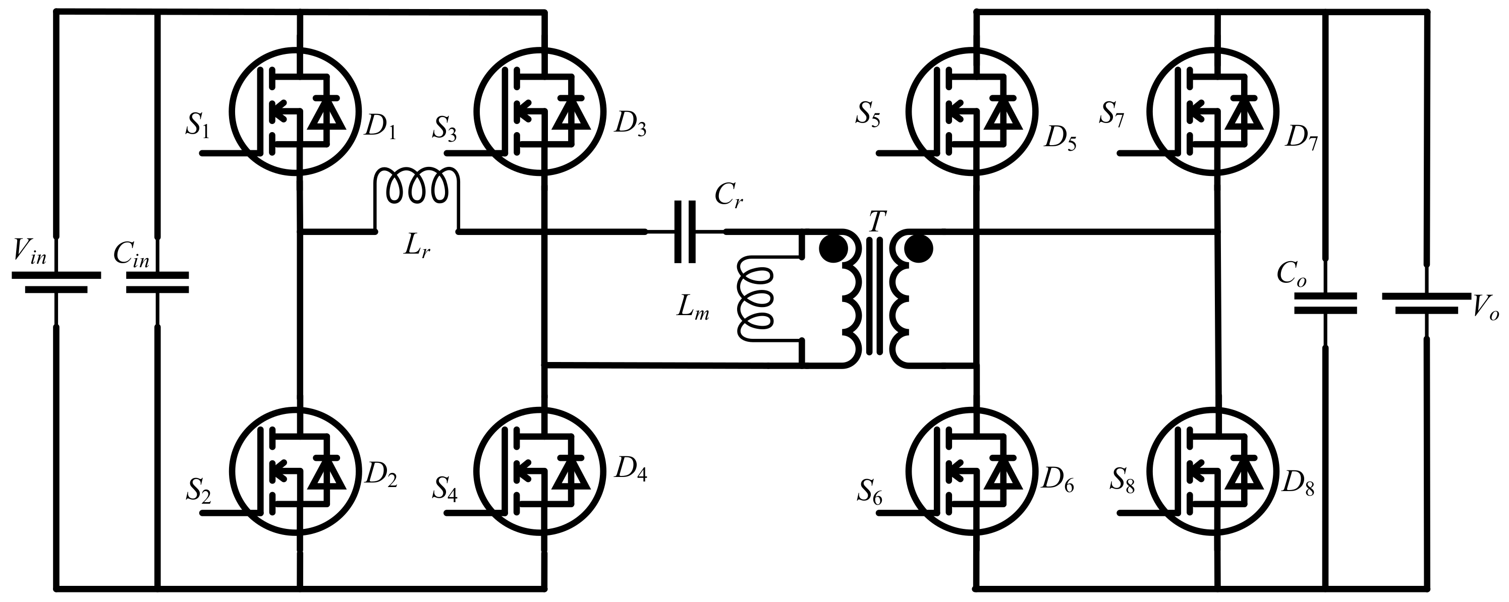
2. Analysis of the Full-Bridge LLC Resonant Converter
- (1)
- When fm < fs ≤ fr, the semiconductors on both the primary and secondary sides can realize soft switching. The discharge of C2 and C3 begins after Ir = Im, as shown in Figure 2a,b. As S2 and S3 drain-source voltages are clamped to zero, D2 and D3 start to conduct (the actual diode has a voltage drop of 0.6 to 0.8 V, which is approximated to zero), thus preparing S2 and S3 to achieve ZVS. At this point, no current flows through the primary side of the transformer, and the secondary current gradually decreases to zero, so D5 and D8 achieve ZCS. It can be deduced that the dead time must be greater than the sum of the capacitor discharge time and the diode conduction time, and the energy stored in Lr and Lm must be greater than the energy stored in Cr to ensure that the direction of the current will not change due to the capacitor discharge, otherwise, D2, D3, cannot be conducted.
- (2)
- When fs > fr, only S1~S4 can achieve soft switching. C2 and C3 are discharged, and Ir drops rapidly, making the process time of Ir dropping to Im shorter and preparing for the realization of ZVS. However, since Ir > Im during the dead time, there is still current flowing to the secondary side, resulting in D5~D8 not achieving ZCS.
3. The Calculation Method of Dead Time
3.1. Calculation of Dead Time in Boost Mode
3.2. Calculation of Dead Time in Buck Mode
4. Experimental Validation and Analysis of Results
4.1. Calculation of Experimental Parameters
4.2. Analysis of Experimental Results
5. Conclusions
Author Contributions
Funding
Conflicts of Interest
References
- Wu, Y.-E.; Wang, J.-W. Novel High-Efficiency High Step-Up DC–DC Converter with Soft Switching and Low Component Voltage Stress for Photovoltaic System. Processes 2021, 9, 1112. [Google Scholar] [CrossRef]
- Lin, B.-R. Analysis of a Series-Parallel Resonant Converter for DC Microgrid Applications. Processes 2021, 9, 542. [Google Scholar] [CrossRef]
- Ta, L.A.D.; Dao, N.D.; Lee, D.-C. High-Efficiency Hybrid LLC Resonant Converter for On-Board Chargers of Plug-In Electric Vehicles. IEEE Trans. Power Electron. 2020, 35, 8324–8334. [Google Scholar] [CrossRef]
- Fei, C.; Gadelrab, R.; Li, Q.; Lee, F.C. High-Frequency Three-Phase Interleaved LLC Resonant Converter with GaN Devices and Integrated Planar Magnetics. IEEE J. Emerg. Sel. Top. Power Electron. 2019, 7, 653–663. [Google Scholar] [CrossRef]
- Lin, H.; Jin, X.; Xie, L.; Hu, J.; Lu, Z. A New Variable-Mode Control Strategy for LLC Resonant Converters Operating in a Wide Input Voltage Range. J. Zhejiang Univ. Sci. C 2017, 18, 410–422. [Google Scholar] [CrossRef]
- Menke, M.F.; Duranti, J.P.; Roggia, L.; Bisogno, F.E.; Tambara, R.V.; Seidel, Á.R. Analysis and Design of the LLC LED Driver Based on State-Space Representation Direct Time-Domain Solution. IEEE Trans. Power Electron. 2020, 35, 12686–12701. [Google Scholar] [CrossRef]
- Feng, X. LLC Resonant Converter Loss Analysis and Efficiency Optimization; Beijing Jiaotong University: Beijing, China, 2017. [Google Scholar]
- Gao, T.; Cheng, Z.; Wang, Q.; Li, Y.; Zeng, K.; Yang, Y. The Analysis of Dead Time’s Influence on the Operating Characteristics of LLC Resonant Converter. In Proceedings of the 2019 14th IEEE Conference on Industrial Electronics and Applications (ICIEA), Xi’an, China, 19–21 June 2019; pp. 85–89. [Google Scholar]
- Lee, I.-O.; Moon, G.-W. Analysis and Design of a Three-Level LLC Series Resonant Converter for High- and Wide-Input-Voltage Applications. IEEE Trans. Power Electron. 2012, 27, 2966–2979. [Google Scholar] [CrossRef]
- Deng, J.; Li, S.; Hu, S.; Mi, C.C.; Ma, R. Design Methodology of LLC Resonant Converters for Electric Vehicle Battery Chargers. IEEE Trans. Veh. Technol. 2014, 63, 1581–1592. [Google Scholar] [CrossRef]
- Huang, H. Designing an LLC Resonant Half-Bridge Power Converter. In 2010 Texas Instruments Power Supply Design Seminar, SEM1900, Topic; Texas Instruments Incorporated: Dallas, TX, USA, 2010; Volume 3, pp. 2010–2011. [Google Scholar]
- Beiranvand, R.; Rashidian, B.; Zolghadri, M.R.; Alavi, S.M.H. Optimizing the Normalized Dead-Time and Maximum Switching Frequency of a Wide-Adjustable-Range LLC Resonant Converter. IEEE Trans. Power Electron. 2011, 26, 462–472. [Google Scholar] [CrossRef]
- Lü, Z.; Yan, X.; Sun, I.; Fan, W. Selection and calculation of dead time for LLC converters taking into account MOSFET turn-off process. Electr. Power Autom. Equip. 2017, 37, 175–183. [Google Scholar] [CrossRef]
- Sun, Y.; Deng, Z.; Xu, G.; Deng, G.; Ouyang, Q.; Su, M. ZVS Analysis and Design for Half Bridge Bidirectional LLC-DCX Converter with Consideration of Nonlinear Capacitance and Different Load Under Synchronous Turn-On and Turn-Off Modulation. IEEE Trans. Transp. Electrif. 2022, 8, 2429–2443. [Google Scholar] [CrossRef]
- Han, D.; Sarlioglu, B. Comprehensive Study of the Performance of SiC MOSFET-Based Automotive DC–DC Converter under the Influence of Parasitic Inductance. IEEE Trans. Ind. Appl. 2016, 52, 5100–5111. [Google Scholar] [CrossRef]
- Vechalapu, K.; Bhattacharya, S.; Van Brunt, E.; Ryu, S.-H.; Grider, D.; Palmour, J.W. Comparative Evaluation of 15-KV SiC MOSFET and 15-KV SiC IGBT for Medium-Voltage Converter Under the Same Dv/Dt Conditions. IEEE J. Emerg. Sel. Top. Power Electron. 2017, 5, 469–489. [Google Scholar] [CrossRef]
- Li, Z.; Wang, J.; Ji, B.; Shen, Z.J. Power Loss Model and Device Sizing Optimization of Si/SiC Hybrid Switches. IEEE Trans. Power Electron. 2020, 35, 8512–8523. [Google Scholar] [CrossRef]
- Akagi, H.; Kinouchi, S.; Miyazaki, Y. Bidirectional Isolated Dual-Active-Bridge (DAB) DC-DC Converters Using 1.2-KV 400-A SiC-MOSFET Dual Modules. CPSS Trans. Power Electron. Appl. 2016, 1, 33–40. [Google Scholar] [CrossRef]
- Costa, L.F.; Buticchi, G.; Liserre, M. Highly Efficient and Reliable SiC-Based DC–DC Converter for Smart Transformer. IEEE Trans. Ind. Electron. 2017, 64, 8383–8392. [Google Scholar] [CrossRef]
- Hazra, S.; De, A.; Cheng, L.; Palmour, J.; Schupbach, M.; Hull, B.A.; Allen, S.; Bhattacharya, S. High Switching Performance of 1700-V, 50-A SiC Power MOSFET Over Si IGBT/BiMOSFET for Advanced Power Conversion Applications. IEEE Trans. Power Electron. 2016, 31, 4742–4754. [Google Scholar] [CrossRef]
- Karimi, S.; Tahami, F. A Comprehensive Time-Domain-Based Optimization of a High-Frequency LLC-Based Li-Ion Battery Charger. In Proceedings of the 2019 10th International Power Electronics, Drive Systems and Technologies Conference (PEDSTC), Shiraz, Iran, 12–14 February 2019; pp. 415–420. [Google Scholar]
- Sun, C.; Sun, Q.; Wang, R.; Li, Y.; Ma, D. Adaptive Dead-Time Modulation Scheme for a Bidirectional LLC Resonant Converter in Energy Router. CSEE J. Power Energy Syst. 2021, 5, 1–10. [Google Scholar] [CrossRef]
- Huang, J.; Zhao, Z.; Han, P. Research on Dead Time of Half-Bridge LLC Resonant Circuit Based on SiC MOSFET. In Proceedings of the 2021 IEEE 16th Conference on Industrial Electronics and Applications (ICIEA), Chengdu, China, 1–4 August 2021; pp. 855–860. [Google Scholar]
- Murakami, Y.; Sato, T.; Nishijima, K.; Nabeshima, T. Small Signal Analysis of LLC Current Resonant Converters Using Equivalent Source Model. In Proceedings of the IECON 2016—42nd Annual Conference of the IEEE Industrial Electronics Society, Florence, Italy, 24–27 October 2016; pp. 1417–1422. [Google Scholar]
- Sun, W.; Xing, Y.; Wu, H.; Ding, J. Modified High-Efficiency LLC Converters with Two Split Resonant Branches for Wide Input-Voltage Range Applications. IEEE Trans. Power Electron. 2018, 33, 7867–7879. [Google Scholar] [CrossRef]
- Yao, X.; Jin, X.; Zhou, F. Effect of diode reverse recovery in zero-voltage, zero-current conversion soft-switching technology. Proc. CSEE 2015, 35, 944–952. [Google Scholar] [CrossRef]
- Luo, Y.; Xiao, F.; Tang, Y. Study on the mechanism of the reverse recovery voltage spike of the renewal transient of a current-continuing diode. Acta Phys. Sin. 2014, 63, 333–341. [Google Scholar] [CrossRef]













| Parameter | Symbol | Value |
|---|---|---|
| range of input voltages (V) | Vin | 180–300 |
| rated input voltage (V) | Vin-nom | 200 |
| rated output voltage (V) | Vout-nom | 170 |
| frequency of resonance (kHz) | fr | 125 |
| the power of the output (kW) | Po | 2 |
| Component | Symbol | Value |
|---|---|---|
| SiC semiconductor | S1~S4 | CI60N120SM |
| Transformer (ratio) | n | 1.16 |
| magnetizing inductance (µH) | Lm | 65 |
| resonant inductor (µH) | Lr | 16.53 |
| resonant capacitor (nF) | Cr | 100 |
| filter capacitor of the primary side (µF) | Cin | 19.4 |
| filter capacitor of the secondary side (µF) | Cout | 22.2 |
| Switching Frequency (kHz) | 100 | 125 | 140 |
|---|---|---|---|
| the dead time calculated by the proposed method (ns) | 293.37 | 308.95 | 318.26 |
| the dead time calculated by the method in [11] (ns) | ≥18.9 | ≥23.62 | ≥26.45 |
| Description | [11] | Proposed |
|---|---|---|
| Resonant frequency | 135 kHz | 125 kHz |
| Dead time | Fixed | Adaptive |
| Maximum efficiency | 93% | 96.1% |
Disclaimer/Publisher’s Note: The statements, opinions and data contained in all publications are solely those of the individual author(s) and contributor(s) and not of MDPI and/or the editor(s). MDPI and/or the editor(s) disclaim responsibility for any injury to people or property resulting from any ideas, methods, instructions or products referred to in the content. |
© 2023 by the authors. Licensee MDPI, Basel, Switzerland. This article is an open access article distributed under the terms and conditions of the Creative Commons Attribution (CC BY) license (https://creativecommons.org/licenses/by/4.0/).
Share and Cite
Wang, L.; Luo, W.; Wang, Y.; Lan, H. A Novel Dead Time Design Method for Full-Bridge LLC Resonant Converters with SiC Semiconductors. Processes 2023, 11, 973. https://doi.org/10.3390/pr11030973
Wang L, Luo W, Wang Y, Lan H. A Novel Dead Time Design Method for Full-Bridge LLC Resonant Converters with SiC Semiconductors. Processes. 2023; 11(3):973. https://doi.org/10.3390/pr11030973
Chicago/Turabian StyleWang, Longxiang, Wenguang Luo, Yuewu Wang, and Hongli Lan. 2023. "A Novel Dead Time Design Method for Full-Bridge LLC Resonant Converters with SiC Semiconductors" Processes 11, no. 3: 973. https://doi.org/10.3390/pr11030973
APA StyleWang, L., Luo, W., Wang, Y., & Lan, H. (2023). A Novel Dead Time Design Method for Full-Bridge LLC Resonant Converters with SiC Semiconductors. Processes, 11(3), 973. https://doi.org/10.3390/pr11030973

