1. Introduction
Hydrogen energy has a high energy density and is pollution-free, making it an excellent alternative to fossil fuels [
1]. It has become a key part of the strategies aiming at limiting carbon dioxide emissions and achieving global decarbonization. Compared to alkaline electrolysis technology, proton-exchange membrane (PEM) electrolysis technology has the advantages of high current density, low energy consumption, high hydrogen production pressure, and rapid dynamic adjustment [
2]. However, temperature has a significant impact on the safe and efficient operation of PEM electrolysis devices within a wide power range, and it is necessary to establish a comprehensive dynamic mathematical model during the physical and chemical transformation processes. By controlling the operating temperature of both the anode and cathode, the hydrogen production rate and electrolysis efficiency can be improved.
Currently, the electrolysis efficiency of PEM electrolysis devices is mainly defined by voltage conversion and energy conversion. In the study of reference [
3], the electrolysis efficiency of PEM electrolysis devices is defined as the ratio of the minimum theoretical voltage required for electrolysis to the input voltage. In the study of reference [
4], the electrolysis efficiency of PEM electrolysis devices is defined as the ratio of the thermoneutral voltage that does not produce excess heat during the exothermic reaction of electrolyzing water to the input voltage. In the study of reference [
5], the electrolysis efficiency of PEM electrolysis devices is defined as the ratio of the high heating value (HHV) voltage derived from the influence of temperature and pressure on the enthalpy of the water electrolysis reaction to the input voltage. In the studies of references [
6,
7], the electrolysis efficiency of PEM electrolysis devices is defined as the ratio of the produced HHV and low heating value (LHV) of hydrogen gas to the input electrical energy. Considering various losses during the operation of PEM electrolysis devices, the study of reference [
8] defines electrolysis efficiency as the ratio of the electrical energy consumed in the electrolysis reaction under ideal and actual states. None of these studies have considered the energy consumption of an external water circulation device during the work process.
The thermal model of a PEM electrolysis device is the basis for temperature control. Currently, PEM electrolysis devices’ lumped heat capacity model is mainly used as their thermal model. Studies [
9,
10] have shown that the lumped heat capacity model of PEM electrolysis devices is constructed as a thermal model by combining an equivalent circuit model and a mass transport model, but this model treats the anode and the cathode as a whole, thereby ignoring the temperature difference between the two. A study [
11] has shown that a lumped heat capacity model is constructed as a thermal model by considering the heat provided by an external circulating water heating device and the heat taken away by the cooling fan, but it ignores the heat generated by the current passing through the anode and cathode. Another study [
12] has shown that while gradually increasing the current density of a PEM electrolysis device, a linear thermal model of the operating power and temperature is constructed through the least squares method by measuring its temperature using the temperature sensors and thermal imaging cameras located on its surface, but this model ignores the sudden change in temperature caused by the sudden mutation of current density. Several studies [
13,
14] have shown that by analyzing the heat generated, lost, and taken away by the cooling device of a PEM electrolysis device, a lumped heat capacity model is constructed as a thermal model, but it ignores the heat taken away by the products.
PEM electrolysis devices are sensitive to temperature changes, and operating at too low or too high temperatures can negatively affect their efficiency and longevity. Therefore, it is important to control the operating temperature of PEM electrolysis devices to ensure their safe, efficient, and sustainable operation. Several studies have explored the impact of temperature on PEM electrolysis devices. One study [
15] found that during the start-up phase of a grid-connected PEM electrolysis device, coordinating the power of the heating system with the start-up power of the PEM electrolysis device can raise the operating temperature and improve the electrolysis efficiency. Another study [
16] investigated an integrated system consisting of a photovoltaic cell and a PEM electrolysis device and found that pre-heating the water required for electrolysis by absorbing a portion of the heat from the photovoltaic cell and controlling the speed at which it enters the PEM electrolysis device can also improve the efficiency. Another study [
17] investigated the impact of temperature on the electrolysis efficiency of PEM electrolysis devices during the entire operating phase and found that maintaining an operating temperature of 60 °C can yield higher efficiency compared to when operating at 20 °C. Additionally, a few studies [
18,
19] found that operating at higher temperatures within the range of 313.15–353.15 K can effectively reduce the operating voltage of PEM electrolysis devices and improve efficiency. However, it is important to note that operating at excessively high temperatures can also damage the structure of PEM and shorten the lifespan of PEM electrolysis devices, as demonstrated by a previous study [
20]. Therefore, a balance between efficiency and safety must be maintained when controlling the operating temperature of PEM electrolysis devices.
Currently, based on the equivalent circuit modeling of PEM electrolysis devices, these models can be classified into steady-state and dynamic models depending on the operating conditions. Research studies [
21,
22] have shown that a steady-state model can be constructed by fitting the voltage–current characteristic curve of a PEM electrolysis device under constant temperature and pressure conditions, considering the voltage threshold at the beginning of the current stage, and building the model in the form of a series connection of counter electromotive force and resistance. A previous research study [
23] has shown that the voltage of an electrolysis device is composed of reversible voltage and overvoltage that characterize three electrolysis reactions, which can be combined to construct a static equivalent circuit model in the form of a series connection of four counter electromotive forces. Another research study [
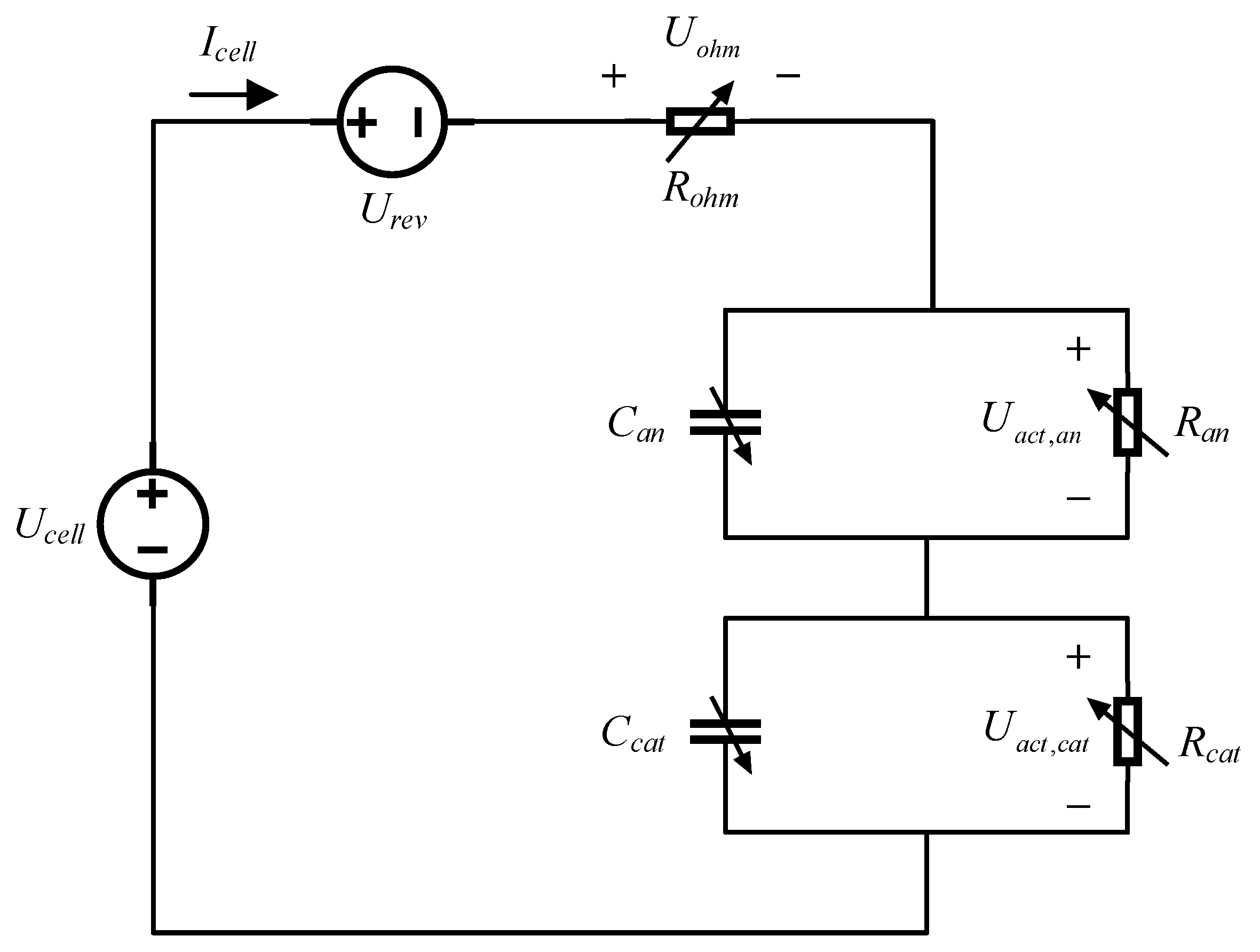
24] has shown that a dynamic equivalent circuit model can be constructed by fitting the current–voltage relationship curve using the least squares regression algorithm based on the voltage response of a PEM electrolysis device under different input currents. The model is in the form of a series connection of a counter electromotive force, a resistance, and two parallel resistance–capacitance combinations, with all parameters in the circuit being treated as constants. Other research studies [
25,
26] have shown that, based on a static equivalent circuit model of PEM electrolysis devices, the parameters of the model cannot be regarded as constants due to the changes in the input current. By testing the voltage response under different input currents, a dynamic equivalent circuit model in the form of a series connection of a counter electromotive force, a resistance, and two parallel resistance–capacitance combinations can be constructed, where the two parallel resistance–capacitance parameters are the functions of the input current. This model is suitable for operating conditions with dynamic changes in the input current but does not consider the influence of temperature on the model parameters.
Under the premise of external power variation, a PEM device self-sustaining control strategy based on the gradient-disturbance observation method is proposed to maintain the operating temperature of the anode and cathode for high electrolysis efficiency. A dynamic equivalent circuit based on electrothermal-coupling, including the threshold voltage phenomenon, the cathode and anode activation phenomenon, and the energy loss phenomenon, is constructed. It controls the input voltage of the cathode and anode and the molar flow rate of the water outlet, does not require external cooling devices, keeps the operating temperature of the cathode and anode constant near the set value, and can improve the hydrogen production rate and electrolysis efficiency. Based on the construction of an electrothermal-coupling dynamic equivalent circuit of a single electrolysis device, the analysis of the self-sustaining control strategy is carried out by linearly stacking multiple electrolysis devices to form a hydrogen production system.
6. Conclusions
Based on the energy–substance conservation principle of PEM electrolysis devices and by taking into account various factors, such as temperature and current, during the operation process, an electrothermal-coupling dynamic model was constructed. A self-sustaining control strategy based on the gradient-disturbance observation method is designed. Without the need for an external cooling device, the temperature of the anode and cathode can be dynamically adjusted using the heat generated and lost during the operation to maintain a high hydrogen production rate and high electrolysis efficiency.
A simulation model of a hydrogen production system with 100 linearly stacked PEM electrolysis devices was built in the MATLAB/Simulink environment. A comparative analysis of the operating temperature, operating voltage, operating current, inlet flow rate, hydrogen and oxygen production volumes, hydrogen production rate, oxygen production rate, electrolysis efficiency, and energy consumption ratio was carried out between the self-sustaining controlled mode and the uncontrolled mode. The following conclusions are obtained:
- (1)
The electrothermal-coupling dynamic model of PEM electrolysis devices fully considers factors such as heat carried away by hydrogen and oxygen and difference in temperature between the anode and cathode, which is more in line with the actual situation.
- (2)
By considering the efficiency and the work performed by the water circulation device, the PEM hydrogen production system itself and the external water circulation device are regarded as a whole energy–substance system, and a new concept of electrolysis efficiency is defined, which fully reflects the energy–substance conversion of the entire process of electrolyzing water to produce hydrogen.
- (3)
The PEM hydrogen production system can maintain the operating temperature of the anode and cathode at around 338.15 K even if the input power changes in the self-sustaining controlled mode.
- (4)
The operating voltage of the PEM hydrogen production system in the self-sustaining controlled mode is lower and the operating current is higher than those in the uncontrolled mode.
- (5)
In the self-sustaining controlled mode, the PEM hydrogen production system lowers the water intake by 1064.3 mol and 1231.8 mol for the anode and the cathode, respectively, and the average hydrogen and oxygen production rates are increased by 0.275 mol/min and 0.14 mol/min, respectively. The hydrogen and oxygen production volumes are increased by 5.5 mol and 2.8 mol, respectively, while requiring less water.
- (6)
In the self-sustaining controlled mode, the electrolysis efficiency of the PEM hydrogen production system is improved by 3.9% compared to the uncontrolled mode, and it has a lower energy consumption ratio.