Study on Cavitation of Port Plate of Seawater Desalination Pump with Energy Recovery Function
Abstract
:1. Introduction
2. Method
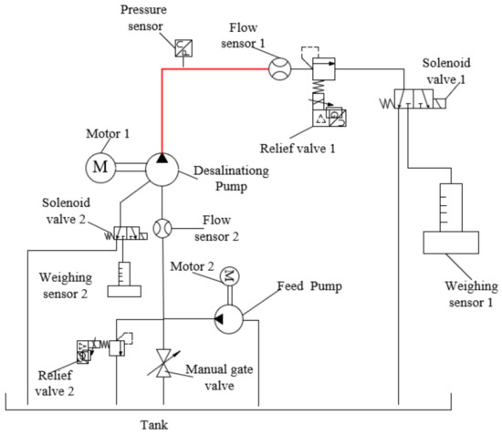
2.1. Description of the Working Principle of the Incurve Multiple-Acting Pump with an Energy Recovery Function
2.2. Numerical Methodologies
2.2.1. Governing Equations
2.2.2. CFD Solution Methods
3. Results and Discussion
4. Conclusions
- (1)
- The inlet pressure of raw seawater and the motor speed are important factors affecting the output performance of the incurve multiple-acting pump with energy recovery function. Under the condition of the structure size designed in this paper, the best working point is the motor speed of 520 r/min, the suction pressure of raw seawater is 0.42 MPa, and the output flow is 200 L/min.
- (2)
- Through the data collection and analysis of the mass flow experimental system, it is determined that cavitation occurs under the initial working condition, but no cavitation occurs in the optimization point of the port plate, which verifies the correctness of the establishment and simulation of the CFD model.
- (3)
- Compared with the same flow of seawater desalination high-pressure piston pump, the volume is reduced by more than 40%, and it also has the function of energy recovery. In this paper, the research method of port plate cavitation and the mass flow coefficient verification method are proposed to provide the method basis for the subsequent series of product designs.
Author Contributions
Funding
Data Availability Statement
Conflicts of Interest
References
- Chen, H.-C.; Chen, Y.-R.; Yang, K.-H.; Yang, C.-P.; Tung, K.-L.; Lee, M.-J.; Shih, J.-H.; Liu, Y.-C. Effective reduction of water molecules’ interaction for efficient water evaporation in desalination. Desalination 2018, 436, 91–97. [Google Scholar] [CrossRef]
- Ang, W.L.; Mohammad, A.W.; Hilal, N.; Leo, C.P. A review on the applicability of integrated/hybrid membrane processes in water treatment and desalination plants. Desalination 2015, 363, 2–18. [Google Scholar] [CrossRef]
- Tiziano, D.; Scott, K. Are We in Deep Water? Water Scarcity and Its Limits to Economic Growth. J. Ecol. Econ. 2018, 146, 130–147. [Google Scholar]
- Kim, J.; Park, K.; Yang, D.R.; Hong, S. A comprehensive review of energy consumption of seawater reverse osmosis desalination plants. Appl. Energy 2019, 254, 113652. [Google Scholar] [CrossRef]
- Qin, Z.; Zhang, Q.; Luo, Q. Microstructure design to improve the corrosion and cavitation corrosion resistance of a nick-el-aluminum bronze. J. Corros Sci. 2018, 139, 255–266. [Google Scholar] [CrossRef]
- Tang, S.; Zhu, Y.; Yuan, S. Intelligent fault identification of hydraulic pump using deep adaptive normalized CNN and synchrosqueezed wavelet transform. J. Relia. Eng. Syst. Safe. 2022, 224, 108560. [Google Scholar] [CrossRef]
- Tang, S.; Zhu, Y.; Yuan, S. A novel adaptive convolutional neural network for fault diagnosis of hydraulic piston pump with acoustic images. J. Adv. Eng. Inform. 2022, 52, 101554. [Google Scholar] [CrossRef]
- Tang, S.; Zhu, Y.; Yuan, S. An improved convolutional neural network with an adaptable learning rate towards multi-signal fault diagnosis of hydraulic piston pump. J. Adv. Eng. Inform. 2021, 50, 101406. [Google Scholar] [CrossRef]
- Bhatt, M.; Mahesh, K. Numerical investigation of partial cavitation regimes over a wedge using large eddy simulation. Int. J. Multiph. Flow 2019, 122, 103155. [Google Scholar] [CrossRef]
- Xi, B.; Wang, C.; Xi, W.; Liu, Y.; Wang, H.; Yang, Y. Experimental investigation on the water hammer characteristic of stalling fluid in eccentric casing-tubing annulus. J. Energy 2022, 253, 124113. [Google Scholar] [CrossRef]
- Chen, T.; Chen, H.; Liang, W.; Huang, B.; Xiang, L. Experimental investigation of liquid nitrogen cavitating flows in converg-ing-diverging nozzle with special emphasis on thermal transition. J. Int. J. Heat Mass Transf. 2019, 132, 618–630. [Google Scholar] [CrossRef]
- Zhou, J.; Wei, C.; Hu, J. A novel approach for predicting thermal effects of gas cavitation in hydraulic circuits. Energy 2015, 83, 576–582. [Google Scholar] [CrossRef]
- Ge, M.; Manikkam, P.; Ghossein, J.; Subramanian, R.K.; Coutier-Delgosha, O.; Zhang, G. Dynamic mode decomposition to classify cavitating flow regimes induced by thermodynamic effects. J. Energy 2022, 254, 124426. [Google Scholar] [CrossRef]
- Ge, M.; Sun, C.; Zhang, G.; Coutier-Delgosha, O.; Fan, D. Combined suppression effects on hydrodynamic cavitation performance in Venturi-type reactor for process intensification. Ultrason. Sonochem. 2022, 86, 106035. [Google Scholar] [CrossRef]
- Ge, M.; Petkovšek, M.; Zhang, G.; Jacobs, D.; Coutier-Delgosha, O. Cavitation dynamics and thermodynamic effects at elevated temperatures in a small Venturi channel. Int. J. Heat Mass Transf. 2021, 170, 120970. [Google Scholar] [CrossRef]
- Sun, Z.-Y.; Li, G.-X.; Chen, C.; Yu, Y.-S.; Gao, G.-X. Numerical investigation on effects of nozzle’s geometric parameters on the flow and the cavitation characteristics within injector’s nozzle for a high-pressure common-rail DI diesel engine. Energy Convers. Manag. 2015, 89, 843–861. [Google Scholar] [CrossRef]
- Jia, M.; Xie, M.; Liu, H.; Lam, W.-H.; Wang, T. Numerical simulation of cavitation in the conical-spray nozzle for diesel premixed charge compression ignition engines. Fuel 2011, 90, 2652–2661. [Google Scholar] [CrossRef]
- Hu, B.; Yao, Y.; Wang, M.; Wang, C.; Liu, Y. Flow and Performance of the Disk Cavity of a Marine Gas Turbine at Varying Nozzle Pressure and Low Rotation Speeds: A Numerical Investigation. J. Mach. 2023, 11, 68. [Google Scholar] [CrossRef]
- Sun, Z.; Li, D.; Mao, Y.; Feng, L.; Zhang, Y.; Liu, C. Anti-cavitation optimal design and experimental research on tidal turbines based on im-proved inverse BEM. Energy 2022, 239, 122263. [Google Scholar] [CrossRef]
- Wang, X.; Wang, Y.; Liu, H.; Xiao, Y.; Jiang, L.; Li, M. A numerical investigation on energy characteristics of centrifugal pump for cavitation flow using entropy production theory. J. Int. J. Heat Mass Transf. 2023, 201, 123591. [Google Scholar] [CrossRef]
- Liang, J.; Luo, X.; Liu, Y.; Li, X.; Shi, T. A numerical investigation in effects of inlet pressure fluctuations on the flow and cavitation characteristics inside water hydraulic poppet valves. J. Int. J. Heat Mass Transf. 2016, 103, 684–700. [Google Scholar] [CrossRef]
- Ouyang, T.; Mo, X.; Lu, Y.; Wang, J. CFD-vibration coupled model for predicting cavitation in gear transmissions. Int. J. Mech. Sci. 2022, 225, 107377. [Google Scholar] [CrossRef]
- Wang, C.; Chen, X.; Ge, J.; Cao, W.; Zhang, Q.; Zhu, Y.; Chang, H. Internal Flow Characteristics of High-Specific-Speed Centrifugal Pumps with Different Number of Impeller Blades under Large Flow Conditions. J. Mach. 2023, 11, 138. [Google Scholar] [CrossRef]
- Del Campo, D.; Castilla, R.; Raush, G.A.; Montero, P.J.G.; Codina, E. Numerical Analysis of External Gear Pumps Including Cavitation. J. Fluids Eng. 2012, 134, 081105. [Google Scholar] [CrossRef]
- del Campo, D.; Castilla, R.; Raush, G.; Gamez-Montero, P.; Codina, E. Pressure effects on the performance of external gear pumps under cavitation. Proc. Inst. Mech. Eng. Part C J. Mech. Eng. Sci. 2014, 228, 2925–2937. [Google Scholar] [CrossRef]
- Xi, S.; Zhang, D.; Xu, B.; Shi, W.; van Esch, B.B. Experimental and numerical investigation on the effect of tip leakage vortex induced cavitating flow on pressure fluctuation in an axial flow pump. J. Energy 2021, 163, 1195–1209. [Google Scholar] [CrossRef]
- Chen, J.; Zheng, Y.; Zhang, L.; He, G.; Zou, Y.; Xiao, Z. Optimization of geometric parameters of hydraulic turbine runner in turbine mode based on the orthogonal test method and CFD. J. Energy Rep. 2022, 8, 14476–14487. [Google Scholar] [CrossRef]
- Zare, S.; Kargari, A. CFD simulation and optimization of an energy-efficient direct contact membrane distillation(DCMD) desalination system. J. Chem. Eng. Res. Des. 2022, 188, 655–667. [Google Scholar] [CrossRef]
- Prakash, N.; Chaudhuri, A.; Das, S.P. Numerical modelling and analysis of concentration polarization and scaling of gypsum over RO membrane during seawater desalination. J. Chem. Eng. Res. Des. 2023, 190, 497–507. [Google Scholar] [CrossRef]
- Khanjanpour, M.H.; Javadi, A.A. Optimization of a Horizontal Axis Tidal (HAT) turbine for powering a Reverse Osmosis (RO) desalination system using Computational Fluid Dynamics (CFD) and Taguchi method. Energy Convers. Manag. 2021, 231, 113833. [Google Scholar] [CrossRef]
- Wang, Z.; Wang, Y.; Zhuang, M. Improvement of the aerodynamic performance of vertical axis wind turbines with leading-edge serrations and helical blades using CFD and Taguchi method. Energy Convers. Manag. 2018, 177, 107–121. [Google Scholar] [CrossRef]
- Ye, F.; Deng, J.; Liu, K. CFD Simulation on Cavitation in a Rotary Vane Energy Recovery Device. Energy Procedia 2019, 158, 4785–4790. [Google Scholar] [CrossRef]
- Ye, F.; Bianchi, G.; Rane, S.; Tassou, S.A.; Deng, J. Numerical methodology and CFD simulations of a rotary vane energy recovery device for seawater reverse osmosis desalination systems. J. Appl. Therm. Eng. 2021, 190, 116788. [Google Scholar] [CrossRef]
- Yu, L.; Yi-Hui, Z.; Ming-Shua, B. 3D numerical simulation on mixing process in ducts of rotary pressure exchanger. J. Desalin. Water Treat. 2012, 42, 269–273. [Google Scholar]
- Liu, K.; Deng, J.; Ye, F. Numerical simulation of flow structures in a rotary type energy recovery device. J. Desalination 2019, 449, 101–110. [Google Scholar] [CrossRef]
- Cao, Z.; Deng, J.Q.; Yuan, W.J.; Chen, Z.H. Integration of CFD and RTD analysis in flow pattern and mixing behavior of rotary pressure exchanger with extended angle. J. Desalin. Water Treat. 2012, 57, 15265–15275. [Google Scholar] [CrossRef]
- Xu, E.; Wang, Y.; Zhou, J.; Xu, S.; Wang, S. Theoretical investigations on rotor speed of the self-driven rotary energy recovery device through CFD simulation. J. Desalination 2016, 398, 189–197. [Google Scholar] [CrossRef]
- Ye, F.; Deng, J.; Cao, Z.; Liu, K. Study of energy recovery efficiency in a sliding vane pressure exchanger for a SWRO system. Desalination Water Treat. 2018, 119, 150–159. [Google Scholar] [CrossRef]
- Anderson, M.J.; Whitcomb, P.J. RSM Simplified: Optimizing Processes Using Response Surface Methods for Design of Experiments; Productivity Press: New York, NY, USA, 2016. [Google Scholar]















| First Group | Second Group | Third Group | Fourth Group |
|---|---|---|---|
| Pri (pa) | Pro (pa) | Pbi (pa) | Pbo (pa) |
| 0 | 6,500,000 | 500,000 | 0 |
| Vro (m/s) | Vri (m/s) | Vbo (m/s) | Vbi (m/s) |
| 13 | 13 | 4.2 | 4.2 |
| Sample Point | Vri (m/s) | Pri (Pa) | Vapor Volume Fraction |
|---|---|---|---|
| 1 | −4.528 | 83,333.3 | 0 |
| 2 | −1.306 | 194,444.4 | 0 |
| 3 | −10.972 | 361,111.1 | 0.977 |
| 4 | −6.139 | 305,555.5 | 0 |
| 5 | −12.583 | 27,777.7 | 0.974 |
| 6 | −9.361 | 138,888.8 | 0.9787 |
| 7 | −7.75 | 472,222.2 | 0 |
| 8 | −2.917 | 416,666.6 | 0 |
| 9 | −14.194 | 250,000 | 0.970 |
Disclaimer/Publisher’s Note: The statements, opinions and data contained in all publications are solely those of the individual author(s) and contributor(s) and not of MDPI and/or the editor(s). MDPI and/or the editor(s) disclaim responsibility for any injury to people or property resulting from any ideas, methods, instructions or products referred to in the content. |
© 2023 by the authors. Licensee MDPI, Basel, Switzerland. This article is an open access article distributed under the terms and conditions of the Creative Commons Attribution (CC BY) license (https://creativecommons.org/licenses/by/4.0/).
Share and Cite
Li, W.; Guo, R.; Wang, G.; Zhao, J.; Zhang, Q.; Yu, L.; Zhang, Q. Study on Cavitation of Port Plate of Seawater Desalination Pump with Energy Recovery Function. Processes 2023, 11, 743. https://doi.org/10.3390/pr11030743
Li W, Guo R, Wang G, Zhao J, Zhang Q, Yu L, Zhang Q. Study on Cavitation of Port Plate of Seawater Desalination Pump with Energy Recovery Function. Processes. 2023; 11(3):743. https://doi.org/10.3390/pr11030743
Chicago/Turabian StyleLi, Wenlei, Rui Guo, Guogang Wang, Jingyi Zhao, Qian Zhang, Lin Yu, and Qisheng Zhang. 2023. "Study on Cavitation of Port Plate of Seawater Desalination Pump with Energy Recovery Function" Processes 11, no. 3: 743. https://doi.org/10.3390/pr11030743
APA StyleLi, W., Guo, R., Wang, G., Zhao, J., Zhang, Q., Yu, L., & Zhang, Q. (2023). Study on Cavitation of Port Plate of Seawater Desalination Pump with Energy Recovery Function. Processes, 11(3), 743. https://doi.org/10.3390/pr11030743

