Methods for Modeling and Optimizing the Delayed Coking Process in a Fuzzy Environment
Abstract
1. Introduction
- -
- the proposed method of synthesizing linguistic models allows developing effective CTS models in conditions of fuzzy input and output parameters, when other known methods are not effective or not applicable;
- -
- the proposed heuristic method of multicriteria optimization, in contrast to the known methods for solving fuzzy problems, solves the original fuzzy problem without converting it to crisp ones in a fuzzy environment. This allows, due to the maximum use of the collected fuzzy information (knowledge, experience, intuition of DM, experts), to make effective and adequate decisions in a fuzzy environment.
2. Problem Statement
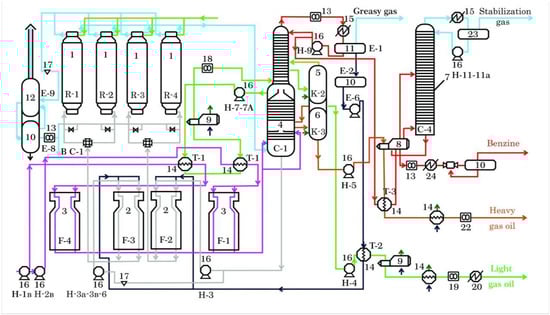
3. Object, Materials and Methods
- -
- To develop a method for synthesizing linguistic models of technological processes with fuzzy input and output parameters. Based on the developed method for the synthesis of linguistic models, synthesize linguistic models and conduct fuzzy modeling of the coking process in coke reactors to assess the quality of the produced coke;
- -
- to develop a heuristic method for multicriteria optimization of the operating mode of coking reactors to maximize the volume of coke produced with the best quality indicators. Application of the proposed heuristic method to optimize the coking process and comparison of the obtained results with the results of known methods.
3.1. Linguistic Model Synthesis Method
3.2. MC + PO Method
- For DM, experts determine —the number of steps for each q-th coordinate of the priority series for the criteria , where 1 is the priority of the main criterion is .
- To input the values of the vector of weight coefficients , which reflects the mutual importance of fuzzy constraints.
- To determine the boundary values for local criteria (except for the main—the first one), which are taken into account in the composition of the constraints
- To calculate the lengths of steps , to change the coordinates of the vector .
- By changing the coordinates in the intervals [0, 1] with a step to construct weight vectors where .
- To determine the term-set for describing fuzzy constraints and construct membership functions that estimate the degree of their fulfillment
- Using mathematical models of the object, solve the problem of maximizing the main criterion on an admissible set X, which is determined by the Pareto optimality principle. Identify current solutions:
- For DM to analyze the obtained current solutions. If the current solutions satisfy DM, then go to step 9. Otherwise, DM correct the values and/or and go to step 3 to improve the solution.
- The output of the best results selected by the DM: providing the maximum value of the main criterion , the values of other criteria and maximum degrees of fulfillment of fuzzy constraints ,…,.
4. Results
4.1. Synthesis of Linguistic Models and Fuzzy Modeling of the Coking Process in Reactors to Assess the Quality of Coke
4.2. Development of Mathematical Models of DCU Coking Reactors
4.3. Statement of Problems of Multicriteria Optimization of the Delayed Coking Process in a Fuzzy Environment and Development of a Heuristic Method for Its Solution
- Defined for each q-th coordinate the number of steps: for constraints and a number of priority criteria , where 1 is the priority of the volume of coke, 2 is the priority of the volume of vapors of petroleum products.
- The values of weight coefficients of fuzzy constraints , are defined and introduced, reflecting the mutual of these constraints.
- Boundary values for local criteria are determined, which are taken into account as part of the constraints
- Step lengths are calculated using the formula , to change the coordinates of the vector .
- Changing the coordinates in the intervals [0, 1] with a step the weight coefficients are determined where .
- Term-sets are defined that describe fuzzy constraints and membership functions are constructed that estimate the degree of their fulfillment .
- 7.
- Using the mathematical models of coking reactors developed in Section 2, the problem of maximizing the main criterion (coke volume) on an admissible set X (9) is solved. Current solutions defined:
- 8.
- DM analyzed the obtained current solutions. Since in the first four solutions the DM is not satisfied with the current solutions, in order to iteratively improve the solution, he corrected and and the transition was carried out back to point 3. On the 5th cycle, the best results were obtained that satisfied DM, and the transition was made to the next point 9.
- 9.
- The best solutions chosen by DM are derived: which provide the maximum value of the main criterion , not worse than the boundary value of the criterion and maximum degrees of fulfillment of fuzzy constraints ,. These results are listed in Table 3.
5. Discussion of Results
- The proposed MC + PO heuristic method allows solving the optimization problem in a fuzzy environment without converting the original fuzzy problem to deterministic ones. Since when converting a fuzzy problem to a set of deterministic problems, a part of the original, collected fuzzy information is lost, the adequacy of the solutions obtained decreases. The proposed heuristic method, due to the maximum use of the initial fuzzy information, makes it possible to obtain highly adequate solutions to the problem of decision making in a fuzzy environment. In addition, as can be seen from Table 3, the proposed heuristic method more accurately matches real, experimental data compared to the deterministic method.
- The proposed heuristic method for solving the decision-making problem using fuzzy information, which is the experience, knowledge, and intuition of the DM, takes into account its preferences and non-formalizable links between criteria and alternatives. This allows the DM to make more efficient decisions about production problems in a fuzzy environment.
- In contrast to deterministic methods, the developed heuristic method based on the principles of optimality (MC and PO) makes it possible to determine the values of the membership function of fuzzy constraints, i.e., the degrees of their fulfillment. This makes it possible to solve the problem of making decisions with fuzzy constraints, which does not allow solving other methods.
- The proposed principle of developing a heuristic approach to solving decision-making problems in a fuzzy environment allows developing other heuristic methods based on the modification and combination of other optimality principles, such as maximin, ideal point, etc. This allows the DM, when solving decision-making problems, depending on the current production situation and the availability of initial information, to choose and use a more efficient method.
6. Conclusions
- (1)
- A method for synthesizing linguistic models has been developed, which allows synthesizing linguistic models based on fuzzy information from DMs, experts, representing their experience, knowledge, and intuition in natural language. Unlike other well-known methods for developing models with crisp input and fuzzy output parameters, the proposed method allows synthesizing CTS linguistic models with fuzzy both input and output parameters of the system. The proposed method of linguistic synthesis is systemic and comprehensively uses the logical rules of conditional inference, methods of expert assessments, and fuzzy set theories. Such a systematic application of the listed methods is required due to the effect of synergy and the property of emergence in order to obtain an effective solution to the problems under study, which cannot be obtained using separate methods.
- (2)
- Based on the modification and combination of the principles of optimality of the main criterion and Pareto optimality, the proposed heuristic method allows to effectively solve problems of multicriteria optimization in a fuzzy environment. The proposed heuristic method differs from the known methods for solving fuzzy optimization problems in the fact that the problem is posed and solved in a fuzzy environment without preliminary transformation of the original fuzzy problem into a set of crisp problems. This allows to save and maximize the use of the collected fuzzy information, i.e., knowledge and experience of DM, experts to get more efficient and adequate solutions to a production problem in a fuzzy environment.
- (3)
- On the basis of the proposed methods, linguistic models of coking reactors are synthesized, which make it possible to evaluate the quality of coke depending on the temperature and pressure of the reactors, and the problem of two-criteria optimization with fuzzy constraints is effectively solved.
Author Contributions
Funding
Institutional Review Board Statement
Informed Consent Statement
Data Availability Statement
Conflicts of Interest
Notations
| the calculated values of the output parameters | |
| experimental (real) values of the output parameters | |
| permissible deviation | |
| X, Y | universal sets, i.e., universes |
| fuzzy subsets, input, output parameters of CTS | |
| vector of input, mode parameters of the object | |
| vector of output parameters of the object | |
| input, mode parameters of the object | |
| output parameters of the object | |
| fuzzy input, mode parameters of the object | |
| fuzzy output parameters of the object | |
| fuzzy mappings between input, output linguistic variables of CTS | |
| fuzzy relationship matrices describing fuzzy relationships | |
| weight vector of fuzzy constraints | |
| normalized vector of criteria | |
| boundary values of local criteria specified by DM (except for the main ones) | |
| membership functions that evaluate the degree of fulfillment of fuzzy constraints |
Appendix A. Model Estimating the Volume of Coke Depending on the Input, Operating Parameters
Appendix B. Model Estimating the Volatility of Coke Depending on the Input, Operating Parameters
Appendix C. Model Estimating the Ash Content of Coke Depending on the Input, Operating Parameters
References
- Adzamic, Z.; Besic, S. The impact of the catalytic reforming operation severity on cycle duration and product quality at the Rijeka oil refinery. Fuels Lubr. 2013, 42, 83–87. [Google Scholar]
- Speight, J.G. The Chemistry and Technology of Petroleum, 4th ed.; CRC Press: Boca Raton, FL, USA, 2018; ISBN 0-8493-9067-2. [Google Scholar]
- Amanturlin, G.Z. Technological Regulations for the Delayed Coking Unit DCU 21-10/6 of the Atyrau Oil Refinery; Amanturlin G.Zh: Atyrau, Kazakhstan, 2016; p. 217. [Google Scholar]
- Sawarkar, A.N.; Pandit, A.B.; Samant, S.D.; Joshi, J.B. Petroleum Residue Upgrading Via Delayed Coking: A Review. Can. J. Chem. Eng. 2017, 85, 1–24. [Google Scholar] [CrossRef]
- Orazbayev, B.B.; Ospanov, Y.A.; Orazbayeva, K.N.; Serimbetov, B.A. Multicriteria optimization in control of a chemical-technological system for production of benzene with fuzzy information. Bull. Tomsk. Polytech. Univ. Geo Assets Eng. 2019, 330, 182–194. [Google Scholar] [CrossRef]
- Orazbayev, B.B.; Shangitova, Z.Y.; Orazbayeva, K.N.; Serimbetov, B.A.; Shagayeva, A.B. Studying the Dependence of the Performance Efficiency of a Claus Reactor on Technological Factors with the Quality Evaluation of Sulfur on the Basis of Fuzzy Information. Theor. Found. Chem. Eng. 2020, 54, 1235–1241. [Google Scholar] [CrossRef]
- Bochkarev, V.V. Optimization of Chemical Technological Processes; Publishing House Yurayt: Krakow, Poland, 2017; p. 337. ISBN 978-5-9916-6546-9. [Google Scholar]
- Kondrasheva, N.K.; Rudko, V.A.; Nazarenko, M.Y.; Povarov, V.G.; Derkunskii, I.O.; Konoplin, R.R.; Gabdulkhakov, R.R. Influence of Parameters of Delayed Coking Process and Subsequent Calculation on the Properties and Morphology of Petroleum Needle Coke from Decant Oil Mixture of West Siberian Oil. Energy Fuels 2019, 33, 6373–6379. [Google Scholar] [CrossRef]
- Zhao, Z.-W.; Wang, D.-H. Statistical inference for generalized random coefficient autoregressive model. Math. Comput. Model. 2012, 56, 152–166. [Google Scholar] [CrossRef]
- Douglas, A.M.; Danny, A.M. Statistical Methods in Experimental Pathology: A Review and Primer. Am. J. Pathol. 2021, 191, 784–794. [Google Scholar] [CrossRef]
- Dubois, D. The role of fuzzy sets indecision sciences: Old techniques and new directions. Fuzzy Sets Syst. 2011, 184, 3–17. [Google Scholar] [CrossRef]
- Zimmermann, H.-J. Fuzzy Set Theory—And Its Applications, 5th ed.; Springer Science+Business Media, LLC.: Berlin/Heidelberg, Germany, 2018; p. 525. ISBN 978-94-010-3870-6. [Google Scholar] [CrossRef]
- Jorgensen, M. A Review of Studies on Expert Estimation of Software Development Effort. J. Syst. Softw. 2004, 70, 37–60. [Google Scholar] [CrossRef]
- Sabzi, H.Z. Developing an intelligent expert system for streamflow prediction, integrated in a dynamic decision support system for managing multiple reservoirs: A case study. Expert Syst. Appl. 2017, 82, 145–163. [Google Scholar] [CrossRef]
- Pavlov, S.Y.; Kulov, N.N.; Kerimov, R.M. Improvement of Chemical Engineering Processes Using Systems Analysis. Theor. Found. Chem. Eng. 2016, 53, 117–133. [Google Scholar] [CrossRef]
- Reverberi, A.P.; Kuznetsov, N.T.; Meshalkin, V.P.; Salerno, M.; Fabiano, B. Systematical Analysis of Chemical Methods in Metal Nanoparticles Synthesis. Theor. Found. Chem. Eng. 2016, 50, 63–75. [Google Scholar] [CrossRef]
- Bondarev, D.I.; Pokhodenko, N.T. Slow mowing process in unheated chambers. In Chemistry, 2nd ed.; Moscow, Russia, 2017; p. 178. (In Russian) [Google Scholar]
- Aliev, R.A.; Tserkovny, A.E.; Mamedova, G.A. Production Management with Fuzzy Initial Information; Energoatomizdat M-Publ.: Moscow, Russia, 1991; p. 250. (In Russian) [Google Scholar]
- Dzhambekov, A.M.; Dmitrievsky, B.S. Simulation of an automatic temperature control system for the stabilization catalysate process in conditions of uncertainty. Bulletin of the Tomsk Polytechnic University. Geo Assets Eng. 2022, 333, 26–33. (In Russian) [Google Scholar] [CrossRef]
- Sharma, S.K. A novel approach on water resource management with Multi-Criteria Optimization and Intelligent Water Demand Forecasting in Saudi Arabia. Environ. Res. 2022, 208, 112578. [Google Scholar] [CrossRef] [PubMed]
- Romanov, V.N. The use of fuzzy arithmetic in decision-making problems. SN Appl. Sci. 2019, 1, 367. [Google Scholar] [CrossRef]
- Zaichenko, Y.P. Operations Research: Fuzzy Optimization; Vyshcha shkola Publ.: Kyiv, Ukraine, 2018; 357p. [Google Scholar]
- Gafner, G.G.; Shkodin, Y.K.; Sedov, P.S. Intensification of operation of the delayed coking unit type 21-10/6 of Atyrau Refinery. In Research in the Field of Petroleum Coke Production: Coll. Scientific Papers; BashNII NP: Ufa, Russia, 2018; pp. 24–33. (In Russian) [Google Scholar]
- Orazbayev, B.B.; Assanova, B.; Bakiyev, M.; Krawczyk, J.; Orazbayeva, K. Methods of model synthesis and multi-criteria optimization of chemical-engineering systems in the fuzzy environment. J. Theor. Appl. Inf. Technol. 2020, 98, 1021–1036. [Google Scholar]
- Fuzzy Logic Toolbox. Design and Simulate Fuzzy Logic Toolbox. Available online: https://www.mathworks.com/products/fuzzy-logic.html (accessed on 27 August 2022).
- Fuzzy Logic Toolbox. Available online: http://www.matlab.ru (accessed on 5 August 2022).
- Valeev, S.G. Regression Modeling in the Processing of Observations, 3rd ed.; Nauka: Moscow, Russia, 2017; 272 p, Available online: https://ui.adsabs.harvard.edu/abs/1991STIA...9344501V/abstract\ (accessed on 18 September 2022).
- Clark, A.; Kuznetsov, A.G. Regress Software Package; Oxford University: Oxford, UK, 2018; p. 118. [Google Scholar]
- Yakovis, L.M.; Strongin, P.Y. Adaptive Identification of Control Objects in Systems with Standard Controllers. J. Phys. Conf. Ser. 2020, 1864, 012110. [Google Scholar] [CrossRef]
- Orazbayev, B.; Zhumadillayeva, A.; Orazbayeva, K.; Iskakova, S.; Utenova, B.; Gazizov, F.; Ilyashenko, S.; Afanaseva, O. The System of Models and Optimization of Operating Modes of a Catalytic Reforming Unit Using Initial Fuzzy Information. Energies 2022, 15, 1573. [Google Scholar] [CrossRef]
- Kravets, O.; Beletskaja, S.; Lvovich, Y.; Lvovich, I.; Choporov, O.; Preobrazhenskiy, A. The optimization of diffraction structures based on the principal selection of the main criterion. In IOP Conference Series: Materials Science and Engineering; IOP Publishing: Bristol, UK, 2017; Volume 173, p. 012010. [Google Scholar] [CrossRef]
- Bommier, A.; Zuber, S. The Pareto principle of optimal inequality. Int. Econ. Rev. 2012, 53, 593–607. [Google Scholar] [CrossRef]
- Shumsky, V.M.; Zyryanova, L.A. Engineering Tasks in Oil Refining and Petrochemistry; MPC Publ.: Moscow, Russia, 2014; p. 475. [Google Scholar]







| Terms of Fuzzy Parameters | Symbol |
|---|---|
| Low | LW |
| Below average | BA |
| Average | AR |
| Above average | AA |
| High | HG |
| Below normal | BN |
| Normal | NR |
| Above normal | AN |
| Very low | V LW |
| Very high | VHG |
| Fuzzy Input Parameters | Values of Fuzzy Input Variables | ||||
| LW | BA, BN | AR, NR | AA, AN | HG | |
| —temperature at the inlet of coking reactors | 470–477 | 472–479 | 477–484 | 482–489 | 487–494 |
| —pressure in coking reactors | 2.4–3.3 | 3.0–3.7 | 3.5–4.2 | 4.0–4.8 | 4.6–5.5 |
| Fuzzy Output Parameter | Fuzzy Output Parameter Values | ||||
| V LW | LW | AR | HG | VHG | |
| —volatility of coke | 2–5 | 4–8 | 7–11 | 10–14 | 13–16 |
| Criterion and Fuzzy Constraints | Deterministic Method | Heuristic Method MC + PO | Experimental Method |
|---|---|---|---|
| Coke volume, t/h—criterion ; | 22.5 | 23.7 | 23.0 |
| The volume of vapors of petroleum products, t/h—criterion ; | 8.0 | 8.5 | 8.4 |
| Membership functions of fuzzy constraints: Coke volatility »— | – | 1.0 | ()L |
| Ash content 0.8 % vol.»: –; | – | 1.0 | ()L |
| Optimal parameters of DCU coking reactors: —volume of raw material (tar); t; | 105 | 105 | 105 |
| —coking reactor temperature, °C; | 489 | 487 | 488 |
| —coking reactor pressure, kg/cm2; | 5.0 | 5.0 | 5.0 |
| —coking capacity of raw materials, %; | 7 | 7 | 7 |
| —recirculation ratio. | 11 | 11 | 11 |
Disclaimer/Publisher’s Note: The statements, opinions and data contained in all publications are solely those of the individual author(s) and contributor(s) and not of MDPI and/or the editor(s). MDPI and/or the editor(s) disclaim responsibility for any injury to people or property resulting from any ideas, methods, instructions or products referred to in the content. |
© 2023 by the authors. Licensee MDPI, Basel, Switzerland. This article is an open access article distributed under the terms and conditions of the Creative Commons Attribution (CC BY) license (https://creativecommons.org/licenses/by/4.0/).
Share and Cite
Orazbayev, B.; Dyussembina, E.; Uskenbayeva, G.; Shukirova, A.; Orazbayeva, K. Methods for Modeling and Optimizing the Delayed Coking Process in a Fuzzy Environment. Processes 2023, 11, 450. https://doi.org/10.3390/pr11020450
Orazbayev B, Dyussembina E, Uskenbayeva G, Shukirova A, Orazbayeva K. Methods for Modeling and Optimizing the Delayed Coking Process in a Fuzzy Environment. Processes. 2023; 11(2):450. https://doi.org/10.3390/pr11020450
Chicago/Turabian StyleOrazbayev, Batyr, Elmira Dyussembina, Gulzhan Uskenbayeva, Aliya Shukirova, and Kulman Orazbayeva. 2023. "Methods for Modeling and Optimizing the Delayed Coking Process in a Fuzzy Environment" Processes 11, no. 2: 450. https://doi.org/10.3390/pr11020450
APA StyleOrazbayev, B., Dyussembina, E., Uskenbayeva, G., Shukirova, A., & Orazbayeva, K. (2023). Methods for Modeling and Optimizing the Delayed Coking Process in a Fuzzy Environment. Processes, 11(2), 450. https://doi.org/10.3390/pr11020450

