Next Article in Journal
Enhancing TiO2 Precipitation Process through the Utilization of Solution-Gas-Solid Multiphase CFD Simulation and Experiments
Previous Article in Journal
Study on Mushy Zone Coefficient in Solidification Heat Transfer Mathematical Model of Thin Slab with High Casting Speed
 
 
Font Type:
Arial Georgia Verdana
Font Size:
Aa Aa Aa
Line Spacing:
Column Width:
Background:
Article

Optimal Design of Motor–Pump Parameters for Direct Load-Sensitive EHA Based on Multi-Objective Optimization Algorithm

1
China Coal Research Institute, Beijing 100013, China
2
CCTEG Coal Mining Research Institute, Beiing 100013, China
3
Tiandi Technology Co., Ltd., Beijing 100013, China
4
School of Automation Science and Electrical Engineering, Beihang University, Beijing 100191, China
5
Research Institute for Frontier Science, Beihang University, Beijing 100191, China
6
Zhangjiamao Mining Co., Ltd., Shanxi Coal Group Shenmu, Shenmu 719316, China
*
Author to whom correspondence should be addressed.
Processes 2023, 11(11), 3109; https://doi.org/10.3390/pr11113109
Submission received: 26 September 2023 / Revised: 25 October 2023 / Accepted: 26 October 2023 / Published: 30 October 2023

Abstract

:
The electro-hydrostatic actuator (EHA) is a highly integrated and reliable actuation system which has been widely used in aerospace and construction machinery. In addition, the direct load sensitive EHA (DLS–EHA) has been investigated by introducing load-sensitive techniques which can well match the system output and external loads. More importantly, the matching design of motor–pump parameters is an important stage in the pre-design phase of DLS–EHA. For this reason, a multi-objective optimization design method for DLS–EHA motor–pump parameters is proposed in this paper. Firstly, the motor–pump mass and energy loss models are constructed based on similarity criteria. Secondly, the multi-objective particle swarm optimization algorithm (MOPSO) is used to optimize the design of the motor-pump parameters, and the Pareto frontier solutions of the optimized parameters are obtained. Further, the optimal design parameters are selected on the basis of meeting the actual requirements. Finally, the DLS–EHA prototype is designed based on the optimized design parameters and experimental verification is completed. The results of the study show that the optimized design parameters can meet the design requirements. The design method proposed in this paper provides an important theoretical basis for the optimized design of DLS–EHA.

1. Introduction

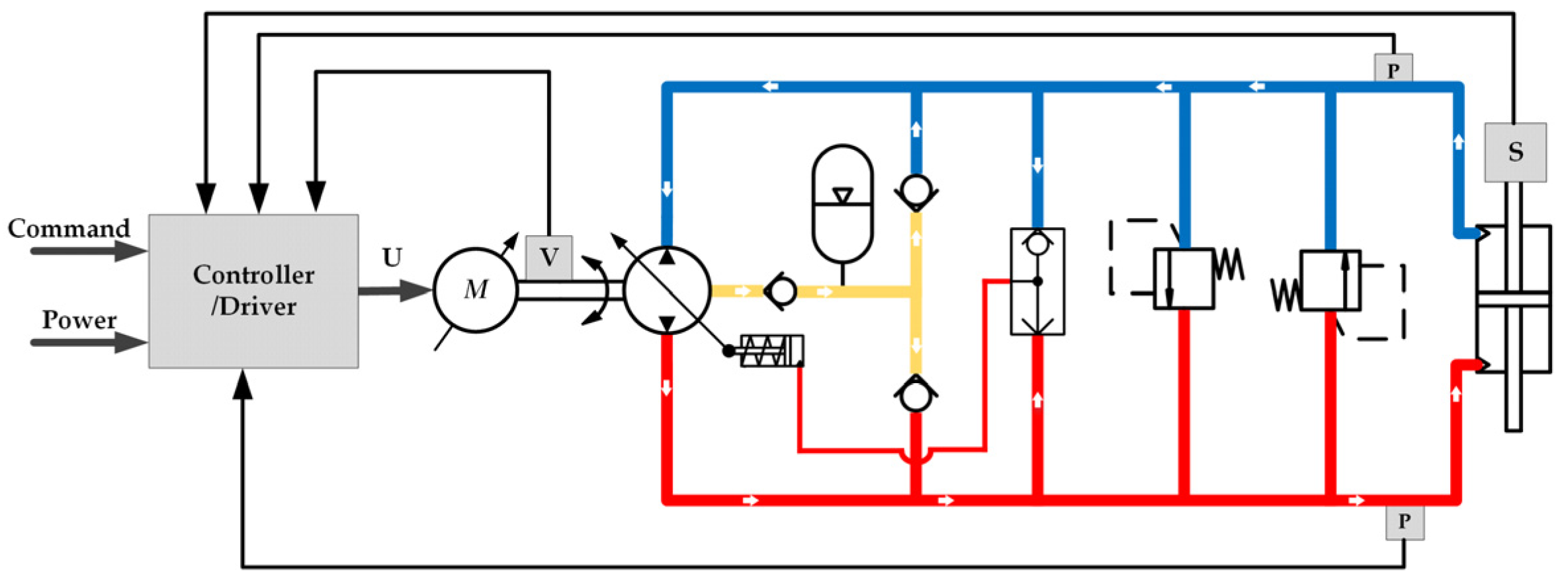
The electro-hydrostatic actuator (EHA) is a new type of actuator system with high reliability and integration [1,2,3], which usually consists of a motor, a pump, an actuator, a controller and other accessories. The EHA is now widely used in many fields such as aerospace and construction machinery [4,5,6]. The EHA can be categorized into a variety of configurations depending on the form of motor speed and pump displacement change, including the fixed displacement pump and variable speed motor–EHA (FPVM–EHA), variable displacement pump and fixed speed motor–EHA (VPFM–EHA), variable displacement pump and variable speed motor–EHA (VPVM–EHA) [5,7,8]. Among them, the direct load-sensitive EHA (DLS–EHA) is realized by introducing load-sensitive technology on the basis of VPVM–EHA. The high-pressure oil of the system is introduced into the variable mechanism, which in turn realizes the matching of the system output with the external load, as shown in the schematic diagram in Figure 1.
The comprehensive and optimized design process of DLS–EHA is necessary to ensure high performance and reliability. Specifically, the design of DLS–EHA is a multi-parameter and multi-field coupling design process, which involves a number of disciplines such as mechanical engineering, electrical engineering, and fluid transmission. Most importantly, the matching of motor and pump parameters is an important aspect of the optimal design of the DLS–EHA. In the early stages of the motor-pump design, only a few design parameters are available, but a large number of design parameters must be determined and multiple characteristics should be considered at the same time, which are usually in conflict with each other and difficult to balance. The selection of the optimal combination of design parameters with the same design specifications is important [9,10].
There is some research on the optimal design of EHA parameters. An optimized design approach for EHA for aircraft ailerons is explored in [11]. This research involves combining non-causal modeling and multi-tip simulation meta-modeling approaches to construct an EHA mass model using a surface response model, which enables a fast and optimal design of EHA mass and geometric integration. A design methodology for finding and evaluating optimal architectures for aircraft actuators with EHA safety and reliability as design goals is presented in [12]. Efficient and fast trade-offs between different actuator technologies are realized by this method, which provides an important theoretical basis for actuator pre-design. A preliminary optimization design method for aircraft actuators based on scaling laws is presented in [13]. The method presents guidelines for categorizing numerous design parameters in the pre-design phase of an actuator. The challenge of not easily determining the design parameters faced during the pre-design phase of an actuator is addressed by allowing the development of component models from a limited number of input parameters. In order to refine the design methodology of EHA under various transient operating conditions, a methodology for the optimal design of EHA under multiple constraints is proposed in [14]. A MATLAB/Simulink-based EHA sizing and simulation optimization tool was also developed with EHA quality as the optimization objective, and the parameter optimization design of EHA was completed with the flight rudder surface of Boeing 737-800 as the research object [15]. A multi-objective optimization design method for EHA under multiple constraints is proposed in [16]. The optimal design of the parameters of the motor, pump, and actuator cylinder was completed. In reference [17] the design of the pump displacement and other parameters was completed using a multi-objective optimization algorithm with mass, stiffness, and efficiency as the optimization objectives. A multi-objective optimization design method for EHA based on AMESim and Python is proposed in [18]. The dynamics model of the EHA was constructed using AMESim, and the Python script completed the optimal design of the design parameters by using an intelligent search method and transferring it to the AMESim model. This method helps in determining the design parameters of the actuator during the design phase.
However, the above studies have some limitations. Firstly, all the above studies on EHA mainly focus on FPVM–EHA, and there is no content on the optimized design of the motor–pump parameters of DLS–EHA. For DLS–EHA the pump displacement varies with the system working pressure, which makes the determination of the rated torque of the motor a difficult problem. In addition, for the calculation of system energy consumption, especially the motor energy consumption, a completed calculation process is not given in all the references. Hence, they do not accurately provide guidance for the pre-design of the DLS–EHA.
Therefore, in order to improve the process of the pre-design stage of DLS–EHA, this paper proposes a motor–pump parameter-matching optimization method based on a multi-objective particle swarm optimization algorithm. Combined with the design index of EHA and working condition demands, an accurate motor–pump mass and energy consumption model are established, and the design parameters are determined. Furthermore, the optimal design of the motor–pump parameters was accomplished using the multi-objective particle swarm optimization algorithm, and the Pareto frontier solution was obtained. On this basis, the parameter relationship matrix (PRM) is constructed using quality function development (QFD) theory to choose the design parameters of the motor–pump that can be best used in practice.

2. Multi-Objective Optimization Model

2.1. Mass Model of the Motor–Pump

The mass model of the motor–pump can be expressed as:
m pm = m pump + m motor ,
where m pm indicates the sum mass of pump and motor, and m pump and m motor represent the mass of pump and motor, respectively.
A straightforward way to obtain the mass model is to use a data package similar to that used in some commercial software, in which the volume of the object is known and then calculated by defining the corresponding material. However, this approach cannot be implemented in the early stages of EHA design, since it is not possible to know the exact volume of the component. In order to obtain an accurate mass model in the early stage, the similarity criterion is adopted in this paper.

2.1.1. The Parameter Estimation Based on Similarity Criterion

The similarity criterion is an effective method to study the impact of parameter variations on system performance, which has the advantage of accomplishing estimates over a range of product quality with only one or a relatively small number of parameters [19,20]. The parameter estimation process based on similarity criterion is shown in Figure 2.
The similarity ratio for a given parameter can be defined as follows:
x * = x x ref ,
where x * is the similarity ratio for a given parameter to be estimated, x is the parameter to be estimated, and x ref is the parameter used as the reference.
For instance, the schematic of geometric shafts with geometric similarity is shown in Figure 3. The similarity ratio of dimensional parameters and the mass can be expressed as follows under all geometrical parameters in identical variations.
r * = r r ref ,   l * = l l ref ,
r * = l * ,
V * = V V ref = π r 2 l π r ref 2 l ref = r * 2 l * = l * 3 ,
m = ρ d V m * = l * 3 ,
where V , r , l , ρ and m represent the volume, radius, length, density and mass, respectively. Therefore, all definition parameters can be related to a dimensional parameter similarity ratio for geometrically similar parts.

2.1.2. Mass Model of the Pump

Generally, there is a relationship between the mass and the displacement of the pump. Therefore, in the estimation process of pump mass, the displacement D p can be selected as the definition parameter, by assuming the materials and maximum working pressure of the pump are the same. Accordingly, the similarity ratio of the relational parameters can be expressed as follows:
ρ * = E * = p max * = 1 ,
where ρ is the similarity ratio of the material density, E * is the similarity ratio of Young’s modulus, and p max * is the similarity ratio of maximum pump pressure.
The pump displacement is the geometrical volume of the cavity in one rotation of the pump. Due to the geometrically similar characteristics of the pumps, all dimensional parameters have the same similarity ratio. The similarity ratio of displacement and mass can be linked to the dimensional similarity ratio which can be expressed as follows:
D p * = l p * 3 ,
m pump * = l p * 3 ,
where D p * is the similarity ratio of the pump displacement, m pump * is the similarity ratio of the pump mass, and l p * is the similarity ratio dimensional parameter of the pump.
Combining Equations (8) and (9), the mass similarity ratio of the pump can be expressed as:
m pump * = D p * ,
As shown in Equation (10), the mass of the pump is positively related to the pump displacement. In order to obtain the mass model of the pump, the mass data of the Paker pumps at the same pressure level are collected and the fitted data can be obtained as shown in Figure 4. Eventually, the pump mass model can be obtained as follows:
m pump = 0.21 D p + 2.15 ,
where m pump denotes the mass of pump.

2.1.3. Mass Model of the Motor

Likewise, the motor rated torque T nom can be selected as the definition parameter, while the dimensional parameter is defined as l m . In order to avoid the magnetic saturation of the motor, the magnetic density of the motor cannot exceed the maximum given value of the material. During the estimation process of the motor, it is assumed that the electromagnetic components have the same maximum magnetic flux density, which can be expressed as follow.
B * = 1 ,
The electromagnetic working torque of motor can be obtained as follows according to the Laplace Equation [13].
T = J cd B r d v ,
T * = J cd * B * l m * 4 = J cd * l m * 4 ,
where T and T * are the working torque and the similarity ratio of T , respectively, J cd and J cd * are the current density and its similarity ratio, respectively, l m is the dimensional parameter of the motor, and l m * is the similarity ratio of l m . The square of the current density is inversely proportional to the winding length for the same maximum temperature limitation [20]; hence, the current density similarity ratio can be expressed as:
J cd * = l m * 1 / 2 ,
In addition, the similarity ratios of the rated torque and working torque are the same, namely T nom * = T * . The relationship between the similarity ratio of the rated torque and the similarity ratio of the dimensional parameter can be obtained as:
T nom * = l m * 3.5 ,
Therefore, the similarity ratio of the motor mass can be obtained as Equation (17) according to Equations (6) and (16).
m motor * = T nom * 3 / 3.5 ,
It can be seen that the motor mass is positively correlated with the (3/3.5) power of the motor rated torque. By collecting the mass data of the motor, the mass model of the motor can be obtained as follows [16]:
m motor = 0.628 T nom 3 / 3.5 + 0.783 ,

2.2. Energy Loss Model of the Motor–Pump

The energy loss model for the motor–pump can be expressed as:
E pm = 0 t P motor + P pump d t ,
where E pm represents the sum of the energy loss of the motor and pump at a certain time, P pump is the power loss of the pump, and P motor is the power loss of the motor.

2.2.1. Power Loss of the Pump

The power loss of the pump is composed of mechanical and volumetric power loss, which can be expressed as:
P pump = P p , m + P p , v ,
where P p , m and P p , v represent the mechanical power loss and volumetric power loss, respectively.
In addition, the mechanical power loss P p , m can be expressed as Equation (21).
P p , m = Δ T p ω = Δ T s + Δ T v + Δ T t ω ,
where Δ T p is the torque loss of the pump, Δ T s represents the pump torque loss generated by the friction pair, Δ T v is the pump torque loss generated by oil viscosity, Δ T t is the pump torque loss generated by fluid churn, and ω is the angular velocity of the pump. Δ T s , Δ T v and Δ T t can be expressed as Equations (22)–(24), respectively.
Δ T s = A p p f r = ( A p f r D p ) p D p = C s p D p ,
Δ T v = A R τ r = A R ( μ ω r s ) r = C v μ n D p ,
Δ T t = ( 2 π ) 2 / 3 A t r 3 2 D p 5 / 3 = C t ρ oil n 2 D p 5 / 3 ,
where A p is the pressure area, f is the frictional coefficient of the friction pair, r is the distance from the friction to the center of the rotation axis, C s is the mechanical loss coefficient, A R is the projected area of the friction area, τ is the oil shear stress on unit area, C v is the viscous friction coefficient, A t is the projected area of the turbulent follow channel, ρ oil is the density of the oil, n is the rotational speed of the pump, C t is the churning loss coefficient, p is the working pressure of the pump, and μ is the dynamic viscosity of the fluid.
Combining Equations (21)–(24), the expression for the mechanical power loss of the pump can be obtained as:
P p , m = C s p n D p + C v μ n 2 D p + C t ρ oil n 3 D p 5 / 3 ,
where C s = 2 π C s / 60 , C v = 2 π C v / 60 , and C t = 2 π C t / 60 .
In addition, the volumetric power loss of the pump is generated by the leakage of the sealing surface. The volumetric power loss and the leakage equation can be expressed as follows:
P p , v = Δ Q p p = Δ Q s + Δ Q t p ,
where Δ Q p is the leakage of the pump, and Δ Q s and Δ Q t denote the leakage in laminar and turbulent, respectively, which can be expressed as follows.
Δ Q s = p s 3 b 12 μ l a = C sv D p 2 π μ p ,
Δ Q t = u j = 2 p ρ oil j = C s t 2 p ρ oil D p 2 / 3 ,
where s is the height of the leakage gap, b is the length of the leakage boundary, l a is the length of the leakage channel, C sv is the laminar leakage coefficient, and C st is the turbulent leakage coefficient. Therefore, the volumetric power loss of the pump can be obtained as:
P p , v = C sv D p 2 π μ p 2 + C s t p 2 p ρ oil D p 2 / 3 ,
According to Equations (20), (25) and (29), the power loss of the pump can be expressed as follows:
P pump = C s p n D p + C v μ n 2 D p + C t ρ oil n 3 D p 5 / 3 + C sv D p 2 π μ p 2 + C st p 2 p ρ oil D p 2 / 3 ,
According to Equation (30), it can be found that the power loss of the pump is a function of the system pressure and the displacement of the pump.

2.2.2. Power Loss of the Motor

Generally, the motor power loss is mainly composed of electrical loss which consists of copper and iron losses. The expression of the motor loss can be presented as follows:
P motor = Δ P e = Δ P Cu + Δ P Fe ,
where Δ P e is the electrical power loss, and Δ P Cu and Δ P Fe indicate the copper and iron losses, respectively, which can be expressed as follows:
Δ P Cu = N I 2 R ,
Δ P Fe = k h f m B α + k c ( B f m ) 2 + k e ( B f m ) 1.5 ,
where N is the number of phases of the motor winding, I is the RMS value of the winding phase current, R is the phase resistance, k h is the hysteresis loss coefficient, f m is the frequency of alternating magnetic field, α is the Steinmetz coefficient, and k c is the additional loss coefficient.
The copper and iron losses of the motor depend greatly on the design structure and the material of the motor according to Equations (32) and (33). However, it is difficult to determine the specific parameters of the motor at the beginning of EHA design. The loss model of the motor can also be obtained by using similarity criterion. Similarly, the motor rated torque T nom is selected as the definition parameter, while the dimensional parameter is defined as l m .
(1)
Copper Loss Calculation
The relationship between motor output torque and current can be expressed as:
T m = k t I ,
where T m is the output torque of the motor, and k t is the torque coefficient of the motor.
Combining Equations (32) and (34), the relationship of the copper loss and the output torque can be expressed as:
Δ P Cu = N R k t 2 T m 2 = α t T m 2 ,
where α t can be defined as the coefficient between copper loss and the output torque. Meanwhile, the similarity ratio of the α t can be expressed as:
α t * = R * k t * ,
The value of the motor torque coefficient and back EMF coefficient can be considered equal for the permanent magnet synchronous motor. Thus, the similar ratio for the torque coefficient can be expressed as follows based on the formula for back EMF.
k t * = U * ω * ,
where U * is the similarity ratio of back EMF, and ω * is the similarity ratio of the rotational speed.
In the high-speed operation process, the motor rotor contains a large centrifugal force. The maximum rotational speed of the motor is generally limited by the mechanical constraints caused by the centrifugal force for safety. Assuming that the motor possesses the same scale factor in all dimensions, the similarity ratio of the concentrated stress of the shaft can be expressed as Equation (38) according to the centrifugal force calculation method.
σ * = ω * 2 l m * 2 ,
where σ * is the similarity ratio of the concentrated stress of the shaft.
Furthermore, assuming that the motors are produced from the same material that contains the same stress limits, σ * = ρ * = E * = 1 . Therefore, the similarity ratio of rotational speed, the shaft shear force and torque can be obtained as follows, respectively:
ω * = l m * 1 ,
F m * = l m * 2 ,
T m * = l m * 3 ,
Combining Equations (37) and (39), the similarity ratio for the torque coefficient can be obtained as:
k t * = U * l m * ,
The similarity ratio of the winding resistance can be obtained as Equation (43) according to the calculation method of the motor winding resistance.
R * = N * l m * 1 ,
where N * is the similarity ratio of the winding number, which can be expressed as:
N * = U * l m * 2 B * ω * = U * l m * 1 ,
Combining Equations (43) and (44), the final representation of the winding resistance similarity ratio can be expressed as:
R * = U * 2 l m * 3 ,
Furthermore, for a given motor shaft material, the ratio between the fatigue stress and the maximum stress is fixed. Therefore, the ratio between the rated torque of the motor and its maximum torque is also fixed, which can be expressed as:
T max * = T nom * = T m * ,
where T max * and T nom * represent the similarity ratio of the maximum and the rated torque, respectively.
Moreover, the relationship between the similarity ratio of α t and the rated torque can be obtained as Equation (47) according to Equations (16), (36), (42) and (45).
α t * = U * 2 l m * 3 U * 2 l m * 2 = l m * 5 = T nom * 5 / 3.5 ,
(2)
Iron Loss Calculation
The flux density of the motor in engineering is generally 1 T < B < 1 . 8 T ; therefore, the iron loss of the motor can be simplified as:
Δ P Fe = k Fe f 1.3 B 2 m s ,
where k Fe is the loss coefficient of stator material, and m s is the mass of the stator. Substituting the motor rotational speed versus frequency, the expression for iron loss of the motor can be regained as follows:
Δ P Fe = β t ω 1.3 ,
where β t = k Fe B 2 m s ( p m 2 π ) 1.3 is the coefficient representing the relationship between iron loss and rotational speed, and the similarity ratio of β t can be expressed as follows:
β t * = m s * = l m * 3 = T nom * 3 / 3.5 ,
(3)
Calculation Method of α t and β t
In order to obtain the specific expression of α t and β t , the motor simulation models are established as shown in Figure 5. The simulation results of power loss at different rated operating conditions are shown in Table 1. Further, the loss coefficients versus rated torque graphic can be obtained by combining Equations (47) and (50), as shown in Figure 6 and Figure 7, respectively. Ultimately, the expressions for α t and β t can be denoted as Equations (51) and (52), respectively.
α t = 26.885 T nom 5 / 3.5 + 0.623 ,
β t = 0.0017 T nom 3 / 3.5 + 0.0082 ,
Finally, the motor loss calculation model can be expressed as follows by combining Equations (35), (49), (51) and (52).
P motor = P C u + P Fe = 26.885 T nom 5 / 3.5 + 0.623 T m 2 + 0.0017 T nom 3 / 3.5 + 0.0082 ω 1.3 ,
According to Equation (53), it can be found that the power loss of the motor is a function of the motor output torque and rotational speed, which is related to the motor working conditions.

3. Determination of Multi-Objective Optimization Parameters

According to the above calculations, it can be found that the mass of EHA is directly related to the pump displacement and the rated torque of the motor, and the energy loss is related to the pump output pressure, speed and rated torque of the motor. These parameters are directly related to the actual working conditions and design specifications of the EHA. Therefore, the multi-objective optimization parameter domains need to be determined in combination with the design indicators and the working conditions. The design objectives and working condition requirements of a certain EHA are shown in Table 2 and Table 3, respectively.
In addition, there is a direct relationship between the displacement of the load-sensing variable displacement pump and the system working pressure. The variable rules for the direct load-sensing variable pump are shown in Figure 8. The variable pump works at the maximum displacement when the system working pressure is less than the variable initial pressure due to the existence of a certain preload in the variable mechanism of the variable pump. Furthermore, the load-sensitive pump displacement is linearly related to the system operating pressure when the system operating pressure exceeds the variable initial pressure.
Therefore, the variable rule for direct load-sensitive pumps can be expressed as:
D p = D p , max , p p c D p , max D p , min p max p c p + D p , max D p , min p max p c p max + D p , min , p > p c ,
where D p , D p , max and D p , min are the working displacement, maximum displacement and the minimum displacement of the direct load-sensing variable pump, respectively; p max is the maximum pressure of the system; and p c is the initial pressure at which the pump begins to change variables. In addition, the maximum displacement of the pump needs to meet the maximum flow demand of the system, which can be obtained as:
D p , max Q max n max η v ,
where Q max is the maximum flow rate as shown in Table 3; n max is the maximum rotational speed as shown in Table 2; and η v is the volumetric efficiency of the pump.
In addition, due to the direct connection between the motor and the pump via splines in the EHA, the output torque of the motor is the same as the input torque of the pump, which can be expressed as:
T m = T p + Δ T p ,
where T p is the output torque of the pump; Δ T p is the torque loss of the pump which can be obtained from Equation (21) to (24). Thus, the output torque of the motor can be finally expressed as:
T m = C p p D p , max + C v μ n D p , max + C t ρ oil n 2 D p , max 5 / 3 + J pm α p , p p c C p p + C v μ n m p + m p max + D p , min + C t ρ oil n 2 m p + m p max + D p , min 5 / 3 + J pm α p , p > p c ,
where C p is the coefficient which can be expressed as C p = C s + 1 2 π ; J pm is the sum of the rotational inertia of the motor and pump; and m is an intermediate parameter which can be expressed as m = D p , max D p , min p max p c .
In addition, according to Equations (18) and (51), it can be found that motor mass and energy loss are directly related to rated torque. Therefore, it is critical to determine the rated torque of the motor in the early stages of EHA optimization design. In this study, the motor torque variation law under multiple sets of parameters was analyzed and the same simulation trend obtained according to the EHA working conditions shown in Table 3, combined with the motor torque calculation in Equation (57). The simulation results under one set of parameter conditions are shown in Figure 9.
According to the working conditions shown in Table 3, the working conditions from 1 to 4 require the motor to work continuously for a long time, and the rated torque of the motor needs to meet the maximum torque demand of these working conditions. As for working conditions 5 and 6, the motor working time is short and can be defined as transient working conditions. The maximum torque of the motor can be satisfied by the short time overload of the motor. Furthermore, according to the simulation results of Figure 9, the required maximum torque for working condition 1 can be defined as the rated torque of the motor.
Ultimately, D p , max , D p , min , p c and J pm can be chosen as the initial EHA design parameters combining the objective functions of motor–pump mass and energy loss, and the parameter ranges are defined in Table 4.

4. Multi-Objective Optimization Design

In order to obtain the optimal design parameters in the case of comprehensive optimal motor–pump mass and energy loss, the multi-objective particle swarm optimization (MOPSO) algorithm was adopted in this paper. The calculation process of the MOPSO algorithm is shown in Figure 10, while the velocity and position of the particle update functions can be defined as follows:
v i t + 1 = ω p v i t + c 1 r 1 x p i t x i t + c 2 r 2 x g t x i t ,
x i t + 1 = x i t + v i t + 1 ,
where x i is the position of the i-th particle; v i is the velocity of the i-th particle; x p i denotes the best position of the i-th particle; x g is the best position found in particle swarm; ω p is a weight for one particle, which can be defined as 0.7298; c 1 and c 2 are the acceleration coefficients of the particles; and r 1 and r 2 are random numbers that follow a normal distribution.
According to the motor–pump mass and energy loss models, the optimization objectives are selected as f 1 = min m pm and f 2 = min E pm , respectively. Meanwhile, the mass model m pm and the energy loss model E pm are obtained in Section 2. The particle population size is set to 300, the size of the external reserve set is 120, and the number of iterations is set to 200 during the optimal simulation. The Pareto front solution of optimization results are obtained in Figure 11.
It should be noted that the Pareto front is a set of optimized solutions, and how to select optimal design parameters from the Pareto front requires further analysis. Therefore, in order to obtain an optimal set of design parameters in Pareto front solutions, a parameter relationship matrix (PRM) for EHA is constructed based on the Quality Function Development (QFD) method. The PRM of the EHA can be established as Table 5. The greater the weight of the characteristic parameters in the table, the greater the importance of the feature parameter to the system. The weight Y indicates the requirement that the system must have maintainability. For aviation EHA, mass is the decisive factor for whether it can be applied to the aircraft, so a high value of quality weight is given in the PRM.
Furthermore, the comprehensive evaluation function of the EHA can be constructed as follows according to the PRM.
F = min f f m , f E = min f m f m 0 γ m + f E f E 0 γ E ,
where F is the coefficient of comprehensive evaluation function; f m is mass function of the system which can be expressed as f m = m motor + m pump ; f E is energy loss function of the system which can be expressed as f E = E motor + E pump ; and f m 0 and f E 0 are acceptable initial values for system mass and energy loss, respectively. γ m and γ E are the coefficients related to the weight in the PRM which can be obtained as follows:
γ m = 1 + δ m + 1 2 = 1 + 5 + 1 2 = 4 ,
γ E = 1 + δ E + 1 2 = 1 + 3 + 1 2 = 3 ,
Finally, the comprehensive evaluation results of each design solution in Pareto front set are obtained in Figure 12. The smallest evaluation result in the figure can be regarded as the optimal design solution which is listed in Table 6.

5. Experimental Validation

In order to verify the validity of the optimization results, a prototype of the EHA was designed and the test rig was constructed as shown in Figure 13. Moreover, the design parameters of the motor–pump were determined from Table 6. The test rig was composed of the DC power source, EHA prototype, motor driver and controller and the host computer.
Working condition 1 in Table 3 was chosen as the system input during the experiment. Meanwhile, the system load in condition 1 was ignored due to the experimental conditions without loading device. It should be further clarified that because EHA’s position is a closed-loop control, the system flow rate given in Table 3 could not be directly used as the system input. Rather, it needed to be converted according to the parameters of the actuator cylinder to obtain the displacement change rule of the actuator cylinder, which was used as the given target of the EHA position control. The displacement response and the power loss of the EHA are shown in Figure 14 and Figure 15, respectively.
As can be seen in Figure 14, the displacement response of the EHA designed according to the optimized parameters can follow the position command satisfactorily, which suggests the system performance is good.
Since the external load effect is neglected, the power loss of the motor–pump can be approximated by the input power of the EHA. From Figure 15, it can be seen that the simulation and experimental data of the motor–pump loss have the same trend, and the difference is not significant, which illustrates the effectiveness of the optimized design parameters. The motor–pump losses obtained from the experiments were slightly larger than the simulation data, mainly due to the fact that only the motor–pump losses were taken into account in the simulation process while the actuator losses were neglected.

6. Conclusions

This paper proposes a parameter-matching optimization design method of a motor–pump based on MOPSO for EHA. The mass and energy consumption models of the motor–pump are first constructed using similarity criteria based on a detailed analysis of the motor and pump design conditions. In addition, the design indicators and working conditions of the EHA are defined and the parameter determination, such as the motor rated torque, is clarified. The motor–pump design parameters have been optimized using MOPSO with the objective of minimizing the mass and energy losses. Furthermore, a comprehensive evaluation function constructed based on PRM and the optimized design parameters for the motor–pump were obtained. Finally, in order to verify the validity of the design parameters, an EHA prototype was designed and the test rig constructed. The experimental results show that the optimized EHA system had better displacement tracking performance, and the motor–pump energy consumption matches well with the theoretical calculation results. The research presented in this paper provides an effective method for optimizing motor–pump parameters of EHA, which can lead to significant savings in EHA pre-design costs and provide a theoretical basis for an EHA optimal design.

Author Contributions

Conceptualization, Y.L. and T.Y.; methodology, Y.L. and H.K.; software, H.H. and Y.L.; validation, Y.L., H.H., M.L. and J.Z.; formal analysis, Y.L. and M.L.; investigation, Y.L.; resources, Y.L. and H.H.; data curation, Y.L. and J.Z.; writing—original draft preparation, Y.L.; writing—review and editing, Y.L. and S.H.; visualization, Y.L.; supervision, M.L. and J.Z.; project administration, Y.L. All authors have read and agreed to the published version of the manuscript.

Funding

This research was funded by the Science and Technology Innovation Fund of CCTEG Coal Mining Research Institute (Grant No. KCYJY-2023-MS-04), Science and Technology Innovation Fund of Tiandi Technology Co., Ltd. (Grant No. 2021-TD-ZD003) and the National Natural Science Foundation of China (Grant No. 51890882).

Data Availability Statement

The data presented in this study are available on request from the corresponding author. The data are not publicly available because the authors of the study are in the process of applying for relevant patents.

Conflicts of Interest

The authors declare no conflict of interest.

Abbreviations

The following abbreviations are used in this manuscript:
EHAElectro-hydrostatic actuator
DLS–EHADirect load sensitive–EHA
FPVM–EHAFixed displacement pump and variable speed motor–EHA
VPFM–EHAVariable displacement pump and fixed speed motor–EHA
VPVM–EHAVariable displacement pump and variable speed m–EHA
MOPSOMulti-objective particle swarm optimization
PRMParameter relationship matrix
QFDQuality function development

References

  1. Ali, S.; Christen, A.; Begg, S.; Langlois, N. Continuous–Discrete Time-Observer Design for State and Disturbance Estimation of Electro-Hydraulic Actuator Systems. IEEE Trans. Ind. Electron. 2016, 63, 4314–4324. [Google Scholar] [CrossRef]
  2. Nie, S.; Gao, J.; Ma, Z.; Yin, F.; Ji, H. An online data-driven approach for performance prediction of electro-hydrostatic actuator with thermal-hydraulic modeling. Reliab. Eng. Syst. Saf. 2023, 236, 109289. [Google Scholar] [CrossRef]
  3. Jiao, Z.; Li, Y.; Yu, T.; Jiang, C.; Huang, L.; Shang, Y. Dynamic thermal coupling modeling and analysis of wet electro-hydrostatic actuator. Chin. J. Aeronaut. 2022, 35, 298–311. [Google Scholar] [CrossRef]
  4. Li, Z.; Shang, Y.; Jiao, Z.; Lin, Y.; Wu, X.; Li, X. Analysis of the dynamic performance of an electro-hydrostatic actuator and improvement methods. Chin. J. Aeronaut. 2018, 31, 2312–2320. [Google Scholar] [CrossRef]
  5. Alle, N.; Hiremath, S.; Makaram, S.; Subramaniam, K.; Talukdar, A. Review on electro hydrostatic actuator for flight control. Int. J. Fluid Power 2016, 17, 125–145. [Google Scholar] [CrossRef]
  6. Fassbender, D.; Zakharov, V.; Minav, T. Utilization of electric prime movers in hydraulic heavy-duty-mobile-machine implement systems. Autom. Constr. 2021, 132, 103964. [Google Scholar] [CrossRef]
  7. Shang, Y.; Li, X.; Qian, H.; Wu, S.; Pan, Q.; Huang, L.; Jiao, Z. A Novel Electro Hydrostatic Actuator System with Energy Recovery Module for More Electric Aircraft. IEEE Trans. Ind. Electron. 2020, 67, 2991–2999. [Google Scholar] [CrossRef]
  8. Huang, L.; Yu, T.; Jiao, Z.; Li, Y. Research on Power Matching and Energy Optimal Control of Active Load-Sensitive Electro-Hydrostatic Actuator. IEEE Access 2021, 9, 51121–51133. [Google Scholar] [CrossRef]
  9. Fu, J.; Maré, J.; Fu, Y. Modelling and simulation of flight control electromechanical actuators with special focus on model architecting, multidisciplinary effects and power flows. Chin. J. Aeronaut. 2017, 30, 47–65. [Google Scholar] [CrossRef]
  10. Fu, J.; Maré, J.; Yu, L.; Fu, Y. Multi-level virtual prototyping of electromechanical actuation system for more electric aircraft. Chin. J. Aeronaut. 2018, 31, 892–913. [Google Scholar] [CrossRef]
  11. Fraj, A.; Budinger, M.; Halabi, T.; Maré, J.; Negoita, C.-G. Modelling approaches for the simulation-based preliminary design and optimization of electromechanical and hydraulic actuation systems. In Proceedings of the 53rd AIAA/ASME/ASCE/AHS/ASC Structures, Structural Dynamics and Materials Conference, Orlando, FL, USA, 12–15 April 2012. [Google Scholar]
  12. Liscouët, J.; Maré, J.; Budinger, M. An integrated methodology for the preliminary design of highly reliable electromechanical actuators: Search for architecture solutions. Aerosp. Sci. Technol. 2012, 22, 9–18. [Google Scholar] [CrossRef]
  13. Budinger, M.; Liscouët, J.; Hospital, F.; Maré, J. Estimation models for the preliminary design of electromechanical actuators. Proc. Inst. Mech. Eng. Part G J. Aerosp. Eng. 2012, 226, 243–259. [Google Scholar] [CrossRef]
  14. Budinger, M.; Reysset, A.; Halabi, T.; Vasiliu, C.; Mare, J.-C. Optimal preliminary design of electromechanical actuators. Proc. Inst. Mech. Eng. Part G J. Aerosp. Eng. 2014, 228, 1598–1616. [Google Scholar] [CrossRef]
  15. Chakraborty, I.; Trawick, D.; Jackson, D.; Mavris, D. Electric Control Surface Actuator Design Optimization and Allocation for the More Electric Aircraft. In Proceedings of the 2013 Aviation Technology, Integration, and Operations Conference, Los Angeles, CA, USA, 12–14 August 2013; pp. 1–17. [Google Scholar]
  16. Wu, S.; Yu, B.; Jiao, Z.; Shang, Y. Preliminary design and multi-objective optimization of electro-hydrostatic actuator. Proc. Inst. Mech. Eng. Part G J. Aerosp. Eng. 2017, 231, 1258–1268. [Google Scholar] [CrossRef]
  17. Yu, B.; Wu, S.; Jiao, Z.; Shang, Y. Multi-Objective Optimization Design of Electro-Hydrostatic Actuator Based on Particle Swarm Optimization Algorithm and Analytic Hierarchy Process. Energies 2018, 11, 2426. [Google Scholar] [CrossRef]
  18. Xue, L.; Wu, S.; Xu, Y.; Ma, D. A Simulation-Based Multi-Objective Optimization Design Method for Pump-Driven Electro-Hydrostatic Actuators. Processes 2019, 7, 274. [Google Scholar] [CrossRef]
  19. Pahl, G.; Beitz, W.; Feldhusen, J.; Grote, K.-H. Engineering Design: A Systematic Approach, 3rd ed.; Springer: London, UK, 2007. [Google Scholar]
  20. Jufer, M. Design and Losses—Scaling Law Approach. In Proceedings of the Nordic Research Symposium Energy Efficient Electric Motors and Drives, Skagen, Denmark, 12–16 August 1996. [Google Scholar]
Figure 1. The schematic diagram of DLS–EHA.
Figure 1. The schematic diagram of DLS–EHA.
Processes 11 03109 g001
Figure 2. The parameter estimation process based on similarity criterion.
Figure 2. The parameter estimation process based on similarity criterion.
Processes 11 03109 g002
Figure 3. The schematic of shafts with geometric similarity.
Figure 3. The schematic of shafts with geometric similarity.
Processes 11 03109 g003
Figure 4. The relationship curve between mass and displacement of pumps.
Figure 4. The relationship curve between mass and displacement of pumps.
Processes 11 03109 g004
Figure 5. Simulation model of motor power loss.
Figure 5. Simulation model of motor power loss.
Processes 11 03109 g005
Figure 6. The graphic of α t and T nom 5 / 3.5 .
Figure 6. The graphic of α t and T nom 5 / 3.5 .
Processes 11 03109 g006
Figure 7. The graphic of β t and T nom 3 / 3.5 .
Figure 7. The graphic of β t and T nom 3 / 3.5 .
Processes 11 03109 g007
Figure 8. Variable rule for direct load sensing variable pumps.
Figure 8. Variable rule for direct load sensing variable pumps.
Processes 11 03109 g008
Figure 9. The motor torque graph. (a) Motor torque of step 1. (b) Motor torque of step 2. (c) Motor torque of step 3. (d) Motor torque of step 4. (e) Motor torque of step 5. (f) Motor torque of step 6.
Figure 9. The motor torque graph. (a) Motor torque of step 1. (b) Motor torque of step 2. (c) Motor torque of step 3. (d) Motor torque of step 4. (e) Motor torque of step 5. (f) Motor torque of step 6.
Processes 11 03109 g009
Figure 10. MOPSO calculation process.
Figure 10. MOPSO calculation process.
Processes 11 03109 g010
Figure 11. The Pareto front of EHA.
Figure 11. The Pareto front of EHA.
Processes 11 03109 g011
Figure 12. Comprehensive evaluation results of EHA.
Figure 12. Comprehensive evaluation results of EHA.
Processes 11 03109 g012
Figure 13. Test rig of EHA.
Figure 13. Test rig of EHA.
Processes 11 03109 g013
Figure 14. Displacement response of EHA.
Figure 14. Displacement response of EHA.
Processes 11 03109 g014
Figure 15. Power loss of motor–pump.
Figure 15. Power loss of motor–pump.
Processes 11 03109 g015
Table 1. Simulation results of motor power loss.
Table 1. Simulation results of motor power loss.
NumberRated TorqueCopper Loss (W)Iron Loss (W)
1242.69288.17
2465.85150.00
3697.83100.36
48130.376.00
510172.965.00
Table 2. The design objectives of EHA.
Table 2. The design objectives of EHA.
ItemsSymbolsNumberUnit
Maximum output force F max 120kN
Maximum stroke S max ±50mm
Maximum linear speed v max 110 × 10−3m/s
Maximum system pressure p max 28MPa
Maximum rotational speed n max 20,000r/min
Table 3. The working conditions.
Table 3. The working conditions.
StepsSystem Flow Rate (L/min)System Pressure (MPa)Working Time (min)
1 15 cos 2 π × 0.2 × t 26 sin 2 π × 0.2 × t 4.2
2 20 cos 2 π × 0.4 × t 15 sin 2 π × 0.4 × t 13
3 10 cos 2 π × 1 × t 3 sin 2 π × 1 × t 10
4 4 cos 2 π × 2 × t 1.5 sin 2 π × 2 × t 33.3
5 30 cos 2 π × 6 × t 1.5 sin 2 π × 6 × t 0.2
6 36.5 cos 2 π × 3.5 × t 3 sin 2 π × 3.5 × t 0.2
Table 4. Multi-objective optimization parameters.
Table 4. Multi-objective optimization parameters.
Design VariablesSymbolsParameter RangesUnits
Maximum displacement of the variable pump D p , max [2, 5]mL/r
Initial pressure p c [1, 5]MPa
Minimum displacement of the variable pump D p , min [0.1, 0.5]mL/r
Rotational inertia of the motor and pump J pm [1 × 10−4, 3 × 10−4]kg/m2
Table 5. The PRM of EHA.
Table 5. The PRM of EHA.
Design VariablesWeights
Mass5
Energy Loss3
Maintainability-
Table 6. Multi-objective optimization design results for EHA.
Table 6. Multi-objective optimization design results for EHA.
Design VariablesSymbolsDataUnits
Maximum displacement of the variable pump D p , max 3.2mL/r
Initial pressure p c 5MPa
Minimum displacement of the variable pump D p , min 0.4mL/r
Rotational inertia of the motor and pump J pm 2.5 × 10−4kg/m2
Rated torque of the motor T nom 4.8Nm
Mass of the pump m pump 3.8kg
Mass of the motor m motor 3.2kg
Energy loss in one period E EHA 9787J
Disclaimer/Publisher’s Note: The statements, opinions and data contained in all publications are solely those of the individual author(s) and contributor(s) and not of MDPI and/or the editor(s). MDPI and/or the editor(s) disclaim responsibility for any injury to people or property resulting from any ideas, methods, instructions or products referred to in the content.

Share and Cite

MDPI and ACS Style

Li, Y.; Kang, H.; Li, M.; Zhang, J.; Han, H.; Yu, T.; Hu, S. Optimal Design of Motor–Pump Parameters for Direct Load-Sensitive EHA Based on Multi-Objective Optimization Algorithm. Processes 2023, 11, 3109. https://doi.org/10.3390/pr11113109

AMA Style

Li Y, Kang H, Li M, Zhang J, Han H, Yu T, Hu S. Optimal Design of Motor–Pump Parameters for Direct Load-Sensitive EHA Based on Multi-Objective Optimization Algorithm. Processes. 2023; 11(11):3109. https://doi.org/10.3390/pr11113109

Chicago/Turabian Style

Li, Yanpeng, Hongpu Kang, Mingzhong Li, Jinhu Zhang, Huijun Han, Tian Yu, and Shaoping Hu. 2023. "Optimal Design of Motor–Pump Parameters for Direct Load-Sensitive EHA Based on Multi-Objective Optimization Algorithm" Processes 11, no. 11: 3109. https://doi.org/10.3390/pr11113109

APA Style

Li, Y., Kang, H., Li, M., Zhang, J., Han, H., Yu, T., & Hu, S. (2023). Optimal Design of Motor–Pump Parameters for Direct Load-Sensitive EHA Based on Multi-Objective Optimization Algorithm. Processes, 11(11), 3109. https://doi.org/10.3390/pr11113109

Note that from the first issue of 2016, this journal uses article numbers instead of page numbers. See further details here.

Article Metrics

Back to TopTop