Design and Implementation of Active Clamp Flyback Converter for High-Power Applications
Abstract
:1. Introduction
2. Materials and Methods
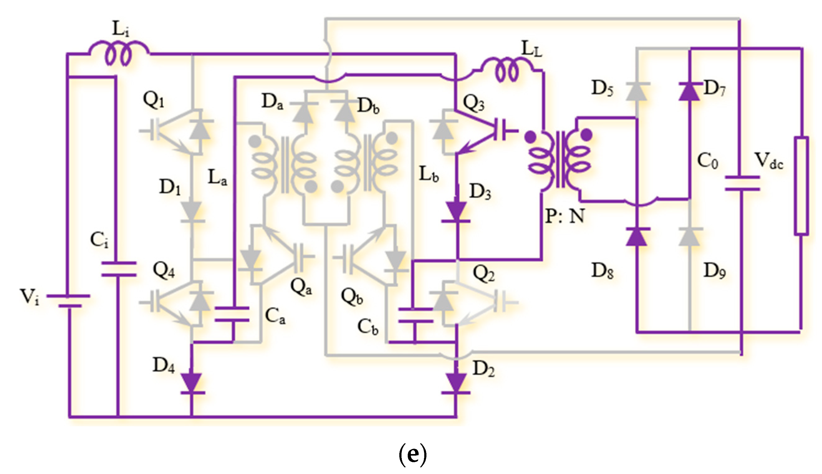
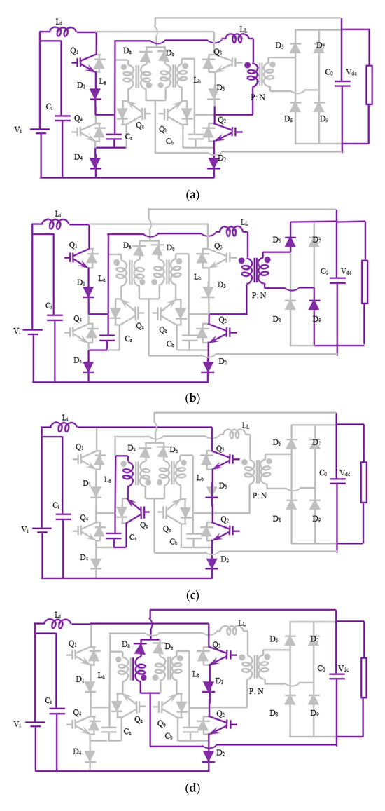
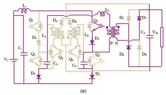
2.1. Proposed Converter
2.2. Guidelines for Designing the Clamping Circuit
- Macrocell solar irradiance from all cells and backup source voltage.
- Luminous intensity increases the optimal configuration of the photovoltaic arrays.
- Calculate current from MPPT based on light value.
- Using the bound and branch method, derive charger voltages in input and output sides.
- If not, repeat this range for each n, or else end.
- Find best matches of results in both input and output voltages from battery charger (DC–DC converter).
- If not, calculate input current and voltage as well as the output voltage of the charger (DC–DC converter), or else end.
- If not, find optimal n corresponding to m value, or else end.
- Find and return the optimal n value.
2.3. Luminous Control Algorithm
3. Results
4. Conclusions
Author Contributions
Funding
Data Availability Statement
Conflicts of Interest
References
- Satya Veerendra, A.; Rusllim Mohamed, M.; Punya Sekhar, C. Modelling and analysis of voltage balancing topology for series-connected supercapacitor energy storage system. Int. J. Model. Simul. 2023, 1–14. [Google Scholar] [CrossRef]
- Tran, T.N.T.; Wang, H.-C.; Wang, J.-M. A Dual-Mode Control Scheme to Improve Light Load Efficiency for Active-Clamp Flyback Converter. Electronics 2022, 11, 1308. [Google Scholar] [CrossRef]
- Naresh, S.V.K.; Peddapati, S.; Alghaythi, M.L. A Novel High Quadratic Gain Boost Converter for Fuel Cell Electric Vehicle Applications. IEEE J. Emerg. Sel. Top. Ind. Electron. 2023, 4, 637–647. [Google Scholar] [CrossRef]
- Rajabi, A.; Shahir, F.M.; Sedaghati, R. Output voltage improvement of fuel cell electric vehicles based on a novel high step-up DC–DC converter. AEU-Int. J. Electron. Commun. 2023, 162, 154574. [Google Scholar] [CrossRef]
- Ortega, Á.; Milano, F. Efficiency and conducted EMI evaluation of a single-phase power factor correction boost converter using state-of-the-art SiC mosfet and SiC diode. IEEE Trans. Power Syst. 2016, 31, 3369–3380. [Google Scholar] [CrossRef]
- Veerendra, A.S.; Mohamed, M.R.; Sulaiman, M.H.; Sudhakar, K.; Peddakapu, K. Modelling and simulation of dual sourced front-end converter for hybrid electric vehicles. Int. J. Ambient Energy 2020, 43, 1646–1653. [Google Scholar] [CrossRef]
- Byrne, R.H.; Nguyen, T.A.; Copp, D.A.; Chalamala, B.R.; Gyuk, I. Energy Management and Optimization Methods for Grid Energy Storage Systems. IEEE Access 2018, 6, 13231–13260. [Google Scholar] [CrossRef]
- Zhang, Z.; Zhang, Y.; Huang, Q.; Lee, W. Market-oriented optimal dispatching strategy for a wind farm with a multiple stage hybrid energy storage system. CSEE J. Power Energy Syst. 2018, 4, 417–424. [Google Scholar] [CrossRef]
- Nishikawa, N.; Nakano, M.; Kitsuregawa, M. Application Sensitive Energy Management Framework for Storage Systems. IEEE Trans. Knowl. Data Eng. 2015, 27, 2335–2348. [Google Scholar] [CrossRef]
- Lee, J.; Lee, K. Carrier-Based Discontinuous PWM Method for Vienna Rectifiers. IEEE Trans. Power Electron. 2015, 30, 2896–2900. [Google Scholar] [CrossRef]
- Dash, D.K.; Sadhu, P.K. A Review on the Use of Active Power Filter for Grid-Connected Renewable Energy Conversion Systems. Processes 2023, 11, 1467. [Google Scholar] [CrossRef]
- Smadi, A.A.; Khoucha, F.; Amirat, Y.; Benrabah, A.; Benbouzid, M. Active Disturbance Rejection Control of an Interleaved High Gain DC–DC Boost Converter for Fuel Cell Applications. Energies 2023, 16, 1019. [Google Scholar] [CrossRef]
- Hao, X.; Salhi, I.; Laghrouche, S.; Ait-Amirat, Y.; Djerdir, A. Nonlinear Disturbance Observer-based sliding mode control of interleaved boost converter for fuel cell used in microgrids. IFAC-PapersOnLine 2022, 55, 665–670. [Google Scholar] [CrossRef]
- Al-Hitmi, M.A.; Moinoddin, S.; Iqbal, A.; Rahman, K.; Meraj, M. Space vector vs. sinusoidal carrier-based pulse width modulation for a seven-phase voltage source inverter. CPSS Trans. Power Electron. Appl. 2019, 4, 230–243. [Google Scholar] [CrossRef]
- Huang, Q.; Huang, A.Q. Feedforward Proportional Carrier-Based PWM for Cascaded H-Bridge PV Inverter. IEEE J. Emerg. Sel. Top. Power Electron. 2018, 6, 2192–2205. [Google Scholar] [CrossRef]
- Lee, J.; Lee, K. Performance Analysis of Carrier-Based Discontinuous PWM Method for Vienna Rectifiers with Neutral-Point Voltage Balance. IEEE Trans. Power Electron. 2016, 31, 4075–4084. [Google Scholar] [CrossRef]
- Ye, M.; Chen, L.; Kang, L.; Li, S.; Zhang, J.; Wu, H. Family of enhanced ZCS single-stage single-phase isolated AC–DC converter for high-power high-voltage DC supply. IEEE Access 2019, 7, 53152–53162. [Google Scholar] [CrossRef]
- Jiang, W.; Huang, X.; Wang, J.; Wang, J.; Li, J. A Carrier-Based PWM Strategy Providing Neutral-Point Voltage Oscillation Elimination for Multi-Phase Neutral Point Clamped 3-Level Inverter. IEEE Access 2019, 7, 124066–124076. [Google Scholar] [CrossRef]
- Tseng, S.-Y.; Fan, J.-H. Zeta/Flyback Hybrid Converter for Solar Power Applications. Sustainability 2022, 14, 2924. [Google Scholar] [CrossRef]
- Wang, B.; Dehghanian, P.; Wang, S.; Mitolo, M. A high-frequency-link single-phase PWM rectifier. IEEE Trans. Ind. Electron. 2019, 55, 6603–6612. [Google Scholar]
- Venkatesan, M.; Adhavan, B.; Suresh, K.; Balachander, K. Lordwin Cencil Prabakar, Research on FPGA controlled three phase PV inverter using multi-carrier PWM control schemes. Microprocess. Microsyst. 2020, 76, 103089. [Google Scholar] [CrossRef]
- Eghtedarpour, N.; Farjah, E. Distributed charge/discharge control of energy storages in a renewable-energy-based DC micro-grid. IET Renew. Power Gener. 2014, 8, 45–57. [Google Scholar] [CrossRef]
- Pandi, P.; Subbarao, M.; Suresh, K. HBC-Based 3Ø System for Wide Range of Power Conversion. IEEE Can. J. Electr. Comput. Eng. 2021, 44, 321–328. [Google Scholar] [CrossRef]
- Saravanan, R.; Suresh, K. Integrated DC-AC and AC-DC Converter Using H-Converter for wide range voltage applications. Circuit World 2021, 48, 139–146. [Google Scholar]
- Li, C.; Zhang, Y.; Cao, Z.; Xu, D. Single-phase single-stage isolated ZCS current-fed full-bridge converter for high-power AC/DC applications. IEEE Trans. Power Electron. 2017, 32, 6800–6812. [Google Scholar] [CrossRef]
- Büyük, M.; Savrun, M.M.; İnci, M. Analysis and modeling of wireless power transfer supported by quadratic boost converter interfaced fuel cell power source. Int. J. Numer. Model. Electron. Netw. Devices Fields 2022, 35, e2997. [Google Scholar] [CrossRef]
- Veerendra, A.S.; Shah, A.A.; Mohamed, M.R.; Sekhar, C.P.; Leung, P. Wavelet Transform Based Fault Identification and Reconfiguration for a Reduced Switch Multilevel Inverter Fed Induction Motor Drive. Electronics 2021, 10, 1023. [Google Scholar] [CrossRef]
- Srinivasan, S.; Tiwari, R.; Krishnamoorthy, M.; Lalitha, M.P.; Raj, K.K. Neural network based MPPT control with reconfigured quadratic boost converter for fuel cell application. Int. J. Hydrogen Energy 2021, 46, 6709–6719. [Google Scholar] [CrossRef]
- Henao-Bravo, E.E.; Ramos-Paja, C.A.; Saavedra-Montes, A.J. Adaptive control of photovoltaic systems based on dual active bridge converters. Computation 2022, 10, 89. [Google Scholar] [CrossRef]
- Meng, X.; Jia, Y.; Xu, Q.; Ren, C.; Han, X.; Wang, P. A novel intelligent nonlinear controller for dual active bridge converter with constant power loads. IEEE Trans. Ind. Electron. 2022, 70, 2887–2896. [Google Scholar] [CrossRef]
- Akhtar, M.F.; Raihan, S.R.S.; Rahim, N.A.; Akhtar, M.N.; Bakar, E.A. Recent developments in DC–DC converter topologies for light electric vehicle charging: A critical review. Appl. Sci. 2023, 13, 1676. [Google Scholar] [CrossRef]
- Tarzamni, H.; Gohari, H.S.; Sabahi, M.; Kyyrä, J. Non-isolated high step-up dc-dc converters: Comparative review and metrics applicability. IEEE Trans. Power Electron. 2023, 1–41. [Google Scholar] [CrossRef]
- Kokkonda, R.K.; Beddingfield, R.; Bhattacharya, S.; Carsten, B.; Varga, B. A Novel Transformer Leakage Energy Recovery Active Clamp Control Technique for High Power AC/DC Flyback Converters. In Proceedings of the 2023 IEEE Applied Power Electronics Conference and Exposition (APEC), Orlando, FL, USA, 19–23 March 2023; pp. 1238–1245. [Google Scholar]
- Zhang, Z.; He, X.-F.; Liu, Y.-F. An optimal control method for photovoltaic grid-tied-interleaved flyback microinverters to achieve high efficiency in wide load range. IEEE Trans. Power Electron. 2013, 28, 5074–5087. [Google Scholar] [CrossRef]
- Hu, H.; Harb, S.; Kutkut, N.H.; Shen, Z.J.; Batarseh, I. A single-stage microinverter without using eletrolytic capacitors. IEEE Trans. Power Electron. 2012, 28, 2677–2687. [Google Scholar] [CrossRef]
- Kim, J.-G.; Kim, K.-D.; Noh, Y.-S.; Jung, Y.-C.; Won, C.-Y. Analysis and design of a three-port flyback inverter using an active power decoupling method to minimize input capacitance. J. Power Electron. 2013, 13, 558–568. [Google Scholar] [CrossRef]
- Sathiya, R.; Arun Noyal Doss, M. Design and implementation of single switch integrated boost and flyback converter for renewable and sustainable energy. PLoS ONE 2023, 18, e0287770. [Google Scholar] [CrossRef]
- Wang, C.; Sun, D.; Zhang, X.; Hu, J.; Gu, W.; Gui, S. A constant current digital control method for primary-side regulation active-clamp flyback converter. IEEE Trans. Power Electron. 2020, 36, 7307–7318. [Google Scholar] [CrossRef]
- Arshak, K.I.; Almukhtar, B. The design and development of a novel flyback planar transformer for high frequency switch mode DC–DC converter applications. Microelectron. J. 2000, 31, 929–935. [Google Scholar] [CrossRef]
- Goudarzian, A.; Khosravi, A.; Raeisi, H.A. Modeling, design and control of a modified flyback converter with ability of right-half-plane zero alleviation in continuous conduction mode. Eng. Sci. Technol. Int. J. 2022, 26, 101007. [Google Scholar] [CrossRef]
















| Devices | Notation | Model Number |
|---|---|---|
| Input switches | Q1–Q4 | MT5F515 |
| Diodes | Da, Db & D1–D8 | FD18S20 |
| Control drive IC | ACP-33J | |
| Current sensor | LA-55P | |
| Voltage sensor | LV25P | |
| Simulator | Chroma 6161 |
| Devices | Model Number |
|---|---|
| Clamping capacitor | 3.3 nf |
| Clamping inductor | 150 micro farad |
| Inductor (input side) | 1 mH |
| Leakage inductor | 10 micro henry |
| Output capacitor | 2 × 550 micro farad |
| Transformer core | EE-85B |
| Parameter | Output Value |
|---|---|
| Pi (Power input) | 2 kW |
| VO (Voltage output) | 400 V |
| Vi (Voltage output) | 250 V |
| Frequency | 60 Hz |
| Switching frequency | 50 KHz |
| Turns ratio | 40:60 |
Disclaimer/Publisher’s Note: The statements, opinions and data contained in all publications are solely those of the individual author(s) and contributor(s) and not of MDPI and/or the editor(s). MDPI and/or the editor(s) disclaim responsibility for any injury to people or property resulting from any ideas, methods, instructions or products referred to in the content. |
© 2023 by the authors. Licensee MDPI, Basel, Switzerland. This article is an open access article distributed under the terms and conditions of the Creative Commons Attribution (CC BY) license (https://creativecommons.org/licenses/by/4.0/).
Share and Cite
Veerendra, A.S.; Suresh, K.; Rani, P.S.; Rani, K.R.; Varaprasad, J.; Shah, A.A. Design and Implementation of Active Clamp Flyback Converter for High-Power Applications. Processes 2023, 11, 2980. https://doi.org/10.3390/pr11102980
Veerendra AS, Suresh K, Rani PS, Rani KR, Varaprasad J, Shah AA. Design and Implementation of Active Clamp Flyback Converter for High-Power Applications. Processes. 2023; 11(10):2980. https://doi.org/10.3390/pr11102980
Chicago/Turabian StyleVeerendra, A. S., K. Suresh, P. Sobha Rani, K. Radha Rani, J. Varaprasad, and A. A. Shah. 2023. "Design and Implementation of Active Clamp Flyback Converter for High-Power Applications" Processes 11, no. 10: 2980. https://doi.org/10.3390/pr11102980
APA StyleVeerendra, A. S., Suresh, K., Rani, P. S., Rani, K. R., Varaprasad, J., & Shah, A. A. (2023). Design and Implementation of Active Clamp Flyback Converter for High-Power Applications. Processes, 11(10), 2980. https://doi.org/10.3390/pr11102980

