Opening and Closing Positioning Control of the Seedling Picking-Up Mechanism Based on Fuzzy-PID Control Algorithm
Abstract
:1. Introduction
2. Stepper Positioning-Control System Modeling
2.1. Control Analysis of Seedling Taking Mechanism
2.2. Stepper Motor Angular Speed Control System Modeling
3. Stepper Positioning Control Algorithm
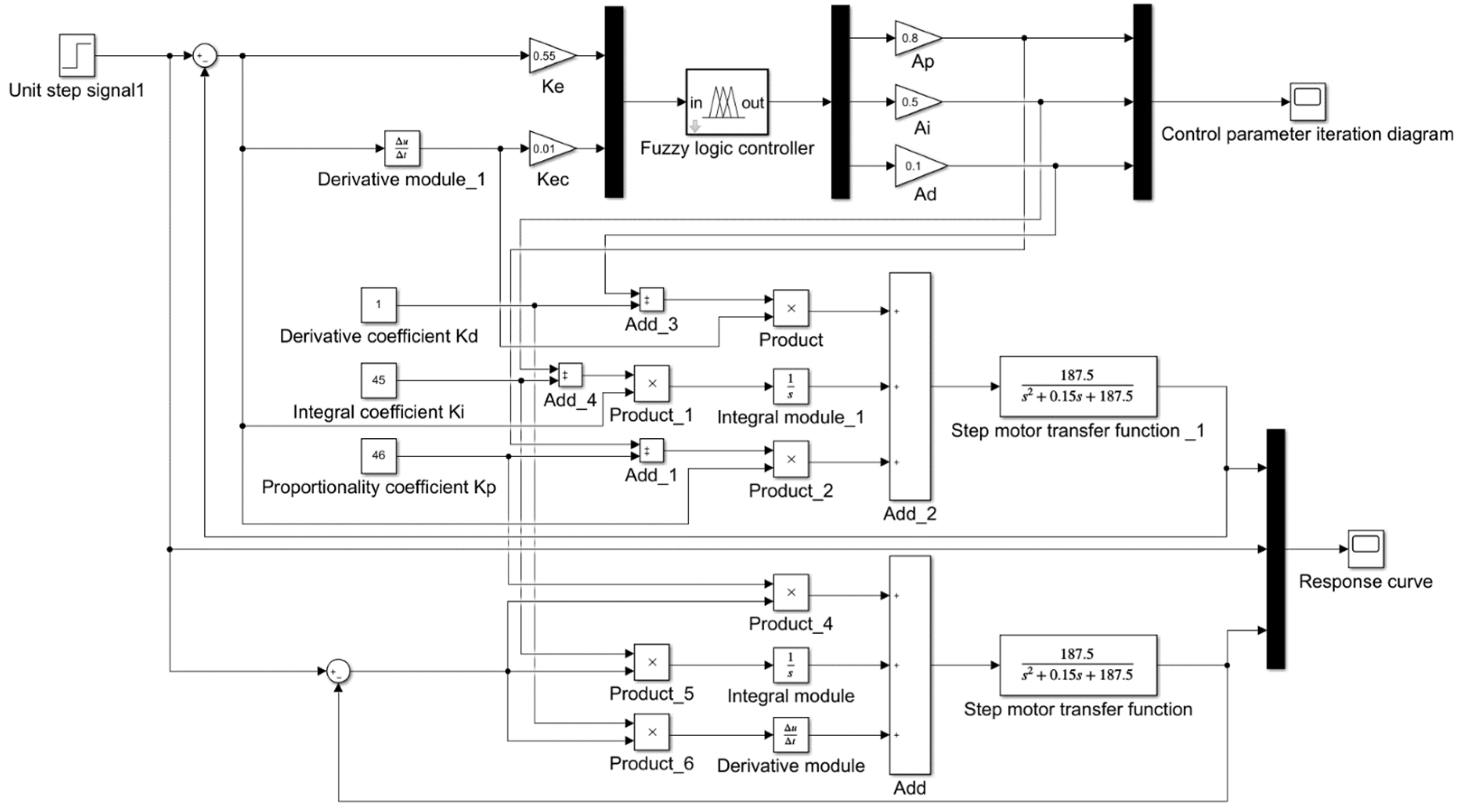
3.1. Design of Adaptive Fuzzy-PID Control System
- (1)
- Determine the input and output of fuzzy controller and their object theory domain.
- (2)
- Formulate fuzzy rules.
- (3)
- Determine the discrete theory domain of the input and output, and calculate the quantization factor and scale factor.
- (4)
- Set up the simulation model of the fuzzy controller control system.
3.1.1. Determination of Membership Functions of Language Variables
3.1.2. Development of Fuzzy Rules for Fuzzy PID Controller
3.1.3. Fuzzy Reasoning and Inverse Fuzzification in Fuzzy Controller
4. Simulation Analysis of Stepper Motor Control System
4.1. Simulation Analysis of Unit Step Response of Control System
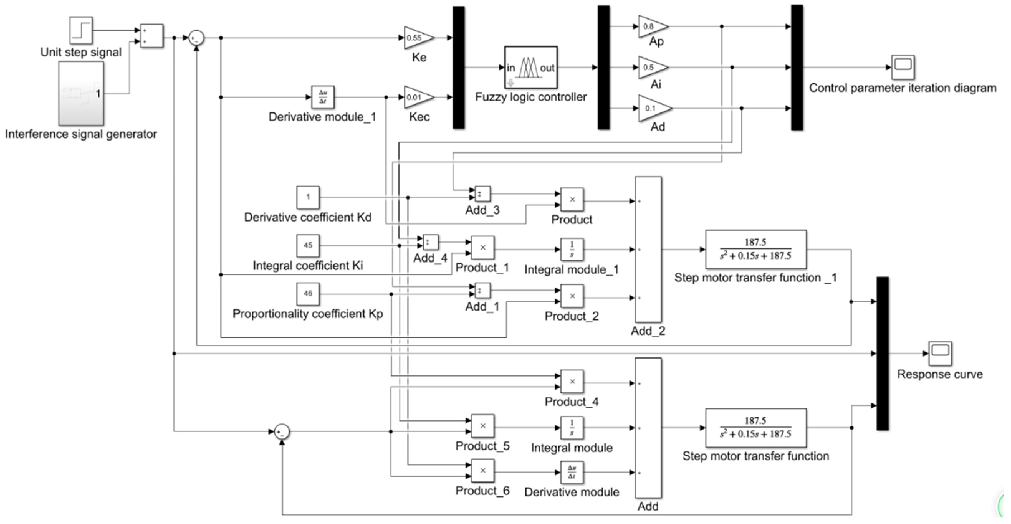
4.2. Control System Responsiveness under Disturbance
5. Position Control Test of Seedling Taking Mechanism
6. Conclusions
Author Contributions
Funding
Institutional Review Board Statement
Informed Consent Statement
Data Availability Statement
Conflicts of Interest
References
- Ji, J.T.; Yang, L.H.; Jin, X.; Gao, S.; Pang, J.; Wang, J.L. Design and parameter optimization of planetary gear-train type pot seedling planting mechanism. Trans. Chin. Soc. Agric. Eng. 2018, 34, 83–92. [Google Scholar]
- Wen, Y.S.; Zhang, J.X.; Yuan, T.; Tan, Y.Z. Current situation and analysis of automatic pich-up technology for vegetable plug seedlings. J. China Agric. Univ. 2021, 26, 128–142. [Google Scholar]
- Zhang, K.X.; Wu, H.; Wang, W.Z.; Song, C.; Liu, X.X. Design and experiment of clamping picking seedling mechanism for tomato transplanter. J. Agric. Mech. Res. 2020, 42, 64–68. [Google Scholar]
- Hu, J.P.; Chang, H.; Yang, L.H.; Han, L.H.; Mao, H.P.; Zhang, S.W. Design and experiment of control system for automatic transplanter picking up and spacing casting whole row of seedlings. Trans. Chin. Soc. Agric. Mach. 2018, 49, 78–84. [Google Scholar]
- Ren, L.; Wang, N.; Cao, W.B.; Li, J.Q.; Ye, X.C. Fuzzy PID control of manipulator positioning for taking the whole row seedlings of tomato plug seedlings. Trans. Chin. Soc. Agric. Eng. 2020, 36, 21–30. [Google Scholar]
- Wang, Q.; Cao, W.B.; Zhang, Z.G.; Zhang, P.; Wang, P. Location control of automatic pick-up plug seedlings mechanism based on adaptive fuzzy-PID. Trans. Chin. Soc. Agric. Eng. 2013, 29, 32–39. [Google Scholar]
- Liu, J.D.; Cao, W.B.; Xu, H.Z.; Tian, D.Y.; Jiao, H.B.; OuYang, Y.N. Adaptive fuzzy-PID control of accurate orientation of auto-detect seedling supply device. Trans. Chin. Soc. Agric. Eng. 2017, 33, 37–44. [Google Scholar]
- Wang, C.L.; Yong, L.; Song, J.N.; Ma, R.H.; Liu, C.L.; Li, F.L. Design and Test of Automatic Control System of Pneumatic Ejecting Type High-Speed Transplanter. Trans. Chin. Soc. Agric. Mach. 2022, 53, 114–125. [Google Scholar]
- Wei, X.H.; Bao, S.; Liu, X.K.; Liu, C.L.; Mao, H.P. Design and experiment on potted-seedling automatic transplanter control system for motion coordinating. Trans. Chin. Soc. Agric. Mach. 2016, 47, 52. [Google Scholar]
- Ma, X.Y.; Sun, F.C.; Wang, Y.M.; Li, X.C.; Yuan, J. Double Closed-loop Control of Multi-leaf Collimator Based on Fuzzy Adaptive PID. Control Eng. Chin. 2021, 28, 313–318. [Google Scholar]
- Wu, H.Y.; Shen, Q.K.; Zhang, W.X. Raw water pre-treatment system based on neural network adaptive PID control algorithm. Therm. Power Gener. 2018, 47, 41–47. [Google Scholar]
- Yang, J.J.; He, E.; Shu, J.C. Application of adaptive fuzzy control in suppressing vibration response of offshore floating wind turbines. J. Northwest. Polytech. Univ. 2021, 39, 241–248. [Google Scholar] [CrossRef]
- Wu, Z.Y.; Li, X.X. The application of self-tuning fuzzy PID control on non-circular cutting. Modul. Mach. Tool Autom. Manuf. Tech. 2020, 11, 120–124. [Google Scholar]
- Lin, J.H. Comparison of Neural Network and Fuzzy Logic Control Systems. Mech. Sci. Technol. Aerosp. Eng. 1996, 2, 162–166+181. [Google Scholar]
- Huan, Q.W.; Si, W.L.; Xue, B.Y. Adaptive neural control for non-strict-feedback nonlinear systems with input delay. Inf. Sci. 2020, 514, 605–616. [Google Scholar]
- Gao, Z.Y. Research on Two-phase Hybrid Stepper Motor Control Based on Sliding Mode Algorithm of Time-varying Boundary Layer. South China Univ. Technol. 2020. [Google Scholar] [CrossRef]
- Wang, B.J.; Liu, Q.X.; Zhou, L.; Bu, L.; Li, X.Q.; Zhang, J.Q. Modeling of stepper motor control system and optimization of acceleration and deceleration curve. Electr. Mach. Control 2018, 22, 37–42+52. [Google Scholar]
- Xu, G.Q.; Chen, Y.; Wang, P. Design Simulation of Hybrid Stepping Motor Fuzzy PID Controller. J. Anhui Polytech. Univ. 2019, 34, 39–45. [Google Scholar]
- Gu, L.C.; Qi, Z.L.; Li, J.B. Research on Application of Fuzzy and PID Control in Flow Control of Variable Speed Hydraulic Power Source. Mech. Des. Manuf. 2021, 4, 29–33. [Google Scholar]
- Wang, X.Y.; Zhao, J.F. Design and implementation of PLC based on fuzzy-PID dual motor synchronous control. Mod. Manuf. Eng. 2020, 128–133. [Google Scholar]
- Sha, Y.G.; Wang, Q.; He, X.H. Trajectory Tracking Control of Hydraulic Mechanical Arm Based on Fuzzy Compensation. Inf. Control 2021, 50, 184–194. [Google Scholar]
- Chen, D.H.; Zhu, Z.K.; Wang, C. Hydraulic turbine set frequency control based on fuzzy neural network PID. Mod. Electron. Tech. 2020, 43, 99–102. [Google Scholar]
- Yin, H.Q.; Yi, W.J.; Li, C.Q. Research on control system of Missile-borne brushless DC motor based on speed loop fuzzy parameter adaptive PID algorithm. Acta Armamentarii 2020, 41, 30–38. [Google Scholar]
- Xin, J.; Kai, K.C.; Yang, Z.; Jang, T.J. Simulation of hydraulic transplanting robot control system based on fuzzy PID controller. Measurement 2020, 164, 108023. [Google Scholar]
- Yang, J.W.; Hou, Y.L.; Li, Q.; Li, Y. Modified organophosphorus fire retardant with low toxicity/high flame retardancy using the pharmacophore model associated with Mamdani fuzzy inference approach. Biochem. J. 2020, 477, 4655–4674. [Google Scholar] [CrossRef] [PubMed]
- Liu, L.L.; Zuo, J.H. Parameter Self-adjusting Control Method of Fuzzy PID for Magnetic Levitation Ball System. Control Eng. China 2021, 28, 354–359. [Google Scholar]
- Chen, M.; Wang, J. Simulation system of Ziegler-Nichols PID parameter tuning based on MATLAB GUI. Lab. Res. Explor. 2020, 39, 98–101+122. [Google Scholar]










| Type | Step Angle/(°) | Rated Current/A | Static Torque/N·m | Rotary Inertia /kg·cm−2 | Coefficient of Viscosity | Number of Rotor Teeth of Rotary Teeth |
|---|---|---|---|---|---|---|
| 57BYG250C | 1.8° | 3.0 | 1.8 | 0.48 | 0.072 | 50 |
| E | EC | ||||||
|---|---|---|---|---|---|---|---|
| NB | NB | NB | NB | ||||
| NB | NB/NM/PM | NB | NB/NM/PM | NB | NB/NM/PM | NB | NB/NM/PM |
| NM | NS/NS/PS | NM | NS/NS/PS | NM | NS/NS/PS | NM | NS/NS/PS |
| NS | NM/NS/PS | NS | NM/NS/PS | NS | NM/NS/PS | NS | NM/NS/PS |
| ZO | PS/PS/ZO | ZO | PS/PS/ZO | ZO | PS/PS/ZO | ZO | PS/PS/ZO |
| PS | PM/PS/ZO | PS | PM/PS/ZO | PS | PM/PS/ZO | PS | PM/PS/ZO |
| PM | PM/PM/NS | PM | PM/PM/NS | PM | PM/PM/NS | PM | PM/PM/NS |
| PB | PB/PB/NB | PB | PB/PB/NB | PB | PB/PB/NB | PB | PB/PB/NB |
| Response Results of PID Control System | Response Results of Fuzzy PID Control System | ||
|---|---|---|---|
| Serial Number | Frequency of Interference Signal/Hz | Time to Steady State/s | Percentage Lift/% |
| 1 | 3 | 4.713/4.698 | 0.318 |
| 2 | 10 | 5.677/5.358 | 5.619 |
| 3 | 20 | 6.402/5.344 | 16.526 |
| 4 | 30 | 6.140/5.725 | 6.157 |
| 5 | 40 | 4.066/3.784 | 6.936 |
| 6 | 50 | 5.648/5.237 | 7.277 |
| Test Serial Number | Expected Displacement /mm | PID Control Results | Fuzzy PID Control Results | ||||
|---|---|---|---|---|---|---|---|
| Actual Displacement/mm | Absolute Error/mm | Relative Error/% | Actual Displacement/mm | Absolute Error/mm | Relative Error/% | ||
| 1 | 5 | 4.91 | 0.09 | +1.832 | 4.95 | +0.05 | +1.010 |
| 2 | 8 | 8.02 | −0.02 | −0.249 | 7.98 | +0.02 | +0.251 |
| 3 | 11 | 10.97 | +0.03 | +0.273 | 10.98 | +0.02 | +0.182 |
| 4 | 14 | 14.02 | −0.08 | −0.571 | 13.96 | +0.04 | −0.287 |
| 5 | 17 | 17.03 | −0.03 | −0.176 | 17.01 | −0.01 | +0.059 |
Publisher’s Note: MDPI stays neutral with regard to jurisdictional claims in published maps and institutional affiliations. |
© 2022 by the authors. Licensee MDPI, Basel, Switzerland. This article is an open access article distributed under the terms and conditions of the Creative Commons Attribution (CC BY) license (https://creativecommons.org/licenses/by/4.0/).
Share and Cite
Han, S.; Wang, W.; Wang, Y.; Liu, G. Opening and Closing Positioning Control of the Seedling Picking-Up Mechanism Based on Fuzzy-PID Control Algorithm. Processes 2022, 10, 1349. https://doi.org/10.3390/pr10071349
Han S, Wang W, Wang Y, Liu G. Opening and Closing Positioning Control of the Seedling Picking-Up Mechanism Based on Fuzzy-PID Control Algorithm. Processes. 2022; 10(7):1349. https://doi.org/10.3390/pr10071349
Chicago/Turabian StyleHan, Shuai, Weibing Wang, Yu Wang, and Ganghui Liu. 2022. "Opening and Closing Positioning Control of the Seedling Picking-Up Mechanism Based on Fuzzy-PID Control Algorithm" Processes 10, no. 7: 1349. https://doi.org/10.3390/pr10071349
APA StyleHan, S., Wang, W., Wang, Y., & Liu, G. (2022). Opening and Closing Positioning Control of the Seedling Picking-Up Mechanism Based on Fuzzy-PID Control Algorithm. Processes, 10(7), 1349. https://doi.org/10.3390/pr10071349
