Microwave Interferometric Cytometry for Signal Analysis of Single Yeast Cells
Abstract
:1. Introduction
2. Materials and Methods
2.1. System Setup and Sensor Design
2.1.1. System Setup and Measurement Principle
2.1.2. Sensor Design and Fabrication
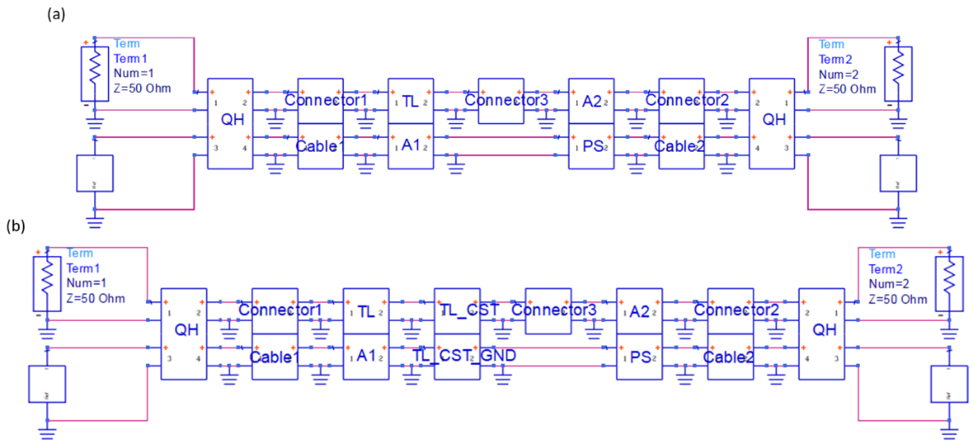
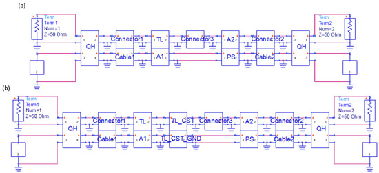
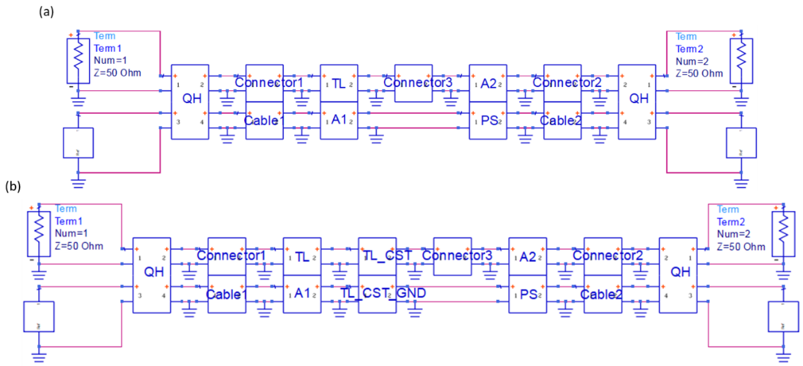
2.2. Modeling of the System
2.3. Selection and Cultivation of the Yeast Strains
2.4. Experiment Workflow and Image Acquisition
3. Results
3.1. MUT Permittivity Extraction Algorithm
3.2. System Validation and Its Application of Yeast Strain—S288C Measurements
4. Discussion
Author Contributions
Funding
Institutional Review Board Statement
Informed Consent Statement
Data Availability Statement
Acknowledgments
Conflicts of Interest
References
- Markovic, T.; Liu, S.; Barmuta, P.; Ocket, I.; Cauwe, M.; Schreurs, D.; Nauwelaers, B. Microwave Heater at 20 GHz for Nanoliter Scale Digital Microfluidics. In Proceedings of the 2015 IEEE MTT-S International Microwave Symposium (IMS), Phoenix, AZ, USA, 17–22 May 2015. [Google Scholar]
- Markovic, T.; Ocket, I.; Jones, B.; Nauwelaers, B. Characterization of a Novel Microwave Heater for Continuous Flow Microfluidics Fabricated on High-Resistivity Silicon. In Proceedings of the 2016 IEEE MTT-S International Microwave Symposium (IMS), San Francisco, CA, USA, 22–27 May 2016. [Google Scholar]
- Shaw, K.J.; Docker, P.T.; Yelland, J.V.; Dyer, C.E.; Greenman, J.; Greenway, G.M.; Haswell, S.J. Rapid PCR amplification using a microfluidic device with integrated microwave heating and air impingement cooling. Lab A Chip 2010, 10, 1725–1728. [Google Scholar] [CrossRef] [PubMed]
- Afshar, S.; Salimi, E.; Braasch, K.; Butler, M.; Thomson, D.J.; Bridges, G.E. Multi-Frequency DEP Cytometer Employing a Microwave Sensor for Dielectric Analysis of Single Cells. IEEE Trans. Microw. Theory Tech. 2016, 64, 991–998. [Google Scholar] [CrossRef]
- Yang, Y.; Zhang, H.; Zhu, J.; Wang, G.; Tzeng, T.-R.; Xuan, X.; Huang, K.; Wang, P. Distinguishing the viability of a single yeast cell with an ultra-sensitive radio frequency sensor. Lab A Chip 2010, 10, 553–555. [Google Scholar] [CrossRef] [PubMed]
- Zhao, Y.; Zhao, X.; Chen, D.; Luo, Y.; Jiang, M.; Wei, C.; Long, R.; Yue, W.; Wang, J.; Chen, J. Tumor cell characterization and classification based on cellular specific membrane capacitance and cytoplasm conductivity. Biosens. Bioelectron. 2014, 57, 245–253. [Google Scholar] [CrossRef]
- Valero, A.; Braschler, T.; Renaud, P. A unified approach to dielectric single cell analysis: Impedance and dielectrophoretic force spectroscopy. Lab A Chip 2010, 10, 2216–2225. [Google Scholar] [CrossRef]
- Cheung, K.C.; Di Berardino, M.; Schade-Kampmann, G.; Hebeisen, M.; Pierzchalski, A.; Bocsi, J.; Mittag, A.; Tarnok, A. Microfluidic impedance-based flow cytometry. Cytom. Part A 2010, 77, 648–666. [Google Scholar] [CrossRef]
- Grenier, K.; Dubuc, D.; Chen, T.; Artis, F.; Chretiennot, T.; Poupot, M.; Fournie, J.-J. Recent Advances in Microwave-Based Dielectric Spectroscopy at the Cellular Level for Cancer Investigations. IEEE Trans. Microw. Theory Tech. 2013, 61, 2023–2030. [Google Scholar] [CrossRef] [Green Version]
- Leroy, J.; Dalmay, C.; Landoulsi, A.; Hjeij, F.; Mélin, C.; Bessette, B.; du Puch, C.B.M.; Giraud, S.; Lautrette, C.; Battu, S.; et al. Microfluidic biosensors for microwave dielectric spectroscopy. Sens. Actuators A Phys. 2015, 229, 172–181. [Google Scholar] [CrossRef]
- Martinic, M.; Markovic, T.; Baric, A.; Nauwelaers, B. A 4 × 4 Array of Complementary Split-Ring Resonators for Label-Free Dielectric Spectroscopy. Chemosensors 2021, 9, 348. [Google Scholar] [CrossRef]
- Osterberg, J.A.; Dahal, N.; Divan, R.; Miller, C.S.; Moline, D.; Caldwell, T.P.; Yu, X.; Harcum, S.W.; Wang, P. Microwave Sensing of Yeast Cell Species and Viability. IEEE Trans. Microw. Theory Tech. 2021, 69, 1875–1886. [Google Scholar] [CrossRef]
- Osterberg, J.A.; Milanes, J.; Morris, J.; Wang, P. Detection of Trypanosoma brucei by microwave cytometry. Sens. Actuators Rep. 2022, 4, 100074. [Google Scholar] [CrossRef]
- Ferrier, G.A.; Romanuik, S.F.; Thomson, D.J.; Bridges, G.E.; Freeman, M.R. A microwave interferometric system for simultaneous actuation and detection of single biological cells. Lab A Chip 2009, 9, 3406–3412. [Google Scholar] [CrossRef]
- Bridges, G.; Cabel, T.; Afshar, S.; Salimi, E.; Thomson, D.; Butler, M. Microwave Near-Field Detection of Single Biological Cells and Nanoparticles. In Proceedings of the 2018 18th International Symposium on Antenna Technology and Applied Electromagnetics (ANTEM), Waterloo, ON, Canada, 19–22 August 2018; pp. 1–2. [Google Scholar] [CrossRef]
- Cui, Y.; Kenworthy, A.; Edidin, M.; Divan, R.; Rosenmann, D.; Wang, P. Analyzing Single Giant Unilamellar Vesicles With a Slotline-Based RF Nanometer Sensor. IEEE Trans. Microw. Theory Tech. 2016, 64, 1339–1347. [Google Scholar] [CrossRef] [Green Version]
- Zhang, M.; El Ghannudi, H.; Marcaccioli, L.; Montori, S.; Bao, X.; Markovic, T.; Ocket, I.; Sorrentino, R.; Nauwelaers, B. High-Sensitivity Large-Throughput Broadband Tunable Microwave Wear Debris Sensing System. IEEE Sens. J. 2021, 22, 304–314. [Google Scholar] [CrossRef]
- Cui, Y.; Wang, P. Auto-Tuning and Self-Calibration of High-Sensitivity Radio Frequency Interferometers. IEEE Microw. Wirel. Compon. Lett. 2016, 26, 957–959. [Google Scholar] [CrossRef] [Green Version]
- Ye, D.; Cutter, G.; Caldwell, T.P.; Harcum, S.W.; Wang, P. A Systematic Method to Explore Radio-Frequency Non-Thermal Effect on the Growth of Saccharomyces cerevisiae. IEEE J. Electromagn. RF Microw. Med. Biol. 2021, 6, 52–60. [Google Scholar] [CrossRef]
- Brazey, B.; Cottet, J.; Bolopion, A.; Van Lintel, H.; Renaud, P.; Gauthier, M. Impedance-based real-time position sensor for lab-on-a-chip devices. Lab A Chip 2018, 18, 818–831. [Google Scholar] [CrossRef]
- Lefevre, A.; Gauthier, V.; Gauthier, M.; Bolopion, A. Closed-Loop Control of Particles Based on Dielectrophoretic Actuation. IEEE/ASME Trans. Mechatron. 2022, 1–10. [Google Scholar] [CrossRef]
- Bao, J.; Markovic, T.; Brancato, L.; Kil, D.; Ocket, I.; Puers, R.; Nauwelaers, B. Novel fabrication process for integration of microwave sensors in microfluidic channels. Micromachines 2020, 11, 320. [Google Scholar] [CrossRef] [Green Version]
- Zhang, M.; Bao, X.; Barmuta, P.; Bao, J.; Markovic, T.; Ocket, I.; Schreurs, D.; Nauwelaers, B. Fully Automated Electrically Controlled Tunable Broadband Interferometric Dielectric Spectroscopy for Aqueous Solutions. IEEE Trans. Microw. Theory Tech. 2021, 70, 532–541. [Google Scholar] [CrossRef]
- Sato, T.; Buchner, R. The cooperative dynamics of the H-bond system in 2-propanol/water mixtures: Steric hindrance effects of nonpolar head group. J. Chem. Phys. 2003, 119, 10789–10800. [Google Scholar] [CrossRef]











Publisher’s Note: MDPI stays neutral with regard to jurisdictional claims in published maps and institutional affiliations. |
© 2022 by the authors. Licensee MDPI, Basel, Switzerland. This article is an open access article distributed under the terms and conditions of the Creative Commons Attribution (CC BY) license (https://creativecommons.org/licenses/by/4.0/).
Share and Cite
Zhang, M.; Huo, G.; Bao, J.; Markovic, T.; Van Dijck, P.; Nauwelaers, B. Microwave Interferometric Cytometry for Signal Analysis of Single Yeast Cells. Chemosensors 2022, 10, 318. https://doi.org/10.3390/chemosensors10080318
Zhang M, Huo G, Bao J, Markovic T, Van Dijck P, Nauwelaers B. Microwave Interferometric Cytometry for Signal Analysis of Single Yeast Cells. Chemosensors. 2022; 10(8):318. https://doi.org/10.3390/chemosensors10080318
Chicago/Turabian StyleZhang, Meng, Guangxin Huo, Juncheng Bao, Tomislav Markovic, Patrick Van Dijck, and Bart Nauwelaers. 2022. "Microwave Interferometric Cytometry for Signal Analysis of Single Yeast Cells" Chemosensors 10, no. 8: 318. https://doi.org/10.3390/chemosensors10080318
APA StyleZhang, M., Huo, G., Bao, J., Markovic, T., Van Dijck, P., & Nauwelaers, B. (2022). Microwave Interferometric Cytometry for Signal Analysis of Single Yeast Cells. Chemosensors, 10(8), 318. https://doi.org/10.3390/chemosensors10080318

