Speed Regulation for PMSM with Super-Twisting Sliding-Mode Controller via Disturbance Observer
Abstract
1. Introduction
- Since the proposed nonlinear sliding surface makes the state of the control object reach the equilibrium point quickly, we propose a novel nonlinear sliding surface by developing a terminal attractor for SMC.
- The proposed NSTSMC incorporates the STA to reduce chattering and improve the control performance of the PMSM.
- The finite time is calculated via the novel sliding surface.
- The ESO is incorporated into the NSTSMC to suppress overshoot and oscillation for the control precision of the PMSM.
2. Mathematical Model of PMSM
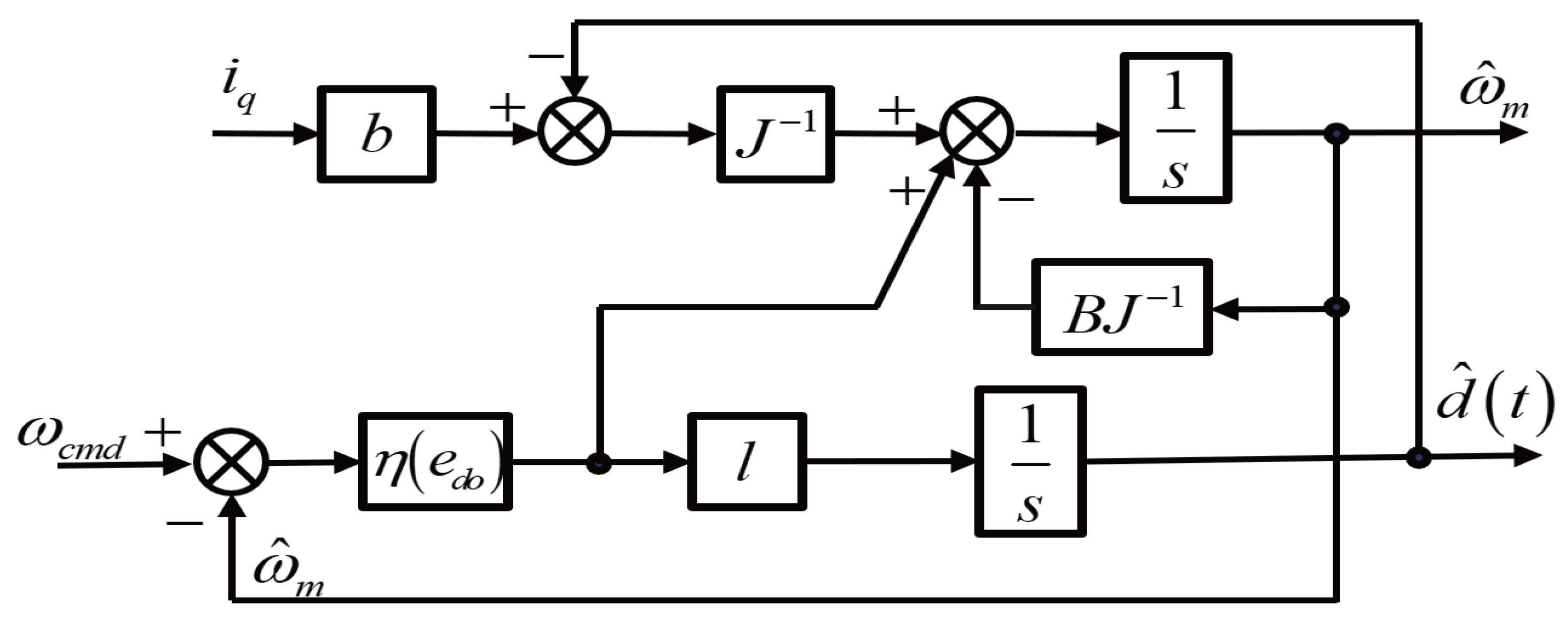
3. Design of Extended Sliding-Mode Disturbance Observer
4. Design of PMSM Speed Controller
4.1. Design of a Novel Integral Sliding Surface
4.2. Design of Novel Reaching Law
4.3. Stability Analysis of Controller
4.4. Overall Stability Analysis including the Disturbance Observer and Controller
5. Simulation
6. Conclusions
Author Contributions
Funding
Institutional Review Board Statement
Informed Consent Statement
Data Availability Statement
Conflicts of Interest
References
- Alsubaie, H.; Yousefpour, A.; Alotaibi, A.; Alotaibi, N.D.; Jahanshahi, H. Stabilization of Nonlinear Vibration of a Fractional-Order Arch MEMS Resonator Using a New Disturbance-Observer-Based Finite-Time Sliding Mode Control. Mathematics 2023, 11, 978. [Google Scholar] [CrossRef]
- Wang, F.; Li, S.; Mei, X.; Xie, W.; Rodríguez, J.; Kennel, R.M. Model-based predictive direct control strategies for electrical drives: An experimental evaluation of PTC and PCC methods. IEEE Trans. Ind. Inform. 2015, 11, 671–681. [Google Scholar] [CrossRef]
- Kang, H.; Kim, C.; Kim, Y. Position control for interior permanent magnet synchronous motors using an adaptive integral binary observer. J. Electr. Eng. Technol. 2009, 4, 240–248. [Google Scholar] [CrossRef]
- Yang, T.; Deng, Y.; Li, H.; Sun, Z.; Cao, H.; Wei, Z. Fast integral terminal sliding mode control with a novel disturbance observer based on iterative learning for speed control of PMSM. ISA Trans. 2022, 134, 460–471. [Google Scholar] [CrossRef]
- Da, Y.; Shi, X.; Krishnamurthy, M. A novel universal sensor concept for survivable PMSM drives. IEEE Trans. Power Electron. 2013, 28, 5630–5638. [Google Scholar] [CrossRef]
- Shen, H.; Li, F.; Xu, S.; Sreeram, V. Slow state variables feedback stabilization for semi-Markov jump systems with singular perturbations. IEEE Trans. Autom. Control 2017, 63, 2709–2714. [Google Scholar] [CrossRef]
- Brasel, M. A gain-scheduled multivariable LQR controller for permanent magnet synchronous motor. In Proceedings of the 2014 19th International Conference on Methods and Models in Automation and Robotics (MMAR), Miedzyzdroje, Poland, 2–5 September 2014; pp. 722–725. [Google Scholar]
- Sun, Z.Y.; Shao, Y.; Chen, C.C.; Meng, Q. Global output-feedback stabilization for stochastic nonlinear systems: A double-domination approach. Int. J. Robust Nonlinear Control 2018, 28, 4635–4646. [Google Scholar] [CrossRef]
- Zuo, Y.; Zhu, X.; Quan, L.; Zhang, C.; Du, Y.; Xiang, Z. Active disturbance rejection controller for speed control of electrical drives using phase-locking loop observer. IEEE Trans. Ind. Electron. 2018, 66, 1748–1759. [Google Scholar] [CrossRef]
- Qu, L.; Qiao, W.; Qu, L. An extended-state-observer-based sliding-mode speed control for permanent-magnet synchronous motors. IEEE J. Emerg. Sel. Top. Power Electron. 2020, 9, 1605–1613. [Google Scholar] [CrossRef]
- Yuan, T.; Zhang, Y.; Chang, J.; Wang, D.; Liu, Z. Improved H∞ repetitive controller for current harmonics suppression of PMSM control system. Energy Rep. 2022, 8, 206–213. [Google Scholar] [CrossRef]
- Karboua, D.; Toual, B.; Kouzou, A.; Douara, B.O.; Mebkhouta, T.; Bendenidina, A.N. High-order supper-twisting based terminal sliding mode control applied on three phases permanent synchronous machine. Period. Polytech. Electr. Eng. Comput. Sci. 2023, 67, 40–50. [Google Scholar] [CrossRef]
- Mohd Zaihidee, F.; Mekhilef, S.; Mubin, M. Robust speed control of PMSM using sliding mode control (SMC)—A review. Energies 2019, 12, 1669. [Google Scholar] [CrossRef]
- Huang, Y.J.; Kuo, T.C.; Chang, S.H. Adaptive sliding-mode control for nonlinearsystems with uncertain parameters. IEEE Trans. Syst. Man Cybern. Part B (Cybernetics) 2008, 38, 534–539. [Google Scholar] [CrossRef]
- Li, Y.; Xu, Q. Adaptive sliding mode control with perturbation estimation and PID sliding surface for motion tracking of a piezo-driven micromanipulator. IEEE Trans. Control Syst. Technol. 2009, 18, 798–810. [Google Scholar] [CrossRef]
- El-Sousy, F.F. Robust wavelet-neural-network sliding-mode control system for permanent magnet synchronous motor drive. IET Electr. Power Appl. 2011, 5, 113–132. [Google Scholar] [CrossRef]
- Ma, Y.; Li, D.; Li, Y.; Yang, L. A novel discrete compound integral terminal sliding mode control with disturbance compensation for PMSM speed system. IEEE/ASME Trans. Mechatron. 2021, 27, 549–560. [Google Scholar] [CrossRef]
- Yang, J.; Li, S.; Su, J.; Yu, X. Continuous nonsingular terminal sliding mode control for systems with mismatched disturbances. Automatica 2013, 49, 2287–2291. [Google Scholar] [CrossRef]
- Che, Z.; Yu, H.; Mobayen, S.; Ali, M.; Yang, C.; El-Sousy, F.F. Dual-time-scale sliding mode control for surface-mounted permanent magnet synchronous motors. Symmetry 2022, 14, 1835. [Google Scholar] [CrossRef]
- Kaplan, O.; Bodur, F. Super twisting algorithm based sliding mode controller for buck converter with constant power load. In Proceedings of the 2021 9th International Conference on Smart Grid (icSmartGrid), Setubal, Portugal, 29 June–1 July 2021; pp. 137–142. [Google Scholar]
- Wu, J.; Lu, Y. Adaptive backstepping sliding mode control for boost converter with constant power load. IEEE Access 2019, 7, 50797–50807. [Google Scholar] [CrossRef]
- Hollweg, G.V.; de Oliveira Evald, P.J.D.; Tambara, R.V.; Gründling, H.A. A robust adaptive super-twisting sliding mode controller applied on grid-tied power converter with an LCL filter. Control Eng. Pract. 2022, 122, 105104. [Google Scholar] [CrossRef]
- Mokhtar, M.; Marei, M.I.; El-Sattar, A.A. An adaptive droop control scheme for DC microgrids integrating sliding mode voltage and current controlled boost converters. IEEE Trans. Smart Grid 2017, 10, 1685–1693. [Google Scholar] [CrossRef]
- Ding, S.; Mei, K.; Li, S. A new second-order sliding mode and its application to nonlinear constrained systems. IEEE Trans. Autom. Control 2018, 64, 2545–2552. [Google Scholar] [CrossRef]
- Hou, Q.; Ding, S. GPIO based super-twisting sliding mode control for PMSM. IEEE Trans. Circuits Syst. II Express Briefs 2020, 68, 747–751. [Google Scholar] [CrossRef]
- Li, S.; Zhou, M.; Yu, X. Design and implementation of terminal sliding mode control method for PMSM speed regulation system. IEEE Trans. Ind. Inform. 2012, 9, 1879–1891. [Google Scholar] [CrossRef]
- Meng, Q.; Qian, C.; Liu, R. Dual-rate sampled-data stabilization for active suspension system of electric vehicle. Int. J. Robust Nonlinear Control 2018, 28, 1610–1623. [Google Scholar] [CrossRef]
- Ding, S.; Liu, L.; Zheng, W.X. Sliding mode direct yaw-moment control design for in-wheel electric vehicles. IEEE Trans. Ind. Electron. 2017, 64, 6752–6762. [Google Scholar] [CrossRef]
- Ding, S.; Chen, W.H.; Mei, K.; Murray-Smith, D.J. Disturbance observer design for nonlinear systems represented by input–output models. IEEE Trans. Ind. Electron. 2019, 67, 1222–1232. [Google Scholar] [CrossRef]
- Carpiuc, S.C.; Lazar, C. Fast real-time constrained predictive current control in permanent magnet synchronous machine-based automotive traction drives. IEEE Trans. Transp. Electrif. 2015, 1, 326–335. [Google Scholar] [CrossRef]
- Ren, J.; Ye, Y.; Xu, G.; Zhao, Q.; Zhu, M. Uncertainty-and-disturbance-estimator-based current control scheme for PMSM drives with a simple parameter tuning algorithm. IEEE Trans. Power Electron. 2016, 32, 5712–5722. [Google Scholar] [CrossRef]
- Hou, Q.; Ding, S.; Yu, X. Composite super-twisting sliding mode control design for PMSM speed regulation problem based on a novel disturbance observer. IEEE Trans. Energy Convers. 2020, 36, 2591–2599. [Google Scholar] [CrossRef]
- Wu, Y.J.; Li, G.F. Adaptive disturbance compensation finite control set optimal control for PMSM systems based on sliding mode extended state observer. Mech. Syst. Signal Process. 2018, 98, 402–414. [Google Scholar] [CrossRef]
- Zhang, X.; Hou, B.; Mei, Y. Deadbeat predictive current control of permanent-magnet synchronous motors with stator current and disturbance observer. IEEE Trans. Power Electron. 2016, 32, 3818–3834. [Google Scholar] [CrossRef]
- Deng, Y.; Wang, J.; Li, H.; Liu, J.; Tian, D. Adaptive sliding mode current control with sliding mode disturbance observer for PMSM drives. ISA Trans. 2019, 88, 113–126. [Google Scholar] [CrossRef]
- Wang, Y.; Feng, Y.; Yu, X. High-order nonsingular terminal sliding mode control of uncertain multivariable systems. In Proceedings of the IECON 2007-33rd Annual Conference of the IEEE Industrial Electronics Society, Taipei, Taiwan, 5–8 November 2007; pp. 710–714. [Google Scholar]
- Zhang, X.; Sun, L.; Zhao, K.; Sun, L. Nonlinear speed control for PMSM system using sliding-mode control and disturbance compensation techniques. IEEE Trans. Power Electron. 2012, 28, 1358–1365. [Google Scholar] [CrossRef]
- Fallaha, C.J.; Saad, M.; Kanaan, H.Y.; Al-Haddad, K. Sliding-mode robot control with exponential reaching law. IEEE Trans. Ind. Electron. 2010, 58, 600–610. [Google Scholar] [CrossRef]









| System Parameters | Unit | Description |
|---|---|---|
| d-axis and q-axis stator voltages | ||
| d-axis and q-axis stator currents | ||
| electrical rotor angular velocity | ||
| stator resistance | ||
| stator inductance | ||
| J | rotor-equivalent inertia | |
| B | viscous friction coefficient | |
| magnetic flux | ||
| number of poles | ||
| load torque |
| Parameter | Value | Unit |
|---|---|---|
| Resistance | 2.875 | |
| Inductance | 8.5 | |
| Magnetic flux | 0.175 | |
| Inertia J | 0.0003 | |
| Viscous friction coefficient | 0.0008 | |
| Pole pairs | 4 | |
| Reference speed | 1000 | |
| Sampling time | 1 | [s] |
Disclaimer/Publisher’s Note: The statements, opinions and data contained in all publications are solely those of the individual author(s) and contributor(s) and not of MDPI and/or the editor(s). MDPI and/or the editor(s) disclaim responsibility for any injury to people or property resulting from any ideas, methods, instructions or products referred to in the content. |
© 2023 by the authors. Licensee MDPI, Basel, Switzerland. This article is an open access article distributed under the terms and conditions of the Creative Commons Attribution (CC BY) license (https://creativecommons.org/licenses/by/4.0/).
Share and Cite
Hu, M.; Ahn, H.; Chung, Y.; You, K. Speed Regulation for PMSM with Super-Twisting Sliding-Mode Controller via Disturbance Observer. Mathematics 2023, 11, 1618. https://doi.org/10.3390/math11071618
Hu M, Ahn H, Chung Y, You K. Speed Regulation for PMSM with Super-Twisting Sliding-Mode Controller via Disturbance Observer. Mathematics. 2023; 11(7):1618. https://doi.org/10.3390/math11071618
Chicago/Turabian StyleHu, Mingyuan, Hyeongki Ahn, Yoonuh Chung, and Kwanho You. 2023. "Speed Regulation for PMSM with Super-Twisting Sliding-Mode Controller via Disturbance Observer" Mathematics 11, no. 7: 1618. https://doi.org/10.3390/math11071618
APA StyleHu, M., Ahn, H., Chung, Y., & You, K. (2023). Speed Regulation for PMSM with Super-Twisting Sliding-Mode Controller via Disturbance Observer. Mathematics, 11(7), 1618. https://doi.org/10.3390/math11071618

