Modified Artificial Gorilla Troop Optimization Algorithm for Solving Constrained Engineering Optimization Problems
Abstract
1. Introduction
2. Gorilla Troops Optimizer (GTO)
2.1. Exploration Stage
2.2. Exploitation Stage
2.2.1. Following the Silverback
2.2.2. Competition for Adult Females
3. Modified Gorilla Troops Optimizer (MGTO)
3.1. Convergence Strategy of Contraction Control Factors
3.2. Sine Cosine Interaction Fusion Strategy Based on Closeness
3.3. Identification Strategies of Individual Differences in Gorillas
3.4. Implementation of the MGTO Algorithm
| Algorithm 1: Pseudocode of MGTO algorithm |
| Initialize the population and set corresponding parameters β,w, and p, set the population size N and the maximum number of iterations T. |
| Calculate the fitness value of the initialized gorilla. |
| %Main Loop |
| While (t <= maximum iteration) |
| Update C, L using Equations (2) and (4). |
| %Exploration phase |
| For (each gorilla(Xi)) do |
| Use Equation (1) for position updates. |
| End for |
| Calculate the fitness values of gorilla; if GX is better than X, replace them. |
| Set XSilverback as the position of silverback(best position). |
| Use Equations (14) and (15) to update U and CAN. |
| For (each gorilla(Xi)) do |
| Use Equations (16)–(19) for position updates. |
| End for |
| Calculate the fitness values of gorilla; if GX is better than X, replace them. |
| %Exploitation phase |
| For (each gorilla(Xi)) do |
| If (|C| ≥ 1) then |
| Update the position gorilla using Equation (7). |
| Else |
| Update the position gorilla using Equation (10). |
| End if |
| End for |
| Calculate the fitness values of the gorilla and replace them after comparison. |
| For (each gorilla(Xi)) do |
| If (Gamma > 0) then |
| Update using Equations (24) and (25). |
| Else |
| Update using Equations (29) and (30). |
| End if |
| End for |
| Calculate the fitness values of the gorilla and replace them after comparison. |
| For (each gorilla(Xi)) do |
| For (1 to J dimension, J is a random integer between 1 and the total dimension) do |
| Use Equations (31)–(33) for position updates. |
| End for |
| End for |
| Calculate the fitness values of the gorilla and replace them after comparison. |
| For (each gorilla(Xi)) do |
| Use Equation (37) for position updates. |
| End for |
| Calculate the fitness values of the gorilla and replace them after comparison. |
| End while |
| Return Xsilverback and its fitness value. |
3.5. Complexity Analysis
4. Experimental Results and Discussion
4.1. Experiments on 23 Standard Benchmark Functions
4.1.1. Result Statistics and Convergence Curve Analysis of 23 Standard Data Functions
4.1.2. Analysis of Wilcoxon Rank Sum Test Results
4.2. Experiments on 30 CEC2014 and 10 CEC2020 Benchmark Function
Analysis of Wilcoxon Rank-Sum Test Results
4.3. Experimental Analysis between Exploration and Exploitation
5. Constrained Engineering Design Problems
5.1. Pressure Vessel Design Problem
5.2. Speed Reducer Design Problem
5.3. Welded Beam Design Problem
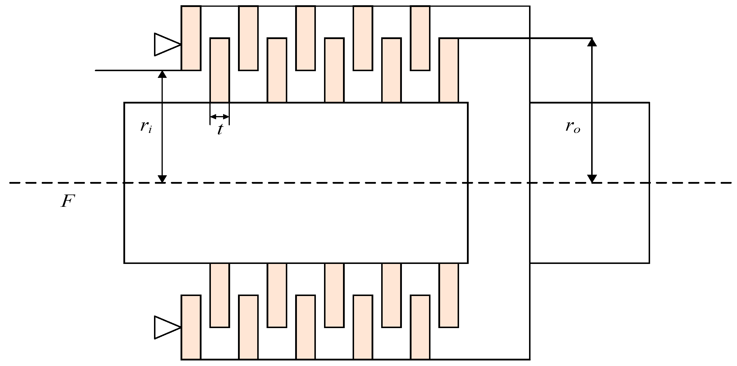
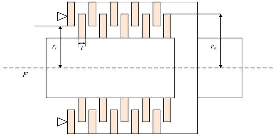
5.4. Tension/Compression Spring Design Problem
5.5. Cantilever Beam Design Problem
5.6. Multiple Disc Clutch Brake Problem
5.7. Car Crashworthiness Design
6. Conclusions
Author Contributions
Funding
Institutional Review Board Statement
Informed Consent Statement
Data Availability Statement
Acknowledgments
Conflicts of Interest
References
- Kirkpatrick, S.; Gelatt, C.D.; Vecchi, M.P. Optimization by Simulated Annealing. Science 1983, 220, 671–680. [Google Scholar] [CrossRef]
- Faramarzi, A.; Heidarinejad, M.; Stephens, B.; Mirjalili, S. Equilibrium Optimizer: A Novel Optimization Algorithm. Knowl.-Based Syst. 2020, 191, 105190. [Google Scholar] [CrossRef]
- Mirjalili, S.; Mirjalili, S.M.; Hatamlou, A. Multi-Verse Optimizer: A Nature-Inspired Algorithm for Global Optimization. Neural Comput. Appl. 2016, 27, 495–513. [Google Scholar] [CrossRef]
- Abualigah, L.; Diabat, A.; Mirjalili, S.; Elaziz, M.A.; Gandomi, A.H. The arithmetic optimization algorithm. Comput. Methods Appl. Mech. Eng. 2021, 376, 113609. [Google Scholar] [CrossRef]
- Kaveh, A.; Khayatazad, M. A new meta-heuristic method: Ray optimization. Comput. Struct. 2012, 112, 283–294. [Google Scholar] [CrossRef]
- Mirjalili, S. SCA: A Sine Cosine Algorithm for Solving Optimization Problems. Knowl.-Based Syst. 2016, 96, 120–133. [Google Scholar] [CrossRef]
- Kaveh, A.; Dadras, A. A novel meta-heuristic optimization algorithm:Thermal exchange optimization. Adv. Eng. Softw. 2017, 110, 69–84. [Google Scholar] [CrossRef]
- Zitzler, E.; Laumanns, M.; Thiele, L. SPEA2: Improving the Strength Pareto Evolutionary Algorithm; Technical Report Gloriastrasse; Computer Engineering and Networks Laboratory: Zurich, Switzerland, 2001. [Google Scholar]
- Beyer, H.G.; Schwefel, H.P. Evolution strategies–A comprehensive introduction. Nat. Comput. 2002, 1, 3–52. [Google Scholar] [CrossRef]
- Banzhaf, W.; Koza, J.R. Genetic programming. IEEE Intell. Syst. 2000, 15, 74–84. [Google Scholar] [CrossRef]
- Yao, X.; Liu, Y.; Lin, G. Evolutionary Programming Made Faster. IEEE Trans. Evol. Comput. 1999, 3, 82–102. [Google Scholar]
- Storn, R.; Price, K. Differential Evolution—A Simple and Efficient Heuristic for Global Optimization Over Continuous Spaces. J. Glob. Optim. 1997, 11, 341–359. [Google Scholar] [CrossRef]
- Lin, M.; Li, Q. A Hybrid Optimization Method of Beetle Antennae Search Algorithm and Particle Swarm Optimization. DEStech Trans. Eng. Technol. Res. 2018, 1, 396–401. [Google Scholar] [CrossRef]
- Mirjalili, S.; Mirjalili, S.M.; Lewis, A. Grey Wolf Optimizer. Adv. Eng. Softw. 2014, 69, 46–61. [Google Scholar] [CrossRef]
- Kiran, M.S.; Gunduz, M. A Novel Artificial Bee Colony-based Algorithm for Solving the Numerical Optimization Problems. Int. J. Innov. Comput. I 2012, 8, 6107–6121. [Google Scholar]
- Jia, H.; Peng, X.; Lang, C. Remora optimization algorithm. Expert Syst. Appl. 2021, 185, 115665. [Google Scholar] [CrossRef]
- Dhiman, G.; Kumar, V. Seagull optimization algorithm: Theory and its applications for large-scale industrial engineering problems. Knowl. -Based Syst. 2019, 165, 169–196. [Google Scholar] [CrossRef]
- Heidari, A.A.; Mirjalili, S.; Faris, H.; Aljarah, I.; Mafarja, M.; Chen, H. Harris Hawks Optimization: Algorithm and Applications. Future Gener. Comput. Syst. 2019, 97, 849–872. [Google Scholar] [CrossRef]
- Mirjalili, S.; Lewis, A. The whale optimization algorithm. Adv. Eng. Softw. 2016, 95, 51–67. [Google Scholar] [CrossRef]
- Dhiman, G.; Kumar, V. Spotted hyena optimizer: A novel bio-inspired based metaheuristic technique for engineering applications. Adv. Eng. Softw. 2017, 114, 48–70. [Google Scholar] [CrossRef]
- Abdollahzadeh, B.; Soleimanian Gharehchopogh, F.; Mirjalili, S. Artificial Gorilla Troops Optimizer: A New Nature-Inspired Metaheuristic Algorithm for Global Optimization Problems. Int. J Intell. Syst. 2021, 36, 5887–5958. [Google Scholar] [CrossRef]
- Piri, J.; Mohapatra, P.; Acharya, B.; Gharehchopogh, F.S.; Gerogiannis, V.C.; Kanavos, A.; Manika, S. Feature selection using artificial gorilla troop optimization for biomedical data: A case analysis with COVID-19 data. Mathematics 2022, 10, 2742. [Google Scholar] [CrossRef]
- El-Dabah, M.A.; Kamel, S.; Khamies, M.; Shahinzadeh, H.; Gharehpetian, G.B. Artificial gorilla troops optimizer for optimum tuning of TID based power system stabilizer. In Proceedings of the 2022 9th Iranian Joint Congress on Fuzzy and Intelligent Systems (CFIS), Mashhad, Iran, 2–4 March 2022; IEEE: New York, NY, USA, 2022; pp. 1–5. [Google Scholar]
- Alsolai, H.; Alzahrani, J.S.; Maray, M.; Alghamdi, M.; Qahmash, A.; Alnfiai, M.M.; Mustafa Hilal, A. Enhanced Artificial Gorilla Troops Optimizer Based Clustering Protocol for UAV-Assisted Intelligent Vehicular Network. Drones 2022, 6, 358. [Google Scholar] [CrossRef]
- Shaheen, A.; Ginidi, A.; El-Sehiemy, R.; Elsayed, A.; Elattar, E.; Dorrah, H.T. Developed Gorilla troops technique for optimal power flow problem in electrical power systems. Mathematics 2022, 10, 1636. [Google Scholar] [CrossRef]
- Wolpert, D.H.; Macready, W.G. No Free Lunch Theorems for Optimization. IEEE Trans. Evol. Comput. 1997, 1, 67–82. [Google Scholar] [CrossRef]
- Abualigah, L.; Elaziz, M.A.; Sumari, P.; Zong, W.G.; Gandomi, A.H. Reptile search algorithm (RSA): A nature-inspired metaheuristicoptimizer. Expert Syst. Appl. 2021, 191, 116158. [Google Scholar] [CrossRef]
- Hashim, F.A.; Houssein, E.H.; Hussain, K.; Mabrouk, M.S.; Al-Atabany, W. Honey Badger Algorithm: New metaheuristic algorithm for solving optimization problems. Math. Comput. Simul. 2022, 192, 84–110. [Google Scholar] [CrossRef]
- Rao, H.; Jia, H.; Wu, D.; Wen, C.; Liu, Q.; Abualigah, L. A Modified Group Teaching Optimization Algorithm for Solving ConstrainedEngineering Optimization Problems. Mathematics 2022, 10, 3765. [Google Scholar] [CrossRef]
- Dorigo, M.; Birattari, M.; Stutzle, T. Ant colony optimization. IEEE Comput. Intell. Mag. 2006, 1, 28–39. [Google Scholar] [CrossRef]
- Dehghani, M.; Hubálovský, Š.; Trojovský, P. Northern goshawk optimization: A new swarm-based algorithm for solving optimization problems. IEEE Access 2021, 9, 162059–162080. [Google Scholar] [CrossRef]
- Wang, S.; Hussien, A.G.; Jia, H.; Abualigah, L.; Zheng, R. Enhanced Remora Optimization Algorithm for Solving Constrained Engineering Optimization Problems. Mathematics 2022, 10, 1696. [Google Scholar] [CrossRef]
- Lu, S.; Kim, H.M. A Regularized Inexact Penalty Decomposition Algorithm for Multidisciplinary Design Optimization Problemswith Complementarity Constraints. J. Mech. Des. 2010, 132, 041005. [Google Scholar] [CrossRef]
- Hussien, A.G.; Amin, M.; Abd El Aziz, M. A comprehensive review of moth-flame optimisation: Variants, hybrids, and applications. J. Exp. Theor. Artif. Intell. 2020, 32, 705–725. [Google Scholar] [CrossRef]
- Gandomi, A.H.; Yang, X.S.; Alavi, A.H. Cuckoo search algorithm: A metaheuristic approach to solve structural optimization problems. Eng. Comput. 2013, 29, 17–35. [Google Scholar] [CrossRef]
- Geem, Z.W.; Kim, J.H.; Loganathan, G.V. A New Heuristic Optimization Algorithm: Harmony Search. Simulation 2001, 2, 60–68. [Google Scholar] [CrossRef]
- Holland, J.H. Genetic algorithms. Sci. Am. 1992, 267, 66–73. [Google Scholar] [CrossRef]
- Rashedi, E.; Nezamabadi-Pour, H.S. GSA: A Gravitational Search Algorithm. Inform. Sci. 2009, 179, 2232–2248. [Google Scholar] [CrossRef]
- Babalik, A.; Cinar, A.C.; Kiran, M.S. A modification of tree-seed algorithm using Deb's rules for constrained optimization. Appl. Soft. Comput. 2018, 63, 289–305. [Google Scholar] [CrossRef]
- Wen, C.; Jia, H.; Wu, D.; Rao, H.; Li, S.; Liu, Q.; Abualigah, L. Modified Remora Optimization Algorithm with Multistrategies for Global Optimization Problem. Mathematics 2022, 10, 3604. [Google Scholar] [CrossRef]
- Hussien, A.G. An enhanced opposition-based salp swarm algorithm for global optimization and engineering problems. J. Ambient. Intell. Humaniz. Comput. 2022, 13, 129–150. [Google Scholar] [CrossRef]
- Laith, A.; Dalia, Y.; Mohamed, A.E.; Ahmed, A.E.; Mohammed, A.A.A.; Amir, H.G. Aquila Optimizer: A novel meta-heuristic optimization algorithm. Comput. Ind. Eng. 2021, 157, 107250. [Google Scholar]
- Hayyolalam, V.; Kazem, A.A.P. Black widow optimization algorithm: A novel meta-heuristic approach for solving engineering optimization problems. Eng. Appl. Artif. Intell. 2020, 87, 103249. [Google Scholar] [CrossRef]
- Song, M.; Jia, H.; Abualigah, L.; Liu, Q.; Lin, Z.; Wu, D.; Altalhi, M. Modified Harris Hawks Optimization Algorithm with Exploration Factor and Random Walk Strategy. Comput. Intell. Neurosci. 2022, 2022, 23. [Google Scholar] [CrossRef]
- Rao, R.V.; Savsani, V.J.; Vakharia, D.P. Teaching-Learning-Based Optimization: An optimization method for continuous nonlinear large scale problems. Inform. Sci. 2012, 183, 1–15. [Google Scholar] [CrossRef]
- Eskandar, H.; Sadollah, A.; Bahreininejad, A.; Hamdi, M. Water cycle algorithm–a novel metaheuristic optimization method for solving constrained engineering optimization problems. Comput. Struct. 2012, 110, 151–166. [Google Scholar] [CrossRef]
- Sayed, G.I.; Darwish, A.; Hassanien, A.E. A new chaotic multi-verse optimization algorithm for solving engineering optimization problems. J. Exp. Theor. Artif. Intell. 2018, 30, 293–317. [Google Scholar] [CrossRef]
- Faramarzi, A.; Heidarinejad, M.; Mirjalili, S.; Gandomi, A.H. Marine predators algorithm: A nature-inspired metaheuristic. Expert Syst. Appl. 2020, 152, 113377. [Google Scholar] [CrossRef]
- Houssein, E.H.; Neggaz, N.; Hosney, M.E.; Mohamed, W.M.; Hassaballah, M. Enhanced Harris hawks optimization with genetic operators for selection chemical descriptors and compounds activities. Neural Comput. Appl. 2021, 33, 13601–13618. [Google Scholar] [CrossRef]
- Wu, D.; Rao, H.; Wen, C.; Jia, H.; Liu, Q.; Abualigah, L. Modified Sand Cat Swarm Optimization Algorithm for Solving Constrained Engineering Optimization Problems. Mathematics 2022, 10, 4350. [Google Scholar] [CrossRef]
- Wang, S.; Sun, K.; Zhang, W.; Jia, H. Multilevel thresholding using a modified ant lion optimizer with opposition-based learning for color image segmentation. Math. Biosci. Eng. 2021, 18, 3092–3143. [Google Scholar] [CrossRef]





















| Algorithm | Parameters | Value |
|---|---|---|
| MGTO/GTO | p | 0.03 |
| β | 3 | |
| w | 0.8 | |
| SCA | α | 2 |
| ROA | C | 0.1 |
| WOA | Coefficient vectors | 1 |
| Coefficient vectors | [−1, 1] | |
| Helical parameter b | 0.75 | |
| Helical parameter l | [−1, 1] | |
| RSA | 0.1 | |
| β | 0.005 | |
| SHO | \ | \ |
| SOA | b | 1 |
| AOA | MOP_Max | 1 |
| MOP_Min | 0.2 | |
| A | 5 | |
| Mu | 0.499 | |
| HBA | β | 6 |
| C | 2 |
| Type | F | dim | Range | Fmin |
|---|---|---|---|---|
| Unimodal benchmark functions | 30/500 | [−100, 100] | 0 | |
| 30/500 | [−10, 10] | 0 | ||
| 30/500 | [−100, 100] | 0 | ||
| 30/500 | [−100, 100] | 0 | ||
| 30/500 | [−30, 30] | 0 | ||
| 30/500 | [−100, 100] | 0 | ||
| 30/500 | [−1.28, 1.28] | 0 | ||
| Multimodal benchmark functions | 30/500 | [−500, 500] | −418.9829 × dim | |
| 30/500 | [−5.12, 5.12] | 0 | ||
| 30/500 | [−32, 32] | 0 | ||
| 30/500 | [−600, 600] | 0 | ||
| 30/500 | [−50, 50] | 0 | ||
| 30/500 | [−50, 50] | 0 | ||
| Fixed-dimension multimodal benchmark functions | 2 | [−65, 65] | 1 | |
| 4 | [−5, 5] | 0.00030 | ||
| 2 | [−5, 5] | −1.0316 | ||
| 2 | [−5, 5] | 0.398 | ||
| 5 | [−2, 2] | 3 | ||
| 3 | [−1, 2] | −3.86 | ||
| 6 | [0, 1] | −3.32 | ||
| 4 | [0, 10] | −10.1532 | ||
| 4 | [0, 10] | −10.4028 | ||
| 4 | [0, 10] | −10.5363 |
| F | dim | Metric | MGTO | GTO | SCA | ROA | WOA | RSA | SHO | SOA | AOA | HBA |
|---|---|---|---|---|---|---|---|---|---|---|---|---|
| F1 | 30 | min | 0 | 0 | 3.02 × 10−3 | 0 | 2.36 × 10−84 | 0 | 0 | 1.76 × 10−14 | 1.32 × 10−169 | 9.41 × 10−144 |
| mean | 0 | 0 | 1.90 × 101 | 0 | 5.85 × 10−72 | 0 | 0 | 6.04 × 10−12 | 4.81 × 10−26 | 1.61 × 10−135 | ||
| std | 0 | 0 | 3.51 × 101 | 0 | 3.20 × 10−71 | 0 | 0 | 1.12 × 10−11 | 1.56 × 10−25 | 4.90 × 10−135 | ||
| 500 | min | 0 | 0 | 1.34 × 105 | 0 | 1.48 × 10−81 | 0 | 0 | 1.34 × 10−2 | 5.92 × 10−1 | 1.40 × 10−119 | |
| mean | 0 | 0 | 2.19 × 105 | 0 | 9.05 × 10−70 | 0 | 0 | 1.20 × 10−1 | 6.51 × 10−1 | 3.42 × 10−112 | ||
| std | 0 | 0 | 4.83 × 104 | 0 | 4.94 × 10−69 | 0 | 0 | 1.03 × 10−1 | 4.14 × 10−2 | 1.46 × 10−111 | ||
| F2 | 30 | min | 0 | 5.75 × 10−208 | 3.05 × 10−4 | 2.97 × 10−192 | 1.50 × 10−57 | 0 | 0 | 1.45 × 10−9 | 0 | 2.52 × 10−76 |
| mean | 0 | 1.00 × 10−192 | 1.75 × 10−2 | 1.37 × 10−164 | 2.03 × 10−51 | 0 | 0 | 1.23 × 10−8 | 0 | 7.34 × 10−71 | ||
| std | 0 | 0 | 2.42 × 10−2 | 0 | 6.84 × 10−51 | 0 | 0 | 1.10 × 10−8 | 0 | 3.83 × 10−70 | ||
| 500 | min | 0 | 3.06 × 10−199 | 5.04 × 101 | 3.00 × 10−187 | 7.43 × 10−56 | 0 | 0 | 2.62 × 10−3 | 5.63 × 10−13 | 2.68 × 10−63 | |
| mean | 0 | 1.24 × 10−189 | 1.22 × 102 | 2.35 × 10−159 | 4.11 × 10−48 | 0 | 0 | 6.53 × 10−3 | 1.51 × 10−3 | 4.29 × 10−61 | ||
| std | 0 | 0 | 5.60 × 101 | 1.29 × 10−158 | 1.43 × 10−47 | 0 | 0 | 2.81 × 10−3 | 1.74 × 10−3 | 8.32 × 10−61 | ||
| F3 | 30 | min | 0 | 0 | 1.73 × 102 | 0 | 1.17 × 104 | 0 | 0 | 2.50 × 10−7 | 3.81 × 10−152 | 2.75 × 10−108 |
| mean | 0 | 0 | 7.70 × 103 | 1.58 × 10−312 | 4.67 × 104 | 0 | 0 | 6.28 × 10−4 | 7.40 × 10−3 | 8.30 × 10-97 | ||
| std | 0 | 0 | 5.35 × 103 | 0 | 1.54 × 104 | 0 | 0 | 2.58 × 10−3 | 1.50 × 10−2 | 3.25 × 10−96 | ||
| 500 | min | 0 | 0 | 4.64 × 106 | 1.57 × 10−313 | 1.58 × 107 | 0 | 0 | 5.93 × 103 | 1.36 × 101 | 3.03 × 10−75 | |
| mean | 0 | 0 | 7.02 × 106 | 1.25 × 10−261 | 3.13 × 107 | 0 | 0 | 1.43 × 105 | 3.12 × 101 | 1.41 × 10−64 | ||
| std | 0 | 0 | 1.39 × 106 | 0 | 1.18 × 107 | 0 | 0 | 1.07 × 105 | 1.53 × 101 | 6.28 × 10−64 | ||
| F4 | 30 | min | 0 | 3.03 × 10−208 | 1.46 × 101 | 1.85 × 10−189 | 2.99 | 0 | 0 | 1.20 × 10−4 | 3.00 × 10−61 | 1.53 × 10−61 |
| mean | 0 | 2.36 × 10−192 | 3.47 × 101 | 3.13 × 10−170 | 5.09 × 101 | 0 | 0 | 3.97 × 10−3 | 2.27 × 10−2 | 2.89 × 10−57 | ||
| std | 0 | 0 | 9.51 | 0 | 2.91 × 101 | 0 | 0 | 8.09 × 10−3 | 2.09 × 10−2 | 1.22 × 10−56 | ||
| 500 | min | 0 | 2.43 × 10−203 | 9.83 × 101 | 1.03 × 10−189 | 3.54 × 101 | 0 | 0 | 9.71 × 101 | 1.54 × 10−1 | 1.39 × 10−30 | |
| mean | 0 | 3.89 × 10−188 | 9.90 × 101 | 1.86 × 10-159 | 8.51 × 101 | 0 | 0 | 9.88 × 101 | 1.80 × 10−1 | 3.38 × 10−28 | ||
| std | 0 | 0 | 2.77 × 10−1 | 1.02 × 10−158 | 1.89 × 101 | 0 | 0 | 5.54 × 10−1 | 1.58 × 10−2 | 5.74 × 10−28 | ||
| F5 | 30 | min | 1.30 × 10−10 | 4.41 × 10−6 | 5.03 × 101 | 2.87 × 101 | 2.72 × 101 | 9.87 × 10−26 | 2.87 × 101 | 2.70 × 101 | 2.78 × 101 | 2.29 × 101 |
| mean | 2.55 × 10−7 | 1.60 | 2.19 × 104 | 2.87 × 101 | 2.79 × 101 | 2.51 × 101 | 2.88 × 101 | 2.83 × 101 | 2.85 × 101 | 2.42 × 101 | ||
| std | 4.72 × 10−7 | 6.10 | 3.92 × 104 | 1.76 × 10−2 | 5.15 × 10−1 | 1.00 × 101 | 1.10 × 10−1 | 6.06 × 10−1 | 3.21 × 10−1 | 1.11 | ||
| 500 | min | 3.30 × 10−8 | 7.75 × 10−5 | 9.07 × 108 | 4.94 × 102 | 4.96 × 102 | 4.99 × 102 | 4.98 × 102 | 5.48 × 102 | 4.99 × 102 | 4.95 × 102 | |
| mean | 2.56 × 10−4 | 1.48 | 2.00 × 109 | 4.94 × 102 | 4.96 × 102 | 4.99 × 102 | 4.99 × 102 | 9.52 × 102 | 4.99 × 102 | 4.98 × 102 | ||
| std | 4.00 × 10−4 | 2.89 | 5.16 × 108 | 2.32 × 10−1 | 4.35 × 10−1 | 0.00 × 100 | 1.33 × 10−1 | 4.06 × 102 | 7.94 × 10−2 | 7.46 × 10−1 | ||
| F6 | 30 | min | 6.04 × 10−16 | 6.47 × 10−9 | 4.58 | 1.02 × 10−1 | 5.67 × 10−2 | 6.36 | 3.14 × 10−2 | 2.31 | 2.47 | 2.53 × 10−6 |
| mean | 2.71 × 10−11 | 2.86 × 10−7 | 3.69 × 101 | 6.11 × 10−1 | 3.65 × 10−1 | 7.26 | 3.32 | 3.25 | 3.12 | 2.52 × 10−2 | ||
| std | 6.58 × 10−11 | 5.21 × 10−7 | 6.69 × 101 | 3.16 × 10−1 | 2.35 × 10−1 | 3.30 × 10−1 | 2.49 | 5.10 × 10−1 | 2.54 × 10−1 | 7.63 × 10−2 | ||
| 500 | min | 1.99 × 10−9 | 1.06 × 10−3 | 1.06 × 105 | 5.66 × 10−1 | 1.39 × 101 | 1.25 × 102 | 1.16 × 102 | 1.14 × 102 | 1.13 × 102 | 9.44 × 101 | |
| mean | 9.03 × 10−7 | 4.33 × 10−1 | 2.03 × 105 | 8.85 | 3.27 × 101 | 1.25 × 102 | 1.23 × 102 | 1.16 × 102 | 1.16 × 102 | 9.78 × 101 | ||
| std | 1.15 × 10−6 | 3.85 × 10−1 | 7.01 × 104 | 4.51 | 9.46 | 0 | 2.35 | 9.19 × 10−1 | 1.35 | 2.15 | ||
| F7 | 30 | min | 3.12 × 10−7 | 5.48 × 10−6 | 1.06 × 10−2 | 5.41 × 10−6 | 1.51 × 10−4 | 1.35 × 10−5 | 8.03 × 10−6 | 3.44 × 10−4 | 9.78 × 10−7 | 5.16 × 10−5 |
| mean | 2.02 × 10−5 | 1.12 × 10−4 | 8.69 × 10−2 | 1.54 × 10−4 | 3.27 × 10−3 | 9.68 × 10−5 | 1.27 × 10−4 | 2.89 × 10−3 | 9.06 × 10−5 | 3.78 × 10−4 | ||
| std | 1.79 × 10−5 | 1.01 × 10−4 | 6.18 × 10−2 | 1.52 × 10−4 | 3.47 × 10−3 | 9.60 × 10−5 | 1.90 × 10−4 | 2.40 × 10−3 | 7.89 × 10−5 | 2.91 × 10−4 | ||
| 500 | min | 2.37 × 10−6 | 5.82 × 10−6 | 7.89 × 103 | 3.17 × 10−6 | 1.73 × 10−4 | 3.83 × 10−6 | 2.47 × 10−6 | 2.51 × 10−2 | 2.05 × 10−6 | 3.72 × 10−5 | |
| mean | 2.60 × 10−5 | 8.81 × 10−5 | 1.44 × 104 | 1.11 × 10−4 | 4.26 × 10−3 | 1.72 × 10−4 | 8.06 × 10−5 | 8.87 × 10−2 | 8.52 × 10−5 | 4.28 × 10−4 | ||
| std | 2.03 × 10−5 | 6.24 × 10−5 | 3.00 × 103 | 8.38 × 10−5 | 4.84 × 10−3 | 1.61 × 10−4 | 7.64 × 10−5 | 4.69 × 10−2 | 7.23 × 10−5 | 2.90 × 10−4 | ||
| F8 | 30 | min | −1.26 × 104 | −1.26 × 104 | −5.08 × 103 | −1.26 × 104 | −1.26 × 104 | −5.66 × 103 | −4.01 × 103 | −6.87 × 103 | −6.73 × 103 | −1.02 × 104 |
| mean | −1.26 × 104 | −1.26 × 104 | −3.82 × 103 | −1.25 × 104 | −1.01 × 104 | −5.46 × 103 | −2.66 × 103 | −5.05 × 103 | −5.39 × 103 | −8.59 × 103 | ||
| std | 3.29 × 10−6 | 4.27 × 10−5 | 3.30 × 102 | 1.91 × 102 | 1.89 × 103 | 2.16 × 102 | 7.06 × 102 | 7.06 × 102 | 4.46 × 102 | 9.82 × 102 | ||
| 500 | min | −2.09 × 105 | −2.09 × 105 | −1.72 × 104 | −2.09 × 105 | −2.09 × 105 | −7.61 × 104 | −2.05 × 104 | −3.81 × 104 | −2.64 × 104 | −1.01 × 105 | |
| mean | −2.09 × 105 | −2.09 × 105 | −1.52 × 104 | −2.07 × 105 | −1.73 × 105 | −6.42 × 104 | −1.32 × 104 | −2.30 × 104 | −2.27 × 104 | −7.32 × 104 | ||
| std | 2.66 × 10−2 | 3.12 × 101 | 9.19 × 102 | 7.21 × 103 | 2.89 × 104 | 5.62 × 103 | 4.83 × 103 | 4.21 × 103 | 1.46 × 103 | 1.35 × 104 | ||
| F9 | 30 | min | 0 | 0 | 1.96 × 10−2 | 0 | 0 | 0 | 0 | 8.53 × 10−13 | 0 | 0 |
| mean | 0 | 0 | 3.74 × 101 | 0 | 0 | 0 | 0 | 3.19 | 0 | 0 | ||
| std | 0 | 0 | 4.58 × 101 | 0 | 0 | 0 | 0 | 5.87 | 0 | 0 | ||
| 500 | min | 0 | 0 | 4.93 × 102 | 0 | 0 | 0 | 0 | 4.11 × 10−5 | 0 | 0 | |
| mean | 0 | 0 | 1.21 × 103 | 0 | 6.06 × 10−14 | 0 | 0 | 7.01 | 7.21 × 10−6 | 0 | ||
| std | 0 | 0 | 4.62 × 102 | 0 | 3.32 × 10−13 | 0 | 0 | 9.00 | 7.25 × 10−6 | 0 | ||
| F10 | 30 | min | 8.88 × 10−16 | 8.88 × 10−16 | 3.07 × 10−2 | 8.88 × 10−16 | 8.88 × 10−16 | 8.88 × 10−16 | 8.88 × 10−16 | 2.00 × 101 | 8.88 × 10−16 | 8.88 × 10−16 |
| mean | 8.88 × 10−16 | 8.88 × 10−16 | 1.24 × 101 | 8.88 × 10−16 | 4.80 × 10−15 | 8.88 × 10−16 | 8.88 × 10−16 | 2.00 × 101 | 8.88 × 10−16 | 8.88 × 10−16 | ||
| std | 0 | 0 | 9.42 | 0 | 2.53 × 10−15 | 0 | 0 | 1.62 × 10−3 | 0 | 0 | ||
| 500 | min | 8.88 × 10−16 | 8.88 × 10−16 | 7.92 | 8.88 × 10−16 | 8.88 × 10−16 | 8.88 × 10−16 | 8.88 × 10−16 | 2.00 × 101 | 7.22 × 10−3 | 8.88 × 10−16 | |
| mean | 8.88 × 10−16 | 8.88 × 10−16 | 1.93 × 101 | 8.88 × 10−16 | 4.68 × 10−15 | 8.88 × 10−16 | 3.54 | 2.00 × 101 | 7.91 × 10−3 | 4.64 | ||
| std | 0 | 0 | 3.42 | 0 | 2.63 × 10−15 | 0 | 4.27 | 7.17 × 10−5 | 3.77 × 10−4 | 8.56 | ||
| F11 | 30 | min | 0 | 0 | 1.40 × 10−4 | 0 | 0 | 0 | 0 | 7.85 × 10−13 | 2.31 × 10−2 | 0 |
| mean | 0 | 0 | 1.09 | 0 | 4.49 × 10−3 | 0 | 0 | 2.00 × 10−2 | 2.33 × 10−1 | 0 | ||
| std | 0 | 0 | 8.47 × 10−1 | 0 | 2.46 × 10−2 | 0 | 0 | 3.85 × 10−2 | 1.63 × 10−1 | 0 | ||
| 500 | min | 0 | 0 | 2.64 × 102 | 0 | 0 | 0 | 0 | 8.27 × 10−4 | 5.83 × 103 | 0 | |
| mean | 0 | 0 | 1.74 × 103 | 0 | 0 | 0 | 0 | 5.30 × 10−2 | 9.15 × 103 | 0 | ||
| std | 0 | 0 | 7.17 × 102 | 0 | 0 | 0 | 0 | 7.76 × 10−2 | 2.35 × 103 | 0 | ||
| F12 | 30 | min | 2.50 × 10−15 | 7.46 × 10−11 | 9.42 × 10−1 | 6.17 × 10−3 | 3.37 × 10−3 | 4.69 × 10−1 | 1.42 × 10−4 | 1.49 × 10−1 | 4.13 × 10−1 | 7.54 × 10−7 |
| mean | 3.67 × 10−12 | 2.23 × 10−8 | 4.99 × 104 | 3.28 × 10−2 | 1.21 × 10−1 | 1.38 | 2.06 × 10−4 | 3.45 × 10−1 | 5.14 × 10−1 | 2.00 × 10−4 | ||
| std | 4.44 × 10−12 | 3.29 × 10−8 | 2.08 × 105 | 2.06 × 10−2 | 4.07 × 10−1 | 4.24 × 10−1 | 2.56 × 10−5 | 1.62 × 10−1 | 4.73 × 10−2 | 9.72 × 10−4 | ||
| 500 | min | 3.07 × 10−15 | 7.19 × 10−8 | 3.77 × 109 | 1.65 × 10−4 | 2.03 × 10−2 | 1.21 | 3.69 × 10−4 | 1.10 | 1.06 | 6.93 × 10−1 | |
| mean | 1.77 × 10−9 | 2.47 × 10−4 | 6.19 × 109 | 2.26 × 10−2 | 8.65 × 10−2 | 1.21 | 9.65 × 10−1 | 1.94 | 1.08 | 7.48 × 10−1 | ||
| std | 4.59 × 10−9 | 2.85 × 10−4 | 1.30 × 109 | 1.40 × 10−2 | 3.67 × 10−2 | 4.52 × 10−16 | 3.72 × 10−1 | 9.48 × 10−1 | 1.34 × 10−2 | 2.73 × 10−2 | ||
| F13 | 30 | min | 2.10 × 10−14 | 6.32 × 10−10 | 2.99 | 1.42 × 10−2 | 1.49 × 10−1 | 2.20 × 10−30 | 2.92 | 1.60 | 2.59 | 1.90 × 10−3 |
| mean | 1.89 × 10−10 | 2.10 × 10−3 | 2.64 × 105 | 3.49 × 10−1 | 5.91 × 10−1 | 5.73 × 10−1 | 2.96 | 1.99 | 2.83 | 3.22 × 10−1 | ||
| std | 6.57 × 10−10 | 6.90 × 10−3 | 1.12 × 106 | 2.00 × 10−1 | 2.23 × 10−1 | 1.17 | 1.91 × 10−2 | 2.03 × 10−1 | 1.03 × 10−1 | 2.82 × 10−1 | ||
| 500 | min | 1.55 × 10−10 | 1.58 × 10−6 | 4.36 × 109 | 1.37 × 10−1 | 7.04 | 5.00 × 101 | 4.99 × 101 | 5.42 × 101 | 5.01 × 101 | 4.88 × 101 | |
| mean | 1.85 × 10−7 | 6.74 × 10−2 | 9.40 × 109 | 5.30 | 1.84 × 101 | 5.00 × 101 | 5.00 × 101 | 7.32 × 101 | 5.02 × 101 | 4.93 × 101 | ||
| std | 3.95 × 10−7 | 1.15 × 10−1 | 2.32 × 109 | 2.88 × 100 | 6.99 | 0 | 1.76 × 10−2 | 1.51 × 101 | 3.81 × 10−2 | 2.79 × 10−1 | ||
| F14 | 2 | min | 9.98 × 10−1 | 9.98 × 10−1 | 9.98 × 10−1 | 9.98 × 10−1 | 9.98 × 10−1 | 1.06 | 1.06 | 9.98 × 10−1 | 9.98 × 10−1 | 9.98 × 10−1 |
| mean | 9.98 × 10−1 | 9.98 × 10−1 | 1.53 | 4.78 | 2.73 | 4.72 | 9.52 | 2.48 | 9.71 | 1.72 | ||
| std | 0 | 0 | 8.92 × 10−1 | 4.56 | 2.98 | 3.55 | 3.97 | 2.46 | 3.65 | 1.89 | ||
| F15 | 4 | min | 3.07 × 10−4 | 3.07 × 10−4 | 5.14 × 10−4 | 3.40 × 10−4 | 3.09 × 10−4 | 7.36 × 10−4 | 3.10 × 10−4 | 1.22 × 10−3 | 3.72 × 10−4 | 3.07 × 10−4 |
| mean | 3.07 × 10−4 | 4.30 × 10−4 | 9.37 × 10−4 | 9.01 × 10−4 | 6.56 × 10−4 | 2.79 × 10−3 | 3.17 × 10−4 | 1.25 × 10−3 | 1.08 × 10−2 | 7.21 × 10−3 | ||
| std | 1.84 × 10−18 | 3.17 × 10−4 | 3.24 × 10−4 | 5.74 × 10−4 | 4.45 × 10−4 | 1.97 × 10−3 | 5.01 × 10−6 | 5.07 × 10−5 | 1.30 × 10−2 | 1.00 × 10−2 | ||
| F16 | 2 | min | −1.03 | −1.03 | −1.03 | −1.03 | −1.03 | −1.03 | −1.03 | −1.03 | −1.03 | −1.03 |
| mean | −1.03 | −1.03 | −1.03 | −1.03 | −1.03 | −1.03 | −9.48 × 10−1 | −1.03 | −1.03 | −1.03 | ||
| std | 6.32 × 10−16 | 6.39 × 10−16 | 5.45 × 10−5 | 4.96 × 10−8 | 1.43 × 10−9 | 5.90 × 10−3 | 1.85 × 10−1 | 2.56 × 10−6 | 1.34 × 10−7 | 6.05 × 10−16 | ||
| F17 | 2 | min | 3.98 × 10−1 | 3.98 × 10−1 | 3.98 × 10−1 | 3.98 × 10−1 | 3.98 × 10−1 | 3.99 × 10−1 | 3.98 × 10−1 | 3.98 × 10−1 | 3.98 × 10−1 | 3.98 × 10−1 |
| mean | 3.98 × 10−1 | 3.98 × 10−1 | 4.00 × 10−1 | 3.98 × 10−1 | 3.98 × 10−1 | 4.26 × 10−1 | 5.37 × 10−1 | 3.98 × 10−1 | 3.98 × 10−1 | 3.98 × 10−1 | ||
| std | 0 | 0 | 1.60 × 10−3 | 9.33 × 10−6 | 1.54 × 10−5 | 3.04 × 10−2 | 4.25 × 10−1 | 8.10 × 10−5 | 1.07 × 10−7 | 0 | ||
| F18 | 5 | min | 3.00 | 3.00 | 3.00 | 3.00 | 3.00 | 3.00 | 3.40 | 3.00 | 3.00 | 3.00 |
| mean | 3.00 | 3.00 | 3.00 | 3.00 | 3.00 | 5.78 | 2.26 × 101 | 3.00 | 5.70 | 9.30 | ||
| std | 1.71 × 10−15 | 1.21 × 10−15 | 4.66 × 10−5 | 9.32 × 10−4 | 1.10 × 10−4 | 8.48 | 3.39 × 101 | 4.74 × 10−4 | 8.24 | 2.09 × 101 | ||
| F19 | 3 | min | −3.86 | −3.86 | −3.86 | −3.86 | −3.86 | −3.86 | −3.85 | −3.86 | −3.86 | −3.86 |
| mean | −3.86 | −3.86 | −3.85 | −3.76 | −3.86 | −3.79 | −3.46 | −3.85 | −3.85 | −3.86 | ||
| std | 2.54 × 10−15 | 2.65 × 10−15 | 4.12 × 10−3 | 1.63 × 10−1 | 5.23 × 10−3 | 5.49 × 10−2 | 4.63 × 10−1 | 7.04 × 10−3 | 3.62 × 10−3 | 2.60 × 10−15 | ||
| F20 | 6 | min | −3.32 | −3.32 | −3.16 | −3.28 | −3.32 | −2.98 | −3.11 | −3.19 | −3.22 | −3.32 |
| mean | −3.31 | −3.28 | −2.92 | −3.04 | −3.24 | −2.47 | −2.68 | −3.01 | −3.08 | −3.26 | ||
| std | 4.11 × 10−2 | 5.70 × 10−2 | 3.30 × 10−1 | 1.61 × 10−1 | 9.60 × 10−2 | 4.39 × 10−1 | 2.38 × 10−1 | 1.68 × 10−1 | 9.54 × 10−2 | 7.68 × 10−2 | ||
| F21 | 4 | min | −1.02 × 101 | −1.02 × 101 | −5.44 | −1.02 × 101 | −1.02 × 101 | −5.06 | −8.06 | −1.01 × 101 | −8.70 | −1.02 × 101 |
| mean | −1.02 × 101 | −1.02 × 101 | −2.29 | −9.85 | −8.68 | −5.01 | −4.04 | −4.17 | −4.08 | −1.02 × 101 | ||
| std | 5.67 × 10−15 | 6.04 × 10−15 | 1.67 | 1.46 | 2.45 | 2.24 × 10−1 | 1.43 | 4.03 | 1.50 | 8.14 × 10−6 | ||
| F22 | 4 | min | −1.04 × 101 | −1.04 × 101 | −7.31 | −1.04 × 101 | −1.04 × 101 | −5.09 | −5.96 | −1.04 × 101 | −8.54 | −1.04 × 101 |
| mean | −1.04 × 101 | −1.04 × 101 | −2.91 | −1.04 × 101 | −8.12 | −5.09 | −4.40 | −5.64 | −4.08 | −9.07 | ||
| std | 8.08 × 10−16 | 8.08 × 10−16 | 1.89 | 7.55 × 10−2 | 3.08 | 8.73 × 10−7 | 1.05 | 4.39 | 1.80 | 3.04 | ||
| F23 | 4 | min | −1.05 × 101 | −1.05 × 101 | −8.94 | −1.05 × 101 | −1.05 × 101 | −5.13 | −5.85 | −1.05 × 101 | −9.27 | −1.05 × 101 |
| mean | −1.05 × 101 | −1.05 × 101 | −4.25 | −1.03 × 101 | −7.13 | −5.13 | −4.07 | −6.74 | −3.96 | −8.32 | ||
| std | 1.98 × 10−15 | 2.84 × 10−15 | 1.83 | 1.02 | 3.10 | 1.86 × 10−6 | 1.28 | 4.19 | 1.96 | 3.47 |
| F | dim | MGTO Vs GTO | MGTO Vs SCA | MGTO Vs ROA | MGTO Vs WOA | MGTO Vs RSA | MGTO Vs SHO | MGTO Vs SOA | MGTO Vs AOA | MGTO Vs HBA |
|---|---|---|---|---|---|---|---|---|---|---|
| F1 | 30 | 1 | 1.73 × 10−6 | 1 | 1.73 × 10−6 | 1 | 1.73 × 10−6 | 1.73 × 10−6 | 1.73 × 10−6 | 1.73 × 10−6 |
| 50 | 1 | 1.73 × 10−6 | 1 | 1.73 × 10−6 | 1 | 1.73 × 10−6 | 1.73 × 10−6 | 1.73 × 10−6 | 1.73 × 10−6 | |
| F2 | 30 | 1.73 × 10−6 | 1.73 × 10−6 | 1.73 × 10−6 | 1.73 × 10−6 | 1 | 1.73 × 10−6 | 1.73 × 10−6 | 1 | 1.73 × 10−6 |
| 50 | 1.73 × 10−6 | 1.73 × 10−6 | 1.73 × 10−6 | 1.73 × 10−6 | 1 | 1.73 × 10−6 | 1.73 × 10−6 | 1.73 × 10−6 | 1.73 × 10−6 | |
| F3 | 30 | 1 | 1.73 × 10−6 | 6.25 × 10−2 | 1.73 × 10−6 | 1 | 1.73 × 10−6 | 1.73 × 10−6 | 1.73 × 10−6 | 1.73 × 10−6 |
| 50 | 1 | 1.73 × 10−6 | 1.73 × 10−6 | 1.73 × 10−6 | 1 | 1.73 × 10−6 | 1.73 × 10−6 | 1.73 × 10−6 | 1.73 × 10−6 | |
| F4 | 30 | 1.73 × 10−6 | 1.73 × 10−6 | 1.73 × 10−6 | 1.73 × 10−6 | 1 | 1.73 × 10−6 | 1.73 × 10−6 | 1.73 × 10−6 | 1.73 × 10−6 |
| 50 | 1.73 × 10−6 | 1.73 × 10−6 | 1.73 × 10−6 | 1.73 × 10−6 | 1 | 1.73 × 10−6 | 1.73 × 10−6 | 1.73 × 10−6 | 1.73 × 10−6 | |
| F5 | 30 | 1.73 × 10−6 | 1.73 × 10−6 | 1.73 × 10−6 | 1.73 × 10−6 | 5.31 × 10−5 | 1.73 × 10−6 | 1.73 × 10−6 | 1.73 × 10−6 | 1.73 × 10−6 |
| 50 | 1.73 × 10−6 | 1.73 × 10−6 | 1.73 × 10−6 | 1.73 × 10−6 | 1.73 × 10−6 | 1.73 × 10−6 | 1.73 × 10−6 | 1.73 × 10−6 | 1.73 × 10−6 | |
| F6 | 30 | 1.73 × 10−6 | 1.73 × 10−6 | 1.73 × 10−6 | 1.73 × 10−6 | 1.73 × 10−6 | 1.73 × 10−6 | 1.73 × 10−6 | 1.73 × 10−6 | 1.73 × 10−6 |
| 50 | 1.73 × 10−6 | 1.73 × 10−6 | 1.73 × 10−6 | 1.73 × 10−6 | 1.73 × 10−6 | 1.73 × 10−6 | 1.73 × 10−6 | 1.73 × 10−6 | 1.73 × 10−6 | |
| F7 | 30 | 6.98 × 10−6 | 1.73 × 10−6 | 1.25 × 10−4 | 1.73 × 10−6 | 6.89 × 10−5 | 1.73 × 10−6 | 1.73 × 10−6 | 7.51 × 10−5 | 1.73 × 10−6 |
| 50 | 3.06 × 10−4 | 1.73 × 10−6 | 6.32 × 10−5 | 1.92 × 10−6 | 1.48 × 10−4 | 1.73 × 10−6 | 1.73 × 10−6 | 2.26 × 10−3 | 6.98 × 10−6 | |
| F8 | 30 | 3.61 × 10−3 | 1.73 × 10−6 | 1.73 × 10−6 | 1.73 × 10−6 | 1.73 × 10−6 | 1.73 × 10−6 | 1.73 × 10−6 | 1.73 × 10−6 | 1.73 × 10−6 |
| 50 | 4.73 × 10−6 | 1.73 × 10−6 | 9.32 × 10−6 | 1.73 × 10−6 | 1.73 × 10−6 | 1.73 × 10−6 | 1.73 × 10−6 | 1.73 × 10−6 | 1.73 × 10−6 | |
| F9 | 30 | 1 | 1.73 × 10−6 | 1 | 5.00 × 10−1 | 1 | 1.73 × 10−6 | 1.73 × 10−6 | 1 | 1 |
| 50 | 1 | 1.73 × 10−6 | 1 | 1 | 1 | 1.73 × 10−6 | 1.73 × 10−6 | 8.86 × 10−5 | 1 | |
| F10 | 30 | 1 | 1.73 × 10−6 | 1 | 2.41 × 10−6 | 1 | 1.73 × 10−6 | 1.73 × 10−6 | 1 | 5.00 × 10−1 |
| 50 | 1 | 1.73 × 10−6 | 1 | 3.22 × 10−5 | 1 | 1.73 × 10−6 | 1.72 × 10−6 | 1.73 × 10−6 | 9.77 × 10−4 | |
| F11 | 30 | 1 | 1.73 × 10−6 | 1 | 5.00 × 10−1 | 1 | 1.73 × 10−6 | 1.73 × 10−6 | 1.73 × 10−6 | 1 |
| 50 | 1 | 1.73 × 10−6 | 1 | 1 | 1 | 1.73 × 10−6 | 1.73 × 10−6 | 1.73 × 10−6 | 1 | |
| F12 | 30 | 1.73 × 10−6 | 1.73 × 10−6 | 1.73 × 10−6 | 1.73 × 10−6 | 1.73 × 10−6 | 1.73 × 10−6 | 1.73 × 10−6 | 1.73 × 10−6 | 1.73 × 10−6 |
| 50 | 1.73 × 10−6 | 1.73 × 10−6 | 1.73 × 10−6 | 1.73 × 10−6 | 1.73 × 10−6 | 1.73 × 10−6 | 1.73 × 10−6 | 1.73 × 10−6 | 1.73 × 10−6 | |
| F13 | 30 | 1.73 × 10−6 | 1.73 × 10−6 | 1.73 × 10−6 | 1.73 × 10−6 | 1.48 × 10−2 | 1.73 × 10−6 | 1.73 × 10−6 | 1.73 × 10−6 | 1.73 × 10−6 |
| 50 | 1.73 × 10−6 | 1.73 × 10−6 | 1.73 × 10−6 | 1.73 × 10−6 | 1.73 × 10−6 | 1.73 × 10−6 | 1.73 × 10−6 | 1.73 × 10−6 | 1.73 × 10−6 | |
| F14 | 2 | 2.50 × 10−2 | 1.73 × 10−6 | 1.73 × 10−6 | 1.73 × 10−6 | 1.73 × 10−6 | 1.73 × 10−6 | 1.73 × 10−6 | 1.73 × 10−6 | 1.72 × 10−1 |
| F15 | 4 | 4.49 × 10−2 | 1.73 × 10−6 | 1.64 × 10−5 | 2.16 × 10−5 | 1.73 × 10−6 | 1.73 × 10−6 | 2.13 × 10−6 | 6.34 × 10−6 | 8.32 × 10−6 |
| F16 | 2 | 1 | 1.73 × 10−6 | 1.73 × 10−6 | 1.73 × 10−6 | 1.73 × 10−6 | 1.73 × 10−6 | 1.73 × 10−6 | 1.73 × 10−6 | 1 |
| F17 | 2 | 1 | 1.73 × 10−6 | 1.73 × 10−6 | 1.73 × 10−6 | 1.73 × 10−6 | 1.73 × 10−6 | 1.73 × 10−6 | 1.73 × 10−6 | 1 |
| F18 | 5 | 4.81 × 10−1 | 1.73 × 10−6 | 1.73 × 10−6 | 1.73 × 10−6 | 1.73 × 10−6 | 1.73 × 10−6 | 1.73 × 10−6 | 1.73 × 10−6 | 5.93 × 10−2 |
| F19 | 6 | 1 | 1.73 × 10−6 | 1.73 × 10−6 | 1.73 × 10−6 | 1.73 × 10−6 | 1.73 × 10−6 | 1.73 × 10−6 | 1.73 × 10−6 | 1 |
| F20 | 3 | 1.25 × 10−1 | 1.73 × 10−6 | 1.73 × 10−6 | 8.47 × 10−6 | 1.73 × 10−6 | 1.73 × 10−6 | 1.73 × 10−6 | 1.73 × 10−6 | 7.57 × 10−4 |
| F21 | 4 | 1 | 1.73 × 10−6 | 1.73 × 10−6 | 1.73 × 10−6 | 1.73 × 10−6 | 1.73 × 10−6 | 1.73 × 10−6 | 1.73 × 10−6 | 1.25 × 10−1 |
| F22 | 4 | 1 | 1.73 × 10−6 | 1.73 × 10−6 | 1.73 × 10−6 | 1.73 × 10−6 | 1.73 × 10−6 | 1.73 × 10−6 | 1.73 × 10−6 | 7.81 × 10−3 |
| F23 | 4 | 1 | 1.73 × 10−6 | 1.73 × 10−6 | 1.73 × 10−6 | 1.73 × 10−6 | 1.73 × 10−6 | 1.73 × 10−6 | 1.73 × 10−6 | 3.13 × 10−2 |
| CEC2014 | Metric | MGTO | GTO | SCA | ROA | WOA | RSA | SHO | SOA | AOA | HBA |
|---|---|---|---|---|---|---|---|---|---|---|---|
| CEC1 | MIN | 1.04 × 106 | 1.63 × 106 | 2.82 × 108 | 3.52 × 108 | 5.42 × 107 | 6.49 × 108 | 1.53 × 109 | 5.83 × 107 | 4.26 × 108 | 2.22 × 106 |
| MEAN | 3.91 × 106 | 7.97 × 106 | 4.96 × 108 | 7.72 × 108 | 2.05 × 108 | 1.11 × 109 | 1.99 × 109 | 1.79 × 108 | 1.19 × 109 | 1.12 × 107 | |
| STD | 2.28 × 106 | 4.64 × 106 | 1.68 × 108 | 2.59 × 108 | 9.96 × 107 | 2.42 × 108 | 2.53 × 108 | 9.38 × 107 | 4.08 × 108 | 5.76 × 106 | |
| CEC2 | MIN | 4.11 × 103 | 1.36 × 104 | 1.76 × 1010 | 3.19 × 1010 | 4.30 × 109 | 6.54 × 1010 | 7.74 × 1010 | 6.73 × 109 | 4.77 × 1010 | 9.76 × 104 |
| MEAN | 2.72 × 104 | 2.83 × 105 | 2.90 × 1010 | 5.94 × 1010 | 7.41 × 109 | 7.37 × 1010 | 8.67 × 1010 | 1.55 × 1010 | 7.06 × 1010 | 1.28 × 107 | |
| STD | 2.79 × 104 | 3.27 × 105 | 5.85 × 109 | 1.38 × 1010 | 2.42 × 109 | 4.98 × 109 | 4.91 × 109 | 4.83 × 109 | 1.00 × 1010 | 5.40 × 107 | |
| CEC3 | MIN | 1.77 × 103 | 2.62 × 103 | 4.44 × 104 | 5.80 × 104 | 5.48 × 104 | 6.52 × 104 | 9.39 × 104 | 4.83 × 104 | 6.66 × 104 | 5.22 × 103 |
| MEAN | 5.44 × 103 | 6.90 × 103 | 7.65 × 104 | 8.84 × 104 | 1.27 × 105 | 7.84 × 104 | 9.21 × 105 | 6.29 × 104 | 8.39 × 104 | 1.06 × 104 | |
| STD | 1.87 × 103 | 3.69 × 103 | 1.78 × 104 | 7.90 × 103 | 6.42 × 104 | 7.39 × 103 | 1.33 × 106 | 9.32 × 103 | 8.35 × 103 | 4.16 × 103 | |
| CEC4 | MIN | 4.19 × 102 | 4.88 × 102 | 1.72 × 103 | 4.23 × 103 | 8.31 × 102 | 6.30 × 103 | 1.18 × 104 | 8.52 × 102 | 5.07 × 103 | 4.90 × 102 |
| MEAN | 5.19 × 102 | 5.43 × 102 | 2.83 × 103 | 9.27 × 103 | 1.39 × 103 | 1.10 × 104 | 1.79 × 104 | 1.47 × 103 | 1.31 × 104 | 5.70 × 102 | |
| STD | 3.79 × 101 | 4.79 × 101 | 7.54 × 102 | 3.22 × 103 | 4.24 × 102 | 3.11 × 103 | 3.23 × 103 | 5.36 × 102 | 4.53 × 103 | 5.05 × 101 | |
| CEC5 | MIN | 5.20 × 102 | 5.20 × 102 | 5.21 × 102 | 5.21 × 102 | 5.21 × 102 | 5.21 × 102 | 5.21 × 102 | 5.21 × 102 | 5.21 × 102 | 5.21 × 102 |
| MEAN | 5.20 × 102 | 5.20 × 102 | 5.21 × 102 | 5.21 × 102 | 5.21 × 102 | 5.21 × 102 | 5.21 × 102 | 5.21 × 102 | 5.21 × 102 | 5.21 × 102 | |
| STD | 2.38 × 10−1 | 3.06 × 10−1 | 5.20 × 10−2 | 8.38 × 10−2 | 1.08 × 10−1 | 6.51 × 10−2 | 7.36 × 10−2 | 9.35 × 10−2 | 7.12 × 10−2 | 1.75 × 10−1 | |
| CEC6 | MIN | 6.18 × 102 | 6.24 × 102 | 6.35 × 102 | 6.35 × 102 | 6.35 × 102 | 6.38 × 102 | 6.43 × 102 | 6.28 × 102 | 6.36 × 102 | 6.17 × 102 |
| MEAN | 6.25 × 102 | 6.30 × 102 | 6.39 × 102 | 6.40 × 102 | 6.39 × 102 | 6.40 × 102 | 6.46 × 102 | 6.34 × 102 | 6.39 × 102 | 6.23 × 102 | |
| STD | 2.93 × 100 | 3.72 × 100 | 2.29 × 100 | 2.95 × 100 | 3.27 × 100 | 1.89 × 100 | 1.91 × 100 | 3.57 × 100 | 2.82 × 100 | 4.72 × 100 | |
| CEC7 | MIN | 7.00 × 102 | 7.00 × 102 | 8.76 × 102 | 9.58 × 102 | 7.26 × 102 | 1.12 × 103 | 1.34 × 103 | 7.39 × 102 | 1.14 × 103 | 7.00 × 102 |
| MEAN | 7.00 × 102 | 7.00 × 102 | 9.62 × 102 | 1.13 × 103 | 7.47 × 102 | 1.33 × 103 | 1.57 × 103 | 8.37 × 102 | 1.35 × 103 | 7.01 × 102 | |
| STD | 4.82 × 10−2 | 2.23 × 10−1 | 4.99 × 101 | 9.85 × 101 | 1.40 × 101 | 1.03 × 102 | 8.82 × 101 | 5.37 × 101 | 9.97 × 101 | 2.84 × 10−1 | |
| CEC8 | MIN | 8.56 × 102 | 9.10 × 102 | 1.05 × 103 | 1.06 × 103 | 9.92 × 102 | 1.13 × 103 | 1.18 × 103 | 9.77 × 102 | 1.09 × 103 | 8.61 × 102 |
| MEAN | 9.02 × 102 | 9.33 × 102 | 1.08 × 103 | 1.12 × 103 | 1.03 × 103 | 1.16 × 103 | 1.22 × 103 | 1.03 × 103 | 1.15 × 103 | 8.92 × 102 | |
| STD | 2.92 × 101 | 1.97 × 101 | 2.46 × 101 | 2.94 × 101 | 4.83 × 101 | 1.93 × 101 | 4.28 × 101 | 2.84 × 101 | 3.53 × 101 | 2.38 × 101 | |
| CEC9 | MIN | 1.01 × 103 | 1.03 × 103 | 1.18 × 103 | 1.20 × 103 | 1.14 × 103 | 1.21 × 103 | 1.29 × 103 | 1.08 × 103 | 1.20 × 103 | 9.84 × 102 |
| MEAN | 1.06 × 103 | 1.08 × 103 | 1.23 × 103 | 1.25 × 103 | 1.24 × 103 | 1.25 × 103 | 1.32 × 103 | 1.14 × 103 | 1.24 × 103 | 1.03 × 103 | |
| STD | 2.35 × 101 | 2.50 × 101 | 2.83 × 101 | 2.85 × 101 | 6.58 × 101 | 2.10 × 101 | 2.56 × 101 | 3.20 × 101 | 2.15 × 101 | 2.99 × 101 | |
| CEC10 | MIN | 1.69 × 103 | 3.28 × 103 | 7.32 × 103 | 6.98 × 103 | 5.74 × 103 | 7.44 × 103 | 8.82 × 103 | 5.51 × 103 | 6.55 × 103 | 2.82 × 103 |
| MEAN | 2.78 × 103 | 4.74 × 103 | 8.00 × 103 | 7.69 × 103 | 6.45 × 103 | 7.90 × 103 | 9.91 × 103 | 7.02 × 103 | 7.39 × 103 | 4.09 × 103 | |
| STD | 4.72 × 102 | 1.10 × 103 | 4.09 × 102 | 7.01 × 102 | 7.26 × 102 | 5.58 × 102 | 7.55 × 102 | 8.43 × 102 | 6.20 × 102 | 1.25 × 103 | |
| CEC11 | MIN | 1.23 × 103 | 1.57 × 103 | 2.26 × 103 | 1.85 × 103 | 1.59 × 103 | 2.26 × 103 | 2.99 × 103 | 1.70 × 103 | 1.71 × 103 | 1.27 × 103 |
| MEAN | 1.63 × 103 | 2.01 × 103 | 2.56 × 103 | 2.56 × 103 | 2.22 × 103 | 2.61 × 103 | 3.48 × 103 | 2.25 × 103 | 2.11 × 103 | 1.99 × 103 | |
| STD | 1.75 × 102 | 3.45 × 102 | 2.54 × 102 | 2.59 × 102 | 3.67 × 102 | 2.28 × 102 | 2.77 × 102 | 3.19 × 102 | 2.84 × 102 | 4.29 × 102 | |
| CEC12 | MIN | 1.20 × 103 | 1.20 × 103 | 1.20 × 103 | 1.20 × 103 | 1.20 × 103 | 1.20 × 103 | 1.20 × 103 | 1.20 × 103 | 1.20 × 103 | 1.20 × 103 |
| MEAN | 1.20 × 103 | 1.20 × 103 | 1.20 × 103 | 1.20 × 103 | 1.20 × 103 | 1.20 × 103 | 1.20 × 103 | 1.20 × 103 | 1.20 × 103 | 1.20 × 103 | |
| STD | 1.37 × 10−1 | 2.15 × 10−1 | 2.91 × 10−1 | 3.49 × 10−1 | 5.20 × 10−1 | 4.10 × 10−1 | 7.98 × 10−1 | 3.41 × 10−1 | 2.77 × 10−1 | 3.64 × 10−1 | |
| CEC13 | MIN | 1.30 × 103 | 1.30 × 103 | 1.30 × 103 | 1.30 × 103 | 1.30 × 103 | 1.30 × 103 | 1.30 × 103 | 1.30 × 103 | 1.30 × 103 | 1.30 × 103 |
| MEAN | 1.30 × 103 | 1.30 × 103 | 1.30 × 103 | 1.30 × 103 | 1.30 × 103 | 1.30 × 103 | 1.30 × 103 | 1.30 × 103 | 1.30 × 103 | 1.30 × 103 | |
| STD | 6.59 × 10−2 | 1.02 × 10−1 | 1.58 × 10−1 | 1.08 | 1.89 × 10−1 | 6.43 × 10−1 | 1.13 | 1.64 × 10−1 | 1.19 | 9.69 × 10−2 | |
| CEC14 | MIN | 1.40 × 103 | 1.40 × 103 | 1.40 × 103 | 1.40 × 103 | 1.40 × 103 | 1.41 × 103 | 1.43 × 103 | 1.40 × 103 | 1.41 × 103 | 1.40 × 103 |
| MEAN | 1.40 × 103 | 1.40 × 103 | 1.40 × 103 | 1.41 × 103 | 1.40 × 103 | 1.41 × 103 | 1.44 × 103 | 1.40 × 103 | 1.43 × 103 | 1.40 × 103 | |
| STD | 6.10 × 10−2 | 2.36 × 10−1 | 6.06 × 10−1 | 8.30 | 2.40 × 10−1 | 5.84 | 1.06 × 101 | 1.03 | 9.46 | 2.04 × 10−1 | |
| CEC15 | MIN | 1.50 × 103 | 1.50 × 103 | 1.51 × 103 | 1.51 × 103 | 1.50 × 103 | 1.76 × 103 | 3.23 × 103 | 1.50 × 103 | 1.58 × 103 | 1.50 × 103 |
| MEAN | 1.50 × 103 | 1.50 × 103 | 1.59 × 103 | 2.20 × 103 | 1.51 × 103 | 5.83 × 103 | 2.19 × 104 | 1.66 × 103 | 5.27 × 103 | 1.50 × 103 | |
| STD | 4.57 × 10−1 | 1.49 | 4.45 × 102 | 1.51 × 103 | 5.63 | 3.46 × 103 | 2.19 × 104 | 8.45 × 102 | 5.14 × 103 | 5.89 × 10−1 | |
| CEC16 | MIN | 1.60 × 103 | 1.60 × 103 | 1.60 × 103 | 1.60 × 103 | 1.60 × 103 | 1.60 × 103 | 1.60 × 103 | 1.60 × 103 | 1.60 × 103 | 1.60 × 103 |
| MEAN | 1.60 × 103 | 1.60 × 103 | 1.60 × 103 | 1.60 × 103 | 1.60 × 103 | 1.60 × 103 | 1.60 × 103 | 1.60 × 103 | 1.60 × 103 | 1.60 × 103 | |
| STD | 3.06 × 10−1 | 3.86 × 10−1 | 2.39 × 10−1 | 3.20 × 10−1 | 3.69 × 10−1 | 2.15 × 10−1 | 2.86 × 10−1 | 3.03 × 10−1 | 3.05 × 10−1 | 3.51 × 10−1 | |
| CEC17 | MIN | 1.77 × 103 | 1.96 × 103 | 8.48 × 103 | 3.77 × 103 | 7.57 × 103 | 2.59 × 105 | 6.07 × 105 | 5.17 × 103 | 2.89 × 104 | 2.24 × 103 |
| MEAN | 2.39 × 103 | 2.61 × 103 | 6.86 × 104 | 4.35 × 105 | 2.41 × 105 | 4.84 × 105 | 6.05 × 106 | 1.06 × 105 | 3.95 × 105 | 9.16 × 103 | |
| STD | 3.66 × 102 | 6.66 × 102 | 7.75 × 104 | 3.62 × 105 | 3.35 × 105 | 1.17 × 105 | 8.34 × 106 | 1.82 × 105 | 1.76 × 105 | 1.04 × 104 | |
| CEC18 | MIN | 1.81 × 103 | 1.82 × 103 | 5.30 × 103 | 2.51 × 103 | 2.02 × 103 | 8.98 × 103 | 2.19 × 105 | 2.36 × 103 | 1.95 × 103 | 1.97 × 103 |
| MEAN | 1.85 × 103 | 1.90 × 103 | 3.55 × 104 | 1.20 × 104 | 9.68 × 103 | 1.47 × 105 | 2.12 × 107 | 1.48 × 104 | 1.09 × 104 | 9.75 × 103 | |
| STD | 2.46 × 101 | 5.33 × 101 | 3.22 × 104 | 8.69 × 103 | 9.10 × 103 | 2.36 × 105 | 2.98 × 107 | 1.31 × 104 | 8.97 × 103 | 7.50 × 103 | |
| CEC19 | MIN | 1.90 × 103 | 1.90 × 103 | 1.90 × 103 | 1.90 × 103 | 1.90 × 103 | 1.91 × 103 | 1.92 × 103 | 1.90 × 103 | 1.90 × 103 | 1.90 × 103 |
| MEAN | 1.90 × 103 | 1.90 × 103 | 1.91 × 103 | 1.91 × 103 | 1.91 × 103 | 1.92 × 103 | 1.97 × 103 | 1.90 × 103 | 1.95 × 103 | 1.90 × 103 | |
| STD | 9.62 × 10−1 | 1.37 | 1.26 | 1.19 × 101 | 1.43 | 1.48 × 101 | 3.64 × 101 | 1.02 | 2.95 | 1.68 | |
| CEC20 | MIN | 2.01 × 103 | 2.01 × 103 | 2.13 × 103 | 2.13 × 103 | 2.26 × 103 | 6.01 × 103 | 2.93 × 104 | 2.21 × 103 | 4.81 × 103 | 2.08 × 103 |
| MEAN | 2.03 × 103 | 2.09 × 103 | 8.79 × 103 | 3.46 × 104 | 1.43 × 104 | 3.85 × 104 | 3.08 × 106 | 1.04 × 104 | 9.69 × 103 | 3.41 × 103 | |
| STD | 1.79 × 101 | 8.23 × 101 | 5.48 × 103 | 4.51 × 104 | 8.69 × 103 | 1.27 × 105 | 5.11 × 106 | 7.95 × 103 | 5.73 × 103 | 1.87 × 103 | |
| CEC21 | MIN | 2.10 × 103 | 2.12 × 103 | 4.33 × 103 | 3.29 × 103 | 1.38 × 104 | 9.73 × 103 | 4.91 × 104 | 3.34 × 103 | 3.75 × 103 | 2.24 × 103 |
| MEAN | 2.35 × 103 | 2.44 × 103 | 1.35 × 104 | 1.84 × 105 | 1.18 × 106 | 1.38 × 106 | 6.16 × 106 | 1.37 × 104 | 1.00 × 106 | 2.91 × 103 | |
| STD | 1.78 × 102 | 2.34 × 102 | 5.51 × 103 | 8.18 × 105 | 3.05 × 106 | 2.21 × 106 | 1.15 × 107 | 8.29 × 103 | 1.73 × 106 | 4.51 × 102 | |
| CEC22 | MIN | 2.20 × 103 | 2.22 × 103 | 2.24 × 103 | 2.23 × 103 | 2.23 × 103 | 2.28 × 103 | 2.29 × 103 | 2.23 × 103 | 2.24 × 103 | 2.21 × 103 |
| MEAN | 2.22 × 103 | 2.24 × 103 | 2.30 × 103 | 2.35 × 103 | 2.32 × 103 | 2.43 × 103 | 2.78 × 103 | 2.28 × 103 | 2.43 × 103 | 2.30 × 103 | |
| STD | 7.22 | 5.64 × 101 | 4.41 × 101 | 7.99 × 101 | 9.39 × 101 | 7.55 × 101 | 2.16 × 102 | 5.77 × 101 | 1.09 × 102 | 8.66 × 101 | |
| CEC23 | MIN | 2.50 × 103 | 2.50 × 103 | 2.64 × 103 | 2.50 × 103 | 2.50 × 103 | 2.50 × 103 | 2.50 × 103 | 2.63 × 103 | 2.50 × 103 | 2.50 × 103 |
| MEAN | 2.50 × 103 | 2.50 × 103 | 2.65 × 103 | 2.50 × 103 | 2.62 × 103 | 2.50 × 103 | 2.50 × 103 | 2.65 × 103 | 2.50 × 103 | 2.51 × 103 | |
| STD | 0 | 0 | 6.76 | 0 | 4.95 × 101 | 0 | 0 | 8.92 | 0 | 2.24 × 101 | |
| CEC24 | MIN | 2.51 × 103 | 2.53 × 103 | 2.55 × 103 | 2.60 × 103 | 2.54 × 103 | 2.59 × 103 | 2.60 × 103 | 2.53 × 103 | 2.56 × 103 | 2.52 × 103 |
| MEAN | 2.57 × 103 | 2.58 × 103 | 2.56 × 103 | 2.60 × 103 | 2.58 × 103 | 2.60 × 103 | 2.60 × 103 | 2.55 × 103 | 2.59 × 103 | 2.56 × 103 | |
| STD | 2.50 × 101 | 2.93 × 101 | 7.07 | 0 | 2.99 × 101 | 4.07 | 0 | 2.46 × 101 | 1.81 × 101 | 3.64 × 101 | |
| CEC25 | MIN | 2.63 × 103 | 2.70 × 103 | 2.67 × 103 | 2.70 × 103 | 2.67 × 103 | 2.70 × 103 | 2.70 × 103 | 2.70 × 103 | 2.70 × 103 | 2.67 × 103 |
| MEAN | 2.69 × 103 | 2.69 × 103 | 2.70 × 103 | 2.70 × 103 | 2.69 × 103 | 2.70 × 103 | 2.70 × 103 | 2.70 × 103 | 2.70 × 103 | 2.68 × 103 | |
| STD | 1.23 × 101 | 1.70 × 101 | 1.44 × 101 | 0 | 1.53 × 101 | 0 | 0 | 1.55 | 3.43 | 2.70 × 101 | |
| CEC26 | MIN | 2.70 × 103 | 2.70 × 103 | 2.70 × 103 | 2.70 × 103 | 2.70 × 103 | 2.70 × 103 | 2.70 × 103 | 2.70 × 103 | 2.70 × 103 | 2.70 × 103 |
| MEAN | 2.70 × 103 | 2.70 × 103 | 2.70 × 103 | 2.70 × 103 | 2.70 × 103 | 2.70 × 103 | 2.71 × 103 | 2.70 × 103 | 2.71 × 103 | 2.70 × 103 | |
| STD | 7.71 × 10−2 | 8.27 × 10−2 | 2.06 × 10−1 | 1.80 × 101 | 1.82 × 10−1 | 7.36 × 10−1 | 1.75 × 101 | 1.36 × 10−1 | 2.45 × 101 | 1.17 × 10−1 | |
| CEC27 | MIN | 2.70 × 103 | 2.70 × 103 | 2.72 × 103 | 2.90 × 103 | 2.71 × 103 | 2.90 × 103 | 2.90 × 103 | 3.10 × 103 | 2.90 × 103 | 2.90 × 103 |
| MEAN | 2.83 × 103 | 2.84 × 103 | 3.05 × 103 | 2.89 × 103 | 3.18 × 103 | 2.90 × 103 | 2.90 × 103 | 3.14 × 103 | 2.92 × 103 | 3.00 × 103 | |
| STD | 4.96 × 101 | 9.30 × 101 | 1.43 × 102 | 3.22 × 101 | 1.19 × 102 | 0 | 0 | 5.98 × 101 | 1.02 × 102 | 9.06 × 101 | |
| CEC28 | MIN | 3.00 × 103 | 3.00 × 103 | 3.24 × 103 | 3.00 × 103 | 3.00 × 103 | 3.00 × 103 | 3.00 × 103 | 3.17 × 103 | 3.00 × 103 | 3.03 × 103 |
| MEAN | 3.00 × 103 | 3.00 × 103 | 3.30 × 103 | 3.00 × 103 | 3.46 × 103 | 3.00 × 103 | 3.00 × 103 | 3.19 × 103 | 3.00 × 103 | 3.22 × 103 | |
| STD | 0 | 0 | 5.49 × 101 | 0 | 2.05 × 102 | 0 | 0 | 9.96 × 100 | 0 | 1.44 × 102 | |
| CEC29 | MIN | 3.10 × 103 | 3.11 × 103 | 5.34 × 103 | 3.10 × 103 | 3.22 × 103 | 3.10 × 103 | 3.10 × 103 | 3.48 × 103 | 3.10 × 103 | 3.33 × 103 |
| MEAN | 3.10 × 103 | 6.88 × 104 | 2.26 × 104 | 2.05 × 105 | 2.99 × 105 | 3.10 × 103 | 3.10 × 103 | 5.62 × 103 | 7.72 × 105 | 8.44 × 105 | |
| STD | 0 | 3.59 × 105 | 1.89 × 104 | 7.73 × 105 | 8.25 × 105 | 0 | 0 | 2.70 × 103 | 2.33 × 106 | 1.28 × 106 | |
| CEC30 | MIN | 3.20 × 103 | 3.49 × 103 | 4.13 × 103 | 3.73 × 103 | 3.79 × 103 | 3.20 × 103 | 3.20 × 103 | 3.79 × 103 | 4.89 × 103 | 3.46 × 103 |
| MEAN | 3.20 × 103 | 3.91 × 103 | 5.17 × 103 | 9.73 × 103 | 6.36 × 103 | 3.20 × 103 | 3.20 × 103 | 4.14 × 103 | 4.88 × 104 | 1.31 × 104 | |
| STD | 0 | 4.51 × 102 | 1.07 × 103 | 1.11 × 104 | 1.99 × 103 | 0 | 0 | 2.74 × 102 | 1.06 × 105 | 3.24 × 104 |
| CEC2020 | Metric | MGTO | GTO | SCA | ROA | WOA | RSA | SHO | SOA | AOA | HBA |
|---|---|---|---|---|---|---|---|---|---|---|---|
| CEC1 | MIN | 1.00 × 102 | 1.02 × 102 | 5.21 × 108 | 1.29 × 109 | 5.98 × 106 | 6.48 × 109 | 7.07 × 109 | 1.25 × 107 | 3.59 × 109 | 1.78 × 102 |
| MEAN | 8.74 × 102 | 2.57 × 103 | 1.15 × 109 | 4.79 × 109 | 6.72 × 107 | 1.19 × 1010 | 1.62 × 1010 | 4.00 × 108 | 1.01 × 1010 | 4.59 × 103 | |
| STD | 5.15 × 102 | 3.18 × 103 | 3.57 × 108 | 3.22 × 109 | 8.06 × 107 | 4.44 × 109 | 5.00 × 109 | 3.69 × 108 | 4.32 × 109 | 3.93 × 103 | |
| CEC2 | MIN | 1.15 × 103 | 1.50 × 103 | 2.26 × 103 | 2.09 × 103 | 1.72 × 103 | 2.33 × 103 | 3.04 × 103 | 1.66 × 103 | 1.90 × 103 | 1.47 × 103 |
| MEAN | 1.66 × 103 | 2.02 × 103 | 2.55 × 103 | 2.59 × 103 | 2.33 × 103 | 2.78 × 103 | 3.47 × 103 | 2.11 × 103 | 2.29 × 103 | 1.89 × 103 | |
| STD | 2.15 × 102 | 3.02 × 102 | 2.51 × 102 | 2.80 × 102 | 3.13 × 102 | 2.46 × 102 | 2.80 × 102 | 2.23 × 102 | 2.70 × 102 | 4.87 × 102 | |
| CEC3 | MIN | 7.07 × 102 | 7.26 × 102 | 7.70 × 102 | 7.74 × 102 | 7.55 × 102 | 7.97 × 102 | 8.42 × 102 | 7.55 × 102 | 7.74 × 102 | 7.21 × 102 |
| MEAN | 7.39 × 102 | 7.55 × 102 | 7.87 × 102 | 8.16 × 102 | 8.02 × 102 | 8.12 × 102 | 8.73 × 102 | 7.69 × 102 | 8.00 × 102 | 7.39 × 102 | |
| STD | 1.46 × 101 | 1.73 × 101 | 1.41 × 101 | 2.89 × 101 | 2.83 × 101 | 1.13 × 101 | 2.26 × 101 | 1.58 × 101 | 1.65 × 101 | 1.47 × 101 | |
| CEC4 | MIN | 1.90 × 103 | 1.90 × 103 | 1.90 × 103 | 1.90 × 103 | 1.90 × 103 | 1.90 × 103 | 1.90 × 103 | 1.90 × 103 | 1.90 × 103 | 1.90 × 103 |
| MEAN | 1.90 × 103 | 1.90 × 103 | 1.90 × 103 | 1.90 × 103 | 1.90 × 103 | 1.90 × 103 | 1.90 × 103 | 1.90 × 103 | 1.90 × 103 | 1.90 × 103 | |
| STD | 0 | 0 | 1.32 | 0 | 4.09 × 10−1 | 0 | 0 | 4.46 × 10−1 | 0 | 0 | |
| CEC5 | MIN | 1.78 × 103 | 1.94 × 103 | 1.25 × 104 | 5.46 × 103 | 3.68 × 103 | 3.26 × 105 | 4.12 × 105 | 5.66 × 103 | 9.75 × 103 | 1.87 × 103 |
| MEAN | 2.35 × 103 | 2.54 × 103 | 1.02 × 105 | 3.38 × 105 | 2.13 × 105 | 4.84 × 105 | 3.90 × 106 | 1.18 × 105 | 3.63 × 105 | 6.28 × 103 | |
| STD | 2.73 × 102 | 5.79 × 102 | 1.16 × 105 | 2.98 × 105 | 3.73 × 105 | 7.88 × 104 | 5.11 × 106 | 1.85 × 105 | 1.72 × 105 | 8.09 × 103 | |
| CEC6 | MIN | 1.60 × 103 | 1.60 × 103 | 1.71 × 103 | 1.74 × 103 | 1.71 × 103 | 1.92 × 103 | 2.25 × 103 | 1.66 × 103 | 1.84 × 103 | 1.60 × 103 |
| MEAN | 1.64 × 103 | 1.75 × 103 | 1.87 × 103 | 1.92 × 103 | 1.87 × 103 | 2.27 × 103 | 2.75 × 103 | 1.82 × 103 | 2.09 × 103 | 1.81 × 103 | |
| STD | 5.06 × 101 | 1.21 × 102 | 9.28 × 101 | 1.25 × 102 | 1.30 × 102 | 1.71 × 102 | 3.37 × 102 | 9.10 × 101 | 1.89 × 102 | 1.87 × 102 | |
| CEC7 | MIN | 2.10 × 103 | 2.11 × 103 | 4.96 × 103 | 2.93 × 103 | 8.95 × 103 | 2.35 × 104 | 3.66 × 104 | 3.11 × 103 | 5.39 × 103 | 2.18 × 103 |
| MEAN | 2.36 × 103 | 2.64 × 103 | 1.52 × 104 | 2.19 × 105 | 1.06 × 106 | 1.38 × 106 | 3.59 × 106 | 1.80 × 104 | 7.18 × 105 | 3.05 × 103 | |
| STD | 2.07 × 102 | 6.00 × 102 | 1.07 × 104 | 7.49 × 105 | 2.93 × 106 | 2.02 × 106 | 3.57 × 106 | 3.67 × 104 | 1.14 × 106 | 7.36 × 102 | |
| CEC8 | MIN | 2.20 × 103 | 2.30 × 103 | 2.35 × 103 | 2.36 × 103 | 2.28 × 103 | 2.74 × 103 | 3.21 × 103 | 2.26 × 103 | 2.66 × 103 | 2.30 × 103 |
| MEAN | 2.30 × 103 | 2.30 × 103 | 2.46 × 103 | 2.74 × 103 | 2.52 × 103 | 3.29 × 103 | 3.97 × 103 | 3.02 × 103 | 3.10 × 103 | 2.30 × 103 | |
| STD | 1.55 × 101 | 1.61 × 101 | 2.93 × 102 | 3.98 × 102 | 5.31 × 102 | 3.30 × 102 | 4.78 × 102 | 7.18 × 102 | 3.37 × 102 | 1.16 × 101 | |
| CEC9 | MIN | 2.50 × 103 | 2.50 × 103 | 2.77 × 103 | 2.72 × 103 | 2.60 × 103 | 2.81 × 103 | 2.86 × 103 | 2.74 × 103 | 2.77 × 103 | 2.74 × 103 |
| MEAN | 2.65 × 103 | 2.70 × 103 | 2.79 × 103 | 2.80 × 103 | 2.79 × 103 | 2.90 × 103 | 2.96 × 103 | 2.76 × 103 | 2.86 × 103 | 2.74 × 103 | |
| STD | 1.22 × 102 | 1.11 × 102 | 3.66 × 101 | 7.18 × 101 | 5.20 × 101 | 6.80 × 101 | 7.01 × 101 | 4.58 × 101 | 8.25 × 101 | 6.91 × 101 | |
| CEC10 | MIN | 2.60 × 103 | 2.90 × 103 | 2.94 × 103 | 2.97 × 103 | 2.91 × 103 | 3.23 × 103 | 3.48 × 103 | 2.92 × 103 | 3.11 × 103 | 2.90 × 103 |
| MEAN | 2.92 × 103 | 2.94 × 103 | 2.99 × 103 | 3.22 × 103 | 2.98 × 103 | 3.51 × 103 | 3.90 × 103 | 2.95 × 103 | 3.39 × 103 | 2.93 × 103 | |
| STD | 2.15 × 101 | 3.19 × 101 | 3.20 × 101 | 2.13 × 102 | 8.10 × 101 | 2.49 × 102 | 4.14 × 102 | 3.69 × 101 | 2.32 × 102 | 2.30 × 101 |
| CEC2014 | MGTO VS GTO | MGTO VS SCA | MGTO VS ROA | MGTO VS WOA | MGTO VS RSA | MGTO VS SHO | MGTO VS SOA | MGTO VS AOA | MGTO VS HBA |
|---|---|---|---|---|---|---|---|---|---|
| CEC1 | 3.32 × 10−4 | 1.73 × 10−6 | 1.73 × 10−6 | 1.73 × 10−6 | 1.73 × 10−6 | 1.73 × 10−6 | 1.73 × 10−6 | 1.73 × 10−6 | 2.41 × 10−4 |
| CEC2 | 2.60 × 10−6 | 1.73 × 10−6 | 1.73 × 10−6 | 1.73 × 10−6 | 1.73 × 10−6 | 1.73 × 10−6 | 1.73 × 10−6 | 1.73 × 10−6 | 1.73 × 10−6 |
| CEC3 | 3.59 × 10−4 | 1.73 × 10−6 | 1.73 × 10−6 | 1.73 × 10−6 | 1.73 × 10−6 | 1.73 × 10−6 | 1.73 × 10−6 | 1.73 × 10−6 | 2.88 × 10−6 |
| CEC4 | 4.28 × 10−2 | 1.73 × 10−6 | 1.73 × 10−6 | 1.73 × 10−6 | 1.73 × 10−6 | 1.73 × 10−6 | 1.73 × 10−6 | 1.73 × 10−6 | 4.65 × 10−1 |
| CEC5 | 2.85 × 10−2 | 1.73 × 10−6 | 1.73 × 10−6 | 1.92 × 10−6 | 1.73 × 10−6 | 1.73 × 10−6 | 1.73 × 10−6 | 1.73 × 10−6 | 1.92 × 10−6 |
| CEC6 | 3.88 × 10−4 | 1.73 × 10−6 | 1.73 × 10−6 | 1.92 × 10−6 | 1.73 × 10−6 | 1.73 × 10−6 | 1.64 × 10−5 | 1.73 × 10−6 | 9.63 × 10−4 |
| CEC7 | 9.32 × 10−6 | 1.73 × 10−6 | 1.73 × 10−6 | 1.73 × 10−6 | 1.73 × 10−6 | 1.73 × 10−6 | 1.73 × 10−6 | 1.73 × 10−6 | 1.73 × 10−6 |
| CEC8 | 5.75 × 10−6 | 1.73 × 10−6 | 1.73 × 10−6 | 1.73 × 10−6 | 1.73 × 10−6 | 1.73 × 10−6 | 1.73 × 10−6 | 1.73 × 10−6 | 8.22 × 10−2 |
| CEC9 | 7.34 × 10−1 | 1.73 × 10−6 | 1.73 × 10−6 | 1.73 × 10−6 | 1.73 × 10−6 | 1.73 × 10−6 | 4.29 × 10−6 | 1.73 × 10−6 | 6.98 × 10−6 |
| CEC10 | 2.35 × 10−6 | 1.73 × 10−6 | 1.73 × 10−6 | 1.73 × 10−6 | 1.73 × 10−6 | 1.73 × 10−6 | 1.73 × 10−6 | 1.73 × 10−6 | 5.22 × 10−6 |
| CEC11 | 1.89 × 10−4 | 1.73 × 10−6 | 1.73 × 10−6 | 2.35 × 10−6 | 1.73 × 10−6 | 1.73 × 10−6 | 2.35 × 10−6 | 2.88 × 10−6 | 2.16 × 10−5 |
| CEC12 | 3.82 × 10−1 | 1.73 × 10−6 | 1.92 × 10−6 | 1.73 × 10−6 | 1.73 × 10−6 | 1.73 × 10−6 | 1.73 × 10−6 | 1.97 × 10−5 | 4.72 × 10−2 |
| CEC13 | 1.64 × 10−5 | 1.73 × 10−6 | 1.73 × 10−6 | 1.92 × 10−6 | 1.73 × 10−6 | 1.73 × 10−6 | 1.73 × 10−6 | 1.73 × 10−6 | 1.02 × 10−5 |
| CEC14 | 2.22 × 10−4 | 1.73 × 10−6 | 2.88 × 10−6 | 2.41 × 10−3 | 1.73 × 10−6 | 1.73 × 10−6 | 1.73 × 10−6 | 1.73 × 10−6 | 2.84 × 10−5 |
| CEC15 | 1.11 × 10−3 | 1.73 × 10−6 | 1.73 × 10−6 | 1.73 × 10−6 | 1.73 × 10−6 | 1.73 × 10−6 | 1.73 × 10−6 | 1.73 × 10−6 | 8.29 × 10−1 |
| CEC16 | 2.58 × 10−3 | 1.73 × 10−6 | 2.88 × 10−6 | 1.73 × 10−6 | 1.73 × 10−6 | 1.73 × 10−6 | 1.73 × 10−6 | 1.92 × 10−6 | 2.18 × 10−2 |
| CEC17 | 4.05 × 10−1 | 1.73 × 10−6 | 1.73 × 10−6 | 1.73 × 10−6 | 1.73 × 10−6 | 1.73 × 10−6 | 1.73 × 10−6 | 1.73 × 10−6 | 4.29 × 10−6 |
| CEC18 | 1.85 × 10−2 | 1.73 × 10−6 | 1.73 × 10−6 | 1.73 × 10−6 | 1.73 × 10−6 | 1.73 × 10−6 | 1.73 × 10−6 | 1.73 × 10−6 | 1.73 × 10−6 |
| CEC19 | 4.20 × 10−4 | 1.73 × 10−6 | 1.73 × 10−6 | 1.73 × 10−6 | 1.73 × 10−6 | 1.73 × 10−6 | 8.47 × 10−6 | 1.73 × 10−6 | 2.05 × 10−4 |
| CEC20 | 8.94 × 10−4 | 1.73 × 10−6 | 1.73 × 10−6 | 1.73 × 10−6 | 1.73 × 10−6 | 1.73 × 10−6 | 1.73 × 10−6 | 1.73 × 10−6 | 1.73 × 10−6 |
| CEC21 | 5.45 × 10−2 | 1.73 × 10−6 | 1.73 × 10−6 | 1.73 × 10−6 | 1.73 × 10−6 | 1.73 × 10−6 | 1.73 × 10−6 | 1.73 × 10−6 | 1.92 × 10−6 |
| CEC22 | 3.39 × 10−1 | 1.73 × 10−6 | 5.75 × 10−6 | 2.35 × 10−6 | 1.73 × 10−6 | 1.73 × 10−6 | 1.73 × 10−6 | 2.13 × 10−6 | 3.32 × 10−4 |
| CEC23 | 1 | 1.73 × 10−6 | 1 | 2.56 × 10−6 | 1 | 1 | 1.73 × 10−6 | 1 | 9.77 × 10−4 |
| CEC24 | 6.96 × 10−1 | 1.92 × 10−6 | 1 | 1.75 × 10−2 | 1 | 1 | 2.60 × 10−6 | 3.42 × 10−2 | 1.15 × 10−4 |
| CEC25 | 1.74 × 10−2 | 1.73 × 10−6 | 2.44 × 10−4 | 4.88 × 10−2 | 2.44 × 10−4 | 2.44 × 10−4 | 2.13 × 10−6 | 2.44 × 10−4 | 2.47 × 10−1 |
| CEC26 | 5.04 × 10−1 | 1.73 × 10−6 | 1.92 × 10−6 | 2.88 × 10−6 | 1.73 × 10−6 | 1.73 × 10−6 | 4.29 × 10−6 | 1.73 × 10−6 | 7.81 × 10−1 |
| CEC27 | 5.37 × 10−2 | 1.24 × 10−5 | 5.00 × 10−1 | 1.92 × 10−6 | 5.00 × 10−1 | 5.00 × 10−1 | 3.18 × 10−6 | 5.00 × 10−1 | 8.22 × 10−3 |
| CEC28 | 1 | 1.73 × 10−6 | 1 | 1.73 × 10−6 | 1 | 1 | 1.73 × 10−6 | 5.00 × 10−1 | 1.73 × 10−6 |
| CEC29 | 1.73 × 10−6 | 1.73 × 10−6 | 5.95 × 10−5 | 1.73 × 10−6 | 1 | 1 | 1.73 × 10−6 | 1.22 × 10−4 | 1.73 × 10−6 |
| CEC30 | 1.73 × 10−6 | 1.73 × 10−6 | 1.73 × 10−6 | 1.73 × 10−6 | 1 | 1 | 1.73 × 10−6 | 5.61 × 10−6 | 1.73 × 10−6 |
| CEC2020 | MGTO VS GTO | MGTO VS SCA | MGTO VS ROA | MGTO VS WOA | MGTO VS RSA | MGTO VS SHO | MGTO VS SOA | MGTO VS AOA | MGTO VS HBA |
|---|---|---|---|---|---|---|---|---|---|
| CEC1 | 4.72 × 10−2 | 1.73 × 10−6 | 1.73 × 10−6 | 1.73 × 10−6 | 1.73 × 10−6 | 1.73 × 10−6 | 1.73 × 10−6 | 1.73 × 10−6 | 7.19 × 10−2 |
| CEC2 | 1.48 × 10−4 | 1.73 × 10−6 | 1.73 × 10−6 | 7.69 × 10−6 | 1.73 × 10−6 | 1.73 × 10−6 | 4.45 × 10−5 | 4.29 × 10−6 | 1.25 × 10−2 |
| CEC3 | 2.22 × 10−4 | 1.73 × 10−6 | 2.35 × 10−6 | 2.35 × 10−6 | 1.73 × 10−6 | 1.73 × 10−6 | 2.60 × 10−5 | 2.13 × 10−6 | 4.07 × 10−2 |
| CEC4 | 1 | 1.22 × 10−4 | 1 | 3.13 × 10−2 | 1 | 1 | 2.50 × 10−1 | 1 | 1 |
| CEC5 | 4.72 × 10−2 | 1.73 × 10−6 | 1.73 × 10−6 | 1.73 × 10−6 | 1.73 × 10−6 | 1.73 × 10−6 | 1.73 × 10−6 | 1.73 × 10−6 | 1.64 × 10−5 |
| CEC6 | 2.61 × 10−4 | 1.73 × 10−6 | 4.29 × 10−6 | 3.18 × 10−6 | 1.73 × 10−6 | 1.73 × 10−6 | 8.92 × 10−5 | 1.73 × 10−6 | 1.36 × 10−4 |
| CEC7 | 4.11 × 10−3 | 1.73 × 10−6 | 1.73 × 10−6 | 1.73 × 10−6 | 1.73 × 10−6 | 1.73 × 10−6 | 1.73 × 10−6 | 1.92 × 10−6 | 9.32 × 10−6 |
| CEC8 | 2.70 × 10−2 | 1.73 × 10−6 | 1.73 × 10−6 | 1.73 × 10−6 | 1.73 × 10−6 | 1.73 × 10−6 | 1.73 × 10−6 | 1.73 × 10−6 | 6.87 × 10−2 |
| CEC9 | 2.58 × 10−3 | 1.24 × 10−5 | 1.73 × 10−6 | 2.88 × 10−6 | 1.73 × 10−6 | 1.73 × 10−6 | 3.72 × 10−5 | 1.92 × 10−6 | 1.11 × 10−3 |
| CEC10 | 2.80 × 10−1 | 4.73 × 10−6 | 1.73 × 10−6 | 1.92 × 10−6 | 1.73 × 10−6 | 1.73 × 10−6 | 3.82 × 10−1 | 1.73 × 10−6 | 6.73 × 10−1 |
| Algorithm | Ts | Th | R | L | Best Cost |
|---|---|---|---|---|---|
| MGTO | 0.7424 | 0.3702 | 40.3196 | 200.0000 | 5734.9132 |
| MGTOA [29] | 0.754363 | 0.366375 | 40.42809 | 198.5652 | 5752.402458 |
| EO [2] | 1.0480 | 0.5114 | 55.3848 | 60.6465 | 6470.6125 |
| HBA [28] | 1.2404 | 0.5844 | 65.2252 | 10.0000 | 7141.3612 |
| GWO [14] | 0.8125 | 0.4375 | 42.0984 | 176.6366 | 6059.7143 |
| HHO [18] | 1.2492 | 0.5810 | 65.2139 | 10.0487 | 7149.8665 |
| WOA [19] | 0.8125 | 0.4375 | 42.09845 | 176.6366 | 6059.714335 |
| MVO [3] | 1.2269 | 0.5928 | 64.3294 | 14.0578 | 7106.0065 |
| ACO [30] | 0.8125 | 0.4375 | 42.10362 | 176.7387 | 6059.0888 |
| NGO [31] | 0.7427 | 0.3708 | 40.3199 | 200.0000 | 5735.0462 |
| EROA [32] | 0.84343 | 0.400762 | 44.786 | 145.9578 | 5935.7301 |
| PSO [13] | 0.8861 | 0.4306 | 46.9699 | 124.3784 | 6024.2816 |
| Algorithm | Optimal Values for Variables | Optimal Weight | ||||||
|---|---|---|---|---|---|---|---|---|
| x1 | x2 | x3 | x4 | x5 | x6 | x7 | ||
| MGTO | 3.47641 | 0.7 | 17 | 7.3 | 7.8 | 3.3486 | 5.27678 | 2988.2713 |
| MDA [33] | 3.5 | 0.7 | 17 | 7.3 | 7.67039 | 3.54242 | 5.2481 | 3019.5833 |
| MFO [34] | 3.497455 | 0.7 | 17 | 7.82775 | 7.712457 | 3.351787 | 5.286352 | 2998.94083 |
| CS [35] | 3.5015 | 0.7 | 17 | 7.605 | 7.8181 | 3.352 | 5.2875 | 3000.981 |
| RSA [27] | 3.50279 | 0.7 | 17 | 7.30812 | 7.74715 | 3.35067 | 5.28675 | 2996.5157 |
| HS [36] | 3.520124 | 0.7 | 17 | 8.37 | 7.8 | 3.36697 | 5.288719 | 3029.002 |
| Algorithm | h | l | t | b | Best Weight |
|---|---|---|---|---|---|
| MGTO | 0.2057 | 3.2531 | 9.03662 | 0.2057 | 1.6952 |
| GTO [21] | 0.2094 | 3.21 | 8.9565 | 0.2094 | 1.7087 |
| WOA [19] | 0.20536 | 3.48293 | 9.03746 | 0.206276 | 1.730499 |
| ROA [16] | 0.200077 | 3.365754 | 9.011182 | 0.206893 | 1.706447 |
| GWO [14] | 0.205676 | 3.478377 | 9.03681 | 0.205778 | 1.72624 |
| GA [37] | 0.1829 | 4.0483 | 9.3666 | 0.2059 | 1.8242 |
| MFO [34] | 0.2057 | 3.4703 | 9.0364 | 0.2057 | 1.72452 |
| MVO [3] | 0.205463 | 3.473193 | 9.044502 | 0.205695 | 1.72645 |
| GSA [38] | 0.182129 | 3.856979 | 10 | 0.202376 | 1.879952 |
| TSA [39] | 0.24415 | 6.223 | 8.2955 | 0.2444 | 2.3824 |
| MROA [40] | 0.2062185 | 3.254893 | 9.020003 | 0.206489 | 1.699058 |
| Algorithm | d | D | V | Best Weight |
|---|---|---|---|---|
| MGTO | 0.05 | 0.37443 | 8.546566 | 0.009872 |
| SSA [41] | 0.051207 | 0.345215 | 12.00403 | 0.012676 |
| ES [9] | 0.051989 | 0.363965 | 10.89052 | 0.012681 |
| PSO [13] | 0.051728 | 0.357644 | 11.24454 | 0.012675 |
| EROA [32] | 0.053799 | 0.46951 | 5.811 | 0.010614 |
| HHO [18] | 0.051796 | 0.359305 | 11.13886 | 0.012665 |
| HS [36] | 0.051154 | 0.349871 | 12.07643 | 0.012671 |
| AO [42] | 0.0502439 | 0.35262 | 10.5425 | 0.011165 |
| DE [12] | 0.051609 | 0.354714 | 11.41083 | 0.01267 |
| Algorithm | Optimal Values for Variables | Optimum Weight | ||||
|---|---|---|---|---|---|---|
| x1 | x2 | x3 | x4 | x5 | ||
| MGTO | 6.0142 | 5.3107 | 4.4942 | 3.5010 | 2.15338 | 1.33995647611238 |
| WOA [19] | 5.1261 | 5.6188 | 5.0952 | 3.9329 | 2.3219 | 1.37873150673956 |
| BWO [43] | 6.2094 | 6.2094 | 6.2094 | 6.2094 | 6.2094 | 1.93736251728534 |
| PSO [13] | 6.0040 | 5.2950 | 4.4915 | 3.5125 | 2.1710 | 1.33998298081255 |
| GSA [38] | 5.6052 | 4.9553 | 5.6619 | 3.1959 | 3.2026 | 1.41155753917296 |
| ERHHO [44] | 6.0509 | 5.2639 | 4.514 | 3.4605 | 2.1878 | 1.3402 |
| SCA [6] | 5.1096 | 5.9911 | 5.0150 | 3.7095 | 3.2744 | 1.44143866919587 |
| Algorithm | Optimal Values for Variables | Optimum Weight | ||||
|---|---|---|---|---|---|---|
| x1 | x2 | x3 | x4 | x5 | ||
| MGTO | 70 | 90 | 1 | 600 | 2 | 0.235242 |
| TLBO [45] | 70 | 90 | 1 | 810 | 3 | 0.313656611 |
| WCA [46] | 70 | 90 | 1 | 910 | 3 | 0.313656 |
| SCA [6] | 69.516 | 90 | 1 | 1000 | 2 | 0.24019 |
| CMVO [47] | 70 | 90 | 1 | 910 | 3 | 0.313656 |
| MFO [34] | 70 | 90 | 1 | 910 | 3 | 0.313656 |
| Algorithm | MGTO | GTO [21] | ROA [16] | MPA [48] | SOA [17] | HHOCM [49] | MSCSO [50] | MALO [51] |
|---|---|---|---|---|---|---|---|---|
| x1 | 0.5 | 0.5 | 0.5 | 0.5 | 0.50063 | 0.500164 | 0.50011 | 0.5 |
| x2 | 1.2292 | 1.2607 | 1.22942 | 1.22823 | 1.25921 | 1.248612 | 1.22826 | 1.2281 |
| x3 | 0.5 | 0.5 | 0.5 | 0.5 | 0.5 | 0.659558 | 0.50001 | 0.5 |
| x4 | 1.20079 | 1.1495 | 1.21197 | 1.2049 | 1.26308 | 1.098515 | 1.20254 | 1.2126 |
| x5 | 0.5 | 0.6205 | 0.5 | 0.5 | 0.9377 | 0.757989 | 0.50019 | 0.5 |
| x6 | 1.07605 | 0.8860 | 1.37798 | 1.2393 | 1.11573 | 0.767268 | 1.05280 | 1.308 |
| x7 | 0.5 | 0.5 | 0.50005 | 0.5 | 0.5 | 0.500055 | 0.50002 | 0.5 |
| x8 | 0.345 | 0.34485 | 0.34489 | 0.34498 | 0.334889 | 0.343105 | 0.34499 | 0.3449 |
| x9 | 0.345 | 0.344608 | 0.19263 | 0.192 | 0.252275 | 0.192032 | 0.33595 | 0.2804 |
| x10 | 0.62110 | 6.202292 | 0.62239 | 0.44035 | 4.3435 | 2.898805 | 0.46117 | 0.4242 |
| x11 | 0.64810 | 7.3429 | - | 1.78504 | 16.2208 | - | 1.05012 | 4.6565 |
| Best Weight | 23.18916 | 23.4084 | 23.23544 | 23.19982 | 24.42114 | 24.48358 | 23.19085 | 23.2294 |
Disclaimer/Publisher’s Note: The statements, opinions and data contained in all publications are solely those of the individual author(s) and contributor(s) and not of MDPI and/or the editor(s). MDPI and/or the editor(s) disclaim responsibility for any injury to people or property resulting from any ideas, methods, instructions or products referred to in the content. |
© 2023 by the authors. Licensee MDPI, Basel, Switzerland. This article is an open access article distributed under the terms and conditions of the Creative Commons Attribution (CC BY) license (https://creativecommons.org/licenses/by/4.0/).
Share and Cite
You, J.; Jia, H.; Wu, D.; Rao, H.; Wen, C.; Liu, Q.; Abualigah, L. Modified Artificial Gorilla Troop Optimization Algorithm for Solving Constrained Engineering Optimization Problems. Mathematics 2023, 11, 1256. https://doi.org/10.3390/math11051256
You J, Jia H, Wu D, Rao H, Wen C, Liu Q, Abualigah L. Modified Artificial Gorilla Troop Optimization Algorithm for Solving Constrained Engineering Optimization Problems. Mathematics. 2023; 11(5):1256. https://doi.org/10.3390/math11051256
Chicago/Turabian StyleYou, Jinhua, Heming Jia, Di Wu, Honghua Rao, Changsheng Wen, Qingxin Liu, and Laith Abualigah. 2023. "Modified Artificial Gorilla Troop Optimization Algorithm for Solving Constrained Engineering Optimization Problems" Mathematics 11, no. 5: 1256. https://doi.org/10.3390/math11051256
APA StyleYou, J., Jia, H., Wu, D., Rao, H., Wen, C., Liu, Q., & Abualigah, L. (2023). Modified Artificial Gorilla Troop Optimization Algorithm for Solving Constrained Engineering Optimization Problems. Mathematics, 11(5), 1256. https://doi.org/10.3390/math11051256

