M-Polar Fuzzy Graphs and Deep Learning for the Design of Analog Amplifiers
Abstract
1. Introduction
2. Fuzzy Graphs Theory
2.1. Basic Concepts of Fuzzy Graphs
2.2. Products in m-Polar Fuzzy Graphs
2.2.1. Direct (Tensor) Product
2.2.2. Semi-Strong Product
2.2.3. Strong Product
2.2.4. Lexicographic Product
3. Deep Learning and Applications in Electronic Circuit Design
4. Proposed Method
- In the first stage, a dataset is prepared according to a predefined specification regarding the designed amplifier. All possible variants of the designed electronic circuit are found and membership functions of attributes are predicted through a deep learning algorithm.
- The second stage points out the suitable design solutions, considering the requested parameters, and after obtaining the membership values of vertices and edges, an m-polar fuzzy graph is constructed.
- In the third stage, the most suitable solutions are prioritized, finding the best one, according to the user’s specifications and certain requirements.
5. Experimentation and Results
5.1. Design of Inverting Summing Amplifier
5.2. Design of Subtracting Amplifier (Differential Amplifier)
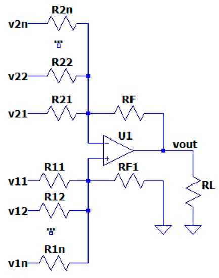
5.3. Summing and Subtracting Amplifier
6. Conclusions
- The synergetic combination of m-polar fuzzy graphs theory and DL leads to obtaining the most suitable solutions only in three stages, extremely reducing the number of repetitive tasks concerning the calculation of the values of designs’ attributes, their comparison, and design selection.
- DL is a suitable approach when expert opinion could be predicted and used for further analysis. In this work, the membership functions of attributes are predicted instead of the expert votes to be gathered. The created predictive models are evaluated, and it is proved that they are characterized with high precision since the obtained errors are very small: RMSE is from 0.0032 to 0.0187, AE is from 0.022 to 0.098, and RE is between 0.27% and 1.57%.
- Fuzzy graph construction gives a possibility for very fast finding the eligible designs, proposes apparatus for their prioritization, and an opportunity for reaching the best design according to a given predefined user specification.
Author Contributions
Funding
Data Availability Statement
Conflicts of Interest
References
- Palomera-Garcia, R. Revisiting Matrix Theory and Electric Circuit Analysis. 2007. Available online: https://www.ineer.org/Events/ICEE2007/papers/140.pdf (accessed on 1 December 2022).
- Mina, R.; Chadi, J.; Sakr, G.E. A Review of Machine Learning Techniques in Analog Integrated Circuit Design Automation. Electronics 2022, 11, 435. [Google Scholar] [CrossRef]
- Gao, Y.; He, J. An approach to reducing the time complexity of analog active circuit evolutionary design. In Proceedings of the 2015 11th International Conference on Natural Computation (ICNC), Zhangjiajie, China, 15–17 August 2015; pp. 1098–1102. [Google Scholar] [CrossRef]
- Zhang, X.; Xia, P.; He, J. Distributed Computation Framework for Circuit Evolutionary Design Under CS Network Architecture. In Proceedings of the 2018 IEEE 18th International Conference on Communication Technology (ICCT), Chongqing, China, 8–11 October 2018; pp. 232–236. [Google Scholar] [CrossRef]
- Chen, C.-H.; Yang, Y.-S.; Chen, C.-Y.; Hsieh, Y.-C.; Tsai, Z.-M.; Li, Y. Circuit-Simulation-Based Design Optimization of 3.5 GHz Doherty Power Amplifier via Multi-Objective Evolutionary Algorithm and Unified Optimization Framework. In Proceedings of the 2020 IEEE International Symposium on Radio-Frequency Integration Technology (RFIT), Hiroshima, Japan, 2–4 September 2020; pp. 76–78. [Google Scholar] [CrossRef]
- Fang, Y.; Pong, M.H. A Bayesian Optimization and Partial Element Equivalent Circuit Approach to Coil Design in Inductive Power Transfer Systems. In Proceedings of the 2018 IEEE PELS Workshop on Emerging Technologies: Wireless Power Transfer (Wow), Montreal, QC, Canada, 3–7 June 2018; pp. 1–5. [Google Scholar] [CrossRef]
- Lyu, W.; Yang, F.; Yan, C.; Zhou, D.; Zeng, X. Batch Bayesian Optimization via Multi-Objective Acquisition Ensemble for Automated Analog Circuit Design. In Proceedings of the 35th International Conference on Machine Learning, Stockholm, Sweden, 10–15 July 2018. [Google Scholar]
- Li, Q.; Shih, T.-Y. Non-Foster Matching Circuit Synthesis Using Artificial Neural Networks. In Proceedings of the 2021 IEEE Radio and Wireless Symposium (RWS), San Diego, CA, USA, 17–22 January 2021; pp. 11–13. [Google Scholar] [CrossRef]
- Xuefang, X.; Qinghao, Z.; Yun, L. The Fault Analysis of Analog Circuit Based on BP Neural Network. In Proceedings of the 2021 4th International Conference on Advanced Electronic Materials, Computers and Software Engineering (AEMCSE), Changsha, China, 26–28 March 2021; pp. 128–131. [Google Scholar] [CrossRef]
- Kaufman, A. Introduction à la Théorie des Sous-Ensembles flous à l’usage des Ingénieurs: Applications à la Linguistique, à la Logique et à la Sémantique; Masson et cie 1: Échandens, Switzerland, 1973. [Google Scholar]
- Rosenfield, A. Fuzzy graphs. In Fuzzy Sets and Their Application; Zadeh, L., Fu, K., Shimura, M., Eds.; Academic Press: New York, NY, USA, 1975; pp. 77–95. [Google Scholar]
- Yeh, R.; Bang, S. Fuzzy graphs, fuzzy relations, and their applications to cluster analysis. In Fuzzy Sets and Their Applications; Zadeh, L.A., Fu, K.S., Shimura, M., Eds.; Academic Press: New York, NY, USA, 1975; pp. 125–149. [Google Scholar]
- Samanta, S.; Pal, M. Fuzzy tolerance graphs. Int. J. Latest Trends Math. 2011, 1, 57–67. [Google Scholar]
- Samanta, S.; Pal, M. Fuzzy threshold graphs. CIIT Int. J. Fuzzy Syst. 2011, 3, 360–364. [Google Scholar]
- Pal, M.; Samanta, S.; Rashmanlou, H. Some results on interval-valued fuzzy graphs. Int. J. Comput. Sci. Electron. Eng. 2015, 3, 205–211. [Google Scholar]
- Pramanik, T.; Samanta, S.; Pal, M. Interval-valued fuzzy planar graphs. Int. J. Mach. Learn. Cybern. 2016, 7, 653–664. [Google Scholar] [CrossRef]
- Rashmanlou, H.; Pal, M. Balanced interval-valued fuzzy graphs. J. Phys. Sci. 2013, 17, 43–57. [Google Scholar]
- Samanta, S.; Pal, M. Fuzzy k-competition graphs and p-competition fuzzy graphs. Fuzzy Inform. Eng. 2013, 5, 191–204. [Google Scholar] [CrossRef]
- Samanta, S.; Akram, M.; Pal, M. M-step fuzzy competition graphs. J. Appl. Math Comput. 2015, 47, 461–472. [Google Scholar] [CrossRef]
- Javaid, M.; Kashif, A.; Rashid, T. Hesitant Fuzzy Graphs and Their Products. Fuzzy Inf. Eng. 2020, 12, 238–252. [Google Scholar] [CrossRef]
- Zhang, W. Bipolar fuzzy sets and relations: A computational framework for cognitive modeling and multiagent decision analysis. In Proceedings of the First International Joint Conference of The North American Fuzzy Information Processing Society Biannual Conference. The Industrial Fuzzy Control and Intellige, San Antonio, TX, USA, 18–21 December 1994; pp. 305–309. [Google Scholar]
- Zhang, W. Bipolar fuzzy sets. In Proceedings of the 1998 IEEE International Conference on Fuzzy Systems Proceedings. IEEE World Congress on Computational Intelligence, Anchorage, AK, USA, 4–9 May 1998; pp. 835–840. [Google Scholar]
- Akram, M. Bipolar fuzzy graphs. Inf. Sci. 2011, 181, 5548–5564. [Google Scholar] [CrossRef]
- Chen, J.; Li, S.; Ma, S.; Wang, X. M-polar fuzzy sets: An extension of bipolar fuzzy sets. Sci. World J. 2014, 2014, 416530. [Google Scholar] [CrossRef] [PubMed]
- Ghorai, G.; Pal, M. A Study on m-polar Fuzzy Planar Graphs. Int. J. Comput. Sci. Math. 2016, 7, 283–292. [Google Scholar] [CrossRef]
- Ghorai, G.; Pal, M. On some operations and density of m-polar fuzzy graphs. Pac. Sci. Rev. A Nat. Sci. Eng. 2015, 17, 14–22. [Google Scholar] [CrossRef]
- Ghorai, G.; Pal, M. Some isomorphic properties of m-polar fuzzy graphs with applications. Springer Plus 2016, 5, 2104. [Google Scholar] [CrossRef]
- Akram, M.; Akmal, R.; Alshehri, N. On m polar fuzzy graph structures. Springer Plus 2016, 5, 1448. [Google Scholar] [CrossRef]
- Mahapatra, T.; Pal, M. An investigation on m-polar fuzzy tolerance graph and its application. Neural Comput. Appl. 2022, 34, 3007–3017. [Google Scholar] [CrossRef]
- Akram, M. M-Polar Fuzzy Graphs, Theory, Methods & Applications; Springer Nature Switzerland AG: Cham, Switzerland, 2019. [Google Scholar]
- Pal, M.; Samanta, S.; Ghorai, G. Modern Trends in Fuzzy Graph Theory; Springer Nature Singapore Pte Ltd.: Singapore, 2020. [Google Scholar]
- Mathew, S.; Mordeson, J.; Malik, D. Fuzzy Graph Theory; Springer International Publishing: Cham, Switzerland, 2018. [Google Scholar]
- AL-Hawary, T. Complete fuzzy graphs. Int. J. Math. Comb. 2011, 4, 26–34. [Google Scholar]
- Bera, S.; Pal, M. On m-Polar Interval-valued Fuzzy Graph and its Application. Fuzzy Inf. Eng. 2020, 12, 71–96. [Google Scholar] [CrossRef]
- Akram, M.; Sarwar, M. Novel applications of m-polar fuzzy competition graphs in decision support system. Neural Comput. Applic 2018, 30, 3145–3165. [Google Scholar] [CrossRef]
- Nosratabadi, S.; Mosavi, A.; Keivani, R.; Ardabili, S.; Aram, F. State of the Art Survey of Deep Learning and Machine Learning Models for Smart Cities and Urban Sustainability. In Engineering for Sustainable Future; Várkonyi-Kóczy, A., Ed.; Inter-Academia 2019; Lecture Notes in Networks and Systems; Springer: Cham, Switzerland, 2020; Volume 101. [Google Scholar]
- Alom, M.Z.; Taha, T.M.; Yakopcic, C.; Westberg, S.; Sidike, P.; Nasrin, M.S.; Asari, V.K. State-of-the-Art Survey on Deep Learning Theory and Architectures. Electronics 2019, 8, 292. [Google Scholar] [CrossRef]
- Dieste-Velasco, M.I.; Diez-Mediavilla, M.; Alonso-Tristán, C. Regression and ANN Models for Electronic Circuit Design. Complexity 2018, 2018, 7379512. [Google Scholar] [CrossRef]
- Devi, S.; Tilwankar, G.; Zele, R. Automated Design of An[alog Circuits using Machine Learning Techniques. In Proceedings of the 2021 25th International Symposium on VLSI Design and Test (VDAT), Surat, India, 16–18 September 2021; pp. 1–6. [Google Scholar] [CrossRef]
- Wang, Z.; Luo, X.; Gong, Z. Application of Deep Learning in Analog Circuit Sizing. In Proceedings of the 2018 2nd International Conference on Computer Science and Artificial Intelligence, Shenzhen, China, 8–10 December 2018; pp. 571–575. [Google Scholar] [CrossRef]
- Hasani, R.M.; Haerle, D.; Baumgartner, C.F.; Lomuscio, A.R.; Grosu, R. Compositional neural-network modeling of complex analog circuits. In Proceedings of the 2017 International Joint Conference on Neural Networks (IJCNN), Anchorage, AK, USA, 14–19 May 2017; pp. 2235–2242. [Google Scholar] [CrossRef]
- Dutta, R.; James, A.; Raju, S.; Jeon, Y.J.; Foo, C.S.; Chai, K.T.C. Automated Deep Learning Platform for Accelerated Analog Circuit Design. In Proceedings of the 2022 IEEE 35th International System-on-Chip Conference (SOCC), Belfast, UK, 16 May 2022; pp. 1–5. [Google Scholar] [CrossRef]
- Budak, A.F.; Gandara, M.; Shi, W.; Pan, D.Z.; Sun, N.; Liu, B. An Efficient Analog Circuit Sizing Method Based on Machine Learning Assisted Global Optimization. IEEE Trans. Comput.-Aided Des. Integr. Circuits Syst. 2022, 41, 1209–1221. [Google Scholar] [CrossRef]
- Ivanova, M. Analog Electronics; Technical University of Sofia: Sofia, Bulgaria, 2020; ISBN 978-619-167-423-7. (In Bulgarian) [Google Scholar]
- Kuehl, T. Top Questions on Op Amp Power Dissipation—Part 2; Texas Instruments: Dallas, TX, USA, 2014; Available online: https://e2e.ti.com/blogs_/archives/b/precisionhub/posts/top-2-questions-on-op-amp-power-dissipation-part-2 (accessed on 1 December 2022).
- Texas Instruments. OPAx322x 20-MHz, Low-Noise, 1.8-V, RRI/O, CMOS Operational Amplifier with Shutdown; Texas Instruments: Dallas, TX, USA, 2016; Available online: https://www.ti.com/lit/ds/symlink/opa322.pdf?ts=1673723341954&ref_url=https%253A%252F%252Fwww.ti.com%252Fproduct%252FOPA322 (accessed on 1 December 2022).















| S | |||||||||
|---|---|---|---|---|---|---|---|---|---|
| 60 | 20 | 10 | 0.01 | 0.01 | 0.09 | 10 | 10.511 | 0.999 | |
| 60 | 20 | 10 | 0.05 | 0.01 | 0.21 | 10 | 10.590 | 0.992 | |
| 60 | 20 | 10 | 0.1 | 0.01 | 0.36 | 10 | 10.684 | 0.983 | |
| 60 | 20 | 10 | 0.15 | 0.01 | 0.51 | 10 | 10.772 | 0.975 | |
| 60 | 20 | 10 | 0.2 | 0.01 | 0.66 | 10 | 10.855 | 0.968 | |
| … | … | … | … | … | … | … | … | … |
| 0.1 | 0.1 | 0.1 | 1 | 1 | 1 | 0.4 | 0.999 | |
| 0.12 | 0.12 | 0.12 | 1 | 1 | 1 | 0.4 | 0.999 | |
| 0.1 | 0.1 | 0.1 | 1 | 1 | 1 | 0.4 | 0.999 | |
| 0.1 | 0.1 | 0.1 | 1 | 1 | 1 | 0.444 | 0.999 | |
| 0.1 | 0.1 | 0.1 | 1 | 1 | 1 | 0.4 | 0.999 | |
| … | … | … | … | … | … | … | … | … |
| 1 | 1 | 0.222 | 0.3 | 1 | 1 | 1 | 1 | |
| 1 | 1 | 0.25 | 0.333 | 1 | 1 | 1 | 1 | |
| 1 | 1 | 0.285 | 0.375 | 1 | 1 | 1 | 1 | |
| 1 | 1 | 0.333 | 0.428 | 1 | 1 | 1 | 1 | |
| 1 | 1 | 0.4 | 0.5 | 1 | 1 | 1 | 1 | |
| 1 | 1 | 0.5 | 0.6 | 1 | 1 | 1 | 1 | |
| 1 | 1 | 0.666 | 0.75 | 1 | 1 | 1 | 1 | |
| … | … | … | … | … | … |
Disclaimer/Publisher’s Note: The statements, opinions and data contained in all publications are solely those of the individual author(s) and contributor(s) and not of MDPI and/or the editor(s). MDPI and/or the editor(s) disclaim responsibility for any injury to people or property resulting from any ideas, methods, instructions or products referred to in the content. |
© 2023 by the authors. Licensee MDPI, Basel, Switzerland. This article is an open access article distributed under the terms and conditions of the Creative Commons Attribution (CC BY) license (https://creativecommons.org/licenses/by/4.0/).
Share and Cite
Ivanova, M.; Durcheva, M. M-Polar Fuzzy Graphs and Deep Learning for the Design of Analog Amplifiers. Mathematics 2023, 11, 1001. https://doi.org/10.3390/math11041001
Ivanova M, Durcheva M. M-Polar Fuzzy Graphs and Deep Learning for the Design of Analog Amplifiers. Mathematics. 2023; 11(4):1001. https://doi.org/10.3390/math11041001
Chicago/Turabian StyleIvanova, Malinka, and Mariana Durcheva. 2023. "M-Polar Fuzzy Graphs and Deep Learning for the Design of Analog Amplifiers" Mathematics 11, no. 4: 1001. https://doi.org/10.3390/math11041001
APA StyleIvanova, M., & Durcheva, M. (2023). M-Polar Fuzzy Graphs and Deep Learning for the Design of Analog Amplifiers. Mathematics, 11(4), 1001. https://doi.org/10.3390/math11041001

