Study on the Stiffness and Dynamic Characteristics of a Bridge Approach Zone: Tests and Numerical Analyses
Abstract
:1. Introduction
2. Experiments
2.1. Trial Run Test
2.2. Indoor Parameter Experiments
2.3. In Situ Wave Velocity Testing
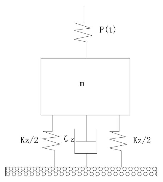
2.4. In-Situ Excitation Experiment
3. Numerical Modelling
3.1. Dynamics Fundamentals
3.2. Modeling of Train Load
3.3. Track and Subgrade
3.4. Establishment of Multi-Point Constraint Equations
- (1)
- Offset connection between beam axis and spring element
- (2)
- Offset connection between spring element and shell element

4. Comparison between Experimental Results and Numerical Modelling
4.1. Time–History Curves
4.2. Frequency Domain
4.3. Comparison with Test Results
4.4. Comparison of Different Modeling Methods
5. Discussion
5.1. Variation Law of Stiffness along the Transition Section
5.2. Analysis of the Influence of Transition Section Stiffness on Roadbed Dynamics
6. Conclusions
- (1)
- The calculated results of the time–history characteristics and dynamic changes along the longitudinal direction coincided with the test results, with the calculated and test natural frequencies determined as 21.46 Hz and 21 Hz (20 Hz or 22 Hz), respectively. This proves the reliability of the dynamic calculation model.
- (2)
- The difference between the wheel–rail force determined by the measured rail acceleration and the vertical wheel–rail force measured via ASTRI was less than 10%. This indicates that the is model more effective than establishing a whole vehicle-track-subgrade system.
- (3)
- The spring-damping and shell elements can simulate the damping property of the CA mortar better than the shell and board elements. Each type of element established and solved by the multi-point constraint equations produced strong connections and eliminated the additional stress generated using conventional methods.
- (4)
- The viscoelastic artificial boundary-processing methods reduced the model size to one fifth of that of the model with fixed boundaries, and the calculation results were also closer to the test result than the calculation results with the fixed boundaries.
- (5)
- The numerical analysis shows that, under the train load, the vertical dynamic response at different depths of the same section is mainly attenuated from the surface of the bed to the bottom. Furthermore, the influence of the train load on the embankment is primarily reflected in the upper part of the structure. Consequently, the subgrade bed structure must be strengthened to ensure an effective HSR performance.
Author Contributions
Funding
Data Availability Statement
Conflicts of Interest
References
- Moliner, E.; Martínez-Rodrigo, M.D.; Museros, P. Dynamic performance of existing double track railway bridges at resonance with the increase of the operational line speed. Eng. Struct. 2017, 132, 98–109. [Google Scholar] [CrossRef]
- Shan, Y.; Shu, Y.; Zhou, S. Finite-infinite element coupled analysis on the influence of material parameters on the dynamic properties of transition zones. Constr. Build. Mater. 2017, 148, 548–558. [Google Scholar] [CrossRef]
- Shan, Y.; Albers, B.; Savidi, S.A. Influence of different transition zones on the dynamic response of track-subgrade systems. Comput. Geotech. 2013, 48, 21–28. [Google Scholar] [CrossRef]
- Bian, X.; Jiang, H.; Chang, C.; Hu, J.; Chen, Y. Track and ground vibrations generated by high-speed train running on ballastless railway with excitation of vertical track irregularities. Soil Dyn. Earthq. Eng. 2015, 76, 29–43. [Google Scholar] [CrossRef]
- Ribeiro, C.A.; Calçada, R.; Delgado, R. Experimental assessment of the dynamic behaviour of the train-track system at a culvert transition zone. Eng. Struct. 2017, 138, 215–228. [Google Scholar] [CrossRef]
- Zhai, W. Train-Rail Coupling Dynamics, 4th ed.; Railway Press: Beijing, China, 2016. [Google Scholar]
- Bebianoa, R.; Calçadab, R.; Camotima, D.; Silvestre, N. Dynamic analysis of high-speed railway bridge decks using generalised beam theory. Thin-Walled Struct. 2017, 114, 22–31. [Google Scholar] [CrossRef]
- Sheng, X.; Zhon, T.; Li, Y. Vibration and sound radiation of slab high-speed railway tracks subject to a moving harmonic load. J. Sound Vib. 2017, 395, 160–186. [Google Scholar] [CrossRef]
- Chai, J.C.; Shrestha, S.; Hino, T.; Ding, W.Q.; Kamo, Y.; Carter, J. 2D and 3D Analyses of an Embankment on Clay Improved by Soil-Cement Columns. Comput. Geotech. 2015, 68, 28–37. [Google Scholar] [CrossRef]
- Berggren, E. Railway Track Stiffness. Dynamic Measurements and Evaluation for Efficient Maintenance. Division of Rail Vehicles; Royal Institute of Technology (KTH): Stockholm, Sweden, 2009. [Google Scholar]
- TB10102-2010; Code for Soil Test of Railway Engineering. China Railway Publishing House: Beijing, China, 2010.
- Madshus, C.; Kaynia, A.M. High-speed railway lines on soft ground: Dynamic behaviour at critical train speed. J. Sound Vib. 2000, 231, 689–701. [Google Scholar] [CrossRef]
- Galvín, P.; Domínguez, J. Experimental and numerical analyses of vibrations induced by high-speed trains on the Córdoba-Málaga line. Soil Dyn. Earthq. Eng. 2009, 29, 641–657. [Google Scholar] [CrossRef]
- Costa, P.A.; Calçada, R.; Cardoso, A.S. Track-ground vibrations induced by railway traffic: In-situ measurements and validation of a 2.5D FEM-BEM model. Soil Dyn. Earthquak Eng. 2012, 32, 111–128. [Google Scholar] [CrossRef]
- Shan, Y.; Zhou, S.; Shu, Y. Differential Settlement and Soil Dynamic Stress of a Culvert-embankment Transition Zone Due to an Adjacent Shield Tunnel Construction. KSCE J. Civ. Eng. 2018, 22, 2325–2333. [Google Scholar] [CrossRef]
- Hu, P.; Zhang, C.; Chen, S.; Wang, Y.; Wang, W.; Duan, W. Dynamic responses of bridge–embankment transitions in high speed railway: Field tests and data analyses. Eng. Struct. 2018, 175, 565–576. [Google Scholar] [CrossRef]
- Dürrwang, R.; Hotz, C.; Schulz, G. Erfahrungen mit dem Erdbaukonzept ARCADIS-Messungen unter Verkehr. EI-Der Eisenbahningenieur 2005, 1, 24–31. [Google Scholar]
- Bonopera, M.; Liao, W.C.; Perceka, W. Experimental-theoretical investigation of the short-term vibration response of uncracked prestressed concrete members under long-age conditions. Structures 2022, 35, 260–273. [Google Scholar] [CrossRef]
- Wang, T.H.; Huang, R.; Wang, T.W. The variation of flexural rigidity for post-tensioned prestressed concrete beams. J. Mar. Sci. Technol. 2013, 21, 300–308. [Google Scholar]
- Heydari-Noghabi, H.; Varandas, J.N.; Esmaeili, M.; Zakeri, J. Investigating the Influence of Auxiliary Rails on Dynamic Behavior of Railway Transition Zone by a 3D Train-Track Interaction Model. Lat. Am. J. Solids Struct. 2017, 14, 2000–2018. [Google Scholar] [CrossRef]
- Fu, Q.; Wu, Y. Three-dimensional finite element modelling and dynamic response analysis of track-embankment-ground system subjected to high-speed train moving loads. Geomech. Eng. 2019, 19, 241–254. [Google Scholar]
- Germonpré, M.; Degrande, G.; Lombaert, G. A track model for railway-induced ground vibration resulting from a transition zone. Proc. Inst. Mech. Eng. Part F J. Rail Rapid Transit 2018, 232, 1703–1717. [Google Scholar] [CrossRef]
- Chen, M.; Sun, Y.; Zhai, W. High efficient dynamic analysis of vehicle-track-subgrade vertical interaction based on Green function method. Vechicle Syst. Dyn. 2019, 58, 1076–1100. [Google Scholar] [CrossRef]
- GB/T 50269-2015; Code for Measurement Methods of Dynamic Properties of Subsoil. Planning Press: Beijing, China, 2015. (In Chinese)
- Li, D.; Davis, D. Transition of railroad bridge approaches. J. Geotech. Geoenviron. Eng. ASCE 2005, 131, 1392–1398. [Google Scholar] [CrossRef]
- Nakasone, Y.; Yoshimoto, S.; Stolarski, T.A. Engineering Analysis with ANSYS; Elsevier: Amsterdam, The Netherlands, 2011; 480p. [Google Scholar]
- Dewu, L. A deterministic analysis of dynamic train loading. J. Gansu Sci. 1998, 10, 25–29. (In Chinese) [Google Scholar]
- Sun, S.C. Theoretical Research on Wheel/Rail Contact Force Identification and Its Application. Ph.D. Thesis, Railway Academy, Beijing, China, 2016. (In Chinese). [Google Scholar]
- Hu, P.; Zhang, C.; Wen, S.; Wang, Y. Dynamic responses of high-speed railway transition zone with various subgrade fillings. Comput. Geotech. 2019, 108, 17–26. [Google Scholar] [CrossRef]
- TB 10001—2016; National Railway Administration of the People’s Republic of China. Code for Design of Railway Earth Structure. Railway Publishing House: Beijing, China, 2017.





















| Section | Filling Material | Depth (m) | Vcp/Vdp (m/s) | Vcs/Vds (m/s) | μc/μd | Ecd/Edd (MPa) | Gcd/Gdd (MPa) |
|---|---|---|---|---|---|---|---|
| +853 | A | 0.2 | 968.2/948.2 | 520.1/510.1 | 0.297/0.296 | 1824.8/1754.1 | 703.3/676.6 |
| B | 1.2 | 659.4/633.0 | 320.3/305.0 | 0.346/0.349 | 678.0/617.3 | 252.4/228.8 | |
| 2.2 | 606.1/586.0 | 319.0/300.0 | 0.308/0.322 | 655.8/585.6 | 250.3/221.4 | ||
| C | 3.2 | 620.6/607.0 | 322.6/312.0 | 0.315/0.320 | 574.7/539.9 | 218.5/204.4 | |
| 4.2 | 593.3/580.5 | 287.8/282.7 | 0.346/0.345 | 468.3/451.3 | 173.9/167.8 | ||
| 5.2 | 591.8/573.6 | 265.6/260.3 | 0.374/0.370 | 407.1/390.0 | 148.1/142.3 | ||
| +880 | A | 0.2 | 944.0/929.3 | 526.4/519.2 | 0.274/0.273 | 1837.8/1784.6 | 720.5/700.9 |
| B | 1.2 | 636.7/623.2 | 325.3/319.3 | 0.323/0.322 | 689.0/663.1 | 260.3/250.8 | |
| 2.2 | 663.2/654.6 | 342.4/338.5 | 0.318/0.317 | 760.4/742.7 | 288.4/281.9 | ||
| C | 3.2 | 620.0/605.5 | 307.5/300.8 | 0.337/0.336 | 530.9/507.8 | 198.6/190.0 | |
| 4.2 | 656.7/640.8 | 323.0/315.9 | 0.340/0.339 | 587.4/561.4 | 219.1/209.6 | ||
| 5.2 | 630.4/618.7 | 316.3/311.9 | 0.332/0.330 | 559.6/543.36 | 210.1/204.3 | ||
| +887 | A | 0.2 | 975.3/961.8 | 535.9/529.2 | 0.284/0.283 | 1917.1/1868.3 | 746.7/728.1 |
| 1.2 | 1004.7/991.9 | 545.6/539.5 | 0.291/0.290 | 1998.2/1952.3 | 774.0/756.8 | ||
| 2.2 | 998.8/978.5 | 553.6/544.8 | 0.278/0.275 | 2037.1/1968.4 | 796.8/771.7 |
| Sections | DK1252 + 887 | DK1252 + 880 | DK1252 + 866 | DK1252 + 853 |
|---|---|---|---|---|
| Kx (kN/mm) | 152.5 | 123.8 | 113.5 | 100.5 |
| Damping ratio | 0.057 | 0.066 | 0.085 | 0.092 |
| Parameters | Elastic Modulus E (GPa) | Poisson’s Ratio ν | Density ρ (kg/m3) | Internal Friction Angle Φ (°) | Cohesion C (MPa) | Elastic Modulus (N/m3) | Damping (N•s/m2) | |
|---|---|---|---|---|---|---|---|---|
| Structure and Material | ||||||||
| Rail | 210 | 0.3 | 7800 | 4.5 × 105 | ||||
| Track plate (C50) | 35.0 | 0.1667 | 3000 | |||||
| CA motor layer | 0.095 | 0.40 | 1800 | 1.25 × 109 | 8.3 × 104 | |||
| C20 concrete | 24.0 | 0.20 | 2700 | |||||
| Graded crushed stone + 5% cement | 1.89 * | 0.284 * | 2600 * | 40.0 * | 0.18 * | |||
| Graded crushed stone | 0.674 * | 0.326 * | 2560 * | 39.5 * | 0.16 * | |||
| A, B group filling | 0.510 * | 0.340 * | 2477 * | 41.8 * | 0.2 * | |||
| CFG Pile | 0.534 | 0.24 | 2300 | |||||
| Position | Transition Section | Embankment |
|---|---|---|
| Deterministic method (kN) | 63 | 57 |
| Test results of ASTRI (kN) | 65.5 | 63.3 (curved embankment) |
| Percentage difference (%) | 3.8% | 9.9% |
| Structures | Element | Dimensions and Others |
|---|---|---|
| Rail | BEAM188 | The length of the bridge approach is 58.2 m, the length of the bridge pier is 6.0 m, the track gauge is 1.435 m, and the spacing between fasteners is 0.6 m. |
| Fasteners and sub-track rubber cushion | Spring and damping element COMBIN14 | The distance between the track board and the top surface of the track is 212 mm, with a track height of 174 mm, a thickness of 2 mm for the iron pad under the track and a thickness of 10 mm for the rubber pad under the track |
| Track plate (C50) | Shell element SHELL143 | The surface of the track board is convex and concave ribbed, with a length of 5000 mm, a width of 2340 mm, a thickness of 190 mm, a notch radius of 280 mm, a protective layer thickness of 20 mm. |
| CA motor layer | Shell element SHELL143 and a spring damping element | Inject material CA under the board, with a mortar layer thickness of 0.05 m and a width of 2.34 m. |
| C20 concrete | Solid element SOLID45 | Take half of the road width, 4.3 + 2.5 = 6.8 m, with a thickness of 0.3 m |
| Bed surface | Solid element SOLID45 | Take half the road width, with an upper width of 4.3 + 2.5 = 6.8 m, a lower width of 0.6 + 4.3 + 2.5 = 7.4 m, and a thickness of 0.4 m |
| Bed Bottom | Solid element SOLID45 | The slope ratio of the roadbed slope is 1:1.5, taking half of the road width, with a thickness of 0.75 m. The upper width is 0.6 + 4.3 + 2.5 = 7.4 m, and the lower width is 1.125 + 0.6 + 4.3 + 2.5 = 8.525 m |
| Test Methods | Test Section | Natural Frequency/Hz | Maximum Relative Error |
|---|---|---|---|
| Excitation method | DK1252 + 853 | 20 | 10% |
| Pulse method | DK1252 + 887 | 21 | 5% |
| DK1252 + 880 | 22 |
| Index | Bridge | Subgrade | Multiple | Rate of Change |
|---|---|---|---|---|
| Comprehensive deformation modulus | 2001.16 MPa | 605.55 MPa | 3.3 | 41 MPa/m |
| Rigid by test | 152.72 kN/mm | 100.5 kN/mm | 1.52 | 1.53 kN/mm/m |
| Rigid by simulation | 150 kN/mm | 95 kN/mm | 1.58 | 1.18 kN/mm/m |
| Stiffness Ration | Acceleration/m/s2 | Stress/kPa | Displacement/mm | ||||
|---|---|---|---|---|---|---|---|
| 1:1.5 | 279.33 | 2.01 | 10.84 | 9.99 | 4.32 | 1.72 | 0.045 |
| 1:3.3 | 279.28 | 1.86 | 11.17 | 10.09 | 4.34 | 1.72 | 0.043 |
| 1:6 | 279.30 | 1.87 | 11.42 | 10.16 | 4.38 | 1.72 | 0.043 |
| 1:9 | 279.29 | 1.91 | 11.39 | 9.99 | 4.39 | 1.72 | 0.043 |
Disclaimer/Publisher’s Note: The statements, opinions and data contained in all publications are solely those of the individual author(s) and contributor(s) and not of MDPI and/or the editor(s). MDPI and/or the editor(s) disclaim responsibility for any injury to people or property resulting from any ideas, methods, instructions or products referred to in the content. |
© 2023 by the authors. Licensee MDPI, Basel, Switzerland. This article is an open access article distributed under the terms and conditions of the Creative Commons Attribution (CC BY) license (https://creativecommons.org/licenses/by/4.0/).
Share and Cite
Hu, P.; Liu, W.; Liu, H.; Wu, L.; Wang, Y.; Guo, W. Study on the Stiffness and Dynamic Characteristics of a Bridge Approach Zone: Tests and Numerical Analyses. Mathematics 2023, 11, 4202. https://doi.org/10.3390/math11194202
Hu P, Liu W, Liu H, Wu L, Wang Y, Guo W. Study on the Stiffness and Dynamic Characteristics of a Bridge Approach Zone: Tests and Numerical Analyses. Mathematics. 2023; 11(19):4202. https://doi.org/10.3390/math11194202
Chicago/Turabian StyleHu, Ping, Wei Liu, Huo Liu, Leixue Wu, Yang Wang, and Wei Guo. 2023. "Study on the Stiffness and Dynamic Characteristics of a Bridge Approach Zone: Tests and Numerical Analyses" Mathematics 11, no. 19: 4202. https://doi.org/10.3390/math11194202
APA StyleHu, P., Liu, W., Liu, H., Wu, L., Wang, Y., & Guo, W. (2023). Study on the Stiffness and Dynamic Characteristics of a Bridge Approach Zone: Tests and Numerical Analyses. Mathematics, 11(19), 4202. https://doi.org/10.3390/math11194202
