Mathematical Modeling the Performance of an Electric Vehicle Considering Various Driving Cycles
Abstract
1. Introduction
- to develop a complex mathematical model of the system of traction electrical equipment, for a qualitative and quantitative assessment of the charge–discharge modes of the battery;
- to analyze the operating modes of the battery using mathematical and simulation modeling, as part of the traction electrical equipment system of an electric vehicle; determine the thermal conditions of the battery, using simulation modeling of charge–discharge modes, with intensive movement of the electric vehicle;
- to develop methods for determining resource characteristics based on the operating cycles of electric vehicles.
- parallel—they combine the operation of electric and gasoline engines and allow the battery to be charged from the network;
- series-parallel—capable of operating as both serial and parallel hybrid vehicles with an electric motor as the main drive;
- sequential (REEV/REX)—electric vehicles with an increased range. In this type of hybrid, the car is always powered by an electric motor that is powered directly from the battery, but the battery itself is charged while driving by the built-in fuel generator;
- fully electric vehicles (EV/BEV) and fuel cell vehicles (FCV), which include an electrochemical generator to convert hydrogen into electrical energy.
1.1. Cycles of Movement of an Electric Vehicle for Mathematical Modeling of Energy Characteristics
1.2. Model Range of Electric Vehicles and Parameters of Mathematical Modeling
1.3. Features of the Choice of Driving Cycles for Mathematical Modeling of Battery Operating Parameters
2. Materials and Methods
- Development of a mathematical model for studying the range of an electric vehicle, taking into account four driving cycles, in which the lengths of cycles and the forces acting on the electric vehicle are determined.
- Creation of a mathematical model for calculating the forces of resistance to movement was carried out taking into account the efficiency of the electric motor. Then, on its basis, the determination of the energy consumption of an electric vehicle.
- Conduct of a simulation of the study of cycles of movement of an electric vehicle on the presented model and performance of a mathematical assessment of the battery life based on the simulation results.
- Formulation of recommendations for developers of mathematical software for the microcontroller for controlling the electric vehicle charging battery, which would allow the control of the electric vehicle to be adjusted in Eco mode, taking into account the efficient energy consumption of the electric vehicle and saving battery life.
2.1. Canned Cycles for Power Reserve Research
2.2. Calculation of the Characteristics of an Electric Vehicle
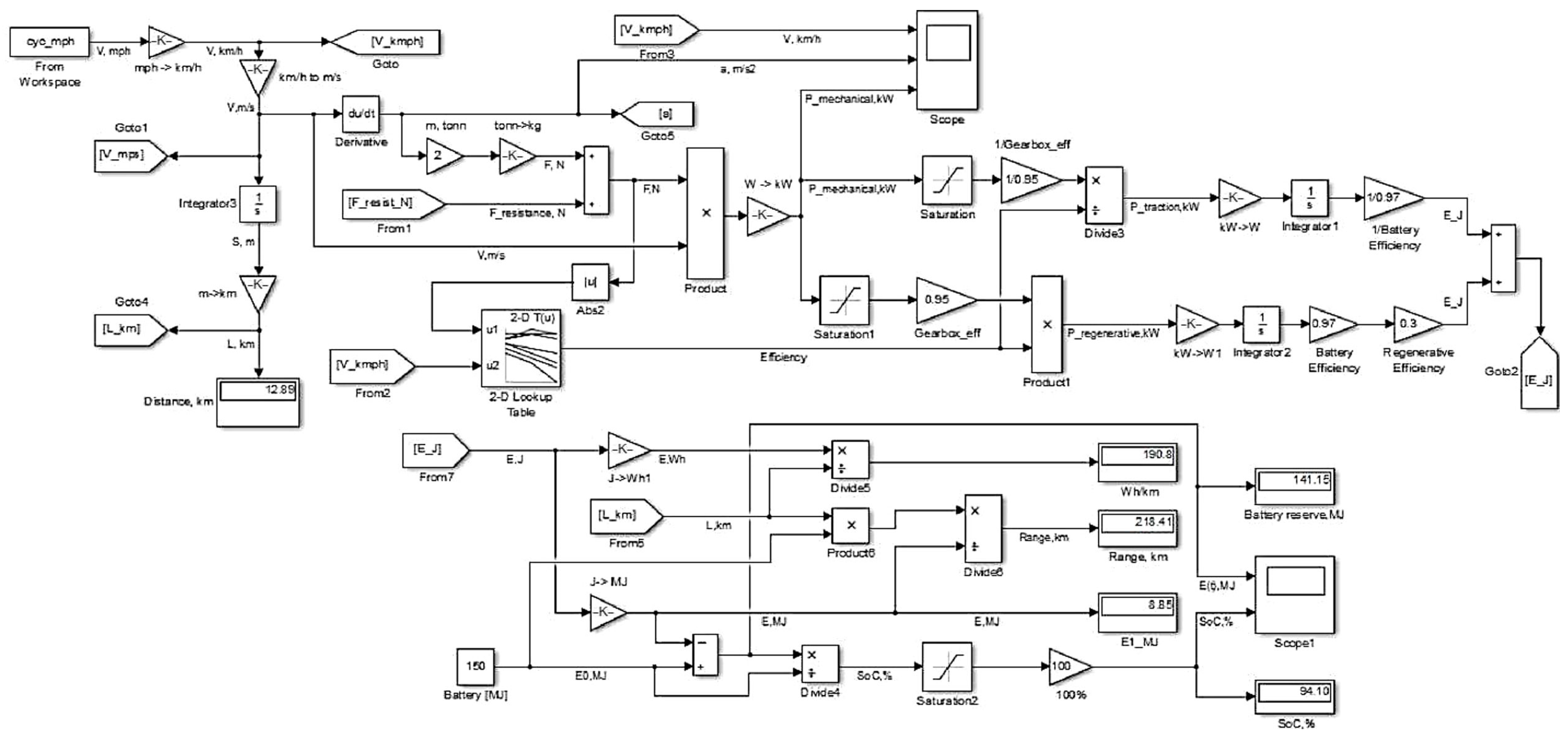
2.3. Model Structure
- Specific energy consumption per cycle, Wh/km;
- Range of the electric vehicle, determined by Expression (17), km;
- Energy consumption per cycle, MJ;
- Remaining battery charge, MJ;
- SoC batteries, %.
3. Results and Discussion
3.1. Simulation Results
- V(t), m/s—the investigated cycle of movement;
- a(t), m/s2—changes in the acceleration of the electric vehicle during the cycle;
- P(t), W—consumed mechanical power from cycle time;
- E(t), MJ—current energy supply;
- SoC, %—the degree of battery charge.
3.2. Battery Life Estimation Based on Simulation Results
3.3. Verification and Limitations of the Mathematical Model of the Traction Electrical Equipment System
- Low performance of electric vehicles in general, including the life of traction batteries, significant limited autonomous driving compared to vehicles based on internal combustion engines, the continued high cost of batteries, limited introduction of a charging infrastructure, and deterioration in efficient operation at low ambient temperatures environment.
- The braking control system increases the moment of resistance on the motor shaft if the vehicle speed is higher than the speed in a given driving cycle. The model is necessary when comparing the results according to the test protocol. In addition to the standard braking system, the electric vehicle uses regenerative braking. The energy obtained from generating the braking torque of the electric motor is used to charge the battery. However, in the case when the battery is fully charged and cannot receive energy, the regenerative torque must be limited using the standard braking system. The efficiency and consumption of electrical energy, as well as the efficiency of recuperation, depend on the ratio of the mechanical brake system and the electric one.
4. Conclusions
- The US06 maximum speed cycle provides the smallest EV range. High energy consumption is mainly associated with country driving at speeds above 100 km/h.
- Cycles JC08 and NEDC have similar developed speeds in urban conditions; however, in NEDC there is a phase of suburban traffic and due to the higher speed, the electric vehicle covers a greater distance in equal time compared to JC08. In this case, the NEDC cycle is the least dynamic; the acceleration values do not exceed 1 m/s2. Low dynamics allows for a longer range of an electric vehicle, however, the actual urban operation of an electric vehicle requires more dynamics, and therefore, measurements for the NEDC cycle will not be taken into account in the future in order to approximate real conditions.
- The modern WLTC measuring cycle provides sufficient range. Frequent braking, taking into account operation in city traffic, provides a significant return of electricity to the battery.
Author Contributions
Funding
Data Availability Statement
Conflicts of Interest
References
- Lin, C.; Tang, A.; Wang, W. A review of SOH estimation methods in lithium-ion batteries for Electric Vehicle Applications. Energy Procedia 2015, 75, 1920–1925. [Google Scholar] [CrossRef]
- Thomann, M.; Popescu, F. Estimating the effect of domestic load and renewable supply variability on battery capacity requirements for decentralized microgrids. Procedia Comput. Sci. 2014, 32, 715–722. [Google Scholar] [CrossRef]
- Ormston, T.; Maleville, L.; Tran, V.D.; Lucas, L.; Van Der Pols, K.; Denis, M.; Mardle, N. Lithium Ion Battery Management Strategies for European Space Operations Center Missions. In Proceedings of the SpaceOps 2014 Conference, Pasadena, CA, USA, 5–9 May 2014. [Google Scholar]
- Ashokkumar, R.; Suresh, M.; Sharmila, B.; Panchal, H.; Gokul, C.; Udhayanatchi, K.V.; Sadasivuni, K.K.; Israr, M. A Novel Method for Arduino Based Electric Vehicle Emulator. Int. J. Ambient Energy 2022, 43, 4299–4304. [Google Scholar] [CrossRef]
- Naumann, M.; Karl, R.C.; Truong, C.N.; Jossen, A.; Hesse, H.C. Lithium-ion battery cost analysis in PV-household application. Energy Procedia 2015, 73, 37–47. [Google Scholar] [CrossRef]
- Yagües-Goma, M.; Olivella-Rosell, P.; Villafafila-Robles, R.; Sumper, A. Aging of Electric Vehicle Battery considering mobility needs for urban areas. In Proceedings of the International Conference on Renewable Energy and Power Quality Journal, Cordoba, Spain, 8–10 April 2014; pp. 1019–1024. [Google Scholar]
- Tian, Y.; Xia, B.; Wang, M.; Sun, W.; Xu, Z. Comparison study on two model-based adaptive algorithms for SOC estimation of lithium-ion batteries in electric vehicles. Energies 2014, 7, 8446–8464. [Google Scholar] [CrossRef]
- Xia, B.; Wang, S.; Tian, Y.; Sun, W.; Xu, Z.; Zheng, W. Experimental research on the linixcoymnzo2 lithium-ion battery characteristics for model modification of SOC estimation. Inf. Technol. J. 2014, 13, 2395–2403. [Google Scholar] [CrossRef]
- Li, X.; Jiang, J.; Zhang, C.; Wang, L.Y.; Zheng, L. Robustness of SOC estimation algorithms for EV lithium-ion batteries against modeling errors and measurement noise. Math. Probl. Eng. 2015, 2015, 719490. [Google Scholar] [CrossRef]
- Barcellona, S.; Brenna, M.; Foiadelli, F.; Longo, M.; Piegari, L. Analysis of aging effect on Li-polymer batteries. Sci. World J. 2015, 2015, 979321. [Google Scholar] [CrossRef]
- Fleischer, C.; Waag, W.; Bai, Z.; Sauer, D.U. Adaptive on-line state-of-available-power prediction of lithium-ion batteries. J. Power Electron. 2013, 13, 516–527. [Google Scholar] [CrossRef]
- He, Z.; Gao, M.; Wang, C.; Wang, L.; Liu, Y. Adaptive State of charge estimation for Li-ion batteries based on an unscented Kalman filter with an enhanced battery model. Energies 2013, 6, 4134–4151. [Google Scholar] [CrossRef]
- Patel, M.A.; Asad, K.; Patel, Z.; Tiwari, M.; Prajapati, P.; Panchal, H.; Suresh, M.; Sangno, R.; Israr, M. Design and Optimisation of Slotted Stator Tooth Switched Reluctance Motor for Torque Enhancement for Electric Vehicle Applications. Int. J. Ambient Energy 2022, 43, 4283–4288. [Google Scholar] [CrossRef]
- Tseng, K.-H.; Liang, J.-W.; Chang, W.; Huang, S.-C. Regression models using fully discharged voltage and internal resistance for state of health estimation of lithium-ion batteries. Energies 2015, 8, 2889–2907. [Google Scholar] [CrossRef]
- Sepasi, S.; Roose, L.; Matsuura, M. Extended Kalman filter with a fuzzy method for accurate battery pack state of charge estimation. Energies 2015, 8, 5217–5233. [Google Scholar] [CrossRef]
- Sheela, A.; Suresh, M.; Gowri Shankar, V.; Panchal, H.; Priya, V.; Atshaya, M.; Sadasivuni, K.K.; Dharaskar, S. FEA Based Analysis and Design of PMSM for Electric Vehicle Applications Using Magnet Software. Int. J. Ambient Energy 2020, 43, 2742–2747. [Google Scholar] [CrossRef]
- Prada, E.; Di Domenico, D.; Creff, Y.; Sauvant-Moynot, V. Towards advanced BMS algorithms development for (p)hev and EV by use of a physics-based model of Li-Ion Battery Systems. World Electr. Veh. J. 2013, 6, 807–818. [Google Scholar] [CrossRef]
- Chen, L.; Tian, B.; Lin, W.; Ji, B.; Li, J.; Pan, H. Analysis and prediction of the discharge characteristics of the lithium–ion battery based on the Gray System theory. IET Power Electron. 2015, 8, 2361–2369. [Google Scholar] [CrossRef]
- Wu, J.; Li, K.; Jiang, Y.; Lv, Q.; Shang, L.; Sun, Y. Large-scale battery system development and user-specificdriving behavior analysis for emerging electric-drive vehicles. Energies 2011, 4, 758–779. [Google Scholar] [CrossRef]
- Qing, D.; Huang, J.; Sun, W. SOH estimation of lithium-ion batteries for electric vehicles. In Proceedings of the 31st International Symposium on Automation and Robotics in Construction and Mining (ISARC), Sydney, Australia, 9–11 July 2014. [Google Scholar]
- Gyan, P.; Aubret, P.; Hafsaoui, J.; Sellier, F.; Bourlot, S.; Zinola, S.; Badin, F. Experimental Assessment of Battery Cycle Life within the Simstock Research Program. Oil Gas Sci. Technol. Rev. D’ifp Energ. Nouv. 2013, 68, 137–147. [Google Scholar] [CrossRef]
- Grolleau, S.; Delaille, A.; Gualous, H. Predicting lithium-ion battery degradation for efficient design and management. World Electr. Veh. J. 2013, 6, 549–554. [Google Scholar] [CrossRef]
- Leng, F.; Tan, C.M.; Pecht, M. Effect of temperature on the aging rate of Li ion battery operating above room temperature. Sci. Rep. 2015, 5, 12967. [Google Scholar] [CrossRef]
- Suresh, M.; Meenakumari, R.; Panchal, H.; Priya, V.; El Agouz, E.S.; Israr, M. An Enhanced Multiobjective Particle Swarm Optimisation Algorithm for Optimum Utilisation of Hybrid Renewable Energy Systems. Int. J. Ambient Energy 2020, 43, 2540–2548. [Google Scholar] [CrossRef]
- Shi, Q.; Zheng, Y.B.; Wang, R.S.; Li, Y.W. The study of a new method of driving cycles construction. Procedia Eng. 2011, 16, 79–87. [Google Scholar] [CrossRef]
- Hafsaoui, J.; Sellier, F. Electrochemical model and its parameters identification tool for the follow up of batteries aging. World Electr. Veh. J. 2010, 4, 386–395. [Google Scholar] [CrossRef]
- Martyushev, N.V.; Malozyomov, B.V.; Khalikov, I.H.; Kukartsev, V.A.; Kukartsev, V.V.; Tynchenko, V.S.; Tynchenko, Y.A.; Qi, M. Review of Methods for Improving the Energy Efficiency of Electrified Ground Transport by Optimizing Battery Consumption. Energies 2023, 16, 729. [Google Scholar] [CrossRef]
- Chang, J.-J.; Zeng, X.-F.; Wang, T.-L. Real-time measurement of lithium-ion batteries’ state-of-charge based on air-coupled ultrasound. AIP Adv. 2019, 9, 085116. [Google Scholar] [CrossRef]
- Varini, M.; Campana, P.E.; Lindbergh, G. A semi-empirical, electrochemistry-based model for Li-ion battery performance prediction over lifetime. J. Energy Storage 2019, 25, 100819. [Google Scholar] [CrossRef]
- De Breucker, S.; Engelen, K.; D’hulst, R.; Driesen, J. Impact of current ripple on Li-Ion Battery aging. World Electr. Veh. J. 2013, 6, 532–540. [Google Scholar] [CrossRef]
- Uddin, K.; Somerville, L.; Barai, A.; Lain, M.; Ashwin, T.R.; Jennings, P.; Marco, J. The impact of high-frequency-high-current perturbations on film formation at the negative electrode-electrolyte interface. Electrochim. Acta 2017, 233, 1–12. [Google Scholar] [CrossRef]
- Shchurov, N.I.; Dedov, S.I.; Malozyomov, B.V.; Shtang, A.A.; Andriashin, S.N. Degradation of Lithium-Ion Batteries in an Electric Transport Complex. Energies 2021, 14, 8072. [Google Scholar] [CrossRef]
- Christensen, A.; Adebusuyi, A. Using on-board electrochemical impedance spectroscopy in battery management systems. World Electr. Veh. J. 2013, 6, 793–799. [Google Scholar] [CrossRef]
- Uddin, K.; Gough, R.; Radcliffe, J.; Marco, J.; Jennings, P. Techno-economic analysis of the viability of residential photovoltaic systems using lithium-ion batteries for energy storage in the United Kingdom. Appl. Energy 2017, 206, 12–21. [Google Scholar] [CrossRef]
- Klintberg, A.; Klintberg, E.; Fridholm, B.; Kuusisto, H.; Wik, T. Statistical modeling of OCV-curves for aged battery cells. IFAC-PapersOnLine 2017, 50, 2164–2168. [Google Scholar] [CrossRef]
- Casals, L.C.; Amante Garcia, B.; Canal, C. Second Life batteries lifespan: Rest of useful life and environmental analysis. J. Environ. Manag. 2019, 232, 354–363. [Google Scholar] [CrossRef]
- Isametova, M.E.; Nussipali, R.; Martyushev, N.V.; Malozyomov, B.V.; Efremenkov, E.A.; Isametov, A. Mathematical Modeling of the Reliability of Polymer Composite Materials. Mathematics 2022, 10, 3978. [Google Scholar] [CrossRef]
- Fleckenstein, M.; Bohlen, O.; Bäker, B. Aging effect of temperature gradients in Li-ion cells experimental and simulative investigations and the consequences on Thermal Battery Management. World Electr. Veh. J. 2012, 5, 322–333. [Google Scholar] [CrossRef]
- Martyushev, N.V.; Malozyomov, B.V.; Sorokova, S.N.; Efremenkov, E.A.; Qi, M. Mathematical Modeling of the State of the Battery of Cargo Electric Vehicles. Mathematics 2023, 11, 536. [Google Scholar] [CrossRef]
- Allafi, W.; Uddin, K.; Zhang, C.; Mazuir Raja Ahsan Sha, R.; Marco, J. On-line scheme for parameter estimation of nonlinear lithium ion battery equivalent circuit models using the simplified refined instrumental variable method for a modified wiener continuous-time model. Appl. Energy 2017, 204, 497–508. [Google Scholar] [CrossRef]
- Uddin, K.; Jackson, T.; Widanage, W.D.; Chouchelamane, G.; Jennings, P.A.; Marco, J. On the possibility of extending the lifetime of lithium-ion batteries through optimal V2G facilitated by an integrated vehicle and smart-grid system. Energy 2017, 133, 710–722. [Google Scholar] [CrossRef]
- Ashwin, T.R.; McGordon, A.; Jennings, P.A. Electrochemical modeling of li-ion battery pack with constant voltage cycling. J. Power Sources 2017, 341, 327–339. [Google Scholar] [CrossRef]
- Narayan, N.; Papakosta, T.; Vega Garita, V.; Qin, Z.; Popovic-Gerber, J.; Bauer, P.; Zeman, M. Estimating battery lifetimes in solar home system design using a practical modeling methodology. Appl. Energy 2018, 228, 1629–1639. [Google Scholar] [CrossRef]
- Uddin, K.; Perera, S.; Widanage, W.; Marco, J. Characterizing Li-ion battery degradation through the identification of perturbations in Electrochemical Battery Models. World Electr. Veh. J. 2015, 7, 76–84. [Google Scholar] [CrossRef]
- Worwood, D.; Kellner, Q.; Wojtala, M.; Widanage, W.D.; McGlen, R.; Greenwood, D.; Marco, J. A new approach to the internal thermal management of cylindrical battery cells for automotive applications. J. Power Sources 2017, 346, 151–166. [Google Scholar] [CrossRef]
- Richardson, R.R.; Osborne, M.A.; Howey, D.A. Gaussian process regression for forecasting battery state of health. J. Power Sources 2017, 357, 209–219. [Google Scholar] [CrossRef]
- Shchurov, N.I.; Myatezh, S.V.; Malozyomov, B.V.; Shtang, A.A.; Martyushev, N.V.; Klyuev, R.V.; Dedov, S.I. Determination of Inactive Powers in a Single-Phase AC Network. Energies 2021, 14, 4814. [Google Scholar] [CrossRef]
- Chen, C.; Sun, F.; Xiong, R.; He, H. A novel dual H infinity filters based battery parameter and state estimation approach for Electric Vehicles Application. Energy Procedia 2016, 103, 375–380. [Google Scholar] [CrossRef]
- Ashwin, T.R.; Barai, A.; Uddin, K.; Somerville, L.; McGordon, A.; Marco, J. Prediction of battery storage aging and solid electrolyte interphase property estimation using an electrochemical model. J. Power Sources 2018, 385, 141–147. [Google Scholar] [CrossRef]
- Vega Garita, V.; Hanif, A.; Narayan, N.; Ramirez-Elizondo, L.; Bauer, P. Selecting a suitable battery technology for the photovoltaic Battery Integrated Module. J. Power Sources 2019, 438, 227011. [Google Scholar] [CrossRef]
- Rucker, F.; Bremer, I.; Linden, S.; Badeda, J.; Sauer, D.U. Development and evaluation of a battery lifetime extending charging algorithm for an Electric Vehicle Fleet. Energy Procedia 2016, 99, 285–291. [Google Scholar] [CrossRef]
- Malozyomov, B.V.; Martyushev, N.V.; Sorokova, S.N.; Efremenkov, E.A.; Qi, M. Mathematical Modeling of Mechanical Forces and Power Balance in Electromechanical Energy Converter. Mathematics 2023, 11, 2394. [Google Scholar] [CrossRef]


















| Battery Parameters | Tesla Model S | Nissan Leaf | BMW i3 |
|---|---|---|---|
| Battery capacity, kWh | 85 | 24 | 22 |
| Power reserve to full charge, km | 426 | 175 | 160 |
| Resource, years | 7 | 5 | 5 |
| Full charge cycle (220 V), h | 8 | 8 | 8 |
| Energy consumption, kWh/100 km | 27.7 | 21 | 12 |
| Cycle Parameter | US06 | JC08 | NEDC | WLTC |
|---|---|---|---|---|
| Time range, s | 600 | 1200 | 1200 | 1800 |
| Cycle length, km | 12.89 | 8.15 | 11.04 | 22.77 |
| Specific consumption, Wh/km | 191 | 127 | 76 | 159 |
| Energy consumption per cycle, MJ | 8.9 | 3.7 | 3 | 13 |
| Remaining battery charge, MJ | 141.1 | 146.3 | 147 | 137 |
| SoC, % | 94.1 | 97.5 | 98.0 | 91.3 |
| Power reserve, km | 218 | 328 | 546 | 262 |
Disclaimer/Publisher’s Note: The statements, opinions and data contained in all publications are solely those of the individual author(s) and contributor(s) and not of MDPI and/or the editor(s). MDPI and/or the editor(s) disclaim responsibility for any injury to people or property resulting from any ideas, methods, instructions or products referred to in the content. |
© 2023 by the authors. Licensee MDPI, Basel, Switzerland. This article is an open access article distributed under the terms and conditions of the Creative Commons Attribution (CC BY) license (https://creativecommons.org/licenses/by/4.0/).
Share and Cite
Martyushev, N.V.; Malozyomov, B.V.; Sorokova, S.N.; Efremenkov, E.A.; Qi, M. Mathematical Modeling the Performance of an Electric Vehicle Considering Various Driving Cycles. Mathematics 2023, 11, 2586. https://doi.org/10.3390/math11112586
Martyushev NV, Malozyomov BV, Sorokova SN, Efremenkov EA, Qi M. Mathematical Modeling the Performance of an Electric Vehicle Considering Various Driving Cycles. Mathematics. 2023; 11(11):2586. https://doi.org/10.3390/math11112586
Chicago/Turabian StyleMartyushev, Nikita V., Boris V. Malozyomov, Svetlana N. Sorokova, Egor A. Efremenkov, and Mengxu Qi. 2023. "Mathematical Modeling the Performance of an Electric Vehicle Considering Various Driving Cycles" Mathematics 11, no. 11: 2586. https://doi.org/10.3390/math11112586
APA StyleMartyushev, N. V., Malozyomov, B. V., Sorokova, S. N., Efremenkov, E. A., & Qi, M. (2023). Mathematical Modeling the Performance of an Electric Vehicle Considering Various Driving Cycles. Mathematics, 11(11), 2586. https://doi.org/10.3390/math11112586

